Abstract
According to EIA, the Heating Ventilation and Air Conditioning (HAVC) systems account for about 25% of the U.S.’s total commercial building’s energy use. Therefore, advanced modeling and optimization methods of the system components and operation offer great ways to reduce energy consumption in all types of buildings and mainly commercial buildings. This research introduced an innovative integrated two-level optimization technique for the HVAC system to reduce the total energy consumption while improving the indoor thermal comfort level. The process uses actual system performance data collected for the building automation systems (BAS) to create accurate component modeling and optimization process as the first level of optimization (MLO). Artificial neural networks were chosen to be the tool used to serve the process of modeling. The second optimization level utilizes the whole system-level optimization technique (SLO) using a genetic algorithm (G.A.). The proposed two-levels optimization technique will optimize the system setpoints, the supply air temperature, duct static pressure, minimum zone air flowrates, and minimum outdoor air ventilation rate. The proposed technique has contributed to the field of modeling and optimization of HVAC systems through several new contributions. (1) Implementing the demand control methodology with the optimization process to modify the electricity consumption power profile when the demand signal is received. (2) Implement the occupancy schedule inputs into the optimization process to adjust the ventilation airflow rates accordingly. (3) Implement the real-time zone occupancy sensor readings and adjust the zone’s ventilation flowrates and minimum flowrates. (4) Lastly, implementing the method of zone minimum air flowrates setpoint rests to reduce reheat requirements. The proposed optimization process was tested and validated, resulting in savings in the total energy consumed by the chilled water VAV system by 13.4%, 22.4 %, followed by 31% for July, February, and October, respectively.
1. Introduction
Electricity and natural gas accounted for about 93% of the total energy consumed in commercial buildings in 2012. Natural gas was the source of 32% of total energy end-use consumption in commercial buildings. At the same time, electricity’s share of total energy end-use consumption in commercial buildings increased from 38% in 1979 to 61% in 2012. Moreover, the heating, ventilation, and air condition systems account for about 25% of the total commercial building’s energy use in the U.S. [1].
Therefore, advanced modeling and optimization methods of the system components and operation offer great ways to reduce energy consumption in all types of buildings and mainly commercial buildings.
Since HVAC systems modeling is a characteristic and challenging process thus, while developing an HVAC system and component model, close attention should be given to the accuracy of the model structure, model parameters, and constraints. As a result, the final selected model can accurately deal with constraints, and uncertainties, control the time-varying applications and time delays, and handle a broad range of operating conditions.
This research will introduce an innovative method of modeling and optimizing HVAC system operation to reduce the total energy consumption while improving the indoor thermal comfort level. The data-driven two-level optimization technique introduced in this research will utilize the use of real system performance data collected from the building automation systems (BAS). The data will be used to create an accurate modeling and optimization technique to predict the HVAC system components’ performance accurately. This is the first level of optimization (MLO). This process will automate the model selection process to deliver more accurate predictions with lower processing time.
The second level of optimization utilizes the whole system-level optimization technique. Thus, the process will include integrating the first level of optimization (MLO) and the second level of optimization, a whole system performance optimization (SLO). The proposed optimization technique will reduce the systems’ energy consumption while improving the thermal comfort levels of the zones. The optimization tool that was selected to achieve this goal is the genetic algorithm (G.A.). Figure 1 below shows a schematic for the proposed integrated whole system model optimization process.
Figure 1.
A schematic of the integrated optimization process.
The proposed two-levels optimization technique will work on optimizing the system setpoints. The system setpoints that were selected to be optimized are the supply air temperature, duct static pressure, minimum zone airflow rates, and minimum outdoor air ventilation rate.
The proposed two-levels optimization technique has contributed to the field of modeling and optimization of HVAC systems through several new contributions.
- (1)
- Create accurate modeling and optimization techniques to predict the performance of HVAC system components accurately. The accurate data-driven modeling and optimization can be used for more accurate and flexible online implementation for energy savings predictions than the physical model’s constrained and time-consuming estimation.
- (2)
- Proposed an integrated optimization process to optimize HVAC system energy consumption performance and improve indoor thermal comfort.
- (3)
- Implementing the demand response methodology with the optimization process to modify the electricity consumption power profile by alleviating the peak load demand when the demand signal is received from the utility-providing companies.
- (4)
- Implement the occupancy schedule and occupancy sensor reading inputs into the optimization process to account for the number of occupants at each time step and reduce the ventilation airflow rates to the required amounts. This approach will enhance the sustainability goals of ASHRAE 62.1 by optimizing the zone level ventilation ratio and fulfilling the gap in this related code, as well as reducing the total system energy consumption.
- (5)
- Implement the real-time zones occupancy sensor readings. This approach will crucially affect the zones’ ventilation flowrates and zones minimum flowrates.
- (6)
- Lastly, this research has implemented the method of zone minimum air flowrates setpoint rests. This approach will allow this setpoint to be adjusted over the operation time instead of using the constant design minimum values. This method is crucial to balance between the ventilation airflow rate and the reheat energy consumption.
The proposed optimization process was tested and validated, and the system energy savings and cost savings were calculated. This research has validated the use of the proposed optimization technique in improving the energy efficiency of exciting systems. As well as the capability of this method to be successfully implemented in online HVAC system applications.
2. Research Background
Modeling and simulation of building system performance have a significant impact on energy consumption through identifying ways for energy savings. Another way to minimize the building’s embodied energy and operational energy is the life cycle energy assessment (LCEA) approach [2].
Both modeling and life cycle assessment approaches have some drawbacks. For example, the trend in LCEA application in residential buildings nowadays shows that the application is suffering from inaccuracy due to an incomplete definition of the system boundary and the lack of consensus on measurements of operational and embodied energies [3].
One drawback of component performance predictions that are being used now is using physical-based estimated data built on the rule of thumb approximation or experienced estimation. Estimated data does not correctly evaluate the component performance because it does not account for many factors, such as building occupants. Therefore, using actual performance data for component modeling approaches will give more accurate results [4]. It will account for occupant behavior, operational inefficiencies, and interactive effects such as the thermal interactions, such as convective heat transfer, between the zones that are difficult or costly to account for in building energy models [5].
On the other hand, using energy simulation software to generate data used for the LCEA applications provides less accurate results. These software packages can produce detailed data on the annual energy consumption of buildings, but they can still be improved. To improve the LCEA application in buildings nowadays, using existing buildings’ performance data is recommended and taking the users’ behaviors energy usage into consideration [3].
A study compared the design stage estimated data vs. the building’s actual performance using NBI’s (new buildings institute) database of LEED-certified buildings. The study has found that the measured use intensity for 50% of the buildings deviated by about 25% from the projected performance, with 30% significantly better and 25% significantly worse [6].
The simulated data or actual performance data can be used to develop data-driven algorithms that can be used for more accurate and flexible predictions than the physical model’s estimation data [7]. For example, most of the buildings in the United States are now equipped with BAS (building automation system) to provide us with an outstanding amount of actual building operation data [8]. However, most of the researchers do not use those data for modeling systems’ energy consumption. Instead, they tend to use estimation data based on physical models and estimations, resulting in less accurate models.
An adequately identified model that correctly identifies the model parameters can provide accurate or close to accurate results and, at the same time, may require minimum calculations time [9]. Therefore, creating an accurate model through accurately identifying their parameters became crucial. Parameter identification, influenced by input data, excitation signals, and model structure, is essential in system identification accuracy and efficiency [10]. However, even though parametric testing methods are crucial to determining the system order, there is still a lack of a methodical approach for the model structure selection, order determination, and parameter identification [11]. Nowadays, the use of the trial-and-error approach is favorable in the literature to decide on the model structure, order, and parameters [9]. While the HVAC system, such as many other types of process controls in certain features such as nonlinearity, time-dependent, time-varying system dynamics, insufficient data, complex interactions between the components, and limited supervisory controls, the HVAC systems modeling is a very characteristic challenging process [12]. Thus, developing models that can accurately deal with constraints, and uncertainties, control the time-varying applications and time delays, and handle a broad range of operating conditions became crucial.
As previously stated, the HVAC components are complex nonlinear components, and every component is different. Therefore, we cannot propose one model to fit that specified component in all systems. Furthermore, choosing the best model structure is a time-consuming process. Thus, an optimization process needs to be implemented to select the best model and choose between several models to reduce energy consumption [13].
Also, most researchers nowadays are utilizing models in their simulated work. However, this approach’s drawback is when implementing a created model to simulated work does not account for occupants’ influence, time, schedule, and interaction with the indoor environment [14]. The occupant’s presence can be used as an input in most models and directly influences the building’s energy consumption [15] have conducted a study showing the influence of occupants on the buildings by stochastic models that emphasize the occupants. In addition, [16] have developed models for overtime occupancy based on measured occupancy data from an office building. The study shows that the presented model can be used to generate occupant schedules to be used as an input for building energy simulations.
Very few models have used actual performance data collected over a long performance span that is more than three months [17]. Instead, some researchers have trained their models using simulation data or a limited set of data collected in a short period, resulting in less accurate results [14].
For example, a study conducted by [18] modeled the building systems using MATLAB. They considered the building as a thermal network also; they used one season of data. Therefore, the model can be considered incomplete because it covered only the winter season, thus only the heating system was considered. Moreover, developing models using a limited range of data (less than one month) is not accurate for predicting indoor temperature and relative humidity, unlike other studies that developed models using a short period. A study conducted by [19] developed models using an extended period (nine months). The study has found that no model can predict indoor temperature and humidity levels. This conclusion contradicts [20], who used a shorter period.
Moreover, there have been some studies that implemented the whole system optimization technique in the past. Those studies used the approach of reseating the system set points to reduce the total system energy consumption. A dissertation work conducted by [21] proposed an integrated optimization technique to reduce the energy consumed by chilled water VAV systems. The study has utilized the use of both physical models and data-driven models to model the system component. Later, the optimization process was implemented to optimize two system setpoints the supply air temperature and duct static pressure. The work was established on the assumption of a fixed minimum zone airflow rate of 20% of the design flow, fixed occupancy schedule that is assumed to be the maximum number of design people. In addition, the work has not accounted for the occupancy sensors reading. The study has found that this approach can reduce the total system energy consumption by at least 13%.
Therefore, this research will address the previous studies gap by using existing building data to create accurate data-driven models instead of using the rule method of operation (Sequences of Operation for HVAC System) stated by ASHRAE guideline 36 [22] to fill the first gap of using physical-based estimated data.
Also, a more extensive data span will be gathered from an actual system performance in our study. Since previous research that used data collected over a short span or using simulated data instead of actual data has resulted in less accurate results. Therefore, three months of data were found to be sufficient for the type of application being examined in this research.
Later, this study will create a modeling and optimization technique that utilizes all data-driven models instead of hybrid modeling. That will ease the optimal structure models finding using the optimization process in a sufficiently timely manner. Thus, reduce the time required to select the optimal model structure to predict the component performance and eventually predict the actual total system energy consumption.
Also, this research will propose implementing the occupancy schedule inputs into the optimization process to account for the actual number of occupants at each time step and reduce the ventilation airflow rates to the exact required amounts. This approach will enhance the sustainability goals of ASHRAE 62.1 [23] by optimizing the zone level ventilation ratio and fulfilling the gap in this related code, as well as reducing the total system energy consumption. In addition, this research will implement the real-time zones occupancy sensor readings. This approach will crucially affect the zones’ ventilation flowrates and zones minimum flowrates. Lastly, this research will implement the method of zone minimum airflow rates setpoint rests. This approach will allow this setpoint to be adjusted over the operation time instead of using the constant design minimum values. This method is crucial to reduce reheat requirements.
Finally, a new approach that was rarely introduced in any previous work will be implemented in this research, which is the demand-control method. Implementing the demand control methodology with the optimization process in response to the demand signal received from the utility companies to modify the electricity consumption power profile by alleviating the peak load demand when the demand signal is received.
3. Methodology
A previous study was conducted as part of this work to model and optimize the chilled water VAV system components and published in MDPI (Talib et al. 2020). The study compared between multiple learning algorithms such as the Support vector machine (SVM), Artificial neural networks (ANN), and bootstrap aggregation (BSA). Furthermore, the three modeling tools were trained and tested, and a comparison between the 3 was made to choose the best modeling technique. Lastly, the ANN was selected to be the modeling technique to further model the component of the HVAC system chosen [7,24].
After choosing the ANN as the modeling technique in the previous study, a data-driven model was developed for each component of the chilled water VAV system using ANN. First, the inputs and outputs of each model were tuned to create the structure of each model. Later, a parametric study was conducted to test the performance of each model.
The testing results were compared against the actual system performance data, and the optimal model structure with the lowest error value was selected. The components of the system were thoroughly investigated and modeled.
Moreover, a model-level optimization (MLO) technique was used to automate this process and help select the best model structure. The MLO process consists of 2 calculations loops. The inner loop was used for the model parameter tuning and another outer loop for the proposed optimization process. A typical learning algorithm was used in the inner loop where the model’s parameters were tuned. For this purpose, artificial neural networks were selected. Moreover, the variables that were adjusted in the process were (1) input time delays, (2) feedback time delays, and (3) the number of neurons (hidden layer size). At the same time, the model parameters were such as weights and biases. The tuning of the parameters will be completed on the whole testing data set.
The outer loop was the proposed calculation to determine the optimal model structure. A high-level optimization will be performed in this loop to select the best model structure that produces the minimum error values in model prediction. G.A. was chosen to be used to solve the optimization process for this research. This process will not replace the typical learning algorithm. Instead, it will automate the process to deliver more accurate predictions with lower processing time.
The optimization results were compared against the parametric study results to validate the results. Thus, the objective of the model level optimization was to find the best model structure with the lowest error value over a predefined (training or testing) period with an n data sample. The error values were measured in terms of MSE (mean square error) and CV% (coefficient of variation).
The previously referenced study showed the proposed approach of the component modeling and optimization (MLO). Only the cooling coil and fan were modeled, and results were thoroughly discussed. The study suggested modeling the rest of the system components in future work. Therefore, in this research, the rest of the components were modeled.
Figure 2 shows the rest of the system component data-driven models that were developed in this research based on the previously described methodology. Lastly, this work will not repeat the modeling process and will only state the optimal model structure for each component. Instead, this research will focus on the whole system integrated two-level optimization technique.
Figure 2.
A schematic of the integrated optimization process.
The main objective of this research was to optimize the performance of HVAC systems, which will be conducted by integrating both the component model optimization level (MLO) and the whole system optimization level (SLO). Therefore, the accuracy of the model-level optimization process is crucial for the system’s total energy consumption prediction. It is noted that the results produced by the MLO process are similar in value to those obtained in the parametric study, which gave the green light to continue with the next level of optimization process (SLO).
Table 1 shows the optimization process results for the chilled water VAV component model. Again, the results produced by the optimization tool are similar in value to those obtained in the parametric study.
Table 1.
Optimization Process Results for the chilled water VAV system components.
Due to the significance of each component in the system, we cannot propose one model to fit all the components in the system. Moreover, choosing the best model structure was a time-consuming process. Moreover, here comes the optimization process role in automating the process of selecting the optimal model structure for each application.
The results have validated the use of the MLO process that achieved higher accuracy values when compared against the one conducted by the parametric study. Figure 3 below shows the simulated data vs. the actual performance data for the fan power model. Since the data were collected in a 1 min time step, the figures were crowded and complex to examine for the entire 3 months examined. Therefore, the figure shows 10 days of performance only for clarity of the results. The figure reflects how accurate the model was in predicting the fan power.
Figure 3.
Optimal results with simulated power vs. actual power for the testing period of 10 days.
After modeling and optimizing all the components of the selected HVAC system, the whole integrated system optimization process (SLO) developed in this research will optimize the system setpoints over a short period of optimization (15 min). First, the genetic algorithm was used to find the energy used by each system component in the model level (MLO). Later, the integrated components model together will form the system model. Moreover, the total system energy use will be calculated as the output of the system model at each time step in response to the controller setpoints and operating modes.
Later, the SLO process developed in this research using a genetic algorithm will optimize the total energy consumption through optimizing the system operation set points at each timestep (15 min). The setpoints (problem variables) that were selected to be optimized in this research were:
- The optimal supply air temperature setpoint,
- Duct static pressure setpoint,
- Minimum zone airflow setting,
- Minimum outdoor air ventilation rate,
In developing the whole system integrated optimization process proposed in this research, accurate modeling and optimization of the system components (MLO) was crucial. Since those components’ models impact the accuracy of the objective function of the optimization process. Those component models integrated with each other will be the main part of the system model. The system-level optimization process, besides the component models, will include a few other models and calculations as follow:
- The system basic calculations model calculates the zones’ humidity ratios, supply, return, mixed air temperatures, and economizer condition (on/off).
- Constraint model that specifies the design constraints and assigns a power penalty.
- An HVAC simulation model to calculate the total power. This model will read the user inputs such as the system loads, outside air conditions, design system parameters such as efficiencies and pressure drop, schedule, and electricity demand signal.
- Total pressure model that specifies all the design static pressure values and limits.
- Ventilation model that specifies the zone minimum air flowrate requirements based on ASHRAE 62.1 standard. This model will call for the occupancy sensor signal, schedule number of people, and demand signal.
- The zone model specifies all the zones’ design conditions and requirements in terms of supply air temperature, sensible load, minimum airflow rate, and reheat loop.
- System model to simulate total energy use as a function of optimal variables. This model will specify the variables that will be optimized in this research while calling for all the component models that were previously described as well as all the models and calculations above.
The SLO process using G.A. will call for the HVAC simulation model to calculate the total power consumption using Equation (1) below.
Total = total power +chiller power + fan power + heating energy + reheat
That the chiller power and fan power are electric output measured in kWh. At the same time, the heating energy and reheat are measured in BTU. Therefore, to examine the total power correctly, the units need to be uniformed first.
According to (EIA, 2021), the price of kWh of electricity in Ohio was 9.78 cents/kWh. In contrast, the average Ohio price of natural gas was $0.85 per therm. The energy use was converted to the total cost as in Equations (2) and (3) below. Later in Equation (4), the total cost was divided by the kWh price to obtain the equivalent energy use in one form (kWh). As discussed in the results section, this approach was implemented in the optimization process to calculate energy use accurately using Equations (2)–(4) below.
Therm = 100,000 BTU
Total cost = (ChillerPower + FanPower) × 0.10 + ((abs(Rheat) + abs(qht))/100,000) × 0.85 + PowerPenalty
Total = Total cost/0.10
Figure 4 shows a schematic of the whole system-level optimization process.
Figure 4.
Optimization process schematic diagram.
The SLO process will calculate the total energy consumption at each timestep as well as the optimal variables (setpoints). At the same time, considering all the design constraints imposed by the codes and regulations for the system design. For the supply air temperature, the range of temperature that was examined in this research was 55–65 °F (12.8–18.3 °C). While the fan duct static pressure range was 0.2–2.5 in.w.g. (0.007–0.09 psi). Any zone with less than 0.2 duct static pressure will be starving for air, and that will cause termination of that iterations.
The proposed integrated 2-level optimization process in this research will contribute to the field of modeling and optimization of the HVAC systems performance in many aspects. This process has implemented several new approaches with the regular optimization approach aiming to reduce the total system energy consumption while improving the zone thermal comfort and therefore reduce the cost of operation as well as the environmental benefits from lowering the usage of the system that means less greenhouse gas emissions. Furthermore, this research has introduced the following new contributions:
- The demand control method and implementation in the optimization process after receiving the demand signal from the utility companies. Where the demand control is a process that is applied to the demand side to influence and modify the electricity consumption power profile by alleviating the peak load demand instead of increasing the power generation and enhancing the transmission and distribution network. It is a partnership between the supplier and consumer sides, aiming to maximize mutual benefits. Where electricity companies nowadays are raising the price of electricity kWh in peak hours. Therefore, implementing the demand control to regulate the individual’s electricity use through peak hours will have several benefits for the consumer, the provider, and the environment.
A methodology was proposed that responds to the demand response signal from the electricity companies for the peak hour usage when the electricity prices increase. The system will respond to this signal with an energy conservation method that reduces the zone airflow rate to less than the minimum. For example, each zone’s minimum zone airflow rate under normal conditions is 20%, while through the peak load where the demand signal is received, the zone airflow rate will drop to 10%. This approach will lower the energy consumption for that period, as shown in the results section.
- 2.
- The proposed optimization process had an occupancy scheduling method implemented in it. Where most of the base case systems nowadays do not count for real-time occupancy, that will eventually affect the ventilation airflow rate of the system. Thus, the constant occupant count in the base case designs will require more ventilation airflow rate that increases the total system airflow rate and requires more energy. On the other hand, implementing the accurate, current occupancy schedules method will reduce the ventilation rate to the required airflow rate. This approach will enhance the sustainability goals of ASHRAE 62.1 by optimizing the zone level ventilation ratio and fulfilling the gap in this related code. While at the same time reduce energy usage. The occupancy schedule can be updated based on real-time knowledge of the occupant’s count, zones type of use, and schedule.
- 3.
- Occupancy sensors implementation. The other approach implemented in the optimization process was the occupancy sensor readings against the baseline cases that do not count for occupancy sensors in adjusting the system performance, such as flow rates and ventilation ratio. This approach will crucially affect the zones’ ventilation flowrates and zones minimum flowrates. Updating that information in real-time applications will lower the ventilation flow rates and therefore reduce the total energy consumption.
- 4.
- Zone Minimum airflow rate setpoint. Optimizing the minimum zone air flowrate setpoint will be crucial to reduce the reheat energy. The codes and regulations suggested using 20% of the total design flow rate as a minimum flow rate for each zone. In this research, the zone minimum flowrate range that was examined was from 20–30%. Savings in the reheat energy will be reviewed and discussed later.
The optimized results will be compared against a baseline case scenario of a baseline commercial building operating under normal operation protocols in the best practice buildings to test the optimization process. The building setpoints will be set to 65 °F (18.3 °C) in the summer, 55 °F (12.8 °C) in the winter, 60 °F (15.6 °C) in the fall and spring season. At the same time, the duct static pressure was set to be 2.5 throughout the year. Moreover, the minimum zone air flow rate was 20% of the design flow. Moreover, the occupancy schedule was fixed throughout the year to the maximum number of people for each zone. Moreover, occupancy sensor reading was not accounted for in the system’s real-time operation.
Data Collection
For the component modeling and optimization level, actual data collected from an existing system was used. The data were collected from the Building Energy Assessments, Solutions, and Technologies (BEAST) lab. The lab was located at the University of Cincinnati, Cincinnati, Ohio (BEAST lab, 2020).
The lab was equipped with several full-scale multi-zone HVAC systems, such as the chilled water VAV system and chilled water central plant and hot water central plant produce chilled and hot water to terminal units. In addition, the lab was equipped with a BAS system where actual performance data can be collected and organized then transferred into data sheets to prepare for the modeling testing and training. Figure 5 shows the BEAST lab layout.
Figure 5.
BEAST lab layout.
After modeling the components of the selected HVAC system and developing the proposed integrated 2-level optimization technique, the process of testing and validation was the next step. Due to the small size of the BEAST lab for this type of application that was designed to be implemented in large commercial buildings. A 5 zones office building was selected to be the baseline case of this study where the accuracy of the whole system optimization process could be tested, and actual energy savings could be calculated. Moreover, because there was a lack of access to a real building with real performance data available, a simulation building using Energyplus was used. The building will be simulated using Energyplus software. The main goal of this simulation process was to test and validate the proposed integrated optimization process. Building performance data that were required as the user input for the optimization process was collected. Those data were total, sensible, and latent load, system flow rates, occupancy schedule, simulation weather conditions, ventilation flow rates, supply, return, and mixed air temperatures and humidity ratios. The building used was a 5 zones 3-story office building of 53,660 ft2 (4985 m2) located in Cincinnati, OH. The building floor-to-floor height was 13 ft. The floor-to-ceiling height was 9 ft (4 ft above the ceiling plenum) with a window to wall ratio of 33%. The glazing still height was 3.35 ft. The windows were evenly distributed along 4 building sides. Moreover, there was no shading provided. The thermal zoning of the building was a core and perimeter zoning. The percentage of the floor area was 40% perimeter and 60% core. For the purpose of this research, only 1 floor will be simulated for clarity of discussion and less simulation time. Figure 6 shows the building geometry and how the other floor was excluded in the simulation process.
Figure 6.
The building geometry.
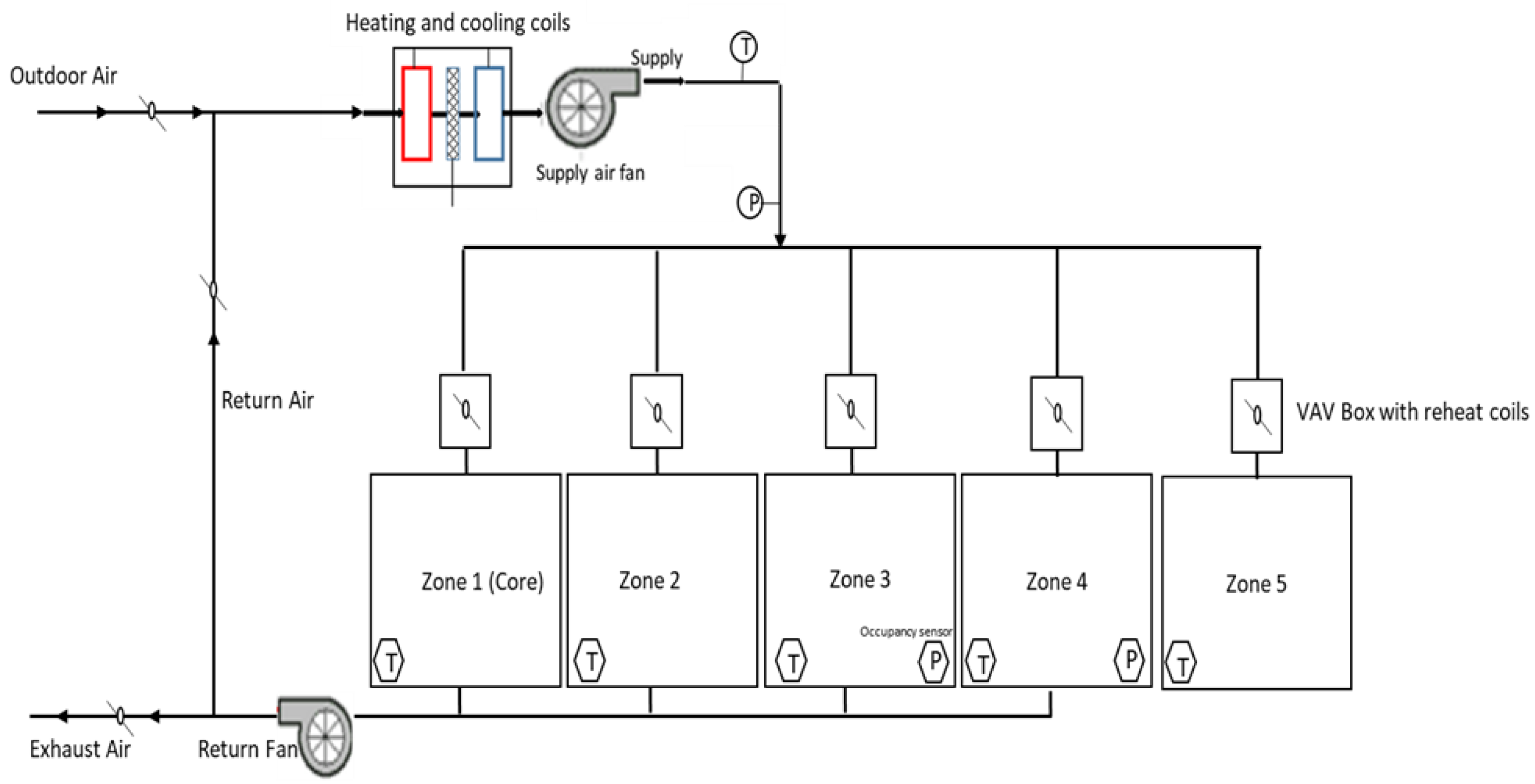
The building was equipped with a chilled water VAV system for cooling and a gas furnace boiler for heating. In addition, each floor was equipped with a separate packaged AHU. Figure 7 shows a schematic of the packaged chilled water VAV unit that serves the 5 zones.
Figure 7.
The layout of the packaged VAV unit that serves each five zones.
The building was simulated to be located in Cincinnati, OH. The weather file that was used in the simulation process was (Weather File>>Cincinnati Municipal Ap Lunki OH USA TMY3 WMO#=724297). In addition, by examining the heating and cooling degree days for a 50 °F and 65 °F (10 °C and 18.3 °C) balance temperature in the weather file and the “ASHRAE 2005 ASHRAE Handbook—Fundamentals (S.I.)” weather file. It was noted that the cooling degree days around June, July, August, and September were the most, indicating that those were the hottest months in Cincinnati. While the heating degree days indicated that the coldest months in Cincinnati were January, February, March, November, and December. Therefore, the weather in Cincinnati tends to be hot and humid in the summer and cold and snowy in the winter.
The simulation building was used to generate the building loads, supply airflow rates, supply, mixed and outdoor air conditions, and occupancy schedule at each time step of 15 min. Those variables were a crucial step for the proposed optimization process to calculate the optimal system setpoints. After simulation, all the loads, building simulated data, and program reads were exported and organized into an Excel file to serve as the user input file. Finally, that system information was generated for a period of 1 year of system performance with a time step of 15 min.
4. Results
To examine the system performance and calculate the expected system savings after implementing the proposed optimization process. We cannot examine the performance all year round since it is a time-consuming and redundant process. For clarity of discussion, only one day from each season will be analyzed, reflecting the system performance in the cooling mode, heating mode, and simultaneous heating and cooling. The savings were calculated for each day in terms of kWh.
A day was selected from July, January, and October to be examined, reflecting the summer performance in the summer, winter, and fall seasons, respectively. This will allow for a better discussion of the results. Table 2 shows the weather conditions for each day analyzed based on the ASHRAE weather condition for Cincinnati, OH.
Table 2.
Weather information.
The results of the optimized performance of the system will be compared against the standard practice used in most systems nowadays to calculate the proposed method savings. The setpoints vary based on the outside temperature in standard practice, as shown in Figure 6 below. The supply air temperature was fixed to 55 °F (12.8 °C) when the temperature outside was more than 65 °F (18.3 °C), which was the case in the summer season. Moreover, the supply air temperature was set to 65 °F (18.3 °C) in the winter when the temperature outside was less than 55 °F (12.8 °C). However, in the fall and spring seasons, the temperature outside varied. Therefore, some practices set the supply air temperature to 60 °F (15.6 °C), while the best practices reset the supply air temperature based on the outside temperature. The relationship between the supply air temperature and the outside air temperature was linear, as shown in Figure 8 below.
Figure 8.
Supply air temperature as a function of outside air temperature.
The equation used to describe that linear relation and find the supply air temperature based on the outside air temperature is shown in Equation (5) below.
where:
SP = ((SPmax − SPmin))/((Tomax − Tomin)) × (To − Tomin) + SPmax
- SPmax: Maximum design supply air temperature (70 °F, 21.1 °C)
- SPmin: Minimum design supply air temperature
- To: Actual outside temperature at the specified time step.
- Tomax: Maximum outside air temperature.
- Tomin: Minimum outside air temperature.
Therefore, the baseline case selected for this research will follow the best practice supply air temperature reset process instead of a fixed supply air temperature of 55 °F (12.8 °C) throughout the year. In contrast, the supply air temperature will be 55 °F (12.8 °C) for the summer season and 65 °F (18.3 °C) for winter. Moreover, for the spring and fall season, Equation (5) will be used to reset the supply air temperature when the outside air temperature was less than 65 °F (18.3 °C) and more than 55 °F (12.8 °C).
While the duct static pressure of the fan was set to 2.5 in. w.g, all year round, the zone minimum airflow rate was set to be 20% of the design flow. At the same time, the occupancy of the standard practice was fixed throughout the operation period. Moreover, it equals the design maximum number of people for each zone. For the baseline case, the occupancy for zone 1, 2, 3, 4, and 5 was 53 people, 11people, 7 people, 11people, and 7 people, respectively.
The baseline case was run for the previously mentioned set points, and the system performance at each timestep was saved as the baseline case output file. The output file contains the total energy consumption and the system performance. The total energy consumption was represented in Equation (1). In comparison, the system performance consists of the system flowrate, minimum flowrate for each zone, outdoor airflow, ventilation flow, and mixed air temperature.
Later the system was run at each timestep with implementing the proposed integrated two-level optimization process. The optimization process proposed to optimize the system setpoints had a range of supply air temperature from 55–65 °F (12.8 °C–18.3 °C). While the fan duct static pressure ranged from 0.2–2.5 in. w.g. In addition, the outdoor air ranged from 20–30% of the design flow. In addition, the optimization process had the demand control methodology applied to it. The demand control was selected to be from 1:00–3:00 p.m. based on electricity peak hour prices. Finally, the output file of the optimization process was saved as the near-optimal performance scenario.
While the occupancy schedule, unlike the fixed type for the standard practice, was implemented as a user input that varies throughout the operation period. The occupancy schedule proposed for this research is represented in Table 3 below. For zones 3 and 4, the occupancy was zero for the period of 10:00–11:30 a.m., assuming that this reflects the occupancy sensors’ readings.
Table 3.
Proposed occupancy schedule.
Figure 9 shows the sensible load for the three days analyzed. From the figure, we can tell that the zones were occupied from 8:00 a.m.–6:00 p.m., which was the period that will be examined in this research. It is clear that the five zones required all cooling in July. While in January, they required heating only. In contrast, they required simultaneous heating and cooling in October. That was more likely the case in most of the fall and spring seasons.
Figure 9.
The five zones sensible load in BTU for each day being analyzed.
Figure 10 below shows the supply air temperature for the three analyzed days. As previously discussed, as in the best practice, the baseline case will have fixed setpoints of 65 F° (18.3 °C) and 2.5 in.w.g. duct static pressure. While the near-optimal supply air temperature for July was primarily close to the baseline case 55 °F (12.8 °C), which was expected in July, where mainly cooling was required. Except before 10:00 a.m., where the temperature was around 60 °F (15.6 °C), and then starts dropping until it is fixed to 55 °F (12.8 °C). This temperature rise was justified to save on the reheat. The zones were minimally occupied, and the cooling loads were low at that period, thus the zone temperature starts dropping, which will trigger the reheat to be turned on. Raising the supply air temperature will require less chiller power and help maintain the zone setpoints as the boilers were typically turned off in the summer season, thus reheat was not an option.
Figure 10.
The five zones supply air temperature for each day being analyzed.
In contrast, the baseline case had a supply air temperature fixed to 65 °F (18.3 °C) for January. At the same time, the near-optimal supply air temperature was 65 °F (18.3 °C) in the early morning due to the higher building heating load. Therefore, the maximum supply air temperature was necessary to meet the building load. However, the supply air temperature starts dropping slowly at around 11:30 a.m. due to the decrease in the building heating load until it reaches the minimum of 59 °F (15 °C) at 12:15 p.m. Therefore, the supply air temperature drop is expected to save on the heating power at that period. Still, it was also anticipated to raise the reheat power necessary to maintain the zone setpoints. However, the savings in the heating power have exceeded the rise in reheat energy, as will be explained later.
While for October, the system’s performance in the fall seasons was a little tricky because it was hard to find the appropriate supply air temperature to meet the different heating and cooling loads throughout the day. The baseline case supply air temperature was reset based on Equation (5) above. While implementing the optimization process has resulted in the near-optimal case, it introduced a lower supply air temperature in the early morning until 11:30 a.m., meaning savings on heating energy will be achieved. In contrast, more reheat energy will be required to maintain the zone setpoint. Moreover, more system flowrate will be introduced.
After 11:30 a.m., the supply air temperature reached a minimum of 55 °F (12.8 °C) to meet the building cooling load and started to increase again gradually until 6:00 p.m.. This slight increase in the supply air temperature will result in lower chiller power consumption. However, this will also happen at a higher system flow rate than the baseline case since we need to push more air into the zones at a slightly higher temperature to maintain the zone setpoint than the lowest air temperature, meaning more fan power.
Figure 11 shows the near-optimal duct static pressure against the baseline case of a constant 2.5 in. w.g. Again, it was noted that the near-optimal duct static pressure is always less than the baseline case, which means resulting in fan power savings.
Figure 11.
The five zones duct static pressure for each day being analyzed.
After examining the duct static pressure trends, the total fan power savings were analyzed. The total fan power savings are shown in Figure 12 below.
Figure 12.
The total fan power savings for each day being analyzed.
For July, implementing the integrated two-level optimization technique has resulted in 16.7% savings in fan power. In addition, implementing the demand control process affected the fan power savings significantly. Due to the minimum zone airflow rate reduction, the savings were 16.7% and increased to 25.5% afterward.
For January, the near-optimal case resulted in a 38.6% savings in the fan power compared to the baseline scenario. In addition, implementing the demand control process has increased the fan power savings to 41% by reducing the minimum zone airflow rate from 20% to 10%.
While for October, the near-optimal duct static pressure was significantly less than the fixed baseline case duct static pressure. Therefore, significant fan savings were recorded. The total fan savings recorded after implementing the integrated two-level optimization process was 70% compared to the baseline case. In addition, implementing the demand control process increased the fan power savings from 70% to 74% due to reducing the system airflow rate.
The savings in the fan power were attributed to optimizing the zone minimum airflow rate setpoint introduced in the optimization process and implementing the demand control method that reduces the zone airflow rate when the demand signal response was received. As well as adjusting the minimum ventilation flow rate required after accounting for the occupancy schedule. Unlike the baseline case scenario with a fixed number of people (the design maximum number of people) and, therefore, a higher ventilation airflow rate. Figure 13 below shows the system airflow rate and the ventilation airflow rate.

Figure 13.
(a)The total system airflow rate for each day being analyzed. (b) The total system airflow rate for each day being analyzed.
Note that implementing the demand control method with the optimization process has reduced the zones airflow rate. In contrast, it did increase the ventilation airflow rate due to the reduction of system ventilation efficiency when reducing the airflow rate to maintain a healthy breathing zone.
Later, the chiller power savings were examined. For July, the chiller savings were trending with the supply air temperature, the building load, and the occupancy schedule. Therefore, the savings in the chiller power was found to be 9.74% after implementing the optimization process. Furthermore, due to the higher supply air temperature in the morning and accounting for the occupancy schedule, less ventilation airflow rate was needed, which means less fresh air was introduced that needs to be cooled. In addition, implementing the demand control process has increased the chiller power savings to 10%.
For January, when the system was in the heating mode, no chiller power was recorded.
While for October, increasing the supply air temperature after 1:00 p.m. as shown in Figure 8 for the near-optimal case when the system was in the cooling mode resulted in chiller power savings compared to the baseline case with a minimum supply air temp of 55 °F (12.8 °C). Therefore, the chiller power savings after implementing the optimization process was calculated to be 30.4%.
In addition, implementing the demand control method increased the chiller power savings from 30.4% to 32.4% due to reducing the system airflow rate. Figure 14 below shows the chiller power savings for the analyzed period.
Figure 14.
The chiller power savings for each day being analyzed.
Such as the chiller, the heating energy was examined. For July, there was no heating recorded since the system was in the cooling mode.
While for January, a constant supply air temperature of 65 °F (18.3 °C) required more heating energy for the baseline case, unlike the optimized case with a lower supply air temperature resulting in lower heating energy consumed by the boiler. Still, it will result in increasing the reheat energy needed to maintain the zone setpoint. Therefore, implementing the two-level optimization process resulted in 50% savings in the reheat energy. On the other hand, implementing the demand control method lowered that percentage of savings to 44.7%. Due to introducing more outdoor airflow rates required for ventilation that needed to be heated, as shown in Figure 13b.
For October, slightly reducing the supply air temperature in the morning when the system was in the heating mode reduced the boiler’s heating power when compared against the baseline case. The heating power savings were calculated to be 47%. While no changes were recorded after implementing the demand control process. Because no heating was required for the proposed implementation period, Figure 15 below shows the heating energy savings for the analyzed period.
Figure 15.
The heating energy savings for each day being analyzed.
Lastly, the reheat energy required to maintain the zones setpoint was examined. For July, no reheat energy was recorded due to the boilers being typically turned off in the summer season. Implementing the optimization process had maintained the zone setpoint by increasing the supply air temperature when the zone temperature dropped below the setpoint as described previously, resulting in chiller power savings.
For January, when the supply air temperature was dropped below 65 °F (18.3 °C), the reheat energy was anticipated to increase in the near-optimal case in favor of saving on the heating energy. Thus, the reheat energy increased by 5.4% for the near-optimal case when compared against the baseline. Reseating the supply air temperature increased the reheat energy but significantly reduced the heating energy. Therefore, savings were still achieved
On the other hand, implementing the demand control method lowered this percentage to 0.5% due to reducing the zone airflow rate and, therefore, less reheat energy required to treat that amount of air and raise its temperature to meet the zone setpoints.
The same case implies for October performance. Dropping the supply air temperature for the near-optimal case until 1:00 decreased the heating energy, but it also meant requiring more reheat energy. At the same time, the higher supply air temperature of the baseline case did not necessarily imply requiring zero reheat energy. This was because the baseline case had lower system flow rate, as shown in Figure 13a. As a result, the higher supply air temperature was not enough to meet the zone load. Therefore, more reheat energy was consumed to raise the supply air temperature even more and meet the zone setpoint. Thus, reheat energy savings was still recorded after dropping the supply air temperature for the near-optimal case.
The total reheat energy saving after implementing the optimization method was calculated to be 2.3%. While implementing the demand control process increased the percentage of savings to 6.7%. Figure 16 below shows the heating energy savings for the analyzed period.
Figure 16.
The reheat energy savings for each day being analyzed.
Finally, after examining each component’s savings. The total energy savings of the system was calculated as described in Equation (1). It was found that the total energy savings of the system after implementing the two-level optimization process was calculated to be 11.3% when compared against the baseline case. While implementing the demand control method into the optimization process increased the total energy savings to 13.4% for the selected day in July.
For January, the total energy savings for the system after implementing the proposed integrated two-level optimization process was calculated to be 19.9% when compared against the baseline case of constant setpoints. Moreover, implementing the demand control method into the optimization process has increased the total energy savings of the system to 21.2%
While in October, implementing the integrated two-level optimization technique resulted in 32% savings in the system’s total energy consumption. In addition, implementing the demand control methodology in the integrated two-level optimization process increased the total system savings to 34.4%. Figure 17 below shows the total system savings for the analyzed period.
Figure 17.
The total system savings for each day being analyzed.
5. Limitations
In the research background, this work has addressed some of the research gaps that the previous research has not addressed that needs to be better examined. However, some of them were addressed in this work, while the rest were not due to some research limitations. Therefore, this section shows the research limitation that prevented this research from addressing that research gap.
- The proposed tool in this research was designed to be implemented in real commercial buildings. However, an actual building with real-time data was not available. Therefore, a simulation building was used to test the proposed methodology. An existing building implementation will be addressed in future work.
- This research examined previous studies and found that models developed using a long period of collected data resulted in more accurate experimental results. Thus, depending on the complexity, type of application, and previous knowledge of the topic being modeled, the duration of the data collection period was specified. However, based on the previous studies, a data span of a week or two resulted in less accurate models. Therefore, a more extensive data span was gathered from an actual system performance in our study. Three months of data were found to be sufficient for the type of application being examined in this research. However, a larger span of data will be examined in future work, and the accuracy of the results will be examined.
- Finally, a new approach that was rarely introduced in any previous work was implemented in this research, which was the demand-control method. Implementing the demand control methodology with the optimization process in response to the demand signal received from the utility companies to modify the electricity consumption power profile by alleviating the peak load demand when the demand signal was received. This approach was hypothetically implemented in this research, where it was assumed that the demand response signal would be received from the utility company from 1:00–3:00 p.m.. Therefore, future work will seek the possibility of connecting with the utility provider to areal building and implement the demand control method. Moreover, results will be further examined.
6. Conclusions
This research was conducted to develop a computational data-enabled two-level optimization technique to reduce the building HVAC energy use in large commercial buildings, improve the whole system efficiency, and maintain the occupant’s comfort level. The research has examined the chilled water VAV system that is commonly used in commercial buildings.
The research proposed an innovative optimization method. The method integrated two levels of optimization. The first level of the process was a component modeling optimization (MLO) designed to optimize the model’s structure. The models were tested and trained and using actual performance data collected from an exciting system located in the BEAST lab at the University of Cincinnati, Cincinnati, Ohio. The model that held the lowest error value was selected as the best modeling structure. The error values were measured in terms of MSE and CV%.
Accurate component modeling and optimization techniques are crucial for the accuracy of the whole system optimization process results. Therefore, all the component models will be integrated to form the system model that mimics the performance of the existing physical system.
After modeling all the components of the selected HVAC systems, a parametric study was conducted to choose the best model structure manually. Later the MLO was implemented to automate the process and validate the results. The MLO results were compared against the one conducted through the parametric study. The optimization process has supported the parametric results where similar results were found. This process was conducted as part of this work and published previously in MDPI buildings.
The shown MLO results values are not standard values for any type of application, but they are based on its inputs and outputs and the selected datasets. The models can be adjusted to different applications and data sets and will hold different structure and error values. It was only showing a proposed methodology and used to test the accuracy of the MLO process. In addition, these results have proved that artificial neural networks can be a valuable tool in modeling the performance of HVAC systems
The second level of optimization was the whole system-level optimization (SLO) presented in this research. Where all the optimized components models were integrated and optimized to form the “system model.” The output of the system model is the total energy consumption of the system at each time step. Later, the two optimization levels are integrated to optimize the system setpoints that will reduce the total energy consumption.
That is why the accurate component modeling and optimization technique is crucial for the system’s performance optimization. If the component models were not accurate, then the system’s total energy consumption prediction would be faulty, resulting in less accurate SLO performance when optimizing the system setpoints.
The total savings achieved, and the percentage of savings for each component that was achieved after implementing the proposed two-level optimization approach are shown in Table 4 below.
Table 4.
The total savings achieved and the percentage of savings for each component.
This research has validated the use of the proposed optimization technique in improving the energy efficiency of exciting systems. As well as the capability of this method to be successfully implemented in online HVAC system applications. At the same time, developing several aspects of the industry.
Author Contributions
Conceptualization, R.T. and N.N.; methodology, R.T. and N.N.; software, R.T. and N.N.; formal analysis, R.T. and N.N.; investigation, R.T. and N.N.; resources, R.T. and N.N.; data curation, R.T. and N.N.; writing—original draft preparation, R.T.; writing—review and editing, R.T.; visualization, R.T. and N.N.; supervision, N.N.; project administration, N.N. All authors have read and agreed to the published version of the manuscript.
Funding
This work was submitted and accepted as not funded.
Institutional Review Board Statement
Not applicable.
Informed Consent Statement
Not applicable.
Data Availability Statement
The data presented in this study are available on request from the corresponding author.
Conflicts of Interest
The authors declare no conflict of interest. The funders had no role in the design of the study, in the collection, analyses, or interpretation of data, in the writing of the manuscript, or in the decision to publish the results.
References
- EIA. How Much Energy Is Consumed in Residential and Commercial Buildings in the United States? U.S. Energy Information Administration –Independent Statistics and Analysis: Washington, DC, USA, 2019. [Google Scholar]
- Omrany, H.; Soebarto, V.; Sharifi, E.; Soltani, A. Application of Life Cycle Energy Assessment in Residential Buildings: A Critical Review of Recent Trends. Sustainability 2020, 12, 351. [Google Scholar] [CrossRef] [Green Version]
- Omrany, H.; Soebarto, V.; Zuo, J.; Sharifi, E.; Chang, R. What leads to variations in the results of life-cycle energy assessment? An evidence-based framework for residential buildings. Energy Built Environ. 2021, 2, 392–405. [Google Scholar] [CrossRef]
- Talib, R.; Nassif, N. Heating ventilation and air conditioning systems performance optimization using a two-level optimization approach. ASHRAE Trans. 2021, 127, 505. [Google Scholar]
- Mathew, P.A.; Dunn, L.N.; Sohn, M.D.; Mercado, A.; Custudio, C.; Walter, T. Big-data for building energy performance: Lessons from assembling a very large national database of building energy use. Appl. Energy 2015, 140, 85–93. [Google Scholar] [CrossRef] [Green Version]
- Turner, C.; Frankel, M. Energy performance of LEED for new construction buildings. New Build. Inst. 2008, 4, 1–42. [Google Scholar]
- Talib, R.; Nabil, N.; Choi, W. Optimization-Based Data-Enabled Modeling Technique for HVAC Systems Components. Buildings 2020, 10, 163. [Google Scholar] [CrossRef]
- Xiao, F.; Fan, C. Data mining in building automation system for improving building operational performance. Energy Build. 2014, 75, 109–118. [Google Scholar] [CrossRef]
- Afroz, Z.; Shafiullah, G.; Urmee, T.; Higgins, G. Modeling techniques used in building HVAC control systems: A review. Renew. Sustain. Energy Rev. 2018, 83, 64–84. [Google Scholar] [CrossRef]
- Agbi, C.; Song, Z.; Krogh, B. Parameter identifiability for multi-zone building models. In Proceedings of the IEEE 51st IEEE Conference on Decision and Control (CDC), Maui, HI, USA, 10–13 December 2012; pp. 6951–6956. [Google Scholar] [CrossRef]
- Li, X.; Wen, J. Review of building energy modeling for control and operation. Renew. Sustain. Energy Rev. 2014, 37, 517–537. [Google Scholar] [CrossRef]
- Afram, A.; Janabi-Sharifi, F. Review of modeling methods for HVAC systems. Appl. Therm. Eng. 2014, 67, 507–519. [Google Scholar] [CrossRef]
- Kusiak, A.; Li, M.; Tang, F. Modeling and optimization of HVAC energy consumption. Appl. Energy 2010, 87, 3092–3102. [Google Scholar] [CrossRef]
- Jee-Heon, K.; Seong, N.-C.; Choi, W. Forecasting the energy consumption of an actual air handling unit and absorption chiller using ANN models. Energies 2020, 13, 4361. [Google Scholar] [CrossRef]
- Page, J.; Robinson, D.; Morel, N.; Scartezzini, J.-L. A generalised stochastic model for the simulation of occupant presence. Energy Build. 2007, 40, 83–98. [Google Scholar] [CrossRef]
- Sun, K.; Yan, D.; Hong, T.; Guo, S. Stochastic modeling of overtime occupancy and its application in building energy simulation and calibration. Build. Environ. 2014, 79, 1–12. [Google Scholar] [CrossRef] [Green Version]
- Frausto, H.; Pieters, J.; Deltour, J. Modelling Greenhouse Temperature by means of Auto Regressive Models. Biosyst. Eng. 2003, 84, 147–157. [Google Scholar] [CrossRef]
- Kulkarni, M.R.; Hong, F. Energy optimal control of a residential space-conditioning system based on sensible heat transfer modeling. Build. Environ. 2004, 39, 31–38. [Google Scholar] [CrossRef]
- Mustafaraj, G.; Chen, J.; Lowry, G. Development of room temperature and relative humidity linear parametric models for an open office using BMS data. Energy Build. 2009, 42, 348–356. [Google Scholar] [CrossRef]
- Patil, S.; Tantau, H.; Salokhe, V. Modelling of tropical greenhouse temperature by auto regressive and neural network models. Biosyst. Eng. 2008, 99, 423–431. [Google Scholar] [CrossRef]
- Tesiero, R.C., III. Intelligent Approaches for Modeling and Optimizing HVAC Systems. 2014. Available online: https://digital.library.ncat.edu/cgi/viewcontent.cgi?article=1097&context=dissertations (accessed on 5 September 2021).
- ASHRAE Guideline 36. American Society of Heating, Refrigerating, and Air-Conditioning Engineers; High-Performance Sequences of Operation for HVAC Systems; ASHRAE. Inc.: Atlanta, GA, USA, 2018; Available online: https://www.ashrae.org/news/esociety/new-guideline-on-standardized-advanced-sequences-of-operation-for-common-hvac-systems (accessed on 5 September 2021).
- ASHRAE 62.1. Ventilation for Acceptable Indoor Air Quality; American Society of Heating, Refrigerating, and Air-Conditioning Engineers (ASHRAE) Inc.: Atlanta, GA, USA, 2016.
- Talib, R.; Rai, P.; Nassif, N.; Tahmasebi, M. Modeling of Chilled Water VAV Systems Using a Machine Learning Approach. In Proceedings of the International Conference on Artificial Intelligence, Las Vegas, NV, USA, 24 October 2019; pp. 72–78. [Google Scholar]
Publisher’s Note: MDPI stays neutral with regard to jurisdictional claims in published maps and institutional affiliations. |
© 2021 by the authors. Licensee MDPI, Basel, Switzerland. This article is an open access article distributed under the terms and conditions of the Creative Commons Attribution (CC BY) license (https://creativecommons.org/licenses/by/4.0/).

















