The Effect of Surface Corrosion Damage and Fe Content on the Fatigue Life of an AlSi7Mg0.6 Cast Alloy Used in the Electric Automotive Industry
Abstract
1. Introduction
- the stress–life (S-N) curve representing the fatigue behavior of smooth or unnotched specimens, also called the Wöhler curves;
- the fatigue crack growth (FCG) curve capturing the growth characteristics of a crack through the material.
2. Materials and Methods
2.1. Experimental Material
- AC = Melt 1: as-cast state, content of Fe = 0.128 wt. %, without addition of Mn;
- 2Fe = Melt 2: increasing content of Fe = 0.202 wt. %, without addition of Mn;
- 3Fe = Melt 3: increasing content of Fe = 0.429 wt. %, without addition of Mn;
- 3Fe + Mn = Melt 4: increasing content of Fe = 0.429 wt. %, with addition of Mn = 0.149 wt. %;
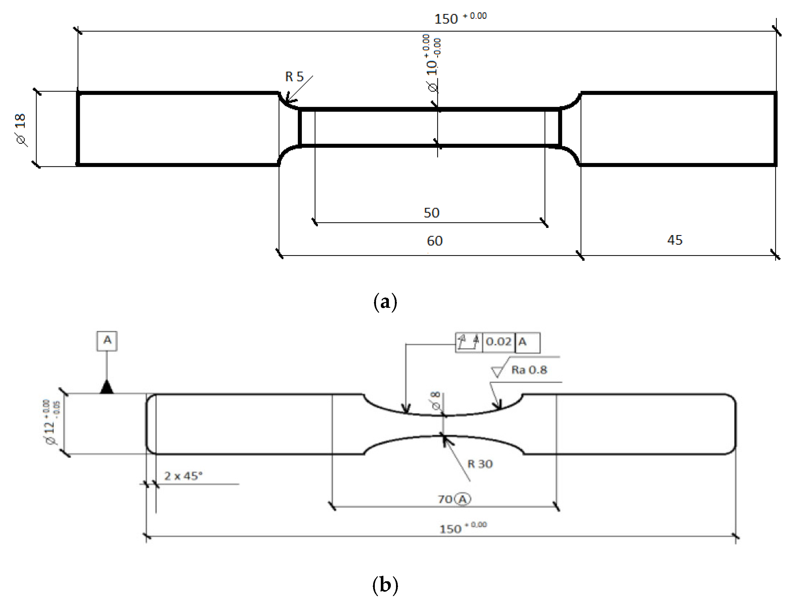
2.2. Experimental Measurements
2.2.1. Microstructure Evaluation
2.2.2. Mechanical Properties
2.2.3. Fatigue Properties
2.2.4. Corrosion Fatigue Tests
3. Results and Discussion
3.1. Microstructure of Experimental Alloys
3.2. Mechanical Properties
3.3. Fatigue Properties
3.4. Corrosion Fatigue
3.5. Fractography Analysis of Fatigue Fracture Surfaces
4. Conclusions
Author Contributions
Funding
Data Availability Statement
Conflicts of Interest
References
- Singh, R. Lightweight metals and alloys in electric vehicle manufacturing: Enhancing performance and efficiency. Int. J. Sci. Res. Arch. 2024, 13, 1735–1742. [Google Scholar] [CrossRef]
- Zhang, W.; Xu, J. Advanced lightweight materials for Automobiles: A review. Mater. Des. 2022, 221, 110994. [Google Scholar] [CrossRef]
- Yadav, V.K.; Gaur, V.; Singh, I.V. Corrosion-fatigue behavior of welded aluminum alloy 2024-T3. Int. J. Fatigue 2023, 173, 107675. [Google Scholar] [CrossRef]
- Li, S.S.; Yue, X.; Li, Q.; Peng, H.; Dong, B.; Liu, T.; Yang, H.; Fan, J.; Shu, S.; Qiu, F. Development and applications of aluminum alloys for the aerospace industry. J. Mater. Res. Technol. 2023, 27, 944–983. [Google Scholar] [CrossRef]
- Avramenko, T.; Michel, S.; Stutz, A.; Kollender, J.; Burda, I.; Hans, U.; Affolter, C.; Terrasi, G.P. Comparative Study on Corrosion Fatigue Susceptibility and Microstructural Effects in 6061-T6 and 6082-T6 Aluminum Alloys. Metals 2025, 15, 653. [Google Scholar] [CrossRef]
- Mahmood, A.A.; Kader, A.M.; Islam, M.B.; Hossain, R. Sustainable transformation of waste Aluminium into high-performance composites: A review. Int. J. Lightweight Mater. Manuf. 2025, 8, 194–204. [Google Scholar] [CrossRef]
- Bulei, C.; Kiss, I.; Alexa, V. Development of metal matrix composites using recycled secondary raw materials from aluminium wastes. Mater. Today Proc. 2021, 45, 4143–4149. [Google Scholar] [CrossRef]
- Gomes, L.F.; Kugelmeier, C.L.; Garcia, A.; Dela Rovere, C.A.; Spinelli, J.E. Influences of alloying elements and dendritic spacing on the corrosion behaviour of Al-Si-Ag alloys. J. Mater. Res. Technol. 2021, 15, 5880–5893. [Google Scholar] [CrossRef]
- Berlanga-Labari, C.; Biezma-Moraleda, M.V.; Rivero, P.J. Corrosion of cast aluminum alloys: A Review. Metals 2020, 10, 1384. [Google Scholar] [CrossRef]
- Qin, L.; Du, W.; Cipiccia, S.; Bodey, A.J.; Rau, C.; Mi, J. Synchrotron X-ray operando study and multiphysics modelling of the solidification dynamics of intermetallic phases under electromagnetic pulses. Acta Mater. 2024, 265, 119593. [Google Scholar] [CrossRef]
- Závodská, D.; Tillová, E.; Guagliano, M.; Kuchariková, L.; Chalupová, M. Fatigue resistance of self-hardening aluminium cast alloy. Mater. Today Proc. 2017, 4 Pt 1, 6001–6006. [Google Scholar] [CrossRef]
- Pastierovičová, L.; Kuchariková, L.; Tillová, T.; Zatkalíková, V.; Uhríčik, M.; Liptáková, T.; Chalupová, M. Effect of Mn addition on the corrosion and fatigue properties of a progressive secondary A357 alloy. Arch. Metall. Mater. 2024, 69, 1123–1130. [Google Scholar] [CrossRef]
- Bacaicoa, I.; Luetje, M.; Wicke, M.; Geisert, A.; Zeismann, F.; Fehlbier, M.; Bruckner-Foit, A. 3D morphology of Al5FeSi inclusions in high Fe-content Al-Si-Cu alloys. Procedia Struct. Integr. 2016, 2, 2269–2276. [Google Scholar] [CrossRef]
- Bjurenstedt, A. On the Influence of Imperfections on Microstructure and Properties of Recycled Al-Si Casting Alloy. Ph.D. Thesis, Jönköping University, Jönköping, Sweden, 2017. [Google Scholar]
- Kuchariková, L.; Medvecká, D.; Tillová, E.; Belan, J.; Kritikos, M.; Chalupová, M.; Uhríčik, M. The effect of the β-Al5FeSi phases on microstructure, mechanical, and fatigue properties in A356.0 cast alloys with higher Fe content without additional alloying of Mn. Materials 2021, 14, 1943. [Google Scholar] [CrossRef] [PubMed]
- Sankaran, K.K.; Perez, R.; Jata, K.V. Effects of pitting corrosion on the fatigue behavior of aluminum alloy 7075-T6: Modeling and experimental studies. Mater. Sci. Eng. A 2001, 297, 223–229. [Google Scholar] [CrossRef]
- Vu, N.N. Corrosion Fatigue Behaviors of Aluminum Alloys for Offshore Applications. Ph.D. Thesis, Interdisciplinary Graduate School Energy Research Institute, Nanyang Technological University, Singapore, 2016. [Google Scholar]
- Weber, M.; Eason, P.D.; Özdeş, H.; Tiryakioğlu, M. The effect of surface corrosion damage on the fatigue life of 6061-T6 aluminum alloy extrusions. Mater. Sci. Eng. A 2017, 690, 427–432. [Google Scholar] [CrossRef]
- Gruber, R.; Singewald, T.D.; Bruckner, T.M.; Hader-Kregl, L.; Hafner, M.; Groiss, H.; Duchoslav, J.; Stifter, D. Investigation of oxide thickness on technical aluminum alloys—A comparison of characterization methods. Metals 2023, 13, 1322. [Google Scholar] [CrossRef]
- Henderson, B.S.; Cudworth, K.F.; Wale, M.E.; Siegel, D.N.; Lujan, T.J. The tensile fatigue strength and endurance limit of human meniscus. J. Mech. Behav. Biomed. Mater. 2022, 127, 105057. [Google Scholar] [CrossRef]
- Chandran, K.S.R. The finding of the reciprocal relationship between fatigue (S-N) behavior and fatigue crack growth behavior, enabling interconversion of data in structural materials. Materialia 2022, 25, 101541. [Google Scholar] [CrossRef]
- Kachkouch, F.Z.; Noberto, C.C.; Babadopulos, L.F.A.L.; Melo, A.R.S.; Machado, A.M.L.; Sebaibi, N.; Boukhelf, F.; Mendili, Y.E. Fatigue behavior of concrete: A literature review on the main relevant parameters. Constr. Build. Mater. 2022, 338, 127510. [Google Scholar] [CrossRef]
- D7791-22; Test Method for Uniaxial Fatigue Properties of Plastics. ASTM International: West Conshohocken, PA, USA, 2022. [CrossRef]
- Behvar, A.; Haghshenas, M. A critical review on very high cycle corrosion fatigue: Mechanisms, methods, materials, and models. J. Space Saf. Eng. 2023, 10, 284–323. [Google Scholar] [CrossRef]
- Kuchariková, L.; Pastierovičová, L.; Tillová, E.; Uhríčik, M.; Zatkalíková, V.; Šajgalík, M. The influence of a corrosive environment on fatigue and mechanical properties of an Al-cast alloy with higher Fe content. Metals 2023, 13, 1019. [Google Scholar] [CrossRef]
- Jastrzębska, I.; Piwowarczyk, A. Traditional vs. automated computer image analysis comparative assessment of use for analysis of digital SEM images of high-temperature ceramic material. Materials 2023, 16, 812. [Google Scholar] [CrossRef] [PubMed] [PubMed Central]
- Belmares-Perales, S.; Castro-Román, M.; Herrera-Trejo, M.; Ramírez-Vidaurri, L.E. Effect of cooling rate and Fe/Mn weight ratio on volume fractions of α-AlFeSi and β-AlFeSi phases in Al7.3Si3.5Cu alloy. Met. Mater. Int. 2008, 14, 307–314. [Google Scholar] [CrossRef]
- Bösch, D.; Pogatscher, S.; Hummel, M.; Fragner, W.; Uggowitzer, P.J.; Göken, M.; Höppel, H.W. Secondary Al-Si-Mg high-pressure die casting alloys with enhanced ductility. Metall. Mater. Trans. A 2015, 46a, 1035. [Google Scholar] [CrossRef]
- Taylor, J.A. Iron-containing intermetallic phases in Al-Si based casting alloys. Procedia Mater. Sci. 2012, 1, 19–33. [Google Scholar] [CrossRef]
- Sigworth, G.K. Fundamentals of solidification in aluminum castings. Int. J. Met. 2013, 8, 7–20. [Google Scholar] [CrossRef]
- ISO 6892-1:2019; Metallic Materials—Tensile Testing—Part 1: Method of Test at Room Temperature. Available online: https://www.iso.org/standard/78322.html (accessed on 2 May 2021).
- Dybowski, B.; Adamczyk-Cieślak, B.; Rodak, K.; Bednarczyk, I.; Kiełbus, A.; Mizera, J. The microstructure of AlSi7Mg alloy in as cast condition. Solid State Phenom. 2014, 229, 3–10. [Google Scholar] [CrossRef]
- Pereira, J.C.; Gil, E.; Solaberrieta, L.; Sebastián, M.S.; Bilbao, Y.; Rodríguez, P.P. Comparison of AlSi7Mg0.6 alloy obtained by selective laser melting and investment casting processes: Microstructure and mechanical properties in as-built/as-cast and heat-treated condition. Mater. Sci. Eng. A 2020, 778, 139124. [Google Scholar] [CrossRef]
- Dinnis, C.M.; Taylor, J.A.; Dahle, A.K. Porosity formation and eutectic growth in Al-Si-Cu-Mg alloys containing iron and manganese. In Proceedings of the 9th International Conference on Aluminium Alloys (ICAA9), Brisbane, Australia, 2–5 August 2004; pp. 1016–1021. [Google Scholar]
- Ammar, H.R.; Samuel, A.M.; Samuel, F.H. Porosity and the fatigue behavior of hypoeutectic and hypereutectic aluminum–silicon casting alloy. Int. J. Fatigue 2008, 30, 1024–1035. [Google Scholar] [CrossRef]
- ANicoletto, G.; Konečná, R.; Fintová, S. Characterization of microshrinkage casting defects of Al-Si alloys by X-ray computed tomography and metallography. Int. J. Fatigue 2012, 41, 39–46. [Google Scholar] [CrossRef]
- Tebaldini, M.; Petrogalli, C.; Donzella, G.; La Vecchia, G.M. Estimation of fatigue limit of A356-T6 automotive whell in presence of defects. Procedia Struct. Integr. 2017, 7, 521–529. [Google Scholar] [CrossRef]
- Li, Q.; Wang, J.; Xue, C.; Miao, Y.; Hou, Q.; Yang, X.; Meng, Y.; Yang, Z.; Tian, G.; Su, H.; et al. Effects of Sr on Fe-rich intermetallics in recycled Al–Si–Cu alloys. J. Mater. Sci. 2024, 59, 11572–11595. [Google Scholar] [CrossRef]
- Yang, D.; Song, D.; Tang, C.; Zhao, Y.; Cai, Y.; Chen, J.; Zhang, Z.; Zhou, N.; Zhang, W. 3D morphological evolution of the Fe-rich phase and mechanical properties of the recyclable A356 alloy. Mater. Today Commun. 2024, 41, 110425. [Google Scholar] [CrossRef]
- Kuchariková, L.; Tillová, E.; Chalupová, M. The Si particles morphology in hypoeutectic Al-Si casts. Mater. Today Proc. 2016, 3, 1031–1036. [Google Scholar] [CrossRef]
- Wang, Q.G.; Apelian, D.; Lados, D.A. Fatigue behavior of A356-T6 aluminum cast alloys. part I. effect of casting defects. J. Light Met. 2001, 1, 73–84. [Google Scholar] [CrossRef]
- Huter, P.; Oberfrank, S.; Grun, F.; Stauder, B. Thermo-mechanical fatigue influence of copper and silicon on hypo-eutectic al–si–cu and al–si–mg cast alloys used in cylinder heads. Int. J. Fatigue 2016, 88, 142–155. [Google Scholar] [CrossRef]
- Chen, Z.W.; Ma, C.Y.; Chen, P. Eutectic modification of A356 alloy with Li addition through DSC and miedema model. Trans. Nonferrous Met. Soc. China 2012, 22, 42–46. [Google Scholar] [CrossRef]
- Bartawi, E.H.; Mishin, O.V.; Shaban, G.; Grumsen, F.; Nordlien, J.H.; Ambat, R. The Effect of trace level copper content on intergranular corrosion of extruded AA6082-T6 Alloys. Mater. Chem. Phys. 2023, 309, 128303. [Google Scholar] [CrossRef]
- Elhasslouk, M.M.M.; Esen, İ.; Ahlatcı, H.; Akın, B. Effect of a 3.5% NaCl−10% HCl Corrosive environment on the fatigue behavior of hot rolled aluminum 5083-H111. Materials 2023, 16, 4996. [Google Scholar] [CrossRef]













| Material | Si | Fe | Mg | Cu | Mn | V | Zn | Ti | Al |
|---|---|---|---|---|---|---|---|---|---|
| AC | 6.742 | 0.128 | 0.519 | 0.012 | 0.046 | 0.010 | 0.005 | 0.108 | Balance |
| 2Fe | 6.675 | 0.202 | 0.564 | 0.018 | 0.058 | 0.009 | 0.021 | 0.113 | Balance |
| 3Fe | 7.097 | 0.429 | 0.466 | 0.013 | 0.044 | 0.010 | 0.002 | 0.119 | Balance |
| 3Fe + Mn | 6.881 | 0.429 | 0.596 | 0.011 | 0.149 | 0.010 | 0.002 | 0.103 | Balance |
| Content of Si in Al Alloy in wt. % | The Correspondent of Fecrit. Content in wt. % |
|---|---|
| 5 | ~0.35 |
| 7 | ~0.5 |
| 9 | ~0.6 |
| 11 | ~0.75 |
| Material | Average Area Fraction [%] | Average Length [μm] | Min. Length [μm] | Max. Length [μm] | Average Thickness [μm] | Min Thickness [μm] | Max. Thickness [μm] |
|---|---|---|---|---|---|---|---|
| AC | 1.5 | 25 | 9 | 63 | 3 | 1 | 11 |
| 2Fe | 1 | 26 | 9 | 45 | 3 | 1 | 7 |
| 3Fe | 1.7 | 48 | 8 | 264 | 4 | 0.5 | 16 |
| 3Fe + Mn | 1.5 | 28 | 9 | 98 | 3 | 0.5 | 8 |
| AC + T6 | 2.3 | 26 | 8 | 74 | 4 | 0.8 | 10 |
| 2Fe + T6 | 2.2 | 27 | 10 | 58 | 3 | 0.7 | 14 |
| 3Fe + T6 | 2.9 | 48 | 5 | 433 | 5 | 0.7 | 38 |
| 3Fe + Mn + T6 | 3.7 | 30 | 6 | 334 | 2 | 0.7 | 6 |
| Material | Average Area Fraction [%] | Average Size [μm2] | Min. Size [μm2] | Max. Size [μm2] |
|---|---|---|---|---|
| AC | 2.2 | 45 584 | 1646 | 246 926 |
| 2Fe | 2.5 | 45 836 | 1779 | 184 935 |
| 3Fe | 3.4 | 76 793 | 3017 | 252 049 |
| 3Fe + Mn | 4.4 | 112 818 | 2390 | 276 640 |
| AC + T6 | 2.4 | 47 072 | 2020 | 223 025 |
| 2Fe + T6 | 2.9 | 58 509 | 1648 | 258 123 |
| 3Fe + T6 | 3.7 | 81 720 | 3324 | 267 870 |
| 3Fe + Mn + T6 | 4.5 | 96 972 | 2491 | 303 950 |
| Material | AC | 2Fe | 3Fe | 3Fe + Mn | AC + T6 | 2Fe + T6 | 3Fe + T6 | 3Fe + Mn + T6 |
|---|---|---|---|---|---|---|---|---|
| UTS [MPa] | 138 ± 2 | 133 ± 1.8 | 131 ± 2.2 | 137 ± 1.6 | 255 ± 2.5 | 232 ± 1.8 | 240 ± 2 | 249 ± 1.8 |
| YS0.2 [MPa] | 97 ± 2.5 | 93 ± 1.6 | 98 ± 2 | 96 ± 2 | 250 ± 2.1 | 222 ± 1.5 | 231 ± 2.6 | 242 ± 2.1 |
| Ductility [%] | 1.88 | 1.57 | 0.94 | 1.71 | 0.04 | 0.06 | 0 | 0.24 |
| HBS 5/250/10 | 50 ± 2 | 49 ± 2 | 49 ± 2 | 49 ± 2 | 98 ± 2 | 94 ± 2 | 94 ± 2 | 96 ± 2 |
| Material Without Corrosion Attack | AC | AC + T6 | 2Fe | 2Fe + T6 | 3Fe | 3Fe + T6 | 3Fe + Mn | 3Fe + Mn + T6 |
|---|---|---|---|---|---|---|---|---|
| σc [MPa] | 92 | 84 | 77 | 86 | 87 | 81 | 76 | 79 |
| Material after corrosion attack | AC | AC + T6 | 2Fe | 2Fe + T6 | 3Fe | 3Fe + T6 | 3Fe + Mn | 3Fe + Mn + T6 |
| σc [MPa] | 83 | 80 | 71 | 75 | 78 | 74 | 73 | 76 |
Disclaimer/Publisher’s Note: The statements, opinions and data contained in all publications are solely those of the individual author(s) and contributor(s) and not of MDPI and/or the editor(s). MDPI and/or the editor(s) disclaim responsibility for any injury to people or property resulting from any ideas, methods, instructions or products referred to in the content. |
© 2025 by the authors. Licensee MDPI, Basel, Switzerland. This article is an open access article distributed under the terms and conditions of the Creative Commons Attribution (CC BY) license (https://creativecommons.org/licenses/by/4.0/).
Share and Cite
Kuchariková, L.; Tillová, E.; Šurdová, Z.; Chalupová, M.; Zatkalíková, V.; Illichmanová, E.; Švecová, I. The Effect of Surface Corrosion Damage and Fe Content on the Fatigue Life of an AlSi7Mg0.6 Cast Alloy Used in the Electric Automotive Industry. Metals 2025, 15, 1222. https://doi.org/10.3390/met15111222
Kuchariková L, Tillová E, Šurdová Z, Chalupová M, Zatkalíková V, Illichmanová E, Švecová I. The Effect of Surface Corrosion Damage and Fe Content on the Fatigue Life of an AlSi7Mg0.6 Cast Alloy Used in the Electric Automotive Industry. Metals. 2025; 15(11):1222. https://doi.org/10.3390/met15111222
Chicago/Turabian StyleKuchariková, Lenka, Eva Tillová, Zuzana Šurdová, Mária Chalupová, Viera Zatkalíková, Edita Illichmanová, and Ivana Švecová. 2025. "The Effect of Surface Corrosion Damage and Fe Content on the Fatigue Life of an AlSi7Mg0.6 Cast Alloy Used in the Electric Automotive Industry" Metals 15, no. 11: 1222. https://doi.org/10.3390/met15111222
APA StyleKuchariková, L., Tillová, E., Šurdová, Z., Chalupová, M., Zatkalíková, V., Illichmanová, E., & Švecová, I. (2025). The Effect of Surface Corrosion Damage and Fe Content on the Fatigue Life of an AlSi7Mg0.6 Cast Alloy Used in the Electric Automotive Industry. Metals, 15(11), 1222. https://doi.org/10.3390/met15111222

