A Study on the Flow Resistance of Fluids Flowing in the Engine Oil-Cooler Chosen
Abstract
:1. Introduction
1.1. Some Considerations Relative to the Engine Oil Systems, Properties, and Components
1.2. Application of the Oil-Coolers
2. Materials and Methods
2.1. Oil-Cooler Studied
2.2. The Oil Studied
2.3. The Coolant Studied
2.4. Test Stand
2.4.1. Hydraulic Diagram of the Test Stand
2.4.2. Design of the Test Stand
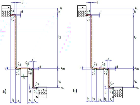
2.4.3. The Determination of Resistance to Flow through the Oil-Cooler
- -
- the outlet shut-off valve connected to the upper tank, characterized by the local flow losses factor = 0.24 [85],
- -
- the plastic pipe section with length = 10 mm and inner diameter = 15 mm, characterized by the length loss factor [85],
- -
- the elbow pipe section, characterized by the local flow losses factor = 0.132 [85],
- -
- the plastic pipe section with length = 620 mm and inner diameter , characterized by the length loss factor [85],
- -
- the elbow pipe section, characterized by the local flow losses factor = 0.132 [85],
- -
- the plastic pipe section with length = 250 mm and inner diameter , characterized by the the length loss factor [85],
- -
- the inlet shut–off valve connected to the oil–cooler or to the alternative short section of plastic pipe, characterized by the local flow losses factor = 0.24 [85],
- -
- the oil–cooler characterized by the coefficient of resistance to flow , or the alternative short section of plastic pipe with length = 80 mm and inner diameter , characterized by the length loss factor [85],
- -
- the outlet shut-off valve connected to the oil–cooler or to the alternative short section of plastic pipe, characterized by the local flow losses factor = 0.24 [85],
- -
- the plastic pipe section with length = 200 mm and inner diameter , characterized by the length loss factor [85],
- -
- the elbow pipe section, characterized by the local flow losses factor = 0.132 [85],
- -
- the plastic pipe section with length = 300 mm and inner diameter , characterized by the length loss factor [85],
- -
- the elbow pipe section, characterized by the local flow losses factor [85],
- -
- the plastic pipe section with length = 200 mm and inner diameter , characterized by the length loss factor [85],
- -
- the inlet hole of the bottom tank, characterized by the local flow losses factor = 0.5 [85],
- -
- the liquid studied is incompressible,
- -
- the cross–sectional area of the upper tank much larger than the dimensions of the outlet opening, pipes, valve openings and openings in the oil–cooler (),
- -
- the surface of the liquid table is a free one,
- -
- the first positioned on the height corresponding to the location of the center of the outlet shut–off valve connected to the upper tank,
- -
- the second positioned on the height corresponding to the location of the center of the inlet hole of the bottom tank.
2.4.4. Measurement Procedure
- -
- time of flow of a measured amount of coolant without oil flow,
- -
- time of flow of the measured amount of oil without the flow of coolant.
- -
- the time of the flow of the measured amount of coolant without the flow of oil through the oil-cooler,
- -
- time of flow of the measured amount of oil without the flow of coolant.
- -
- time of the flow of a measured amount of coolant without the flow of oil through the oil-cooler.
3. Results and Discussion
4. Conclusions
- The analyzed oil-cooler was filled with engine oils SAE 5W–30 viscosity. Considering different manufacturers, the kinematic viscosity and density differed from one another. Apart from that, some manufacturers specified the oil density at 15 °C, while the others used 20 °C. Many manufacturers did not report exact values for the mentioned quantities at all.
- Similarly, the studied oil-cooler was also filled with coolants supplied by different manufacturers. Those coolants differed from one another by its kinematic viscosity and density. Some of manufacturers specified the values of these quantities determined at a temperature of 20 °C, but most of them did not provide such values.
- The test stand allowed for the time estimation of emptying the upper tanks from a coolant and an engine oil flowing via the oil-cooler studied.
- The flow model allowed for estimation of flow resistance coefficient for the coolant and the engine oil flowing through the oil-cooler.
- Obtained values of flow resistance coefficient were affected by the temperature. An increase in temperature from 20 °C to 40 °C resulted in a decrease in flow resistance coefficient , namely, the 1.43-fold one and the 61-fold one for the coolant and the engine oil, respectively.
- As the engines are using pumps to force the fluids, instead of using gravity, the flow model needs to be further developed to consider the possibility of forcing oil and coolant temperature changes.
Author Contributions
Funding
Institutional Review Board Statement
Informed Consent Statement
Data Availability Statement
Conflicts of Interest
References
- Xin, Q. (Ed.) 12—Diesel engine heat rejection and cooling. In Diesel Engine System Design; Woodhead Publishing: Sawston, UK, 2013; pp. 825–859. [Google Scholar]
- Heywood, J.B. Internal Combustion Engines Fundamentals, 1st ed.; McGraw-Hill, Inc.: New York, NY, USA, 1988. [Google Scholar]
- Taraza, D.; Henein, N.; Bryzik, W. Friction Losses in Multi-Cylinder Diesel Engines; SAE: Warrendale, PA, USA, 2000. [Google Scholar] [CrossRef]
- Ceausu, R.; Taraza, D.; Henein, N.; Bryzik, W. A Generic, Transient Model of a Turbocharged, Multi-Cylinder, Common-Rail Diesel Engine. In Proceedings of the ASME 2005 Internal Combustion Engine Division Spring Technical Conference, Chicago, IL, USA, 5–7 April 2005; pp. 375–386. [Google Scholar] [CrossRef]
- Taraza, D.; Henein, N.; Ceausu, R.; Bryzik, W. Complex Diesel Engine Simulation with Focus on Transient Operation. Energy Fuels 2008, 22, 1411–1417. [Google Scholar] [CrossRef]
- Hires, S.D.; Pochmara, G.L. An Analytical Study of Exhaust Gas Heat Lass in a Piston Engine Exhaust Port. SAE Trans. 1976, 85, 2415–2429. [Google Scholar]
- Rush, J. Exhaust Port Heat Rejection in a Piston Engine a Preliminary Report; SAE: Warrendale, PA, USA, 1976. [Google Scholar] [CrossRef]
- Malchow, G.; Sorenson, S.; Buckius, R. Heat Transfer in the Straight Section of an Exhaust Port of a Spark Ignition Engine; SAE: Warrendale, PA, USA, 1979. [Google Scholar] [CrossRef]
- Bannister, C.; Brace, C.; Taylor, J.; Brooks, T.; Fraser, N. The use of multi-variate models for the prediction of heat transfer in vehicle exhaust systems. Proc. Inst. Mech. Eng. Part D J. Automob. Eng. 2010, 224, 369–385. [Google Scholar] [CrossRef]
- Brasmer, S.; Hoag, K. The Use of Flow Visualization and Computational Fluid Mechanics in Cylinder Head Cooling Jacket Development; SAE: Warrendale, PA, USA, 1989. [Google Scholar] [CrossRef]
- Norris, P.; Wepfer, W.; Hoag, K.; Courtine-White, D. Experimental, and Analytical Studies of Cylinder Head Cooling; SAE: Warrendale, PA, USA, 1993. [Google Scholar] [CrossRef]
- Norris, P.; Hoag, K.; Wepfer, W. Heat transfer regimes in the coolant passages of a diesel engine cylinder head. Exp. Heat Transf. 1994, 7, 43–53. [Google Scholar] [CrossRef]
- French, C. Piston Cooling; SAE: Warrendale, PA, USA, 1972. [Google Scholar] [CrossRef]
- Pimenta, M.M.; Filho, R. Cooling of Automotive Pistons: Study of Liquid-Cooling Jets; SAE: Warrendale, PA, USA, 1993. [Google Scholar] [CrossRef]
- Mian, M. Design and Analysis of Engine Lubrication Systems; SAE: Warrendale, PA, USA, 1997. [Google Scholar] [CrossRef]
- Varghese, M.B.; Goyal, S.K.; Agarwal, A.K. Numerical and Experimental Investigation of Oil Jet Cooled Piston; SAE: Warrendale, PA, USA, 2005. [Google Scholar] [CrossRef]
- Fu, W.S.; Lian, S.H.; Hao, L.Y. An investigation of heat transfer of a reciprocating piston. Int. J. Heat Mass Transf. 2006, 49, 4360–4371. [Google Scholar] [CrossRef]
- Varghese, M.B.; Goyal, S.K.; Agarwal, A.K. Experimental and Numerical Investigations of Jet Impingement Cooling of Piston of Heavy-Duty Diesel Engine for Controlling the No-Tail Pipe Emissions; SAE: Warrendale, PA, USA, 2007. [Google Scholar] [CrossRef]
- Izadi, M.; Hosseini, S.V.; Alaviyoun, S.S.; Mirsalim, S.M. Experimental and numerical analysis of the piston cooling jet’s performance. In Proceedings of the ASME 2010 10th Biennial Conference on Engineering Systems Design and Analysis, Istanbul, Turkey, 12–14 July 2010; pp. 287–293. [Google Scholar] [CrossRef]
- SAE J1244. Oil Cooler Nomenclature and Glossary; SAE: Warrendale, PA, USA, 2008. [Google Scholar]
- SAE J1468. Application Testing of Oil-to-Air Oil Coolers for Heat Transfer Performance; SAE: Warrendale, PA, USA, 2006. [Google Scholar]
- SAE J2414. Application Testing of Oil-to-Water Oil Coolers for Heat Transfer Performance; SAE: Warrendale, PA, USA, 2005. [Google Scholar]
- Adams, M. New Developments in Oil/Coolant Heat Exchangers for Heavy Duty Engine and Transmission Applications; SAE: Warrendale, PA, USA, 1999. [Google Scholar] [CrossRef]
- Adams, M.; Banzhaf, M.; Weiss, E. First-Time Use of Aluminum for Engine Oil Coolers in Heavy Commercial Vehicles; SAE: Warrendale, PA, USA, 1999. [Google Scholar] [CrossRef]
- Alkidas, A. Effects of Operational Parameters on Structural Temperatures and Coolant Heat Rejection of a S.I. Engine; SAE: Warrendale, PA, USA, 1993. [Google Scholar] [CrossRef]
- Imaboppu, S.; Shimonosono, H.; Hirano, Y.; Fujigaya, K.; Inoue, K. Development of a Method for Predicting Heat Rejection to the Engine Coolant. SAE Tech. Pap. 1993, 931114. [Google Scholar] [CrossRef]
- Shayler, P.J.; Chick, J.P.; Ma, T. Effect of Coolant Mixture Composition on Engine Heat Rejection Rate. SAE Trans. 1996, 105, 268–277. [Google Scholar]
- Shayler, P.J.; Chick, J.P.; Ma, T. Correlation of Engine Heat Transfer for Heat Rejection and Warm-Up Modelling. SAE Trans. 1997, 106, 1998–2007. [Google Scholar]
- Porot, P.A.; Ménégazzi, P.; Ap, N.S. Understanding and Improving Evaporative Engine Cooling at High Load, High Speed by Engine Tests and 3D Calculations; SAE: Warrendale, PA, USA, 1997. [Google Scholar] [CrossRef]
- Koch, F.; Haubner, F. Cooling System Development and Optimization for DI Engines; SAE: Warrendale, PA, USA, 2000. [Google Scholar] [CrossRef]
- Campbell, N.A.F.; Hawley, J.G.; Robinson, K.; Leathard, M.J. A review of predictive analysis applied to IC engine coolant heat transfer. J. Inst. Energy 2000, 73, 78–86. [Google Scholar]
- Allen, D.J.; Lasecki, M.P. Thermal Management Evolution and Controlled Coolant Flow; SAE: Warrendale, PA, USA, 2001. [Google Scholar] [CrossRef]
- Brace, C.; Burnham-Slipper, H.; Wijetunge, R.; Vaughan, N.; Wright, K.; Blight, D. Integrated Cooling Systems for Passenger Vehicles; SAE: Warrendale, PA, USA, 2001. [Google Scholar] [CrossRef] [Green Version]
- Lehner, C.; Parker, G.; Arici, O.; Johnson, J. Design and Development of a Model-Based Feedback-Controlled Cooling System for Heavy Duty Diesel Truck Applications Using a Vehicle Engine Cooling System Simulation; SAE: Warrendale, PA, USA, 2001. [Google Scholar] [CrossRef]
- Robinson, K.; Hawley, J.G.; Hammond, G.P.; Owen, N.J. Convective coolant heat transfer in internal combustion engines. Proc. Inst. Mech. Eng. Part D J. Automob. Eng. 2003, 217, 133–146. [Google Scholar] [CrossRef]
- Pang, H.H.; Brace, C.J. Review of engine cooling technologies for modern engines. Proc. Inst. Mech. Eng. Part D 2004, 218, 1209–1215. [Google Scholar] [CrossRef]
- Chalgren, R.; Allen, D. Light Duty Diesel Advanced Thermal Management; SAE: Warrendale, PA, USA, 2005. [Google Scholar] [CrossRef]
- Luptowski, B.; Arici, O.; Johnson, J.; Parker, G. Development of the Enhanced Vehicle and Engine Cooling System Simulation and Application to Active Cooling Control; SAE: Warrendale, PA, USA, 2005. [Google Scholar] [CrossRef]
- Torregrosa, A.J.; Olmeda, P.; Martin, J.; Degraeuwe, B. Experiments on the influence of inlet charge and coolant temperature on performance and emissions of a DI Diesel engine. Exp. Therm. Fluid Sci. 2006, 30, 633–641. [Google Scholar] [CrossRef]
- Torregrosa, A.J.; Broatch, A.; Olmeda, P.; Romero, C. Assessment of the influence of different cooling system configurations on engine warm-up, emissions, and fuel consumption. Int. J. Automot. Technol. 2008, 9, 447–458. [Google Scholar] [CrossRef]
- Antonelli, M.; Martorano, L.; Simi, A.; Di Palma, S.; Carapellucci, C. A Numerical Procedure for the Evaluation of the Engine Head-Cylinder Group Cooling Effectiveness. In Proceedings of the ASME 2009 Heat Transfer Summer Conference Collocated with the InterPACK09 and 3rd Energy Sustainability Conferences, San Francisco, CA, USA, 19–23 July 2009; Volume 2: Theory and Fundamental Research; Aerospace Heat Transfer; Gas Turbine Heat Transfer; Computational Heat Transfer. pp. 723–734. [Google Scholar]
- Singh, O.; Garg, M.; Kumar, V.; Chaudhary, V. Effect of Cooling System Design on Engine Oil Temperature. J. Appl. Fluid Mech. 2013, 6, 61–71. [Google Scholar]
- Krakowski, R. Internal Combustion Engine Cooling System with Elevated Coolant Temperature Research on the Model Test Stand. J. KONES Powertrain Transport 2013, 20, 177–183. [Google Scholar] [CrossRef]
- Kneba, Z. Development trends of automotive engine cooling systems. Combust. Engines 2013, 3, 291–296. [Google Scholar]
- Ramadhas, A.S.; Xu, H. Influence of Coolant Temperature on Cold Start Performance of Diesel Passenger Car in Cold Environment; SAE: Warrendale, PA, USA, 2016. [Google Scholar] [CrossRef]
- Li, T.; Caton, J.A.; Jacobs, T.J. A Numerical Investigation on the Influence of Engine Coolant Temperature under Low Temperature Combustion in a Diesel Engine. Combust. Sci. Technol. 2017, 189, 1992–2011. [Google Scholar]
- Tauzia, X.; Maiboom, A.; Karaky, H.; Chesse, P. Experimental analysis of the influence of coolant and oil temperature on combustion and emissions in an automotive diesel engine. Int. J. Engine Res. 2019, 20, 247–260. [Google Scholar] [CrossRef]
- Rakesh, G.; Senthilkumar, S. Estimation of Heat Transfer Rate to Coolant from Combustion Chamber of Liquid Cooled IC Engine; SAE: Warrendale, PA, USA, 2020. [Google Scholar] [CrossRef]
- Raghavan, G. 1D Transient Simulation of Heavy-Duty Truck Cooling System—HDEP 16 DST, Euro 6. Master’s Thesis, Chalmers University of Technology, Göteborg, Sweden, 2012. [Google Scholar]
- Kluck, C.; Olsen, P.; Skriba, S. Lubrication System Design Considerations for Heavy-Duty Diesel Engines; SAE: Warrendale, PA, USA, 1986. [Google Scholar] [CrossRef]
- Liu, F. Analysis of BJ493 diesel engine lubrication system properties. IOP Conf. Ser. Mater. Sci. Eng. 2017, 283, 012005. [Google Scholar] [CrossRef] [Green Version]
- Clark, R.J.; Fajardo, C.M. Assessment of the Properties of Internal Combustion Engine Lubricants Using an Onboard Sensor. Tribol. Trans. 2012, 55, 458–465. [Google Scholar] [CrossRef]
- Qasim, M.; Ansari, T.M.; Hussain, M. Physico-chemical characteristics of Pakistani used engine oils. J. Pet. Technol. Altern. Fuels 2016, 7, 13–17. [Google Scholar]
- Besergil, B.; Ozer, M.; Eskici, M.; Atik, E. Study on lubricant quality and its effect on engine component performance. Ind. Lubr. Tribol. 2008, 60, 172–177. [Google Scholar] [CrossRef]
- Kim, K.; Si, W.; Jin, D.; Kim, J.-H.; Cho, J.; Baek, S.; Myung, C.-L.; Park, S. Characterization of engine oil additive packages on diesel particulate emissions. J. Mech. Sci. Technol. 2020, 34, 931–939. [Google Scholar] [CrossRef]
- Lim, Y.K.; Lee, J.E.; Na, Y.G.; Kim, J.R.; Ha, J.H. Change in Physical Properties of Engine oil Contaminated with Diesel. J. Korean Soc. Tribol. Lubr. Eng. 2017, 33, 45–51. [Google Scholar]
- Wolak, A.; Zajac, G.; Zolty, M. Changes of properties of engine oils diluted with diesel oil under real operating conditions. Combust. Engines 2018, 57, 34–40. [Google Scholar] [CrossRef]
- Green, D.A.; Lewis, R. The effects of soot-contaminated engine oil on wear and friction: A review. Proc. Inst. Mech. Eng. Part D J. Automob. Eng. 2008, 222, 1669–1689. [Google Scholar] [CrossRef]
- Willermet, P. Some engine oil additives and their effects on antiwear film formation. Tribol. Lett. 1998, 5, 41–47. [Google Scholar] [CrossRef]
- Wilkins, A.J.J. Engine Oils and Additives. Platinum Met. Rev. 2003, 47, 140. [Google Scholar]
- Nguele, R.; Al-Salim, H.S.; Mohammad, K. Modeling and Forecasting of Depletion of Additives in Car Engine Oils Using Attenuated Total Reflectance Fast Transform Infrared Spectroscopy. Lubricants 2014, 2, 206–222. [Google Scholar] [CrossRef] [Green Version]
- Herdan, J.M. Lubricating oil additives and the environment—An overview. Lubr. Sci. 1997, 9, 161–172. [Google Scholar] [CrossRef]
- Huynh, K.K.; Tieu, K.A.; Pham, S.T. Synergistic and Competitive Effects between Zinc Dialkyldithiophosphates and Modern Generation of Additives in Engine Oil. Lubricants 2021, 9, 35. [Google Scholar] [CrossRef]
- Amat, S.; Braham, Z.; Le Dreau, Y.; Kister, J.; Dupuy, N. Simulated aging of lubricant oils by chemometric treatment of infrared spectra: Potential antioxidant properties of sulfur structures. Talanta 2013, 107, 219–224. [Google Scholar] [CrossRef]
- Shahnazat, S.; Bagheri, S.; Hamid, S. Enhancing lubricant properties by nanoparticles additives. Int. J. Hydrog. Energy 2016, 1, 3153–3170. [Google Scholar] [CrossRef]
- Laad, M.; Jatti, V.K.S. Titanium oxide nanoparticles as additives in engine oil. J. King Saud Univ. Eng. Sci. 2018, 30, 116–122. [Google Scholar] [CrossRef] [Green Version]
- Demas, N.G.; Erck, R.A.; Lorenzo-Martin, C.; Ajayi, O.O.; Fenske, G.R. Experimental Evaluation of Oxide Nanoparticles as Friction and Wear Improvement Additives in Motor Oil. J. Nanomater. 2017, 2017. [Google Scholar] [CrossRef]
- Mohamed, K.A.A.; Hou, X.; Turkson, R.F.; Peng, Z.; Chen, X. Enhancing the thermophysical properties and tribologi-cal behaviour of engine oils using nano-lubricant additives. RSC Adv. 2016, 6, 77913–77924. [Google Scholar]
- Mousavi, S.B.; Heris, S.Z.; Estellé, P. Experimental comparison between ZnO and MoS2 nanoparticles as additives on performance of diesel oil-based nano lubricant. Sci. Rep. 2020, 10, 5813. [Google Scholar] [CrossRef] [PubMed]
- Mitan, N.M.M.; Ramlan, M.S.; Nawawi, M.Z.H.; Kindamas, Z. Preliminary study on effect of oil additives in engine lubricant on four-stroke motorcycle engine. Mater. Today Proc. 2018, 5, 21737–21743. [Google Scholar] [CrossRef]
- Xin, Q. (Ed.) 10—Friction and lubrication in diesel engine system design. In Diesel Engine System Design; Woodhead Publishing: Sawston, UK, 2013; pp. 651–758. [Google Scholar]
- Wittebrood, A.; Bürger, A.; Kirkham, S. Flux free brazing of aluminium heat exchangers. In Vehicle Thermal Management Systems Conference and Exhibition (VTMS10); Woodhead Publishing: Sawston, UK, 2011; pp. 35–43. [Google Scholar]
- Palmgren, J.; Wallborg, M.H. Improving Engine Oil Cooler Performance—For Future Vehicle Applications; Uppsala University: Uppsala, Sweden, 2015. [Google Scholar]
- Sarma, P.K.; Krishna, D.R.; Ramanarayanan, C.P.; DharmaRao, V.; Srinivas, V. Analysis of engine oil cooler of an unmanned aeroengine at various altitudes. Int. J. Heat Technol. 2012, 30, 45–50. [Google Scholar]
- Di Battista, D.; Cipollone, R. Improving Engine Oil Warm-Up through Waste Heat Recovery. Energies 2018, 11, 10. [Google Scholar] [CrossRef] [Green Version]
- Rajpoot, A.S.; Sahu, H.S.; Saxena, N.V.; Kumar, P.; Pagariya, V. Optimization of Finned Tube Oil Cooler by Effective Utilization of Area within the Space Available. Int. J. Sci. Technol. Eng. 2017, 3, 23–30. [Google Scholar]
- Azadi, M.; Azadi, M. Corrosion Failure Study in an Oil Cooler Heat Exchanger in Marine Diesel Engine. Int. J. Eng. 2016, 29, 1604–1611. [Google Scholar]
- Oil Specification—All Models. Available online: https://www.fordwiki.co.uk/index.php/Oil_Specification_-_All_Models (accessed on 19 June 2021).
- Engine Oil for FORD MONDEO. Available online: https://www.autodoc.co.uk/car-parts/engine-oil-12094/ford/mondeo/ (accessed on 19 June 2021).
- Elf Evolution 900 SXR 5w30 Engine Oil. Available online: https://www.finol.ie/wp-content/uploads/2017/04/ELF_EVOLUTION_900_SXR_5w30_Engine_Oil.pdf (accessed on 19 June 2021).
- Engineering ToolBox. Density of Lubricating Oil as Function of Temperature. 2017. Available online: https://www.engineeringtoolbox.com/temperature-density-petroleum-lubricating-oil-lubricant-volume-correction-ASTM-D1250-d_1943.html (accessed on 19 June 2021).
- Reid, R.C.; Prausnitz, J.M.; Poling, B.E. The Properties of Gases and Liquids; McGraw-Hill: New York, NY, USA, 1987. [Google Scholar]
- Antifreeze for FORD MONDEO. Available online: https://www.autodoc.co.uk/car-parts/antifreeze-12305/ford/mondeo (accessed on 19 June 2021).
- Ethylene Glycol Heat-Transfer Fluid. Available online: https://www.engineeringtoolbox.com/ethylene-glycol-d_146.html (accessed on 19 June 2021).
- Kudela, H. Hydraulic losses in pipes. Available online: https://docplayer.net/21248931-Hydraulic-losses-in-pipes.html (accessed on 19 June 2021).









| Ford | Jaguar | ||
|---|---|---|---|
| Type | Years of Production | Type | Years of Production |
| Mondeo Mk3 Hatchback (B5Y) | 2000–2007 | X–TYPE Combi (X400) | 2004–2009 |
| Mondeo Mk3 Combi (BWY) | 2000–2007 | X–TYPE Sedan (X400) | 2003–2009 |
| Mondeo Mk3 Sedan (B4Y) | 2000–2007 | ||
| Transit Mk5 Bus | 2000–2006 | ||
| Transit Mk5 VAN | 2000–2006 | ||
| Type | Years of Production | Displacement [cc] | Power (KM) |
|---|---|---|---|
| 2.0 DI | 08.2000–05.2006 | 1998 | 75 |
| 2.0 DI | 08.2000–05.2006 | 1998 | 86 |
| 2.0 16V DI/TDDi/TDCi | 10.2000–03.2007 | 1998 | 90 |
| 2.0 DI | 08.2000–05.2006 | 1998 | 100 |
| 2.0 16V TDDi/TDCi | 10.2000–03.2007 | 1998 | 115 |
| 2.0 TDCi | 10.2001–03.2007 | 1998 | 130 |
| 2.2 DI | 08.2000–05.2006 | 2198 | 146 |
| 2.2 D | 10.2005–11.2009 | 2198 | 150 |
| 2.2 TDCi | 09.2004–03.2007 | 2198 | 150 |
| 2.2 D | 10.2005–11.2009 | 2198 | 155 |
| 2.2 TDCi | 09.2004–03.2007 | 2198 | 155 |
| Engine Size | Engine Type | Oil Capacity (L) | Oil Type |
|---|---|---|---|
| 1.8/2.0 | Duratec HE | 4.3 | 5W–30 |
| 1.8 | Duratec Sci | 4.3 | 5W–30 |
| 2.5 | Duratec VE | 5.5 | 5W–30 |
| 3.0 | Duratec SE | 5.7 | 5W–30 |
| 2.0 | Duratorq Di | 6.0 | 5W–30 |
| 2.0 | Duratorq TDCi | 6.0 | 5W–30 |
| Manufacturer | Product Line/ Version | (mm2/s) | (mm2/s) | (kg/m3) | (°C) | Specifications |
|---|---|---|---|---|---|---|
| ARAL | HighTronic F | 55 | 9.7 | <1000 | 15 | ILSAC GF-4, ACEA A1/B1, API SL, ACEA A5/B5, API CF |
| CAR1 | Special F | n.a. | n.a. | n.a. | n.a. | API SM, API CF, ACEA A5/B5 |
| Special F ECO | n.a. | n.a. | n.a. | n.a. | API SN, ILSAC GF-5 | |
| CARTECHNIC | FO | 64 | 11 | 854 | 15 | ACEA A5/B5 |
| CASTROL | Magnatec Stop-Start A5 | 54 | 9.6 | 840 | 15 | API SN, ACEA A1/B1, ILSAC GF-5, ACEA A5/B5 |
| Magnatec Professional A5 | 54 | 9.6 | 840 | 15 | ACEA A1/B1, ACEA A5/B5, API SN, API CF, ILSAC GF-4 | |
| EDGE Professional A5 | 53 | 9.5 | 850 | 15 | ACEA A1/B1, ACEA A5/B5, API SN, ILSAC GF-4 | |
| EDGE Professional A5/B5 | n.a. | n.a. | n.a. | n.a. | API SN, ILSAC GF-4, API CF, ACEA A1/B1, ACEA A5/B5 | |
| CHAMPION LUBRICANTS | OEM SPECIFIC 5W30 MS-F | 52 | n.a. | OEM SPECIFIC 5W30 MS-F | 15 | API SL, ACEA A1/B1, ACEA A5/B5, API CF |
| COMMA | X-Flow F | 55 | n.a. | 870 | 20 | ILSAC GF-4, ACEA A1/B1, API SL, ACEA A5/B5, API CF |
| Xtech | 55 | n.a. | 870 | 20 | API SL, ACEA A5/B5, API CF | |
| DYNAMAX | Premium Ultra F | 55 | n.a. | 850 | 20 | API SL, ACEA A1/B1, ACEA A5/B5 |
| ELF | Evolution 900 SXR | 55.6 | 9.9 | 857 | 15 | API SL, ACEA A5/B5, API CF |
| ENI | I-SINT TECH F | 56 | 10.1 | 853 | 15 | ACEA A1/B1, ACEA A5/B5, API SL, API CF |
| EUROLUB | MULTITEC | 45 | n.a. | 845 | 15 | ACEA A5/B5, API CF, API SL |
| FANFARO | O.E.M. Line 6716 O.E.M. | >60 | n.a. | 846 | 20 | API SN, API CF, ACEA A5/B5 |
| O.E.M. Ford, Volvo | >60 | n.a. | 846 | 20 | ACEA A5/B5, API SN, API CF | |
| FEBI BILSTEIN | Longlife HC-FO | > 20.5 | 10.2 | 850 | 15 | ACEA A1/B1, ACEA A5/B5, API SN, ILSAC GF-3, ILSAC GF-4, API CF |
| K2 | TEXAR FUEL ECONOMY | n.a. | n.a. | n.a. | n.a. | API SL, API CF |
| KAMOKA | RST A5/B5 | n.a. | n.a. | n.a. | n.a. | ACEA A5/B5, API SM, API CF |
| KROON OIL | DURANZA LSP | 54.5 | 9.9 | 845 | 15 | ACEA A1/B1, ACEA A5/B5, API SL, API CF |
| LIQUI MOLY | Special Tec F | 56.5 | 9.9 | 855 | 15 | ACEA A5/B5 |
| MAGNETI MARELLI | OILTEK Expert | 53.5 | 9.8 | 848 | 15 | ACEA A5/B5, API SL |
| MANNOL | O.E.M. 7707 | >60 | n.a. | 846 | 20 | API SN, ACEA A5/B5, ILSAC GF-4 |
| MOTUL | ECO-NERGY 8100 | 57.6 | 10.1 | 847 | 20 | API SL, ACEA A5/B5, API CF |
| SPECIFIC 913D | 58.3 | 10.2 | 851 | 20 | ACEA A5/B5 | |
| MOBIL | Super 3000 X1 Formula FE | 53 | 9.8 | 850 | 15 | API SL, ACEA A5/B5 |
| MPM | PREMIUM SYNTHETIC FUEL CONSERVING FORD | 52 | n.a. | 852 | 15 | ACEA A5/B5, API CF, API SN |
| ORLEN | PLATINUM MaxExpert F | 52 | 9.8 | 852 | 20 | ACEA A1/B1, API SL, ACEA A5/B5, API CF |
| PETRONAS | SYNTIUM 3000 FR | 56.3 | 10 | 852 | 15 | API SN, API CF, ACEA A5/B5 |
| RAVENOL | FEL | 61.4 | n.a. | 850 | 20 | API SN, ACEA C2, API CF |
| FO | 53 | n.a. | 842 | 20 | ILSAC GF-5, API SN, ACEA A5/B5 | |
| FDS | 59 | n.a. | 846 | 20 | ACEA A1/B1, ACEA A5/B5, API SL, API CF | |
| REPSOL | ELITE, COSMOS F, FUEL ECONOMY | 54 | 9.9 | 852 | 15 | API SL, API CF, ACEA A5/B5 |
| SHELL | Helix HX7 Prof AF | 57.4 | 9.5 | 857 | 15 | ACEA A5/B5 |
| TOTAL | Quartz 9000 Future NFC | 54 | 9.8 | 851 | 15 | API SL, ACEA A5/B5, API CF |
| VAICO | Special F | 61.5 | n.a. | 852 | 15 | ILSAC GF-4, ACEA A1/B1, API SM, ILSAC GF-2, API CF |
| Valvoline | SynPower FE | 63 | 11 | 852 | 15 | ACEA A1/B1, ACEA A5/B5, API SL, API CF |
| VATOIL | SynTech FE | 54.5 | 9.9 | 855 | 15 | ACEA A1/B1, API SL, ACEA A5/B5, API CF |
| Manufacturer | Product Line/ Version | Components | (mm2/s) | (°C) | (kg/m3) | (°C) | Specifications |
|---|---|---|---|---|---|---|---|
| CASTROL | Radicol SF | ethylene glycol >90%, sodium 2–ethylhexanoate <5% | n.a. | n.a. | 1.113 | 20 | G12+ |
| ENEOS | Hyper Cool XLR | n.a. | n.a. | n.a. | 1.1 | 20 | G12+ (−35 °C) |
| FEBI BILSTEIN | BMW GS 94000 | ethylene glycol 40–50%, sodium 2–ethylhexanoate <3% | n.a. | n.a. | 1.05–1.07 | 20 | n.a. |
| ASTMD3306 | ethylene glycol 80–90%, potassium 2–ethylhexanoate <2.5% | 22 | 20 | 1.123 | 20 | n.a. | |
| HEPU | ethylene glycol 90–95% | >22 | 20 | 1.12 | 20 | G12+ (−35 °C) | |
| LIQUI MOLY | ADE | ethanediol 25–50%, sodium-2-ethylhexanoate <3% | n.a. | n.a. | n.a. | n.a. | n.a. |
| MANNOL | AF13++, High-performance | ethanediol <52.25%, sodium hydroxide <0.275%, methyl–1H–benzotriazole <0.22% | n.a. | n.a. | 1.075 | 20 | SAE J1034, ASTM D3306, ASTM D4656, ASTM D4985 |
| MAXGEAR | n.a. | n.a. | n.a. | n.a. | n.a. | n.a. | G12 |
| MICHELIN | Expert | n.a. | n.a. | n.a. | n.a. | n.a. | n.a. |
| MOTUL | n.a. | ethylene glycol 50–100%, 2–ethylhexanoate de sodium 2.5–10% | n.a. | n.a. | 1.114 | 20 | G12+ |
| MPM | Premium Longlife G12+ | n.a. | n.a. | n.a. | n.a. | n.a. | G12+ |
| PRESTONE | RTU | ethanediol 30–60%, 2–ethylhexanoic acid 1–5%, sodium hydroxide <1%, propan–1–ol < 1% | n.a. | n.a. | 1.07 | 20 | n.a. |
| SPECOL | Glikospec | n.a. | n.a. | n.a. | n.a. | n.a. | G11 |
| n.a. | n.a. | n.a. | n.a. | n.a. | G12 | ||
| ethylene glycol 50–99% | n.a. | n.a. | 1.07 | 20 | G12+ | ||
| STP | n.a. | n.a. | n.a. | n.a. | n.a. | n.a. | n.a. |
| SWAG | ASTMD3306 | ethylene glycol 80–90%, potassium 2–ethylhexanoate < 2.5% | >22 | 20 | 1.123 | 20 | ASTM D3306 |
| TOTAL | n.a. | n.a. | n.a. | n.a. | n.a. | n.a. | G12 |
| TRUCKET AUTOMOTIVE | n.a. | n.a. | n.a. | n.a. | n.a. | n.a. | n.a. |
| VAICO | VA-012 Plus Ready Mix −20 °C | water 40–60%, ethylene glycol 30–35%, 2–ethylhexanoic acid, sodium salt 1–5% | n.a. | n.a. | 1.05 | 20 | n.a. |
| VALEO | Protective 50 | ethanediol 70–99% | n.a. | n.a. | 1.11-1.14 | 20 | G12+ |
| VALMA | W51 Cooling, Fluid G12 + Long Life | Ethane–1,2–diol 20–50%, sodium 2–ethylhexanoate < 3% | n.a. | n.a. | 1.1 | 20 | G12+ |
| VALVOLINE | n.a. | n.a. | n.a. | n.a. | n.a. | n.a. | n.a. |
| Temperature (°C) | Kinematic Viscosity (mm2/s) | |
|---|---|---|
| Coolant | Engine Oil | |
| 20 | 2.96 | 136 |
| 40 | 0.92 | 55 |
| Temperature (°C) | Time of Emptying the Upper Tank (s) | ||||
|---|---|---|---|---|---|
| Flow | Via Oil-Cooler | Short Plastic Pipe Section | |||
| Liquid | Coolant | Engine Oil | Coolant | Engine Oil | |
| 20 | 125 | 670 | 110 | 490 | |
| 40 | 100 | 430 | 90 | 380 | |
| Temperature (°C) | The Coefficient of Resistance to Flow α (–) | |
|---|---|---|
| Coolant | Engine Oil | |
| 20 | 1.39 | 1652.54 |
| 40 | 0.97 | 26.92 |
| Temperature (°C) | Coolant | Engine Oil | ||||
|---|---|---|---|---|---|---|
| Flow Speed (m/s) | Flow Rate (kg/s) | Pressure Drops (Pa) | Flow Speed (m/s) | Flow Rate (kg/s) | Pressure Drops (Pa) | |
| 20 | 2.41 | 0.295 | 4533 | 0.03 | 0.003 | 1706 |
| 40 | 2.54 | 0.307 | 3377 | 0.35 | 0.034 | 1614 |
Publisher’s Note: MDPI stays neutral with regard to jurisdictional claims in published maps and institutional affiliations. |
© 2021 by the authors. Licensee MDPI, Basel, Switzerland. This article is an open access article distributed under the terms and conditions of the Creative Commons Attribution (CC BY) license (https://creativecommons.org/licenses/by/4.0/).
Share and Cite
Derbiszewski, B.; Wozniak, M.; Grala, L.; Waleciak, M.; Hryshchuk, M.; Siczek, K.; Obraniak, A.; Kubiak, P. A Study on the Flow Resistance of Fluids Flowing in the Engine Oil-Cooler Chosen. Lubricants 2021, 9, 75. https://doi.org/10.3390/lubricants9080075
Derbiszewski B, Wozniak M, Grala L, Waleciak M, Hryshchuk M, Siczek K, Obraniak A, Kubiak P. A Study on the Flow Resistance of Fluids Flowing in the Engine Oil-Cooler Chosen. Lubricants. 2021; 9(8):75. https://doi.org/10.3390/lubricants9080075
Chicago/Turabian StyleDerbiszewski, Bogdan, Marek Wozniak, Lukasz Grala, Michal Waleciak, Maksym Hryshchuk, Krzysztof Siczek, Andrzej Obraniak, and Przemyslaw Kubiak. 2021. "A Study on the Flow Resistance of Fluids Flowing in the Engine Oil-Cooler Chosen" Lubricants 9, no. 8: 75. https://doi.org/10.3390/lubricants9080075
APA StyleDerbiszewski, B., Wozniak, M., Grala, L., Waleciak, M., Hryshchuk, M., Siczek, K., Obraniak, A., & Kubiak, P. (2021). A Study on the Flow Resistance of Fluids Flowing in the Engine Oil-Cooler Chosen. Lubricants, 9(8), 75. https://doi.org/10.3390/lubricants9080075

