Abstract
This paper explores the integration of intelligent digital twin technology with PID regulators in industrial process control utilizing smart meter data. It presents a novel approach involving the creation of mathematical models to simulate real-time system behavior, thereby enhancing the PID control loop. The focus is on the development of specialized IT infrastructure to support this integration, which includes data acquisition, processing, and control optimization. This integration aims to not only improve control system efficiency but also introduce a robust predictive maintenance framework, offering significant benefits across a wide range of industrial applications.
1. Introduction
In the relentless pursuit of efficiency, industrial systems are increasingly required to tackle challenges such as aging components, production variability, and the management of nonlinear dynamics. The paramount goal is to ensure the stability and adaptability of closed-loop systems, particularly in the face of resource scarcity. As mass-produced products inherently undergo aging and transformation, there is a pressing need for methodologies that dynamically tune controller parameters to accommodate characteristic fluctuations. Moreover, many industrial systems inherently display nonlinear behavior, complicating the control process.
In this context, Reinforcement Planned Control (RPC) emerges as a potent solution for nonlinear systems. It offers an intuitive approach, particularly when applied to proportional–integral–derivative (PID) controls, known for their low computational demand. Consequently, in the industrial landscape, there is a discernible inclination towards RPC-augmented PID controls, favored for their ease of implementation in mass-produced controllers. An integral objective of our research is to innovate in this domain by developing a method for designing RPC-enhanced PID controls directly.
However, it is crucial to acknowledge that traditional PID controls, despite being a cornerstone for process control, often falter in dynamically evolving environments. They may not adequately address unexpected disturbances caused by continuously changing operational contexts, which often necessitates manual intervention. This is particularly problematic in scenarios where immediate fluctuations—such as those induced by varying atmospheric temperatures—can adversely impact industrial processes. This gap underscores the significance of our research, aimed at enhancing industrial process control: integrating intelligent digital twin technology with PID regulators. By melding the precision of intelligent digital twin technology with the robustness of PID controls, we envision a transformative leap in industrial process management.
Additionally, our exploration delves into data-based control, leveraging input/output datasets to compute optimal parameters. Nonetheless, this approach is not devoid of challenges; a limited dataset can precipitate overfitting, thereby jeopardizing the stability of closed systems—a predicament reminiscent of the hurdles faced in machine learning, particularly in the development of nonlinear controllers for nonlinear systems. To navigate this complexity, we propose an adaptive, learning-based PID model, integrating the foresight of intelligent digital twin technology to refine its learning process. The implementation of this adaptive, learning PID, fortified with digital twin insights, constitutes a pivotal objective of our research, aiming to bring forth a new paradigm in industrial process control.
This article introduces EA-SAS, a newly developed intelligent digital twin platform, and presents a systematic exploration of the integration of intelligent digital twin technology with PID regulators in industrial process control, utilizing smart meter data. It begins with a literature analysis, situating our research within the broader academic context. Subsequent sections discuss the intelligent digital twin and PID technology integration IT infrastructure, including our developed Data Collector, Data Reader, Data Writer subsystems and PID loop integration approach. We present a high-level architecture overview, which addresses the complex demands of data processing within digital twins, a cornerstone for achieving operational efficiency and adaptability in contemporary industrial settings. Then, we describe the basics of the intelligent digital twin computational methodology for biomass boiler modeling and the state estimator technique.
These optimizations, facilitated by the integration of intelligent digital twin technology with the PID control loop, significantly enhance the system’s adaptability and operational efficiency.
2. Related Work
2.1. Autonomous Manufacturing
In the literature review, a few real-world examples of autonomous management in manufacturing processes were identified. One of the cases involved an experimental solution deployed by Yokogawa Electric Corporation and JSR Corporation, detailed in the article from 22 March 2022, titled “In a World First, Yokogawa and JSR Use AI to Autonomously Control a Chemical Plant for 35 Consecutive Days” [1]. This study reported a successful field trial where artificial intelligence was utilized for the autonomous control of a chemical plant process, a claimed global first. In this instance, artificial intelligence (AI) autonomously managed distillation column valves at ENEOS Materials Corporation’s chemical plant in Japan for 35 days.
In the article “AI used to control process manufacturing operations,” [2] the creator of the control solution, PhD. Hiroaki Kanokogi, noted that AI management in industrial process plants is not as advanced as AI technology used in predictive maintenance. External atmospheric temperature changes can significantly impact many processes, necessitating complex control of temperature, pressure, and flow rate to avoid potential undesirable chemical or physical reactions. Typically, a proportional–integral–derivative (PID) control mathematical algorithm is used for process control. However, it may not adequately handle unexpected disturbances caused by continually changing environmental models, often requiring human intervention in situations where short-term changes due to varying atmospheric temperatures could negatively impact processes.
In this experiment, Yokogawa utilized artificial intelligence—the Factorial Kernel Dynamic Policy Programming (FKDPP) protocol, co-developed in 2018 by Yokogawa and Nara Institute of Science and Technology (NAIST). The experiment confirmed that reinforced learning AI could be safely applied in a real production environment and demonstrated that AI could independently manage complex processes previously controlled manually based on operator experience. During the field trial, the AI solution successfully dealt with the complex conditions required to maintain consistent product quality and the appropriate liquid level in the distillation column, maximizing the use of waste heat as a heat source. This led to stabilized quality, high product yield, and energy savings.
The article “Online Exclusive Technical Q&A: AI’s use in chemical plant operations” [3] discussed the advantages of the next-generation Factorial Kernel Dynamic Policy Programming (FKDPP) control technology. In the industrial sector, a significant portion of AI technologies is made up of “problem analysis AI.” This type of AI analyzes the presented data to detect predictive maintenance anomalies, forecast quality, or determine the cause of problems, typically supporting human decision-making. FKDPP represents a type of autonomous control AI, which seeks the optimal control model and then implements it. This uniqueness is highly beneficial, as this next-generation control technology can manage operations where existing methods (PID/APC) are insufficient, requiring manual control based on the qualifications of the plant personnel.
Recent advancements in autonomous manufacturing have extensively utilized digital twin technologies to enhance operational efficiencies and facilitate real-time decision-making. Specifically, studies have demonstrated various facets of digital twin applications: The authors of [4] presented methodologies for deriving project-specific digital twins tailored to industrial automation needs, focusing on modular integration and technology adaptability. An early implementation of digital twin technology was showcased in [5], where educational setups leveraged cloud computing and 5G networks for process automation. The authors of [6] analyzed digital twins for improving manufacturing systems’ reconfiguration efficiencies, showing significant enhancements in setup time reductions. The authors of [7] explored deep reinforcement learning for optimizing manufacturing processes, contributing robust solutions to dynamic production challenges. Additionally, the authors of [8] discussed the implementation of flexible manufacturing cells under the ISO 23247 standard [9,10,11,12], emphasizing resilience and adaptability in production environments. The study by [13] also addressed safety and reliability in human–robot collaborations through advanced digital twin frameworks, which thus improved the predictive maintenance and interaction dynamics. Moreover, the authors of [14] focused on data-driven approaches to optimize control processes in manufacturing systems, integrating continuous feedback mechanisms for system enhancements. Lastly, the authors of [15] provided insights into AI-enhanced industrial automation systems using intelligent digital twins, showcasing the scalability and effectiveness of AI implementations in complex industrial settings.
2.2. Data-Driven Control
The article “Direct Data-Driven Control for Cascade Control System” [16] proposed a fresh perspective on cascade control systems, focusing on a direct synthesis method that eliminates the need for explicit plant modeling. The approach utilizes a direct data-driven PID design, extracting system dynamics directly from operational data, which is particularly advantageous in systems where mathematical models are difficult to obtain or are unreliable.
In “Designing Experiments for Data-Driven Control of Nonlinear Systems” [17], the authors delved into data-driven control solutions for complex systems. They highlighted the potential for such methods to adaptively learn and predict system behavior, thereby enabling more effective control strategies compared to traditional model-based approaches. The study demonstrated the viability of these methods through simulation and application in various control scenarios.
“Data-Driven Control in Autonomous Energy Systems” [18] focused on the theoretical aspects of data-driven control. The paper analyzed the stability and robustness of control systems that rely on data-driven techniques, providing a critical evaluation of their efficacy in real-world applications. The authors underscored the importance of robust data collection and processing methods to ensure the reliability of the control system.
These studies collectively underscore the shift towards leveraging real-time data for control purposes, reflecting a broader trend in automation and control engineering. Other papers in the field [19,20,21,22,23,24,25,26] corroborated these findings, showcasing data-driven control’s adaptability to different system types and its capability to enhance system responsiveness and efficiency.
Multivariable data analysis, a cornerstone of statistical analysis, intricately explores the relationships and patterns among multiple variables. This foundational approach, detailed in “Multivariate Data Analysis” [27], is crucial for understanding complex data structures and making informed decisions. It employs a range of techniques, from exploratory factor analysis to structural equation modeling, offering insights into the interplay of variables and the underlying structure of data. These methods are invaluable across various domains, enabling a deeper comprehension and effective handling of multifaceted datasets.
2.3. Decision-Making Algorithms
By examining digital twin technology, our research emphasizes the utility of Markov Decision Processes (MDPs) and Dynamic Policy Programming (DPP) for enhancing decision-making in simulated environments. The literature highlights the importance of MDPs and DPP in complex decision-making frameworks [28,29], integrating these algorithms with digital twins to navigate intricate system dynamics effectively, thereby elevating process control and management in industrial settings.
MDPs facilitate the modeling of multi-state systems to determine optimal transitions, aiming for energy-efficient outcomes. This aligns with our goal to develop an intuitive platform for users to generate technological process states and associated rewards, like energy savings, showcasing MDP’s role in energy optimization as a novel contribution.
Similarly, DPP tackles objectives akin to MDP but through the decomposition of problems into manageable sub-tasks, solved recursively. This method suits scenarios with overlapping tasks, enhancing problem-solving efficiency.
MDPs provide a solid structure for sequential decision-making under uncertainty, useful for various processes, from operations to AI. The adaptation of MDPs in Approximate Dynamic Programming (ADP) reflects their evolving frameworks for more stable, efficient learning processes in complex decision environments [30]. Policy iteration methods, promoting iterative policy refinement for optimal solutions, are gaining interest for their contribution to decision-making enhancement [31].
Garrett Thomas [32] explored MDPs’ mathematical basis, crucial for discrete-time decision modeling, including state/action spaces and reward dynamics. The analysis stresses the discount factor’s role in valuing future rewards and the policy’s impact on decision-making, underlining policy optimization and convergence.
Rolf Iserman’s contributions, particularly through his books “Fault-Diagnosis Systems” [33] and “Identification of Dynamic Systems” [34], provide foundational insights into process control and fault diagnosis integral to digital twin technology. Ref. [33] delved into fault detection and tolerance using statistical models and AI, which are crucial for enhancing system reliability—a key component of digital twins. Ref. [34], co-authored by Münchhof, focused on modeling dynamic systems, offering essential methodologies for accurate digital replication. While offering extensive theoretical and practical knowledge on system reliability and identification, Iserman’s research could further benefit from addressing integration with newer technologies such as IoT and advanced predictive analytics, which are vital for modern digital twins’ adaptability and efficiency.
To summarize, MDP focuses on current state-dependent future modeling, contrasting with DPP’s broader application for scenarios where outcomes hinge on both current and historical states. MDPs excel in rapid decision scenarios like control theory and machine learning, whereas dynamic programming suits information-rich decision contexts, enabling more informed choices based on past influences.
2.4. PID Regulation and Auto-Tuning
For proportional–integral–derivative (PID) regulation and auto-tuning, the literature presents a multifaceted picture, showcasing various approaches and methodologies. The seminal work by Åström [35] outlines the ubiquity of PID controllers in industry, emphasizing their adaptability and the evolution of their tuning mechanisms due to advancements like microprocessors.
Furthermore, Liao and Zhao’s research [36] presented an auto-tuning method for rotorcraft, integrating system identification procedures and a neural network to map controller parameters to performance, highlighting a novel approach to tuning cascade PID controllers.
“Multivariable Controller Tuning” by Johansson et al. [37] delved into the complexities of tuning individual loops in multivariable controllers. It explored the relation between a loop’s performance and a specific row in the controller matrix, offering various interpretations and an algorithm for model estimation through relay feedback experiments. This process does not require prior system or controller knowledge, marking a significant stride in the tuning of interconnected control systems, especially where traditional models are not readily available or feasible to develop.
2.5. Digital Twin and Intelligent Digital Twin
With the advent of Industry 4.0, digital twin technology has become integral to enhancing both energy efficiency and process optimization. It necessitates comprehensive data analysis, including the mathematical modeling of physical systems and processes, forecasting, and applying statistical algorithms. Digital twin uses fresh monitoring data to represent the real-time state of the system and to estimate the future state [38]. For instance, the integration of digital twins across various industries has demonstrated significant benefits, including reduced operational costs, enhanced productivity, and superior decision-making capabilities [39]. Moreover, a review of Industry 4.0 from the perspective of automation and supervision systems identified digital twins as pivotal in the evolving architectures and functionalities of modern industrial systems, particularly in enhancing connectivity and intelligent automation [40].
An intelligent digital twin (IDT) is an extension of this definition, enhanced by the ability to observe its physical environment and to analyze and learn from it, so that existing models can be adapted or a real asset can interact with the resultant environment [15].
Traditional DTs do not anticipate future events or adjust actions to meet future goals. An IDT provides active assistance by working with and providing information as needed [41]. In our case here, we create an IDT that actively searches for the optimal conditions to achieve future goals and performs PID control corrections.
3. Intelligent Digital Twin Computational Methodology
Within this section, we describe the integration of combustion physics and state estimation algorithms to solve the equation system for biomass boiler operations. By applying decision-making algorithms, we define the optimal set points and PID coefficients to automate tuning and directly adjust the control system for enhanced regulation.
3.1. Biomass Boiler Modeling
The EA-SAS boiler intelligent digital twin uses continuous real-time data collection and cloud-based processing for mathematical modeling. This enables a real-time assessment of boiler efficiency, calculated using the ratio of produced heat () and the heat generated from fuel consumption ():
The fuel calorific value is calculated as follows:
Here, is the net calorific value (MJ/kg); is the efficient burnable mass; is the correction factor of the enthalpy of vaporization (constant pressure) for water (moisture) at 25 °C (MJ/kg per 1 w% of moisture); and is the moisture content (w%).
The efficiently combusted biomass fuel mass is calculated as follows:
Here, is the ash content (w%).
The net calorific value can be calculated in two ways. If fuel composition is known, empirical equations may be used. The Mendeleev empirical equation used for determining the lower value is as follows:
Here, is the carbon content (w%); is the hydrogen content (w%); is the oxygen content (w%); and is the sulfur content (w%).
As it is problematic to determine the fuel composition, a lower heat value may be calculated:
Here, is a gross calorific value of fuel as determined by the biomass fuel sample.
The specific heat of biomass changes during devolatilization, and the particle temperature increases. The value of the raw biomass specific heat varies not only with temperature but also with water content [42].
The specific heat capacity of chemical species in the volatiles’ non-condensable fraction is well known, with extensive information available in the literature. The most common method for approximating the relationship between specific heat and temperature is the NASA-type polynomial function, with up to seven coefficients, which are usually specified for two temperature ranges (below and above 1000 K) [42], although the used method depends on the needed accuracy. Lanzafame and Mesina [43] proposed the following logarithmic polynomial equation for specific heat at constant pressure:
Here, is the flue gas temperature and is the polynomials provided in Table 1 of [43].
Table 1.
EA-SAS Data Hub VM computational requirements.
The enthalpy of the mixture is calculated as follows:
Here, is molecular weight, is the molar fraction, and is specific enthalpy.
Then, the isobaric specific heat of a mixture can be calculated as follows:
The amount of heat produced in the economizer by the water content change from to can be calculated as follows:
Here, is the temperature of the flue from the furnace; is the temperature of the flue gas exhausted from the economizer; and are specific volumetric heat capacities in accordance with the and temperatures; and and are the latent heat of evaporation.
The boiler heat transfer coefficient is calculated using real-time boiler data according to Equation (10):
Here, is the heat transfer rate (W); is the overall heat transfer coefficient (W/(m2·K)); is the heat transfer surface area (m2); and is the logarithmic mean temperature difference.
3.2. State Estimator
In our research, we deploy an advanced computational framework for determining the energy balance within complex engineering systems, modeled by our digital twin technology. EA-SAS Cloud uses the special state estimator technique, which allows for the set of Functions (1)–(10) to be solved together with the metered value vector z:
where z represents the vector of measurements, x denotes the true state vector (set of unknown variables), h(⋅) signifies the nonlinear vector function relating the measurements to the states, and e is the measurement error vector with zero mean and a variance denoted by Rz.
To estimate the state vector x, we solve a minimization problem of the following form:
Here, the weighted least-squares problem is framed within an iterative process that leverages the gradient of J(x), denoted by g(x), and a gain matrix G(x), which varies depending on whether we employ the Gauss–Newton or Newton–Raphson methods for minimization.
In employing the Gauss–Newton method, we linearize the nonlinear function h(x) through a Taylor expansion, leading to the following:
Here, and represents the Jacobian matrix of .
Alternatively, the Newton–Raphson method introduces second-order derivatives into the equation, adjusting the state vector correction as follows:
The correction to the state vector (Δx) is critical, ensuring that our digital twin’s estimation aligns closely with the real-world energy flows at each node within the system. It is noteworthy to mention that the inclusion of second-order derivatives tends to have a negligible effect on the convergence of our state estimation models, as the term involving these derivatives can often be omitted without significant loss of accuracy.
Employing combustion equations and state estimators, our digital twin precisely calculates the system’s energy equilibrium. This method improves the model accuracy and optimizes the operations via exact energy flow measurements. Subsequently, we discuss the specialized IT infrastructure designed to facilitate PID auto-tuning.
4. Intelligent Digital Twin PID Control IT Infrastructure
4.1. Data Hub
Data Hub is a program specially designed for data collection and writing to a client’s control system or directly into equipment. Data Hub consists of Data Collector and Data Writer. Data Collector is an application responsible for collecting measurement data from configured Data Readers and for transferring data readings to the main EA-SAS Cloud server. Data Collector can be installed and configured on the premises of the customer IT infrastructure (when most of the data are collected via the local server) or in the Cloud (if the data can be accessed from an external network). The Data Collector configuration allows IT admin to change the frequency of the data collection from configured Data Readers. Data Collector serves as a data pusher via the REST API to periodically transfer data to the EA-SAS Cloud server. The monitoring server is then dedicated to monitoring the VM server resources.
Data Reader is a service that is the part of Data Collector. It is responsible for collecting data from the source (measurement device or server). Data Reader configurations (data update frequency, etc.) are performed in the Data Collector interface.
Data writing into the control system is executed via the Data Writer program. Data Writer is also a part of the EA-SAS Data Hub. The Data Writer program was designed for data writing from the main server to the required equipment (usually the control system). Data Writer configurations (setting the data writing frequency, etc.) are performed in the Data Collector environment. Data Writing sequences are depicted in Figure 1.
Figure 1.
Example of a data writing sequence.
The startup sequence initiates the configuration by reading task parameters and preparing the scheduler for operation, while the data write task sequence involves regularly fetching, processing, and mapping data to the Programmable Logic Controllers (PLCs) for the execution of control tasks. The startup sequence (above) can be described as follows:
- Local Configuration MySQL (SQL-Structured Query Language) Database: The startup sequence commences with reading the task configuration from the local configuration MySQL database.
- Local Scheduler: A local scheduler then schedules the data write task based on the configuration it has read.
Data write task sequence (below):
- Local Configuration MySQL Database: Parallel to the startup sequence, during the data write task sequence, the system again reads the task configuration from the local MySQL database. The choice of MySQL, an open-source database, aligns with the principles of Industry 4.0, which emphasizes transparency, interoperability, and the strategic use of open-source technologies.
- Local Scheduler: The local scheduler operates as part of this sequence as well, although the specific action it takes in this phase is not detailed in the diagram.
- Main EA-SAS Server: The main EA-SAS server retrieves the latest dataset via a REST service.
- Python Script Execution: With the latest data acquired, a Python script is executed to process the dataset and apply the necessary logic. This script, which is defined within the local task configuration, is written in Python due to its open-source nature and its status as a standard programming language widely adopted across various industries. The choice of Python not only ensures flexible and robust data handling but also aligns with industry best practices in software development, enhancing the system’s interoperability and adaptability.
- Mapping to PLC Addresses: In this example, processed data are mapped to PLC addresses following the guidelines specified in the task configuration. It is essential to recognize that the communication options within automation systems extend beyond PLCs, offering broad possibilities for integration. Available protocols include BACnet, HTTP, M-Bus, Modbus, OPC Data Access, MQTT, SQL, S7, and Wonderware, each providing unique features and capabilities for versatile system integration. Most of the PLCs have external communication capabilities. The implementation depends on the manufacturer, model, and series of the PLC and sometimes requires additional communication modules or protocol converters installed. The communication protocol also depends on the manufacturer, but newer models tend to support open-source industrial protocols and can be directly connected to the internet network.
- PLC: Finally, in the PLC, the mapped data are utilized as per the control logic requirements.
4.2. Computational Requirements for the EA-SAS Data Hub VM
The local server must have access to the same network as the object (boiler, cooling, drying, or other) control system and or any other measurement devices that can be connected. There must also be a constant internet connection to non-local IP addresses.
Usually, a virtual machine is created, but dedicated hardware is also acceptable. This server will be used for EA-SAS Data Hub installation. This software manages to read data from the control system and to then send it to the main EA-SAS Cloud. The requirements are presented at Table 1.
There are no particular requirements for VM IP address assignment. It can be static or dynamic. VM must have network access to the control system equipment that the data will be collected from.
The VM access requirements are listed here:
- EA-SAS Cloud, TCP, used for sending read data;
- EA-VPN, UDP, used for managing VM and accessing internal resources.
- EA-Docker register, TCP, used for installing/updating the EA-SAS Data Hub.
- APT registry. Official repositories are used for installing the packages required for the software;
- Additional network firewall requirements (which network ports will be used) depend on the protocol that EA-SAS Data Hub will use to read data from the control system. The protocol depends on the used control system implementation.
4.3. Intelligent Digital Twin PID Loop Integration
Referencing Figure 2, the system architecture integrates a digital twin within the PID control loop to refine the control strategy for a given process. The digital twin receives input data streams, which include measured data, set points, and additional system information. This data assimilation enables the digital twin to create an accurate representation of the process, taking into account current conditions and desired outcomes.
Figure 2.
Intelligent digital twin PID loop integration.
Upon receiving the data, the digital twin performs real-time analyses and computes the necessary adjustments to the control set points. These computations are facilitated by the digital twin’s capabilities to handle multiple parameters, represented by Pk, Ik, and Dk gains within the PID algorithm. Adjustments are made based on the process feedback and limits, ensuring that the PID controller’s outputs are continuously tuned for system equilibrium.
The PID controller, equipped with the refined set points and limits provided by the digital twin, generates control outputs that drive the actual process towards the desired state. This closed-loop system is further fine-tuned through feedback loops, where the process outputs are continuously monitored and fed back into the digital twin, fostering an adaptive control environment.
The efficacy of this integrated approach lies in its ability to synthesize a high volume of data and translate it into actionable control strategies. By doing so, the PID loop, augmented with the digital twin’s computational intelligence, offers a robust and responsive control mechanism, ensuring process stability and efficiency. This fusion of technologies underpins the contemporary drive towards smarter, data-driven process management within industrial systems.
4.4. High-Level Architecture Overview
The International Standardization Organization issued a series of standards (ISO 23247 [9,10,11,12],) that suggest a generic framework for digital twins for manufacturing. The EA-SAS intelligent digital twin architecture aligns with contemporary standards in digital twin technology, echoing the guidelines of ISO/IEC AWI Standard 30172 [44] and ISO/IEC AWI Standard 30173 [45]. The framework consists of the user entity for hosting software systems and interfaces, the digital twin entity for the digital representation and synchronization of observable manufacturing elements (OMEs), and the device communication entity for data interaction and device control. Each entity is further divided into sub-entities and functional entities, such as the data collection sub-entity for data acquisition and pre-processing and the device control sub-entity for actuation and operational control [38].
Within the high-level system architecture, depicted in Figure 3, the Energy Advice virtual machine (VM) hosts a specialized Data Hub, which comprises distinct Data Collector and Data Writer programs. These programs are fundamental to the execution of our methodological framework, executing two primary functions: the collection of process data and writing control data.
Figure 3.
High-level architecture scheme.
The Data Collector program is tasked with interfacing with the process control network, utilizing various protocols to gather real-time operational data. These data are collected in a read-only mode, precluding any direct control interactions that could potentially affect process integrity. The VM operates within a VLAN specifically allocated for supervisory process control, which is segregated from the standard office VLANs to mitigate any cross-traffic interference, enhancing data security and system reliability.
Concurrently, the Data Writer program within the Data Hub processes the collected data, employing the established PID loop control methodology to ascertain the appropriate control set points. These set points are computed based on the analysis of live process data, reflecting the current state of the system. Once determined, the set points are communicated to the PLCs. The PLCs, in turn, implement these set points to adjust operational parameters in alignment with the desired control objectives.
Overall, the VM’s operations within the control system are methodically structured to support the PID loop control approach, adhering to the scientific principles of data collection, process control theory, and network design, as detailed throughout our article. The VM’s function is critical in synthesizing the diverse streams of process data into coherent control actions, embodying the core of our data-driven control methodology.
5. System Performance and Efficiency Insights
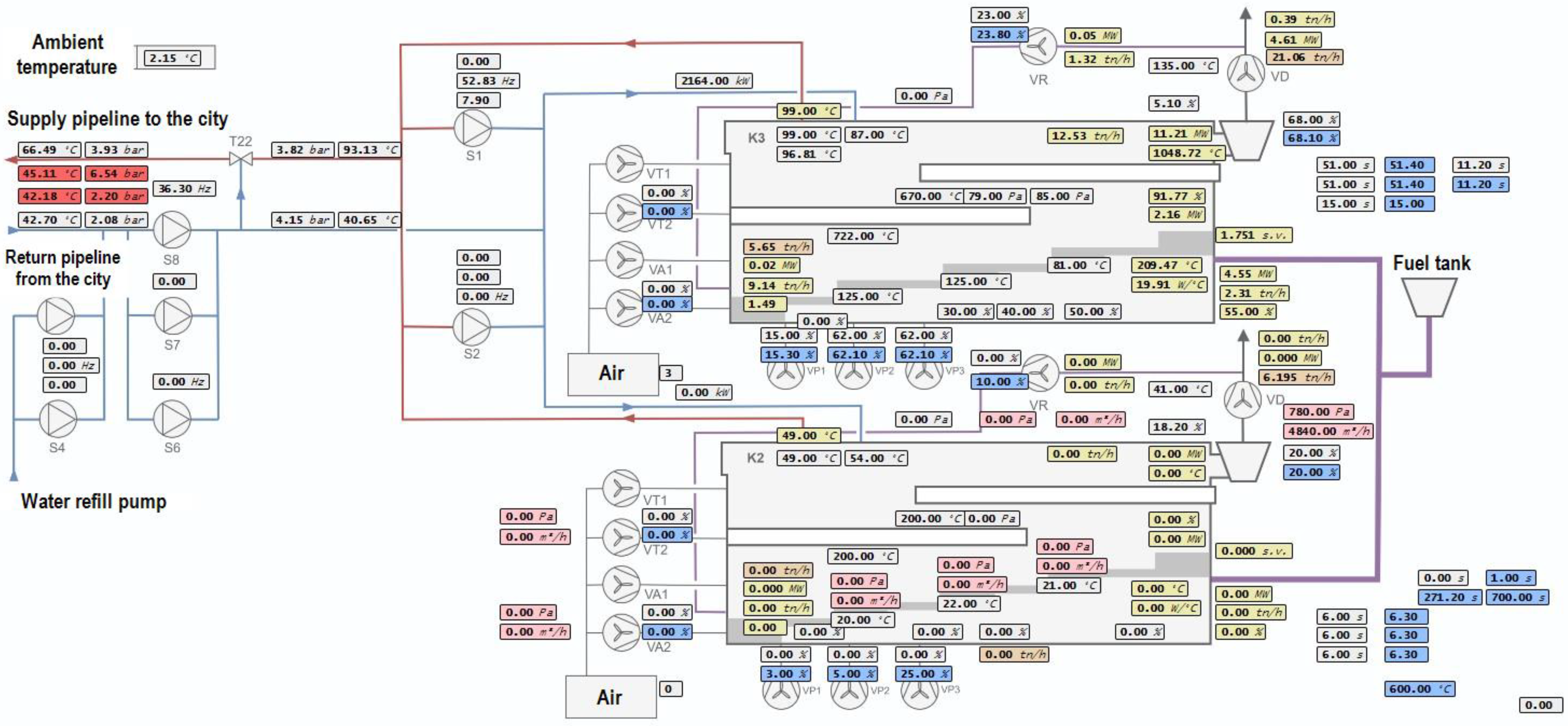
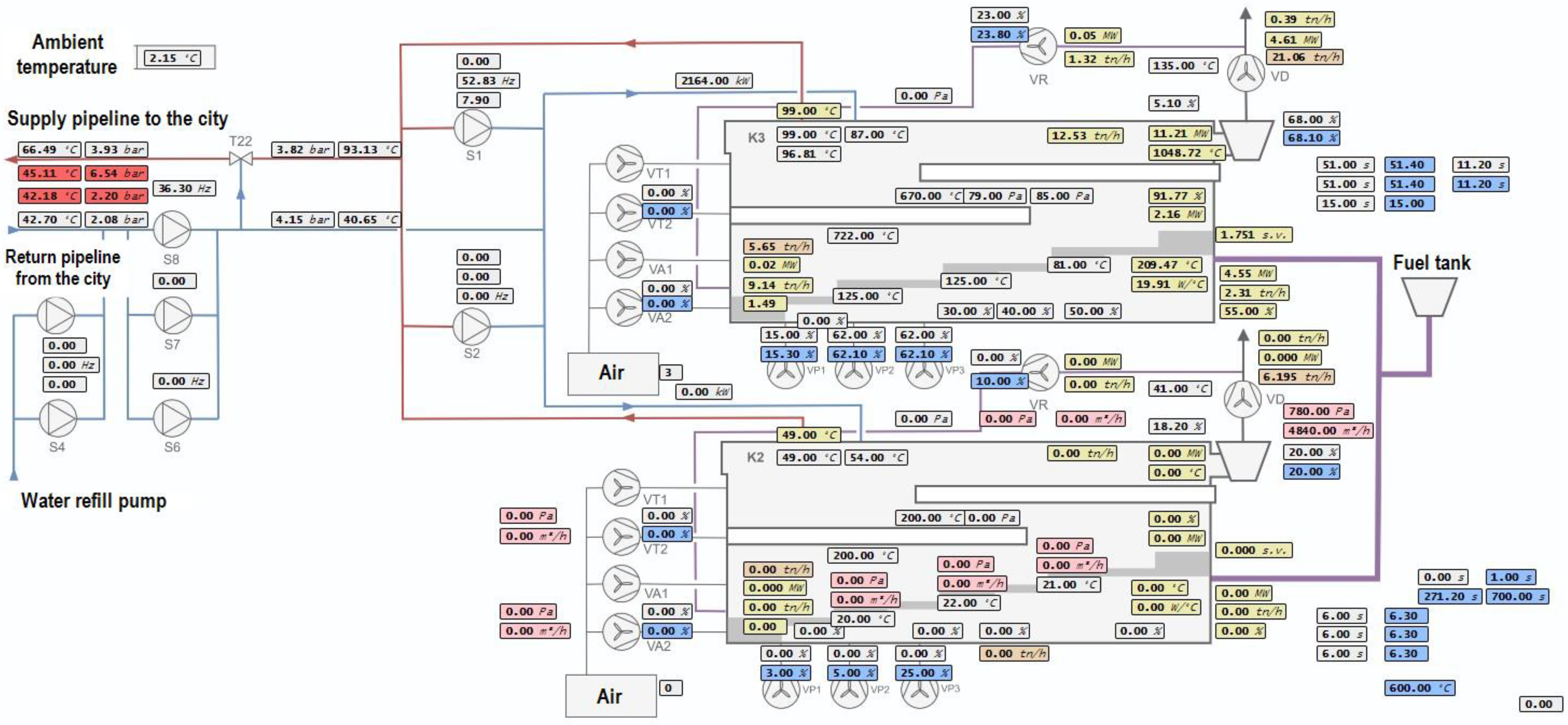
In this study, we demonstrated the successful deployment and operational efficacy of our digital twin of the biomass boiler within a dual-boiler system, comprising boilers K3 and K2, with only K3 currently operational. Illustrated in Figure 4, the application results validate our theoretical approach described in Section 3.1. ‘Biomass Boiler Modeling,’ revealing the system’s operational dynamics. Through the EA-SAS platform, we achieved the autonomous adjustment of critical parameters like hot water temperature control for district heating, optimizing the fan efficiencies and fuel combustion rates. These results underscore the practicality and effectiveness of integrating digital twin technology with PID control loops, reflecting significant advancements in system control and operational precision.
Figure 4.
Visual representation of the calculation results on the EA-SAS intelligent digital twin system interface system.
The parameters automatically controlled without human intervention are listed in Table 2. All listed parameters are calculated in real time by the intelligent digital twin, considering the calculated calorific value of the fuel burned and the forecasted demand for thermal power. The calculated control commands are sent directly to the control system.
Table 2.
Comparative analysis of ETL scheduling tools.
Undoubtedly, all parameters are closely related, and the created model of the boiler house and heat network is complex and comprehensive. It evaluates the influence of different components on the overall boiler house operation.
One of the main parameters that we aimed to stabilize in the biomass boiler operation is boiler output temperature. Stabilizing the biomass boiler water output temperature is critical for maintaining the efficiency of heat production. Figure 5 Illustrates the impact of control using the intelligent digital twin: post-implementation, temperature stability is significantly improved, reducing energy losses.
Figure 5.
Boiler output water temperature stabilization.
By facilitating optimal remote control and proactive operational set point adjustments, the PID with intelligent digital twin in loop technology ensures precise temperature regulation. This results in increased energy efficiency, decreased fuel consumption, lower emissions, and improved longevity and reliability of the biomass power plant.
6. Conclusions
Our investigation into the integration of digital twin technology with PID control loops for biomass boiler operations demonstrates both methodological deployment and operational viability. This practical application, notably within a dual-boiler system where only K3 was in operation, highlights the real-world applicability and effectiveness of our approach. Recognizing the potential limitations such as data dependency and the continuous need for algorithmic refinement, we propose several avenues for future research.
First, further enhancements to the digital twin model should focus on increasing its predictive capabilities. This could involve incorporating more sophisticated machine learning algorithms to predict system behaviors and failures before they occur, thus improving the system’s operational efficiency and reducing downtime.
Second, addressing the adaptability of the digital twin and PID control loops to manage and optimize operations in real-time across these varied settings will be essential. This could involve developing adaptive algorithms that can learn from the system’s performance over time and adjust control strategies dynamically.
These research directions will not only push the boundaries of control technologies but also significantly contribute to the field of industrial process optimization, supporting a wider adoption and technological evolution in various sectors.
Author Contributions
Conceptualization, V.S. and M.S.; methodology, V.S., M.K. and M.J.; software, M.J.; validation, V.S., M.J. and A.D.; formal analysis, V.S., M.K. and M.J.; investigation, A.D. and M.J.; resources, M.J.; data curation, M.J.; writing—original draft preparation, A.D.; writing—review and editing, A.D.; visualization, A.D.; supervision, V.S.; project administration, A.D.; funding acquisition, V.S. All authors have read and agreed to the published version of the manuscript.
Funding
This research was funded by the Norwegian financial mechanism and the state budget of the Republic of Lithuania funds (grant number LT-07-1-EIM-K01-006).
Data Availability Statement
The data that support the findings of this study are not publicly available due to confidentiality agreements with our clients. These agreements prohibit the sharing of the data outside of the specific permissions granted for the research and publication of this manuscript.
Conflicts of Interest
All authors are employed by the Company “Energy Advice”. The authors declare that the research was conducted in the absence of any commercial or financial relationships that could be construed as a potential conflict of interest.
References
- Yokogawa & JSR Use AI to Autonomously Control Chemical Plant for 35 Days. Available online: https://www.automation.com/en-us/articles/march-2022/yokogawa-jsr-ai-autonomously-control-chemical (accessed on 12 January 2024).
- AI Used to Control Process Manufacturing Operations|Control Engineering. Available online: https://www.controleng.com/articles/ai-used-to-control-process-manufacturing-operations/ (accessed on 12 January 2024).
- Online Exclusive Technical Q&A: AI’s Use in Chemical Plant Operations. Available online: https://www.hydrocarbonprocessing.com/news/2022/07/online-exclusive-technical-qa-ai-s-use-in-chemical-plant-operations (accessed on 12 January 2024).
- Dittler, D.; Braun, D.; Müller, T.; Stegmaier, V.; Jazdi, N.; Weyrich, M. A Procedure for the Derivation of Project-Specific Intelligent Digital Twin Implementations in Industrial Automation. Available online: https://www.researchgate.net/publication/361743435 (accessed on 5 November 2023).
- Kortela, J.; Nasiri, B.; Smirnov, A.; Lahnalammi, A.; Jämsä-Jounela, S.-L. Educational Setup for Service Oriented Process Automation with 5G Testbed. IFAC-PapersOnLine 2017, 50, 127–132. [Google Scholar] [CrossRef]
- Talkhestani, B.A.; Weyrich, M. Digital Twin of manufacturing systems: A case study on increasing the efficiency of reconfiguration. at-Automatisierungstechnik 2020, 68, 435–444. [Google Scholar] [CrossRef]
- Khdoudi, A.; Masrour, T.; El Hassani, I.; El Mazgualdi, C. A Deep-Reinforcement-Learning-Based Digital Twin for Manufacturing Process Optimization. Systems 2024, 12, 38. [Google Scholar] [CrossRef]
- Wallner, B.; Zwölfer, B.; Trautner, T.; Bleicher, F. Digital Twin Development and Operation of a Flexible Manufacturing Cell using ISO 23247. Procedia CIRP 2023, 120, 1149–1154. [Google Scholar] [CrossRef]
- ISO 23247-1:2021; Automation Systems and Integration—Digital Twin Framework for Manufacturing—Part 1: Overview and General Principles. International Organization for Standardization: Geneva, Switzerland, 2021. Available online: https://www.iso.org/standard/75066.html (accessed on 18 January 2024).
- ISO 23247-2:2021; Automation Systems and Integration—Digital Twin Framework for Manufacturing—Part 2: Reference Architecture. International Organization for Standardization: Geneva, Switzerland, 2021. Available online: https://www.iso.org/standard/78743.html (accessed on 18 January 2024).
- ISO 23247-3:2021; Automation Systems and Integration—Digital Twin Framework for Manufacturing—Part 3: Digital Representation of Manufacturing Elements. International Organization for Standardization: Geneva, Switzerland, 2021. Available online: https://www.iso.org/standard/78744.html (accessed on 18 January 2024).
- ISO 23247-4:2021; Automation Systems and Integration—Digital Twin Framework for Manufacturing—Part 4: Information Exchange. International Organization for Standardization: Geneva, Switzerland, 2021. Available online: https://www.iso.org/standard/78745.html (accessed on 18 January 2024).
- Wang, S.; Zhang, J.; Wang, P.; Law, J.; Calinescu, R.; Mihaylova, L. A deep learning-enhanced Digital Twin framework for improving safety and reliability in human–robot collaborative manufacturing. Robot. Comput. Manuf. 2024, 85, 102608. [Google Scholar] [CrossRef]
- He, R.; Chen, G.; Dong, C.; Sun, S.; Shen, X. Data-driven digital twin technology for optimized control in process systems. ISA Trans. 2019, 95, 221–234. [Google Scholar] [CrossRef] [PubMed]
- Jazdi, N.; Talkhestani, B.A.; Maschler, B.; Weyrich, M. Realization of AI-enhanced industrial automation systems using intelligent Digital Twins. Procedia CIRP 2020, 97, 396–400. [Google Scholar] [CrossRef]
- Jianwang, H.; Ramirez-Mendoza, R.A.; Xiaojun, T. Direct Data-Driven Control for Cascade Control System. Math. Probl. Eng. 2021, 2021, 1465493. [Google Scholar] [CrossRef]
- De Persis, C.; Tesi, P. Designing Experiments for Data-Driven Control of Nonlinear Systems. IFAC-PapersOnLine 2021, 54, 285–290. [Google Scholar] [CrossRef]
- Örfler, F.D.; Ürich, Z. Data-Driven Control in Autonomous Energy Systems. Available online: http://people.ee.ethz.ch/~floriand/docs/Slides/Dorfler_GT_2020.pdf (accessed on 12 January 2024).
- De Persis, C.; Tesi, P. Formulas for Data-Driven Control: Stabilization, Optimality, and Robustness. IEEE Trans. Autom. Control. 2019, 65, 909–924. [Google Scholar] [CrossRef]
- Martin, T.; Schön, T.B.; Allgöwer, F. Guarantees for data-driven control of nonlinear systems using semidefinite programming: A survey. Annu. Rev. Control 2023, 56, 100911. [Google Scholar] [CrossRef]
- Hou, Z.; Jin, S. A novel data-driven control approach for a class of discrete-time nonlinear systems. IEEE Trans. Control Syst. Technol. 2011, 19, 1549–1558. [Google Scholar] [CrossRef]
- Control System Synthesis-Data-Driven Control Introduction to Data-Driven Control Predictive and Learning DDC Use of Local Models Use of Repetitive Experiments Robust DDC Using Convex Optimization Using Non-Convex Optimization Model Reference DDC. Available online: https://www.control.lth.se/fileadmin/control/Education/DoctorateProgram/ControlSystemsSynthesis/2020/Control_System_Synthesis___data_driven_control.pdf (accessed on 12 January 2024).
- Selvi, D.; Piga, D.; Battistelli, G.; Bemporad, A. Optimal direct data-driven control with stability guarantees. Eur. J. Control 2021, 59, 175–187. [Google Scholar] [CrossRef]
- MSafonov, G.; Holmes, S.; Doyle, A.C. Data-Driven Robust Control Design: Unfalsified Control. Available online: http://www.rto.nato.int/abstracts.asp (accessed on 12 January 2024).
- Baggio, G.; Bassett, D.S.; Pasqualetti, F. Data-driven control of complex networks. Nat. Commun. 2021, 12, 1429. [Google Scholar] [CrossRef] [PubMed]
- Tanaskovic, M.; Fagiano, L.; Novara, C.; Morari, M. Data-driven control of nonlinear systems: An on-line direct approach. Automatica 2017, 75, 1–10. [Google Scholar] [CrossRef]
- Hair, J.F., Jr.; Black, W.C.; Babin, B.J.; Anderson, R.E. Multivariate Data Analysis, 7th ed. Available online: https://www.drnishikantjha.com/papersCollection/Multivariate%20Data%20Analysis.pdf (accessed on 12 January 2024).
- Stamatakis, G.; Tragos, E.Z.; Traganitis, A. Energy Efficient Policies for Data Transmission in Disruption Tolerant Heterogeneous IoT Networks. Sensors 2018, 18, 2891. [Google Scholar] [CrossRef] [PubMed]
- Tahir, I.; Nasir, A.; Algethami, A. Optimal Control Policy for Energy Management of a Commercial Bank. Energies 2022, 15, 2112. [Google Scholar] [CrossRef]
- Bertsekas, D.P. Regular policies in abstract dynamic programming. SIAM J. Optim. 2017, 27, 1694–1727. [Google Scholar] [CrossRef]
- Azar, M.G.; Gómez, V.; BKAPPEN, H.J.K. Dynamic Policy Programming. J. Mach. Learn. Res. 2012, 13, 3207–3245. [Google Scholar]
- Thomas, G. Markov Decision Processes. 2020. Available online: https://ai.stanford.edu/ (accessed on 12 January 2024).
- Isermann, R. Fault-Diagnosis Systems: An Introduction from Fault Detection to Fault Tolerance; Springer: Berlin/Heidelberg, Germany, 2006. [Google Scholar] [CrossRef]
- Isermann, R.; Münchhof, M. Identification of Dynamic Systems: An Introduction with Applications; Springer: Berlin/Heidelberg, Germany, 2011. [Google Scholar] [CrossRef]
- Åström, K.J. Control System Design. 2002. Available online: https://www.cds.caltech.edu/~murray/courses/cds101/fa02/caltech/astrom.html (accessed on 12 January 2024).
- Liao, G.; Zhao, J. Auto-tuning for cascade PID height position controller of rotorcraft. MATEC Web Conf. 2019, 277, 01008. [Google Scholar] [CrossRef]
- Johansson, K.H.; James, B.; Bryant, G.F.; Åström, K.J. Multivariable Controller Tuning. Available online: https://ieeexplore.ieee.org/document/703258 (accessed on 12 January 2024).
- Dapkute, A.; Siozinys, V.; Jonaitis, M.; Kaminickas, M.; Siozinys, M. Digital Twin Data Management: Framework and Performance Metrics of Cloud-Based ETL System. Machines 2024, 12, 130. [Google Scholar] [CrossRef]
- Singh, M.; Srivastava, R.; Fuenmayor, E.; Kuts, V.; Qiao, Y.; Murray, N.; Devine, D. Applications of Digital Twin across Industries: A Review. Appl. Sci. 2022, 12, 5727. [Google Scholar] [CrossRef]
- Folgado, F.J.; Calderón, D.; González, I.; Calderón, A.J. Review of Industry 4.0 from the Perspective of Automation and Supervision Systems: Definitions, Architectures and Recent Trends. Electronics 2024, 13, 782. [Google Scholar] [CrossRef]
- Grieves, M. Intelligent digital twins and the development and management of complex systems. Digit. Twin 2022, 2, 8. [Google Scholar] [CrossRef]
- Popescu, F.; Mahu, R.; Ion, I.V.; Rusu, E. A Mathematical Model of Biomass Combustion Physical and Chemical Processes. Energies 2020, 13, 6232. [Google Scholar] [CrossRef]
- Rosario, L.; Michele, M. Thermodynamic Property Models for Unburned Mixtures and Combustion Gases|Request PDF. Int. J. Thermodyn. 2006, 9, 73–80. Available online: https://www.researchgate.net/publication/42539893_Thermodynamic_Property_Models_for_Unburned_Mixtures_and_Combustion_Gases (accessed on 12 January 2024).
- ISO/IEC TR 30172:2023; Internet of Things (loT)—Digital Twin—Use Cases. ISO: Geneva, Switzerland, 2023. Available online: https://www.iso.org/standard/81578.html (accessed on 12 January 2024).
- ISO/IEC 30173:2023; Digital Twin—Concepts and Terminology. ISO: Geneva, Switzerland, 2023. Available online: https://www.iso.org/standard/81442.html (accessed on 12 January 2024).
Disclaimer/Publisher’s Note: The statements, opinions and data contained in all publications are solely those of the individual author(s) and contributor(s) and not of MDPI and/or the editor(s). MDPI and/or the editor(s) disclaim responsibility for any injury to people or property resulting from any ideas, methods, instructions or products referred to in the content. |
© 2024 by the authors. Licensee MDPI, Basel, Switzerland. This article is an open access article distributed under the terms and conditions of the Creative Commons Attribution (CC BY) license (https://creativecommons.org/licenses/by/4.0/).




