Abstract
The quantitative logs method is designed for objective facies analysis of thick sedimentary successions. This method enables the analysis of whole successions instead of selected intervals arbitrarily considered as representative and results in a database suitable for further analysis, e.g., statistical, quantitative stratigraphy, or facies modelling. The logging procedure involves the following steps: (i) each of the logged sedimentary features is classified according to a standard, e.g., grain-size follows the phi scale or Wentworth classes are applied for bed thickness; (ii) in the course of logging, the whole succession is subdivided into intervals, each of which is characterised by a predominant (i.e., modal) class of the considered feature; (iii) such modal class characterises a part of the section that has a specific thickness and is called a ‘modally homogeneous interval’ (MHI); and (iv) the lower and upper boundary of each MHI are defined by a change in the modal class. The thickness of all MHIs characterised by the same class interval is then added. The grand total of such component sub-totals for all class intervals of the logged feature equals the log thickness and is the basis for the calculation of frequency distribution, which characterises the succession from the viewpoint of this feature. Each bar of the resulting histogram represents the percentage of the whole section composed of the strata among which the given class occurs as the modal (i.e., predominant) feature. The method of modal quantitative logs is illustrated here with an example of statistical analysis of selected sections of the Krosno Beds (Oligocene) turbidite succession from the Western Outer Carpathians of Poland.
1. Introduction
Of many techniques designed to record sedimentary successions in the field, two are ‘classics’ which have been particularly widely known for several decades. The graphic logs proposed by Bouma [1] give an excellent insight into the details of a sequence measured bed-by-bed. The application of this method is cumbersome for very thick sections because of the complexity of notation, time-consuming procedure, and the resulting long strips of graphic logs that are challenging to manage. A more general method was suggested by Selley [2], who proposed subdividing the whole measured section into equally thick intervals of an arbitrarily chosen span. The features to be recorded are defined in advance and, in the process of logging, their relative frequencies are estimated within the successive intervals of equal length. This implies that the resulting record is influenced by the interval’s range/thickness [3]. Following the sparse ‘early’ papers, the number of publications on the subject quickly increased during the subsequent decades; therefore, only selected publications can be mentioned here to illustrate the spectrum of goals, approaches, and methods, for example, the analysis of cyclic sedimentation [4,5,6], grain size and mineral composition statistical studies [7,8,9], or facies variations and depositional systems [10,11,12]. Among the more recent publications are studies devoted to specific erosional–depositional features of submarine associations [13,14,15], outcrop analysis and modelling [16,17,18], or the most recent, representing a database approach to the analysis of marine systems and reservoir modelling [19,20,21].
The ‘classic’ methods, by Bouma [1] and by Selley [2], are functional only for studies of thin sedimentary suites. Their application to very thick successions reaching many hundreds or several thousands of metres is practical only if limited to selected fragments considered by the observer as representative, which is a subjective procedure. For example, such a problem arises when very thick deep-marine turbidite sequences are analysed. Objective recording and documentation of their continuous sections, with the application of consistent criteria throughout, is vital for further analysis, e.g., in lithostratigraphy, quantitative stratigraphy, correlation, basin analysis, or facies modelling. On the basis of objectively recorded and analysed data, the selection of representative intervals for bed-by-bed logging or sampling can be optimised, leading to more reliable results consistently comparable between sections, localities, and regions. The problem seems to be especially relevant there where very thick successions considered as relatively monotonous are concerned, and many flysch sequences represent such an example.
Therefore, the aim of this paper is to present a method of logging of thick sedimentary successions, which fulfils the following requirements: enables the presentation of sedimentological logs with a balanced degree of detail and generalisation; minimises the element of subjective estimation by applying comparative standards for each of the observed features, thus reducing the observer’s bias; makes it possible to record very thick sections efficiently; enables the presentation of a large amount of information in a quantitative form suitable for database storage and further processing, e.g., statistical analysis, modelling, etc.; and the resulting log is a succession of intervals, the span of which is not fixed and predetermined by the observer but variable and controlled solely by vertical changes of the recorded sedimentary feature in the succession of strata.
Flexibility and ease of application are additional aims. The user should easily modify the method to suit a variety of documentation and research purposes. In a nutshell, the discussed method should allow for the recording of the observed features in a manner that would form the primary database for further applications, including quantitative analysis. Moreover, the method should apply classification standards that provide consistent categorisation criteria. The approach discussed below was designed, tested, and refined during a regional study of a turbidite suite in the Polish Outer/Flysch Carpathians (Figure 1). For this reason, its description and the example of application are preceded by a discussion of data collection specific for this type of succession.
Figure 1.
Geological sketch map of the eastern part of the Outer Western Carpathians in Poland modified from [22], showing the main structural units and regional position of the study area marked with a box.
2. Principles of Modal Quantitative Logging
The recorded class of a given feature is the one that predominates; therefore, it is modal within a specific thickness interval of the logged succession. In the logging process, the entire succession becomes gradually subdivided into such intervals named here as ‘modally homogeneous intervals’ (MHI), and the complete log is called ‘modal quantitative log’ (MQL). The principles of such subdivision of the whole sedimentary succession are the following:
- The total range of variability of each recorded feature is split into classes, e.g., see Table 1;
Table 1. Class intervals of structural and textural characteristics applied in the modal quantitative logs of the Krosno Beds turbidite succession. - Each modally homogeneous interval (MHI) is characterised by one class of a recorded feature;
- If several features are recorded, the logging of each of these characteristics is carried out independently;
- A modally homogeneous interval (MHI) is a continuous part of the succession characterised by two factors: its thickness and the class interval of the recorded feature to which a predominant number of beds belong (modal class);
- The lower and upper boundary of each MHI are defined by a sharp or gradual change in the modal class;
- When the change is gradual, the operational boundary is established at a point where the estimated proportion of beds belonging to the modal classes indicative of each of the two successive intervals is 1:1.
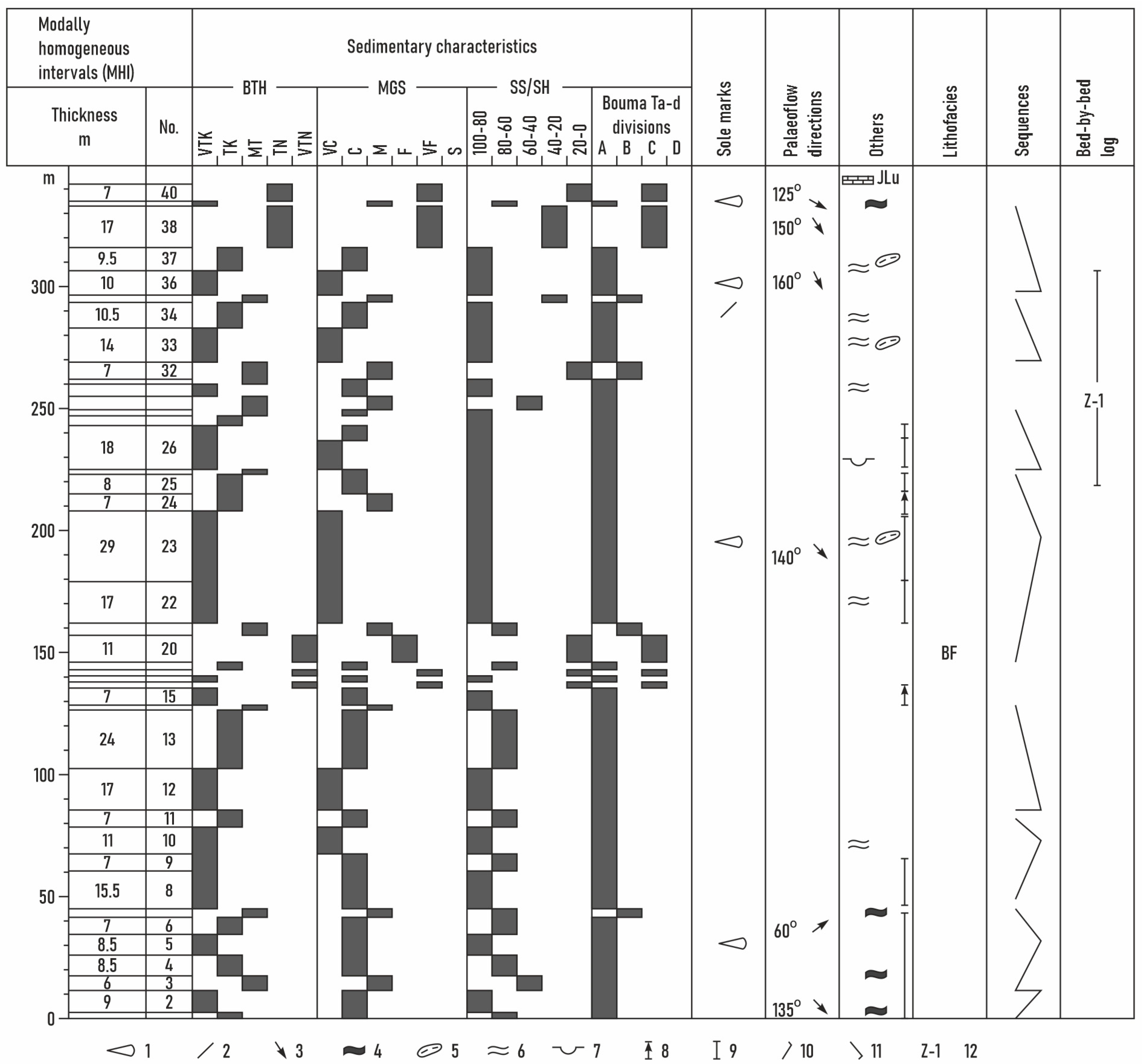
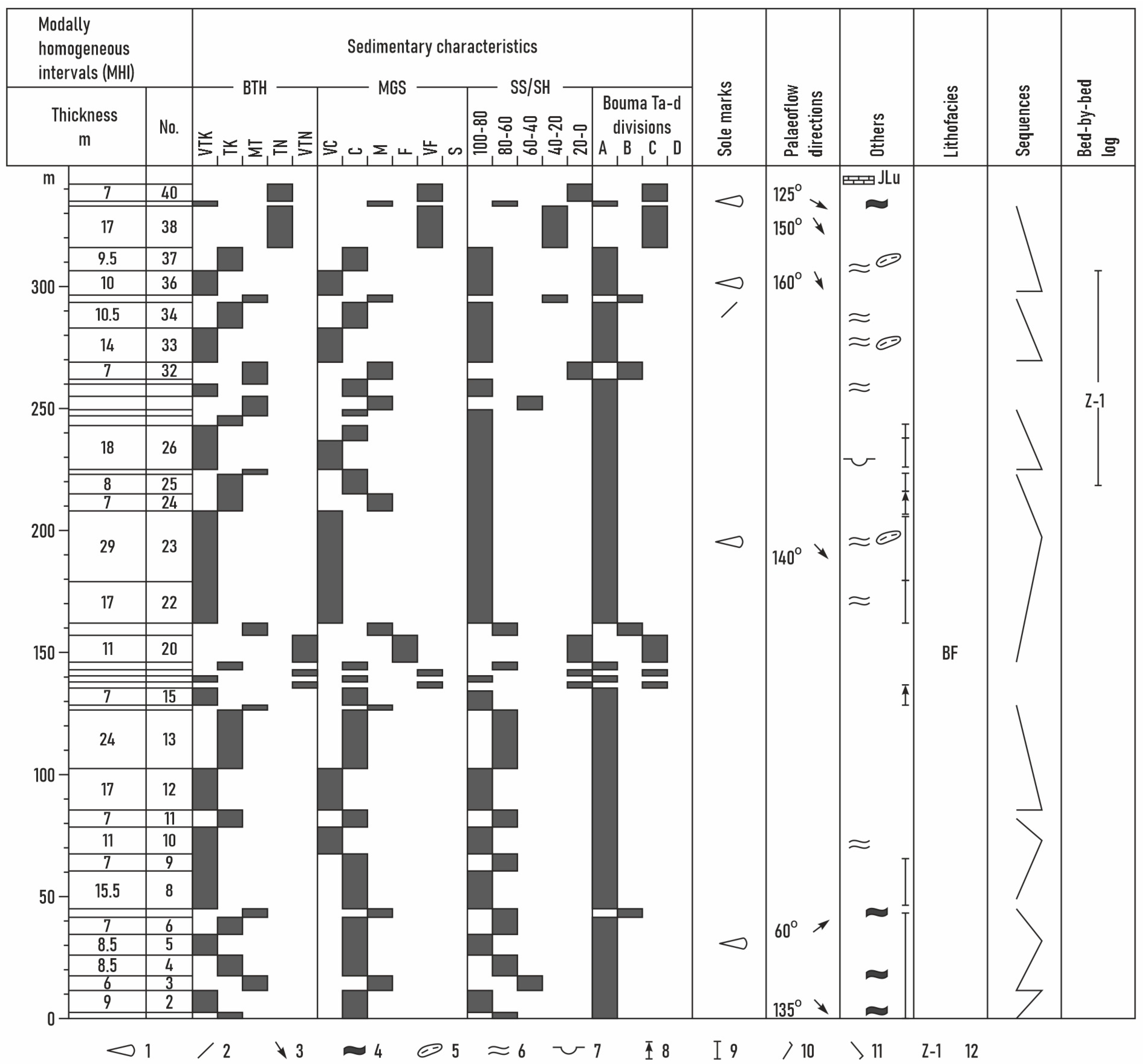
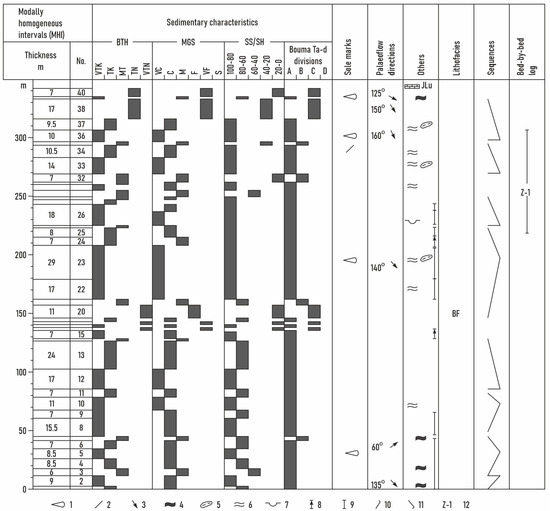
A schematic illustration of these principles for two logged features, sandstone bed thickness and maximum grain size, is given in Figure 2. An example of a graphic presentation of a modal quantitative log is shown in Figure 3, where each column represents a different sedimentary feature and consists of a succession of modally homogeneous intervals (MHI). Each interval is characterised by a modal class different from the modal classes defining its predecessor and its successor. Modal quantitative log data can be directly applied to analyse the features of the logged succession. An illustration of one of the possible ways and its results are outlined below.
Figure 2.
Example of a graphic sedimentological log (a) and the equivalent modal quantitative logs (MQL), presented as graphs of vertical variations and chequer plots, of two sedimentary features—sandstone bed thickness BTH (b) and maximum grain size MGS (c). Boundaries of modally homogeneous complexes: sharp (AT) and gradational (GT).
Figure 3.
Example of a graphic presentation of a modal quantitative log as chequer plots showing the upper part of the Krosno Beds stratigraphic section, facies complex LF III exposed in Zagórz. Explanations: Sole marks: 1—current/flute casts; 2—drag marks; 3—palaeocurrent direction azimuth (relative to N pointing upwards); 4—intercalations of black shale; 5—intraclasts of grey shale and mudstone; 6—erosional contacts between amalgamated sandstone beds; 7—erosional channels; 8—predominance of normally graded sandstone beds; 9—predominance of massive beds; 10—CU coarsening-upwards (negative) sequences; 11—FU fining-upwards (positive) sequences; 12—location of detailed bed-by-bed profile; LF—Besko/Lesko Facies deposits; Jlu—upper horizon of the Jasło Limestone.
3. Example of Application
3.1. Method
The modal quantitative log (MQL) method has been worked out and tested in the course of a sedimentological and palaeogeographical study of the Krosno Formation (Oligocene [23,24]) in the eastern part of the Western Outer/Flysch Carpathians in Poland ([25]; Figure 1 above). Taking into account the features of turbidite successions, which reflect on our interpretations of modes of transportation and deposition, as well as a reconstruction of palaeogeography and basin evolution (e.g., [26,27,28,29]), the following characteristics were documented:
- a/
- Sandstone bed thickness (STH), of which amalgamated beds were subdivided whenever possible into units, which resulted from deposition out of individual flows;
- b/
- Maximum grain size (MGS) present within the bed;
- c/
- Proportion of ‘fines’, here expressed as sandstone to shale ratio (SS/SH);
- d/
- Bedding structures in sandstones according to Bouma (1962) with Ta–c, expressed here as ABC.
Next to these fundamental sedimentary features, other features were also recorded as supplementary for potential application in a more extended sedimentological analysis; these were intraclasts, scours and channels, and sole marks; readings of palaeocurrent directions; and syn- and postdepositional deformations.
In this study, the class intervals of STH follow the classification of Ingram [30] converted to an equal class interval scale (see Table 1); the phi scale was applied for MGS. The classes of SS/SH ratio were delimited by the values >>1, >1, ~1, <1, and <<1, which, converted to percent values, forms the string of class intervals shown in Table 1 (or probabilities 1–0.8, 0.8–0.6, 0.6–0.4, 04–0.2, 0.2–0). The distinction between normally graded (Ta) and massive intervals in the Krosno Beds sandstones was not always possible, especially in riverbed outcrops. Therefore, these two structures are grouped into one class. However, when the distinction was possible, additional notes were taken for future reference and semi quantitative addition to the final sedimentological interpretation (not discussed here). For bimodal intervals, the second mode of a given feature was recorded. Still, only the first mode was applied in the quantitative analysis on the basis of a set of simple statistical methods. These additionally recorded features may be useful at the stage of geological interpretation of the quantitative data.
The first question to be answered based on a MQL log is what part of the log’s total thickness is characterised by a given class interval of the selected feature. Hence, the frequency of each class is the sum of thicknesses of all MHIs falling into that class. The sum of frequencies in all the available classes of the given feature equals the total thickness of the section. Frequency distributions calculated for each feature can then be recalculated to percentage or probability distributions.
A remark addressed to statistical purists should be made here. Namely, the distributions so computed are not frequency distributions sensu stricto. It may be assumed that each MHI falls into an appropriate class as a unit multiplied by its own thickness. Thus, the thickness of a given MHI is the weight factor of the class, and the distributions are transformed by this factor. The following formulae apply for these calculations:
where
- Nk—‘frequency’/thickness for the class ‘k’;
- M—total thickness of the modal quantitative log;
- MHI—modally homogeneous interval of the logged section;
- n—number of MHIs characterised by class interval ‘k’;
- l—number of all class intervals of the analysed feature.
Such distributions were calculated for the four features (a–d) listed earlier and shown in Table 1. To emphasise the weight factor, the distributions were labelled wSTH, wMGS, wSS/Sh, and wABC (Table 2); they are the basic quantitative representations of the modal associations of the facies present in the examined section. Mean and standard deviation values were calculated for the first three features (wSTH, wMGS, wSS/Sh). The required condition of equality of the class intervals (ratio scale) was satisfied by a transformation of wSTH classes or coding in the case of wSS/SH (Table 1). As wABC are qualitative data (nominal scale), their whole distributions were taken as the characteristics of the sedimentary structures present in the analysed logs.
Table 2.
Mean (m) and standard deviation (s) values of distributions of the analysed features of the Lesko Facies (LF) turbidites. The complex LF I is omitted as it is too thin, hence unsuitable for statistical analysis.
The statistical homogeneity of pairs of wSTH, wMGS, and wSS/SH was tested at a significance level of α = 0.05. The null hypothesis (H0), that the difference between the two compared distributions is statistically insignificant, was verified against an alternative hypothesis (H1), that the difference is significant, by two tests: F-Snedecor’s for variances and t-Student’s for two mean values. Whenever the F-test suggested that the H0 should be rejected, the t-test was not applied and the tested distributions were qualified as statistically different, i.e., representing two different populations [31,32]. All pairs of distributions of the qualitative data wABC were compared using a chi-squared test for statistical homogeneity of two distributions. The testing procedure reveals the presence or absence of statistically significant differences between the tested distributions but not their source. This must be found on the basis of sedimentological interpretation of the quantitative results.
The above analytical procedure is summarised in the flow diagram (Figure 4). It should be stressed that the frequency distributions were applied here as the most elementary step in the analysis of the quantitative logs, which can be developed further into a more advanced procedure. At this stage, however, the analysed sections are concisely documented, can be compared and grouped/correlated on the basis of their quantitative parameters, and the shapes of their distributions can be interpreted in geological terms. Considering that this paper is focused on the methodology of modal quantitative profiles, the geological interpretation of the results will be limited to brief remarks.
Figure 4.
Flow diagram of analysis of modal quantitative logs: example of Lesko Lithofacies (LF) turbidites.
3.2. Application: Quantitative Analysis of the Krosno Beds (Oligocene), Polish Flysch Carpathians
The detrital material of the Krosno Beds (Oligocene) interval older than the marker horizon of the Jasło Limestone [33], and outcropping in the eastern part of the Silesian Nappe was supplied from two opposite source areas [34]: the Silesian Ridge in the west and the Maramures Ridge in the east [35,36]. This is testified not only by palaeocurrent indicators but was also shown by a statistical analysis of the mineral composition of the Krosno Beds sandstones [7]. On this basis, two petrofacies were defined—the Besko Facies (more commonly called the Lesko Facies) supplied from the NW and the Otryt Facies supplied from the SE [7,36,37]. In the eastern part of the Silesian Nappe, these two facies form individual interlayered units, the lithostratigraphic relations between which enabled the distinction of three complexes of the Lesko Facies (LF I-III) separated in the stratigraphic succession by two complexes of the Otryt Facies, OF I-II in Figure 5 below (also see [25]). Relations between these complexes reflect the deposition of two submarine fans supplied from two opposite source zones and interfingering due to variations in the intensity of supply [36].
The example of modal quantitative logs discussed below is limited to the Lesko Facies (LF) succession from three selected sections (Figure 2). The sections at Mymoń and Besko are aligned across the regional palaeotransport direction and the depository axis. In contrast, the sections at Besko and Zagórz are distributed approximately along the basin axis (albeit slightly obliquely), the latter occupying a distal position. Three complexes of the Lesko Facies are present at Mymoń (LF I–III) but only one (LF I) at Zagórz. This is due to the diachronous lower boundary of the Krosno Beds to the underlying Menilite Beds, which becomes younger towards the NE, i.e., across the Silesian Basin [38]. Frequency distributions of all four sedimentary characteristics were calculated separately for each of the Lesko Facies complexes (Figure 6), followed by calculations of their statistics and testing for statistical homogeneity.
Figure 5.
Simplified lithological sections of the Krosno Beds older than the upper horizon of the Jasło Limestone. Explanations of the sections: 1— very thick and thick sandstone beds; 2—sandstone beds of medium thickness (a) and thin to very thin sandstone beds with shale intercalations (b); 3—Besko/Lesko Lithofacies (LF—a) and Otryt Lithofacies (OF—b); 4—Jasło Limestone; 5—no outcrop. Explanations to the geological map from [39] of the area in which the discussed sections are located: Silesian Nappe: 1—Middle and Upper Krosno Beds; 2—Lower Krosno Beds; 3—Transitional Beds; 4—Globigerina Marls, Menilite Beds, and Kliwa Sandstone; 5—Hieroglyphic Beds. Skole Nappe: 6—Middle and Upper Krosno Beds; 7—Lower Krosno Beds; 8—Transitional Beds; 9—Menilite Beds; 10—Hieroglyphic Beds; 11—Ciężkowice Sandstone; 12—Węglówka Marls; 13—Lgota Beds; 14—Verovce Beds. a—Boundary of lithostratigraphic unit; b—main overthrust; c—secondary overthrust (observed); d—secondary overthrust interpreted. Arrows indicate two regional palaeocurrent/sediment supply directions: from NW for the Lesko Facies/Besko Facies (LF) and from SE for the Otryt Facies (OF). Tectonic duplication of the Mymoń scale is after [40,41] and supported with detailed logs by the present author [25]. The names of the logged sections are underlined.
Figure 5.
Simplified lithological sections of the Krosno Beds older than the upper horizon of the Jasło Limestone. Explanations of the sections: 1— very thick and thick sandstone beds; 2—sandstone beds of medium thickness (a) and thin to very thin sandstone beds with shale intercalations (b); 3—Besko/Lesko Lithofacies (LF—a) and Otryt Lithofacies (OF—b); 4—Jasło Limestone; 5—no outcrop. Explanations to the geological map from [39] of the area in which the discussed sections are located: Silesian Nappe: 1—Middle and Upper Krosno Beds; 2—Lower Krosno Beds; 3—Transitional Beds; 4—Globigerina Marls, Menilite Beds, and Kliwa Sandstone; 5—Hieroglyphic Beds. Skole Nappe: 6—Middle and Upper Krosno Beds; 7—Lower Krosno Beds; 8—Transitional Beds; 9—Menilite Beds; 10—Hieroglyphic Beds; 11—Ciężkowice Sandstone; 12—Węglówka Marls; 13—Lgota Beds; 14—Verovce Beds. a—Boundary of lithostratigraphic unit; b—main overthrust; c—secondary overthrust (observed); d—secondary overthrust interpreted. Arrows indicate two regional palaeocurrent/sediment supply directions: from NW for the Lesko Facies/Besko Facies (LF) and from SE for the Otryt Facies (OF). Tectonic duplication of the Mymoń scale is after [40,41] and supported with detailed logs by the present author [25]. The names of the logged sections are underlined.

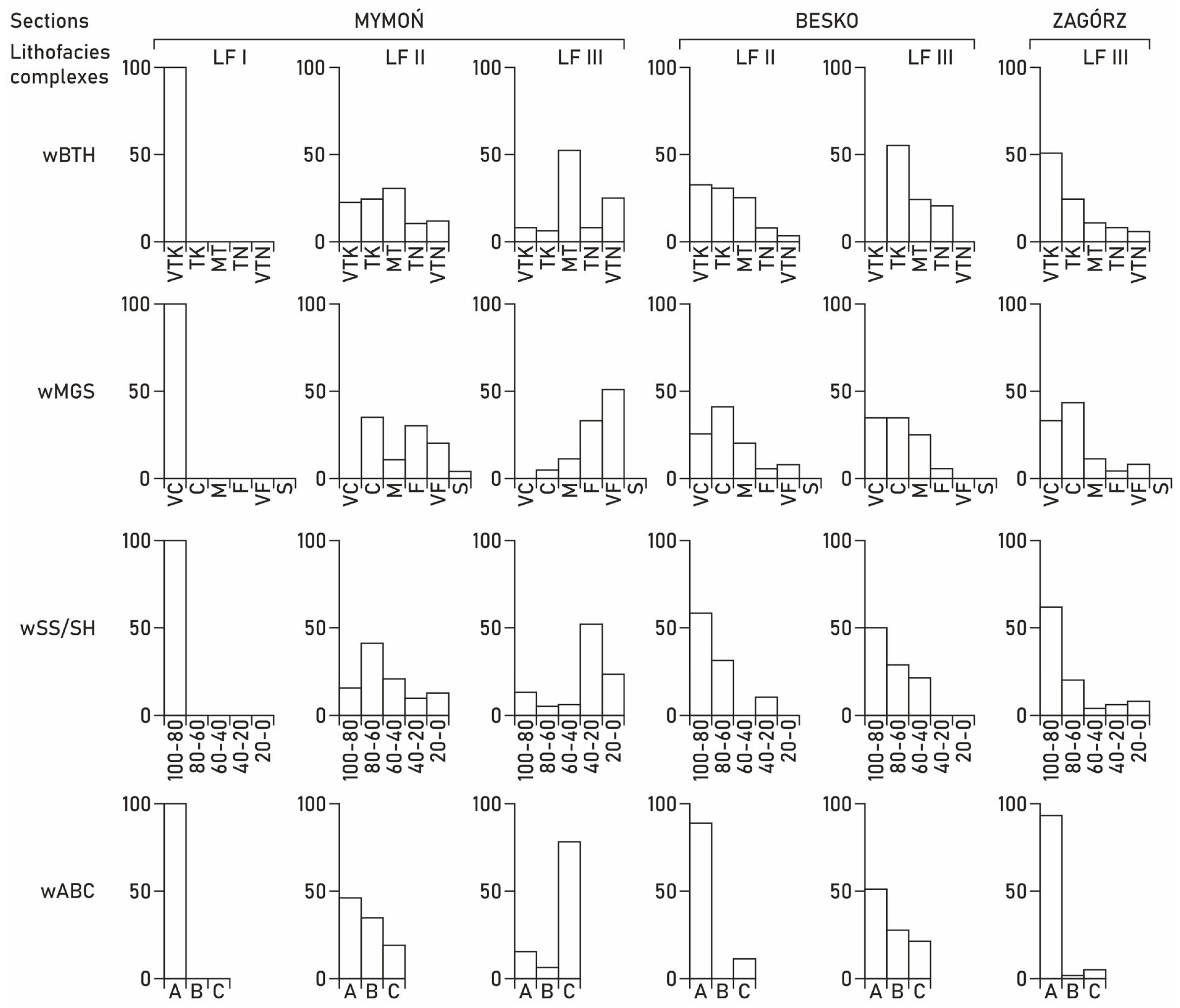
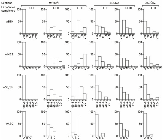
Figure 6.
Histograms of frequency distributions of sedimentary characteristics (wBTH, wMGS, wSS/SH, wABC) of the Lesko Facies (LF), which represent modal quantitative logs at Mymoń, Besko, and Zagórz.
Figure 6.
Histograms of frequency distributions of sedimentary characteristics (wBTH, wMGS, wSS/SH, wABC) of the Lesko Facies (LF), which represent modal quantitative logs at Mymoń, Besko, and Zagórz.

For the interpretation of the quantitative data, the distributions and statistics of wBTH are considered in terms of capacity of the depositing turbidity currents; wMGS is a measure of competence of the depositing flows; wSS/SH reflects the proportions between sandy and pelitic material in the depositing turbidity currents; and wABC is a measure of initial energy and the subsequent rate of deceleration of turbidites. The variations of statistics between sections represent differences between more ‘proximal’ and more ‘distal’ facies associations.
Variations of mean values of the distributions (Table 2) reflect a gradual decrease in capacity and competence of the depositing turbidity currents with time [42,43], i.e., up the stratigraphic succession of the Lesko Facies complexes within the individual sections. Laterally, within individual facies complexes, both capacity and competence decrease in the following directions: from Besko to Mymoń in LF II and from Zagórz to Besko to Mymoń in LF III. Therefore, it is concluded that the facies gradients, which are the consequence of hydraulic gradients of the depositing turbidity currents, are similar in two directions relative to the regional palaeocurrents system: (i) perpendicular in the SW direction (across the basin axis) and (ii) parallel towards the SE direction (along the basin axis).
Testing for statistical homogeneity of pairs of distributions (Table 3) shows that the null hypothesis H0 (difference between the two compared distributions is statistically insignificant) had to be rejected for
Table 3.
Results of testing for statistical homogeneity of distributions representing Lesko Facies complexes. Shown are the pairs of distributions that are statistically homogeneous (do not differ statistically) at confidence level α = 0.05.
- (i)
- All pairs of the lithofacies complexes that occur in vertical stratigraphic succession in individual logs (e.g., LF II vs. LF III at Besko);
- (ii)
- All pairs of the lithofacies complexes that are correlative between the analysed sections (e.g., LF II at Mymoń vs. LF II at Besko).
Testing for statistical homogeneity of twenty-four combinations of pairs of the distributions that represent various sections and various facies complexes (e.g., Mymoń LF III and Besko LF II; Mymoń LF I and Zagórz LF III) returned three pairs for which the null hypothesis (H0) of statistically insignificant differences could be accepted. Therefore, these three pairs of distributions may be considered as statistically homogeneous (or representing the same populations). Furthermore, their relative stratigraphic and geographical positions are interesting. Among all three homogeneous pairs, the stratigraphically older complex is located to the south, or to the west, of its counterpart, which is ‘one notch’ younger (Table 3).
Therefore, the results of testing for homogeneity of pairs of distributions, coupled with the directional changes of the mean values that represent the distributions, indicate complex but directional migration of the proximal zone characterised by the highest intensity of the depositional processes. This zone is represented by pairs LF II at Mymoń and LF III at Besko and by LF II at Besko and LF III at Zagórz (Table 3). Therefore, considering the SE-oriented regional palaeocurrent direction, the proximal zone migrated laterally towards the NE (across the basin, from Mymoń to Besko) and simultaneously prograded towards the SEE (from Besko to Zagórz).
The calculated statistics (Table 2) show gradual changes in time and space that reflect the gradual capacity and competence gradients of the depositing turbidity currents. These, in turn, are here viewed with relation to palaeotopography of this part of the basin that must have been characterised by even palaeoslope gently inclined towards the SE.
4. Discussion and Conclusions
As the method of modal quantitative logs was designed to analyse exclusively very thick sedimentary sequences that can be characterised by a limited number of quantifiable features, it involves a certain degree of generalisation, especially because the modal/predominant features are taken into account. At the same time, the suggested method has several advantages:
- It considers the macroscopic features that are regarded as crucial facies characteristics of the analysed sequence.
- The quantitative character of most of the features represented by comparative standards improves the objectivity of the observations; therefore, the results of logging by different persons and in different areas will be comparable and may be fed into the same database.
- Independent logging of each of the identified features documents the cases when the facies characteristics are correlated and the opposite situation when they are not, which is important for the interpretation of the conditions of transportation and deposition of clastic sediments and the nature of variations of the hydraulic parameters of the depositing flows.
- Even very thin homogeneous sets may be recorded in the modal quantitative logs (MQL), thereby gradual vertical changes in the logged successions are documented at a chosen level of generalisation.
- By emphasising modal classes of the identified features, the method stresses the main aspects of the sedimentary record and simultaneously provides data applicable in complex studies of populations of sedimentary characteristics, e.g., quantitative stratigraphy or basin modelling.
- It facilitates the objective identification of representative fragments of the investigated succession for further detailed studies, e.g., bed-by-bed logging.
- With some practice, it enables us to collect quite a large amount of data efficiently.
The method, as presented here, does not address the quantitative analysis of several features, other than those listed in Table 1 and Table 2 and shown in the right-hand columns in Figure 3. These are sole marks, palaeoflow directions, sequences/vertical trends, and other details (e.g., mudstone clasts, erosional contacts). At the present stage of development, these features need to be integrated qualitatively with the quantitative results to complete the final interpretation. However, it is planned to work towards the inclusion of these features at the quantitative level.
We envisage that this method could be successfully applied for a range of research projects devoted to very thick sedimentary sequences and investigating sedimentology, basin analysis, stratigraphy, and modelling, including the economic geology of hydrocarbons, mineral deposits, and groundwater resources.
Author Contributions
Conceptualisation, M.W.; methodology, M.W.; software, M.W. and A.Ś.; validation, M.W., A.Ś., and I.F.; formal analysis, M.W. and A.Ś.; investigation, M.W.; resources, M.W., A.Ś., and I.F.; data curation, I.F.; writing—original draft preparation, M.W.; writing—review and editing, M.W.; visualisation, M.W. and A.Ś.; supervision, M.W.; project administration, M.W. and I.F.; funding acquisition, M.W. and I.F. All authors have read and agreed to the published version of the manuscript.
Funding
This work has been supported by AGH Statutory Research Grant No. 11.11.140.626.
Data Availability Statement
Not applicable.
Acknowledgments
The authors are grateful to the four anonymous reviewers for their effort and constructive criticism, which enabled us to improve this manuscript. We thank Wojtek Nemec for an exhaustive discussion of an early version of this manuscript.
Conflicts of Interest
The authors declare no conflict of interest.
References
- Bouma, A.H. Sedimentology of Some Flysch Deposits. A Graphic Approach to Facies Interpretation; Elsevier: Amsterdam, The Netherlands, 1962; p. 168. [Google Scholar]
- Selley, R.C. Facies profile and other new methods of graphic data interpretation: Application in a quantitative study of Libyan Tertiary shoreline deposits. J. Sediment. Petrol. 1968, 38, 363–372. [Google Scholar]
- Krumbein, W.C. Fortran IV computer programs for Markov chain experiments in geology. Comput. Contrib. State Geol. Surv. Kans. 1967, 13, 38. [Google Scholar]
- Dembowski, Z.; Unrug, R. A statistical study of cyclic sedimentation in the Łaziska beds (Upper Silesia Coal Basin). Ann. Soc. Geol. Pol. 1970, 40, 63–110, (in Polish with English summary). [Google Scholar]
- Duff, P.M.D.; Walton, E. Statistical basis for cyclothems: A quantitative study of the sedimentary succession in the East Pennine Coalfield. Sedimentology 1962, 1, 235–255. [Google Scholar] [CrossRef]
- Miall, A.D. Markov chain analysis applied to an ancient alluvial plain succession. Sedimentology 1973, 20, 347–364. [Google Scholar] [CrossRef]
- Shideler, G.D.; Ślączka, A.; Unrug, R.; Wendorff, M. Textural and mineralogical sorting relationships in Krosno Formation (Oligocene) turbidites, Polish Carpathian Mountains. J. Sediment. Petrol. 1975, 45, 45–56. [Google Scholar]
- Reading, H.G.; Richards, M. Turbidite systems in deep-water basin margins classified by grain size and feeder system. AAPG Bull. 1994, 78, 792–822. [Google Scholar]
- Le Roux, J.P. An alternative approach to the identification of net sediment transport paths based on grain-size trends. Sedim. Geo. 1994, 94, 97–107. [Google Scholar] [CrossRef]
- Ślączka, A.; Unrug, R. Trends of textural and structural variation in turbidite sandstones: The Cergowa Sandstone (Oligocene, Outer Carpathians). Ann. Soc. Geol. Pol. 1976, 46, 55–76. [Google Scholar]
- Clark, J.; Kenyon, N.; Pickering, K. Quantitative analysis of the geometry of submarine channels: Implications for the classification of submarine fans. Geology 1992, 20, 633–636. [Google Scholar] [CrossRef]
- Reynolds, T. Quantitative analysis of submarine fans in the Tertiary of the North Sea Basin. Mar. Pet. Geol. 1994, 11, 202–207. [Google Scholar] [CrossRef]
- Skene, K.I.; Piper, D.J.W.; Hill, P.S. Quantitative analysis of variations in depositional sequence thickness from submarine channel levees. Sedimentology 2002, 49, 1411–1430. [Google Scholar] [CrossRef]
- Schuppers, J. Quantification of turbidite facies in a reservoir-analogous submarine-fan channel sandbody, south-central Pyrenees, Spain. In The Geological Modelling of Hydrocarbon Reservoirs and Outcrop Analogues; Flint, S.S., Bryant, I.D., Eds.; Wiley: Chichester, UK, 2009; pp. 99–111. [Google Scholar]
- Nakajima, T.; Kneller, B.C. Quantitative analysis of the geometry of submarine external levées. Sedimentology 2013, 60, 877–910. [Google Scholar] [CrossRef]
- Mezghani, M.; Fallatah, M.; AbuBshait, A. From drone-based remote sensing to digital outcrop modeling: Integrated workflow for quantitative outcrop interpretation. J. Remote Sens. GIS 2018, 7. [Google Scholar] [CrossRef]
- Moody, J.D.; Pyles, D.R.; Clark, J.; Bouroullec, R. Quantitative outcrop characterization of an analog to weakly confined submarine channel systems: Morillo 1 member, Ainsa Basin, Spain. AAPG Bull. 2012, 96, 1813–1841. [Google Scholar] [CrossRef]
- Fabuel-Perez, I.; Hodgetts, D.; Redfern, J. Integration of digital outcrop models (DOMs) and high resolution sedimentology–workflow and implications for geological modelling: Oukaimeden Sandstone Formation, High Atlas (Morocco). Pet. Geosci. 2010, 16, 133–154. [Google Scholar] [CrossRef]
- Eschard, R.; Doligez, B.; Beucher, H. Using quantitative outcrop databases as a guide for geological reservoir modelling. In Geostatistics Rio 2000; Springer: Berlin/Heidelberg, Germany, 2002; pp. 7–17. [Google Scholar]
- Baas, J.H.; McCaffrey, W.D.; Knipe, R.J. The Deep-Water Architecture Knowledge Base: Towards an objective comparison of deep-marine sedimentary systems. Pet. Geosci. 2005, 11, 309–320. [Google Scholar] [CrossRef]
- Cullis, S.; Patacci, M.; Colombera, L.; Buhrig, L.; McCaffrey, W.D. A database solution for the quantitative characterisation and comparison of deep-marine siliciclastic depositional systems. Mar. Pet. Geol. 2019, 102, 321–339. [Google Scholar] [CrossRef]
- Żytko, K.; Zając, R.; Gucik, S.; Ryłko, W.; Oszczypko, N.; Garlicka, I.; Nemčok, J.; Eliáš, M.; Menčik, E.; Stránik, Z.; et al. Geological Map of the Western Outer Carpathians and their foreland without Quaternary formations, 1:500,000. In Geological Atlas of the Western Outer Carpathians and Their Foreland; Poprawa, D., Nemčok, J., Eds.; Państwowy Instytut Geologiczny/Polish Geological Institute: Warszawa, Poland, 1989; pp. 1–7. [Google Scholar]
- Golonka, J.; Picha, F.J. (Eds.) The Carpathians and Their Foreland: Geology and Hydrocarbon Resources; The American Associationo of Petroleum Geologists: Tulsa, OK, USA, 2006; Volume 84, p. 848. [Google Scholar]
- Oszczypko, N. The structural position and tectonosedimentary evolution of the Polish Outer Carpathians. Przegląd Geol. 2004, 52, 780–791. [Google Scholar]
- Wendorff, M. Sedimentation of the Krosno Beds. In IAS 7th European Meeting (Krakow, Poland); Teisseyre, A.K., Ed.; International Association of Sedimentologists & Polish Academy of Sciences, Ossolineum: Wrocław, Poland, 1986; pp. 131–140. [Google Scholar]
- Cullis, S.; Colombera, L.; Patacci, M.; McCaffrey, W.D. Hierarchical classifications of the sedimentary architecture of deep-marine depositional systems. Earth-Sci. Rev. 2018, 179, 38–71. [Google Scholar] [CrossRef]
- Mutti, E.; Bernoulli, D.; Lucchi, F.R.; Tinterri, R. Turbidites and turbidity currents from Alpine ‘flysch’ to the exploration of continental margins. Sedimentology 2009, 56, 267–318. [Google Scholar] [CrossRef]
- Mutti, E.; Ricci Lucchi, F. Le torbiditi dell’Appennino settentrionale: Introduzione all’analisi di facies. Mem. Soc. Geol. Ital. 1972, 11, 161–199, (English translation by T.H. Nilsen: Turbidites of the northern Apennines: Introduction to facies analysis. 1978. Int. Geol. Rev., 1920, pp. 1125–1166). [Google Scholar]
- Shanmugam, G. Submarine fans: A critical retrospective (1950–2015). J. Palaeogeogr. 2016, 5, 110–184. [Google Scholar] [CrossRef]
- Ingram, R.L. Terminology for the thickness of stratification and parting units in sedimentary rocks. Geol. Soc. Am. Bull. 1954, 65, 937–938. [Google Scholar] [CrossRef]
- Davis, J.C. Statistics and Data Analysis in Geology; Wiley: Hoboken, NJ, USA, 2002. [Google Scholar]
- Miller, R.L.; Kahn, J.S. Statisticalanalysis in Geological Sciences; Wiley & Sons: Hoboken, NJ, USA, 1962. [Google Scholar]
- Bojanowski, M.J.; Ciurej, A.; Haczewski, G.; Jokubauskas, P.; Schouten, S.; Tyszka, J.; Bijl, P.K. The Central Paratethys during Oligocene as an ancient counterpart of the present-day Black Sea: Unique records from the coccolith limestones. Mar. Geol. 2018, 403, 301–328. [Google Scholar] [CrossRef]
- Koszarski, L.; Zytko, K. Lupki jasielskie w serii menilitowo-kro?nieńskiej Karpat Srodkowych. Biul. Inst. Geol. 1961, 166, 83–213. [Google Scholar]
- Dżułyński, S.; Slaczka, A. Sedymentacja i wskazniki kierunkowe transportu w warstwach krosnienskich (Sedimentation and directional structures in the Krosno Beds, Carpathian flysch. Ann. Soc. Geol. Pol. 1958, 28, 205–260. [Google Scholar]
- Ślączka, A. Stratigraphy of the Bystre Scale–Middle Carpathians. Biul. Inst. Geol. 1959, 131, 203–286, (In Polish, With English Summary). [Google Scholar]
- Żytko, K. Correlation of the main structural units of the Western and Eastern Carpathians. Prace Państw. Inst. Geol. 1999, 168, 135–164, (In Polish, English Summary). [Google Scholar]
- Jucha, S. Lupki jasielskie, ich znaczenie dla stratygrafii i sedymentologii serii menilitowo-krosnienskiej. Pr. Geol. PAN 1969, 52, 128. [Google Scholar]
- Jankowski, L.; Kopciowski, R.; Ryłko, W.; Danysh, V.; Tsarnenko, P.; Janocko, J.; Jacko, S. Geological Map of the Outer Carpathians: Borderlands of Poland, Ukraine and Slovakia; 1:200,000; Polish Geological Institute: Warszawa, Poland, 2007. [Google Scholar]
- Wdowiarz, S.; Zubrzycki, A.; Frysztak-Wołkowska, A. Detailed Geological Map of Poland, 1:50,000, Rymanów Degree Sheet (1040); Polish Geological Institute: Warszawa, Poland, 1988. [Google Scholar]
- Ślączka, A. Geological schematic map of of Besko-Rudawka Rymanowsk region to field trip no. 6 (modified from Wdowiarz, S.). In Geological Guide to Eastern Carpathians of Poland (in Polish: Przewodnik Geologiczny po Wschodnich Karpatach Fliszowych); Żytko, K., Gucik, S., Ślączka, A., Eds.; Wydawnictwa Geologiczne: Warszawa, Poland, 1973; p. 222. [Google Scholar]
- Kneller, B.; McCaffrey, W. The interpretation of vertical sequences in turbidite beds: The influence of longitudinal flow structure. J. Sediment. Res. 2003, 73, 706–713. [Google Scholar] [CrossRef]
- Baas, J.H.; Van Kesteren, W.; Postma, G. Deposits of depletive high-density turbidity currents: A flume analogue of bed geometry, structure and texture. Sedimentology 2004, 51, 1053–1088. [Google Scholar] [CrossRef]
Disclaimer/Publisher’s Note: The statements, opinions and data contained in all publications are solely those of the individual author(s) and contributor(s) and not of MDPI and/or the editor(s). MDPI and/or the editor(s) disclaim responsibility for any injury to people or property resulting from any ideas, methods, instructions or products referred to in the content. |
© 2023 by the authors. Licensee MDPI, Basel, Switzerland. This article is an open access article distributed under the terms and conditions of the Creative Commons Attribution (CC BY) license (https://creativecommons.org/licenses/by/4.0/).



