Abstract
Biochar prepared from agricultural waste resource coconut shells was used as the original charcoal, which was oxidatively modified and characterized using batch adsorption tests before and after modification by SEM, FTIR, surface area, and elemental analyses. The removal capacity and adsorption mechanism of the modified biochar for Pb2+ and Cd2+ in water were investigated, and its adsorption kinetics and thermodynamics were discussed. The findings demonstrated that the specific surface area of potassium permanganate and nitric acid-modified coconut shell carbon (MHBC) is 3.02 times than that of the coconut shell carbon (BC). The kinetic data of adsorption of Pb2+ and Cd2+ on MHBC were more in accordance with the pseudo-second order kinetic model, indicating that chemical adsorption played a dominant role, and the adsorption rate gradually tended to balance with a decrease in solution ion concentration. The isothermal thermodynamic data of the adsorption of Pb2+ and Cd2+ by MHBC conformed to the Langmuir model. At pH = 5.5, the maximum adsorption capacities of Pb2+ and Cd2+ were 160.41 mg·g−1 and 47.46 mg·g−1, respectively. Thermodynamic parameter fitting showed that the process of adsorption of Pb2+ and Cd2+ by MHBC is a spontaneous endothermic reaction. The higher the temperature is, the stronger the adsorption capacity is. When the ions coexist, Pb2+ and Cd2+ have obvious competitive adsorption, and Pb2+ has a significant competitive advantage. Among them, MHBC has high adsorption and good reusability for Pb2+ and Cd2+, and has good practical application prospects.
1. Introduction
With the rapid development of the industrial and agricultural economy and the intensified pace of urbanization, environmental heavy metal pollution has become one of the major environmental issues in China; in particular, the pollution situation involving lead (Pb) and cadmium (Cd) has become increasingly severe [1,2]. Pb, Cd, and their compounds enter into the food chain through bioconcentration and biomagnification, which endanger the survival of plants and animals and the ecological environment, and consequently have a negative impact on human health and life activities [3,4]. At the same time, these processes cause serious economic losses. According to incomplete statistics, the direct economic loss caused by heavy metal pollution in water bodies in China has exceeded CNY 20 billion every year since 2014 [5,6,7,8]. Therefore, the control of Pb and Cd pollution in the aquatic environment has attracted increasing attention [9]. Adsorption and precipitation are the most common methods to remove heavy metals from the water environment, which have the characteristics of low cost, simple operation, and renewability [10,11,12,13]. At present, the development of adsorption materials with high adsorption capacities for Pb and Cd is one of the key issues in the field of remediation of heavy metal pollution in water.
Biochar is a kind of porous carbon-rich material made by the pyrolysis of biomass under oxygen-limiting conditions [14]. Numerous studies have revealed that biochar is a good adsorption material, and can effectively adsorb heavy metals in the environment [15,16,17,18]. Doumer [19] studied biochar prepared with bagasse and coconut shells as raw materials, which can remove up to 95% of Cd2+ and Pb2+ in water. The adsorption of heavy metals by biochar is related to their physicochemical properties; it has a large specific surface area, rich pore structure, diverse surface functional groups, and a large ion exchange capacity [20,21]. The specific surface area and pore structure of biochar are driven by pyrolysis conditions such as pyrolysis temperature and residence time [18,22,23]. However, in the production process, it is easy to mix with impurities to produce coating, which affect the original structure and physical and chemical properties, thus reducing its ability to adsorb heavy metals. Some studies have shown that chemical modification can optimize the physicochemical properties and enhance the adsorption capacity of biochar. Peng et al. [24] studied the adsorption of phosphoric acid-modified pine sawdust biochar on Cd2+ and Cu2+ in water. After modification, the number of oxygen-containing functional groups and the specific surface area were increased, and the affinity for heavy metal ions was improved. Nicola et al. [25] made a magnetic composite material wrapped with silica. The maximum adsorption capacity of this material to Pb2+ in aqueous solution reached 14.9 mg·g−1, and had a low cost advantage. Wongrod et al. [26] studied the adsorption of Pb2+ in water by KOH-modified biochar, which increased the specific surface area, cation exchange capacity, and pH value of biological carbon at the zero charge point, and the adsorption capacity increased by 45.21% after modification. Ianasi et al. [27] synthesized a magnetic nanocomposite material for the removal of Cd2+ in aqueous solution. The highest specific surface area of the material reached 680 m2·g−1, and the main adsorption was monolayer adsorption. Li et al. [28] investigated the adsorption mechanism of KMnO4-modified biochar on U(VI), and the increase in oxygen-containing functional groups improved the renewability of the biochar. Salam et al. [29] studied the desorption of Cd2+ in aqueous solution by new nano-sized zero-valent iron nanoparticles. In addition to the first-order and second-order chemical kinetics, there are two paths or two reactions in the adsorption process. El-Banna et al. [30] studied the removal effect of nitric acid and potassium permanganate-modified biochar on the toxicity of Pb2+-stressed aquatic plants, and the affinity of the modified biochar for Pb2+ was significantly increased.
The coconut shell is a rich resource from tropical agricultural waste [31,32], and its unreasonable utilization easily leads to resource waste and environmental pollution. However, when it is used in biochar preparation for resource utilization, it offers a wide range of raw materials, a moderate price, reproducibility, and good environmental performance. The adsorption impact of coconut shell carbon on heavy metal ions is substantial. The adsorption effect of coconut shell carbon on Li+ in water increased by 39.28 mg·g−1 through MnO2 modification [33], and the removal rate of Cd2+ in soil by coconut shell carbon treated by pickling and ultrasound increased by 30.1% [34]. The modification of biochar with ammonia and nitric acid increased the adsorption capacity of Pb2+ by 113.1% [35]. Therefore, the preparation of biochar from coconut husks as a raw material for the treatment of heavy metals in polluted water has good effects, which are of great practical significance while reducing environmental pollution.
In summary, in order to improve the utilization of agricultural waste resources, it is necessary to optimize the adsorption performance of coconut shell carbon for Pb2+ and Cd2+ in water, simplify the operation steps, and speed up the adsorption process. This study used potassium permanganate and nitric acid to prepare MHBC, investigated the removal performance of MHBC for Pb2+ and Cd2+ in a water environment, and analyzed the adsorption capacity of MHBC for Pb2+ and Cd2+ in an agricultural water environment via characterization. The effects of the amount of MHBC, temperature, initial pH, and competing ions on the removal efficiency of Pb2+ and Cd2+ were studied. The repeated utilization of MHBC was evaluated using adsorption resolution.
2. Materials and Methods
2.1. Test Materials
The coconut shells (purchased from Hainan coconut products factory) were washed with deionized water, dried in an oven (DHG-89F, CN) at 105 °C to a constant weight, ground, placed into a crucible, and then carbonized (QXL-201, CN) at 500 °C (heating rate of 10 °C·min−1) in a muffle furnace for 2 h. Nitrogen was introduced as a protective gas during the process. Then, the product was cooled to room temperature, removed, and ground through a 100-mesh screen to obtain BC, which was dried and stored for future use.
An amount of 10 g of coconut shell carbon was weighed, impregnated into 1000 mL of a certain concentration of a potassium permanganate and nitric acid mixture solution, then placed on a constant temperature shaking table (TS-211b, CN) that shook at 25 °C for 24 h. The product after impregnation was repeatedly cleaned with ultra-pure water to neutral, and then placed in an oven to dry at 105 °C to a constant weight to become the modified coconut shell carbon (MHBC) and stored for future use.
An appropriate amount of Pb (NO3)2 and Cd (NO3)2 were dissolved in 1000 mL of pure water to prepare the 2000 mg·L−1 Pb2+ and Cd2+ reserve solution; then, the reserve solution was diluted with deionized water to form the required Pb2+ and Cd2+ working solution.
In order to optimize the modification process of MHBC, different ratios of potassium permanganate and nitric acid were set. MH1, MH2, and MH3 mean that the ratios of KMnO4:HNO3 = 0.3:1.0, 0.3:2.0,0.3:3.0 mol·L−1, respectively. The removal rate of the Pb2+ and Cd2+ single-system solution was used as the reference index to determine the MHBC optimization conditions, using the single factor cross test.
2.2. Characterization of Biochar
An FEI Quanta200 scanning electron microscope (SEM) was used to show the morphological composition of the coconut shell charcoal before and after modification, and FTIR (Nicolet Nexus 470, Thermo electric Ltd., Waltham, MA, USA) was used to scan the coconut shell charcoal at 400~4000 cm−1 to analyze the functional group changes of coconut shell charcoal before and after modification. The specific surface area and pore size of the coconut shell charcoal before and after modification were analyzed by a specific surface area analyzer; the main constituent elements of coconut shell charcoal before and after modification were determined by an element analyzer (Vario EL Ⅲ, GER); the zeta potential value was measured with a zeta potential tester (SurPASS 3, AT); and the content of oxygen-containing functional groups on the surface was determined via Boehm titration.
2.3. Adsorption Experiment
The adsorption of Pb2+ and Cd2+ in solution by MHBC was studied using batch experiments, and the experiments were repeated 3 times in each group. Unless otherwise specified, the experiment mixed MHBC with the diluted Pb2+ and Cd2+ single-system solution at a solid–liquid ratio of 1.25 g·L−1 at 25 C and pH = 5.5 (The Pb2+ and Cd2+ single-system solution were diluted to 200 mg·L−1, and then 40 mL mixed with 50 mg of MHBC, respectively), oscillated at 160 rpm on a constant temperature oscillating shaker for 12 h; then, the filtrate was collected using a membrane separation method. The residual Pb2+ and Cd2+ were determined with an inductively coupled plasma atomic emission spectrometer (ICP-OES, Agilent710, Agilent Technologies Ltd., Santa Clara, CA, USA). The adsorption amount and rates of MHBC for Pb2+ and Cd2+ are calculated by Equations (1) and (2), respectively:
In the equation, is the adsorption amount at equilibrium, in mg·g−1, and are the initial and equilibrium concentrations of Pb2+ and Cd2+, mg·L−1, is the solution volume, L, and is the amount of adsorbent added, g.
The adsorption kinetics tests were sampled in 5–720 min and analyzed using the pseudo-first-order model, the pseudo-second-order model, and the Weber–Morris model.
The pseudo-first-order model is represented as follows:
The pseudo-second-order model is as follows:
The Weber–Morris is represented as the following:
In the equation, is the equilibrium adsorption amount, in mg·g−1. is the adsorption capacity at time, in mg·g−1. is the intra-particle diffusion rate constant, in mg·g−1·h−1/2. is the pseudo-first-order adsorption kinetic rate constant, in h−1. is the pseudo-second-order adsorption kinetic rate constant, in g·mg−1·h−1. is the adsorption time, h. is a constant.
The concentration of Pb2+ and Cd2+ in the initial solution was adjusted to 25–200 mg·L−1 at 25 °C, 35 °C, 45 °C, and 55 °C, respectively. The isothermal adsorption was tested using the Langmuir and Freundlich models.
The Langmuir model is as follows:
The Freundlich model is as follows:
In the equation, is the solution concentration at adsorption equilibrium, in mg·L−1, is the equilibrium adsorption amount, in mg·g−1, is the saturated adsorption amount of adsorbate monolayer, in mg·g−1, is the affinity between adsorbents and adsorbates, in L·mg−1; is the adsorption equilibrium constant, in mg·g−1. is the adsorption intensity.
The adsorption thermodynamics were analyzed using the thermodynamic model to solve the standard Gibbs free energy of adsorption reaction:
In the equation, is the Gibbs free energy, in kJ·mol−1. is the ideal gas constant, 8.314 J·mol−1·k−1. is the absolute temperature, in K. is the adsorption equilibrium constant. is the reaction entropy change, in kJ·mol−1; is the reaction enthalpy change, in J·mol−1 k−1.
Another important characteristic parameter of the Langmuir isothermal adsorption model is a dimensionless parameter similar to the equilibrium constant, which can be used to predict the suitability of adsorption reactions:
In the equation, is the Langmuir constant. is the initial concentration of Pb2+ and Cd2+.
In order to investigate the effect of the amount of MHBC on the adsorption of Pb2+ and Cd2+ in solution, the solid–liquid ratio of MHBC was adjusted to 0.25–2.75 g·L−1 (the gradient is 0.50 g·L−1).
In order to study the effect of pH on the adsorption of Pb2+ and Cd2+ in solution, the experiment was carried out by adjusting the initial pH of the solution to 2.0–6.0 (the gradient is 1.0) with a small amount of 0.1 mol·L−1 HNO3 and NaOH.
In order to investigate how ionic strength affects the adsorption of Pb2+ and Cd2+ in solution, the concentration of NaNO3 was adjusted to 0–0.30 mol·L−1 (the gradient is 0.05 mol·L−1).
In order to research the repeatable utilization rate of MHBC, MHBC after adsorption equilibrium was separated from the ionic solution, washed with deionized water 3 times, and 0.10 mol·L−1 HCl was used as the desorption agent to cycle five times of adsorption and desorption.
3. Results and Discussion
3.1. Determination of Optimal MHBC Conditions
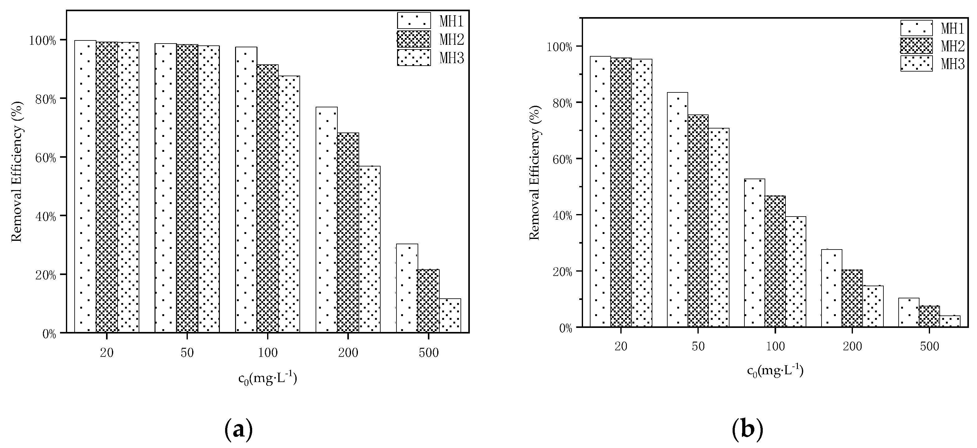
As shown in Figure 1, when the initial concentration was 20–500 mg·L−1, the MHBC modified by the ratio of 0.3 mol·L−1 potassium permanganate and 1 mol·L−1 nitric acid always maintained a high adsorption rate of Pb2+ and Cb2+ in water. There was a tendency for the adsorption rate to decrease with increasing initial and nitric acid concentrations, but there was no significant difference between MH1, MH2, and MH3, indicating that the increase in nitric acid concentration did not significantly promote the adsorption of Pb2+ and Cd2+ in water; this may be because the high concentration of nitric acid can improve the hydrophobicity of BC [36]. Considering the adsorption effect and cost savings of the material, the best ratio of potassium permanganate and nitric acid was determined to be 0.3: 1.0 mol·L−1; this was used to carry out subsequent batch adsorption experiments.
Figure 1.
Effect of MHBC with different concentration ratios of potassium permanganate and nitric acid on Pb2+ (a) and Cd2+ (b) at 25 °C and pH = 5.5.
3.2. Characterization
The SEM images of BC and MHBC were analyzed and compared. As shown in Figure 2, the surface of BC is porous and relatively smooth, which is a common feature of pyrolytic biochar [37,38]. The surface of MHBC is relatively rough and has more irregular ultra-fine particles, which can provide more adsorption sites to improve the adsorption capacity of MHBC.
Figure 2.
SEM images of BC (a) and MHBC (b).
There are a number of important factors that affect the adsorption energy of MHBC, such as the specific surface area, pore size, and pore volume [39]. As shown in Table 1, the specific surface area of MHBC (475.36 m2·g−1) increased noticeably, which is 3.02 times the specific surface area of BC (157.46 m2·g−1), but not higher than 500 m2·g−1, indicating that the main adsorption of MHBC does not depend on pores. The pore volume of MHBC increased, but the pore size decreased, which indicates that the modification not only increases the external area by reducing the pore size, but also improves the internal structure of BC and increases the internal surface area, forming a complex adsorption structure [40,41].
Table 1.
Elemental composition and surface morphology parameters of BC and MHBC.
H/C and (O + N)/C molar ratios can be used to characterize the aromaticity and polarity of adsorbents. The lower the H/C value, the higher the aromaticity of the material, while a lower (O + N)/C value indicates a higher non-polarity of the material [42,43,44,45]. As shown in Table 1, the H/C ratio of modified MHBC decreased, indicating that the aromaticity of BC improved after modification, while the ratios of O/C and (O + N)/C increased, indicating that the polarity of MHBC increased and the oxygen-containing functional groups increased.
It can be seen from Figure 3 that the modification has a significant effect on the oxygen-containing functional groups on the surface of BC. The absorption peak near the wavenumber 3436 cm−1 is attributed to the stretching vibration of -OH [46], indicating that the oxygen-containing functional groups, such as hydroxyl groups in the modified MHBC, increased. The absorption peak near the wavenumber of 1627 cm−1 is attributed to the residual intermolecular water [47], and the absorption peak near the wavenumbers of 1383 cm−1 and 1127 cm−1 are the stretching vibrations of various aromatic ethers or O-H and C-O, indicating that the modified MHBC has a good aromatic structure [48]. The appearance of the wavenumber at 2169 cm−1 indicates C≡C stretching vibration [49,50].
Figure 3.
FTIR spectra of BC and MHBC.
The results of the oxygen-containing functional group (OFG) contained in BC and MHBC measured with Boehm titration are shown in Table 2. Compared with BC, the contents of hydroxyl, internal lipid, and carboxyl functional groups in MHBC increased by 0.25, 0.31, and 0.08 mmol·g−1, respectively, which is consistent with the results of the FTIR analysis. The oxygen-containing functional groups on the surface of MHBC are more abundant, and can react better with Pb2+ and Cd2+. The possible chemical reactions are as follows:
2R-OH + M2+ → (R-O) 2M + 2H2+
2R-COOH + M2+ → (R-COOH) 2M + 2H2+
2R-COOH + M2+ → (R-COOH) 2M + 2H2+
Table 2.
Boehm titration results of BC and MHBC.
3.3. Optimization of MHBC Dose
As shown in Figure 4, as the solid–liquid ratio of MHBC increased from 0.25 g·L−1 to 2.75 g·L−1; the removal efficiency of Pb2+ and Cd2+ increased gradually because at a certain initial ion concentration, increasing the use of adsorbents can provide a larger surface area or more adsorption sites, which was similar to most materials for adsorbing pollutants. However, beyond 1.25 g·L−1, the increasing rate of removal rate decreased noticeably. Considering the adsorption effect and cost savings of the materials, the optimum solid–liquid ratio of MHBC was determined to be 1.25 g·L−1, and the follow-up batch adsorption experiments were carried out.
Figure 4.
Effect of MHBC dose on Pb2+ and Cd2+.
3.4. Adsorption Kinetics
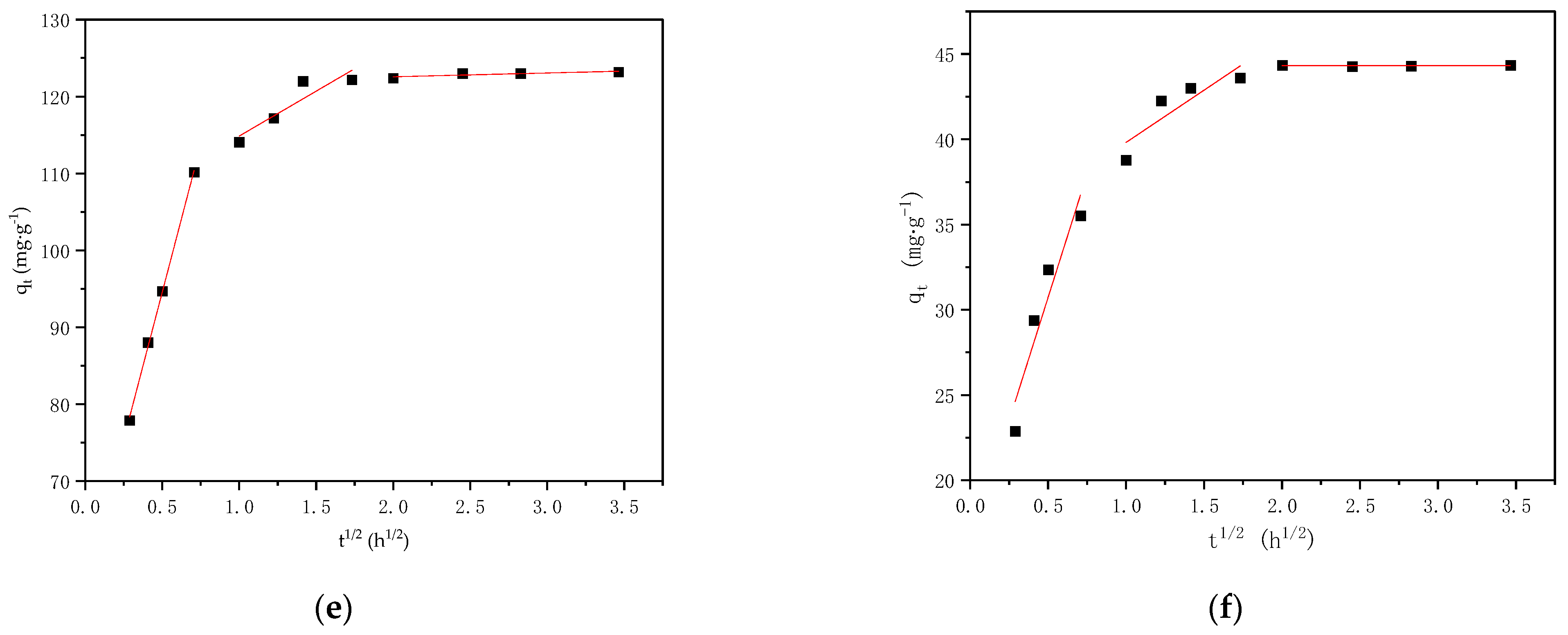
The adsorption kinetics curve describes the effects of various factors on the adsorption rate of MHBC. The adsorption kinetics curve of MHBC adsorption of the Pb2+ and Cd2+, pseudo-first-order model, the pseudo-second-order model, and the Weber–Morris model were fitted to the adsorption kinetic data of Pb2+ and Cd2+, as shown in Figure 5, and the fitting data are shown in Table 3 and Table 4. When the ratio of solid to liquid was 1.25 g·L−1, and the initial pH = 5.5, the initial concentration of the Pb2+ and Cd2+ solution was 200 mg·L−1, the adsorption rates of Pb2+ and Cd2+ on MHBC increased rapidly, then decreased gradually and tended to be stable, in which the adsorption equilibrium of Pb2+ was reached at 2 h, and that of Cd2+ was reached at 4 h.

Figure 5.
Experimental kinetic data for absorption of Pb2+ and Cd2+ by MHBC and their fitting to the kinetic model. (a) Pseudo-first-order model for adsorption of Pb2+, (b) pseudo-first-order for adsorption of Cd2+, (c) pseudo-second-order model for adsorption of Pb2+, (d) pseudo-second-order model for adsorption of Cd2+, (e) Weber–Morris model for adsorption of Pb2+, (f) Weber–Morris model for adsorption of Cd2+.
Table 3.
The pseudo-first-order and the pseudo-second-order kinetics parameters of Pb2+ and Cd2+ sorption on the MHBC.
Table 4.
The Weber–Morris model kinetics parameters of Pb2+ and Cd2+ sorption on the MHBC.
The pseudo-first-order kinetic model mainly represents an adsorption process controlled by the diffusion motion of boundary molecules, whereas the pseudo-second-order model assumes that the adsorption rate is controlled by chemical mechanisms and considers that there is electron transfer and sharing between adsorbates and adsorbents [51,52,53,54]. The correlation coefficient R2 shows that the best model that fits the adsorption data is the pseudo-second-order kinetic adsorption model (the R2 of Pb2+ and Cd2+ is 0.999). The maximum adsorption capacity fitted by the pseudo-second-order kinetic model (123.92 and 44.80 mg·g−1 for Pb2+ and Cd2+, respectively) is also closer to the experimental results (123.20 and 44.39 mg·g−1 for Pb2+ and Cd2+, respectively). Therefore, the means of adsorption of the Pb2+ and Cd2+ solution by MHBC tended to be chemical adsorption [55].
The Weber–Morris model is suitable for the adsorption process with the change in adsorption rate [56]. According to the linear relationship between and , the adsorption of the Pb2+ and Cd2+ single-system solution by MHBC can be divided into three stages. The initial stage is the external diffusion stage, and there are a large number of adsorption sites on the surface of the MHBC. At the same time, there is a large difference in the ion concentrations between the outer surface and the interior of the MHBC, so Pb2+ and Cd2+ spread rapidly to the surface of the MHBC and are adsorbed rapidly. The second stage is the intra-particle diffusion stage; the adsorption process begins to spread to the interior of the MHBC and further reacts with the internal active sites of the MHBC, but due to the saturation of surface adsorption and the enhancement of the inward diffusion blocking force, this process is relatively slow. The intra-particle diffusion stage diagram does not pass through the origin, indicating that the adsorption rate is not only affected by intra-particle diffusion. In the later stage, the adsorption gradually tends to equilibrium as ion concentration in the solution decreases [57,58,59].
3.5. Adsorption Thermodynamics
The isothermal adsorption model is a mathematical model that describes the morphological distribution of adsorbates in solid and liquid phases; it is used to fit the relationship between the ion content on the adsorbent and the equilibrium ion concentration of the solution. The adsorption isotherms of Pb2+ and Cd2+ on MHBC are L-shaped, indicating that the adsorption is gradually saturated, and MHBC has a limited adsorption capacity. The isotherm data were simulated with the Langmuir and Freundlich models, the results of the fitting parameters are summarized in Table 5 and Table 6, and the fitting curve is shown in Figure 6.
Table 5.
Isothermal sorption parameters of Pb2+ sorption on the MHBC.
Table 6.
Isothermal sorption parameters of Cd2+ sorption on the MHBC.
Figure 6.
Experimental isotherm data of Pb2+ and Cd2+ uptake by MHBC and their fit to the Langmuir model and the Freundlich model: Langmuir model for adsorption of Pb2+ (a) and Cd2+ (b), Freundlich model for adsorption of Pb2+ (c) and Cd2+ (d), thermodynamic parameter fitting for adsorption of Pb2+ (e) and Cd2+ (f).
The adsorption constant of the Langmuir model increases with an increase in reaction temperature, showing that the affinity of MHBC adsorbent with Pb2+ and Cd2+ in solution is higher at high temperature, and it is easier to immobilize free Pb2+ and Cd2+ by the adsorption reaction. The Freundlich adsorption constant increases sequentially with an increase in temperature, which is consistent with the change in the Langmuir model adsorption constant ; that is, higher temperatures help the adsorption reaction to take place. The value reflects the intensity of the adsorption reaction, and the value is in the range of 3.807–6.878, and is less than 1, showing that the adsorption of Pb2+ and Cd2+ is an ideal adsorption process that easily occurs [60,61].
In the range of 25–55 °C, the correlation coefficients of the Langmuir isotherms fitting (R2 of Pb2+ and Cd2+ = 0.958–0.993 and 0.941–0.968) are more accurate than those of the Freundlich isotherms (R2 of Pb2+ and Cd2+ = 0.833–0.896 and 0.872–0.886), which indicates that the Langmuir isotherms can better describe the adsorption of Pb2+ and Cd2+ by MHBC. The adsorption of Pb2+ and Cd2+ is a single chemical adsorption layer on the surface of the adsorbents with uniform adsorption sites [62,63,64].
In this study, the (0.42–0.88) of Pb2+ and the (0.24–0.75) of Cd2+ were between 0 and 1, which further indicates that the adsorption of Pb2+ and Cd2+ is a suitable process [65].
The isothermal adsorption experiments show that a change in temperature will significantly affect the adsorption process of Pb2+ and Cd2+ by MHBC. Each thermodynamic parameter is closely linked to the practical application of the adsorption process, characterizing the change in energy internal to the adsorbent and the product in the reaction process. The change during the reaction is important evidence that reveals whether the adsorption process is spontaneous or not. Table 6 shows the of the adsorption reaction calculated according to the equilibrium adsorption constant of the Langmuir isothermal adsorption model at different reaction temperatures.
Table 7 shows the of the adsorption reaction calculated according to the equilibrium adsorption constant of the Langmuir isothermal adsorption model at different reaction temperatures. is negative, indicating that the adsorption process is spontaneous. With an increase in temperature, decreases, indicating a stronger adsorption capacity. The enthalpy change of the reaction is positive, indicating that the adsorption process is an endothermic reaction, and an increase in temperature increases the voids or active sites on the surface of the adsorbent, thus promoting rapid occurrence of the adsorption process [65,66,67]. Through the results, it was proven that the adsorption characteristic constant of Langmuir model, the adsorption constant of Freundlich model, and the adsorption capacity increased with increasing reaction temperature. In terms of the adsorption kinetics, Pb2+, and Cd2+ have almost the same charge, but the adsorption rate of Pb2+ is twice as fast as that of Cd2+. This is probably due to the higher enthalpy of Pb2+, which increases its chemical adsorption rate, while that of Cd2+ is relatively weak. The positive value of the entropy change also proved there was an increase in the percentage of free active sites on the solid–liquid reaction interface during the adsorption of Pb2+ and Cd2+ by MHBC [61,65,68].
Table 7.
Thermodynamic parameters of Pb2+ and Cd2+ sorption onto the MHBC.
3.6. pH
The pH value of the solution will affect the surface functional groups, charge, and metal ion morphology of the adsorbent, and then affect the ion exchange and precipitation reaction [69]. Figure 7 shows that the initial pH significantly affects the adsorption of Pb2+ and Cd2+ by MHBC. As shown in Figure 7, with an increase in pH, the adsorption capacity of MHBC to Pb2+ and Cd2+ increases gradually, and when the initial pH value is lower than 3.5, the adsorption capacity of Pb2+ and Cd2+ is relatively low, which may be due to the fact that at low pH values, a large number of H3O+ and H+ occupy the adsorption sites on the MHBC surface, making H3O+ and H+ adsorption competitors [70,71].
Figure 7.
(a) Effect of initial pH on Pb2+ and Cd2+ adsorption for MHBC. (b) The relationship between zeta potential and pH value of MHBC.
With an increase in the pH value (pH = 3.5–5.5), the competitive adsorption of H3O+ and H+ decreased, and consequently the adsorption capacity of MHBC for Pb2+ and Cd2+ increased sharply; the adsorption capacities increased from 42.73 mg·g−1 to 123.18 mg·g−1 and 14.27 mg·g−1 to 44.39 mg·g−1, respectively. When the pH is greater than 6.5, Pb2+ and Cd2+ exist mainly in the form of hydroxide, so there is no weak alkali environment in this experiment, and many researchers have come to the same conclusion in the adsorption experiments of Pb2+ and Cd2+ [21,24,48,64,72,73].
The zeta potential value can describe the effect of pH on Pb2+ and Cd2+ adsorption. Figure 7 shows that the zeta potential value of MHBC is 6.77. During the adsorption process, the zeta of MHBC is higher than the optimal pH of the Pb2+ and Cd2+ solution (pH = 5.5), which means that the surface of the MHBC is always positively charged and will electrostatically repel the positively charged Pb2+ and Cd2+; howe er, MHBC has a high affinity for Pb2+ and Cd2+, indicating that electrostatic attraction may not be the main adsorption mechanism, and that the main adsorption mechanism should be a chemical process [74,75].
3.7. Coexisting Ion
The existence of cations may affect the adsorption capacity of the materials. In order to investigate the effect of co-cations on the adsorption equilibrium of Pb2+ and Cd2+, the batch adsorption of K+, Na+, Ca2+, and the Pb2+ and Cd2+ was performed.
As shown in Figure 8, the adsorption capacity of MHBC on Pb2+ and Cd2+ decreased as the concentrations of K+ and Na+ increased from 0.01 mol·L−1 to 5 mol·L−1, but the changes were not significant, indicating that there was no obvious competition between K+ and Na+ on the adsorption of Pb2+ and Cd2+ on the adsorbent surface. The adsorption capacity of MHBC on Pb2+ and Cd2+ was not affected by K+ and Na+.
Figure 8.
Effect of coexisting cations on Pb2+(a) and Cd2+(b) adsorption for MHBC.
When the concentration of Ca2+ exceeded 1 mol·L−1, the adsorption capacity of MHBC on Pb2+ did not change significantly, but significantly affected the adsorption capacity of MHBC on Cd2+; the adsorption capacity decreased from 45.36 mg·g−1 to 38.47 mg·g−1, which may be due to the weak covalent nature of Ca2+, resulting in lower hydration of Ca2+ and easier adsorption on the MHBC surface [76].
When Pb2+ and Cd2+ coexisted, an increase in the concentration of Cd2+ had no significant effect on the adsorption of Pb2+, but with an increase in the concentration of Pb2+, the adsorption of Cd2+ decreased from 45.36 mg·g−1 to 4.85 mg·g−1, which decreased by 89.31%; this indicates that there was clear competition between Pb2+ and Cd2+ for adsorption, and Pb2+ had a significant competitive advantage. This may be due to the higher affinity of the hydroxyl and carboxyl groups for Pb2+ in the adsorbent [77], and that Pb2+ has a smaller hydration radius and lower pKH (negative log of hydrolysis constant) than Cd2+. Therefore, Pb2+ is more readily adsorbed by MHBC through surface complexation or adsorption reactions in ion-interference environments [78].
3.8. Reuse
The cycling performance of an adsorbent is very important for practical applications. In order to evaluate the stability of the adsorption capacity of MHBC for Pb2+ and Cd2+, five cycles of adsorption experiments were performed. As shown in Figure 9, the adsorption capacity of MHBC for Pb2+ and Cd2+ decreased with an increasing number of cycles, which is probably due to the structural degradation of the adsorbent and the loss of surface minerals [79]. After the fifth cycle, the adsorption capacities of MHBC for Pb2+ and Cd2+ reached 106.31 mg·g−1 and 39.67 mg·g−1, respectively, which were 88.57% and 85.15% of the initial adsorption capacities, respectively. The results showed that MHBC has good reusability.
Figure 9.
Pb (II) and Cd (II) adsorption–desorption recycle performance.
4. Conclusions
In this study, we prepared MHBC, using potassium permanganate and nitric acid, in order to evaluate the removal capacity of MHBC for Pb2+ and Cd2+ in a single aqueous environment through batch tests. The characterization analysis showed that the MHBC had an increased specific surface, enhanced polarity, and rich oxygen-containing functional groups, which can provide more adsorption sites to improve the adsorption capacity. The adsorption kinetic data showed that Pb2+ and Cd2+ were rapidly adsorbed by MHBC within 1 h, and reached their adsorption equilibria after 2 h and 4 h, respectively. The adsorption thermodynamic adsorption data showed that the adsorption of Pb2+ and Cd2+ by MHBC was monolayer adsorption, which was a spontaneous heat absorption reaction; the higher the temperature, the stronger the adsorption capacity. The maximum adsorption of the Pb2+ and Cd2+ by MHBC reached 160.41 mg·g−1 and 47.46 mg·g−1 at pH = 5.5 and 55 °C, respectively, which had obvious adsorption advantages compared with other adsorption materials [13,14,26,30,51,57,62,78]. The coexistence of K+, Na+, Ca2+, and Cd2+ showed no significant change in the adsorption of Pb2+ by MHBC. However, the adsorption of MHBC on Cd2+ was significantly decreased in the presence of Ca2+ and Pb2+. After five cycles of adsorption analysis, the adsorption amounts of MHBC for Pb2+ and Cd2+ remained at more than 85% of the initial adsorption amounts. MHBC is an economical and green recyclable adsorption material, which can effectively expand its application potential in agricultural water environmental pollution treatment.
Author Contributions
Conceptualization, H.Q. and X.S.; methodology, H.Q. and X.S.; software, H.Q.; validation, H.Q., X.S. and W.G.; investigation, H.Q., X.S., H.S. and W.G.; data curation, H.Q.; writing—original draft preparation, H.Q. and X.S.; writing—review and editing, H.Q., X.S., H.S., W.G. and Y.A.H.; supervision, X.S.; funding acquisition, X.S. All authors have read and agreed to the published version of the manuscript.
Funding
This research was funded by the Jiangsu Province Science and Technology Plan Project (grant number BE2015705).
Data Availability Statement
Not applicable.
Conflicts of Interest
The authors declare no conflict of interest.
References
- Briffa, J.; Sinagra, E.; Blundell, R. Heavy metal pollution in the environment and their toxicological effects on humans. Heliyon 2020, 6, 26. [Google Scholar] [CrossRef]
- Zhong, T.Y.; Xue, D.W.; Zhao, L.M.; Zhang, X.Y. Concentration of heavy metals in vegetables and potential health risk assessment in China. Environ. Geochem. Health 2018, 40, 313–322. [Google Scholar] [CrossRef] [PubMed]
- Wang, L.K.; Mao, X.Y.; Hamoud, Y.A.; Zhu, N.Y.; Shao, X.H.; Wang, Q.L.; Shaghaleh, H. Nitrogen Removal for Low Concentration Ammonium Wastewater by Adsorption, Shortcut Simultaneous Nitrification and Denitrification Process in MBBR. Water 2023, 15, 1334. [Google Scholar] [CrossRef]
- Wang, L.K.; Zhu, N.Y.; Shaghaleh, H.; Mao, X.Y.; Shao, X.H.; Wang, Q.L.; Hamoud, Y.A. The Effect of Functional Ceramsite in a Moving Bed Biofilm Reactor and Its Ammonium Nitrogen Adsorption Mechanism. Water 2023, 15, 1362. [Google Scholar] [CrossRef]
- Li, Z.Y.; Ma, Z.W.; van der Kuijp, T.J.; Yuan, Z.W.; Huang, L. A review of soil heavy metal pollution from mines in China: Pollution and health risk assessment. Sci. Total Environ. 2014, 468, 843–853. [Google Scholar] [CrossRef]
- Burakov, A.E.; Galunin, E.V.; Burakova, I.V.; Kucherova, A.E.; Agarwal, S.; Tkachev, A.G.; Gupta, V.K. Adsorption of heavy metals on conventional and nanostructured materials for wastewater treatment purposes: A review. Ecotoxicol. Environ. Saf. 2018, 148, 702–712. [Google Scholar] [CrossRef] [PubMed]
- Harvey, P.J.; Handley, H.K.; Taylor, M.P. Identification of the sources of metal (lead) contamination in drinking waters in north-eastern Tasmania using lead isotopic compositions. Environ. Sci. Pollut. Res. 2015, 22, 12276–12288. [Google Scholar] [CrossRef]
- Zhu, W.; Wang, J.; Wu, D.; Li, X.; Luo, Y.; Han, C.; Ma, W.; He, S. Investigating the Heavy Metal Adsorption of Mesoporous Silica Materials Prepared by Microwave Synthesis. Nanoscale Res. Lett. 2017, 12, 323. [Google Scholar] [CrossRef]
- Mao, X.Y.; Sun, J.J.; Shaghaleh, H.; Jiang, X.S.; Yu, H.Z.; Zhai, S.M.; Hamoud, Y.A. Environmental Assessment of Soils and Crops Based on Heavy Metal Risk Analysis in Southeastern China. Agronomy 2023, 13, 1107. [Google Scholar] [CrossRef]
- Gopinathan, R.; Bhowal, A.; Garlapati, C. Adsorption Characteristics of Activated Carbon for the Reclamation of Colored Effluents Containing Orange G and New Solid-Liquid Phase Equilibrium Model. J. Chem. Eng. Data 2017, 62, 558–567. [Google Scholar] [CrossRef]
- Grotzner, M.; Melchiors, E.; Schroeder, L.H.; dos Santos, A.R.; Moscon, K.G.; de Andrade, M.A.; Martinelli, S.H.S.; Xavier, C.R. Pulp and Paper Mill Effluent Treated by Combining Coagulation-Flocculation-Sedimentation and Fenton Processes. Water Air Soil Pollut. 2018, 229, 7. [Google Scholar] [CrossRef]
- Jaafarzadeh, N.; Baboli, Z.; Noorimotlagh, Z.; Martinez, S.S.; Ahmadi, M.; Alavi, S.; Mirzaee, S.A. Efficient adsorption of bisphenol A from aqueous solutions using low-cost activated carbons produced from natural and synthetic carbonaceous materials. Desalination Water Treat. 2019, 154, 177–187. [Google Scholar] [CrossRef]
- Karnib, M.; Kabbani, A.; Holail, H.; Olama, Z. Heavy Metals Removal Using Activated Carbon, Silica and Silica Activated Carbon Composite. Energy Procedia 2014, 50, 113–120. [Google Scholar] [CrossRef]
- Fan, Z.; Zhang, Q.; Li, M.; Niu, D.; Sang, W.; Verpoort, F. Investigating the sorption behavior of cadmium from aqueous solution by potassium permanganate-modified biochar: Quantify mechanism and evaluate the modification method. Environ. Sci. Pollut. Res. 2018, 25, 8330–8339. [Google Scholar] [CrossRef] [PubMed]
- Dewage, N.B.; Fowler, R.E.; Pittman, C.U.; Mohan, D.; Mlsna, T. Lead (Pb2+) sorptive removal using chitosan-modified biochar: Batch and fixed-bed studies. RSC Adv. 2018, 8, 25368–25377. [Google Scholar] [CrossRef]
- Dong, L.H.; Liu, W.J.; Jiang, R.F.; Wang, Z.S. Study on the adsorption mechanism of activated carbon removing low concentrations of heavy metals. Desalination Water Treat. 2016, 57, 7812–7822. [Google Scholar] [CrossRef]
- Han, Y.T.; Cao, X.; Ouyang, X.; Sohi, S.P.; Chen, J.W. Adsorption kinetics of magnetic biochar derived from peanut hull on removal of Cr (VI) from aqueous solution: Effects of production conditions and particle size. Chemosphere 2016, 145, 336–341. [Google Scholar] [CrossRef]
- Tomczyk, A.; Sokolowska, Z.; Boguta, P. Biochar physicochemical properties: Pyrolysis temperature and feedstock kind effects. Rev. Environ. Sci. Bio. Technol. 2020, 19, 191–215. [Google Scholar] [CrossRef]
- Doumer, M.E.; Rigol, A.; Vidal, M.; Mangrich, A.S. Removal of Cd, Cu, Pb, and Zn from aqueous solutions by biochars. Environ. Sci. Pollut. Res. 2016, 23, 2684–2692. [Google Scholar] [CrossRef]
- Park, J.H.; Ok, Y.S.; Kim, S.H.; Cho, J.S.; Heo, J.S.; Delaune, R.D.; Seo, D.C. Competitive adsorption of heavy metals onto sesame straw biochar in aqueous solutions. Chemosphere 2016, 142, 77–83. [Google Scholar] [CrossRef]
- Wang, Y.Y.; Liu, Y.X.; Lu, H.H.; Yang, R.Q.; Yang, S.M. Competitive adsorption of Pb(II), Cu(II), and Zn(II) ions onto hydroxyapatite-biochar nanocomposite in aqueous solutions. J. Solid State Chem. 2018, 261, 53–61. [Google Scholar] [CrossRef]
- Lu, S.; Zong, Y. Pore structure and environmental serves of biochars derived from different feedstocks and pyrolysis conditions. Environ. Sci. Pollut. Res. 2018, 25, 30401–30409. [Google Scholar] [CrossRef]
- Kalina, M.; Sovova, S.; Svec, J.; Trudicova, M.; Hajzler, J.; Kubikova, L.; Enev, V. The Effect of Pyrolysis Temperature and the Source Biomass on the Properties of Biochar Produced for the Agronomical Applications as the Soil Conditioner. Materials 2022, 15, 8855. [Google Scholar] [CrossRef]
- Peng, H.B.; Gao, P.; Chu, G.; Pan, B.; Peng, J.H.; Xing, B.S. Enhanced adsorption of Cu(II) and Cd(II) by phosphoric acid-modified biochars. Environ. Pollut. 2017, 229, 846–853. [Google Scholar] [CrossRef]
- Nicola, R.; Costisor, O.; Ciopec, M.; Negrea, A.; Lazau, R.; Ianasi, C.; Piciorus, E.M.; Len, A.; Almasy, L.; Szerb, E.I.; et al. Silica-Coated Magnetic Nanocomposites for Pb2+ Removal from Aqueous Solution. Appl. Sci. 2020, 10, 2726. [Google Scholar] [CrossRef]
- Wongrod, S.; Simon, S.; Guibaud, G.; Lens, P.N.L.; Pechaud, Y.; Huguenot, D.; van Hullebusch, E.D. Lead sorption by biochar produced from digestates: Consequences of chemical modification and washing. J. Environ. Manag. 2018, 219, 277–284. [Google Scholar] [CrossRef] [PubMed]
- Ianasi, C.; Piciorus, M.; Nicola, R.; Ciopec, M.; Negrea, A.; Niznansky, D.; Len, A.; Almasy, L.; Putz, A.M. Removal of cadmium from aqueous solutions using inorganic porous nanocomposites. Korean J. Chem. Eng. 2019, 36, 688–700. [Google Scholar] [CrossRef]
- Li, N.; Yin, M.L.; Tsang, D.C.W.; Yang, S.T.; Liu, J.; Li, X.; Song, G.; Wang, J. Mechanisms of U(VI) removal by biochar derived from Ficus microcarpa aerial root: A comparison between raw and modified biochar. Sci. Total Environ. 2019, 697, 134115. [Google Scholar] [CrossRef]
- Salam, M.A.; Owija, N.Y.; Kosa, S. Removal of the toxic cadmium ions from aqueous solutions by zero-valent iron nanoparticles. Int. J. Environ. Sci. Technol. 2021, 18, 2391–2404. [Google Scholar] [CrossRef]
- El-Banna, M.F.; Mosa, A.; Gao, B.; Yin, X.Q.; Wang, H.Y.; Ahmad, Z. Scavenging effect of oxidized biochar against the phytotoxicity of lead ions on hydroponically grown chicory: An anatomical and ultrastructural investigation. Ecotoxicol. Environ. Saf. 2019, 170, 363–374. [Google Scholar] [CrossRef]
- Boyuan, Y.A.O.; Zhifeng, D.O.U.; Guangmin, H.; Rencheng, L.I.U. Pyrolysis and pyrolysis kinetics of coconut shell, coconut shell residue and de-ashed coconut shell residue. J. Chem. Ind. Eng. 2007, 58, 1210–1214. [Google Scholar]
- Samsudin, M.H.; Hassan, M.A.; Idris, J.; Ramli, N.; Mohd Yusoff, M.Z.; Ibrahim, I.; Othman, M.R.; Mohd Ali, A.A.; Shirai, Y. A one-step self-sustained low temperature carbonization of coconut shell biomass produced a high specific surface area biochar-derived nano-adsorbent. Waste Manag. Res. 2019, 37, 551–555. [Google Scholar] [CrossRef] [PubMed]
- Kamran, U.; Park, S.J. MnO2-decorated biochar composites of coconut shell and rice husk: An efficient lithium ions adsorption-desorption performance in aqueous media. Chemosphere 2020, 260, 15. [Google Scholar] [CrossRef] [PubMed]
- Liu, H.K.; Xu, F.; Xie, Y.L.; Wang, C.; Zhang, A.K.; Li, L.L.; Xu, H. Effect of modified coconut shell biochar on availability of heavy metals and biochemical characteristics of soil in multiple heavy metals contaminated soil. Sci. Total Environ. 2018, 645, 702–709. [Google Scholar] [CrossRef] [PubMed]
- Wu, W.D.; Li, J.H.; Lan, T.; Muller, K.; Niazi, N.K.; Chen, X.; Xu, S.; Zheng, L.R.; Chu, Y.C.; Li, J.W.; et al. Unraveling sorption of lead in aqueous solutions by chemically modified biochar derived from coconut fiber: A microscopic and spectroscopic investigation. Sci. Total Environ. 2017, 576, 766–774. [Google Scholar] [CrossRef]
- Wang, Y.R.; Zhang, Z.M.; Zhang, S.; Wang, Y.; Hu, S.; Xiang, J.; Hu, X. Steam reforming of acetic acid over Ni/biochar catalyst treated with HNO3: Impacts of the treatment on surface properties and catalytic behaviors. Fuel 2020, 278, 14. [Google Scholar] [CrossRef]
- Zheng, H.; Zhang, C.; Liu, B.; Liu, G.; Xing, B. A New Paradigm for Environmental Chemistry and Toxicology; Jiang, G.B., Ed.; Springer: Singapore, 2019; pp. 153–196. [Google Scholar]
- Ajeng, A.A.; Abdullah, R.; Ling, T.C.; Ismail, S.; Lau, B.F.; Ong, H.C.; Chew, K.W.; Show, P.L.; Chang, J.S. Bioformulation of biochar as a potential inoculant carrier for sustainable agriculture. Environ. Technol. Innov. 2020, 20, 22. [Google Scholar] [CrossRef]
- Tanhaei, B.; Ayati, A.; Lahtinen, M.; Sillanpaa, M. Preparation and characterization of a novel chitosan/Al2O3/magnetite nanoparticles composite adsorbent for kinetic, thermodynamic and isotherm studies of Methyl Orange adsorption. Chem. Eng. J. 2015, 259, 1–10. [Google Scholar] [CrossRef]
- Zhou, X.J.; Li, X.D.; Xu, S.X.; Zhao, X.Y.; Ni, M.J.; Cen, K.F. Comparison of adsorption behavior of PCDD/Fs on carbon nanotubes and activated carbons in a bench-scale dioxin generating system. Environ. Sci. Pollut. Res. 2015, 22, 10463–10470. [Google Scholar] [CrossRef]
- Li, Y.Q.; Li, K.X.; Sun, G.H.; Wang, J.L. Synthesis and characterization of activated carbon with a high mesoporosity. New Carbon Mater. 2011, 26, 130–136. [Google Scholar] [CrossRef]
- Chen, B.L.; Zhou, D.D.; Zhu, L.Z. Transitional adsorption and partition of nonpolar and polar aromatic contaminants by biochars of pine needles with different pyrolytic temperatures. Environ. Sci. Technol. 2008, 42, 5137–5143. [Google Scholar] [CrossRef]
- Cantrell, K.B.; Hunt, P.G.; Uchimiya, M.; Novak, J.M.; Ro, K.S. Impact of pyrolysis temperature and manure source on physicochemical characteristics of biochar. Bioresour. Technol. 2012, 107, 419–428. [Google Scholar] [CrossRef]
- Keiluweit, M.; Nico, P.S.; Johnson, M.G.; Kleber, M. Dynamic Molecular Structure of Plant Biomass-Derived Black Carbon (Biochar). Environ. Sci. Technol. 2010, 44, 1247–1253. [Google Scholar] [CrossRef]
- Chen, B.L.; Johnson, E.J.; Chefetz, B.; Zhu, L.Z.; Xing, B.S. Sorption of polar and nonpolar aromatic organic contaminants by plant cuticular materials: Role of polarity and accessibility. Environ. Sci. Technol. 2005, 39, 6138–6146. [Google Scholar] [CrossRef]
- Chen, Y.L.; Pan, B.C.; Li, H.Y.; Zhang, W.M.; Lv, L.; Wu, J. Selective Removal of Cu(II) Ions by Using Cation-exchange Resin-Supported Polyethyleneimine (PEI) Nanoclusters. Environ. Sci. Technol. 2010, 44, 3508–3513. [Google Scholar] [CrossRef] [PubMed]
- Rahman, I.A.; Jafarzadeh, M.; Sipaut, C.S. Synthesis of organo-functionalized nanosilica via a co-condensation modification using gamma-aminopropyltriethoxysilane (APTES). Ceram. Int. 2009, 35, 1883–1888. [Google Scholar] [CrossRef]
- Li, B.; Yang, L.; Wang, C.Q.; Zhang, Q.P.; Liu, Q.C.; Li, Y.D.; Xiao, R. Adsorption of Cd(II) from aqueous solutions by rape straw biochar derived from different modification processes. Chemosphere 2017, 175, 332–340. [Google Scholar] [CrossRef] [PubMed]
- Mohan, D.; Pittman, C.U.; Bricka, M.; Smith, F.; Yancey, B.; Mohammad, J.; Steele, P.H.; Alexandre-Franco, M.F.; Gomez-Serrano, V.; Gong, H. Sorption of arsenic, cadmium, and lead by chars produced from fast pyrolysis of wood and bark during bio-oil production. J. Colloid Interface Sci. 2007, 310, 57–73. [Google Scholar] [CrossRef]
- Jiang, T.Y.; Jiang, J.; Xu, R.K.; Li, Z. Adsorption of Pb(II) on variable charge soils amended with rice-straw derived biochar. Chemosphere 2012, 89, 249–256. [Google Scholar] [CrossRef]
- Trakal, L.; Veselska, V.; Safarik, I.; Vitkova, M.; Cihalova, S.; Komarek, M. Lead and cadmium sorption mechanisms on magnetically modified biochars. Bioresour. Technol. 2016, 203, 318–324. [Google Scholar] [CrossRef]
- Lyu, H.H.; Tang, J.C.; Huang, Y.; Gai, L.S.; Zeng, E.Y.; Liber, K.; Gong, Y.Y. Removal of hexavalent chromium from aqueous solutions by a novel biochar supported nanoscale iron sulfide composite. Chem. Eng. J. 2017, 322, 516–524. [Google Scholar] [CrossRef]
- Ho, Y.S.; McKay, G. Pseudo-second order model for sorption processes. Process Biochem. 1999, 34, 451–465. [Google Scholar] [CrossRef]
- Ho, Y.S.; McKay, G. Kinetic models for the sorption of dye from aqueous solution by wood. Process Saf. Environ. Protect. 1998, 76, 183–191. [Google Scholar] [CrossRef]
- Cui, X.Q.; Fang, S.Y.; Yao, Y.Q.; Li, T.Q.; Ni, Q.J.; Yang, X.E.; He, Z.L. Potential mechanisms of cadmium removal from aqueous solution by Canna indica derived biochar. Sci. Total Environ. 2016, 562, 517–525. [Google Scholar] [CrossRef]
- Kapica, J.; Pelech, R.; Przepiorski, J.; Morawski, A.W. Kinetics of the adsorption of copper and lead ions from aqueous solution on to WD-ekstra activated carbon. Adsorpt. Sci. Technol. 2002, 20, 441–452. [Google Scholar] [CrossRef]
- Masoumi, A.; Ghaemy, M.; Bakht, A.N. Removal of Metal Ions from Water Using Poly(MMA-co-MA)/Modified-Fe3O4 Magnetic Nanocomposite: Isotherm and Kinetic Study. Ind. Eng. Chem. Res. 2014, 53, 8188–8197. [Google Scholar] [CrossRef]
- Loganathan, P.; Shim, W.G.; Sounthararajah, D.P.; Kalaruban, M.; Nur, T.; Vigneswaran, S. Modelling equilibrium adsorption of single, binary, and ternary combinations of Cu, Pb, and Zn onto granular activated carbon. Environ. Sci. Pollut. Res. 2018, 25, 16664–16675. [Google Scholar] [CrossRef] [PubMed]
- Jia, Y.; Zhang, Y.S.; Fu, J.G.; Yuan, L.X.; Li, Z.; Liu, C.; Zhao, D.; Wang, X.B. A novel magnetic biochar/MgFe-layered double hydroxides composite removing Pb2+ from aqueous solution: Isotherms, kinetics and thermodynamics. Colloid Surf. A-Physicochem. Eng. Asp. 2019, 567, 278–287. [Google Scholar] [CrossRef]
- Faust, M.; Seipenbusch, M. Highly controlled structuring of Pt nanoparticles on TiO2 and on ZrO2 by a modified MOCVD process. Surf. Coat. Technol. 2014, 259, 577–584. [Google Scholar] [CrossRef]
- Arthy, M.; Saravanakumar, M.P. Isotherm modeling, kinetic study and optimization of batch parameters for effective removal of Acid Blue 45 using tannery waste. J. Mol. Liq. 2013, 187, 189–200. [Google Scholar] [CrossRef]
- Zama, E.F.; Zhu, Y.G.; Reid, B.J.; Sun, G.X. The role of biochar properties in influencing the sorption and desorption of Pb(II), Cd(II) and As(III) in aqueous solution. J. Clean Prod. 2017, 148, 127–136. [Google Scholar] [CrossRef]
- Cantu, Y.; Remes, A.; Reyna, A.; Martinez, D.; Villarreal, J.; Ramos, H.; Trevino, S.; Tamez, C.; Martinez, A.; Eubanks, T.; et al. Thermodynamics, kinetics, and activation energy studies of the sorption of chromium(III) and chromium(VI) to a Mn3O4 nanomaterial. Chem. Eng. J. 2014, 254, 374–383. [Google Scholar] [CrossRef]
- Wang, H.Y.; Gao, B.; Wang, S.S.; Fang, J.; Xue, Y.W.; Yang, K. Removal of Pb(II), Cu(II), and Cd(II) from aqueous solutions by biochar derived from KMnO4 treated hickory wood. Bioresour. Technol. 2015, 197, 356–362. [Google Scholar] [CrossRef] [PubMed]
- Lin, L.N.; Qiu, W.W.; Wang, D.; Huang, Q.; Song, Z.G.; Chau, H.W. Arsenic removal in aqueous solution by a novel Fe-Mn modified biochar composite: Characterization and mechanism. Ecotoxicol. Environ. Saf. 2017, 144, 514–521. [Google Scholar] [CrossRef] [PubMed]
- Argun, M.E.; Dursun, S.; Ozdemir, C.; Karatas, M. Heavy metal adsorption by modified oak sawdust: Thermodynamics and kinetics. J. Hazard. Mater. 2007, 141, 77–85. [Google Scholar] [CrossRef] [PubMed]
- Benzaoui, T.; Selatnia, A.; Djabali, D. Adsorption of copper (II) ions from aqueous solution using bottom ash of expired drugs incineration. Adsorpt. Sci. Technol. 2018, 36, 114–129. [Google Scholar] [CrossRef]
- Mall, I.D.; Srivastava, V.C.; Agarwal, N.K. Removal of Orange-G and Methyl Violet dyes by adsorption onto bagasse fly ash—Kinetic study and equilibrium isotherm analyses. Dyes. Pigment. 2006, 69, 210–223. [Google Scholar] [CrossRef]
- Jefferson, W.A.; Hu, C.Z.; Liu, H.J.; Qu, J.H. Reaction of aqueous Cu-Citrate with MnO2 birnessite: Characterization of Mn dissolution, oxidation products and surface interactions. Chemosphere 2015, 119, 72–80. [Google Scholar] [CrossRef]
- Zhang, Z.B.; Cao, X.H.; Liang, P.; Liu, Y.H. Adsorption of uranium from aqueous solution using biochar produced by hydrothermal carbonization. J. Radioanal. Nucl. Chem. 2013, 295, 1201–1208. [Google Scholar] [CrossRef]
- Jin, J.; Li, S.W.; Peng, X.Q.; Liu, W.; Zhang, C.L.; Yang, Y.; Han, L.F.; Du, Z.W.; Sun, K.; Wang, X.K. HNO3 modified biochars for uranium (VI) removal from aqueous solution. Bioresour. Technol. 2018, 256, 247–253. [Google Scholar] [CrossRef]
- Tiwari, D.; Laldanwngliana, C.; Choi, C.H.; Lee, S.M. Manganese-modified natural sand in the remediation of aquatic environment contaminated with heavy metal toxic ions. Chem. Eng. J. 2011, 171, 958–966. [Google Scholar] [CrossRef]
- Liu, Z.G.; Zhang, F.S. Removal of lead from water using biochars prepared from hydrothermal liquefaction of biomass. J. Hazard. Mater. 2009, 167, 933–939. [Google Scholar] [CrossRef] [PubMed]
- Mukherjee, A.; Zimmerman, A.R.; Harris, W. Surface chemistry variations among a series of laboratory-produced biochars. Geoderma 2011, 163, 247–255. [Google Scholar] [CrossRef]
- Dong, X.L.; Ma, L.N.Q.; Li, Y.C. Characteristics and mechanisms of hexavalent chromium removal by biochar from sugar beet tailing. J. Hazard. Mater. 2011, 190, 909–915. [Google Scholar] [CrossRef]
- Yao, Q.; Yang, H.; Wang, B.; Xie, J. Effects of coexisting ions on adsorption of Pb~(2+)onto Bentonite/LS-g-AM-co-MAH. Acta Mater. Compos. Sin. 2016, 33, 2181–2186. [Google Scholar]
- Cao, X.D.; Ma, L.N.; Gao, B.; Harris, W. Dairy-Manure Derived Biochar Effectively Sorbs Lead and Atrazine. Environ. Sci. Technol. 2009, 43, 3285–3291. [Google Scholar] [CrossRef]
- Ding, Y.; Liu, Y.G.; Liu, S.B.; Li, Z.W.; Tan, X.F.; Huang, X.X.; Zeng, G.M.; Zhou, Y.Y.; Zheng, B.H.; Cai, X.X. Competitive removal of Cd(II) and Pb(II) by biochars produced from water hyacinths: Performance and mechanism. RSC Adv. 2016, 6, 5223–5232. [Google Scholar] [CrossRef]
- Zhang, C.; Shan, B.Q.; Tang, W.Z.; Zhu, Y.Y. Comparison of cadmium and lead sorption by Phyllostachys pubescens biochar produced under a low-oxygen pyrolysis atmosphere. Bioresour. Technol. 2017, 238, 352–360. [Google Scholar] [CrossRef] [PubMed]
Disclaimer/Publisher’s Note: The statements, opinions and data contained in all publications are solely those of the individual author(s) and contributor(s) and not of MDPI and/or the editor(s). MDPI and/or the editor(s) disclaim responsibility for any injury to people or property resulting from any ideas, methods, instructions or products referred to in the content. |
© 2023 by the authors. Licensee MDPI, Basel, Switzerland. This article is an open access article distributed under the terms and conditions of the Creative Commons Attribution (CC BY) license (https://creativecommons.org/licenses/by/4.0/).









