Abstract
Copper-based diamond composites have been the focus of many investigations for higher thermal conductivity applications. However, the natural non-wetting behavior between diamond particles and copper matrix makes it difficult to fabricate copper-based diamond composites with high thermal conductivity. Thus, to promote wettability between copper and diamond particles, the copper/diamond interface must be modified by coating alloying elements on the diamond surface or by adding active alloying elements with carbon in the copper matrix. In this paper, we review the research progress on copper-based diamond composites, including theoretical models for calculating the thermal conductivity and the effect of process parameters on the thermal conductivity of copper-based diamond composites. The factors that affect interfacial thermal conductivity are emphatically analyzed in this review. Finally, the current problems of copper-based diamond composites and future research trends are recommended.
1. Introduction
Electronic devices generate heat which is increasing due to the continuous development of miniaturization and integration of microelectronics [1]. Excessive heat deteriorates the long-term reliability and performance of electronic devices, and conventional thermal management materials are no longer adequate for dissipating heat with the rapid development of electronic products. Thus, there is a significant need to improve heat dissipation in electronic devices, and therefore, there is an urgent need for materials with high thermal conductivity to meet contemporary thermal requirements. The thermal conductivity of traditional electronic packaging substrates (crystalline silicon) is 120–150 W/(m·K) [2]. Diamond has extremely high thermal conductivity of 1200~2500 W/(m·K), and therefore, it has attracted attention for its excellent thermal properties [3,4,5,6,7,8,9]. However, the fabrication process of diamond on electronic devices is very difficult and expensive, which makes it difficult for diamond to be used directly in the electronics industry. There is another solution that involves combining diamond particles and copper matrix (copper has a thermal conductivity of 400 W/(m·K). The surface tension of copper at its melting point is between 1000 and 1500 mN/m, and the melting point of copper is 1083.4 °C with diamond particles, which not only reduces production costs, but also results in a composite with high thermal conductivity. However, due to the high surface tension of copper, the wetting angle between copper and diamond is large. Moreover, diamond and copper are difficult to chemically react with each other, ultimately leading to poor wetting between copper and diamond. The poor wettability between diamond and copper can promote the formation of defects at the interface and weaken the interfacial bonding between diamond and copper, finally, leading to lower thermal conductivity of copper-based diamond composites [10]. At high temperatures, diamond transforms into a more stable graphite, and this phenomenon causes a decrease in thermal conductivity. Therefore, many researchers have given massive attention to methods of mitigating the problems mentioned above.
Until recently, two main methods had been reported in the literature for improving the thermal conductivity of copper-based diamond composites. One method is diamond surface metallization and the other method is matrix alloying. Diamond surface metallization involves coating a strong carbide-forming element on the diamond surface by using electroplating, magnetron sputtering, salt bath coating, or vacuum micro evaporation plating. Additionally, matrix alloying involves adding strong carbide-forming elements into copper matrix, which includes gas atomization and alloy melting. The purpose of both methods is to form several layers of carbides on the diamond surface during the fabricating processes. The formed carbides can improve the wettability between the diamond particles and the copper matrix, thus, increasing the thermal conductivity of copper-based diamond composites. Various methods have been used to prepare copper-based diamond composites, such as high-temperature and high-pressure sintering (HTHP) [11], vacuum hot press sintering (VHPS) [12], spark plasma sintering (SPS) [13], and melt infiltration [14]. All these methods aim at increasing the density and wettability of copper-based diamond composites by applying external conditions.
Theoretical models have been developed and have emerged as powerful tools for calculating the thermal conductivity of copper-based diamond composites. Although several studies have shown that the thermal conductivity calculated by using theoretical models differs considerably from the measured experimental data, theoretical models can reasonably reflect the influence of several parameters, such as diamond volume fraction, thermal conductivity of diamond and copper, diamond particle size, diamond morphology, and interfacial thermal resistance, on the thermal conductivity of copper-based diamond composites. In the following sections, we discuss the effects of these parameters in theoretical models on the thermal conductivity of copper-based diamond composites.
2. Theoretical Models
Many researchers have proposed theoretical models for calculating the thermal conductivity of copper-based diamond composites. Theoretical models can promote a better understanding of the relationships between the thermophysical properties of copper-based diamond composites and their process parameters, and can provide relatively accurate predictions of the thermal conductivity of copper-based diamond composites. Several models are widely used, including the Maxwell–Eucken model, the Hasselman–Johnson model, and the differential effective medium model. In this section, we provide brief descriptions of these theoretical models.
2.1. Maxwell–Eucken Model
The Maxwell–Eucken model [15] was the first theoretical model applied to predict the thermal conductivity of copper-based diamond composites. It can be described by the following equation [15]:
where λc is the thermal conductivity of copper-based diamond composites, λm is the thermal conductivity of copper matrix, λd is the thermal conductivity of the diamond reinforcing particles, and Vd is the volume fraction of diamond spherical particles in the copper-based diamond composites.
The Maxwell–Eucken model assumes that the diamond reinforcing particles are spherical and uniformly distributed in the continuous matrix phase and that there is no relative interaction among the diamond particles in a homogeneous copper matrix. However, this model is limited in its ability to accurately predict the thermal conductivity of composites with a low volume fraction of diamond reinforcing particles. In addition, when the diamond volume fraction exceeds 20%, the theoretical values differ significantly from experimental results, possibly due to the interaction between particles and the defects presented in the composites under normal conditions. One way to improve the agreement between theoretical and experimental values is to improve the wettability between the diamond particles and copper matrix.
2.2. Hasselman–Johnson Model
The thermal conductivity of particle-reinforced composites can be measured more accurately by using the Hasselman–Johnson model, which was developed on the basis of the Maxwell theoretical model [16]. The Hasselman–Johnson model is widely used to predict and analyze the thermal conductivity of particle-reinforced composites. The equation for the Hasselman–Johnson model is given as [16]:
where λc represents the thermal conductivity of the copper-based diamond composite; λm and λd are the thermal conductivity of the copper matrix and the diamond reinforcing particles, respectively; Vd is the diamond volume fraction in the copper-based diamond composite; a is the radius of the diamond reinforcing particles; hc is the interfacial thermal conductivity that is determined by the matrix and the reinforcing phase.
As the diamond volume fraction increases, the assumptions made in the Hasselman–Johnson model, such as the assumption of spherical particles and the neglect of particle clustering or agglomeration, become less accurate. These limitations lead to an overestimation of the thermal conductivity at higher diamond volume fractions, which is not consistent with experimental data. Therefore, the Hasselman–Johnson model is more reliable and applicable at lower diamond volume fractions in copper-based diamond composites.
2.3. Differential Effective Medium Model
Bruggeman developed a differential effective medium model. He assumed that particle content grows slowly throughout the embedding process. The equation for thermal conductivity was derived from the Bruggeman integral embedding principle [17], which takes into account the forces present in the particles when the volume fraction of particles is too large, and can be described as [17]:
where m is the matrix thermal conductivity and is the effective thermal conductivity of the diamond particles, which can be calculated by using the following equation:
where a is the radius of the diamond particles. The trend of the interfacial thermal conductivity is consistent with the trend of the thermal conductivity of the composite. Since Vd, d, m, and a are the same for all samples, the interfacial thermal conductivity (hc) dominates the composite thermal conductivity (c), to a large extent, and c varies with the penetration time.
To better study the gap between theoretical models and actual data, we conducted the following work. We set the thermal conductivity of diamond to 2000 W/(m·K) and the thermal conductivity of copper to 400 W/(m·K). Similarly, we assumed an interfacial thermal resistance of 2.9 × 107 W/(m2·K) (experimentally determined by Y. Zhang [18]). By varying the diamond volume fraction, we obtained the thermal conductivity of different theoretical models, which are plotted in Figure 1a. Figure 1a also compares the theoretical models with the experimental data of Q.L. Che [19]. In the theoretical models, the calculated thermal conductivities increase as the diamond volume fraction increases. In reality, the thermal conductivity first increases, and then decreases with an increase in the diamond volume fraction. The reasons for this phenomenon are discussed in detail in the following section.
Figure 1.
Comparison of thermal conductivity calculated by different models with experimental data: (a) Volume fraction of diamond; (b) diamond particle size; (c) interface thickness. The experimental data in Fig. 1a are from Ref. [19]; the experimental data in Fig. 1b are from Ref. [20]; the experimental data in Fig. 1c are from Ref. [21].
We assumed that the volume fraction of diamond is 68.7%. Different theoretical models were employed to calculate the thermal conductivity of different sized diamond particles. Comparing these thermal conductivity values with Y. Zhang’s data [20], we obtained Figure 1b. It can be seen that the thermal conductivity of copper-based diamond composites gradually increases as the diamond particle size increases. However, the effect of diamond particle size on thermal conductivity is gradually weakened as the diamond particle size.becomes larger We can also see that the trend of the experimental data is consistent with the trend of the theoretical models. The reasons for this phenomenon are discussed in detail in the following section.
To analyze the relationship between interfacial thermal conductivity and thermal conductivity of copper-based diamond composites in theoretical models, it is necessary to understand the factors that affect interfacial thermal resistance of diamond particles. The total interfacial thermal resistance can be obtained by calculating the interfacial thermal resistance of each layer, as shown in Figure 2 [22]. The equation for total interfacial thermal resistance is described as [22]:
where Rtotal is the total interfacial thermal resistance between the copper matrix and the diamond particles; RCu/carbide is the interfacial thermal resistance between the copper matrix and the carbide layer; lcarbide is the interface thickness and kcarbide is the thermal conductivity of the interface; Rdiamond/carbide is the interfacial thermal resistance between the diamond particles and the carbide layer. It should be noted that thermal resistance is equal to the reciprocal of thermal conductivity.
Rtotal = RCu/carbide + lcarbide/kcarbide + Rdiamond/Carbide
Figure 2.
Thermal circuit of the carbide interface in the copper-based diamond composites. Copyright 2015, with permission from Elsevier [22].
To establish the interface thermal conductivity of the interface without considering its actual microstructure, an acoustic mismatch model can be used [23,24]:
where ρ is the density of the material; C is the specific heat; υ is the phonon velocity determined from the longitudinal and transverse velocities, the subscript indicates the incident side of the phonon; η is the average probability of phonon transport across the interface. The experimental data and the required parameters can be found in Y. Zhang’s data [18]. Subsequently, we can calculate hCu/carbide and hdiamond/carbide. Therefore, the total effect of interfacial thermal conductivity on the thermal conductivity of copper-based diamond composites can be considered to be the effect of the carbide interfacial thickness on the thermal conductivity of copper-based diamond composites. The relationship between carbide interface thickness and the thermal conductivity of copper-based diamond composites can be derived, as shown in Figure 1c. At the same time, we compared the thermal conductivity obtained from the theoretical models with the experimental data from L. Wang [21]. In the theoretical models, the thermal conductivity decreases as the interface thickness increases. In reality, the thermal conductivity first increases, and then decreases as the interface thickness increases. The reasons for this phenomenon are discussed in detail in the following section.
h = 1/4ρinCinυinη
Observing Figure 1, we can easily observe that the thermal conductivity calculated by the theoretical models is higher than the actual experimental data. The existing theoretical models do not consider enough factors that affect the thermal conductivity, such as interface defects, compactness, and other problems. Therefore, there is a significant difference between theoretical values and experimental values.
The above three models have a wide range of applications. Additionally, more theoretical models have been proposed. For example, the Hamilton–Grosser model takes the shape of the diamond reinforcing particles into account. The Agari model considers the heat transfer chain formed by the interactions among particles as well as the shapes and relative content of the particles, etc. In addition to theoretical models, researchers have recently used molecular dynamics simulation to predict the thermal conductivity of composite material interfaces. Y. Zhang [25] used molecular dynamics to simulate the effect of interface structure on the thermal conductivity of composite materials. The results indicated that the G value of the W2C/diamond interface was significantly higher than that of the Cu/diamond and W/diamond interfaces. Additionally, W2C was capable of reducing the vibrational misfit between copper and diamond. The purpose of these models is to obtain theoretical values that are as close as possible to experimental data. However, due to the complexity of the factors that affect thermal conductivity, many parameters need to be considered, such as the thermal conductivity of particles and matrix, particle size and shape, particle content, defects, particle interactions, etc. However, none of the existing models can fully match the heat transfer mechanism for the thermal conductivity of composite materials. Thus, further research needs to be conducted to modify these theoretical models.
3. The Effect of Diamond Particle Size
Diamond particle size is an essential factor that affects the thermal conductivity of copper-based diamond composites, as highlighted in both the Hasselman–Johnson model and the differential effective medium model. An increase in diamond particle size leads to an increase in the thermal conductivity of copper-based diamond composites, as observed in Figure 1.
Consequently, the use of nanoscale diamond as raw material could result in low thermal conductivity of copper-based diamond composites. For instance, in a study conducted by S.V. Kidalov [26], nanodiamonds were compared to natural micro diamonds (5~7 μm and 10~14 μm) in the production of sintered copper-based diamond composites, using a pressure of approximately 6.0~6.5 GPa and sintering temperatures of 1000~2000 °C, for 6~20 s. The experimental results showed that the thermal conductivity of the nanodiamond composite was less than 10 W/(m·K), which was significantly lower than that of the natural micro diamond composite (500 W/(m·K)). Figure 3 depicts the effect of nanodiamond content on the thermal conductivity of copper-based diamond composites [26]. Several researchers have investigated the cause of this phenomenon. The reduction in thermal conductivity of nanodiamond composites might be attributed to the graphitization of diamond. In a study conducted by S.V. Kidalov [26], it was noted that the nanodiamonds changed from their original white color to a light grey color as the temperature increased to 1100 °C, indicating that diamond, an isomer of carbon, was stable at room temperature and atmospheric pressure but underwent transformation into graphite when heated above 800 °C.
Figure 3.
Thermal conductivity of copper-based diamond composites with different diamond size combinations. The composite densities are normalized to that of single crystal diamond. 1—100% nanodiamonds; 2—50% 10~14 μm diamonds and 50% nanodiamonds; 3—85% 10~14 μm diamonds and 15% nanodiamonds; 4—100% 5~7 μm diamonds; 5—99.5% 10~14 μm diamonds and 0.5% fullerenes combined with data on 99% 10~14 μm diamonds and 1% nanodiamonds; 6—100% 10~14 μm diamonds. Copyright 2007, with permission from Elsevier [26].
It is true that increasing diamond particle size can increase the thermal conductivity of copper-based diamond composites [27,28]. K. Hanada [27] investigated the effect of varying diamond grain size (0.005~7.7 μm) on the thermal conductivity of copper-based diamond composites by using a powder metallurgical process. They found that when the diamond volume fraction was controlled at 1%, the thermal conductivity of copper-based diamond composites increased as the diamond particle size increased, and the diamond particles were uniformly distributed in the copper matrix. Similarly, Y. Wu [28] investigated the effect of diamond particle size (10~400 μm) on the microstructure, interface, and thermal conductivity of copper-based diamond composites. The obtained results are shown in Figure 4, where it can be seen from this figure that the thermal conductivity of copper-based diamond composites increases with an increase in diamond particle size [28].
Figure 4.
Thermal conductivities of copper-based diamond composites with different sizes of diamond particles. Copyright 2019, with permission from Elsevier [28].
Y. Zhang [20] discovered that with smaller sized diamond particles, many sharp polygonal carbides were formed on the (100) surface of diamond particles, as shown in Figure 5b. However, when the diamond particle size was large enough, the diamond surface was uniformly covered with carbides, as depicted in Figure 5c. The (100) surface of diamond particles was formed by the two-fold bonding of carbon atoms and the surface energy of the (100) plane was 9.207 J/m2, while the (111) surface was created by three-fold bonding, with a lower surface energy of 3.387 J/m2. Carbides preferentially formed on the (100) surfaces with higher surface energy when the amount of alloying elements in the copper matrix was insufficient [20]. As diamond particle size increased, the area of the interface decreased and carbides were more likely to spread evenly over the diamond surface. Consequently, copper-based diamond composites with larger sized diamond particles have higher densities and higher thermal conductivity.
Figure 5.
Microstructures of copper-based diamond composites by alloying B element in copper matrix: (a) The backscattered electron image; the extracted diamond particles with particle sizes of (b) 66 μm and (c) 701 μm; (d) the copper/diamond interface image. Copyright 2021, with permission from Elsevier [20].
An increase in diamond particle size results an increase in thermal conductivity of copper-based diamond composites, as inferred from the above content. Figure 6 displays the thermal conductivity of copper-based diamond composite materials that have been researched in recent years, and includes the highest thermal conductivity values obtained by various methods. This figure includes results from studies, in the literature, that have been conducted in the past five years and investigated thermal conductivity exceeding 600 W/(m·K). Diamond/Cu-0.5 wt% Zr has the highest thermal conductivity among composites containing Zr element. Diamond/Cu-0.3 wt% B has the highest thermal conductivity among composites containing B element. The diamond(Cr)/Cu-0.5 wt% Cr composite material has the highest thermal conductivity among those containing chromium element. It can be observed that the result is consistent with the above conclusion. However, in recent years, the size of diamond particles has basically not exceeded 300 μm. One reason for this is that larger diamond particle sizes are more expensive. Another possible reason is that the research on copper-based diamond composite materials has become more comprehensive, which has led to better bonding between diamond particles and copper at the interface. Although increasing the size of diamond particles can still enhance thermal conductivity, the effect is not as significant as previous studies suggested. Therefore, the diamond particle size employed by recent studies in the literature has mostly been between 100 μm and 300 μm.
Figure 6.
Comparison of thermal conductivity values from recent studies in the literatures [21,29,30,31,32,33,34,35,36].
4. Effect of Diamond Volume Fraction
The volume fraction of diamond is a vital parameter in all the theoretical models. Therefore, it is necessary to obtain a general range through extensive experiments even if the optimum diamond volume fraction is not entirely consistent for different process parameters.
According to the relationship between diamond volume fraction and thermal conductivity of copper-based diamond composites in the theoretical models, it can be concluded that with an increase in diamond volume fraction, the thermal conductivity of copper-based diamond composites increases as well. However, some studies have suggested a different conclusion [9,37]. Y. J. Zhang [9] found that by simulating the thermal conductivity of copper-based diamond composites there were minor distinctions in thermal conductivity numerical simulation results when the diamond volume fraction was less than 40%. However, when the diamond volume fraction was more than 40%, the thermal conductivity of copper-based diamond composites decreased, which was contrary to the numerical simulation results. J. Tao [37] used spark plasma sintering (SPS) to prepare copper-based diamond composites with different diamond volume fractions (50%, 60%, and 70%). As shown in Figure 7, with an increase in the diamond volume fraction, the relative density and the homogeneity of copper-based diamond composites decreased [37]. These studies showed that a larger diamond volume fraction may cause side effects. The reason for this phenomenon is that when the volume fraction of diamond is large, the copper can hardly fill the gaps among the diamond particles. As a result, the density of copper-based diamond composites decreases. The thermal conductivity also deteriorates with the diamond volume fraction. The relationship between diamond volume fraction and thermal conductivity can be summarized as followings: With increasing diamond volume fractions, the thermal conductivity of copper-based diamond composites initially increases, and then decreases.
Figure 7.
Microstructures of copper-based diamond composites with different diamond volume fractions sintered at 750 °C: (a) 70%; (b) 60%; (c) 50%. Copyright 2014, with permission from Elsevier [37].
Typically, to obtain copper-based diamond composites with high thermal conductivity, the diamond volume fraction should be less than 70%. However, high thermal conductivity can also be obtained at ultra-high pressures, even if the diamond volume fraction exceeds 70%. J. He [38] prepared copper matrix with zirconium-added composites reinforced with approximately 90 vol% of diamond particles at high temperature and pressure. According to these results, the matrix successfully filled the gaps among diamond particles. However, an improvement in thermal conductivity was not obvious and the cost was too high. For the preparation of copper-based diamond composites with effective cost and higher thermal conductivity, a diamond volume fraction between 50 and ~60% is recommended.
In addition to thermal conductivity, the coefficient of thermal expansion is also a key indicator. The volume fraction of the reinforcement is a key factor affecting the coefficient of thermal expansion of composite materials. Since the intrinsic coefficient of thermal expansion of diamond is low, increasing the volume fraction of diamond can reduce the coefficient of thermal expansion. Z. Xie [39] used a vacuum pressure infiltration method to prepare coper-based diamond composites. By measuring the CTE of composites with different diamond volume fractions, it was shown that CTE decreased with an increase in the diamond volume fraction.
Research on diamond volume fraction is quite mature. Due to variations in process parameters, there is not a unique optimal value for diamond volume fraction. In recent years, the range of diamond volume fractions used at high temperature and high pressure tends to fall between 50 and 70%. Under ultra-high pressure, the diamond volume fraction can exceed 70% or even reach 90%. Therefore, without new shaping methods, it will be difficult to achieve breakthroughs in the study of diamond volume fraction in copper-based diamond composite materials.
5. Factors Affecting Interfacial Thermal Conductivity
Improving interfacial thermal conductivity is a critical issue in copper-based diamond composites. Poor wettability between copper and diamond particles results in the low thermal conductivity of copper-based diamond composites. To enhance the interfacial thermal conductivity of copper-based diamond composites, alloying elements can be added to ameliorate the wettability between copper and diamond particles [40,41,42,43]. The type and content of alloying elements can affect the interfacial thermal conductivity, and different process parameters can also affect the thermal conductivity of copper-based diamond composites. In the following sections, we discuss methods to improve the interface thermal conductivity of copper-based diamond composites and we analyze the effect of parameters on the interface thermal conductivity.
5.1. Methods for Improving Wettability
The wettability between diamond particles and copper is very poor. Thus, by simply mixing diamond particles and copper, a composite with relatively low density and thermal conductivity is usually obtained. There are two methods to improve the wettability between diamond particles and copper. One method is pre-metalizing the diamond surface, which is coating strong carbide-forming elements on the diamond surface. The other option is pre-alloying the copper matrix, which is adding carbide-forming elements into the copper matrix prior to preparing the copper-based diamond composites.
5.1.1. Diamond Surface Treatment
To improve interfacial thermal conductivity, a diamond surface pretreatment is required. A diamond surface pretreatment refers to the removal of impurities left on the diamond surface or the application of a special treatment before the coating diamond surface, because impurities may cause the coating to fail. Cleaning, catalysis, etching, sensitizing, and activating diamond surfaces are the most common treatment methods. J. Sang [44] proposed a new pretreatment process for the preparation of copper-based diamond composites, which involved bombarding diamond particles with an argon ion beam before depositing a tungsten coating on the diamond particles. The prepared copper-based diamond composite had good interfacial bonding and the composite interface was free of micro seams and cracks. In 2019, X. Wu [45] first etched diamond particles with molten salt to obtain diamond particles with different surface roughness. Then, tungsten was coated on the sample followed by copper. Compared to the unetched copper-based diamond composite, the etched copper-based diamond composite had a 12% increase in thermal conductivity. In 2021, X. Wu [46] prepared composites with roughened surfaces using vacuum hot-press sintering (the diamond was previously etched with molten salt and the content was 38 vol.%). After molten salt etching, the thermal conductivity of the diamond/Cu composite increased significantly from 347 W/(m·K) to 433 W/(m·K) (an increase of approximately 25%). In addition, this value was further increased to 512 W/(m·K) by the addition of titanium (approximately 27% increase).
Layers of reactive elements coated on diamond surface should be able to form stable chemical bonds with the carbon elements on the diamond surface. These reactive elements contain Ti, Cr, W, Mo, B, etc. Researchers have experimentally verified that surface treatment of diamond can indeed improve the thermal conductivity of copper-based diamond composites. The methods of diamond surface metallization generally include electroplating, magnetron sputtering coating, salt bath coating, vacuum micro-evaporation coating, etc. In the following sections, we discuss the above methods in more detail.
Electroplating (EP) is the process of depositing metal on a surface, which is plated by a reduction reaction in the absence of an external power source and the presence of a strong reducing agent. Through electroplating, metal can be deposited on diamonds in a physical encapsulation process that creates no metallurgical bonds. Therefore, to improve the density of copper-based diamond composites, the diamond surface is usually coated with the active elements by other methods, and then coated with copper by electroplating. C. Zhang [47] prepared copper-based diamond composites with high densities and good thermal properties by designing a bilayer structure on diamond particles. The diamond surface was first coated with tungsten, and then coated with copper. H. Li [48] used a molten salt containing NaCl, KCl, and NaF to form a thin TiC coating on diamond, followed by chemical copper plating. The double coating (TiC-Cu) improved the thermal performance of diamond/Cu composite materials. The TC of diamond (60 vol%)/Cu composite material reached 495.5 W/(m·K), which was much higher than Cu, and slightly lower than the values predicted by the H–J model and DEM. Y. Pan [33] prepared copper-based diamond composites with good thermal conductivity using another method. They coated tungsten as the inner layer using salt bath plating, and then coated copper as the outer layer using chemical plating. As can be seen from Figure 8, the copper layer obtained by simply plating copper on the diamond surface tended to peel off [33]. In the case of first plating tungsten, the copper adhered more easily to the diamond surfaces. However, the method has several disadvantages, for example, this method requires a high external surface for the diamond particles. Thus, the diamond surface of specimens must be pretreated as mentioned above to ensure a better bond between the diamond and the plating layer. Another problem is that the use of strong reducing agents promotes graphitization of diamond.
Figure 8.
Microstructures of the plated copper on diamond surfaces: (a,b) Copper on raw diamond surface; (c,d) copper on tungsten-coated diamond surface. Copyright 2018, with permission from Elsevier [33].
Magnetron sputtering (MS) is a process that involves adding a small amount of inert gas, such as argon, in a vacuum environment. In this environment, the inert gas collides with electrons and produces ionization under an electric field. Then, the resulting ionophores are accelerated by using an electric field and directed toward a metal target, which sputters out target atoms and deposits them onto the diamond surface. MS can obtain a uniform and controllable coating thickness that can effectively control the thermal resistance of the interface. J. Sang [49] prepared WC layers with a thickness of 70~400 nm on diamond substrates, and obtained a maximum thermal conductivity of 943 W/(m·K) for the copper-based diamond composite. As shown in Figure 9, the plating obtained at different sputtering times was continuous and homogeneous, which was beneficial for improving the thermal conductivity of the copper-based diamond composite [49]. J. Jia [50] deposited tungsten coatings with a thickness of 45~300 nm on the surface of diamond particles by using the MS method. They found that tungsten coatings with a thickness of above 93 nm were the most effective in improving the thermal conductivity of a copper-based diamond composite and reducing the thermal resistance at the interface between diamond and copper. However, the MS method has some limitations, for example, the equipment is expensive and the single plating volume is low, resulting in high manufacturing costs, which make this method unfavorable for industrial production.
Figure 9.
Cross-section microstructures of the WC layers with different thicknesses on diamond plates: (a) 70 nm; (b) 117 nm; (c) 179 nm; (d) 231 nm; (e) 320 nm; (f) 400 nm. Copyright 2022, with permission from Elsevier [49].
Salt bath coating (SBC) is a process in which metal powder and diamond are heated in molten salt. Diamond reacts with the molten metal at high temperatures under vacuum or protective atmosphere conditions, resulting in the formation of a coating. This method can prepare copper-based diamond composites with good interfacial bonding and a significant increase in thermal conductivity. SBC is a highly efficient, cost-effective, and simple method, which has a wide range of applications. H. Li [48] used molten salt to form a thin coating of TiC on diamond particles, followed by chemical plating of copper. As the temperature increased, the thickness of the formed TiC coating increased, resulting in cracking and flaking at the interface. The copper coating effectively covered the TiC/diamond by using chemical plating, resulting in a final thermal conductivity of copper-based diamond composite of 495.5 W/(m·K). Q. Kang [51] used a reaction medium of WO3 in a mixed molten NaCl-KCl salt to form a WC coating on diamond surface. Copper-based diamond composites were prepared by using pressure infiltration with a vacuum, resulting in a higher thermal conductivity of 658 W/(m·K). Q. Kang [52] obtained diamond with a chromium coating from the reaction of chromium mixed in molten salt, and prepared a copper-based diamond composite with thermal conductivity of 562 W/(m·K). Although a Cr7C3 coating was applied to the diamond particles, the diamond was easily graphitized under this method and the separating process of diamond particles was complicated.
Vacuum micro-evaporation plating (VMEP) is a process that activates the atoms on the surface of the metal under vacuum conditions. The activated atoms diffuse to the diamond surface and react with the diamond partiles to form a film layer. The advantages of VMEP include simple processing conditions, high-quality film formation, and minimal damage to the diamond particles. L. Wang [32] prepared Cr-coated diamond particles by vacuum evaporation deposition in a thermal evaporation system. Copper-based diamond composites with a thermal conductivity of 810 W/(m·K) were prepared by using the pressure infiltration method. The disadvantages of VMEP are the complexity of the equipment and the high level of resources required to maintain the equipment each year, resulting in higher manufacturing costs.
5.1.2. Matrix Alloying
Doping copper matrix with alloying elements such as Ti, B, Cr, and Zr through pre-alloyed treatments can enhance the thermal conductivity of copper-based diamond composites. This treatment forms a carbide layer on the diamond surface during the manufacturing processes and improves the thermal conductivity of copper-based diamond composites. The copper matrix has a smaller wetting angle with carbides than diamond, resulting in higher density and better thermal conductivity of copper-based diamond composites. Matrix alloying methods usually include gas atomization and alloy melting.
Gas atomization is a widely used method to prepare copper alloy powders. It involves crushing a liquid metal or alloy into small droplets by using high-pressure air, which then rapidly condenses into a powder. Although gas atomization offers mature processing, low costs, and a high powder formation rate, the complex structure of nozzles demands higher process requirements.
Alloy smelting involves adding metals and alloying elements to a heating furnace, melting them, and then cooling to form an alloy matrix. This method is usually employed to prepare bulk copper alloys and is commonly used with liquid phase infiltration. However, to obtain copper-based diamond composites with high thermal conductivity, pneumatic infiltration is the only viable method. Y. Zhang [30] developed a Cu-B/diamond composite material by using a homemade pneumatic infiltration device. The diamond particles were densely packed in graphite molds, and a Cu-0.3 wt% B alloy ingot was placed on top. The ingots were heated to 1423 K and maintained for 30 min before applying a gas pressure of 1.5 MPa for penetration. As a result, the copper-based diamond composite exhibited a thermal conductivity of 913 W/(m·K). Figure 10 indicates that B element is mainly concentrated at the interface in the copper-based diamond composite obtained by this method, with only a very small amount of B element left in the copper matrix [30]. The enrichment of B element at the interface reduces the negative effect of alloying elements on the thermal conductivity of the copper matrix.
Figure 10.
Interfacial microstructures of Cu-B/diamond composite with different infiltration contact times of: (a) 5 min; (b) 30 min; (c) 90 min. (d) Enlarged microstructure and mapping images in the square in (c). Copyright 2023, with permission from Elsevier [30].
In addition to adding the elements mentioned above, we can also improve thermal conductivity by adding rare earth elements. X. Zhang [13] mixed diamond with copper powder, chromium powder, and tantalum oxide powder. Using the spark plasma sintering (SPS) technique, they obtained a diamond (60 vol%)/copper (40 vol%) composite material with a thermal conductivity of 872 W/(m·K). The results showed that a well-arranged and evenly distributed interface chromium carbide layer (thickness ranging from 5 to 20 nm) was formed in the interfacial region. This phenomenon played a critical role in increasing the active interfacial binding amount and reducing defects. The addition of Sc2O3 increased the number of heat transfer carriers at the interface, making the interface energy system more stable. The obtained diamond/copper composite showed an effectively improved wettability between diamond particles and copper. Rare earth elements are a good choice as reinforcing materials in composite materials for the following reasons: Adding an appropriate amount of rare earth elements can refine the grain size and reduce the wetting angle between reactants, and it can also change the shape and distribution of impurities. At room temperature, rare earth elemens are almost insoluble in copper and have little effect on the thermal conductivity of the copper matrix. Rare earth elements are surface-active elements that can improve the fluidity of the metal matrix by reducing the surface tension of the metal matrix. The solubility of rare earth metals in the metal matrix is relatively low, making it easy to adsorb at the phase boundary. This fills the interface defects and also enhances the interface energy between the reinforcing particles and the metal matrix [53].
5.2. Effect of Interface
The interface between diamond and copper is a crucial aspect of copper-based diamond composites. However, the natural non-wetting behavior between diamond and copper makes it challenging to achieve copper-based diamond composites with high thermal conductivity. To improve the thermal conductivity of copper-based diamond composites, reactive elements are added to the copper matrix to form carbides, which minimize the resistance of phonons passing through the carbide layer. The thermal resistance of interface is given by Equation (3). The theoretical model suggests that as the interface thickness increases, the thermal conductivity of copper-based diamond composites should decrease. However, experimental evidence has shown that this is not always the case. Z. Xie [35] synthesized copper-based diamond composites by using Cu-Cr alloys containing 0.3–1.0 wt% Cr mixed with diamond. Copper-based diamond composites with interfacial thicknesses ranging from 80 nm to 1100 nm between copper and diamond were obtained. Figure 11 shows that the interface between copper and diamond is thin and not very dense when the Cr content is 0.3 wt%, resulting in direct contact between diamond and copper, and creating a discontinuous interface. When the Cr content is 0.5 wt%, the interface thickness is 440 nm, and the interface is thin and homogeneous [35]. However, when the Cr content is too high, significant cracks appear at the interface. The reason for the cracks is that when the interface thickness is too large, cracks appear between the diamond and carbide during high-temperature cooling due to the different expansion coefficients of diamond and carbide. Therefore, to obtain copper-based diamond composites with high thermal conductivity, the interface thickness must be well controlled.
Figure 11.
The interface microstructures and corresponding line scanning of copper-based diamond composites with different Cr contents: (a) 0.3 wt% Cr; (b) 0.5 wt% Cr; (c) 0.7 wt% Cr; (d) 1.0 wt% Cr. Copyright 2021, with permission from Elsevier [35].
The interface between copper and diamond is also a key factor affecting the coefficient of thermal expansion. The goal of reducing the interface coefficient of thermal expansion can be achieved by enhancing the strength of the copper and diamond interface. Q. Kang [54] obtained copper-based diamond composites using pure copper-coated diamond particles (with a WC coating on the surface) through vacuum pressure infiltration. The thermal conductivity and thermal expansion behavior of the obtained copper-based diamond composites were studied. The intermediate layer played a positive role in limiting copper’s thermal expansion due to the strong bonding between the copper matrix and diamond. Generally speaking, modifying the copper/diamond interface to promote interface bonding is beneficial for reducing the coefficient of thermal expansion.
In early studies of the copper/diamond composite material interface, the research on monolayer films is quite mature. Recently, many researchers have begun to try to improve the thermal conductivity of the interface by using heat treatment or designing double carbide interfaces. Although the current stage has provided limited help in improving the thermal conductivity of copper-based diamond composite materials, it is of significant importance for subsequent research.
5.3. Effect of Temperature, Pressure and Holding Time
In order to achieve copper-based diamond composites with high thermal conductivity it is important to select a suitable process temperature, because different temperatures can result in different states for copper matrix and diamond particles. Figure 12 depicts the microstructures of the fracture surfaces of copper-based diamond composites that were sintered at various temperatures. The localized interfacial debonding was found at a low temperature of 860 °C, while the interfacial adhesion was improved significantly when the temperature increased to 920 °C. However, when the temperature increased continuously to 940 °C, the interfacial bonding deteriorated again [55]. The reason is that at low sintering temperatures, the gaps between diamond particles are not well filled and the poor fluidity of copper can result in low thermal conductivity of copper-based diamond composites. At 920 °C, the fluidity of copper improves, leading to an increase in the density and thermal conductivity of copper-based diamond composites. At high temperatures, however, the following conditions may lead to a decrease in the thermal conductivity. Firstly, the diamond surface may undergo graphitization due to high temperature. Additionally, thermal stresses on diamond particles manifest as compressive stresses during melting, and tensile stresses during curing, causing the diamond particles to detach from the copper matrix easily.
Figure 12.
Fracture surfaces of Cu/diamond composites sintered at: (a) 860 °C; (b) 920 °C; (c) 940 °C. Cu-Cr/diamond composites sintered at: (d) 860 °C; (e) 920 °C; (f) 940 °C. Copyright 2010, with permission from Elsevier [55].
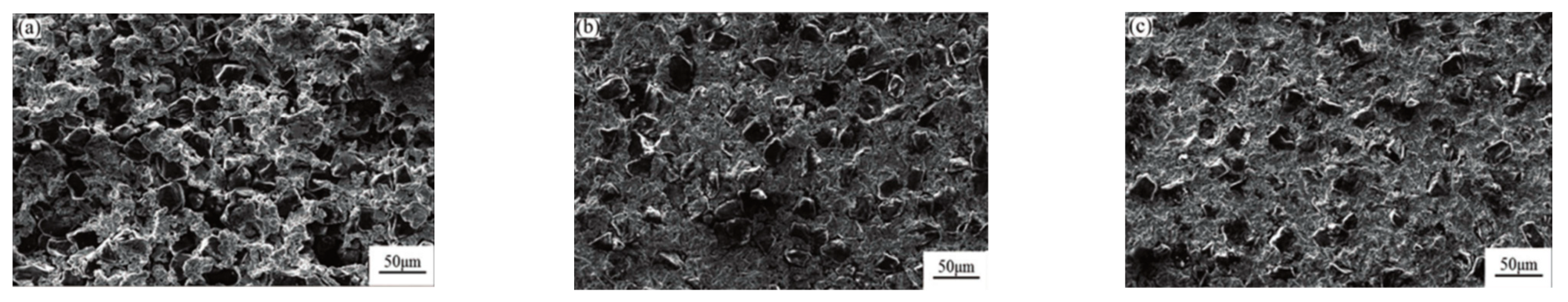
Pressure is also a crucial factor in determining the thermal conductivity of copper-based diamond composites. As the sintering pressure increases, molten copper can penetrate the interstices of diamond particles, which enhances the densities and thermal conductivity of copper-based diamond composites. However, excessive pressure can decrease the density of copper-based diamond composites. Figure 13 shows that the pores in the copper-based diamond composites obtained at 550 MPa are more evident than those obtained at 525 MPa [56]. The possible reason for this phenomenon is that high pressure can lead to gas spillage, creating cavities in the composite and reducing the densities and thermal conductivity of copper-based diamond composites.
Figure 13.
Microstructures of copper-based diamond composites compacted at: (a,b) 550 MPa; (c,d) 525 MPa. Inserting image in (a) shows the blisters on the surface and inserting image in (c) shows no blistering on the surface. Copyright 2014, with permission from Elsevier [56].
The holding time at high temperatures is also a crucial parameter. H. Li [57] used vacuum micro-plasma deposition to deposit a titanium coating on the diamond surface, which enhanced the interfacial binding between the diamond particles and copper. In this study, the effect of holding time on the density of the composite material was investigated. The results showed that the relative density of Ti-coated diamond/copper composite material increased at the beginning, and then decreased with an increase in holding time, reaching a maximum value of 98.72% at 40 min. The reason is that atomic diffusion and migration between Ti-coated diamond and copper substrate require sufficient holding time. Excessive holding time may result in grain growth, gaps, and cracks, leading to a decrease in the density of the composite material.
5.4. Effects of Heat Treatment
Interfacial modification is usually performed by coating the diamond surface with an element or by adding an alloying element to the copper matrix. The interface modification method enables formation of a carbonized layer between the diamond particles and copper. In general, controlling the thickness of the carbonized layer and increasing the density of the carbonized layer is the key to improving the thermal conductivity of the interface. In order to obtain a better quality interface, researchers have tried to improve the thermal conductivity of the diamond by means of heat treatment. J. Sang [58] used magnetron sputtering to deposit tungsten (W) coating on the surface of diamond particles. They prepared copper-based diamond composite materials with high thermal conductivity. The W-coated diamond particles were subjected to different annealing processes before the preparation of the composites by pressure-assisted infiltration. With an increase in annealing temperature, the metal W in the coating transforms into tungsten carbide (W2C, WC). The thermal conductivity of the composites increased, and then decreased as the phase changed from metal W to tungsten carbide (W2C, WC). The thermal conductivity increased from 656 W/(m·K) to 836 W/(m·K), and finally decreased to 770 W/(m·K). When the annealing temperature reached 1100 °C, the metal W disappeared. The coating on the diamond particles consisted of WC and W2C phases. The combination of the diamond/WC and W2C/Cu structures exhibited a higher interfacial thermal conductivity. The W2C sublayer reduced the acoustic impedance mismatch between the Cu and the interfacial coating. When the annealing temperature reached 1200 °C, all the coatings on the diamond surface were transformed into WC, and the diamond was roughly graphitized, resulting, instead, in a decrease in thermal conductivity. Although heat treatment can change the interface structure between diamond and copper, not all heat treatment processes can increase the thermal conductivity of composite materials. L. Lei [59] prepared Cu-1.5 wt.% Ti/diamond (55 vol.%) composite material by hot forging. Through annealing, the thermal conductivity of the composite material was reduced. This is because annealing caused the TiC particles in the composite material to coarsen and agglomerate, as well as, it caused the interface layer of the composite material to crack and strip. In addition, it also caused a large amount of diamond to graphitize. Therefore, adopting a reasonable heat treatment process is one of the keys to improving the thermal conductivity of composite materials.
6. Forming Techniques
In the field of copper-based diamond research, interfacial modification of composite materials is one of the key components. Forming techniques are also a crucial factor for achieving copper-based diamond composites with high thermal conductivity. Currently, there are many mature forming techniques used to obtain copper-based diamond composites with high thermal conductivity. However, some common problems make them unsuitable for mass production. Researchers have been trying some new forming techniques. Although the thermal conductivity obtained through these techniques is not very high, they are still valuable for future research.
The high-temperature and high-pressure method (HTHP) involves filling uniformly mixed powder into graphite molds and sintering the copper/diamond composite materials at high temperature and high pressure. Generally speaking, when the diamond content is greater than 70 vol.%, it is not conducive to improving the thermal conductivity of the composite material. However, when using high-temperature and high-pressure sintering, copper easily fills the gaps between the diamond particles, resulting in high-density composite materials. At the same time, the high-temperature and high-pressure conditions make the preparation of copper/diamond faster. J. He [38] prepared copper-based composites using high-temperature and high-pressure methods. The composites were reinforced using about 90 volume percent diamond particles, and zirconium was added into the copper matrix. The Zr content varied between 0 and 2.0 wt%, to study the microstructure of the Cu-Zr/diamond composite material interface and thermal conductivity. The highest thermal conductivity of the composite material obtained was 677 W/(m·K). Although this is already quite a mature method, there are still many issues. The high-temperature and high-pressure conditions can lead to excessively high costs associated with preparing materials. In addition, due to the restrictions of graphite molds, the size of copper-based diamond composite materials is limited. The prepared sample is shown in Figure 14 [11].
Figure 14.
HPHT devices and composites produced with them: (a,b) toroid-type; (c,d) anvils-with-depression type apparatus. Copyright 2008, with permission from Elsevier [11].
Vacuum hot-pressing sintering (VHPS) is the process of mixing diamond and copper powder in a mold, and then preparing the composite material in a vacuum environment of a hot-pressing furnace. The vacuum hot-pressing sintering equipment consists of three parts: a vacuum system, a pressurization system, and a heating system. Figure 15 is a schematic diagram of the device [34]. Y. Pan [33] proposed a new method for preparing diamond/copper composite materials. Double-layer diamond particles were directly compressed under high pressure to prepare a preform, and then sintered in a vacuum device to densify it. The thermal conductivity of the obtained diamond (65 vol%)/Cu composite material was as high as 720 W/(m·K). H. Sun [60] used the vacuum hot-pressing sintering process to obtain dense diamond/Cu composite material blocks with different Cu volume fractions. The thermal conductivity of the obtained diamond/Cu composite material reached 638 W/(m·K), and the flexural strength reached 276 MPa. The mechanical properties and thermodynamic properties were excellent. The advantages of this method are that the heating rate is uniform and the heating rate is slow. It can effectively reduce the thermal stress generated in the sintering process of the composite material. However, at the same time, its preparation efficiency is correspondingly reduced. This method is also limited by the mold. The pressure cannot be too high, since the density of the composite material can be affected by the pressure.
Figure 15.
Schematic diagram of vacuum hot pressing sintering. Copyright 2018, with permission from Elsevier [34].
The spark plasma sintering (SPS) process involves placing uniformly mixed powders into a graphite mold and sintering them under the action of pulsed current and pressure. The sintering temperature of this method is usually between 800 and 970 °C, which is lower than the melting point of copper. Moreover, this method can rapidly produce high thermal conductivity composite material. It has a fast preparation speed and high efficiency. D. Zhao [36] used a mixture of diamond particles (with Cr/Cu coating) and Cu powder to produce a diamond/Cu composite material using spark plasma sintering. The time to complete the heating process was less than half an hour, and the thermal conductivity of the final sample reached 613 W/(m·K). Y. Pan [61] used a magnetron sputtering technique to coat diamond particles with a layer of zirconium. A diamond-copper composite material was prepared using spark plasma sintering. This method required heating to 900 °C and holding for 20 min, with a heating rate of 100 °C/min. The maximum thermal conductivity (TC) obtained was 609 W/(m·K), and the corresponding coefficient of thermal expansion (CTE) was as low as 6.75 × 10−6 K−1. However, the size of the composite material was limited due to the restrictions of the graphite mold, and the applied pressure was also limited, resulting in low density of the composite material. Figure 16 shows a schematic diagram of the SPS device [62].
Figure 16.
A schematic view of the SPS apparatus. Copyright 2017, with permission from Elsevier [62].
The molten infiltration method involves heating copper in a mixed powder to a molten state and gradually infiltrating it into the gaps of the diamond reinforcing particles. Depending on whether pressure is applied, it is divided into pressureless infiltration (PLI) and pressure infiltration (PI). Pressureless infiltration refers to molten copper permeating into the diamond reinforcing particles without the application of pressure. This method generally involves using a binder to prepare the reinforcement in a preform, heating the copper above its melting point, and then infiltrating it into the diamond reinforcing particles under the protection of a gas atmosphere. The advantage of this method is its simplicity and ease of operation. However, the use of a binder leads to a decrease in the thermal conductivity of the matrix and the resulting composite material has low density. S. Dai [63] prepared a tungsten, diamond, and copper composite material by pressureless infiltration. The composite material contained a large number of pores and defects. The effect of pressureless forming was poor, and compared to pressure infiltration, pressureless infiltration could not effectively fill the gaps between the diamond particles. Pressure infiltration involves infiltration of molten copper into diamond reinforcing particles under the action of pressure. In 2018, L. Wang [21] prepared a composite material of Cu/diamond (using Ti-coated diamond particles with coating thicknesses ranging from 65 nm to 850 nm) by using pressure infiltration. By adjusting the thickness of the interface TiC layer, the thermal conductivity of the Cu/diamond composite was improved. When the thickness of the Ti coating reached 220 nm, the maximum thermal conductivity value of the composite material was 811 W/(m·K). In 2019, L. Wang [29] prepared a Zr alloying-Cu matrix composite material reinforced with diamond particles using pressure infiltration, and the thermal conductivity of the composite material was 930 W/(m·K).
The above-mentioned methods are all mature, and the copper-based diamond composite materials produced have high thermal conductivity. However, it is difficult to produce complex-shaped composite materials using these methods. Recently, researchers have begun to study new methods to address production issues associated with copper-based diamond composite materials, such as additive manufacturing. L. Constantin [64] prepared a Cu/diamond composite with a thermal conductivity of 330 W/(m·K) using the laser-directed energy deposition method. The experimental results showed that the diamond did not graphitize, which demonstrated the feasibility of this method. The limitation of additive manufacturing is the slow production speed, high fixed price of solid materials, and limited material composition. In addition, this method is prone to defects, and the resulting thermal conductivity of the composite materials is not very high.
Typically, the methods for preparing copper-based diamond composite materials are time-consuming or energy-consuming. Hot forging is a feasible and economically effective method for preparing copper-based diamond composite materials, which has potential as a preparation method. The produced process has high mechanical and thermophysical properties, which has attracted the attention of many researchers in recent years. S. Q. Jia [65] successfully prepared Cu-Cr/55 vol% diamond composite by using hot forging powder preforms. As the Cr content increased from 1 wt% to 3 wt%, the relative density of the prepared composite increased. The thermal conductivity also increased accordingly. When the Cr content was 3 wt%, the thermal conductivity reached 487 W/(m·K). L. Lei [66] prepared Cu/55 vol% diamond (Ti) composite via hot forging. The thermal conductivity, CTE, and bending strength of the composite were 550 W/(m·K) (99% of the theoretical value), 7 × 10−6/K, and 418 MPa, respectively. However, this method also has some issues. Copper-bassed diamond composite materials introduce significant internal stresses during hot forging, mainly limited between the interface and the copper matrix. The relatively fast cooling rate from forging temperature to room temperature can lead to interface detachment [67]. Suitable temperature and methods need to be found to control interface detachment between the interface and the matrix.
In addition to the methods mentioned above, many shaping methods have been used by researchers in recent years, such as the liquid–solid separation technique [68,69], friction stir processing [70], and ultrasonic consolidation [71]. Although the composite materials obtained through these methods are not the most outstanding, these attempts are of significant importance for future copper/diamond research.
7. Conclusions and Outlook
Due to the increasing integration of electronic devices, there is a growing demand for packaging materials with high thermal conductivity. However, conventional packaging materials fail to meet this high thermal conductivity requirement. To address this requirement, a copper-based diamond composite is proposed, where diamond particles (with a thermal conductivity of 2000 W/(m·K)) are compounded with copper matrix (with a thermal conductivity of 398 W/(m·K)). By enhancing the interface between copper and diamond particles, the thermal conductivity of copper-based diamond composites can be increased to over 900 W/(m·K). The exceptional thermal conductivity of copper-based diamond composites makes them ideal materials for use in military, aviation, and aerospace applications. Nevertheless, for mass production of copper-based diamond composites, there is a need to discover the suitable process parameters and preparation methods that can achieve high thermal conductivity while minimizing manufacturing costs. Ongoing studies on copper-based diamond composites have mainly focused on improving the interfaces of copper matrix and diamond particles, and optimizing the manufacturing processes with lower costs. Based on the conclusions of recent reviews [72,73] and our own perspective, the following recommendations can be made:
- (1)
- There is a need to improve the existing models and to improve the preparation process of Cu/diamond composite materials. Based on our findings, there is still a significant gap between the theoretical models and the actual data. One method is to consider more factors to make the theoretical thermal conductivity closer to the actual thermal conductivity; however, this method would make the predictive model more complicated. Researchers can further improve the preparation process of Cu/diamond composite materials so that the thermal conductivity of the prepared materials is closer to the theoretical value. This would make the theoretical model more practical in guiding actual production.
- (2)
- Studies on forming techniques that focus on reducing power consumption, improving efficiency, and increasing thermal conductivity lay a foundation for better practical applications in production. The existing shaping methods are not very efficient. High-power equipment is required to achieve ultra-high thermal conductivity. In recent years, although shaping methods have been working on solving power consumption and efficiency issues, the obtained composite materials do not have outstanding thermal conductivity. To make copper-based diamond composite materials more widely used in daily life, we need to pay more attention to the development of new forming techniques.
- (3)
- Future studies on the copper-based diamond composites should focus on both the thermal and the mechanical properties. The existing studies have focused primarily on how to improve thermal conductivity, and many composite materials with high thermal conductivity have been developed. However, there are still many issues to be addressed before high thermal conductivity composite materials can be applied. We need to consider whether the strength of the composite material is sufficient. Similarly, we need to consider the processability of the composite material. Only when high thermal conductivity and high mechanical performance are simultaneously achieved, can copper-based diamond composite materials be more effectively applied in the field of electronic packaging.
Author Contributions
Conceptualization, H.C.; writing—original draft preparation, K.C.; writing—review and editing, R.Z., Y.K. and H.C.; supervision, X.L. and H.C.; funding acquisition, H.C. All authors have read and agreed to the published version of the manuscript.
Funding
The authors are grateful for the financial support of the Open Project Program of State Key Laboratory of Advanced Welding and Joining (No. AWJ-23Z04), the Guangdong Basic and Applied Basic Research Foundation (No. 2021A1515012411), and the Characteristic Innovation Project of Guangdong Educational Department (No. 2022KTSCX217).
Data Availability Statement
The data presented in this study are available on request from the corresponding author.
Conflicts of Interest
The authors declare no conflict of interest.
References
- Sarvar, F.; Whalley, D.C.; Conway, P.P. Thermal interface materials-A review of the state of the art. In Proceedings of the 2006 1st Electronic System Integration Technology Conference, Dresden, Germany, 5–7 September 2006; IEEE: New York, NY, USA, 2006; Volume 2, pp. 1292–1302. [Google Scholar]
- Moore, A.L.; Shi, L. Emerging challenges and materials for thermal management of electronics. Mater. Today 2014, 17, 163–174. [Google Scholar] [CrossRef]
- Yamamoto, Y.; Imai, T.; Tanabe, K.; Tsuno, T.; Kumazawa, Y.; Fujimori, N. The measurement of thermal properties of diamond. Diam. Relat. Mater. 1997, 6, 1057–1061. [Google Scholar] [CrossRef]
- Ma, S.; Zhao, N.; Shi, C.; Liu, E.; He, C.; He, F.; Ma, L. Mo2C coating on diamond: Different effects on thermal conductivity of diamond/Al and diamond/Cu composites. Appl. Surf. Sci. 2017, 402, 372–383. [Google Scholar] [CrossRef]
- Xue, C.; Yu, J.K.; Zhu, X.M. Thermal properties of diamond/SiC/Al composites with high volume fractions. Mater. Des. 2011, 32, 4225–4229. [Google Scholar] [CrossRef]
- Liang, X.; Jia, C.; Chu, K.; Chen, H.; Nie, J.; Gao, W. Thermal conductivity and microstructure of Al/diamond composites with Ti-coated diamond particles consolidated by spark plasma sintering. J. Compos. Mater. 2012, 46, 1127–1136. [Google Scholar] [CrossRef]
- Wu, J.; Zhang, H.; Zhang, Y.; Li, J.; Wang, X. Effect of copper content on the thermal conductivity and thermal expansion of Al–Cu/diamond composites. Mater. Des. 2012, 39, 87–92. [Google Scholar] [CrossRef]
- Ren, S.; Shen, X.; Guo, C.; Liu, N.; Zang, J.; He, X.; Qu, X. Effect of coating on the microstructure and thermal conductivities of diamond–Cu composites prepared by powder metallurgy. Compos. Sci. Technol. 2011, 71, 1550–1555. [Google Scholar] [CrossRef]
- Zhang, Y.J.; Dong, Y.H.; Zhang, R.Q.; Ren, X.T.; Chu, A.M.; Chen, D.Z.; Chen, Q.J.; Ye, Z.G. Numerical simulation of thermal conductivity of diamond/copper composites. Trans. Mater. Heat Treat. 2018, 39, 110. [Google Scholar]
- Schubert, T.; Trindade, B.; Weißgärber, T.; Kieback, B. Interfacial design of Cu-based composites prepared by powder metallurgy for heat sink applications. Mater. Sci. Eng. A 2008, 475, 39–44. [Google Scholar] [CrossRef]
- Ekimov, E.A.; Suetin, N.V.; Popovich, A.F.; Ralchenko, V.G. Thermal conductivity of diamond composites sintered under high pressures. Diam. Relat. Mater. 2008, 17, 838–843. [Google Scholar] [CrossRef]
- Zhang, C.; Cai, Z.; Tang, Y.; Wang, R.; Peng, C.; Feng, Y. Microstructure and thermal behavior of diamond/Cu composites: Effects of surface modification. Diam. Relat. Mater. 2018, 86, 98–108. [Google Scholar] [CrossRef]
- Zhang, X.Y.; Xu, M.; Cao, S.Z.; Chen, W.B.; Yang, W.Y.; Yang, Q.Y. Enhanced thermal conductivity of diamond/copper composite fabricated through doping with rare-earth oxide Sc2O3. Diam. Relat. Mater. 2020, 104, 107755. [Google Scholar] [CrossRef]
- Chao, Z.; Wang, J. Enhanced mechanical properties in diamond/Cu composites with chromium carbide coating for structural applications. Mater. Sci. Eng. A 2013, 588, 221–227. [Google Scholar]
- Eucken, A. Heat transfer in ceramic refractory materials: Calculation from thermal conductivities of constituents. Fortchg. Gebiete Ingenieurw. B3 Forschungsheft 1932, 16, 353–360. [Google Scholar]
- Hasselman, D.P.H.; Donaldson, K.Y.; Liu, J.; Gauckler, L.J.; Ownby, P.D. Thermal Conductivity of a Particulate-Diamond-Reinforced Cordierite Matrix Composite. J. Am. Ceram. Soc. 1994, 77, 1757–1760. [Google Scholar] [CrossRef]
- Tavangar, R.; Molina, J.M.; Weber, L. Assessing predictive schemes for thermal conductivity against diamond-reinforced silver matrix composites at intermediate phase contrast. Scr. Mater. 2007, 56, 357–360. [Google Scholar] [CrossRef]
- Zhang, Y.; Zhang, H.L.; Wu, J.H.; Wang, X.T. Enhanced thermal conductivity in copper matrix composites reinforced with titanium-coated diamond particles. Scr. Mater. 2011, 65, 1097–1100. [Google Scholar] [CrossRef]
- Che, Q.L.; Zhang, J.J.; Chen, X.K.; Ji, Y.Q.; Li, Y.W.; Wang, L.X.; Cao, S.Z.; Guo, L.; Wang, Z.; Wang, S.W.; et al. Spark plasma sintering of titanium-coated diamond and copper–titanium powder to enhance thermal conductivity of diamond/copper composites. Mater. Sci. Semicond. Process. 2015, 33, 67–75. [Google Scholar] [CrossRef]
- Zhang, Y.; Bai, G.; Liu, X.; Dai, J.; Wang, X.; Zhang, H. Reinforcement size effect on thermal conductivity in Cu-B/diamond composite. J. Mater. Sci. Technol. 2021, 91, 1–4. [Google Scholar] [CrossRef]
- Wang, L.; Li, J.; Catalano, M.; Bai, G.; Li, N.; Dai, J.; Wanga, X.; Zhanga, H.; Kim, M.J. Enhanced thermal conductivity in Cu/diamond composites by tailoring the thickness of interfacial TiC layer. Compos. Part A Appl. Sci. Manuf. 2018, 113, 76–82. [Google Scholar] [CrossRef]
- Rape, A.; Gott, K.; Kulkarni, A.; Singh, J. Simulation of matrix conductivity in copper–diamond composites sintered by field assisted sintering technology. Comput. Mater. Sci. 2015, 110, 29–33. [Google Scholar] [CrossRef]
- Every, A.G.; Tzou, Y.; Hasselman, D.P.H.; Raj, R. The Effect of Microstructure on the Thermal Conductivity of Particulate ZnS/Diamond Composites. Acta Metall. Mater. 1992, 40, 123–129. [Google Scholar] [CrossRef]
- Swartz, E.T.; Pohl, R.O. Thermal boundary resistance. Rev. Mod. Phys. 1989, 61, 605. [Google Scholar] [CrossRef]
- Zhang, Y.; Wang, Z.; Li, N.; Che, Z.; Liu, X.; Chang, G.; Hao, J.; Dai, J.; Wang, X.; Sun, F.; et al. Interfacial Thermal Conductance between Cu and Diamond with Interconnected W− W2C Interlayer. ACS Appl. Mater. Interfaces 2022, 14, 35215–35228. [Google Scholar] [CrossRef] [PubMed]
- Kidalov, S.V.; Shakhov, F.M.; Vul, A.Y. Thermal conductivity of nanocomposites based on diamonds and nanodiamonds. Diam. Relat. Mater. 2007, 16, 2063–2066. [Google Scholar] [CrossRef]
- Hanada, K.; Matsuzaki, K.; Sano, T. Thermal properties of diamond particle-dispersed Cu composites. J. Mater. Process. Technol. 2004, 153, 514–518. [Google Scholar] [CrossRef]
- Wu, Y.; Luo, J.; Wang, Y.; Wang, G.; Wang, H.; Yang, Z.; Ding, G. Critical effect and enhanced thermal conductivity of Cu-diamond composites reinforced with various diamond prepared by composite electroplating. Ceram. Int. 2019, 45, 13225–13234. [Google Scholar] [CrossRef]
- Wang, L.; Li, J.; Bai, G.; Li, N.; Wang, X.; Zhang, H.; Wang, J.; Kim, M.J. Interfacial structure evolution and thermal conductivity of Cu-Zr/diamond composites prepared by gas pressure infiltration. J. Alloy. Compd. 2019, 781, 800–809. [Google Scholar] [CrossRef]
- Zhang, Y.; Bai, G.; Zhu, X.; Dai, J.; Wang, X.; Wang, J.; Kim, M.J.; Zhang, H. Manipulating in-situ discrete carbide interlayer to achieve high thermal conductivity in Cu-B/diamond composite. Mater. Today Commun. 2023, 34, 105357. [Google Scholar] [CrossRef]
- Bai, G.; Li, N.; Wang, X.; Wang, J.; Kim, M.J.; Zhang, H. High thermal conductivity of Cu-B/diamond composites prepared by gas pressure infiltration. J. Alloy. Compd. 2018, 735, 1648–1653. [Google Scholar] [CrossRef]
- Wang, L.; Li, J.; Che, Z.; Wang, X.; Zhang, H.; Wang, J.; Kim, M.J. Combining Cr pre-coating and Cr alloying to improve the thermal conductivity of diamond particles reinforced Cu matrix composites. J. Alloy. Compd. 2018, 749, 1098–1105. [Google Scholar] [CrossRef]
- Pan, Y.; He, X.; Ren, S.; Wu, M.; Qu, X. High thermal conductivity of diamond/copper composites produced with Cu–ZrC double-layer coated diamond particles. J. Mater. Sci. 2018, 53, 8978–8988. [Google Scholar] [CrossRef]
- Pan, Y.; He, X.; Ren, S.; Wu, M.; Qu, X. Optimized thermal conductivity of diamond/Cu composite prepared with tungsten-copper-coated diamond particles by vacuum sintering technique. Vacuum 2018, 153, 74–81. [Google Scholar] [CrossRef]
- Xie, Z.; Guo, H.; Zhang, X.; Huang, S.; Xie, H.; Mi, X. Tailoring the thermal and mechanical properties of diamond/Cu composites by interface regulation of Cr alloying. Diam. Relat. Mater. 2021, 114, 108309. [Google Scholar] [CrossRef]
- Zhao, D.; Zha, S.; Liu, D. Influence of sputtering and electroless plating of Cr/Cu dual-layer structure on thermal conductivity of diamond/copper composites. Diam. Relat. Mater. 2021, 115, 108296. [Google Scholar] [CrossRef]
- Tao, J.M.; Zhu, X.K.; Tian, W.W.; Peng, Y.A.; Hao, Y.A. Properties and microstructure of Cu/diamond composites prepared by spark plasma sintering method. Trans. Nonferrous Met. Soc. China 2014, 24, 3210–3214. [Google Scholar] [CrossRef]
- He, J.; Wang, X.; Zhang, Y.; Zhao, Y.; Zhang, H. Thermal conductivity of Cu–Zr/diamond composites produced by high temperature–high pressure method. Compos. Part B Eng. 2015, 68, 22–26. [Google Scholar] [CrossRef]
- Xie, Z.; Guo, H.; Zhang, Z.; Zhang, X. Thermal expansion behavior and dimensional stability of Diamond/Cu composites with different diamond content. J. Alloy. Compd. 2019, 797, 122–130. [Google Scholar] [CrossRef]
- Jia, J.; Bai, S.; Xiong, D.; Wang, J.; Chang, J. Effect of tungsten based coating characteristics on microstructure and thermal conductivity of diamond/Cu composites prepared by pressueless infiltration. Ceram. Int. 2019, 45, 10810–10818. [Google Scholar] [CrossRef]
- Chang, G.; Sun, F.; Duan, J.; Che, Z.; Wang, X.; Wang, J.; Kim, M.J.; Zhang, H. Effect of Ti interlayer on interfacial thermal conductance between Cu and diamond. Acta Mater. 2018, 160, 235–246. [Google Scholar] [CrossRef]
- Yang, L.; Sun, L.; Bai, W.; Li, L. Thermal conductivity of Cu-Ti/diamond composites via spark plasma sintering. Diam. Relat. Mater. 2019, 94, 37–42. [Google Scholar] [CrossRef]
- Chu, K.; Jia, C.; Guo, H.; Li, W. On the thermal conductivity of Cu–Zr/diamond composites. Mater. Des. 2013, 45, 36–42. [Google Scholar] [CrossRef]
- Sang, J.; Yang, W.; Zhu, J.; Fu, L.; Li, D.; Zhou, L. Regulating interface adhesion and enhancing thermal conductivity of diamond/copper composites by ion beam bombardment and following surface metallization pretreatment. J. Alloy. Compd. 2018, 740, 1060–1066. [Google Scholar] [CrossRef]
- Wu, X.; Li, L.; Zhang, W.; Song, M.; Yang, W.; Peng, K. Effect of surface roughening on the interfacial thermal conductance of diamond/copper composites. Diam. Relat. Mater. 2019, 98, 107467. [Google Scholar] [CrossRef]
- Wu, X.; Wan, D.; Zhang, W.; Song, M.; Peng, K. Constructing efficient heat transfer channels at the interface of Diamond/Cu composites. Compos. Interfaces 2021, 28, 625–635. [Google Scholar] [CrossRef]
- Zhang, C.; Wang, R.; Cai, Z.; Peng, C.; Feng, Y.; Zhang, L. Effects of dual-layer coatings on microstructure and thermal conductivity of diamond/Cu composites prepared by vacuum hot pressing. Surf. Coat. Technol. 2015, 277, 299–307. [Google Scholar] [CrossRef]
- Li, H.; Xie, Y.; Zhang, L.; Wang, H. Thermal properties of diamond/Cu composites enhanced by TiC plating with molten salts containing fluoride and electroless-plated Cu on diamond particles. Diam. Relat. Mater. 2022, 129, 109337. [Google Scholar] [CrossRef]
- Sang, J.; Yuan, Y.; Yang, W.; Zhu, J.; Fu, L.; Li, D.; Zhou, L. Exploring the underlying causes of optimizing thermal conductivity of copper/diamond composites by interface thickness. J. Alloy. Compd. 2022, 891, 161777. [Google Scholar] [CrossRef]
- Jia, J.; Bai, S.; Xiong, D.; Xiao, J.; Yan, T. Enhanced thermal conductivity in diamond/copper composites with tungsten coatings on diamond particles prepared by magnetron sputtering method. Mater. Chem. Phys. 2020, 252, 123422. [Google Scholar] [CrossRef]
- Kang, Q.; He, X.; Ren, S.; Liu, T.; Liu, Q.; Wu, M.; Qu, X. Microstructure and thermal properties of copper–diamond composites with tungsten carbide coating on diamond particles. Mater. Charact. 2015, 105, 18–23. [Google Scholar] [CrossRef]
- Kang, Q.; He, X.; Ren, S.; Zhang, L.; Wu, M.; Guo, C.; Cui, W.; Qu, X. Preparation of copper–diamond composites with chromium carbide coatings on diamond particles for heat sink applications. Appl. Therm. Eng. 2013, 60, 423–429. [Google Scholar] [CrossRef]
- Fu, X.; Jiang, J.; Jiang, X. Research Progress in Interfacial Characteristics and Strengthening Mechanisms of Rare Earth Metal Oxide-Reinforced Copper Matrix Composites. Materials 2022, 15, 5350. [Google Scholar] [CrossRef]
- Kang, Q.; Wu, X. Preparation, mechanical properties and thermo physical properties of copper/diamond composites with WC coating diamond particles by vacuum-pressure infiltration. J. Alloy. Compd. 2019, 789, 310–316. [Google Scholar]
- Chu, K.; Liu, Z.; Jia, C.; Chen, H.; Liang, X.; Gao, W.; Tian, W.; Guo, H. Thermal conductivity of SPS consolidated Cu/diamond composites with Cr-coated diamond particles. J. Alloy. Compd. 2010, 490, 453–458. [Google Scholar] [CrossRef]
- Raza, K.; Khalid, F.A. Optimization of sintering parameters for diamond–copper composites in conventional sintering and their thermal conductivity. J. Alloy. Compd. 2014, 615, 111–118. [Google Scholar] [CrossRef]
- Li, H.; Wang, C.; Wu, L.; Chen, M.; Wu, C.; Wang, N.; Li, Z.; Tang, L.; Pang, Q. Optimization of process parameters, microstructure, and thermal conductivity properties of Ti-coated diamond/copper composites prepared by spark plasma sintering. J. Mater. Sci. Mater. Electron. 2021, 32, 9115–9125. [Google Scholar] [CrossRef]
- Sang, J.; Zhou, L.; Yang, W.; Zhu, J.; Fu, L.; Li, D. Enhanced thermal conductivity of copper/diamond composites by fine-regulating microstructure of interfacial tungsten buffer layer. J. Alloy. Compd. 2021, 856, 157440. [Google Scholar] [CrossRef]
- Lei, L.; Su, Y.; Bolzoni, L.; Yang, F. Evaluation on the interface characteristics, thermal conductivity, and annealing effect of a hot-forged Cu-Ti/diamond composite. J. Mater. Sci. Technol. 2020, 49, 7–14. [Google Scholar] [CrossRef]
- Sun, H.; Guo, L.; Deng, N.; Li, X.; Li, J.; He, G.; Li, J. Elaborating highly thermal-conductive diamond/Cu composites by sintering intermittently electroplated core-shell powders. J. Alloy. Compd. 2019, 810, 151907. [Google Scholar] [CrossRef]
- Pan, Y.; He, X.; Ren, S.; Wu, M.; Qu, X. Improvement of ZrC/Zr coating on the interface combination and physical properties of diamond-copper composites fabricated by spark plasma sintering. Materials 2019, 12, 475. [Google Scholar] [CrossRef]
- Azarniya, A.; Azarniya, A.; Sovizi, S.; Hosseini, H.R.M.; Varol, T.; Kawasaki, A.; Ramakrishna, S. Physicomechanical properties of spark plasma sintered carbon nanotube-reinforced metal matrix nanocomposites. Prog. Mater. Sci. 2017, 90, 276–324. [Google Scholar] [CrossRef]
- Dai, S.G.; LI, J.W.; Wang, C.J. Preparation and thermal conductivity of tungsten coated diamond/copper composites. Trans. Nonferrous Met. Soc. China 2022, 32, 2979–2992. [Google Scholar] [CrossRef]
- Constantin, L.; Fan, L.; Pontoreau, M.; Wang, F.; Cui, B.; Battaglia, J.L.; Silvain, J.F.; Lu, Y.F. Additive manufacturing of copper/diamond composites for thermal management applications. Manuf. Lett. 2020, 24, 61–66. [Google Scholar] [CrossRef]
- Jia, S.Q.; Bolzoni, L.; Li, T.; Yang, F. Unveiling the interface characteristics and their influence on the heat transfer behavior of hot-forged Cu–Cr/Diamond composites. Carbon 2021, 172, 390–401. [Google Scholar] [CrossRef]
- Lei, L.; Bolzoni, L.; Yang, F. High thermal conductivity and strong interface bonding of a hot-forged Cu/Ti-coated-diamond composite. Carbon 2020, 168, 553–563. [Google Scholar] [CrossRef]
- Lei, L.; Bolzoni, L.; Yang, F. The Impact of Interface Characteristics on Mechanical Performance of a Hot-Forged Cu/Ti-Coated-Diamond Composite. Mater. Sci. Forum 2021, 1016, 1682–1689. [Google Scholar] [CrossRef]
- Li, Y.; Zhou, H.; Wu, C.; Yin, Z.; Liu, C.; Liu, J.; Shi, Z. Interfacial Characterization and Thermal Conductivity of Diamond/Cu Composites Prepared by Liquid-Solid Separation Technique. Nanomaterials 2023, 13, 878. [Google Scholar] [CrossRef]
- Zhou, H.; Ran, M.; Li, Y.; Yin, Z.; Tang, Y.; Zhang, W.; Zheng, W.; Liu, J. Improvement of thermal conductivity of diamond/Al composites by optimization of liquid-solid separation process. J. Mater. Process. Technol. 2021, 297, 117267. [Google Scholar] [CrossRef]
- Huda, N.; Bisht, A.; Moreau, E.; Corbin, S.; Rabkin, E.; Gerlich, A.P. Fabrication of copper–diamond composite by friction stir processing. J. Mater. Sci. 2023, 58, 4184–4198. [Google Scholar] [CrossRef]
- Wang, B.; Zhang, H.; Yu, G.; Du, R.; He, P. A novel ultrasonic consolidation method for rapid preparation of diamond/Cu composites. Mater. Lett. 2022, 323, 132498. [Google Scholar] [CrossRef]
- Dai, S.; Li, J.; Lu, N. Research progress of diamond/copper composites with high thermal conductivity. Diam. Relat. Mater. 2020, 108, 107993. [Google Scholar] [CrossRef]
- Jia, S.Q.; Yang, F. High thermal conductive copper/diamond composites: State of the art. J. Mater. Sci. 2021, 56, 2241–2274. [Google Scholar] [CrossRef]
Disclaimer/Publisher’s Note: The statements, opinions and data contained in all publications are solely those of the individual author(s) and contributor(s) and not of MDPI and/or the editor(s). MDPI and/or the editor(s) disclaim responsibility for any injury to people or property resulting from any ideas, methods, instructions or products referred to in the content. |
© 2023 by the authors. Licensee MDPI, Basel, Switzerland. This article is an open access article distributed under the terms and conditions of the Creative Commons Attribution (CC BY) license (https://creativecommons.org/licenses/by/4.0/).















