Abstract
To address the limitations regarding poor adaptability to complex forest environments as well as high installation and operational costs in existing mountain transportation equipment, a modular cable-type equipment for moso bamboo transportation was designed based on the terrain characteristics of steep bamboo forests and specific transportation requirements. This study first presents the overall structure and working principle of the transportation equipment. Next, a theoretical analysis and component selection were conducted for critical parts such as the wire rope, supporting components, wire-rope-driven devices, and hydraulic systems. Then, the static characteristics of the supporting components and the vibration characteristics of the wire rope were simulated and analyzed. Finally, performance testing of the equipment was conducted, focusing on transportation productivity and machine utilization. The results showed that the maximum deformation of the supporting components was 1.75 mm, occurring at the lower roller–rail contact region. During unloading, the first-order principal vibration amplitude of the wire rope had the greatest impact at the mid-span position, with a value of 0.27 m. The vibration frequency of the wire rope during operation is influenced by the its initial tension, load mass, and attachment distance, with the first-order frequency range approximately between 0.85 and 3.90 Hz. Within this frequency range, the bouncing excitation caused by moso bamboo does not induce resonance in the wire rope. The transportation productivity of the equipment was 2.61 tons per hour, with the machine utilization rate exceeding 95%. This study indicates that the designed cable-type equipment effectively meets the requirements for moso bamboo transportation in complex forest environments.
1. Introduction
Bamboo is a rapidly growing and highly proliferative grass species, reaching structural maturity within 50 to 60 days of sprouting. Newly planted bamboo forests can be harvested within 3 to 6 years. Due to its excellent elasticity and toughness, bamboo is widely used in various industries such as the light industry, construction, transportation, furniture, paper-making, and handicrafts, offering significant economic, ecological, and cultural value. China is the country with the richest variety and widest distribution of bamboo species. China ranks first in the world in terms of bamboo planting area, stock volume, production, and export value, earning the reputation of the “Kingdom of Bamboo”. The annual production of bamboo in China reaches 3.256 billion poles, with the bamboo industry’s output value nearing 320 billion yuan. The total export trade value of bamboo products has reached 2.2 billion USD. With continuously increasing industrial contribution, the bamboo industry has become an important pillar industry for achieving the efficient transformation of the “Two Mountains” theory which posits that “lucid waters and lush mountains are invaluable assets”, and for increasing the income of rural residents [1]. In China, moso bamboo (Phyllostachys edulis) primarily grows in areas with relatively loose soil such as mountains, hills, and plains, with the majority distributed in mountainous and hilly regions characterized by complex terrain, steep slopes, and deep valleys. Moso bamboo plantations are characterized by a fragmented and dispersed distribution. Owing to insufficient infrastructure including forest roads and power supply, it is difficult to establish a comprehensive transportation network. Harvesting, collection, and transportation are still largely carried out manually in high and steep terrains, resulting in high labor intensity and causing large amounts of mature bamboo to remain stranded in the mountains [2]. With the increasing aging population and rising labor costs, there is an urgent need to develop advanced and specialized machinery tailored to the terrain characteristics of bamboo forests to improve bamboo production efficiency and reduce labor intensity [3].
Cable logging system is a core equipment for mountainous forestry material transportation, which realizes the extraction of wood/bamboo by means of a carriage operating on an elevated load-bearing cable, and is characterized by strong terrain adaptability, low ecological disturbance and high transportation efficiency. For mountain wood cable transportation, the academic community has formed a series of core technical requirements through long-term research: first, the load matching design should be adapted to the characteristics of long and heavy wood/bamboo materials to avoid material damage caused by uneven stress; second, the structural design should meet the requirements of flexible deployment in complex terrains, and the installation and disassembly costs should be controlled; third, the dynamic characteristics of the wire rope should be optimized to avoid resonance caused by external excitation, which affects transportation safety; fourth, the equipment should have good ecological compatibility, and minimize the damage to forest land and vegetation during installation and operation. In recent years, researchers have continuously optimized and explored the load-carrying capacity, long-distance transmission capability, and precise braking control of cable systems. Liu et al. [4]. successively manufactured F10 and F20 steel wire ropes which are characterized by low torsion, excellent flexibility, and high durability, making them suitable for diverse cableway transport applications. Liu et al. [4] developed a FUN.M material cableway system capable of transporting 67 vehicles per hour along a 452-m route. Mancuso et al. [5] investigated the anchoring capacity of ground anchors used in cable logging systems and identified the main factors affecting anchor rod holding capacity as equipment weight, slope gradient, blade embedment, anchor cable tension angle, and soil type. Design solutions were compared with experimental data to verify the effectiveness of predicting anchor bearing capacity. Marchi et al. [6] designed and developed a high-strength pull-out device to reproduce the loading conditions of trees used as anchors, while employing low-cost precision sensors to monitor their movement; the directly obtained bearing capacity was sufficiently accurate. Lei et al. [7] designed a bamboo cableway carriage transportation system to address the difficulty of downhill transportation of bamboo, which effectively improved transportation safety and efficiency in bamboo forests, but the system adopted a fixed structure and had poor adaptability to complex terrain with large height differences. In the same year, they also designed a bamboo cableway extraction system and verified its rationality through modeling and simulation analysis, providing a foundation for the overall design of lightweight and simplified bamboo cableway transportation equipment and offering a new approach for downhill bamboo transport. Wu et al. [8] proposed a segmented, modular, and mobile support frame secured by guy cables to address the difficulty of finding suitable live trees as supports during plantation logging operations. Each individual member of the frame has moderate length and low weight, facilitating transport and relocation, and significantly promoting the application of lightweight cableway systems, but the frame was not optimized for the long-length transportation characteristics of moso bamboo. Feng et al. [9] conducted a comparative analysis of lightweight cableway logging and road-based logging from three aspects, and the results showed that cableway logging offers advantages such as minimal ecological disturbance, high transport efficiency, large transport capacity, and high transport speed in forest harvesting. Fu, Y.Y. [10] optimized the design of the mountain forestry cableway system, but the system was mainly aimed at wood transportation in European mountainous areas, and could not be directly applied to moso bamboo transportation in southern China due to different terrain characteristics and material properties.
At present, the existing bamboo transportation methods can be divided into six types: manual carrying, self-propelled mobile systems, chute transportation, rail-based conveying, cable transportation and unmanned aerial vehicle transportation. Among them, manual carrying involves high labor intensity and excessive costs. Self-propelled mobile systems typically use wheeled or tracked tractors as the power chassis, equipped with corresponding material collection devices to achieve efficient bamboo transportation; however, it requires accessible forest roads [10]. Chute transportation utilizes the terrain advantage to construct a bamboo chute that allows bamboo to slide rapidly downhill under the action of gravity, but due to the rugged and uneven terrain of forest areas, bamboo often collides with protruding rocks during descent, causing fractures and making it difficult to ensure material safety during transport. Rail-based conveying systems install a certain number of tracks within the forest, along which mobile cargo boxes carry bamboo downhill; however, this approach incurs high hardware and labor costs, limiting large-scale application. Ropeway transportation enables the rapid and safe delivery of bamboo to the foot of the mountain via wire rope. Compared with chute systems, cable systems offer higher transport efficiency, broader applicability, and flexible layout according to terrain variations [11]. Recently, with the advancement of low-altitude unmanned aerial vehicle technology, several studies have explored the use of heavy-lift drones for moso bamboo hoisting and transport operations in forested areas. Although unmanned aerial vehicles can overcome terrain limitations and provide flexible operation modes, obstacles such as tree branches and high-voltage lines in dense forests may interfere with flight paths, affecting the operator’s route planning. Additionally, the high hardware and battery costs of unmanned aerial vehicles impose significant technical and economic barriers to widespread adoption [3]. Therefore, achieving a rapid, labor-efficient, and damage-free bamboo transportation method remains a major challenge in the bamboo industry [12]. Furthermore, ensuring low-cost investment while maintaining the structural integrity of bamboo is a key factor determining whether a transportation system can be promoted and applied on a large scale [13].
Aiming at the problems of poor terrain adaptability, high installation/operation costs and insufficient transportation stability of existing mountain moso bamboo transportation equipment, this study takes the typical moso bamboo forest terrain in northern Zhejiang as the research background, designs a modular cable-type moso bamboo transportation equipment, and carries out theoretical analysis, key component selection, static and dynamic simulation analysis and field performance test on the equipment. The research scope includes the overall structural design of the equipment, the selection and design of key components (wire rope, supporting components, wire rope driving device, hydraulic system), the static characteristic simulation of supporting components, the vibration characteristic analysis of wire rope, and the test of transportation productivity and machine utilization rate. The research is not applicable to extreme-terrain, extreme-weather conditions (heavy rainfall, strong wind) and ultra-long distance moso bamboo transportation scenarios. The research is expected to provide a low-cost, high-adaptability and high-stability technical scheme for moso bamboo transportation in complex forest environments, and provide a reference for the mechanized design of forestry cable transportation equipment for long and brittle materials.
2. Overall Structure and Working Principle
2.1. Overall Structure
The complex terrain of hilly and steep forests results in high labor intensity and a lack of suitable machinery for post-harvest moso bamboo transportation. To address this issue, a modular and low-cost cable-type moso bamboo transportation equipment was innovatively designed based on the terrain characteristics and mechanized transportation requirements of moso bamboo. This equipment can adapt to complex mountainous environments and effectively improve the transportation efficiency of moso bamboo in challenging forest conditions [3]. The equipment mainly consists of a power module, supporting components, and a circulating wire rope. The overall structure of the equipment is shown in Figure 1, and the main technical parameters of the equipment are shown in Table 1. Among them, the power module is composed of a crawler chassis, an engine, a hydraulic transmission system, and a wire-rope-driven device. The engine provides power to two subsystems: one is connected to the hydrostatic transmission (HST) system to drive the crawler chassis, and the other delivers power to the wire-rope-driven device through a hydraulic pump and a valve group. This configuration enables the equipment to perform movement, steering, wire rope traction, and reciprocating circulation functions. The overall structure of the power module is shown in Figure 2.
Figure 1.
Overall structural diagram of the cable-type moso bamboo transportation equipment. 1. Power module; 2. Supporting components; 3. Circulating wire rope.
Table 1.
Main technical parameters of the cable-type moso bamboo transportation equipment.
Figure 2.
Structural diagram of the power module. 1. Drive roller; 2. Hydraulic motor; 3. Wire rope; 4. Engine.
2.2. Working Principle
First, according to the terrain characteristics and the growth pattern of moso bamboo, the wire rope installation route and the installation location of the power module are designed rationally. The supporting components are fixed at optimal positions within the forest using bolt connections, and the wire rope is installed through these supporting components to form a bamboo circulation transportation system driven by the wire-rope-driven device [11]. After the harvested bamboo is attached to the wire rope by workers using a hanging mechanism, the power module transmits power to the wire-rope-driven device through the hydraulic transmission system. The drive pulley then rotates, causing the wire rope wound around the driving and driven pulleys to circulate under the combined action of friction and traction. This motion enables the bamboo attached to the wire rope to be transported downhill efficiently. At the unloading point, workers manually detach the bamboo from the wire rope, completing the transportation process from the forest to the collection site. In addition, during long-term operation, the wire rope may loosen, reducing its initial tension and affecting normal transportation performance. To solve this problem, the crawler chassis can move in the direction opposite to the wire rope installation to tighten the wire rope, thereby ensuring the safe and efficient operation of the transportation equipment [14]. The working process is shown in Figure 3.
Figure 3.
Working process of the cable-type moso bamboo transportation equipment.
3. Selection and Design of Key Components
To ensure the rationality of theoretical design and simulation analysis, this study proposes three basic assumptions, whose applicable scope is limited to the design, simulation analysis and field performance test of the modular cable-type moso bamboo transportation equipment under the typical moso bamboo forest terrain in Anji County, northern Zhejiang (slope ≤30°, maximum installation distance 700 m, maximum installation height difference 200 m), and is not applicable to moso bamboo transportation scenarios under extreme terrain, extreme weather conditions (heavy rainfall, strong wind) and ultra-long distance (>700 m). The analysis results based on the following assumptions start from Section 3.1 and end at Section 5.2. The Section 6 is the actual working condition verification, which is not directly restricted by the following assumptions.
- (1)
- The steel wire rope is treated as a flexible cable with low bending stiffness. In the simulation and calculations, the influence of bending stiffness is neglected, and only axial tensile forces and vibration characteristics are considered.
- (2)
- The core load-bearing material of the bamboo-hanging supporting components (Q345 steel) is assumed to have stable mechanical properties; the effects of material defects and fatigue damage on short-term static performance are not taken into account.
- (3)
- During the performance tests, the bamboo hanging method and forest terrain parameters (slope and span) are assumed to fall within the predefined design range. The effects of extreme weather conditions (e.g., heavy rainfall and strong winds) and sudden terrain changes are not considered.
3.1. Wire Rope Selection
The selection of the wire rope was determined through theoretical calculations based on the cableway route and load parameters. The route parameters were preliminarily designed considering the forest terrain characteristics of Anji County in Zhejiang Province, the bamboo transportation coverage requirements, and operational safety factors. The designed maximum length of the cableway is 700 m, with a maximum elevation difference of 200 m, and the intermediate span (i.e., the spacing between supporting components) does not exceed 50 m [11]. The circulating wire rope bears the entire load of the transportation cableway and maintains a high level of tension. Therefore, it requires excellent tensile strength. Meanwhile, the wire rope passes through guide pulleys, deflection pulleys, and drive pulleys, resulting in a large degree of bending and significant bending stress during operation. Hence, a flexible and smooth wire rope should be selected to ensure safe and stable operation [15]. Based on the above conditions and in accordance with the Technical Standard for Aerial Ropeway Engineering (GB 50127–2007), a 6 × 19 Lang lay wire rope with a tensile strength of 1670 MPa was selected [16]. According to the route parameters and the moso bamboo transportation requirements, the preliminary unit weight of the selected wire rope is:
where is the resistance coefficient of the drive pulley and deflection pulley which was taken as 0.0076; is the ratio of the minimum tension to the loaded car weight which was taken as 9; is the spacing between supporting components which was taken as 10 m; is the total height difference of the cableway which was taken as 200 m; is the line resistance coefficient which was taken as 0.035; is the total span of the cableway which was taken as 700 m; is the nominal tensile strength of the wire rope which was 1670 MPa; is the safety factor which was taken as 4.5 according to the requirements for freight cableways; is the concentrated load per unit length (N/m); Q is the weight of the moso bamboo suspended by the wire rope per unit span, with a designed weight of 40 kg; is the weight of the bamboo components suspended by the wire rope per unit span, with a load-bearing weight of 1 kg; and g is the gravitational which was taken as 9.8 m/s2.
By substituting these parameters into Equation (1), the preliminary unit weight of the selected wire rope was calculated to be . Accordingly, a 6 × 19 + IWS Lang lay wire rope was preliminarily selected, with a nominal diameter of 10 mm, a unit weight of 3.92 N/m, and a minimum breaking force of 55.4 kN [17,18].
3.2. Supporting Components
The supporting component is a core part of the moso bamboo transportation equipment, and its performance directly affects the stability of transportation operations. It consists of supporting brackets and guide wheel assembly [14]. The supporting brackets can be mounted on the trunks of bamboo or other available upright poles to install the guide wheel assembly. The guide wheel assembly is composed of a wire rope sheave mounting plate, supporting wheel, and pressing wheel, which together support and guide the wire rope [7]. To facilitate the construction of cableway along the optimal transportation routes for moso bamboo in mountainous areas, the installation method differs from conventional vertical installation. A horizontal installation approach is adopted, allowing the supporting and pressing wheels to bear both horizontal pressure and vertical gravity, thereby enabling the cableway to be arranged along turning routes [11]. The supporting and pressing wheel assembly serves as a load-bearing component, with a designed diameter of 100 mm, a groove depth of 10 mm, and a moment of inertia . The structural configuration of the guide wheel assembly is shown in Figure 4. The gear and the pressing wheel share the same axis but rotate asynchronously, which effectively prevents the wire rope from slipping off and reduces impact wear caused by collisions with the supporting components.
Figure 4.
Structural diagram of the guide wheel assembly. 1. Mounting plate; 2. Pressing wheel; 3. Gear; 4. Supporting wheel; 5. Wire rope; 6. bamboo suspension bracket.
Considering that the cableway installation involves certain differences in slope and angle, and that the supporting brackets mounted on the moso bamboo (upright pole) remain horizontal, a spherical plain bearing was introduced between the supporting brackets and the wire rope sheave mounting plate. Utilizing the rotational flexibility of the spherical bearing, the guide wheel assembly can swing laterally to adapt to the cableway alignment, ensuring that the wire rope remains approximately centered within the groove of the supporting and pressing wheel at all times [14]. Since the diameters of moso bamboo (upright poles) are not uniform, the supporting brackets were designed with a triangular structure to facilitate manufacturing and installation. This design allows it to be mounted on poles of bamboo with diameters ranging from 80 to 140 mm [18]. The overall installation structure of the supporting component is shown in Figure 5.
Figure 5.
Overall installation diagram of the supporting component. 1. Stem of moso bamboo; 2. Supporting bracket; 3. Spherical plain bearing; 4. Sheave mounting plate.
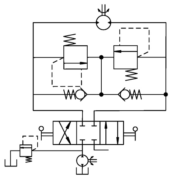
3.3. Wire-Rope-Driven Device
The wire-rope-driven device is a key component of the cableway system, providing the driving force for moso bamboo transportation while maintaining appropriate tension in the wire rope during installation and operation. The device mainly consists of a supporting frame, driving rollers, a hydraulic motor, and sprockets, as shown in Figure 6. The supporting frame bears the load of the entire drive assembly and serves as the main load-bearing structure. To reduce spatial layout constraints, the driving rollers are arranged horizontally, with two rollers positioned in an up-and-down configuration and connected through a chain transmission. Each driving roller is fabricated from medium carbon steel (AISI 1045), with a diameter of and a moment of inertia . A wire rope groove with a depth of is machined on the surface of each driving roller.
Figure 6.
Wire-rope-driven device. 1. Supporting frame; 2. Sprocket; 3. Driving roller; 4. Hydraulic motor.
During operation, the cableway runs continuously without stopping for the loading and unloading of bamboo. Considering the balance between manual handling and transportation efficiency, the operating speed of the cableway was set to , from which the rotational speed of the driving roller can be determined [19].
4. Hydraulic System of the Chassis
4.1. Design of Hydraulic System
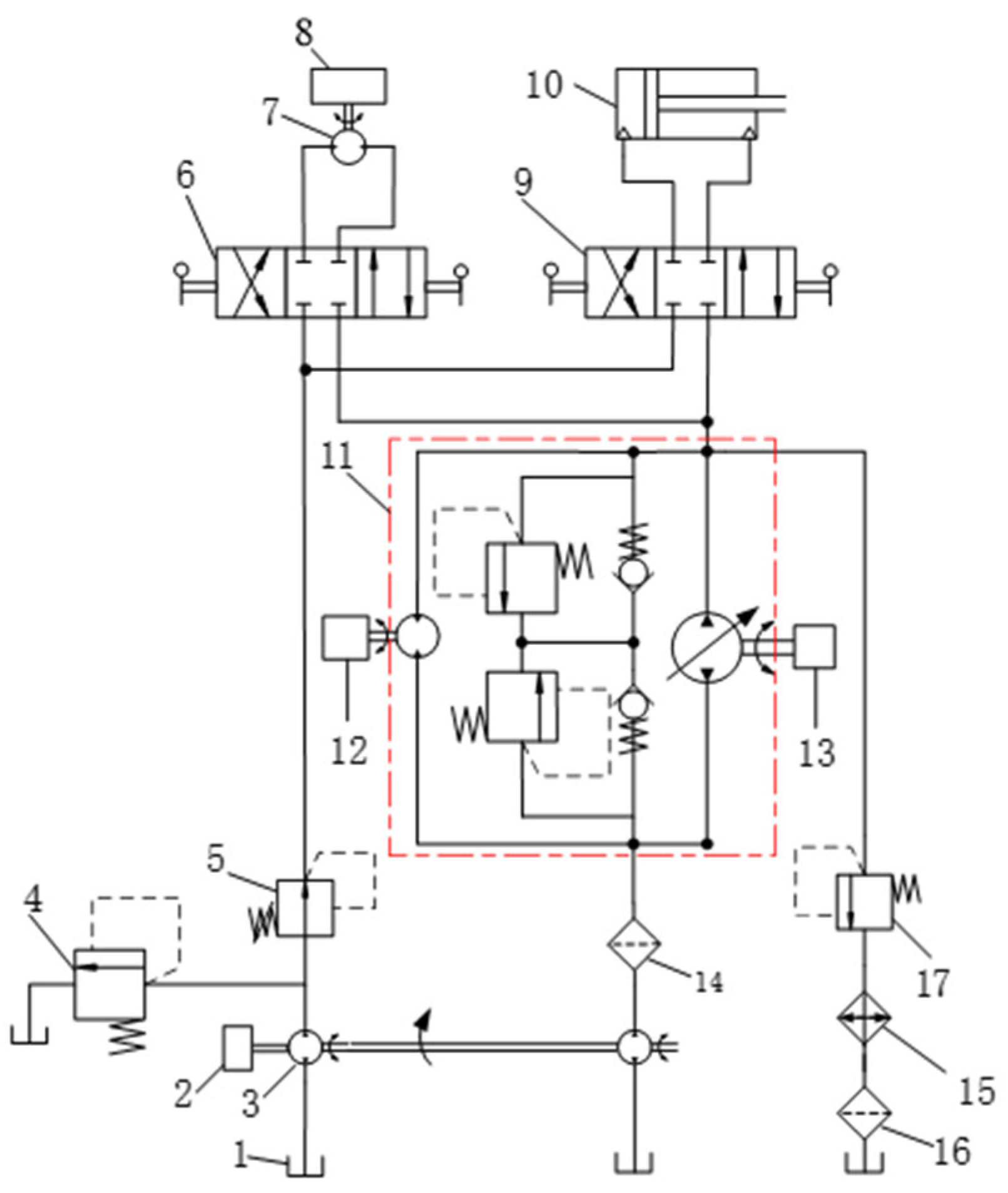
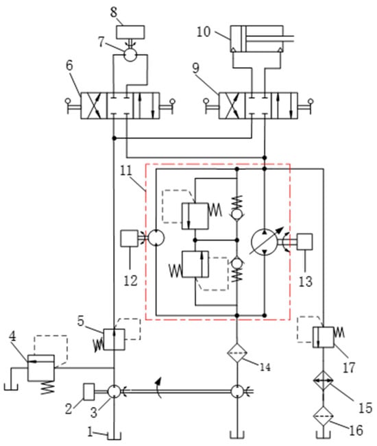
The power module transmits the engine’s output to the hydraulic system, in which the various hydraulic components coordinate to control the crawler chassis and perform movements under different operating conditions [20]. The schematic diagram of the overall hydraulic system is shown in Figure 7.
Figure 7.
The schematic diagram of the overall hydraulic system. 1. Hydraulic oil tank; 2, 13. Diesel engine; 3. Dual hydraulic pump; 4, 17. Relief valve; 5. Pressure-reducing valve; 6, 9. Three-position, four-way directional control valve; 7. Hydraulic motor; 8. Telescopic drive unit; 10. Steering cylinder; 11. HST; 12. Frame; 14, 16. Filter; 15. Radiator.
This power chassis can perform forward, backward, and steering motions on unstructured terrains such as hilly and mountainous areas, while simultaneously driving the wire rope to achieve cyclic motion [21]. During operation, the rotation of the diesel engine pulley transfers energy to the dual hydraulic pump through a belt drive. The dual pump then converts mechanical energy into hydraulic energy by transmitting it to the hydraulic oil [20]. The three-position, four-way directional control valve (No. 6) regulates the forward and reverse rotation of the hydraulic motor (No. 7), which in turn drives the wire-rope-driven device. When the three-position, four-way directional control valve (No. 6) is actuated to the left position, the hydraulic motor rotates forward, which drives the wire rope mechanism in the forward direction. Conversely, when the valve is shifted to the right position, the motor reverses its rotation, which results in the opposite motion of the wire-rope-driven device. When the valve is centered in the neutral position, the hydraulic motor and wire-rope-driven device remain stationary [19]. The three-position, four-way directional control valve (No. 9) governs the steering system. Steering of the whole equipment is achieved through the extension and retraction of hydraulic cylinders. When the three-position, four-way directional control valve (No. 9) is set to the left position, the equipment turns left; when shifted to the right position, it turns right; and when in the neutral position, it maintains a straight path during forward or reverse travel [22].
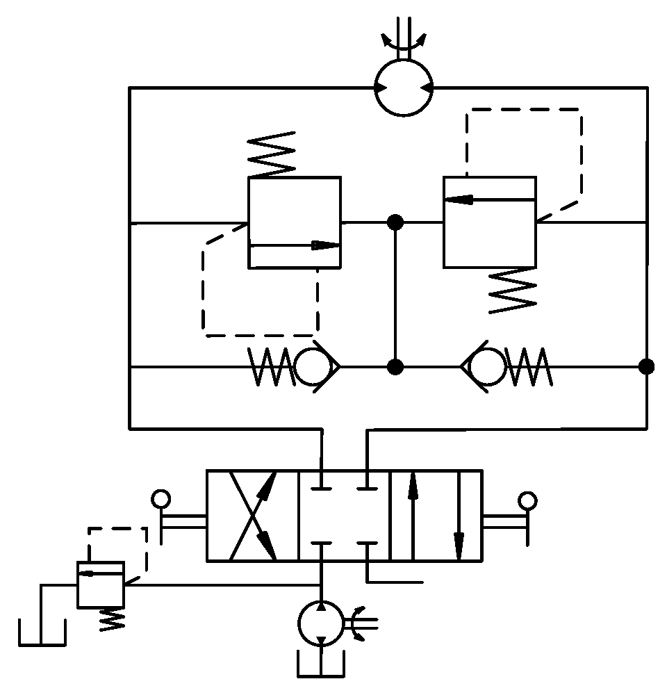
The return oil line of the directional control valve is connected to the Hydrostatic Transmission (HST) system. The hydraulic oil flowing through the motor also provides replenishment to the HST, supplying the necessary lubricating and cooling oil to ensure stable operation of the system [23]. The HST is a specialized hydraulic transmission mode that achieves a higher torque and speed ratio compared with conventional mechanical transmissions. It transmits energy entirely through hydraulic oil, resulting in smoother operation and eliminating the need for a traditional gearbox. This compact configuration is well-suited for steering operations in complex terrains, such as hilly and mountainous regions. The basic working principle of the HST is a volumetric speed regulation circuit, consisting of two piston pumps: one functioning as a hydraulic pump and the other as a hydraulic motor. The hydraulic pump is connected to the hydraulic motor through a directional control valve and piping. By adjusting the directional control valve, the flow rate and direction of the variable motor can be altered, thereby changing the motor’s speed and rotation direction to achieve stepless speed regulation [23,24]. The schematic diagram of the HST system is shown in Figure 8.
Figure 8.
The schematic diagram of the HST system.
4.2. Selection of Main Hydraulic Components
4.2.1. HST
The maximum rotational speed of the motor is calculated based on the maximum traveling speed of the power chassis [25,26], as expressed by the following equation:
where is the maximum rotational speed of the drive motor (r/min); is the flow rate of the hydraulic pump (L/min); is the displacement of the hydraulic motor (mL/r); is the rotational speed of the hydraulic pump which was taken as 2200 r/min; is the displacement of the hydraulic pump (mL/r); is the maximum traveling speed of the chassis which was taken as 4 km/h; is the maximum transmission ratio of the gearbox which was taken as 18.566; R is the radius of the driving wheel which was taken as 0.105 m.
In the absence of aerodynamic resistance, the total maximum travel resistance consists of the rolling resistance , grade resistance , acceleration resistance , wire rope resistance , and tractive force generated by the drive motor, as illustrated in Figure 9.
Figure 9.
Schematic diagram of the maximum tractive force of the drive motor.
The tractive force output by the drive motor can be expressed as:
where is the rolling resistance coefficient which was taken as 0.37 [10,12]; is the slope angle which was taken as 30°; is the wire rope resistance which was taken as 10,000 N; is the mass of the power chassis which was 1875 kg; g is the gravitational acceleration which was 9.8 m/s2; is the mass increment coefficient which was taken as 1.3 [14]; is the travel acceleration which was taken as 0.8 m/s2.
By substituting the relevant parameters into Equation (4), the total tractive force () was calculated to be approximately 27,025.4 N. Therefore, the required output torque of the drive motor can be expressed as:
where is the required output torque of the drive motor (N·m); is the rated working pressure of the hydraulic motor which was taken as 27 MPa; is the mechanical efficiency of the hydraulic motor which was taken as 0.9.
By substituting the corresponding parameters into the above equations, the results are obtained as , , and . Based on the calculated maximum output speed and torque of the HST drive motor and variable pump, the AOVITE WHPV42S hydrostatic continuously variable transmission, manufactured by Zhejiang Aovite Hydraulic Machinery Co., Ltd., Taizhou, China, was selected. The main technical parameters are listed in Table 2.
Table 2.
Main technical parameters of HST.
4.2.2. Hydraulic Motor
To ensure the safety, efficiency, and economy of the moso bamboo transportation equipment, an appropriate hydraulic motor must be selected to drive the cyclic reciprocating motion of the wire rope. In this section, only the conditions of uphill travel under no load and downhill travel under full load are considered. Based on these conditions, the required output power of the hydraulic motor is calculated. At the moment of cableway start-up, the system must overcome the inertial force, and the estimated start-up power () can be expressed as follows:
where is the power required for uniform cableway operation (kW); is the inertial power during cableway start-up (kW); is the effective tractive force of the driving roller (N); is the inertial torque of the cableway during start-up (N·m); is the angular velocity which was 0.8 rad/s; is the angular acceleration which was 0.4 rad/s2; is the rotational inertia of the driving wheel which was 0.012 kg·m2; is the equivalent rotational inertia of the wire rope referred to the driving wheel (kg·m2); is the slope angle of the cableway which was 16°; is the equivalent rotational inertia of the transported bamboo referred to the driving wheel (kg·m2); is the inertial torque of the cableway during start-up (N·m); is the number of transported bamboo poles which was taken as 70.
By substituting the relevant parameters into Equations (7) and (8), the start-up power of the cableway system can be estimated as .
The calculation formula of the required output torque of the hydraulic motor is as follows (Equation (9)). The calculated value is . According to the system output torque, the BM3-630 hydraulic motor (Ningbo Zhenhai Zhong Cheng Hydraulic Machinery Co., Ltd., Ningbo, China) was selected to provide power input for the wire rope winch drum. The main technical parameters are shown in Table 3.
Table 3.
Main technical parameters of the BM3-630 hydraulic motor.
The pressure on both sides of the hydraulic motor is adjusted by a pressure-reducing valve and a relief valve. The outlet pressure of pressure-reducing valve (No. 5) is set to 10 MPa, while the return-line relief valve (No. 17) is set to 1 MPa. Therefore, the theoretical output torque of the hydraulic motor can be calculated as follows:
where is the theoretical output torque (N·m).
By substituting the corresponding parameters into Equation (10), the theoretical output torque of the hydraulic motor is calculated as . Considering a safety factor of 1.2, the result satisfies the operational requirements.
5. Simulation Analysis
5.1. Static Analysis of the Supporting Components
The supporting components are installed at various positions and operate under different motion states, resulting in varying load conditions. In this study, the finite element static stress analysis was conducted under the condition of maximum loading, in order to verify the structural strength performance of the supporting components during moso bamboo transportation. The main material of the supporting components is Q345 structural steel (Chinese standard GB/T 1591). To ensure computational efficiency and focus on the primary stress characteristics, the geometric model was appropriately simplified as follows: (1) Detailed geometric features such as threads, chamfers, and keyways were omitted to reduce the total number of mesh elements. (2) Critical regions such as rollers, support holes, and spherical plain bearings were modeled in full detail to accurately reflect the real contact and constraint conditions. (3) By using three-dimensional solid elements instead of shell elements, solid modeling was adopted to ensure a realistic representation of the spatial stress state.
The model was discretized by using Solid186 high-order 3D solid elements. Each element is a 20-node hexahedral solid with quadratic displacement functions, which can effectively capture nonlinear contact, stress concentration, and bending behavior [27]. During mesh generation, the Patch Conforming meshing method was employed. Local mesh refinement was applied to critical areas, such as bolt hole edges, transition zones of the supporting plate, and roller contact surfaces, to enhance computational accuracy in regions of stress concentration. The overall average element size was approximately 5 mm, while the refined mesh size in critical areas was about 2 mm. The meshing results are shown in Figure 10, where the mesh distribution appears relatively uniform with noticeable refinement in key regions. The model consists of approximately 126,000 elements and 235,000 nodes in total. The supporting components are primarily subjected to two types of loads during operation: self-weight and external loading. The self-weight is uniformly applied to all parts to simulate the static response of the structure under its own gravity, acting along the negative Y-axis direction. During the moso bamboo transportation process, contact between the rollers and the track produces a significant localized force. To simplify the computation, this contact force was converted into an equivalent concentrated load of 180 N, applied to the roller–support contact region, also acting vertically downward, as illustrated in Figure 11.
Figure 10.
Finite element mesh generation.
Figure 11.
Loading and boundary conditions.
The overall deformation contour is shown in Figure 12. Under the combined action of the 180 N external load and self-weight, the supporting component exhibits a certain degree of flexural deformation. The maximum deformation is 1.7477 mm, occurring in the contact region between the lower roller and the track, while the deformation in the upper fixed beam region is nearly zero, consistent with the expected rigid boundary constraint. The deformation gradually increases from top to bottom, indicating that the load is mainly transmitted to the body of the supporting component through the rollers. The overall deformation magnitude is relatively small and does not adversely affect the structural function or normal operation of the system. The Von Mises equivalent stress distribution is shown in Figure 13. The maximum stress reaches 266.06 MPa, primarily concentrated around the central bolt hole region, whereas most other areas exhibit stresses below 100 MPa, indicating a generally low stress level. Stress concentration occurs locally at the connection joints and transition regions. Compared with the yield strength of Q345 structural steel (345 MPa), the stress level in the majority of the main structure remains within a safe range.
Figure 12.
Overall deformation contour.
Figure 13.
Equivalent stress contour.
The maximum stress at the local bolt hole and fastener region is approximately 266.06 MPa. However, since fasteners are typically high-strength bolts of grade 6.8 or above (with a yield strength of ≥ 480 MPa), this stress level remains within the safe range of the bolt material. The local stress distribution of the upper support plate is shown in Figure 14. The maximum stress occurs at the edge of the bolt hole, reaching 190.27 MPa. Due to the geometric discontinuity and the effect of bolt preload, significant stress concentration is observed around the hole edge, while the stress in the remaining regions is relatively low and evenly distributed, remaining entirely within the safe range. The stress distribution of the lower support plate is illustrated in Figure 15. The maximum stress is 226.6 MPa, which is lower than the yield strength of Q345 structural steel (345 MPa). Although the lower support plate bears a larger load under this working condition, the entire structure still operates within the yield limit.
Figure 14.
Local stress contour of the upper support plate.
Figure 15.
Local stress contour of the lower support plate.
5.2. Vibration Characteristics Analysis of the Wire Rope
The main wire rope of the cableway system is subjected to unbalanced forces during various operating conditions, such as when loading and unloading moso bamboo or during lifting. These conditions result in an unstable, dynamic state that causes periodic up-and-down vibrations. If the vibration amplitude becomes excessive, the wire rope may slip off the pulley, and the moso bamboo may bounce or even become detached from the wire rope, thereby affecting the normal operation of the cableway. Therefore, analyzing the vibration characteristics of the wire rope is of significant importance for ensuring the safe operation of the cableway [15]. During unloading, the bamboo attached to the wire rope causes the potential energy accumulated in the wire rope to be suddenly released, resulting in significant vibration of the wire rope and causing the bamboo to bounce up and down. This can severely impact the lifespan of the wire rope. The vibration of the wire rope during bamboo unloading can be simplified to a vibration problem involving the sudden release of a tensioned string [27]. According to Liu [27], the governing equations for the primary vibration and free vibration of the cableway’s wire rope are as follows:
where is the distance between the bamboo-hanging supports (m); is the mode number (1, 2, 3, …); is the tension in the wire rope at both ends between the bamboo supporting components (N); is the position of an arbitrary point along the wire rope between the bamboo supporting components (m); is the vibration time (s).
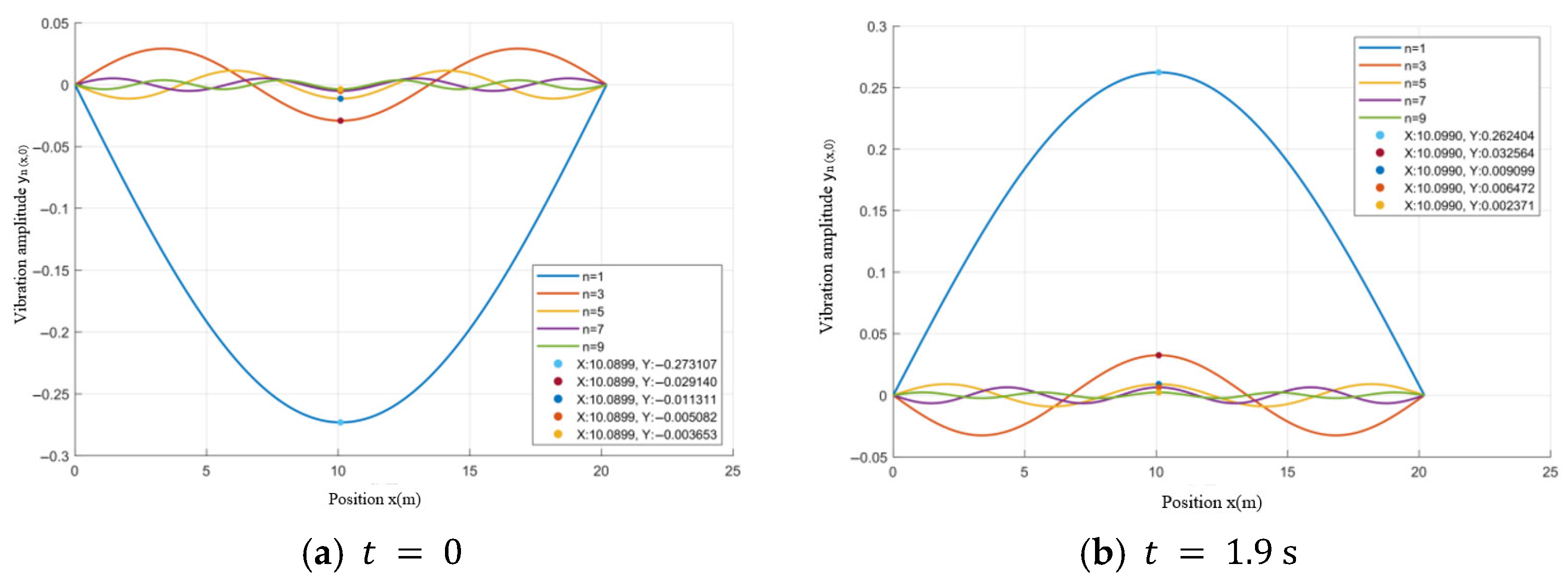
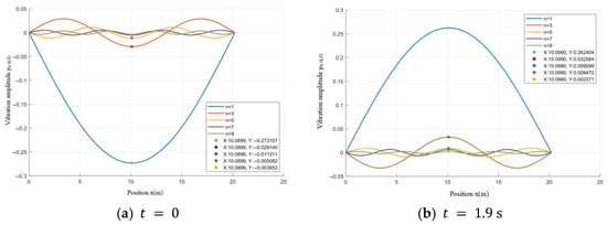
From Equations (11) and (12), it can be seen that the value significantly determines the maximum amplitude of the wire rope vibration. According to the literature, decreases as the vibration mode number () increases, meaning that as the vibration mode number increases, the amplitude of the wire rope vibration gradually decreases. Therefore, this study considers the variation pattern of the amplitude for the first 10 modes at arbitrary points along the wire rope between adjacent bamboo supporting components and utilizes MATLAB (2016b) to plot the mode shapes for the first 10 modes. By selecting and , the mode shapes of the wire rope for the first 10 modes were plotted, as shown in Figure 16. The analysis reveals that the primary vibrations of each mode are simple harmonic vibrations, and the frequencies of each mode are integer multiples of the first mode frequency (fundamental frequency). The amplitude of the first mode is the largest, reaching 0.273107 m, while the amplitude of each subsequent mode decreases progressively with increasing mode number. For example, the third mode has an amplitude of 0.011311 m, which is one twenty-fourth of the first mode’s amplitude; and the amplitude of the ninth mode is 0.003653 m, only one seventy-fifth of the first mode’s amplitude. This shows that the first mode plays a dominant role in the vibration of the wire rope, while the influence of higher modes, such as the ninth mode, is minimal. Therefore, this study only considers the effects of the first three modes on the vibration of the wire rope.
Figure 16.
Mode shape of the wire rope during unloading.
The first mode shape has one antinodal point (the point with maximum amplitude) located at , with no nodal points (the points where the amplitude is zero). The third mode shape has three antinodal points located at , , and , with two nodal points at and . The vibration amplitude of the wire rope is large at the antinodal points, making it prone to resonance with external excitation at the vibration frequency. Such vibration may lead to large vibrations that could cause the rope to slip off the pulley or the bamboo to fall. However, the primary vibration is zero at the nodal points, making it less likely to resonate with external forces, thereby reducing the likelihood of significant vibration. Thus, it is advisable to avoid loading or unloading bamboo at the antinodal points during transportation process, especially at the midspan position. Instead, loading and unloading should be done near the nodal points to ensure the safety of moso bamboo transportation.
In the cable-type moso bamboo transportation system, the bending stiffness of the wire rope is neglected during the transportation process. This approximation allows the wire rope to be modeled as an axial motion string, enabling the development of a vibration model for the wire rope during bamboo transport. The focus is on analyzing the vibration modes and frequencies of the undamped wire rope during uniform motion. Based on the vibration frequencies, a reasonable transportation strategy can be selected to enhance the safety of the wire rope transport process. According to Qin [28], the governing equation for the motion and vibration of the cableway’s wire rope is as follows:
where is the initial tension of the wire rope (N); is number of moso bamboo attached per wire rope section between adjacent bamboo supporting components; is the weight of the wire rope section and the total weight of the moso bamboo between adjacent bamboo supporting components (N); is the distance between adjacent bamboo supporting components (m).
The vibration frequency equation for the wire rope is given by:
where is the initial tension of the wire rope.
From the above equations, it can be seen that the vibration frequencies of the wire rope are influenced by four variables: the rope’s operational speed, initial tension, load mass, and the distance between attachment points. The effects of these variables on the vibration frequency of the wire rope are analyzed through numerical simulation, and the parameters are shown in Table 4.
Table 4.
Parameters used in the numerical simulation of wire rope vibration frequency.
The first-order vibration of the wire rope has the maximum energy and the lowest frequency, which has the greatest impact on the stability of the wire rope’s operation. Therefore, this study only considers the relationship between the first-order vibration frequency and the load mass, attachment distance, and initial tension. The numerical simulation results are shown in Figure 17.
Figure 17.
Relationship between vibration frequency and load mass, attachment distance, and initial tension.
From Figure 17, it can be seen that the vibration frequency increases with increasing initial tension and attachment distance, while it decreases with increasing load mass. As shown in Figure 17c, when the initial tension is 9.8 kN and the operating speed is 0.5 m/s, the maximum and minimum vibration frequencies are 3.904 Hz and 0.854 Hz, respectively. Therefore, the first-order frequency range of the wire rope for a single-rope cycle in the cableway spans approximately 0.854–3.904 Hz. The vibration frequency is relatively low, making it susceptible to external excitation, which may lead to resonance, affecting the cableway’s service life and transport safety. The external excitation of the wire rope mainly includes the excitation caused by the bouncing of the moso bamboo load when passing through the support and the wind load excitation. The wind load excitation frequency is difficult to determine, so this study only considers the impact of the excitation caused by the moso bamboo load bouncing. The calculation formula for the bouncing frequency is as follows:
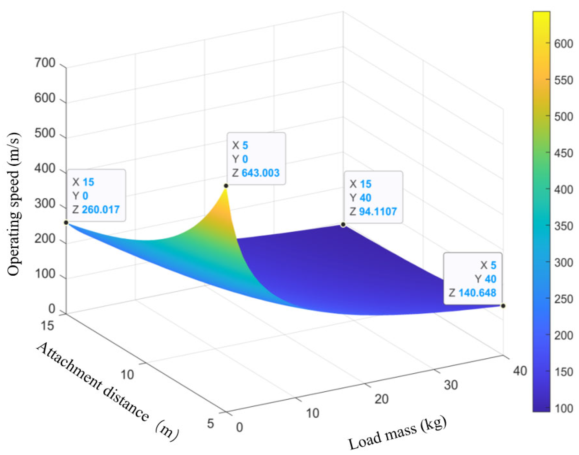
When the bouncing frequency of the moso bamboo load matches the vibration frequency of the wire rope, resonance occurs, which leads to the following formula:
When and , the relationship between the wire rope operating speed, bamboo attachment distance, and load mass is shown in Figure 18. It can be seen that when resonance occurs between the wire rope and the bouncing excitation of the bamboo load, the operating speed of wire rope must exceed 94.12 m/s. Such a high speed is difficult to achieve in freight cableway, meaning that resonance between the wire rope and the bouncing excitation will not occur. Additionally, when the external excitation matches the vibration frequency of the wire rope, the vibration frequency can be adjusted by altering factors such as the cableway operating speed, initial tension, and attachment distance to reduce the impact of external excitation on the cableway system.
Figure 18.
Relationship between operating speed, attachment distance, and load mass.
6. Transportation Equipment Performance Testing
6.1. Transportation Productivity
The economic benefits of bamboo are not only determined by market prices but also influenced by the productivity of the transportation process. Productive transportation equipment reduces the labor intensity of transporting moso bamboo downhill and helps save transportation costs, thereby achieving cost reduction and efficiency improvement. In this study, a prototype of the moso bamboo transportation equipment was constructed at the moso bamboo base in Baizhang Village, Baizhang Town, Yuhang District, Zhejiang Province. Performance tests were conducted to evaluate the transportation productivity, and field tests were carried out to further verify the machine utilization rate, as shown in Figure 19.
Figure 19.
On-site installation of the cable-type moso bamboo transportation equipment in mountainous terrain.
The productivity () of moso bamboo is calculated using Equation (17), which is based on the weight of moso bamboo transported over a continuous 2-h period. The weight transported per unit time is determined, and the measurement is repeated three times for statistical accuracy.
where is the productivity of moso bamboo (t/d, tons per day); is the weight of moso bamboo transported during the test period (t); is the time period of the test which was taken as 2 h.
The relevant data is shown in Table 5, where the productivity of this cable-type moso bamboo transportation equipment is approximately 20.9 t/d.
Table 5.
Productivity of the moso bamboo transportation equipment.
6.2. Machine Utilization Rate
The efficiency of moso bamboo transportation equipment is significantly affected by the machine utilization rate. In this study, the delay caused by wire rope detachment or other unexpected incidents during the transportation process was recorded to assess the recovery time. The delay was used for evaluation, with the statistical period being 1 day (8 working hours per day). The machine utilization rate can be calculated by Equation (18). After 8 h of continuous operation, three consecutive equipment reliability tests were conducted. The machine utilization rate of this transportation equipment for moso bamboo was found to be over 95%, indicating good utilization and meeting the requirements for normal moso bamboo transport in mountainous areas.
where is the machine utilization rate (%); is the delay due to equipment failure (h); is the total operational time which was 8 h.
7. Conclusions and Discussion
7.1. Conclusions
(1) To address the poor adaptability to complex forest terrains and the high installation and operational costs of existing mountainous transportation equipment, a cable-type moso bamboo transportation equipment and operational system were designed. The equipment mainly consists of a power module, supporting components, circulating steel wire rope, wire-rope-driven device, and a hydraulic system. Through modular deployment and the horizontal installation of guide pulley assemblies, flexible adaptation to complex hilly and steep-slope bamboo forest terrains is achieved.
(2) Static simulation analysis of the supporting components shows that the maximum deformation is 1.75 mm, occurring in the contact region between the lower roller and the rail, and the maximum stress is 266.06 MPa. Both values are below the yield strength of Q345 steel (345 MPa), indicating that the strength requirements are satisfied. Vibration characteristic analysis of the wire rope indicates that, under unloading conditions, the first-order dominant vibration exhibits the largest amplitude (0.27 m at the mid-span position), with the first-order natural frequency ranging from 0.85 to 3.90 Hz. The excitation induced by bamboo load oscillation does not trigger resonance, thereby ensuring transportation safety.
(3) Field performance tests show that the transportation productivity of the cable-type moso bamboo transport equipment is 2.61 tons per hour (20.9 tons per day), and its machine utilization rate is over 95% with the bamboo damage rate of less than 3%. The designed cable-type moso bamboo transportation equipment can meet the transportation needs in complex forest environments.
7.2. Discussion
This study designs a modular cable-type moso bamboo transportation equipment for the characteristics of moso bamboo transportation in mountainous areas, and verifies the structural rationality and operational reliability of the equipment through simulation analysis and field tests. On the basis of summarizing the research results, this section objectively compares and evaluates the existing research results of forestry cableway transportation equipment at home and abroad, analyzes the limitations of this study, and puts forward the direction of future research.
7.2.1. Objective Evaluation of Existing Scientific Research Achievements
Domestic and foreign researchers have carried out a lot of valuable research on forestry cableway transportation equipment, which lays a theoretical and technical foundation for the design of this study. For the bamboo cableway transportation system designed by Fu, Y.Y. [10], the fixed structural design of the system improves the transportation stability but reduces the terrain adaptability, and the system does not consider the vibration characteristics of the wire rope during moso bamboo transportation, which has the risk of material damage. This study optimizes the structure into a modular design, and adopts a horizontal installation method for the guide wheel assembly, which significantly improves the terrain adaptability of the equipment, and the vibration characteristic analysis of the wire rope fills the research blank of the original system, further ensuring the transportation safety of moso bamboo. Picchi et al. [11] proposed a segmented modular mobile support frame, which solved the problem of difficult selection of live tree supports for cableway installation, but the frame was not optimized for the long-length transportation characteristics of moso bamboo, and the support stability was insufficient. This study designs a triangular structure supporting bracket with a spherical plain bearing, which not only retains the modular and mobile characteristics of the original support frame, but also improves the support stability and adaptability to different diameter moso bamboo poles, and reduces the installation cost.
Chen, L. et al. [12] compared the lightweight cableway logging with road-based logging, and proved that the cableway logging has obvious advantages in ecological benefit and transportation efficiency, but the research did not involve the specific structural design of cableway equipment. This study further carries out the targeted structural design of the cableway equipment for moso bamboo transportation, and the field test results verify the economic and practical advantages of the cableway transportation equipment in moso bamboo forests, which provides a specific technical scheme for the application of lightweight cableway logging in bamboo forests. Fei, Y.Q. et al. [13] optimized the mountain forestry cableway system for European wood transportation characteristics, but the system has high installation and operation costs, and is not suitable for the small and scattered moso bamboo forest plantations in southern China. This study adopts a low-cost modular design, and the main components are easy to install and disassemble, which is more suitable for the planting characteristics of moso bamboo forests in southern China, and has better promotion and application value.
In addition, the existing research on forest cableways mostly focuses on the static structural design, and the research on the dynamic vibration characteristics of the wire rope is relatively lacking. This study takes the vibration characteristics of the wire rope as the key research content, analyzes the influence of initial tension, load mass and attachment distance on the vibration frequency of the wire rope, and verifies that the bouncing excitation of moso bamboo will not cause resonance of the wire rope, which enriches the research content of the dynamic design of forest bamboo cableway equipment.
7.2.2. Limitations of This Study
This study still has three obvious limitations, which need to be further improved in subsequent research: (1) The fatigue damage of the wire rope and the aging effect of the supporting components during long-term operation are not considered, and the simulation analysis and field test are only for the short-term working condition of the equipment, resulting in insufficient evaluation of the service life of the whole system. (2) External disturbances such as wind loads and heavy rainfall are not incorporated into the vibration analysis of the wire rope, and the machine utilization rate and transportation stability of the equipment under extreme weather conditions need to be further verified. (3) The maximum installation distance of the equipment is 700 m, which is insufficient to meet the transportation needs of large contiguous moso bamboo forest areas, and the long-distance transportation capacity of the equipment needs to be optimized.
7.2.3. Future Research Directions
Aiming at the limitations of this study, the future research will focus on the following three aspects: (1) Carry out long-term fatigue tests of key components such as wire rope and supporting components, analyze the fatigue damage law and aging characteristics of the components under the actual working conditions of moso bamboo forests, optimize the material selection and structural design of the components, and extend the service life of the whole equipment system; (2) Improve the vibration control model of the wire rope, incorporate external disturbance factors such as wind loads, rainfall and terrain undulation into the vibration analysis, and design a damping device for the wire rope to further improve the transportation stability of the equipment under complex working conditions; (3) Optimize the power module and wire rope selection scheme, develop a multi-stage tensioning system for the wire rope, and improve the long-distance transportation capacity of the equipment to adapt to the transportation needs of large contiguous moso bamboo forest areas. At the same time, the intelligent transformation of the equipment will be carried out, such as adding an automatic hanging and unloading mechanism for moso bamboo, to further reduce labor intensity and improve transportation efficiency.
Author Contributions
Conceptualization, N.R. and Z.H.; Methodology, N.R. and J.Z.; Software, W.Z.; Formal analysis, X.X.; Writing—review & editing, H.Z.; Visualization, X.X. and G.Y.; Supervision, G.Y.; Project administration, W.Z. and G.Y.; Funding acquisition, H.H. and G.Y. All authors have read and agreed to the published version of the manuscript.
Funding
This research received no external funding.
Data Availability Statement
The data in this study are included in the article. If you have any further questions, please contact the corresponding author.
Conflicts of Interest
The authors declare no conflict of interest.
References
- Anonymous. 2025–2031 China Bamboo Industry Deep Research and Industry Competition Landscape Report; Huaon Industry Research Institute: Beijing, China, 2025. [Google Scholar]
- Liu, Y.H.; Zhou, J.B.; Fu, W.S.; Zhang, B.; Jiang, P.F.; Chang, F.H. Analysis on the whole-process mechanized management mode of modern bamboo forest farms in China. For. Mach. Woodwork. Equip. 2020, 48, 13–17. [Google Scholar]
- Singh, V.K.; Pandey, S.K.; Tyagi, R.T. Mechanization of bamboo harvesting and transportation: A review of technologies and challenges. Renew. Sustain. Energy Rev. 2020, 1, 1–18. [Google Scholar]
- Liu, W.R. Research on the Mechanism of Root-Soil Separation in Root-Soil Composites and Key Technologies and Equipment for Harvesting Multiple Taro. Ph.D.’s Thesis, Huazhong Agricultural University, Wuhan, China.
- Mancuso, A.; Belart, F.; Leshchinsky, B.; Russell, M.L.; Kiser, J.D. Behavior and assessment of mobile anchors in cable yarding systems. Can. J. For. Res. 2018, 48, 1382–1387. [Google Scholar] [CrossRef]
- Marchi, L.; Mologni, O.; Trutalli, D.; Scotta, R.; Cavalli, R.; Montecchio, L.; Grigolato, S. Safety assessment of trees used as anchors in cable-supported tree harvesting based on experimental observations. Biosyst. Eng. 2019, 186, 71–82. [Google Scholar] [CrossRef]
- Lei, Y.J.; Zhou, J.B.; Fu, W.S.; Feng, H.Y.; Fu, X.; Wang, F.Y.; Zhang, L.Z.; Zhang, Y.Q.; Liao, X.H. Design and analysis of the bamboo cableway skidding transportation equipment sports and suspension cable. J. Zhejiang AF Univ. 2023, 40, 1348–1356. [Google Scholar]
- Wu, C.Y.; Zhou, C.J.; Zhou, X.N.; Zhang, Z.X.; Zhang, H.M.; Lin, M. Analysis and design of movable and assembled forest cableway support. J. For. Environ. 2019, 39, 362–366. [Google Scholar] [CrossRef]
- Feng, H.R.; Zhou, X.N.; Li, M.H.; Yang, K.X.; Wang, B.; Wu, Z.L.; Wang, X.T. Three Benefits Comparison on Skidding Methods of Light-Duty Cableway and Road-Cutting. Sci. Silvae Sin. 2012, 48, 129–134. [Google Scholar]
- Fu, Y.Y. Type Selection, Design and calculation of walking mechanism of rubber crawler chassis. Intern. Combust. Engine Parts 2022, 13, 26–28. [Google Scholar]
- Picchi, G.; Marchi, L.; Spinelli, E. Design and optimization of a cableway system for mountainous forestry operations. J. For. Eng. 2018, 1, 1–10. [Google Scholar]
- Chen, L.; Liu, Y.; Xu, J. Economic and environmental impact of mechanized bamboo transportation in mountainous regions. J. Clean. Prod. 2023, 1, 1–14. [Google Scholar]
- Fei, Y.Q.; Liu, Y.; Chen, J.W.; Ding, F.L.; Wang, Z.G. Development of bamboo cutting and transporting machinery. World For. Res. 2021, 34, 31–36. [Google Scholar]
- Rodriguez, J.; Gallego, M.; Sanz, C. Finite element analysis of load-bearing components in forest cable transportation equipment. Eng. Fail. Anal. 2017, 1, 1–9. [Google Scholar]
- Zhang, H.; Wang, J.; El-Moselhy, A. Dynamic analysis of cable vibrations in forest cableway systems under variable load. Mech. Syst. Signal Process. 2020, 1, 1–12. [Google Scholar]
- Zhu, P.F.; Xu, F.; Zhu, Y.J. Stress calculation of overhead cableways. Sichuan Hydro Power 2016, 35, 40–42. [Google Scholar]
- Wu, Y.L. Study on the elastic modulus of wire rope. J. Fujian For. Sci. Technol. 2003, 30, 62–64. [Google Scholar]
- Bai, L.H.; Zhao, Z.R.; Cai, D.X.; Fu, S.W.; Tang, J.X. Study on Cableway skidding technology for hill timber felling. For. Mach. Woodwork. Equip. 2014, 42, 14–17. [Google Scholar]
- Lee, S.; Kim, D.; Park, Y. Performance evaluation of a hydraulic-driven cable winch for mountainous log transportation. J. Terramechanics 2021, 1, 1–8. [Google Scholar]
- Bertolazzi, M.; Cavazzini, A.; Magni, L. Hydrostatic transmission systems for off-road forestry vehicles: Design, efficiency, and control. Appl. Energy 2019, 1, 1–15. [Google Scholar]
- Zhao, D.B. Research and Design of a Universal Crawler Based on HST in Hilly Areas. Master’s Thesis, Shandong University of Technology, Zibo, China, 2022. [Google Scholar]
- Zhang, Z.G.; Wang, Y.C.; Li, H.Q.; Dao, F.; Zhang, Z.D.; Xue, H.T. Design and test of hydraulic control tracked self-propelled greenhouse panax notoginseng harvester. Trans. Chin. Soc. Agric. Mach. 2021, 52, 127–135+158. [Google Scholar]
- Xie, L. Research on Control Strategy of Hydrostatic Transmission (HST) System of Loader. Master’s Thesis, Jilin University, Changchun, China, 2023. [Google Scholar]
- Wu, L.G.; Guo, K.J.; Miao, Z.K.; Man, D.W.; Yuan, X.J. Design and simulation of the hydraulic system for a ropeway skidding carriage. For. Mach. Woodwork. Equip. 2016, 44, 14–17+23. [Google Scholar]
- Wang, P.F.; Yi, J.A.; Zhu, J.X.; Zhang, Y.Y.; Yang, X. Design and test of hydraulic system of power chassis for hilly and mountainous orchards. Trans. Chin. Soc. Agric. Mach. 2025, 56, 702–722. [Google Scholar]
- Zhang, Z.Y. Design and Simulation of Self-Walking Light Type Bamboo Cutting Machine. Master’s Thesis, Northeast Forestry University, Harbin, China, 2019. [Google Scholar]
- Liu, Y.L. Calculating the wire rope deflection of aerial ropeway with ANSYS software. Nonferrous Metall. Equip. 2017, 38, 34–38. [Google Scholar]
- Qin, F. Development of a Single-Cable Circulating Transportation Cableway for Mountain Orchards. Master’s Thesis, Shandong Agricultural University, Tai’an, China, 2020. [Google Scholar]
Disclaimer/Publisher’s Note: The statements, opinions and data contained in all publications are solely those of the individual author(s) and contributor(s) and not of MDPI and/or the editor(s). MDPI and/or the editor(s) disclaim responsibility for any injury to people or property resulting from any ideas, methods, instructions or products referred to in the content. |
© 2026 by the authors. Licensee MDPI, Basel, Switzerland. This article is an open access article distributed under the terms and conditions of the Creative Commons Attribution (CC BY) license.


















