Enhanced Multiferroic Properties of YMnO3 Ceramics Fabricated by Spark Plasma Sintering Along with Low-Temperature Solid-State Reaction
Abstract
:1. Introduction
2. Experimental Procedures
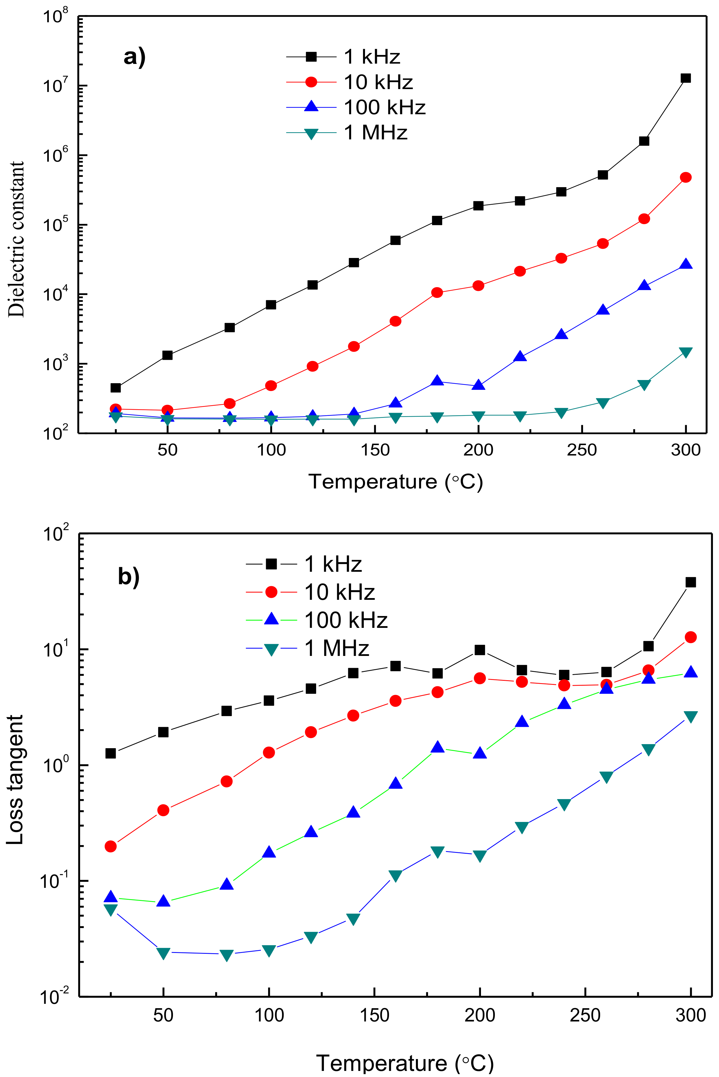
3. Results and Discussion
4. Conclusions
Acknowledgments
Author Contributions
Conflicts of Interest
References
- Chu, Y.H.; Martin, L.W.; Holcomb, M.B.; Gajek, M.; Han, S.J.; He, Q.; Balke, N.; Yang, C.H.; Lee, D.; Hu, W. Electric-field control of local ferromagnetism using a magnetoelectric multiferroic. Nat. Mater. 2008, 7, 478–482. [Google Scholar] [CrossRef] [PubMed]
- Ramesh, R.; Spaldin, N.A. Multiferroics: Progress and prospects in thin films. Nat. Mater. 2007, 6, 21–29. [Google Scholar] [CrossRef] [PubMed]
- Eibschütz, M.; Shtrikman, S.; Treves, D. Mössbauer studies of Fe57 in orthoferrites. Phys. Rev. 1967, 156, 562–577. [Google Scholar] [CrossRef]
- Choi, T.; Kim, S.W.; Yoon, K.S.; Kim, Y.S.; Lee, J. Low-temperature process of ferroelectric (Y0.95,Bi0.05)MnO3 thin films and their structural and electrical properties. Integr. Ferroelectr. 2003, 52, 163–170. [Google Scholar] [CrossRef]
- Lee, S.; Pirogov, A.; Han, J.H.; Park, J.G.; Hoshikawa, A.; Kamiyama, T. Direct observation of a coupling between spin, lattice and electric dipole moment in multiferroic YMnO3. Phys. Rev. B 2005, 71, 180413. [Google Scholar] [CrossRef]
- Muñoz, A.; Alonso, J.A.; Martínez-Lope, M.J.; Casáis, M.T.; Martínez, J.L.; Fernández-Díaz, M.T. Magnetic structure of hexagonal RMnO3 (R = Y, Sc): Thermal evolution from neutron powder diffraction data. Phys. Rev. B 2000, 62, 9498–9510. [Google Scholar] [CrossRef]
- Zhang, C.; Su, J.; Wang, X.; Huang, F.; Zhang, J.; Liu, Y.; Zhang, L.; Min, K.; Wang, Z.; Lu, X.; et al. Study on magnetic and dielectric properties of YMnO3 ceramics. J. Alloys Compd. 2011, 509, 7738–7741. [Google Scholar] [CrossRef]
- Han, A.; Zhao, M.; Ye, M.; Liao, J.; Zhang, Z.; Li, N. Crystal structure and optical properties of YMnO3 compound with high near-infrared reflectance. Sol. Energy 2013, 91, 32–36. [Google Scholar] [CrossRef]
- Ahmad, T.; Lone, I.H.; Ubaidullah, M. Structural characterization and multiferroic properties of hexagonal nano-sized YMnO3developed by a low temperature precursor route. RSC Adv. 2015, 5, 58065–58071. [Google Scholar] [CrossRef]
- Ma, Y.; Wu, Y.J.; Chen, X.M.; Cheng, J.P.; Lin, Y.Q. In situ synthesis of multiferroic YMnO3 ceramics by SPS and their characterization. Ceram. Int. 2009, 35, 3051–3055. [Google Scholar] [CrossRef]
- Rearick, T.M. Combined magnetic-dipole and electric-quadrupole hyperfine interactions in rare-earth orthoferrite ceramics. Phys. Rev. B Condens. Matter 1993, 48, 224–238. [Google Scholar] [CrossRef] [PubMed]
- Chen, X.J.; Khor, K.A.; Chan, S.H.; Yu, L.G. Overcoming the effect of contaminant in solid oxide fuel cell (SOFC) electrolyte: Spark plasma sintering (SPS) of 0.5 wt % silica-doped yttria-stabilized zirconia (YSZ). Mater. Sci. Eng. A 2004, 374, 64–71. [Google Scholar] [CrossRef]
- Risbud, S.H.; Groza, J.R.; Kim, M.J. Clean grain boundaries in aluminium nitride ceramics densified without additives by a plasma-activated sintering process. Philos. Mag. B Phys. Condens. Matter 1994, 69, 525–533. [Google Scholar] [CrossRef]
- Takeuchi, T.; Bétourné, E.; Tabuchi, M.; Kageyama, H.; Kobayashi, Y.; Coats, A.; Morrison, F.; Sinclair, D.C.; West, A.R. Dielectric properties of spark-plasma-sintered BaTiO3. J. Mater. Sci. 1999, 34, 917–924. [Google Scholar] [CrossRef]
- Yue, M.; Zhang, J.; Xiao, Y.; Wang, G.; Li, T. A new kind of NdFeB magnet prepared by spark plasma sintering. IEEE Trans. Magn. 2003, 39, 3551–3553. [Google Scholar]
- Wang, M.; Wang, T.; Song, S.; Ma, Q.; Liu, R. Effect of sintering temperature on structural, dielectric, and magnetic properties of multiferroic yfeo3 ceramics fabricated by spark plasma sintering. Materials 2017, 10, 267. [Google Scholar] [CrossRef]
- Isobe, T.; Daimon, K.; Sato, T.; Matsubara, T.; Hikichi, Y.; Ota, T. Spark plasma sintering technique for reaction sintering of Al2O3/Ni nanocomposite and its mechanical properties. Ceram. Int. 2008, 34, 213–217. [Google Scholar] [CrossRef]
- Shimojo, Y.; Wang, R.; Shan, Y.J.; Izui, H.; Taya, M. Dielectric characters of 0.7Pb(Mg1/3Nb2/3)O3-0.3PbTiO3 ceramics fabricated at ultra-low temperature by the spark-plasma-sintering method. Ceram. Int. 2008, 34, 1449–1452. [Google Scholar] [CrossRef]
- Wang, X.; Padture, N.P.; Tanaka, H. Contact-damage-resistant ceramic/single-wall carbon nanotubes and ceramic/graphite composites. Nat. Mater. 2004, 3, 539–544. [Google Scholar] [CrossRef] [PubMed]
- Zhang, Y.; Zhang, J.; Lu, Q. Synthesis of highly textured Ca3Co4O9 ceramics by spark plasma sintering. Ceram. Int. 2007, 33, 1305–1308. [Google Scholar] [CrossRef]
- Yang, C.Y.; Wang, X.T.; Yan, M.A.; Wang, Z.F.; Hao, L.; Qin, M.L. Preparation of YMnO3 nanocrystal powders by low-temperature solid state method. J. Synth. Cryst. 2013, 42, 2309–2314. [Google Scholar]
- Mudinepalli, V.R.; Song, S.; Li, J.; Murty, B.S. Effect of grain size on the electrical properties of high dense BPT nanocrystalline ferroelectric ceramics. Ceram. Int. 2014, 40, 1781–1788. [Google Scholar] [CrossRef]
- Ren, P.; Fan, H.; Wang, X. Bulk conduction and nonlinear behaviour in multiferroic YMnO3. Appl. Phys. Lett. 2013, 103, 152905. [Google Scholar] [CrossRef]
- Dho, J.; Blamire, M. Competing functionality in multiferroic YMnO3. Appl. Phys. Lett. 2005, 87, 2504. [Google Scholar] [CrossRef]
- Penn, S.J.; Alford, N.M.; Templeton, A.; Wang, X.; Xu, M.; Reece, M.; Schrapel, K. Effect of Porosity and Grain Size on the Microwave Dielectric Properties of Sintered Alumina. J. Am. Ceram. Soc. 1997, 80, 1885–1888. [Google Scholar] [CrossRef]
- Scott, J.F. Ferroelectrics go bananas. J. Phys. Condens. Matter 2008, 20, 021001. [Google Scholar] [CrossRef]
- Raneesh, B.; Saha, A.; Kalarikkal, N. Effect of gamma radiation on the structural, dielectric and magnetoelectric properties of nanostructured hexagonal YMnO3. Radiat. Phys. Chem. 2013, 89, 28–32. [Google Scholar] [CrossRef]
- Kumar, N.; Gaur, A.; Varma, G.D. Enhanced magnetization and magnetoelectric coupling in hydrogen treated hexagonal YMnO3. J. Alloys Compd. 2011, 509, 1060–1064. [Google Scholar] [CrossRef]









© 2017 by the authors. Licensee MDPI, Basel, Switzerland. This article is an open access article distributed under the terms and conditions of the Creative Commons Attribution (CC BY) license (http://creativecommons.org/licenses/by/4.0/).
Share and Cite
Wang, M.; Wang, T.; Song, S.; Ravi, M.; Liu, R.; Ji, S. Enhanced Multiferroic Properties of YMnO3 Ceramics Fabricated by Spark Plasma Sintering Along with Low-Temperature Solid-State Reaction. Materials 2017, 10, 474. https://doi.org/10.3390/ma10050474
Wang M, Wang T, Song S, Ravi M, Liu R, Ji S. Enhanced Multiferroic Properties of YMnO3 Ceramics Fabricated by Spark Plasma Sintering Along with Low-Temperature Solid-State Reaction. Materials. 2017; 10(5):474. https://doi.org/10.3390/ma10050474
Chicago/Turabian StyleWang, Meng, Ting Wang, Shenhua Song, Muchakayala Ravi, Renchen Liu, and Shishan Ji. 2017. "Enhanced Multiferroic Properties of YMnO3 Ceramics Fabricated by Spark Plasma Sintering Along with Low-Temperature Solid-State Reaction" Materials 10, no. 5: 474. https://doi.org/10.3390/ma10050474
APA StyleWang, M., Wang, T., Song, S., Ravi, M., Liu, R., & Ji, S. (2017). Enhanced Multiferroic Properties of YMnO3 Ceramics Fabricated by Spark Plasma Sintering Along with Low-Temperature Solid-State Reaction. Materials, 10(5), 474. https://doi.org/10.3390/ma10050474

