Abstract
Over the last few years; issues regarding the use of hybrid energy storage systems (HESSs) in hybrid electric vehicles have been highlighted by the industry and in academic fields. This paper proposes a fuzzy-logic power management strategy based on Markov random prediction for an active parallel battery-UC HESS. The proposed power management strategy; the inputs for which are the vehicle speed; the current electric power demand and the predicted electric power demand; is used to distribute the electrical power between the battery bank and the UC bank. In this way; the battery bank power is limited to a certain range; and the peak and average charge/discharge power of the battery bank and overall loss incurred by the whole HESS are also reduced. Simulations and scaled-down experimental platforms are constructed to verify the proposed power management strategy. The simulations and experimental results demonstrate the advantages; feasibility and effectiveness of the fuzzy-logic power management strategy based on Markov random prediction.
1. Introduction
With oil resources dwindling and the detrimental effects of burning traditional fuel on the environment, new energy vehicles have become an important research direction for the vehicle industry. Because electrical energy is easily obtained and stored, it was possible to rapidly develop both pure electric vehicles (EVs) and the hybrid electric vehicles (HEVs). Both EVs and HEVs need energy storage systems that store and supply electrical energy. The performance of the electrical energy storage components becomes a key factor in constructing EVs and HEVs.
Vehicles require electrical energy storage systems with high specific power, high energy density and a long cycle life. Due to the characteristics of high specific energy density, batteries have been widely used in EVs and HEVs [1]. However, the large current impact of battery cycle life is still a difficult problem that remains to be resolved [2]. Although ultracapacitors (UCs) have higher specific power and longer cycle life, their specific energy is much lower than that of batteries [3]. Thus, researchers have combined batteries and UCs together in hybrid energy storage systems (HESSs), which provide an easy and feasible approach for avoiding the disadvantages of single energy storage elements [4,5,6,7,8,9,10].
One main research problem related to HESSs is distributing the power between different energy storage components. Several power management strategies have been proposed for HESSs. In [11,12], the model predictive controller (MPC) for a hybrid battery-UC power source was proposed. Two bi-directional dc/dc converters were used to connect the battery bank and UC bank to the vehicle DC bus, which increases the cost, weight and volume associated with the HESS. Moreover, MPC depends on the exact mathematical model of the HESS, which is hard to obtain in most cases.
Different fuzzy logic strategies for HESS are proposed in [13,14,15]. Fuzzy logic is suitable for nonlinear systems, and the battery model for the HESS has strongly nonlinear characteristics. Fuzzy logic strategies do not use an exact mathematical model and are easy to implement on hardware. Because fuzzy logic strategies are based on rules, they are strongly robust. Therefore, fuzzy logic is a good choice for use in HESS power management strategies. In the literature, the inputs of fuzzy logic strategies are power demand, state of charge (SOC) of the battery bank and voltage/SOC of the UC bank, which all provide current information on the vehicle and HESS.
In this paper, a fuzzy logic power management strategy based on Markov random prediction of HESS is proposed. By introducing the predictive electrical demand of the vehicle, the power of the HESS is distributed more reasonably. The remainder of this paper is organized as follows. Section 2 provides a general description of the structure of HESS and Electro-mechanical Transmission (EMT) used in this paper, and in Section 3, a simulation study of battery-only ESS and HESS with a logic threshold power management strategy is performed. In Section 4, a fuzzy logic power management strategy based on Markov random prediction is proposed. The simulation results of the HESS with the proposed strategy, in comparison with the simulation results of battery-only ESS and HESS with a fuzzy logic strategy, demonstrate the applicability and superiority of the proposed power management strategy. To confirm the feasibility of the proposed power management strategy, two sets of experiments are performed in Section 5. Finally, conclusions are provided in Section 6.
2. The HESS Model
2.1. Active Parallel HESS Configuration
The most commonly used configuration of the HESS is the active parallel topology, which is shown in Figure 1. The battery bank is connected directly to the DC bus of the vehicle, and the UC bank connects to the DC bus through a bi-directional dc/dc convertor. Power management of the HESS is executed by controlling the power flowing through the bi-directional dc/dc converter. Because the voltage variation range of the UC bank is much higher than that of the battery bank, the bi-directional dc/dc converter isolates the UC bank from the DC bus to ensure that the voltage of the DC bus is relatively stable in this topology.
Figure 1.
The active parallel HESS configuration.
Figure 1.
The active parallel HESS configuration.

2.2. Battery Model
A 20Ah Li-ion battery cell is selected as the smallest unit of the battery bank in this paper. The main parameters of the battery cell are shown in Table 1.
Table 1.
Main parameters of the battery cell.
| Rated Capacity | 35 Ah | Rated Voltage | 3.7 V |
| Mass Energy Density | ≥135 Wh/kg | Volume Energy Density | ≥225 Wh/L |
| Cycling Performance | ≥2500 | Self-Discharge | ≤5% |
| Temperature Range | –20–55 °C | Mass | 1080 ± 10 g |
The Thevenin equivalent circuit model presented in Figure 2 is adopted in the simulation model. This model consists of the open circuit voltage VOC, the internal resistance Rint and a parallel RC branch. The parameters of the Thevenin model are related to the SOC of the battery. The mathematical model of the battery is presented in Equation (1), and the SOC of the batteries is calculated using Equation (2):
where, is the voltage across the RC parallel branch, is the output voltage ofbattery model, I is the current of the battery model, is the initial , and Q is capacitor of the battery.
Figure 2.
The Thevenin equivalent circuit model.
Figure 2.
The Thevenin equivalent circuit model.

The Hybrid Pulse Power Characterization (HPPC) test is the most common way of identifying the parameters of the battery model. The HPPC test results are shown in Figure 3. The parameters of the battery cell model identified from the HPPC test results are listed in Table 2.
Figure 3.
HPPC test results.
Figure 3.
HPPC test results.

Table 2.
Parameter identification results for the Thevenin battery model.
| SOC | τ/s | R/mΩ | C/kF |
|---|---|---|---|
| 0.1 | 29.49 | 5.33 | 5533 |
| 0.2 | 8.349 | 1.22 | 6821 |
| 0.3 | 12 | 1.35 | 8889 |
| 0.4 | 7.1 | 0.89 | 7978 |
| 0.5 | 9.168 | 0.78 | 11,734 |
| 0.6 | 7.274 | 0.75 | 9699 |
| 0.7 | 6.561 | 0.65 | 10,094 |
| 0.8 | 5.924 | 0.74 | 7962 |
| 0.9 | 6.636 | 0.95 | 6985 |
2.3. UC Model
A 2000F UC cell is used in the simulation. The equivalent circuit model of the UC cell is presented in Figure 4. The mathematical model of the UC cell is expressed in Equation (3). The main parameters of the 2000F UC cell product selected in this paper are shown in Table 3:
where, is the initial voltage across the capacitor C, I is the current of the UC model.
Figure 4.
The equivalent circuit model of the UC cell.
Figure 4.
The equivalent circuit model of the UC cell.

Table 3.
Main parameters of the 2000F UC cell.
| Capacitance (F) | 2000 | Resistance (mΩ) | 0.35 |
| Maximum current (A) | 1500 | Mass (g) | 360 |
| Power density (W/kg) | 6900 | Energy density (Wh/kg) | 5.6 |
2.4. Bi-Directional dc/dc Converter
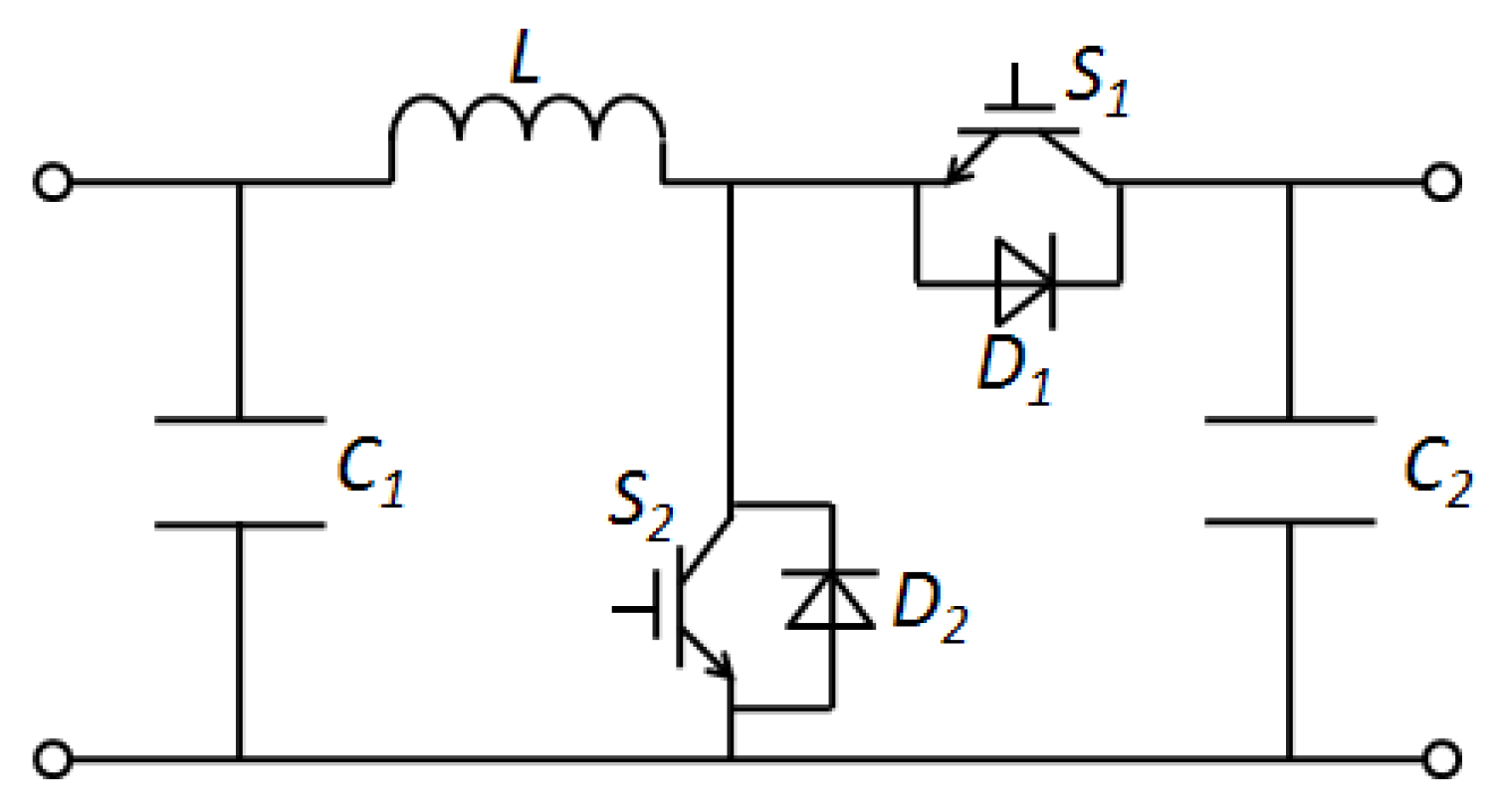
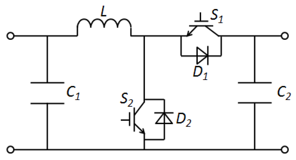
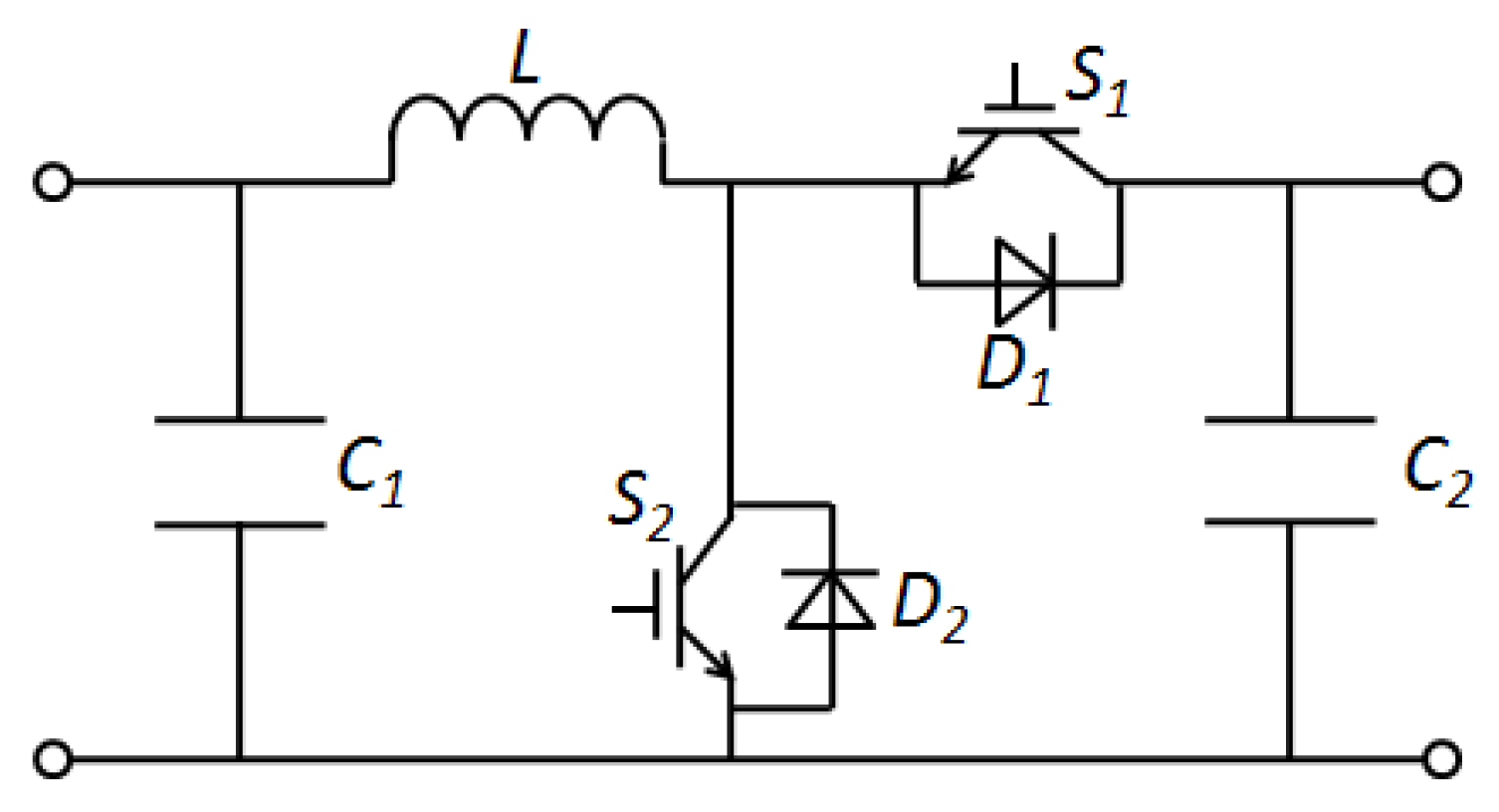
The bi-directional dc/dc converter is the actuator of the HESS power management strategies. Power distribution is achieved by controlling the directionand value of the electrical power flowing through the bi-directional dc/dc converter. This paper adopts a half-bridge structure, shown in Figure 5. C1 is the low-voltage side, and C2 is the high-voltage side. The low-voltage range is 530 V–600 V, and the high-voltage range is 600 V–1300 V. The efficiency of the bi-directional dc/dc converter is set as 98%.
Figure 5.
The half-bridge structure of the bi-directional dc/dc converter.
Figure 5.
The half-bridge structure of the bi-directional dc/dc converter.

2.5. HESS Model
The HESS model shown in Figure 6 was created using MATLAB/Simulink. The HESS model includes a battery bank, UC bank, bi-directional dc/dc converter, control unit and load. The models of the battery cell and UC cell are shown in Figure 2 and Figure 4. The battery bank and UC bank consist of a specified number of cells connected in series and parallel.
The load unit simulates the demanded drive power of the vehicle, and it is connected directly to the battery bank. There is a controlled current source in the load unit. The control unit calculates the power distribution results using information of the vehicle and HESS. The power distribution strategy proposed in this paper is described in detail below.
Figure 6.
The HESS simulation model.
Figure 6.
The HESS simulation model.

2.6. Configuration of the EMT
An electro-mechanical transmission (EMT) is a type of series-parallel hybrid system. EMT supplies a feasible way for solving the electric drive for heavy-duty vehicles [16]. Figure 7 shows the basic configuration of an EMT. It consists of one internal combustion engine (ICE), two motor/generators (MGs), an energy storage system (ESS) and a power-split transmission part. In a conventional EMT, a battery bank is used as the ESS. In this paper, an active parallel HESS is used as the ESS.
Figure 7.
The basic configuration of the EMT.
Figure 7.
The basic configuration of the EMT.

The power value algebraic sum of Motors A and B, which work as a motor and generator, respectively, determines the working status of the HESS. Under heavy-duty driving conditions, the EMT generally works in the hybrid driven mode. HESS charges or discharges according to driving power demand and energy allocation strategy of EMT. The main parameters of the EMT vehicle studied in this paper are shown in Table 4.
Table 4.
Main parameters of the EMT vehicle.
| Vehicle | Mass | 15,000 kg |
| Maximum Speed | 110 km/h | |
| Engine | Maximum power | 300 kW |
| Maximum rotation speed | 2100 r/min | |
| Motor A/B | Maximum power | 90 kW |
| Maximum rotation speed | 6000 r/min | |
| Coupling mechanism | k1 = k2 = 2.13 k3 = 2.33 | |
| Battery bank | Nominal voltage | 550 V |
| Capacity | 66.3 kWh | |
| UC bank | Maximum voltage | 1250 V |
| Capacitance | 4.34 F | |
2.7. Electric Power Demand of the EMT under Heavy-Duty Driving Conditions
The driving environment and road conditions of heavy-duty vehicles can vary, from flat roads in the city to complex terrain, such as earthen roads, ice-snow roads and fluctuating pavements. Figure 8 shows a typical driving cycle extracted from real driving conditions of heavy-duty vehicles; the road surface conditions include good pavement, gravel road, dried dirt road, wet sand road and gravel road. The vehicle speed and rolling resistance coefficient for different roads are shown in Figure 8. The driving power required for heavy-duty conditions is shown in Figure 9.
Figure 8.
Heavy-duty vehicle driving conditions.
Figure 8.
Heavy-duty vehicle driving conditions.

Figure 9.
Driving power of EMT vehicles under heavy-duty driving conditions.
Figure 9.
Driving power of EMT vehicles under heavy-duty driving conditions.

The power allocation strategy of EMT vehicles has been studied in detail in the literature [17]. Based on the vehicle driven power and electrical power demand, the fuel economy power performance and dynamic performance are selected as optimization objectives. Considering the external characteristics of the engine, motor and batteries and the coupling characteristics constraints related to coupling each component, the driving power of the EMT vehicle is allocated according to the methods proposed in the literature. The allocation results corresponding to electric power and ICE power are shown in Figure 10 and Figure 11, respectively.
Figure 10.
Allocation results for ICE power.
Figure 10.
Allocation results for ICE power.

Figure 11.
Allocation results for electrical power.
Figure 11.
Allocation results for electrical power.

3. Simulation Studies of Battery-Only ESS and HESS with a Logic Threshold Power Management Strategy
3.1. Simulation Results for Battery-Only ESS
The charge/discharge power of the battery bank when using the battery bank as the ESS in EMT is shown in Figure 11. The same battery bank as that listed in Table 5 is used in this simulation, and the charge/discharge current of the battery bank and variation of the SOC under heavy-duty vehicle driving cycles are shown in Figure 12. The peak electric power of the batteries reaches 141.27 kW.

Figure 12.
Simulation results for battery-only ESS: (a) Battery bank current; (b) Battery bank voltage; (c) SOC of the battery bank.
Figure 12.
Simulation results for battery-only ESS: (a) Battery bank current; (b) Battery bank voltage; (c) SOC of the battery bank.


In the ESS design process, decreasing system losses is one of the objectives. The Ohmic loss of batteries and UCs are calculated using Equation (4), and the resulting bi-directional dc/dc converter efficiency is 98%:
where, I is the current flowing through the battery or UC bank, and is the resistance of the battery or UC bank.
The literature results [18] indicate that there is a relationship between the cycle life and the charge/discharge rate of batteries. The larger the battery charge/discharge rate, the shorter the cycle life of the batteries. We define the average charge/discharge rate of the battery bank as shown in Equation (5). Reducing the average charge/discharge rate will extend the cycle life of the batteries:
3.2. Simulation Results for HESS With a Logic Threshold Power Management Strategy
Logic threshold strategy provides the advantages of being simple and reliable [19]. The general idea of the power allocation method based on a logic threshold value is as follows: first, the battery power limits are determined. Then, the battery provides electric power within its limits, and the part that exceeds the limit value is supplied by UCs.
When the HESS is in the status of charging () or discharging (), the charge or discharge working conditions of the batteries and UCs should first be obtained through their state of charge; furthermore, the electrical load power is allocated between the batteries and the UCs based on the logic threshold value, which is controlled by the bi-directional dc/dc convertor.
In this study, the logic threshold value of the battery power is 60kW, and when the load power exceeds 60 kW, the UC bank starts working. The simulation results for HESS with a logic threshold power management strategy are shown in Figure 13.

Figure 13.
Simulation results for HESS with a logic threshold power management strategy: (a) Battery bank power; (b) UC bank power; (c) Voltage of the battery and UC bank; (d) SOC of the battery bank.
Figure 13.
Simulation results for HESS with a logic threshold power management strategy: (a) Battery bank power; (b) UC bank power; (c) Voltage of the battery and UC bank; (d) SOC of the battery bank.


Compared with the battery-only ESS simulation results, which are shown in Figure 12, the peak power of the battery bank is limited to 60 kW. However, the fluctuation of the charge/discharge power of battery bank is still high, and the time that the UC bank is working for is not sufficient. Generally speaking, the power distribution function is achieved; nevertheless, these allocation results are not perfect, as the UC bank was not used to the maximum.
4. A Fuzzy-Logic Power Management Strategy Based on Markov Random Prediction
In the existing literature, most of the power distribution strategies use the previous and present information of the vehicle and HESS. Even if the strategies ensure the rationality of the power allocation at the current time, it could happen that the power demand is not satisfied in the following period. Because the UC bank has limited storage capacity, it is important for the HESS power distribution strategy that the UC bank can supply enough energy when the vehicle needs high-power electricity.
In this paper, a fuzzy logic power management strategy based on Markov random prediction is proposed. While the vehicle is running, the driving power demand is expressed through the pedals. The electrical driving power demand at the next moment is only relevant to the current vehicle speed and the current driving power, and therefore, the electric power of the vehicles can be modelled as a Markov random process.
Figure 14 clearly shows the structure frame of the proposed power distribution strategy. The proposed strategy contains two main parts: the state transition probability matrices and the fuzzy logic controller. The inputs of the proposed strategy include current vehicle speed v, the current electrical power demand P and the current voltage of the UC bank VUC. The output is the proportion of the battery power of the total electrical power demand Pbatt.
Figure 14.
The structure of the proposed power distribution strategy for HESS.
Figure 14.
The structure of the proposed power distribution strategy for HESS.

Based on the driving cycle statistics, the state transition probabilities for the electric power can be obtained for different vehicle speeds. The electrical power demand at the next moment P* can be predicted by the current vehicle speed v and electrical power demand P through the state transition probability matrix. Then, the prediction is regarded as one of the inputs of the fuzzy logic controller, wherethe power for the hybrid energy storage system is assigned.
4.1. The State Transition Probability Matrices
In brief, Markov property can be expressed as that the next state of a system is only depended on the current state but independent of its earlier states. Markov process describes a random system with Markov property. Markov process with discrete time and states is Markov chain. Markov chain has two elements, the states and transfer probability. Equation (6) presents one time step transfer probability from state Ei at current time t to state Ej at next time t + 1. If the random system includes the states E = {E1,E2,……, En}, the one-time step transfer probabilitymatrix from Ei to Ej can be expressed as Equation (7):
In this paper, both the vehicle speed v and the electrical power P are chosen as the states. P and v are discretized to two sets of states:
The state transition probability Pimj refers to the probability of electric power demand Pej at time when the vehicle velocity is and electric power demand is Pej at the current moment k:
where, i, j = 1,2,…,n; m = 1,2,…,q, and .
For each vehicle speed discrete point , there is a transfer probability matrix, so we can get q transfer probability matrices totally.
The data on the vehicle speed and electric power demand are required to be discrete. The discrete results of the electrical power demand are shown in Figure 15 in steps of 10 kW, and the discrete results of the vehicle speed are shown in Figure 16 in steps of 5 km/h.
Figure 15.
The discrete results of electrical power.
Figure 15.
The discrete results of electrical power.

Figure 16.
The discrete results of vehicle speed.
Figure 16.
The discrete results of vehicle speed.

Figure 17 shows the state transition probability matrix for electric power demand for the speed of 55 km/h. Each discrete vehicle speed has a state transition probability matrix similar to that shown in Figure 17. These matrices are stored in the controller and will be called when the controller distributes the HESS power.
Figure 17.
The state transition probability matrix for electric power demand for a 55 km/h vehicle speed.
Figure 17.
The state transition probability matrix for electric power demand for a 55 km/h vehicle speed.

The corresponding state transition probability matrix can be found for the current speed and electrical power demand, and the electrical power demand and its probability can be obtained from the matrix. Based on the probability-weight method, the predicted electrical power demand is defined in Equation (9):
where, is the electrical power demand at the next moment and is the probability of .
4.2. Design of the Fuzzy Logic Power Management Strategy
Fuzzy logic can be applied to a complex system for which it is difficult to build an accurate model. Fuzzy logic has strong adaptability to nonlinear systems and good robustness. The structure of a fuzzy logic controller is simple and easy to implement. In the proposed power distribution strategy, the predicted electrical power demand P*, the current electrical power demand P and the voltage of UC bank VUC are the inputs for the fuzzy logic, and the output is the proportion of the battery power in the total electrical power demand Pbatt. According to the signs of P* and P, the power distribution strategy is divided into four modes as shown in Figure 18. Each mode has an associated fuzzy logic. When P* and P are positive, the hybrid energy storage system outputs electric power to the bus. When P* and P are negative, the hybrid energy storage system absorbs the electrical energy. The fuzzy logic input and output membership functions are shown in Figure 19.
Figure 18.
Four modes of the proposed strategy.
Figure 18.
Four modes of the proposed strategy.

Figure 19.
Input and output membership functions. (a) P*; (b) P; (c) VUC; (d) Pbatt.
Figure 19.
Input and output membership functions. (a) P*; (b) P; (c) VUC; (d) Pbatt.

The fuzzy logic rules are set following the principles below:
(1) In mode I, the hybrid energy storage system outputs the electrical power at both the current and next moments. If the voltage of the UC bank is relatively high, the UC bank provides more electric power to the load. If the voltage of the UC bank is relatively low, the UC bank provides less electrical power to the bus. The relationship between the inputs and output of the controller in mode I is shown in Figure 20.
Figure 20.
The relationship between the input and output of mode I.
Figure 20.
The relationship between the input and output of mode I.

(2) In mode II, the HESS outputs electrical power at the next moment, while it absorbs electrical power at current moment. If the voltage of the UC bank is relatively high, the UC bank should decrease its power recovery to maintain the voltage within a rational range. If the predicted output power of the next moment is relatively high, the UC bank should hold the voltage relatively high in order to supply sufficient electrical power. The relationship between the inputs and output of the controller in mode II is shown in Figure 21.
Figure 21.
The relationship between the input and output of mode II.
Figure 21.
The relationship between the input and output of mode II.

(3) In mode III, the HESS absorbs electrical power at the next moment, while it outputs electrical power at the current moment. If the voltage of the UC bank is relatively high, the UC bank should provide more power at the current moment to enable recovery of the electrical energy. The relationship between the inputs and output of the controller in mode III is shown in Figure 22.
Figure 22.
The relationship between the input and output of mode III.
Figure 22.
The relationship between the input and output of mode III.

(4) In mode IV, HESS recovers the electrical power at both the current and the next moments. If the voltage of the UC bank is relatively high, the battery bank should recover more power to reduce the voltage of the UC bank. If the recovery power of the next moment is relatively high, the UC bank should decrease the current recycling power to enable greater energy recovery at the next moment. The relationship between the inputs and output of the controller in mode IV is shown in Figure 23.
Figure 23.
The relationship between the input and output of mode IV.
Figure 23.
The relationship between the input and output of mode IV.

4.3. Simulation Results
Simulations are performed to verify the feasibility of the power management strategy proposed in this paper. The electrical power under the heavy-duty vehicle driving cycles shown in Figure 11 is allocated based on the proposed strategy. The simulation results are shown in Figure 24.
Figure 24.
Simulation results of the proposed power management strategy: (a) Power of the battery bank; (b) Power of the UC bank; (c) Voltage of the battery bank and UC bank; (d) SOC of the battery bank.
Figure 24.
Simulation results of the proposed power management strategy: (a) Power of the battery bank; (b) Power of the UC bank; (c) Voltage of the battery bank and UC bank; (d) SOC of the battery bank.

Table 5.
Performance comparison of the battery-only ESS and HESS with different power management strategies.
| Battery-Only ESS | HESS | ||
|---|---|---|---|
| Logic Threshold Strategy | Fuzzy-Logic Strategy Based on Markov Random Prediction | ||
| Loss/kJ | 465.54 | 338.29 | 292.5746 |
| Average charge/discharge rate of battery bank/C | 0.3745 | 0.3146 | 0.2617 |
| Peak power of battery bank/kW | 141.27 | 60 | 60 |
Table 5 shows that for battery-only ESS, the values of the loss, average charge/discharge rate and the peak power are larger than those for HESS. After applying HESS, the peak power of the battery is restricted within the threshold. Compared with the logic threshold power management strategy, the proposed power management strategy can effectively reduce the loss of HESS and the average charge/discharge rate of battery bank, which is reduced by approximately 20%.
5. Experiments and Results
In order to validate the proposed power management strategy for HESS, a small-scale experimental platform was built and is shown in Figure 25. The main components of the experimental platform are listed in Table 6.
Figure 25.
HESS test platform.
Figure 25.
HESS test platform.

Table 6.
Equipment used in the test platform.
| Item | Manufacturer/Model Number | |
|---|---|---|
| A | Battery bank | 20 Ah Li-ion Battery ×2 |
| B | UC bank | Maxwell, 48 V, 110F |
| C | Bi-directional dc/dc converter | Low voltage terminal: 0–10 V; High voltage terminal: 20–50 V; Power: 2 kW |
| D | dSPACE | MicroAutoBox |
| E | Battery Testing Equipment | 0–10 V, 2 kW |
| F | PC1 | Controls the battery testing equipment |
| G | PC2 | Controls the dSPACE |
dSPACE is used as the real-time controller on the platform. The model of the proposed strategy built in MATLAB/Simulink is loaded into dSPACE through PC2.
The battery test equipment is used as the load of the HESS. The input/output power of the battery test equipment is controlled in real time by PC1 through the RS232 bus. The battery bank is composed of two 20 Ah cells in series. The maximum voltage of the battery bank is 7.2 V, while the minimum voltage is 5.2 V. The highest voltage of the UC bank is 48 V, while the minimum voltage is 24 V.
The bi-directional dc/dc converter is connected to dSPACE via CAN bus. The dSPACE controls the value and direction of the electric power flowing through the dc/dc converter and also receives the voltage and current signal from the dc/dc convertor. The ControlDesk software monitors the experimental results.
The inputs of the proposed strategy are the vehicle speed, voltage of the UC bank and the current electric power, and the output is the proportion of the battery bank power in the total electrical power. In this section, two sets of experiments are performed under different voltage conditions of the UC bank to validate the proposed strategy. In the first experiment, the voltage of the UC bank is higher than 40 V, and it is used to simulate a real voltage of 1000 V of the UC bank. In another experiment, the voltage of the UC bank is lower than 35 V, and it is used to simulate a real voltage of 600 V of the UC bank.
Two sets of experiments with different UC bank voltages are performed under the same experimental conditions, shown in Figure 26. During the period of 0~120 s, the HESS discharges to the load. The speed of the vehicle is 40 km/h during 0~60 s and then changes to 80 km/h from 60 s to 120 s. From 0 s to 30 s, the load power is 25 kW; from 30 s to 90 s, the load power is 90 kW; and from 90 s to 120 s, the load power is 25 kW.
Figure 26.
The experimental conditions of the HESS test.
Figure 26.
The experimental conditions of the HESS test.

During 120 s ~ 180 s, the HESS remains in a static state, and both the vehicle speed and load power are 0 in value. From 180 s to 300 s, the HESS absorbs electrical power from the load. Before 240 s, the vehicle speed is 40 km/hand then becomes 80 km/h. From 180 s to 210 s, the load power is 25 kW; from 210 s to 270 s, the load power is 90 s; and from 270 s to 300 s, the load power is 25 kW. On the experimental platform, the load power is shrunk by a factor of 200. This means that when the load power is 25 kW in the simulation, the load power on the experimental platform is 125 W; when the load power is 90 kW in the simulation, the load power on the experimental platform is 450 W.
(1) Voltage of the UC bank is 1000 V
A UC bank voltage higher than 40 V in the experiments corresponds to a real UC bank voltage of 1000 V. The simulation results of the bi-directional dc/dc converter when the UC bank voltage is 1000 V are shown in Figure 27.
When the HESS outputs electrical power to the load with the same power and the same voltage as that of the UC bank because the predicted load power is different, the power of the bi-directional dc/dc converter under 40 km/h is higher than that under 80 km/h. When the HESS absorbs electrical power, the responding power of the dc/dc converter under 80 km/h is higher than that under 40 km/h. The experimental data of the dc/dc converter in Figure 28 is consistent with the simulation results in Figure 27.
Figure 27.
The simulation results when the UC bank is 1000 V.
Figure 27.
The simulation results when the UC bank is 1000 V.

Figure 28.
The experimental results when the UC bank voltage is higher than 40 V. (a) Power of the load; (b) Voltage of the UC bank; (c) Power of the bi-directional dc/dc converter; (d) Voltage of the battery bank.
Figure 28.
The experimental results when the UC bank voltage is higher than 40 V. (a) Power of the load; (b) Voltage of the UC bank; (c) Power of the bi-directional dc/dc converter; (d) Voltage of the battery bank.

(2) Voltage of the UC bank is 600 V
When the voltage of the UC bank in the experiments is lower than 35 V, it simulates a real voltage of 600 V of the UC bank. The simulation results of the dc/dc converter are shown in Figure 29.
Figure 29.
The simulation results when the UC bank voltage is 600 V.
Figure 29.
The simulation results when the UC bank voltage is 600 V.

The experimental results are shown in Figure 30, and they are consistent with the simulation results. When the HESS outputs electrical power, compared with the simulation results when the UC voltage is 1000 V, the power of the bi-directional dc/dc converter decreases with a decrease in the voltage of the UC bank. When HESS absorbs electrical power, for storing more energy, the power of the dc/dc converter increases with a decrease in the voltage of the UC bank. The fuzzy logic principles are reflected from the experimental results.

Figure 30.
The experimental results when the UC bank is higher than 40 V. (a) Power of the load; (b) Voltage of the UC bank; (c) Power of the bi-directional dc/dc converter; (d) Voltage of the battery bank.
Figure 30.
The experimental results when the UC bank is higher than 40 V. (a) Power of the load; (b) Voltage of the UC bank; (c) Power of the bi-directional dc/dc converter; (d) Voltage of the battery bank.


6. Conclusions
In this paper, a fuzzy-logic power management strategy based on Markov random prediction is investigated for an active parallel HESS. The electrical power of the EV and HEV can be considered to have the Markov property. Based on the statistics of the vehicle speed and the electrical power from the heavy-duty vehicles driving cycle, the state transition probability matrices of the electrical power with different vehicle speeds are calculated. The electric power demand at the next moment can be predicted by the state transition probability matrices with the vehicle speed and electrical power demand of the current moment. Using the current vehicle speed, the current electric power and the predicted electric power as inputs, the fuzzy logic controller distributes the electrical power between the battery bank and the UC bank.
In this paper, both simulations and experiments are performed. The simulation model is created using MATLAB/Simulink. Compared with the battery-only ESS and HESS with a logic threshold, the proposed power management strategy not only limits the battery bank power to a certain range but also reduces the peak and average charge/discharge power of the battery bank and overall loss incurred by the whole ESS.
A scaled-down experimental platform was constructed to verify the proposed fuzzy-logic power management strategy based on Markov random prediction for an active parallel HESS. The experimental results showed that the proposed strategy is feasible.
Acknowledgments
This work was supported by the National Natural Science Foundation of China (51005017, 2011.01~2013.12 and 51575043, 2016.01~2019.12).
Author Contributions
Yanzi Wang and Weida Wang planned the whole paper, designed the simulations and experiments. Weida Wang, Yanziwang and Wenjun Chen performed the simulations. Yanzi Wang, Yulong Zhao, and Lei Yang performed the experiments. All authors revised and approved for the publication.
Conflicts of Interest
The authors declare no conflict of interest.
References
- Mi, C.; Masrur, M.A.; Gao, W.Z. Batteries, Ultracapacitors, Fuel Cells, and Controls. Hybrid Electric Vehicles: Principles and Applications With Practical Perspectives; John Wiley & Sons: The Atrium, UK, 2011; pp. 315–320. [Google Scholar]
- Siang, F.T.; Chee, W.T. A review of energy sources and energy management system in electric vehicles. Renew. Sustain. Energy Rev. 2013, 20, 82–102. [Google Scholar]
- Andrew, B. Ultracapacitors: Why, how, and where is the technology. J. Power Sour. 2000, 91, 37–50. [Google Scholar]
- Alireza, K.; Li, Z.H. Battery, ultracapacitor, fuel cell, and hybrid energy storage systems for electric, hybrid electric, fuel cell, and plug-in hybrid electric vehicles: State of the art. IEEE Trans. Veh. Technol. 2010, 59, 2806–2814. [Google Scholar]
- Erik, S.; Alireza, K.; Peter, O.R. Influence of battery/ultracapacitor energy-storage sizing on battery lifetime in a fuel cell hybrid electric vehicle. IEEE Trans. Veh. Technol. 2009, 58, 3882–3891. [Google Scholar]
- Bo, L.; Shin, T.L.; Zhi, F.B.; Ji, H.R.; Kil, T.C. Energy management and control of electric vehicles, using hybrid power source in regenerative braking operation. Energies 2014, 7, 4300–4315. [Google Scholar]
- Ren, G.Z.; Ma, G.Q.; Cong, N. Review of electrical energy storage system for vehicular applications. Renew. Sustain. Energy Rev. 2015, 41, 225–236. [Google Scholar] [CrossRef]
- Cao, J.; Emadi, A. A new battery/ultracapacitor hybrid energy storage system for electric, hybrid, and plug-in hybrid electric vehicles. IEEE Trans. Power Electron. 2012, 27, 122–132. [Google Scholar]
- Yin, H.; Zhao, C.; Li, M.; Ma, C.B. Utility function-based real-time control of a battery-ultracapacitor hybrid energy system. IEEE Trans. Ind. Informat. 2015, 11, 220–231. [Google Scholar] [CrossRef]
- Zhang, S.; Xiong, R. Adaptive energy management of a plug-in hybrid electric vehicle based on driving pattern recognition and dynamic programming. Appl. Energy 2015, 155, 68–78. [Google Scholar] [CrossRef]
- Hredzak, B.; Agelidis, V.G.; Demetriades, G. Application of explicit model predictive control to a hybrid bettery-ultracapacitor power source. J. Power Sour. 2015, 277, 84–94. [Google Scholar] [CrossRef]
- Hredzak, B.; Agelidis, V.G.; Demetriades, G.; Jang, M. A model predictive control system for a hybrid battery-ultracapacitor power source. IEEE Trans. Power Electron. 2014, 29, 1469–1479. [Google Scholar] [CrossRef]
- Li, Q.; Chen, W.R.; Li, Y.K.; Liu, S.K.; Huang, J. Energy management strategy for fuel cell/battery/ultracapacitor hybrid vehicle based on fuzzy logic. Electr. Power Energy Syst. 2012, 43, 514–525. [Google Scholar] [CrossRef]
- Zandi, M.; Payman, A.; Martin, J.P.; Pierfederici, S.; Davat, B. Energy management of a fuel cell/supercapacitor/battery power source for electric vehicular applications. IEEE Trans. Veh. Technol. 2011, 60, 433–443. [Google Scholar] [CrossRef]
- Michalczuk, M.; Ufnalski, B.; Lech, G. Fuzzy logic control of a hybrid battery ultracapacitor energy storage for an urban electric vehicle. In Proceedings of 8th International Conference and Exhibition on Ecological Vehicles and Renewable Energies (EVER), Monte Carlo, France, 27–30 March 2013; pp. 1–7.
- Xiang, C.L.; Huang, K.; Ma, Y.; Jia, S.P. Analysis of characteristics for mode switch of dual-mode electro-mechanical transmission (EMT). In Proceedings of 2014 IEEE 80th Vehicular Technology Conference (VTC Fall), Vancouver, BC, Canada, 14–17 September 2014; pp. 1–6.
- Zhang, D.H.; Xiang, C.L.; Han, L.J.; Zheng, H.L. Multi-objective power flow hierarchic optimization for the electro-mechanical transmission of a heavy-duty vehicle. In Proceedings of IEEE Transportation Electrification Conference & Expo Asia-Pacific, Beijing, China, 31 August–3 September 2014; pp. 1–6.
- Dai, H.F.; Wei, X.Z.; Sun, Z.C. A new SOH prediction concept for the power lithium-ion battery used on HEVs. In Proceedings of IEEE Vehicle Power and Propulsion Conference (VPPC’ 09), Dearborn, MI, USA, 7–19 September 2009; pp. 1649–1653.
- Dixon, J.W.; Ortuzar, M.E. Ultracapacitors + DC/DC Converters in Regenerative Braking System. IEEE Aerosp. Electron. Syst. Mag. 2002, 17, 16–21. [Google Scholar] [CrossRef]
© 2016 by the authors; licensee MDPI, Basel, Switzerland. This article is an open access article distributed under the terms and conditions of the Creative Commons by Attribution (CC-BY) license (http://creativecommons.org/licenses/by/4.0/).