Next Article in Journal
Research on Parameter Tuning of Electro-Hydrostatic Actuator Position Sliding Mode Controller Based on Enhanced Dynamic Sand Cat Search Optimization Algorithm
Next Article in Special Issue
Mechanisms and Modelling of Effects on the Degradation Processes of a Proton Exchange Membrane (PEM) Fuel Cell: A Comprehensive Review
Previous Article in Journal
Achieving NOx Emissions with Zero-Impact on Air Quality from Diesel Light-Duty Commercial Vehicles
Previous Article in Special Issue
Review of Environmental Life Cycle Assessment for Fuel Cell Electric Vehicles in Road Transport
 
 
Font Type:
Arial Georgia Verdana
Font Size:
Aa Aa Aa
Line Spacing:
Column Width:
Background:
Review

Performance Evaluation of Pressure Swing Adsorption for Hydrogen Separation from Syngas and Water–Gas Shift Syngas

1
Institute of Energy and Fuel Processing Technology, Zamkowa 1, 41-803 Zabrze, Poland
2
KOMAG Institute of Mining Technology, Pszczyńska 37, 44-101 Gliwice, Poland
*
Author to whom correspondence should be addressed.
Energies 2025, 18(8), 1887; https://doi.org/10.3390/en18081887
Submission received: 7 March 2025 / Revised: 26 March 2025 / Accepted: 5 April 2025 / Published: 8 April 2025
(This article belongs to the Special Issue Advances in Hydrogen Energy IV)

Abstract

Hydrogen (H2) is a key energy carrier and industrial feedstock, with growing interest in its production from syngas and water–gas shift (WGS) syngas. Effective purification methods are essential to ensure high hydrogen purity for various applications, particularly fuel cells, chemical synthesis, or automotive fuel. Pressure swing adsorption (PSA) has emerged as a dominant separation technology due to its efficiency, scalability, and industrial maturity. This study reviews PSA-based hydrogen purification and proposes an experimental framework based on literature insights. Key process variables influencing PSA performance, such as adsorbent selection, cycle sequences, pressure conditions, and flow configurations, are identified. The proposed experimental methodology includes breakthrough adsorption studies and PSA process evaluations under dynamic conditions, with variations in column configuration, adsorption pressure (8–9 bar), and process concept (Berlin and Linde Gas). The purpose of the review is to prepare for syngas separation by the selected process in terms of hydrogen recovery and purity using ITPE’s advanced technological facilities. The findings are expected to contribute to improving PSA-based hydrogen purification strategies, offering a pathway for enhanced industrial-scale hydrogen production. This work provides a foundation for bridging theoretical PSA principles with practical implementation, supporting the growing demand for clean hydrogen in sustainable energy systems.

1. Introduction

Clean and alternative energies are crucial research areas worldwide for sustainable energy development. Extensive research and development efforts are dedicated to producing and purifying hydrogen and synthesis gas (syngas), as well as processing fuels for fuel cells and automotive applications. These areas offer significant potential for tackling three key energy challenges: (a) expanding the supply of clean fuels to meet the rising demand for liquid and gaseous fuels as well as electricity, (b) enhancing energy efficiency in fuel and electricity production, and (c) reducing pollutant emissions while minimizing the link between energy consumption and greenhouse gas emissions in end-use applications. Hydrogen (H2), as a crucial energy carrier and industrial feedstock, plays a significant role in the transition toward sustainable energy systems. Its utilization in fuel cells, power generation, and chemical processes underscores the need for efficient and scalable hydrogen production and purification technologies. Syngas, generated through gasification, reforming, or partial oxidation, and water–gas shift (WGS) syngas, enriched in hydrogen through catalytic conversion, represent two key sources of hydrogen. However, these gas mixtures contain impurities such as carbon monoxide (CO), carbon dioxide (CO2), methane (CH4), and nitrogen (N2), which must be removed to meet the purity standards required for various applications [1].
Among hydrogen purification methods, including absorptive, adsorptive, membrane separation, and cryogenic distillation, pressure swing adsorption processes have become the state-of-the-art technology in the chemical and petrochemical industries [2]. Currently, over 85% of the world’s hydrogen production installations use PSA technology for hydrogen purification, with several hundred H2 PSA process units installed worldwide [3]. PSA operates on the principle of selective adsorption, where specific adsorbents (such as zeolite and activated carbon) capture impurities under high pressure and release purified hydrogen during depressurization [4]. Despite extensive industrial applications of PSA, further research is required to refine its design, process control, and operational efficiency. Existing studies highlight the importance of adsorber breakthrough experiments and PSA cycle evaluations in determining the optimal conditions for hydrogen separation.
In the context of purifying hydrogen derived from gasification of coal fractions obtained from mining tailings, PSA technology offers significant advantages. The complex composition of syngas produced from such feedstocks necessitates robust purification processes to ensure the removal of contaminants and achieve the desired hydrogen purity levels [5]. Implementing PSA systems in this scenario not only enhances hydrogen recovery but also contributes to sustainable resource utilization by transforming mining byproducts into valuable clean energy carriers [3].
Recent advancements in PSA technology have focused on optimizing adsorbent materials and process configurations to improve efficiency and reduce operational costs. For instance, multi-bed PSA systems with pressure equalization steps have been shown to significantly enhance hydrogen recovery while reducing energy consumption [6]. Furthermore, novel adsorbents, including metal–organic frameworks (MOFs) and modified zeolite, have demonstrated improved selectivity and adsorption capacity for impurities such as CO2 and CH4 [7]. Studies have shown that modifications to traditional PSA processes, such as integrating vacuum pressure swing adsorption (VPSA) or hybrid PSA-membrane systems, can further enhance hydrogen purification efficiency, making it a cost-effective solution for industrial applications [8]. Moreover, the integration of PSA technology in hydrogen production facilities allows for the purification of hydrogen streams to meet the high purity standards required for various applications, including fuel cells and ammonia synthesis [9]. This integration is crucial for the advancement of hydrogen as a sustainable energy source, particularly when utilizing unconventional feedstocks such as post-mining waste tail gases [10,11] or other wastes using gasification [12]. The potential to recover hydrogen from low-cost, carbon-rich industrial waste gases offers a viable path toward decarbonizing hydrogen production while promoting circular economy principles in energy and resource management [13]. However, a systematic approach to designing these experiments, grounded in literature insights, remains limited. This study addresses this gap by proposing a structured experimental framework for PSA-based hydrogen purification, drawing from a comprehensive literature analysis. The objective is to define key operational variables, establish methodologies for breakthrough and PSA cycle testing, and outline expected performance outcomes. By integrating theoretical principles with practical considerations, this research aims to advance PSA optimization strategies for further industrial-scale hydrogen purification.
In summary, PSA technology plays a pivotal role in addressing the challenges associated with hydrogen purification from complex gas mixtures, including those derived from coal gasification of mining tailings. Its ability to efficiently remove impurities and achieve high hydrogen purity levels underscores its importance in the transition toward sustainable energy systems.

2. Review of Hydrogen Separation Technologies

Syngas contains a mixture of hydrogen and carbon monoxide in various ratios. The gas often contains some carbon dioxide and methane. Syngas and its derivatives, like hydrogen, are critical to the chemical, petroleum, and energy sectors. They are essential as feedstocks for chemicals such as ammonia and methanol. Hydrogen, with its high energy density and minimal emissions, is anticipated to become a widespread energy carrier by the mid-21st century. It is heavily used in refineries to produce cleaner fuels, with demand expected to rise significantly. Although extensive research exists on syngas production, purification, and applications, there remains potential for further advancements.
The syngas process can be divided into the following basic components:
  • Feed preparation;
  • Reactions;
  • Purification.
Feed preparation involves processes such as heating, feedstock cleaning, and the introduction of additives like steam or CO2. The reaction stage encompasses methods such as steam reforming, gasification, and pyrolysis. Purification steps modify the product composition to align with downstream specifications, ensuring the removal of undesirable components such as water (when a dry product is required), H2S, CO2, and other impurities.

2.1. Syngas Production Methods: Gasification, Reforming, Oxidation

The predominant technique for syngas production in both industrial and laboratory applications is steam reforming. This includes steam reforming of methane (SRM):
C H 4 + H 2 O CO + 3 H 2 ,
Dry reforming of methane (DRM):
C H 4 + CO 2 2 CO + 2 H 2
Partial oxidation of methane (POM):
C H 4 + 0.5 O 2 CO + 2 H 2
Bi-reforming of methane (BRM) is a process that combines steam reforming (SMR) and dry reforming (DRM), and autothermal reforming of methane (ARM) combines partial oxidation (POM) and steam reforming (SRM) [14,15,16]. SRM is advantageous because it produces syngas with a high hydrogen concentration, leveraging methane’s high hydrogen-to-carbon ratio. This method uses cost-effective nickel-based catalysts and requires heat for steam production and the endothermic reaction. The thermal energy recovered from syngas cooling can be repurposed, minimizing the reliance on methane combustion. Full methane conversion can be achieved at around 900 °C. Employing hydrogen separation methods, such as membrane technology, enables complete methane conversion at lower temperatures, while solar heat can substitute methane combustion to minimize carbon emissions. High pressure hinders the reaction due to increased mole numbers, but pressures up to 30 bar are used when compressed hydrogen is needed to reduce reactor size and electricity for compression [14].
In DRM, the key reaction is between CH4 and CO2, influenced by the feed ratio, pressure, and thermodynamic properties, which affect the optimal temperature and side reactions. Gasification and reforming are primary sources of syngas, with carbon sources reacting at high temperatures with steam, oxygen, or CO2. The syngas composition varies based on the agent used. Different applications require different H2/CO ratios: a ratio of 2:1 is common for methanol production and Fischer–Tropsch synthesis, higher ratios are used for hydrogen production, and a ratio of 1:1 is used for the production of ethanol and other alcohols. Lowering the ratio further results in pure carbon monoxide, which is toxic. This gas can be used to synthesize small organic molecules like formic acid and acetic acid without hydrogen.
Table 1 provides details on various reforming methods and their characteristics.
Syngas can be produced through gasification, a thermochemical process that converts carbonaceous materials, such as coal, heavy oil, or biomass, into a mixture of gases and ash. This process requires high temperatures (800–1000 °C) and operates under low pressure (1–20 bar). Gasification occurs under sub-stoichiometric conditions (less oxygen than required for complete combustion) and involves a gasifying agent, such as air, oxygen, steam, or carbon dioxide [18]. The partial oxidation of solid carbon using these agents results in a product gas that contains hydrogen (H2) and carbon monoxide (CO), as well as other components such as methane (CH4), carbon dioxide (CO2), water vapor (H2O), and nitrogen (N2) [19]. Depending on the gasification technology used, the H2/CO ratio can range from 0.5 to 1.8. Additionally, gasifiers may produce heavier hydrocarbons, such as toluene, naphthalene, and benzene, as well as undesirable byproducts like tar and particulates, which require removal for efficient application. Since the composition of the gasification gas varies based on the feedstock and operating conditions, further processing is often necessary to refine its composition for specific industrial applications. Gasification efficiency is typically determined based on the lower heating value, calculated as the total energy of the produced gas expressed as a percentage of the total energy of the feedstock.
Syngas is a versatile source for producing a wide range of environmentally friendly chemicals and fuels, with its conventional uses steadily increasing. As shown in Figure 1, the most important chemicals derived from syngas include hydrogen, which is essential for producing chemicals like ammonia. The Haber–Bosch process, developed in 1910, enabled the industrial synthesis of ammonia from nitrogen and hydrogen, with the first plant built in 1913.
Methanol, a key product of syngas, has undergone significant development for the synthesis of methyl ethers, which serve as octane boosters in vehicle fuels. Despite this progress, methanol production remains the second-largest consumer of syngas. Fischer–Tropsch synthesis, the third-largest consumer, produces kerosene, naphtha, waxes, and other products. The following sections will explore each application of syngas in greater detail.
Simple syngas contains a mixture of H2 and CO but also contains CO2 and other components like H2O. Since syngas is usually used at high pressures for synthesizing chemicals and fuels, it is important to keep the N2 content to a minimum.
Although hydrogen predominantly exists in a combined state on Earth, it can be extracted from various primary resources, such as water or hydrocarbons, through different separation processes. Once isolated, hydrogen serves as a key energy carrier, convertible into electricity and other low-emission energy forms. Several technologies facilitate hydrogen production, including steam methane reforming (SMR), partial oxidation of methane (POM), water electrolysis, and biomass gasification. Water electrolysis and photocatalytic water splitting are commonly used for hydrogen extraction from water. Water electrolysis remains costly due to high energy consumption, while photocatalytic water splitting faces limitations in efficiency. In commercial applications, the dominant hydrogen production pathways rely on SMR and POM, utilizing hydrocarbons and carbon-based feedstocks such as natural gas, petroleum, and coal [21].
Understanding the fundamental combustion efficiency of syngas is essential for optimizing its performance in combustion systems. Highly efficient combustion technologies generate substantial turbulence, promoting better air–fuel mixing prior to ignition, often resulting in a premixed combustion process. The characteristics of syngas significantly impact its combustion behavior in internal combustion (IC) engines, where key factors such as the flammability limit influence both safety and fuel efficiency. Additionally, the burning velocity plays a crucial role in the combustion process, affecting the overall efficiency of fuel utilization. Depending on whether the flow regime is laminar or turbulent, the burning velocity can be adjusted to regulate the premixed combustion process. The subsequent sections will explore the flammability limit of syngas and methodologies for measuring its burning velocity, composition, and calorific value [22].
The composition of syngas can vary significantly depending on the synthesis method and the feedstock (Table 2 and Table 3).
When selecting an efficient purification technology, it is essential to consider both the composition of the syngas feed and the specifications of the desired product (e.g., purified syngas or hydrogen). The purity requirements of syngas are primarily dictated by its intended application, whether for power generation, chemical synthesis, petrochemical processing, or fuel cells. This factor plays a critical role in selecting the most cost-effective purification method or a combination of technologies to meet the required purity standards for each specific use [25].
A typical syngas composition is presented in Table 4 [26,27,28].

2.2. WGS Reaction and Its Role in Hydrogen Enrichment

In order to produce more hydrogen from syngas, the water–gas shift reaction (WGSR) is traditionally employed. This hydrogen is subsequently used in various industries, including ammonia production for fertilizers, petroleum refining, and more recently, as a fuel for power generation and transportation. The increased use of gasification for power generation has significantly boosted the application of water–gas shift reactors. The WGS reaction not only increases hydrogen output but also adjusts the CO/H2 ratio in syngas, making it suitable for various applications such as ammonia synthesis and hydrocarbon production [29].
The reaction was first recorded in 1888 and gained prominence with the Haber ammonia synthesis process. In 1912, Bosch and Wilde developed a catalyst containing iron and chromium, which operated at temperatures between 400 °C and 500 °C, reducing the carbon monoxide content to around 2% [30].
The WGSR is a moderately exothermic and reversible reaction, represented by the following equation:
CO + H 2 O CO 2 + H 2
The equilibrium constant associated with the WGSR diminishes as the temperature rises, reflecting its greater thermodynamic stability under lower thermal conditions. While the reaction exhibits enhanced kinetics at elevated temperatures, its equilibrium position shifts unfavorably with heating. Notably, the system’s constant molar volume between reactants and products ensures that pressure variations exert a negligible influence on the equilibrium state. Both metals and metal oxides can catalyze the WGSR.
Historically, in ammonia plants, an iron oxide-chromium oxide catalyst in an adiabatic single reactor produced an exit carbon monoxide concentration of 2–4% as the temperature increased along the reactor length and approached equilibrium. At lower temperatures, these catalysts lose their activity, necessitating multiple beds with intercooling to reduce CO levels to less than 1%. These high-temperature catalysts were known as high-temperature (HT) shift catalysts.
Subsequently, copper-based catalysts were engineered to function at lower temperatures (approximately 200 °C), achieving exit CO concentrations between 0.1 and 0.3%. These catalysts, referred to as low-temperature (LT) shift catalysts, are constrained by the dew point of the gaseous mixture. Commercially, the WGSR is carried out in two adiabatic stages: a high-temperature shift followed by a low-temperature shift with intercooling to maintain the inlet temperatures. This configuration is necessary because copper-based catalysts can be easily poisoned by sulfur compounds from coal or hydrocarbon sources, whereas iron-based catalysts are sulfur tolerant. If sulfur is present in the feed, a guard bed is used to concentrate and remove sulfur compounds to protect the catalyst. Pasel et al. [31] suggested using isothermal reactors based on their experiments.
Both high-temperature and low-temperature catalysts are commercially available, with each vendor offering specific compositions and characteristics. Active research is ongoing worldwide to develop better catalysts for the water–gas shift reaction (WGSR). With the commercialization of fuel cell-powered vehicles and fuel cell-based power generation, there is a growing need for efficient WGSR catalysts, as this reaction occupies significant space in power generation systems.
Designing reactors for this reaction requires an accurate prediction of the reaction rate, which is determined by the reaction kinetics. Although the primary focus is on kinetic parameters, the review also consolidates details about the catalysts and the operating conditions under which these models were developed to provide a comprehensive understanding of the reaction conditions.

2.3. Hydrogen Purity Requirements for Different Applications

Hydrogen purity requirements vary significantly across applications, with stringent standards essential for optimal performance and safety. In proton-exchange membrane (PEM) fuel cells, even trace impurities can degrade performance and reduce lifespan. Consequently, international standards such as ISO 14687 stipulate maximum allowable impurity levels, including 0.2 ppm for carbon monoxide and 0.004 ppm for total sulfur compounds, to protect fuel cell catalysts from poisoning [32]. Combustion applications, such as industrial burners and internal combustion engines, exhibit greater tolerance to impurities. For these uses, ISO 14687 permits higher impurity concentrations, allowing up to 100 ppm of total hydrocarbons and 1 ppm of carbon monoxide, as these levels do not significantly impact combustion efficiency or safety. Du et al. [1] showed the requirements for the impurity content in H2 for fuel cells. The electronics industry, particularly in processes like semiconductor manufacturing, demands ultra-high-purity hydrogen, often exceeding 99.999% purity, to prevent contamination that could compromise product quality [33]. Achieving such high purity levels necessitates advanced purification technologies. While conventional methods like absorption (amine scrubbing), cryogenic distillation, and membrane separation have been historically employed for syngas purification [34,35], adsorption methods offer a more energy-efficient and potentially cost-effective alternative [36]. Figure 2 shows the major commercial syngas purification technologies and their variations.
Swing technologies utilizing sorption mechanisms, such as adsorption and absorption, have demonstrated exceptional performance in large-scale industrial applications, owing to their operational flexibility and well-established maturity. These processes are inherently reversible, relying on a capture agent that undergoes regeneration for repeated use across multiple cycles. The key distinction between adsorption and absorption lies in the mobility of the capture medium. In adsorption, the feed gas flows through a stationary bed of solid adsorbent, whereas absorption involves the continuous circulation of a liquid solvent through a column, where it interacts with the feed gas to absorb impurities, resulting in a solvent-rich effluent. To exemplify the operation of swing technologies, Figure 3 presents a dual-stage decarbonation system: one stage captures CO2 from raw syngas, while the other regenerates the capture agent for reuse [38].
Understanding and adhering to these application-specific hydrogen purity requirements is crucial for ensuring performance, safety, and longevity across diverse industrial processes.
Adsorption methods for syngas purification focus on removing impurities like CO2, H2S, COS, and trace organics to enhance syngas quality for downstream applications such as Fischer–Tropsch synthesis or hydrogen production. Key methods include: (a) pressure swing adsorption, which is efficient for hydrogen purification, separating H2 from other gases like CO2 and CH4; (b) temperature swing adsorption (TSA), which is used for desulfurization and moisture removal; and (c) chemical adsorption, which uses specialized materials (e.g., activated carbon, zeolite) to capture specific impurities.
These methods improve efficiency and environmental compliance in syngas-based processes.
Pressure-swing adsorption (PSA) is the leading cyclic adsorption technology for gas separation and purification. The adsorption–desorption cycle is driven by the decrease in solid adsorption capacity as the pressure is lowered. PSA has been effectively used in various applications, including CO2 capture, olefin–paraffin separation, methane recovery, natural gas upgrading, and air separation. In the context of syngas purification, PSA is the predominant technology for producing high-purity hydrogen from gas mixtures. Currently, over 85% of hydrogen plants worldwide utilize PSA techniques to achieve high-purity hydrogen production. PSA operates at nearly constant temperatures, performing adsorption–desorption cycles by alternating pressures, allowing for short cycles within minutes.
By contrast, TSA processes operate at about constant pressure, with adsorption at low temperatures and desorption at high temperatures. Since adsorption is exothermic, increased temperatures favor desorption [39]. PSA is the most commercially viable technology for H2 production due to its cost-effective syngas purification. TSA technologies are less competitive due to their high energy consumption, especially during regeneration. However, TSA can be a promising option for syngas purification plants integrated with high-pressure CO2 production. In these setups, there is no significant pressure drop, and a high-pressure CO2-rich stream is produced as the tail gas, which can be utilized in dry reforming for syngas production or exported as an EOR agent [25,39,40].
Achieving effective syngas cleanup is challenging, as it involves handling a diverse array of contaminants at varying concentrations. While cold cleanup technologies are nearing full development, warm or hot cleanup systems are generally preferred due to their energy efficiency, reduced waste, and better heat management. However, hot gas cleanup requires adsorbents with high capacity, rapid adsorption kinetics, robust temperature tolerance, solid mechanical properties, regenerability, and long lifespans [41,42,43]. These properties are essential for adsorbents used to remove impurities like H2S, COS, HCN, light aromatic tars, chlorine, and volatile alkali and metal compounds. Similarly, although adsorption techniques are increasingly used for CO2 separation, there is a need for adsorbents that perform efficiently under moderate conditions [36]. This demand has spurred numerous studies in recent years, making it difficult to summarize all advancements.
The sorption-enhanced reaction process (SERP) can also be classified as an adsorption syngas clean-up process. The principle of SERP is removing an undesired reaction product through selective adsorption in the SMR reactor reaction zone [44]. An equilibrium-controlled SMR reaction can enhance both the conversion and rate of formation of the desired product (based on Le Chatelier’s principle), leading to the development of an innovative process. This process is designed for the direct production of fuel cell-grade hydrogen via methane steam reforming. The SERP concept employs a physical mixture of a reforming catalyst (noble metal on alumina) and a chemisorbent (potassium carbonate (K2CO3)-promoted hydrotalcite), which selectively and reversibly chemisorbs CO2 in the presence of steam at approximately 450 °C. The SERP process consists of the following steps steps [3]: sorption reaction, counter-current depressurization, counter-current evacuation with steam purge, and counter-current pressurization. Figure 4 shows the SERP concept.
The SERP concept enables the equilibrium-controlled, endothermic reforming reaction to occur at a significantly lower temperature of 400–500 °C, rather than the conventional high temperature of 800–900 °C. This reduction in temperature does not compromise the conversion of CH4 to H2, potentially saving energy and reducing capital costs by eliminating the need for high-temperature metallurgy. Theoretical models of the aforementioned SERP concept and its variations for hydrogen production via SMR have been developed. Various authors have conducted theoretical parametric studies of the process [45,46,47,48].
Adsorption methods for WGS syngas purification focus on removing impurities like CO2, CO, and H2O while enriching the hydrogen content. The found methods include PSA, TSA, and sorption-enhanced WGS (SEWGS). Unfortunately, although a variety of alternative technologies have been investigated, none are of commercial value [28].
PSA is frequently employed for hydrogen purification from WGS syngas [49,50]. Air Liquid, Air Product, and other global gas companies are already established and provide highly successful examples of the industrial application of PSA hydrogen purification [1]. A basic PSA for WGS syngas system needs three adsorbers for continuous operation. To achieve hydrogen yields above 80%, systems with more than four adsorbers are necessary. Due to manufacturing or transport constraints, the size of an adsorber is typically limited. Therefore, to handle larger quantities of crude gas, multiple adsorbers must be used simultaneously in the adsorption phase (multi-bed process). PSA plants with 3 to 12 adsorbers can process crude gas volumes from 100 to over 100,000 m3 (STP) per hour. The maximum attainable hydrogen yield is influenced by a number of factors, the most important of which are the composition of the crude gas, pressure ratio of feed gas to purge gas, purity requirements (including nature of impurities), and temperature of the feed gas. For producing higher purity hydrogen, a PSA unit is used downstream of the HT shift converter. The PSA unit effectively removes CO and other components, yielding high-purity hydrogen (99.99%). The off-gas from the PSA unit, which contains unreacted CH4, CO, CO2, and unrecovered hydrogen, is utilized to fuel the reformer. This off-gas typically provides 80–90% of the reformer’s heat duty, with natural gas supplementing the remaining heat requirement. Figure 5 and Figure 6 illustrate block flow diagrams of this process via HT shift reaction or SMR [42].
In the HT shift reactor, about 65–75% of the CO and steam in the feed stream are converted into additional hydrogen (H2) and carbon dioxide (CO2). When an LT shift reactor is used to further convert CO to H2, approximately 80–90% of the remaining CO is converted, increasing the H2 yield by about 5%.
For the PSA unit, the minimum pressure ratio between the feed and purge gas is around 4:1, with the purge gas pressure typically between 17 and 20 psi (approximately 0.12–0.14 MPa) to achieve high hydrogen recovery. Under these conditions, hydrogen recovery is usually 85–90%, but it drops to 60–80% at higher purge gas pressures (approximately 0.38–0.66 MPa). PSA efficiency is also influenced by the adsorption temperature; fewer impurities are adsorbed at higher temperatures because the equilibrium capacity of the molecular sieves decreases as the temperature increases. Additionally, nitrogen is weakly adsorbed onto the adsorbent bed in the PSA unit, which reduces the hydrogen recovery rate for the same purity. A 10 ppm nitrogen concentration in the PSA feed stream can reduce hydrogen recovery by up to 2.5% [42].
Adsorbents in PSA units need to have a high adsorption capacity and be capable of removing all impurities. However, removing N2 and CO is challenging because conventional adsorbents have a higher affinity for CO2 and CH4. Finding a single adsorbent that can effectively remove all impurities is difficult, so PSA units typically use a multi-layer configuration of different sorbents. The first layer in commercial PSA units is usually activated carbon (AC), which adsorbs CO2 and CH4. The second layer is zeolite, which adsorbs CO and N2. Since zeolite cannot be regenerated under atmospheric conditions, VPSA is required.
Abdeljaoued et al. [52] used a four-bed PSA process concept with 12 steps for a feed stream with 69% H2, 25% CO2, 5% CH4, and 1% CO, and they produced hydrogen with 99.9913% purity, achieving 75.5% recovery. High-purity hydrogen can be directly produced from syngas by combining the elevated-temperature pressure swing adsorption (ET-PSA) process with WGS catalysis and elevated-temperature CO2 adsorption [53]. Operating at temperatures between 200 and 450 °C, ET-PSA saves energy by eliminating the need for syngas pre-cooling and thermal regeneration of saturated adsorbents/solvents, unlike conventional wet CO2 capture units. For the normal-temperature pressure swing adsorption (NT-PSA) process, which uses physical adsorbents, energy consumption is primarily due to the low hydrogen recovery ratio [54].
Unlike PSA, the TSA adsorption method, while widely adopted for CO2 capture in flue gas treatment, is still underexplored for hydrogen purification. A few publications on a small, non-commercial scale can be found in the literature. Mason et al. [55] utilized metal–organic frameworks for post-combustion CO2 capture using this method. Similarly, Saxena et al. [56] used activated carbon for CO2 capture using the TSA method. TSA methods are predominantly applied in carbon capture processes, particularly for post-combustion CO2 capture from flue gases. Currently, to our knowledge, there is no more research on hydrogen purification using the TSA method. Some innovative adaptations of TSA for syngas purification can be found in patents or patent applications. The US20060117952A1 patent application describes a syngas purification process that involves removing CO2 and other gaseous impurities from WGS syngas streams using NaLSX-type zeolite adsorbent. The impurities are adsorbed and then desorbed during a regeneration step, which can be performed by raising the temperature (TSA) or reducing the pressure (PSA or VSA). This method is particularly useful before the syngas undergoes a cryogenic process to separate hydrogen from other components [57]. The WO2020210138A1 patent outlines a method for syngas separation at hydrogen-producing facilities, focusing on carbon capture and storage. The process involves producing a product gas that comprises hydrogen and CO2, separating hydrogen from the product gas by solubilizing components in water, and injecting the byproduct stream into a reservoir containing mafic rock for in situ reaction and storage. This method leverages the differences in the water solubility of syngas components to achieve efficient separation and storage [58]. The US8926941B2 patent involves capturing CO2 from hydrogen plants units using a TSA method. The process is applied in steam methane reforming or autothermal reforming H2 production processes to capture CO2 and produce nearly pure off-gas streams of CO2 for sequestration or enhanced oil recovery (EOR). The hydrogen stream output is substantially pure and can be recycled as fuel or used in other petroleum and petrochemical processes [59]. By leveraging insights from these patents and integrating novel adsorbent technologies, TSA could evolve into a pivotal technology for hydrogen purification, addressing the growing demand for clean energy solutions.
The literature review also shows another technology for H2 purification from WGS syngas. The sorption-enhanced water–gas shift (SEWGS) process is similar to the SERP process in that both involve the combination of a chemical reaction with in situ CO2 adsorption to enhance hydrogen production. SEWGS integrates the WGS reaction with carbon capture using solid sorbents, enhancing the efficiency of hydrogen generation. SEWGS applications were first described by Gluud et al. in 1931 [60] and have been extensively discussed over the past decade for hydrogen production, purification, and pre-combustion capture technologies [61,62,63]. The concept involves a homogeneous mixture of solid catalyst and sorbent material in a packed bed reactor. The catalyst facilitates the exothermic WGS reaction, while the sorbent adsorbs the produced CO2 under the prevailing process conditions, such as elevated temperatures (200–450 °C). This shifts the thermodynamic equilibrium toward favorable hydrogen generation according to Le Chatelier’s principle. By removing CO2 during the reaction, the equilibrium shifts, increasing the hydrogen yield at lower temperatures:
CO + H 2 O CO 2 + H 2
This effectively removes CO and CO2 from the feed gas, producing a high-pressure, hydrogen-rich product stream. The SEWGS process is currently most concerned with TNO [64]. Specific process steps for regeneration, based on pressure swing, produce a low-pressure byproduct stream rich in CO2. By using multiple reactors or beds (6 to 9) and properly staggering the process cycle, the inherently dynamic process can mimic a continuous one, maintaining essentially constant feed and product/byproduct streams. H2 can then be fed to a gas turbine to generate power, while CO2 is sequestered. An example of the SEWGS cycle proposed by Jansen et al. [61] is shown in Figure 7.
An innovative SEWGS process of hydrogen production concept modification that integrates SEWGS technology with H2S removal was proposed by Bassani et al. [65]. The acid gas to syngas (AG2S™) process converts H2S and CO2 into H2 and elemental sulfur, followed by H2 purification via amine scrubbing. SEWGS, a PSA process, adsorbs CO2 and H2S using hydrotalcite-based materials. Compared to amine scrubbing, SEWGS operates at 350–400 °C, reducing temperature swing losses, lowering regeneration energy, and enabling H2S recycling alongside CO2 capture. Detailed mass and energy balance evaluations demonstrated that AG2S™ + SEWGS integration significantly enhances hydrogen production efficiency (25.0%) compared to the amine scrubbing configuration (10.7%). With steam generation included, the overall process efficiency exceeded 90%, more than doubling the AG2S™ reference case [65].
Given its established track record, widespread industrial adoption, and capacity to produce high-purity hydrogen at commercially viable scales, pressure swing adsorption (PSA) remains the dominant and preferred technology for hydrogen purification from water–gas shift (WGS) syngas, despite ongoing research into alternative methods like TSA and SEWGS.

3. PSA Fundamentals and Key Process Variables

3.1. PSA Process Concepts (Cycle Sequences)

PSA processes can be configured as either single or multicolumn systems, depending on the number of adsorbers. Multicolumn PSA units, which typically consist of 4 to 12 parallel columns, are commonly employed in industrial settings to facilitate the continuous operation required for large-scale plants. For example, a typical two-bed PSA setup used in syngas purification involves one bed adsorbing while the other regenerates, as shown in Figure 8 [66].
In a PSA process, high-pressure syngas is introduced into a fresh adsorber column, where it undergoes purification to produce hydrogen (H2). Impurities in the syngas, such as carbon dioxide (CO2), carbon monoxide (CO), methane (CH4), and nitrogen (N2), are selectively adsorbed onto the adsorbent bed, resulting in high-purity H2. This adsorption occurs at relatively high pressures (10–50 bar) and ambient temperatures, typically around 50–60 °C. When the adsorber becomes saturated with impurities, the syngas feed is switched to another bed, allowing for continuous operation. The saturated adsorber is then regenerated by depressurization using a purge gas, which releases the adsorbed impurities as off-gas. The purified H2 is used internally for repressurization and as purge gas in other beds. Depending on the operational conditions, up to 20% of H2 may be lost in the off-gas. This waste stream is often reused, either partially burnt in the reformer or used as a heat source, to minimize emissions. Although H2-based PSA processes might seem straightforward, designing an efficient large-scale PSA plant is quite challenging. The use of a higher number of columns (up to 12 columns) operating in a cyclic steady state introduces significant nonlinearity due to the sequential steps under non-isothermal, non-isobaric, and dynamic conditions. Therefore, the design, optimization, and control of a PSA plant are complex, requiring careful consideration of adsorption–desorption cycles and additional steps to enhance H2 purity and recovery, reduce adsorbent inventory, and optimize overall efficiency. PSA is cost effective because it has low energy intensity, especially when syngas is already available from high-pressure reactors. Additionally, PSA can remove impurities to ppm levels and achieve recovery rates of 80–95% [67]. However, PSA processes have drawbacks, including high syngas losses during depressurization, resulting in low H2 recoveries, and impurity sorption limited to the adsorbent surface.
Pressure swing adsorption was introduced in 1959 by Skarstrom [68], who used it to remove moisture from air [4]. The original process was carried out in two columns (Figure 9) and the complete concept of a column consisted of four steps, i.e., different unit operations (Figure 10).
The basic phases of the Skarstrom process concept of a single PSA column include [4,69,70]: (a) compression (pressurization)—increasing the pressure of the feed gas in the column to a predetermined level; (b) high-pressure adsorption with raffinate (high pressure end gas) recovery—passing the compressed gas mixture through the adsorption bed, during which one component is more strongly adsorbed, and the gas phase leaving the column becomes enriched in the less adsorbed component; (c) gas depressurization (blowdown)—lowering the gas pressure in the column by cutting off the feed gas supply. Depressurization can be carried out co-currently or counter-currently to the direction of the feed gas flow; and (d) adsorbent bed purging (purge)—cleaning the adsorption bed under reduced pressure with an inert gas or part of the raffinate, either co-currently or counter-currently.
The modification of the Skarstrom process concept introduced by Berlin (Figure 11 and Table 5) consisted of the introduction of an additional phase to the classic Skarstrom cycle in the form of pressure equalization [71,72]. The main purpose of the pressure equalization phase was to reduce the plant’s energy consumption for compression and to improve raffinate recovery.
The hydrogen purification adsorption process concept typically involves two-layered bed adsorption columns. The first layer, made of activated carbon, adsorbs CO2, CH4, and CO, while the second layer, composed of zeolite, adsorbs N2 [73,74,75]. The PSA process for hydrogen purification has become widely adopted and commercialized. However, it is important to note that current PSA units produce hydrogen with a purity of around 99.9%, suitable for use in hydrotreating units and ammonia synthesis plants. There are limitations for PSA processes to produce pure hydrogen with fuel cell specifications.
Ahn et al. [73] studied the laboratory adsorption process concept of a two-layered bed with the length of one meter consisting of activated carbon and zeolite 5A (with the AC/5A volume ratio of 7:3). The feed composition was considered as H2: 38%, CO2: 50%, CH4: 1%, CO: 1%, and N2: 10% at 6.5 bar adsorption pressure and a feed flow rate of 5 ln/min in the temperature range of 293–298 K. The flow diagram is shown in Figure 12, while the sequence steps for the two-bed PSA process is shown in Table 6.
Additionally, Ahn et al. [76] in their next publication investigated the two- and four-bed PSA processes. The flow diagrams for the two-bed and four-bed PSA processes are shown in Figure 13 and Figure 14, respectively. The sequence steps for the two- and four-bed PSA processes are shown in Table 7 and Table 8, respectively.
On an industrial scale, plants of this type operate using a process concept consisting of a minimum of four adsorbers [77]. An increase in the number of columns leads to a more complex process. The incorporation of additional adsorbers within the system introduces a greater degree of operational flexibility, characterized by an expanded array of potential sequences. Utilizing additional process columns (adsorbers beds) has been shown to enhance energy efficiency and ensure product purity; however, it should be noted that this is often accompanied by a more intricate process. Figure 15 shows a sketch of a typical four-bed commercial hydrogen purification unit with the pipe layout and bed interconnections and valves.
The following Figure 16 and Table 9 illustrates the simplest 4-column system, based on the sequence of 7 phases (steps), which is used for various separation processes by Linde Gas [78].
The phases described in the table above that occur in the adsorption process are described below:
A.
Adsorption
Feed gas flows through the column from the bottom up. Impurities are selectively adsorbed on the surface of the adsorbent material. High-purity raffinate is received at the top of the column. After a certain time, the adsorption phase ends and regeneration begins. Another column begins to operate in the adsorption phase to ensure a continuous supply of raffinate.
B.
Desorption
The regeneration phase essentially consists of five sequential steps:
  • Pressure equalization 2: The pressure reduction begins in the co-current direction relative to the previous gas flow (from bottom to top). The raffinate remaining in the empty space of the adsorbent is used to increase the pressure in another adsorber that has just completed regeneration. Depending on the total number of adsorbers and process conditions, one to four pressure equalization steps are performed. Each additional pressure equalization step minimizes raffinate losses.
  • Provide purge: Once the pressure is equalized, part of the gas contained in the column under pressure is used to provide flushing for another column.
  • Blowdown: This is the final stage of pressure reduction. The gas from the column undergoing pressure reduction provides the raffinate stream for regenerating another adsorber.
  • Purge: Final desorption and regeneration occur at the lowest pressure of the PSA sequence (cycle). Highly pure raffinate, obtained from the adsorber during the purification stage, is used to remove adsorbed contaminants into the off-gas (extract) system.
  • Pressure equalization 1: Before resuming adsorption, the regenerated adsorber must be refilled to high pressure. This is achieved during the pressure equalization step using raffinate from adsorbers currently at reduced pressure.
  • Compression with the product: Since the final adsorption pressure cannot be reached through pressure equalization alone, the pressure is further increased to the adsorption pressure using a separated stream from the product line. This ensures that, during the adsorption phase, high raffinate purity is consistently maintained.
These steps are interconnected in a manner that minimizes raffinate losses, thereby maximizing its recovery in the PSA system. Additionally, the pressure equalization processes aim to minimize the energy required for compression.
Once the required pressure level is restored, the regenerated adsorber is ready to re-enter the adsorption phase.
Stewart and Heck and Cassisdy and Holmes [72] proposed a more advanced four-bed PSA process concept for hydrogen purification. This concept consisted of nine continuous steps, as shown in Table 10.
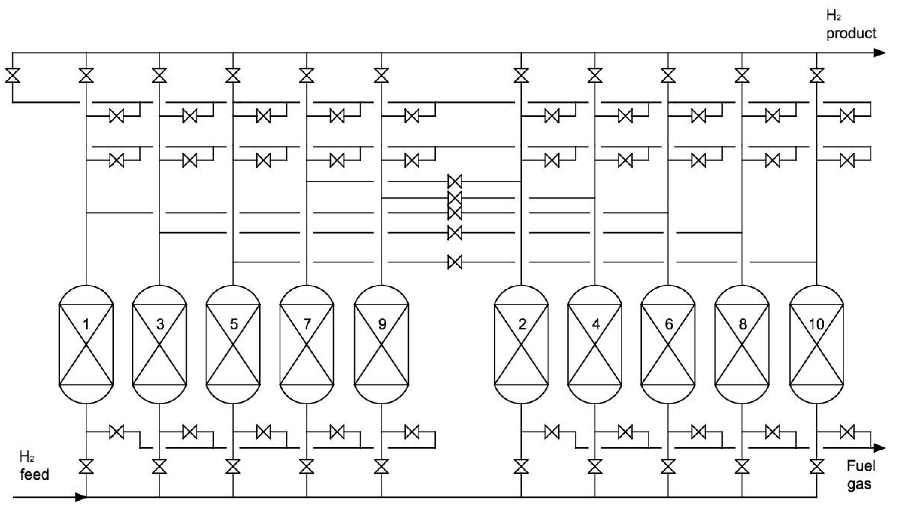
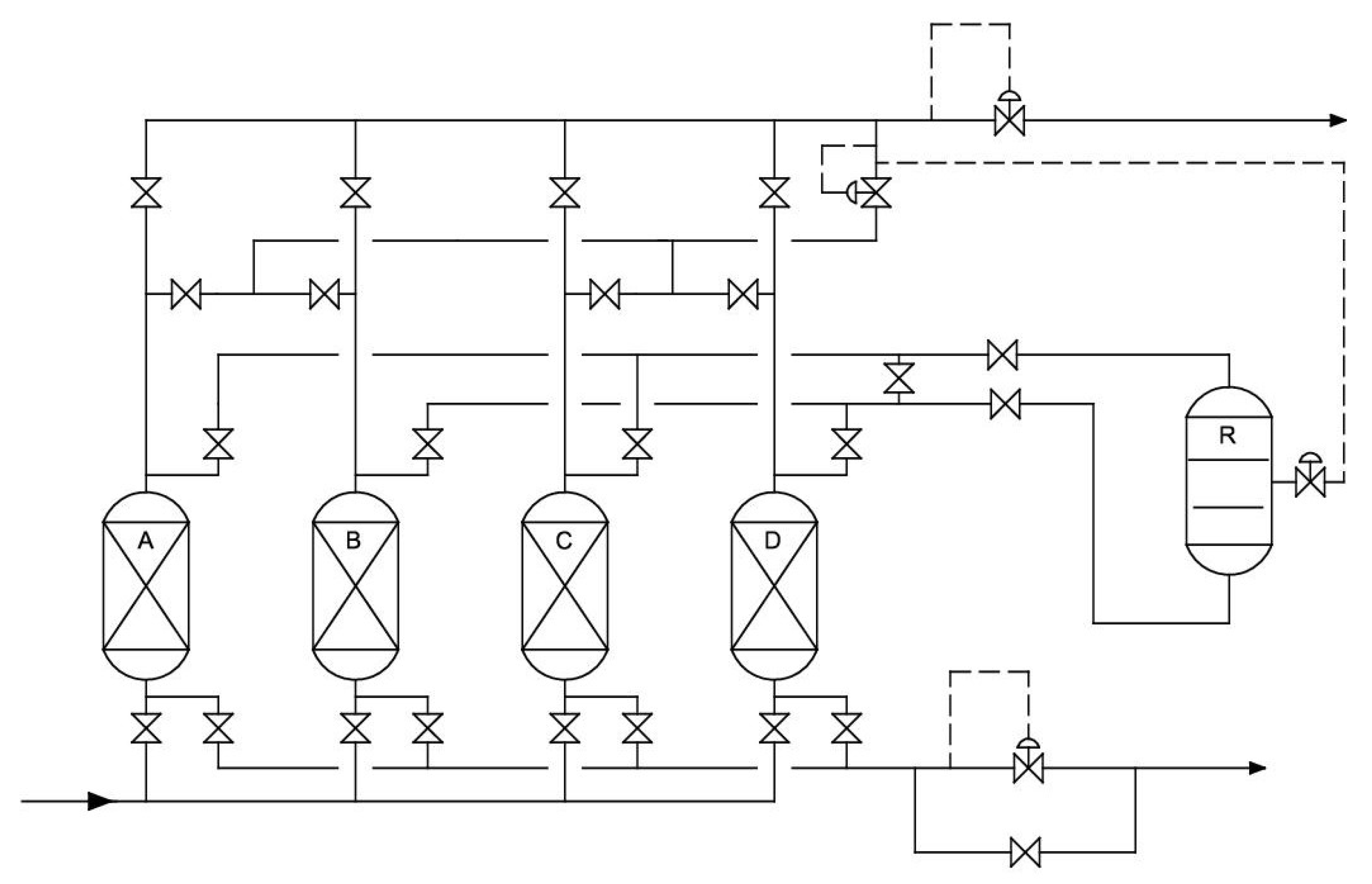
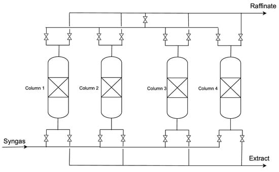
Union Carbide Corporation has utilized a four-bed PSA process for plants producing 400,000 m3/day (standard conditions) of H2. During the adsorption phase in bed 1 (when the feed flows through the bed at high pressure), bed 2 undergoes counter-current depressurization, followed by a purge step and pressure equalization with bed 3. These simultaneous operations aim to push any adsorbed hydrocarbons to the bottom of bed 2, leaving most of the adsorbent ready for repressurization with the feed and reducing mechanical energy consumption. Next, the pressure is equalized between beds 1 and 2. Bed 1 is then depressurized co-currently and its pressure is equalized with bed 3, while bed 2 is repressurized counter-currently. Bed 1 then undergoes counter-current depressurization and purge, followed by pressure equalization with bed 4 as adsorption occurs in bed 2. Subsequently, the pressure in bed 1 is equalized with bed 2, followed by repressurization of bed 1. As bed 1 is repressurized, bed 2 is depressurized and its pressure is shared with bed 4. Purge and pressurization in each bed are achieved using the effluent from the other beds. For larger-scale processes (more than 1,400,000 m3/day), the same steps are used as in the four-bed process: repressurization, adsorption, co-current depressurization, counter-current blowdown, and purge. However, the sequence and number of pressure equalization steps differ. The most widely used PSA process design (concept) for dedicated hydrogen production is also patented by Union Carbide Corporation [50,72,79,80]. One version of this process involves nine cyclic steps: adsorption, co-current depressurization I, co-current depressurization II, co-current depressurization III, counter-current depressurization, counter-current purge, counter-current pressurization I, counter-current pressurization II, and counter-current pressurization III. Other modifications to the described PSA cycle, with only two co-current depressurization steps (producing high-purity H2 effluent gases for just one counter-current pressurization step and the counter-current purge step), are also practiced. Typically, multicolumn PSA units containing 4 to 12 parallel columns are used to accommodate these steps. When H2 production capacity is very large, several adsorbers can simultaneously receive the feed gas mixture (adsorption step). Figure 17 shows a schematic flow diagram for a 10-column PSA process using the 11-step process, commonly known as the poly-bed process [3], while the process concept was listed in [50]. Union Carbide’s H2 PSA process technology was sold to UOP LLC (Honeywell) in the 1980s.
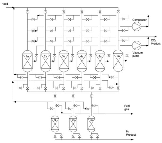
The shifted syngas from steam reformers and coal gasifiers contains substantial amounts of carbon dioxide, which can be efficiently recovered as a byproduct through careful separation process design. Additionally, concentrating a high-purity CO2 stream suitable for geological sequestration enables effective decarbonization of hydrogen production, facilitating the generation of blue hydrogen. In 1979, Air Products and Chemicals developed a specialized poly-bed PSA system for the simultaneous production of ultra-pure hydrogen and high-purity CO2 from shifted syngas [81]. The original Gemini-9 configuration utilized nine adsorption beds arranged in a series-parallel layout (Figure 18). Six parallel beds (A beds) contained NaX zeolite adsorbent, selectively removing H2O and CO2 from the feed gas, while three parallel beds (B beds) contained a combination of NaX and zeolite 5A adsorbents to remove CO, CH4, and N2 impurities from the hydrogen product. The B beds underwent two complete cycles per operation, whereas the A beds completed only one cycle, ensuring that each B bed processed the gas flow from two A beds during a full cycle.
Several modifications to the original Gemini-9 process have been introduced over the years to improve hydrogen recovery, CO2 purity, and overall process economics, including the Gemini-8 process, which reduced recycle gas recompression requirements, the Gemini-11 configuration, which incorporated additional C beds for enhanced hydrogen recovery, and various cycle optimizations, such as advanced pressure equalization steps and the integration of poly-bed VPSA technology to achieve higher efficiency in H2 and CO2 co-production [50,82].
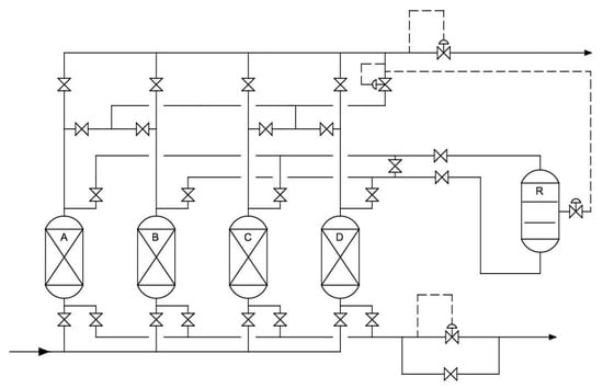
The PSA Lofin process has undergone multiple enhancements to improve hydrogen recovery, reduce energy consumption, and optimize overall gas separation performance. Developed in 1993 by Toyo Engineering Corporation, the process introduces an innovative last-out, first-in (Lofin) approach, where a storage tank is utilized to retain gas during depressurization and reintroduce it in a controlled manner during pressurization [83]. This technique enables a more efficient purge and enhances hydrogen recovery. The process utilizes a nine-step cycle incorporating co-current depressurization and advanced pressure equalization strategies to minimize hydrogen loss. Adsorption beds are typically packed with silica gel and activated carbon, enabling selective removal of impurities such as CH4, CO, and heavier hydrocarbons. Compared to conventional PSA configurations, the Lofin process achieves higher H2 recovery efficiency (up to 86.3%) while maintaining high product purity levels. Furthermore, integration with additional PSA or membrane systems, as discussed by Sircar and Golden [84], has been explored to further improve hydrogen separation efficiency. These advancements position the Lofin PSA as a competitive solution for industrial hydrogen purification applications, particularly in refining and syngas processing industries. A schematic flow diagram is presented in Figure 19.
Table 11 summarizes data on the performance of known commercial PSA technologies for hydrogen purification.
Selecting the appropriate concept (cycle sequence) and operational timing of the PSA system’s separation columns is crucial to the gas separation process.

3.2. PSA Adsorbents Rewiew

Selecting the right adsorbents is crucial for optimizing the separation performance in PSA processes for hydrogen purification. The separation of impurities from hydrogen relies on the thermodynamic selectivity of the adsorbents. The selective adsorption of syngas impurities in a packed bed [37] can be seen in Figure 20.
Key factors in choosing adsorbents include their multicomponent adsorption equilibrium capacities and selectivities, multicomponent isosteric heats of adsorption, and equilibrium-controlled desorption characteristics of feed gas impurities under operational conditions. Adsorbents are typically selected for their fast adsorption kinetics, but the benefits of improved mass transfer coefficients, especially in rapid PSA (RPSA) cycles, should not be overlooked.
Selecting the most suitable adsorbent for a specific process depends on several factors:
  • Adsorption capacity and selectivity for syngas impurities;
  • Suitable kinetics for adsorption and desorption;
  • Adequate adsorption and mechanical stability through multiple regeneration cycles;
  • Low energy regeneration requirements [39,66].
Since the early days of PSA technology development, zeolite, activated carbon, silica gel, and activated alumina have been recognized for their effectiveness in producing pure hydrogen from various feed gases [3]. Among the numerous solid adsorbents available for adsorption technologies, the most commonly used for syngas decarbonation are activated carbon, zeolite, silica, and alumina gel. These adsorbents can be utilized individually or layered within a single column to enhance the separation process. Standard PSA processes operate at 20–40 °C (normal-temperature PSA, NT-PSA) and use physical adsorbents like activated carbon, molecular sieves (zeolite), and silica gel. Because no single adsorbent can effectively capture all impurities at once, PSA units are commonly designed with multiple layers of adsorbents [51]. In commercial PSA units, activated carbon, typically used in the first layer, adsorbs CO2 and CH4, while zeolite in the second layer captures CO and N2 [51,85]. However, achieving 98.0–99.999% pure H2 with NT-PSA is challenging due to the process’s complexity and low H2 recovery. Since the zeolite layer cannot fully regenerate under atmospheric conditions, evacuation is needed. To improve recovery and purity with less energy, a vacuum pressure swing adsorption process was developed [85]. Additionally, when certain impurities are difficult to regenerate in PSA, the TSA process may be preferred, with adsorption and regeneration occurring at low and high temperatures, respectively [86].
Table 12 lists the typical solid sorbents commonly used for CO2 adsorption [87,88,89]. The durability of the chosen adsorbent material directly impacts the inventory, requiring thorough evaluation for PSA or TSA cycles. This includes assessing its thermal and mechanical stability to ensure reliable performance after extended cycles under high pressure or high temperature. Additionally, the shape, size, and arrangement of adsorbents in the packed bed must be optimized to minimize pressure drop along the column [90].
To optimize bed size and adsorption efficiency, various adsorptive sorbents can be arranged in a multilayered configuration. Syngas purification using adsorption technologies often utilizes two-layered packing columns: activated carbon at the inlet for CO2, CH4, and CO adsorption, followed by zeolite as the second layer for N2 and CO adsorption [85]. The double-layered column bed can reduce the size of the adsorber compared to a single-adsorbent column bed using activated carbon.
A third layer of silica gel or alumina is often used at the column bed inlet to dehydrate the gas, enhancing the performance of subsequent adsorbents. Figure 21 illustrates the preferential adsorption of the main syngas impurities in a typical PSA column bed. The preferred adsorbent for selective CO2 capture from gaseous mixtures, including syngas purification, is AC. Commercial AC offers excellent CO2 adsorption capacities and acceptable selectivity for CO2 over CO, CH4, N2, and H2 [87,88,89]
Tamnanloo et al. [75] in their work presented the adsorption capacity and selectivity of different activated carbons, silicates and zeolites for CH4 and CO2 at 303 K and at various pressures. Table 13 shows the selectivity and adsorption capacity of CO2 and CH4 for various adsorbents.
While activated carbon and zeolite 13X have sufficient CO2 loading capacities, their high CH4 adsorption limits their CO2/CH4 selectivity. The high positive charge of Ca2+ on the surface of 13X zeolite likely contributes to its high CO2 loading capacity and CO2/CH4 selectivity at low pressures (below 2 bar). However, this selectivity significantly decreases as pressure increases. Unlike the wide pore mouths of 13X zeolite, SAPO-34’s molecular sieving property toward CO2 maintains its CO2/CH4 selectivity. Therefore, SAPO-34 is the most selective adsorbent for removing CO2 from a CH4–CO2 mixture. Zeolite is commonly employed in different adsorption techniques, exhibiting varying selectivity for CO2 over N2 depending on the method: around 48% in PSA, 90% in TSA, and 81% in VPSA [39]. Among the different types of zeolite, zeolite 5A is particularly effective for CO2 capture in syngas purification due to its large surface area and regular pore structure [91]. Zeolite 5A, similar to AC, is typically placed at the final section of the adsorber because of its superior N2 adsorption capacity and selectivity over H2. Additionally, the zeolite 5A layer captures residual syngas impurities from the carbon packing, primarily CO (Figure 21) [66,92].
Figure 21. Loading of molecular sieve zeolite 5A [92].
Figure 21. Loading of molecular sieve zeolite 5A [92].
Energies 18 01887 g021
Golmakani et al. in their modeling work [85] investigated hydrogen production using the PSA method with two layers of AC and zeolite 5A (from the bottom to the top) in a PSA column. Golmakani et al. showed that the recovery and productivity of the PSA method are only dependent to the total length of column bed and purge-to-feed ratio (P/F). In their next work, Golmakni et al. [51] also revealed that the length of zeolite 5A (with the AC/5A bed length = 45/35 cm) had no significant impact on the recovery and productivity of the PSA unit. The feed syngas composition was considered to be H2: 75 mol%, CO2: 18 mol%, CH4: 3.2 mol%, CO: 0.7 mol%, and N2: 3.1 mol% at a total pressure of 22 bar (due to syngas pressure).
Metal–organic frameworks (MOFs) are promising materials for hydrogen purification using pressure swing adsorption (PSA) due to their high surface areas and structural tenability [93]. PSA is a crucial technology for hydrogen production, and fundamental research has explored MOFs as advanced adsorbents for impurity removal [93,94]. While early studies focused on CO2 capture from hydrogen, the principle relies on the differential adsorption of impurities and hydrogen. Effective MOF-based PSA necessitates a significant difference in adsorption affinities between hydrogen and impurities. Structural features like high surface area and open metal sites in MOFs influence their CO2/H2 separation capabilities. For instance, MOFs with exposed metal cation sites, such as Mg(2)(dobdc) and Cu-BTTri, have shown improved performance in CO2/H2 separation [93]. An ultra-microporous nickel-isonicotinate MOF has been developed that selectively captures CO2 from hydrogen-rich mixtures using PSA [95]. Comparative analyses indicate that MOFs with open metal sites generally exhibit higher CO2/H2 selectivity. High-throughput computational screening studies suggest that MOFs can outperform traditional zeolite adsorbents in CO2/H2 selectivity under PSA conditions [96,97]. Despite the progress, challenges such as moisture stability and scalability need to be addressed for the widespread industrial application of MOFs in hydrogen purification via PSA [93,98].
Table 14 presents a comparative technical analysis of PSA studies for hydrogen separation processes.
The table shows that AC and zeolite 5A are the most commonly used adsorbents for removing contaminants from raw syngas streams and syngas after WGS. The studies highlight technological advancements in PSA, focusing on adsorbent layering, cycle optimization, and feedstock adaptability to achieve high hydrogen purity and recovery. Advanced PSA cycle designs, such as multi-step or vacuum-assisted systems, are shown to improve performance across experimental and simulated conditions.

3.3. Key Operational Parameters Affecting PSA Performance

The PSA process, lauded for its efficiency in gas separation, is critically influenced by several operational parameters that directly impact its performance, especially in achieving desired purity and recovery levels. These include the pressure, temperature, flow rates, column configuration, and purge-to-feed ratio.
The final performance of PSA unit can be interpreted as follows [99]:
Productivity = f e e d m a s s   H 2 s 1 · f e e d   t i m e · H 3   r e c o v e r y H 2   p u r i t y · c y c l e   t i m e · w a d s
The duration an adsorbent can remain in feed mode is determined by its properties for a specific amount per column. However, the purity and recovery of hydrogen, along with the cycle time, are influenced by the regeneration strategies and the engineering of the PSA cycle.
Adsorption is generally favored at higher pressures, as it increases the amount of adsorbate taken up by the adsorbent material. Thus, the adsorption step within the process commonly occurs under moderately high pressure. A study has indicated that, when designing large-scale and industrial PSA equipment, the operating pressure might come into effect. The pressure with both types, TSA and/or PSA, has a huge impact of the product. At the regeneration level, the pressure determines whether system operates at the high end or lower end.
Adsorption is typically exothermic, so lower temperatures generally favor adsorption. This means that a decreased temperature may favor the adsorbent surface/bed while improving selectivity/separation. In actual engineering, implementation may come across for heat management while improving design operation/performance.
The feed flow rate significantly impacts the PSA cycle. If the gas comes with higher concentrations, a significant volume will cause reduced mass transfer capacity in the column and breakthrough is expected sooner. Conversely, reduced flow rates may lead to reduced productivity.
The number of beds in a PSA system significantly influences the continuity of production and the flexibility to implement complex cycle steps, ultimately driving higher product purity [4,5]. While a greater number of adsorption beds in PSA units can potentially improve H2 recovery through enhanced cycle configurations, such improvements are often balanced to improve specific applications [99].
The purge-to-feed inlet gas ratio in the PSA process can significantly impact the efficiency and effectiveness of the separation process. A higher P/F ratio can enhance the regeneration yield of the adsorbent bed, leading to increased purity of the desired gas, such as hydrogen [100,101]. However, optimizing the P/F ratio is crucial, as an excessively high ratio can reduce the recovery percentage of the target gas. For instance, studies have shown that maintaining a P/F ratio below 0.1 is optimal to prevent a significant drop in the recovery rate [102,103].
Yang et al. [104] analyzed the influence of the P/F ratio using H2/CO and H2/CH4 binary mixtures (70/30 vol%) in a two-bed process with zeolite 5A as the adsorbent. Their results indicated that increasing the P/F ratio enhanced the bed’s regeneration yield, leading to higher hydrogen purity. Subsequently, Li et al. optimized the P/F ratio using a multicomponent hydrogen stream (72.9 vol% H2, 3.6 vol% CH4, 4.5 vol% CO) and a dual-layer adsorbent (AC/zeolite 5A). They found that the P/F ratio should not exceed 0.1 to avoid a significant decrease in the recovery percentage.
Vacuum regeneration in the PSA process can play a significant role in enhancing the efficiency of gas separation processes. By applying a vacuum during the desorption phase, the adsorbent can be more effectively regenerated, allowing for the removal of adsorbed impurities. This process helps to maintain the adsorbent’s capacity and selectivity over multiple cycles, leading to improved overall performance, productivity and purity. Additionally, vacuum regeneration can reduce the cycle time, which further increases the throughput and allows for the use of smaller columns in the separation process. Lopes et al. [105] studied the impact of vacuum regeneration and short cycle times on H2/CO2 binary mixtures. Their findings indicated that reducing the cycle time by one minute could boost hydrogen production from 100 to 600 mol H2 per kgads day (about 4.1 times higher than normal PSA). Given that the average cycle time in PSA operations ranges from 10 to 30 min, shortening the cycle time could enhance productivity and allow the separation process to be conducted in smaller columns.
By optimizing these key parameters—pressure, temperature, flow rate, column configuration, and P/F ratio—the PSA process can achieve high hydrogen recovery rates and purity levels, making it an efficient and scalable technology for industrial hydrogen purification.

4. Design of Experiments for PSA-Based Hydrogen Separation

Based on the literature review and considering the production of hydrogen from syngas and WGS syngas from post-mining waste gasification, the design of experiments using the PSA process is proposed.
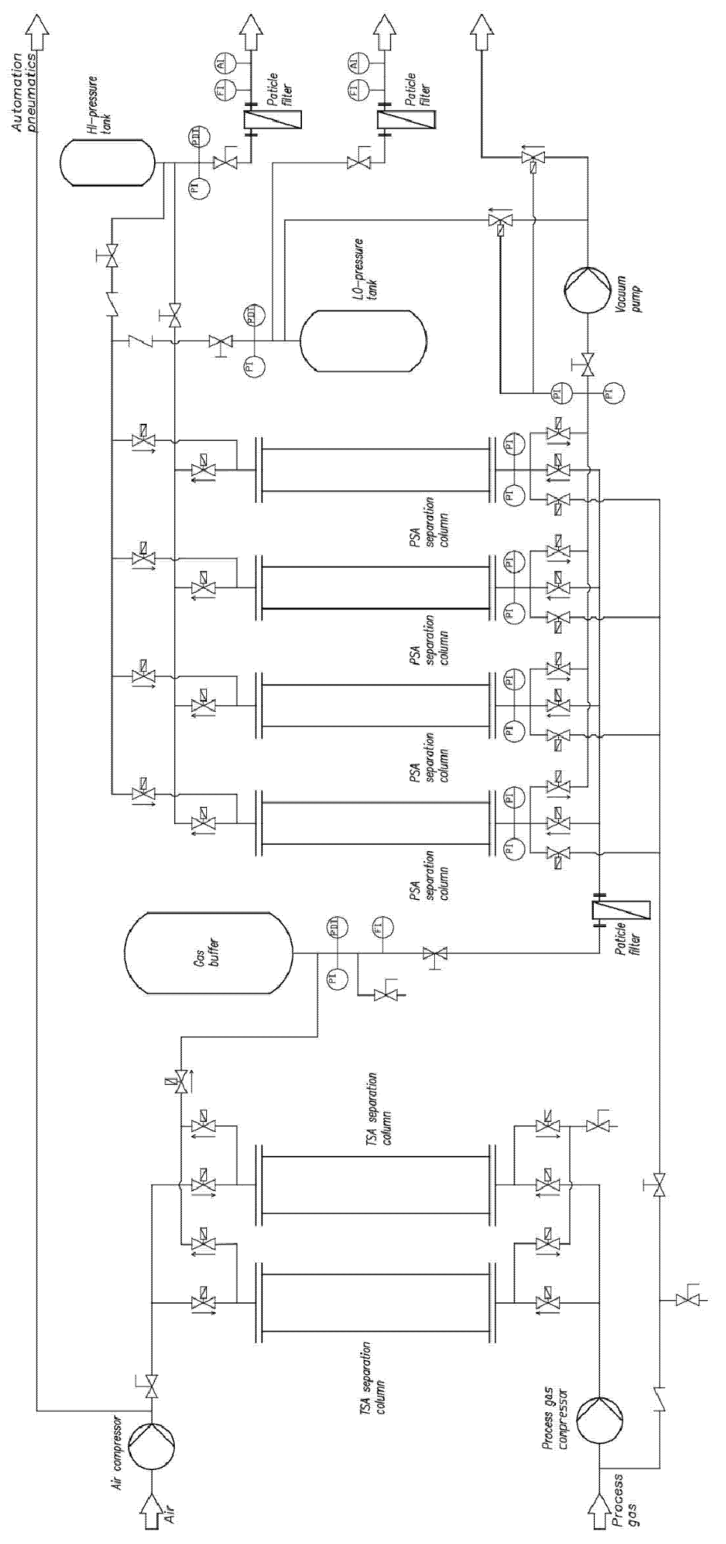
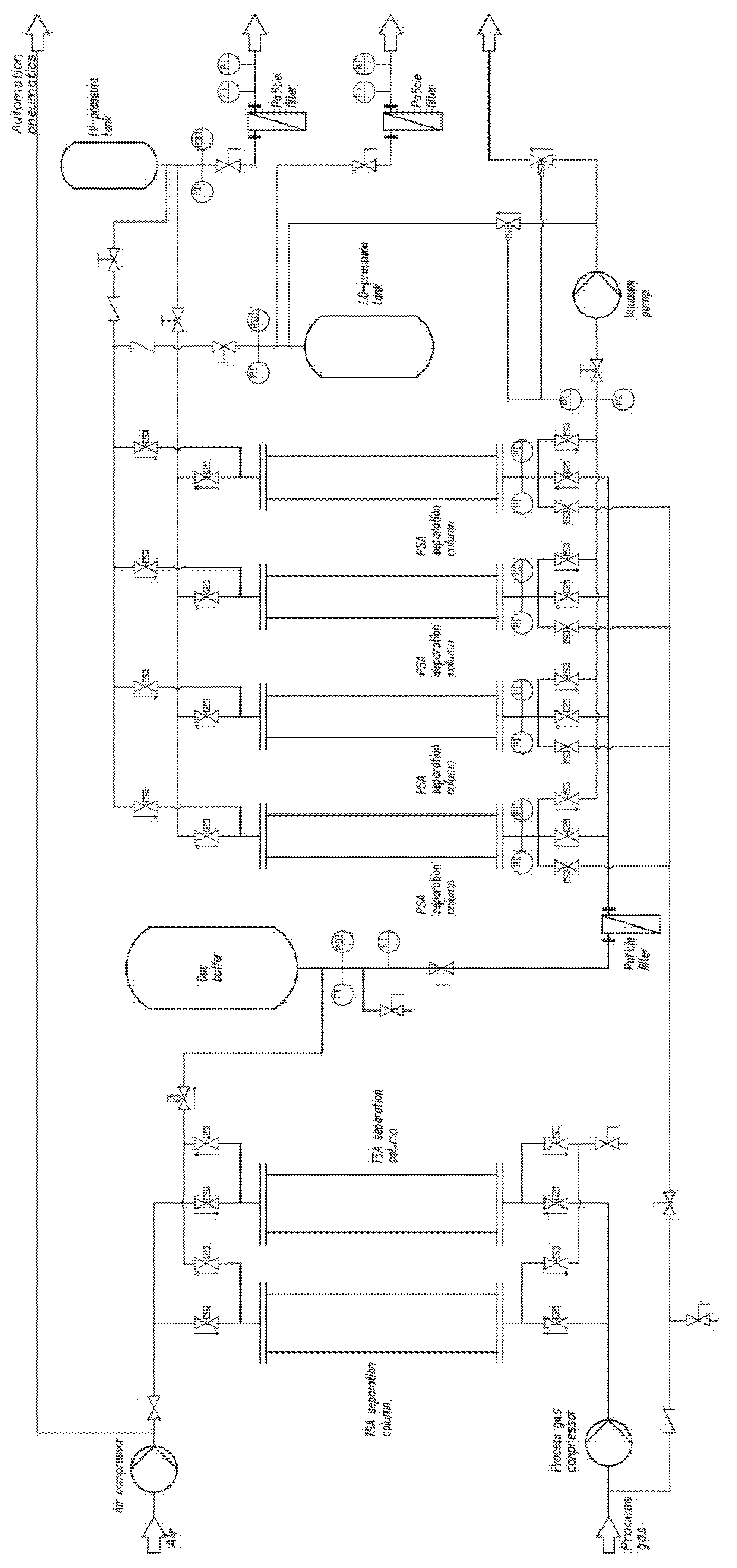
The Institute of Energy and Fuel Processing Technology (ITPE) PSA installation is shown in Figure 22, while the simplified flowchart is shown in Figure 23. The installation columns are divided into two sections: one containing two cleaning columns that can operate in TSA mode and another containing four separation columns operating in PSA mode. The TSA separation columns can be heated to approximately 150 °C both during operation and in programmed mode. The process gas can be routed to the TSA columns or bypassed. The columns can be filled easily with the chosen bed material.
Considering the PSA section that begins at the valve, the process gas enters the gas buffer tank, which stabilizes the pressure at the entrance to the PSA separation columns. In the PSA separation columns, selected components of the feed gas are separated through cyclic pressure changes and changes in the direction of gas flow between the columns. Components of the inlet gas that are weakly adsorbed on the sorbent bed are collected from the top of the column (known as the high-pressure product or raffinate). Conversely, components that are strongly adsorbed on the adsorption bed are collected from the bottom of the column during the bed regeneration and blowdown stages (known as the low-pressure gas or extract).
The installation at high- and low-pressure outlet streams has buffer tanks (raffinate-high and extract-low pressure tanks) designed to stabilize the pressure, which is important due to the highly variable flows and pressures during the process.
The PSA process is managed to avoid bed saturation by closing the top valves and opening the appropriate bottom valves. The gas from this “blowdown” contains both strongly adsorbed gases and interstitial gas, which may be dominated by weakly adsorbing gases. To obtain a gas richer in strongly adsorbing components during the blowdown phase, a later phase of vacuum pumping can be used (VPSA). The product collected after the vacuum pump is very rich in strongly adsorbing components. At each outlet, gas stream mass flow meters are installed.
The inlet process gas to the installation is a composite from a five-channel mass controlled gas mixer (Figure 24). The inlet pressure is regulated by a mechanical regulator equipped with a 5 micron polymer molecular filter. The outlet pressure is regulated by needle valves.
The most important parameters of the unit are given in Table 15.
The purification process can be performed in one, two, three, or four PSA columns. The valves that control the gas flow between the columns are electro-pneumatic-type valves. They can be switched on and off either manually or automatically. To meet safety requirements, the valves are switched using a stream of air. This stream of air is admitted (or released) to the valves by opening (or closing) the solenoid valves. All parts of the system that come into contact with the tested gases can withstand their effects because they are made of stainless steel or chromium-plated brass.
It is assumed that in the first stage of the research the gas mixture will consist of pure gases coming from the gas cylinders. The mixture is prepared using a gas mixer, which is located at the ITPE PSA plant (Figure 23). The research can be conducted using two gas compositions (according to the aim and scope of the project): (a) syngas obtained from a gasification installation of post-mining waste without the WGS process, and (b) syngas obtained from a gasification installation of post-mining waste after the WGS process.
Based on the conducted literature review, each column will contain activated carbon and molecular sieves. The selected volume ratios of activated carbon to zeolite are as follows:
  • A 1:1 volume ratio, corresponding to 60 cm of activated carbon and 60 cm of zeolite.
  • A 1.6:1 volume ratio, corresponding to 75 cm of activated carbon and 45 cm of zeolite.
These configurations have been designed to optimize adsorption performance in accordance with the process requirements. The activated carbon selected is Sorbotech® GE603, from ACES Sp. z.o.o (Gdynia, Poland) (equivalent to hard-to-buy Norit RB 3 activated carbon). This carbon is molded in the form of 3 mm diameter rolls. The molecular sieve chosen is zeolite 5A from HurtGral (Swarzędz, Poland). The HurtGral type 5A molecular sieve is an alkali aluminosilicate; it is the calcium form of the type A crystal structure. Zeolite 5A has an effective pore size of 5 Angstroms (0.5 nm). The properties of the selected molecular sieve are presented in Table 16.
Prior to each experimental run, the sorbents will undergo thermal regeneration at 190 °C for activated carbon and 320 °C for 5A zeolite.
The importance of breakthrough curves is described in a previous section. The breakthrough curves for the investigated adsorption columns can be determined experimentally based on the methodologies outlined in the reviewed literature [4,73,74,104]. The process involves introducing a predefined mixture of gases (syngas or WGS syngas) into one adsorption column, filled with each selected ratio of activated carbon and zeolite, under controlled flow rates and operating conditions (e.g., temperature and pressure). It is assumed that the adsorber breakthrough test matrix will be as shown in Table 17.
The process parameters will include an inlet gas capacity at about 10 dm3n/h at ambient temperature and an adsorption pressure of 8–9 bar. In some cases, adjustments to the process parameters may be necessary to align with the unique requirements of a specific process.
During the experiments, the gas mixture will pass through the adsorption column until the adsorbents reach their capacity. The concentrations of target components (e.g., H2, CO2, CH4) in the effluent will be continuously monitored using gas analyzers (model GA-40Tplus, MADUR (Zgierz, Poland), which uses a hydrogen measurement technique with a cathetometer).
Breakthrough curves offer valuable insights into the dynamic adsorption behaviors of the materials, allowing for the determination of optimal operational parameters, particularly the absorption time and maximum mass of absorbed gas impurities.
The breakthrough experiments will determine the time required for each phase in the PSA sequence (process concept) and identify the maximum adsorption capacity for the more strongly adsorbed gas component. The chosen inlet gas flow rate of about 10 dm3n/min ensures a linear velocity of 0.01 m/s in ITPE PSA for each adsorption column, which aligns with most literature recommendations and prior experimental studies [107]. This will help to maintain consistency with established benchmarks for PSA performance. Moreover, the study will evaluate the effects of varying column configurations and process concepts (Berlin and Linde Gas) on the separation performance, focusing on hydrogen purity, productivity, and overall system efficiency. It is assumed that the tests will be performed in dynamic mode, wherein parameters such as the pressure during different PSA phases will be modified without altering the operational schedule (sequence timing). Any changes in operating parameters will be followed by monitoring the outlet gas concentrations, specifically: (a) high-pressure gas (raffinate) and (b) low-pressure gas (extract). The proposed test plan is shown in Table 18.
A MADUR gas analyzer, model GA-40Tplus, will be used to study the gas composition (H2/CH4) and the raffinate (in a continuous system with data archiving). Methane will be measured by the NDIR technique. As an auxiliary measure, we will also use an optical NDIR sensor for single gases (CO2/CH4) IRMA from MADUR (for the extract) and an Ultramat 23 analyzer from Siemens (Munich, Germany). Mass flow controllers from Aalborg will be used to regulate the gas flow into the plant. The gas mixer, on the other hand, is equipped with five Bronkhorst mass flow controllers (Ruurlo, The Netherlands). A process control system (SCADA) will be used to record and control the data. An ITPE PSA visualization of the graphical interface is shown in Figure 25.

5. Expected Outcomes and Challenges

5.1. Adsorption Behaviors and Breakthrough Curves

Given the properties of zeolite 5A and the combination of its layer with an activated carbon layer (Sorbotech® GE 603), it is expected that a typical S-shaped breakthrough curve will be obtained for selected gas compositions. The typical “S”-shaped breakthrough curve in pressure swing adsorption (PSA) processes represents the dynamic evolution of the adsorbate concentration at the column outlet as a function of time. Initially, during the adsorption phase, the adsorbate is selectively retained by the adsorbent, resulting in a near-zero outlet concentration. As adsorption continues, the mass transfer zone (MTZ) develops and propagates through the bed, marking the transition from fresh to saturated adsorbent. The breakthrough point, defined as the time when the adsorbate concentration at the outlet reaches a predefined fraction of the inlet concentration (typically 5–10%), signals the exhaustion of a significant portion of the bed. Beyond this point, the outlet concentration rises steeply as the adsorbent becomes saturated, approaching equilibrium with the feed concentration. The shape of the breakthrough curve is influenced by factors such as the adsorption kinetics, mass transfer resistance, bed length, and operational conditions, including the pressure and flow rate. A sharper breakthrough curve indicates efficient mass transfer and favorable adsorption kinetics, whereas a more gradual curve suggests diffusion limitations and axial dispersion effects. Understanding and optimizing breakthrough behavior will be essential for maximizing PSA efficiency, improving product purity, and ensuring optimal cycle design in industrial hydrogen purification and gas separation applications [4,104].

5.2. Hydrogen Purity and Recovery in PSA Experiments

Hydrogen purity and recovery in PSA processes are critically affected by operating parameters such as the cycle sequence, P/F ratio, and column configuration. The design of the cycle sequence, including steps such as pressurization, adsorption, pressure equalization, and blowdown, directly affects the efficiency of gas separation. Incorporating multiple pressure equalization steps can improve hydrogen recovery by reducing energy consumption and minimizing hydrogen loss during depressurization. For example, one study showed that a 10-step PSA cycle with three pressure equalization steps achieved a minimum energy consumption of 95.7 kWhe/ton of CO2 captured at a productivity of 3.3 mol CO2/m3 adsorbent/s [108].
The P/F ratio is another critical parameter; increasing this ratio generally results in higher hydrogen purity but may result in lower recovery rates because more product gas is used to purge the adsorbent bed. Optimizing the P/F ratio is essential to balancing purity and recovery, as excessive purging can reduce the overall hydrogen yield [109].
The column configuration, such as the number of beds, also plays a significant role in PSA performance. Multi-bed systems, such as four-bed configurations, allow for continuous operation and improved hydrogen recovery compared to simpler two-bed systems. The increased number of beds allows for more complex cycle sequences, including multiple pressure equalization and purging steps, which improve both purity and recovery [84].
Optimization strategies to achieve higher hydrogen recovery involve fine-tuning these parameters. Adjusting cycle sequences to include additional pressure equalization steps can reduce energy consumption and improve recovery rates. Careful control of the P/F ratio ensures that sufficient purging occurs to maintain adsorbent efficiency without unnecessarily sacrificing product gas. Selecting the appropriate column configuration allows for more efficient implementation of complex cycle sequences, further improving the overall performance of the PSA process.

5.3. Challenges and Future Research Directions

The PSA process is widely used in industrial hydrogen purification due to its inherent advantages of achieving high product purity and relative operational simplicity. However, several limitations limit its efficiency and broader applicability, necessitating further investigation and hybrid solutions. These limitations include challenges in adsorbent performance, including limitations in heat and mass transfer within the adsorbent bed, the potential for channeling effects that disrupt uniform flow distribution, and pressure drop issues that affect overall efficiency [110]. In addition, PSA systems are sensitive to precise control of pressure cycling and feed flow rates, where deviations from optimal conditions can result in a precipitous drop in hydrogen purity and recovery rates, as well as mechanical wear from frequent cycling that requires increased maintenance. Finally, high levels of impurities are known to have a negative impact due to the sensitivity of CO2 in the gas, as PSA efficiency typically decreases as impurity concentrations increase. To mitigate these challenges and improve PSA performance, especially in demanding industrial contexts, hybrid separation strategies involving the integration of PSA with membrane separation technologies (which can achieve impressive levels of 99.98% hydrogen purity and 91.71% recovery with hybrid processes) [8] or combined with cryogenic distillation for inert gas removal show great potential for high performance. In addition to these system-level approaches, critical operational improvements include rigorous implementation of feed gas pretreatment for sulfur compounds and moisture; use of advanced adsorbents such as tailored zeolite or metal–organic frameworks (MOFs) that exhibit superior selectivity and adsorption capacity [110]; precise fine-tuning of process parameters, including cycle times, pressure levels, and purge-to-feed ratios, supported by sophisticated process simulation tools; establishment of proactive inspection and monitoring protocols to identify performance, supported by sophisticated process simulation tools; and establishment of proactive and routine inspection/real-time monitoring protocols to quickly identify performance and ensure a reliable H2 production process for use as a fuel or for various applications for use as a fuel and other applications.

6. Discussion and Conclusions

The prepared literature review of the available hydrogen purification methods highlights the key role of PSA in hydrogen purification from syngas and WGS syngas from the post-mining waste gasification process. The analysis demonstrated that PSA can achieve high hydrogen purity and recovery rates, making it the dominant industrial separation technique. This study systematically evaluated the experimental process design and performance of the PSA process for hydrogen purification from syngas and WGS syngas, with a focus on purification capabilities regarding industrial scalability. The comprehensive literature review indicates that key process variables, such as adsorbent selection, column configuration, and cycle sequencing, significantly influence PSA performance.
Specifically, the adsorbents review suggests that a double-layer adsorbent bed (activated carbon and zeolite 5A) with a volume ratio of 1.6:1 should show excellent contaminant removal, achieving hydrogen purity greater than 99.99% under dynamic conditions. Two multi-bed configurations were selected for testing (4-bed and 2-bed systems). The selected configurations should allow continuous operation with hydrogen recovery efficiencies up to approximately 85–90%, as discussed in process concepts. Berlin and Linde Gas’s cycle sequences (configurations) were evaluated for recovery efficiency, with the latter expected to provide energy savings benefits due to advanced pressure management like pressure equalization, as described in the adsorbents review. The key operational parameters literature review indicated that the trade-off between purge and feed should be maintained at a ratio of <0.1.
Future work should focus on experimental validation of the proposed PSA optimization strategies to further refine hydrogen recovery and purity benchmarks. Additionally, assessing the scalability and cost-effectiveness of novel adsorbent materials in industrial settings will be crucial in determining their commercial viability. This study provides a structured approach for advancing PSA-based hydrogen purification, contributing to the broader goal of clean hydrogen production for sustainable energy systems.

Author Contributions

Conceptualization, A.K. and J.B.; methodology, A.K.; formal analysis, K.I.; investigation, T.S.; resources, J.B.; data curation, A.K.; writing—original draft preparation, A.K. and T.S.; writing—review and editing, A.K.; supervision, K.I.; project administration, D.K. and P.M. All authors have read and agreed to the published version of the manuscript.

Funding

This research was co-funded by the European Commission within the framework of the Research Fund for Coal and Steel (RFCS) program under contract no. 101112386 and by a state subsidy within the framework of the program ‘Co-financed International Projects’ (PMW) established by the Minister of Science and Higher Education of Poland. The APC was also funded by these sources.

Data Availability Statement

In order to receive detailed research data used to develop a manuscript, please contact the corresponding author.

Conflicts of Interest

The authors declare no conflicts of interest.

Abbreviations

The following abbreviations are used in this manuscript:
ACActivated Carbon
AG2S™Acid Gas to Syngas process
ARMAutothermal Reforming of Methane
BRMBi-Reforming of Methane
DRMDry Reforming of Methane
ET-PSAElevated Temperature Pressure Swing Adsorption
ExtractLow-pressure PSA Process End Gas
F–TFischer–Tropsh process
HTHigh Temperature
ITPEInstitute of Energy and Fuel Processing Technology
MOFMetal–Organic Frameworks
MTZMass Transfer Zones
nStandard Conditions (1.01 bar, 0 °C)
NT-PSANormal Temperature Pressure Swing Adsorption
pPressure
P/FPurge-to-Feed Inlet Gas Ratio
SEWGSSorption-Enhanced Water–Gas Shift
SERPSorption Enhanced Reaction Process
SyngasSynthetic Gas
STPStandard Conditions (1.01 bar, 20 °C)
SRMSteam Reforming of Methane
SMROGSteam Methane Reformer Off Gas
RaffinateHigh Pressure PSA Process End Gas
RPSARapid Pressure Swing Adsorption
ROGRefinery Off-Gas
POMPartial Oxidation of Methane
PSAPressure Swing Adsorption
SCADASupervisory Control and Data Acquisition
WGSWater–Gas Shift
WGSRWater–Gas Shift Reaction
VPSAVacuum Pressure Swing Adsorption

References

  1. Du, Z.; Liu, C.; Zhai, J.; Guo, X.; Xiong, Y.; Su, W.; He, G. A Review of Hydrogen Purification Technologies for Fuel Cell Vehicles. Catalysts 2021, 11, 393. [Google Scholar] [CrossRef]
  2. Budner, Z.; Reterska, Z.; Morawiec, B. Technologia Wydzielania Wodoru z Gazów Rafineryjnych Metodš PSA. Przem. Chem. 1989, 69, 533–534. [Google Scholar]
  3. Sircar, S.; Golden, T.C. Pressure Swing Adsorption Technology for Hydrogen Production. In Hydrogen and Syngas Production and Purification Technologies; John Wiley & Sons, Ltd.: Hoboken, NJ, USA, 2009; pp. 414–450. ISBN 978-0-470-56125-6. [Google Scholar]
  4. Douglas, M. Ruthven and All Pressure Swing Adsorption; WILEY-VCH: New York, NY, USA, 1994. [Google Scholar]
  5. Front Matter. In Gas Separation by Adsorption Processes; Yang, R.T., Ed.; Butterworth-Heinemann: Oxford, UK, 1987; p. iii. ISBN 978-0-409-90004-0. [Google Scholar]
  6. Song, Q. Development and Prospect of Pressure Swing Adsorption (PSA) Technology for Carbon Dioxide Separation and Capture. Int. J. Trend Res. Dev. 2024, 11, 19–24. [Google Scholar]
  7. Liu, J.; Wei, Y.; Li, P.; Zhao, Y.; Zou, R. Selective H2S/CO2 Separation by Metal–Organic Frameworks Based on Chemical-Physical Adsorption. J. Phys. Chem. C 2017, 121, 13249–13255. [Google Scholar] [CrossRef]
  8. Li, B.; He, G.; Jiang, X.; Dai, Y.; Ruan, X. Pressure Swing Adsorption/Membrane Hybrid Processes for Hydrogen Purification with a High Recovery. Front. Chem. Sci. Eng. 2016, 10, 255–264. [Google Scholar] [CrossRef]
  9. Król, A.; Gajec, M.; Holewa-Rataj, J.; Kukulska-Zając, E.; Rataj, M. Hydrogen Purification Technologies in the Context of Its Utilization. Energies 2024, 17, 3794. [Google Scholar] [CrossRef]
  10. H2GEO—New Technology for Hydrogen and Geopolymer Composites Production. Available online: https://h2geo.komag.eu/ (accessed on 18 February 2025).
  11. Comprehensive Public Overview of the Project. Available online: https://h2geo.komag.eu/wp-content/uploads/2023/12/H2GEO_The_comprehensive_public_overview_of_the_project_D_1_3.pdf (accessed on 18 February 2025).
  12. Rauch, R.; Kiros, Y.; Engvall, K.; Kantarelis, E.; Brito, P.; Nobre, C.; Santos, S.M.; Graefe, P.A. Hydrogen from Waste Gasification. Hydrogen 2024, 5, 70–101. [Google Scholar] [CrossRef]
  13. Eh Christina, L.M.; Tiong Angnes, N.T.; Kansedo, J.; Lim, C.H.; How, B.S.; Ng, W.P.Q. Circular Hydrogen Economy and Its Challenges. Chem. Eng. Trans. 2022, 94, 1273–1278. [Google Scholar] [CrossRef]
  14. Rostrup-Nielsen, J.R. New Aspects of Syngas Production and Use. Catal. Today 2000, 63, 159–164. [Google Scholar] [CrossRef]
  15. Aramouni, N.A.K.; Touma, J.G.; Tarboush, B.A.; Zeaiter, J.; Ahmad, M.N. Catalyst Design for Dry Reforming of Methane: Analysis Review. Renew. Sustain. Energy Rev. 2018, 82, 2570–2585. [Google Scholar] [CrossRef]
  16. Chong, C.C.; Bukhari, S.N.; Cheng, Y.W.; Setiabudi, H.D.; Jalil, A.A.; Phalakornkule, C. Robust Ni/Dendritic Fibrous SBA-15 (Ni/DFSBA-15) for Methane Dry Reforming: Effect of Ni Loadings. Appl. Catal. A Gen. 2019, 584, 117174. [Google Scholar] [CrossRef]
  17. Abdullah, B.; Abd Ghani, N.A.; Vo, D.-V.N. Recent Advances in Dry Reforming of Methane over Ni-Based Catalysts. J. Clean. Prod. 2017, 162, 170–185. [Google Scholar] [CrossRef]
  18. Singh Sikarwar, V.; Zhao, M.; Clough, P.; Yao, J.; Zhong, X.; Zaki Memon, M.; Shah, N.; Anthony, E.J.; Fennell, P.S. An Overview of Advances in Biomass Gasification. Energy Environ. Sci. 2016, 9, 2939–2977. [Google Scholar] [CrossRef]
  19. Silva, V.; Tuna, C.E.; Silva, V.; Tuna, C.E. Gasification; IntechOpen: Rijeka, Croatia, 2021; ISBN 978-1-83968-796-9. [Google Scholar]
  20. Speight, J.G. Synthesis Gas: Production and Properties; John Wiley & Sons: Hoboken, NJ, USA, 2020; ISBN 978-1-119-70772-1. [Google Scholar]
  21. Penã, M.A.; Gómez, J.P.; Fierro, J.L.G. New Catalytic Routes for Syngas and Hydrogen Production. Appl. Catal. A Gen. 1996, 144, 7–57. [Google Scholar] [CrossRef]
  22. Arman, A.; Hagos, F.Y.; Abdullah, A.A.; Mamat, R.; Aziz, A.R.A.; Cheng, C.K. Syngas Production through Steam and CO2 Reforming of Methane over Ni-Based Catalyst—A Review. IOP Conf. Ser. Mater. Sci. Eng. 2020, 736, 042032. [Google Scholar] [CrossRef]
  23. Jithin, E.V.; Raghuram, G.K.S.; Keshavamurthy, T.V.; Velamati, R.K.; Prathap, C.; Varghese, R.J. A Review on Fundamental Combustion Characteristics of Syngas Mixtures and Feasibility in Combustion Devices. Renew. Sustain. Energy Rev. 2021, 146, 111178. [Google Scholar] [CrossRef]
  24. Wibowo, H.; Susanto, H.; Grisdanurak, N.; Hantoko, D.; Yoshikawa, K.; Qun, H.; Yan, M. Recent Developments of Deep Eutectic Solvent as Absorbent for CO2 Removal from Syngas Produced from Gasification: Current Status, Challenges, and Further Research. J. Environ. Chem. Eng. 2021, 9, 105439. [Google Scholar] [CrossRef]
  25. Moon, D.-K.; Park, Y.; Oh, H.-T.; Kim, S.-H.; Oh, M.; Lee, C.-H. Performance Analysis of an Eight-Layered Bed PSA Process for H2 Recovery from IGCC with Pre-Combustion Carbon Capture. Energy Convers. Manag. 2018, 156, 202–214. [Google Scholar] [CrossRef]
  26. Primus, A.; Rosik-Dulewska, C. Produkcja Energii w Źródłach Kogeneracyjnych Małej Mocy z Wykorzystaniem Technologii Zgazowania Odpadów Pochodzenia Komunalnego. Uwarunkowania Prawne i Ekonomiczne. Polityka Energetyczna Energy Policy J. 2017, 20, 79–92. [Google Scholar]
  27. Zgazowanie Biomasy. Technologia. Witold Warowny Politechnika Warszawska. Wydział Budownictwa, Mechaniki i Petrochemii Ul. Łukasiewicza 17, PDF Darmowe Pobieranie. Available online: https://docplayer.pl/10525313-Zgazowanie-biomasy-technologia-witold-warowny-politechnika-warszawska-wydzial-budownictwa-mechaniki-i-petrochemii-ul-lukasiewicza-17-09-400.html (accessed on 24 January 2025).
  28. Mingaleeva, G.; Ermolaev, D.; Galkeeva, A. Physico-Chemical Foundations of Produced Syngas during Gasification Process of Various Hydrocarbon Fuels. Clean Technol. Environ. Policy 2016, 18, 297–304. [Google Scholar] [CrossRef]
  29. Gogate, M. Water-Gas Shift Reaction: Advances and Industrial Applications. Prog. Petrochem. Sci. 2020, 3. [Google Scholar] [CrossRef]
  30. Smith, B.; Muruganandam, L.; Murthy, L.; Shantha, S. A Review of the Water Gas Shift Reaction Kinetics. Int. J. Chem. React. Eng. 2010, 8. [Google Scholar] [CrossRef]
  31. Pasel, J.; Samsun, R.C.; Schmitt, D.; Peters, R.; Stolten, D. Test of a Water–Gas-Shift Reactor on a 3 kWe-Scale—Design Points for High- and Low-Temperature Shift Reaction. J. Power Sources 2005, 152, 189–195. [Google Scholar] [CrossRef]
  32. ISO 14687:2025. Available online: https://www.iso.org/standard/82660.html (accessed on 19 February 2025).
  33. Aarhaug, T.A.; Kjos, O.; Bacquart, T.; Valter, V.; Optenhostert, T. Assessment of Hydrogen Quality Dispensed for Hydrogen Refuelling Stations in Europe. Int. J. Hydrogen Energy 2021, 46, 29501–29511. [Google Scholar] [CrossRef]
  34. Kohl, A.L. Gas Purification, 5th ed.; Gulf Professional Publishing: Houston, TX, USA, 1997; ISBN 978-0-88415-220-0. [Google Scholar]
  35. Agrawal, R.; Herron, D.M. Optimal Thermodynamic Feed Conditions for Distillation of Ideal Binary Mixtures. AIChE J. 1997, 43, 2984–2996. [Google Scholar] [CrossRef]
  36. Siriwardane, R.V.; Shen, M.-S.; Fisher, E.P.; Losch, J. Adsorption of CO2 on Zeolites at Moderate Temperatures. Energy Fuels 2005, 19, 1153–1159. [Google Scholar] [CrossRef]
  37. Advances in Synthesis Gas: Methods, Technologies and Applications; Elsevier: Amsterdam, The Netherlands, 2022; ISBN 978-0-323-91877-0.
  38. Santos, M.G.R.S.; Correia, L.M.S.; de Medeiros, J.L.; Araujo, O.D.Q.F. Natural Gas Dehydration by Molecular Sieve in Offshore Plants: Impact of Increasing Carbon Dioxide Content. Energy Convers. Manag. 2017, 149, 760–773. [Google Scholar] [CrossRef]
  39. Kwon, S.; Fan, M.; DaCosta, H.F.M.; Russell, A.G.; Berchtold, K.A.; Dubey, M.K. CO2 Sorption. In Coal Gasification and Its Applications; Bell, D.A., Towler, B.F., Fan, M., Eds.; William Andrew Publishing: Boston, MA, USA, 2011; pp. 293–339. ISBN 978-0-8155-2049-8. [Google Scholar]
  40. Woolcock, P.J.; Brown, R.C. A Review of Cleaning Technologies for Biomass-Derived Syngas. Biomass Bioenergy 2013, 52, 54–84. [Google Scholar] [CrossRef]
  41. Abdoulmoumine, N.; Adhikari, S.; Kulkarni, A.; Chattanathan, S. A Review on Biomass Gasification Syngas Cleanup. Appl. Energy 2015, 155, 294–307. [Google Scholar] [CrossRef]
  42. Dayton, D.C.; Turk, B.; Gupta, R. Syngas Cleanup, Conditioning, and Utilization. In Thermochemical Processing of Biomass; John Wiley & Sons, Ltd.: Hoboken, NJ, USA, 2019; pp. 125–174. ISBN 978-1-119-41763-7. [Google Scholar]
  43. Feng, Y.; Lu, J.; Wang, J.; Mi, J.; Zhang, M.; Ge, M.; Li, Y.; Zhang, Z.; Wang, W. Desulfurization Sorbents for Green and Clean Coal Utilization and Downstream Toxics Reduction: A Review and Perspectives. J. Clean. Prod. 2020, 273, 123080. [Google Scholar] [CrossRef]
  44. Hufton, J.; Waldron, W.; Weigel, S.; Rao, M.; Nataraj, S.; Sircar, S. Sorption Enhanced Reaction Process (SERP) for the Production of Hydrogen. AIChE J. 1999, 45, 248–256. [Google Scholar] [CrossRef]
  45. Ding, Y.; Alpay, E. Adsorption-Enhanced Steam–Methane Reforming. Chem. Eng. Sci. 2000, 55, 3929–3940. [Google Scholar] [CrossRef]
  46. Xiu, G.; Li, P.; Rodrigues, A.E. New Generalized Strategy for Improving Sorption-Enhanced Reaction Process. Chem. Eng. Sci. 2003, 58, 3425–3437. [Google Scholar] [CrossRef]
  47. Wu, Y.-J.; Li, P.; Yu, J.-G.; Cunha, A.F.; Rodrigues, A.E. Progress on Sorption-Enhanced Reaction Process for Hydrogen Production. Rev. Chem. Eng. 2016, 32, 271–303. [Google Scholar] [CrossRef]
  48. Ma, X.; Li, Y.; Huang, X.; Feng, T.; Mu, M. Sorption-Enhanced Reaction Process Using Advanced Ca-Based Sorbents for Low-Carbon Hydrogen Production. Process Saf. Environ. Prot. 2021, 155, 325–342. [Google Scholar] [CrossRef]
  49. D’Alessandro, D.M.; Smit, B.; Long, J.R. Carbon Dioxide Capture: Prospects for New Materials. Angew. Chem. Int. Ed. 2010, 49, 6058–6082. [Google Scholar] [CrossRef] [PubMed]
  50. Luberti, M.; Ahn, H. Review of Polybed Pressure Swing Adsorption for Hydrogen Purification. Int. J. Hydrogen Energy 2022, 47, 10911–10933. [Google Scholar] [CrossRef]
  51. Golmakani, A.; Nabavi, S.A.; Manović, V. Effect of Impurities on Ultra-Pure Hydrogen Production by Pressure Vacuum Swing Adsorption. J. Ind. Eng. Chem. 2020, 82, 278–289. [Google Scholar] [CrossRef]
  52. Abdeljaoued, A.; Relvas, F.; Mendes, A.; Chahbani, M.H. Simulation and Experimental Results of a PSA Process for Production of Hydrogen Used in Fuel Cells. J. Environ. Chem. Eng. 2018, 6, 338–355. [Google Scholar] [CrossRef]
  53. Zhu, X.; Li, S.; Shi, Y.; Cai, N. Recent Advances in Elevated-Temperature Pressure Swing Adsorption for Carbon Capture and Hydrogen Production. Prog. Energy Combust. Sci. 2019, 75, 100784. [Google Scholar] [CrossRef]
  54. Riboldi, L.; Bolland, O. Overview on Pressure Swing Adsorption (PSA) as CO2 Capture Technology: State-of-the-Art, Limits and Potentials. Energy Procedia 2017, 114, 2390–2400. [Google Scholar] [CrossRef]
  55. Mason, J.A.; Sumida, K.; Herm, Z.R.; Krishna, R.; Long, J.R. Evaluating Metal–Organic Frameworks for Post-Combustion Carbon Dioxide Capture via Temperature Swing Adsorption. Energy Environ. Sci. 2011, 4, 3030–3040. [Google Scholar] [CrossRef]
  56. Saxena, R.; Singh, V.K.; Kumar, E.A. Carbon Dioxide Capture and Sequestration by Adsorption on Activated Carbon. Energy Procedia 2014, 54, 320–329. [Google Scholar] [CrossRef]
  57. Bancon, S.; Bec, R.L. Syngas Purification Process 2006. Available online: https://patentimages.storage.googleapis.com/53/a9/08/5c7d95c4f4518a/US20060117952A1.pdf (accessed on 24 February 2025).
  58. Arkadakskiy, S.V.; Kunnummal, N.; Ahmed, Z.T. Method for Syngas Separation at Hydrogen Producing Facilities for Carbon Capture and Storage. U.S. Patent 20200316515A1, 8 October 2020. Available online: https://patents.google.com/patent/US20200316515A1/en (accessed on 24 February 2025).
  59. Jadhav, R.A. Capture of CO2 from Hydrogen Plants Using a Temperature Swing Adsorption Method. U.S. Patent 8926941B2, 6 January 2015. Available online: https://patents.google.com/patent/US8926941B2/en (accessed on 24 February 2025).
  60. Wilhelm, G.; Konrad, K.; Robert, S.; Walter, K. Production of Hydrogen. U.S. Patent 1803221A, 28 April 1931. Available online: https://patents.google.com/patent/US1816523A/en (accessed on 24 February 2025).
  61. Jansen, D.; van Selow, E.; Cobden, P.; Manzolini, G.; Macchi, E.; Gazzani, M.; Blom, R.; Henriksen, P.P.; Beavis, R.; Wright, A. SEWGS Technology Is Now Ready for Scale-Up! Energy Procedia 2013, 37, 2265–2273. [Google Scholar] [CrossRef]
  62. Petrescu, L.; Chisalita, D.-A.; Cormos, C.-C.; Manzolini, G.; Cobden, P.; van Dijk, H.A.J. Life Cycle Assessment of SEWGS Technology Applied to Integrated Steel Plants. Sustainability 2019, 11, 1825. [Google Scholar] [CrossRef]
  63. Sebastiani, F.; James, J.; van Dijk, H.A.J.; Pieterse, J.A.Z.; Boon, J.; Pieterse, J.A.Z.; Cobden, P. Modelling of CO2 and H2O Interaction During Adsorption Cycles on Hydrotalcite for SEWGS Applications. In Proceedings of the 15th Greenhouse Gas Control Technologies Conference, Online, 15–18 March 2021. [Google Scholar]
  64. SEWGS: Technology for CO2 Reduction|TNO. Available online: https://www.tno.nl/en/technology-science/technologies/sewgs/ (accessed on 13 January 2025).
  65. Bassani, A.; van Dijk, H.A.J.; Cobden, P.D.; Spigno, G.; Manzolini, G.; Manenti, F. Sorption Enhanced Water Gas Shift for H2 Production Using Sour Gases as Feedstock. Int. J. Hydrogen Energy 2019, 44, 16132–16143. [Google Scholar] [CrossRef]
  66. Song, C. Introduction to Hydrogen and Syngas Production and Purification Technologies. In Hydrogen and Syngas Production and Purification Technologies; John Wiley & Sons, Ltd.: Hoboken, NJ, USA, 2009; pp. 1–13. ISBN 978-0-470-56125-6. [Google Scholar]
  67. Park, Y.; Kang, J.-H.; Moon, D.-K.; Jo, Y.S.; Lee, C.-H. Parallel and Series Multi-Bed Pressure Swing Adsorption Processes for H2 Recovery from a Lean Hydrogen Mixture. Chem. Eng. J. 2021, 408, 127299. [Google Scholar] [CrossRef]
  68. Skarstrom, C.W. Use of Adsorption Phenomena in Automatic Plant-Type Gas Analysers. Ann. N. Y. Acad. Sci. 1959, 72, 751–763. [Google Scholar]
  69. Cebula, J. Wybrane Metody Oczyszczania Biogazu Rolniczego i Wysypiskowego; Wydawnictwo Politechniki Śląskiej: Gliwice, Poland, 2012. [Google Scholar]
  70. Paderweski, M.L. Procesy Adsorpcyjne w Inżynierii Chemicznej; WNT: Warszawa, Poland, 1999. [Google Scholar]
  71. Berlin, N.H. Method for Providing an Oxygen-Enriched Environment. U.S. Patent 3280536A, 25 October 1966. Available online: https://patents.google.com/patent/US3280536A/en (accessed on 26 February 2025).
  72. Thomas, W.J.; Crittenden, B. 5—Processes and Cycles. In Adsorption Technology & Design; Thomas, W.J., Crittenden, B., Eds.; Butterworth-Heinemann: Oxford, UK, 1998; pp. 96–134. ISBN 978-0-7506-1959-2. [Google Scholar]
  73. Ahn, H.; Yang, J.; Lee, C.-H. Effects of Feed Composition of Coke Oven Gas on a Layered Bed H2 PSA Process. Adsorption 2001, 7, 339–356. [Google Scholar] [CrossRef]
  74. Park, J.-H.; Kim, J.-N.; Cho, S.-H.; Kim, J.-D.; Yang, R.T. Adsorber Dynamics and Optimal Design of Layered Beds for Multicomponent Gas Adsorption. Chem. Eng. Sci. 1998, 53, 3951–3963. [Google Scholar] [CrossRef]
  75. Tamnanloo, J.; Fatemi, S.; Golmakani, A. Binary Equilibrium Adsorption Data and Comparison of Zeolites with Activated Carbon for Selective Adsorption of CO2 from CH4. Adsorpt. Sci. Technol. 2014, 32, 707–716. [Google Scholar] [CrossRef]
  76. Ahn, S.; You, Y.-W.; Lee, D.-G.; Kim, K.-H.; Oh, M.; Lee, C.-H. Layered Two- and Four-Bed PSA Processes for H2 Recovery from Coal Gas. Chem. Eng. Sci. 2012, 68, 413–423. [Google Scholar] [CrossRef]
  77. 30 Years of PSA Technology for Hydrogen. Available online: https://www.scribd.com/doc/25442432/30-Years-of-PSA-Technology-for-Hydrogen (accessed on 29 August 2023).
  78. Wayback Machine. Available online: https://assets.linde.com/-/media/global/engineering/engineering/home/products-and-services/process-plants/adsorption-and-membrane-plants/hydrogen-recovery-and-purification/ha_h_1_1_e_09_150dpi_nb.pdf (accessed on 29 August 2023).
  79. Wagner, J.L. Selective Adsorption Process. U.S. Patent 3430418A, 4 March 1969. Available online: https://patents.google.com/patent/US3430418A/en (accessed on 20 January 2024).
  80. Fuderer, A.; Rudelstorfer, E. Selective Adsorption Process. U.S. Patent 3986849A, 19 October 1976. Available online: https://patents.google.com/patent/US3986849A/en (accessed on 20 January 2024).
  81. Sircar, S. Separation of Multicomponent Gas Mixtures. U.S. Patent 4171206A, 16 October 1979. Available online: https://patentimages.storage.googleapis.com/0a/0c/55/3749f39e8f7047/USRE31014.pdf (accessed on 20 January 2024).
  82. Streb, A.; Hefti, M.; Gazzani, M.; Mazzotti, M. Novel Adsorption Process for Co-Production of Hydrogen and CO2 from a Multicomponent Stream. Ind. Eng. Chem. Res. 2019, 58, 17489–17506. [Google Scholar] [CrossRef]
  83. Yamaguchi, T.; Kobayashi, Y. Gas Separation Process. U.S. Patent 5250088A, 5 October 1993. Available online: https://patents.google.com/patent/EP0513746B1/en (accessed on 22 January 2024).
  84. Sircar, S.; Golden, T.C. Purification of Hydrogen by Pressure Swing Adsorption. Sep. Sci. Technol. 2000, 35, 667–687. [Google Scholar] [CrossRef]
  85. Golmakani, A.; Fatemi, S.; Tamnanloo, J. Investigating PSA, VSA, and TSA Methods in SMR Unit of Refineries for Hydrogen Production with Fuel Cell Specification. Sep. Purif. Technol. 2017, 176, 73–91. [Google Scholar] [CrossRef]
  86. Burgers: Novel Technology for Hydrogen Separation. Available online: https://scholar.google.com/scholar_lookup?title=Novel%20Technology%20for%20Hydrogen%20Separation%20from%20Natural%20Gas%20Using%20Pressure%20Swing%20Adsorption&author=I.%20Burgers&publication_year=2020 (accessed on 6 November 2024).
  87. Lai, J.Y.; Ngu, L.H.; Hashim, S.S. A Review of CO2 Adsorbents Performance for Different Carbon Capture Technology Processes Conditions. Greenh. Gases Sci. Technol. 2021, 11, 1076–1117. [Google Scholar] [CrossRef]
  88. Wilson, S.M.W.; Kennedy, D.A.; Tezel, F.H. Adsorbent Screening for CO2/CO Separation for Applications in Syngas Production. Sep. Purif. Technol. 2020, 236, 116268. [Google Scholar] [CrossRef]
  89. Abd, A.A.; Naji, S.Z.; Hashim, A.S.; Othman, M.R. Carbon Dioxide Removal through Physical Adsorption Using Carbonaceous and Non-Carbonaceous Adsorbents: A Review. J. Environ. Chem. Eng. 2020, 8, 104142. [Google Scholar] [CrossRef]
  90. da Rosa, A. Chapter 10—Hydrogen Production. In Fundamentals of Renewable Energy Processes, 3rd ed.; da Rosa, A., Ed.; Academic Press: Boston, MA, USA, 2013; pp. 371–428. ISBN 978-0-12-397219-4. [Google Scholar]
  91. Tong, L.; Bénard, P.; Zong, Y.; Chahine, R.; Liu, K.; Xiao, J. Artificial Neural Network Based Optimization of a Six-Step Two-Bed Pressure Swing Adsorption System for Hydrogen Purification. Energy AI 2021, 5, 100075. [Google Scholar] [CrossRef]
  92. Ullmann’s Encyclopedia of Industrial Chemistry; Wiley-VCH: Hoboken, NJ, USA, 2011; ISBN 978-3-527-30673-2.
  93. Herm, Z.; Swisher, J.; Smit, B.; Krishna, R.; Long, J. Metal-Organic Frameworks as Adsorbents for Hydrogen Purification and Precombustion Carbon Dioxide Capture. J. Am. Chem. Soc. 2011, 133, 5664–5667. [Google Scholar] [CrossRef]
  94. Banu, A.-M.; Friedrich, D.; Brandani, S.; Düren, T. A Multiscale Study of MOFs as Adsorbents in H2 PSA Purification. Ind. Eng. Chem. Res. 2013, 52, 9946–9957. [Google Scholar] [CrossRef]
  95. A New Metal Organic Framework to Soak up Carbon Dioxide—News—IISER Pune. Available online: https://www.iiserpune.ac.in/news/post/a-new-metal-organic-framework-to-soak-up-carbon-dioxide/198 (accessed on 26 March 2025).
  96. Avci, G.; Erucar, I.; Keskin, S. Do New MOFs Perform Better for CO2 Capture and H2 Purification? Computational Screening of the Updated MOF Database. ACS Appl. Mater. Interfaces 2020, 12, 41567–41579. [Google Scholar] [CrossRef]
  97. Avci, G.; Velioglu, S.; Keskin, S. High-Throughput Screening of MOF Adsorbents and Membranes for H2 Purification and CO2 Capture. ACS Appl. Mater. Interfaces 2018, 10, 33693–33706. [Google Scholar] [CrossRef]
  98. Nandi, S.; Luna, P.; Daff, T.; Rother, J.; Liu, M.; Buchanan, W.; Hawari, A.; Woo, T.; Vaidhyanathan, R. A Single-Ligand Ultra-Microporous MOF for Precombustion CO2 Capture and Hydrogen Purification. Sci. Adv. 2015, 1, e1500421. [Google Scholar] [CrossRef]
  99. Grande, C.A. PSA Technology for H2 Separation. In Hydrogen Science and Engineering: Materials, Processes, Systems and Technology; John Wiley & Sons, Ltd.: Hoboken, NJ, USA, 2016; pp. 489–508. ISBN 978-3-527-67426-8. [Google Scholar]
  100. Lee, C.-H.; Yang, J.; Ahn, H. Effects of Carbon-to-Zeolite Ratio on Layered Bed H2 PSA for Coke Oven Gas. AIChE J. 1999, 45, 535–545. [Google Scholar] [CrossRef]
  101. Rege, S.U.; Yang, R.T.; Qian, K.; Buzanowski, M.A. Air-Prepurification by Pressure Swing Adsorption Using Single/Layered Beds. Chem. Eng. Sci. 2001, 56, 2745–2759. [Google Scholar] [CrossRef]
  102. Jiang, L.; Fox, V.G.; Biegler, L.T. Simulation and Optimal Design of Multiple-Bed Pressure Swing Adsorption Systems. AIChE J. 2004, 50, 2904–2917. [Google Scholar] [CrossRef]
  103. Li, H.; Liao, Z.; Sun, J.; Jiang, B.; Wang, J.; Yang, Y. Modelling and Simulation of Two-Bed PSA Process for Separating H2 from Methane Steam Reforming. Chin. J. Chem. Eng. 2019, 27, 1870–1878. [Google Scholar] [CrossRef]
  104. Yang, J.; Lee, C.H.; Chang, J.W. Separation of Hydrogen Mixtures by a Two-Bed Pressure Swing Adsorption Process Using Zeolite 5A. Ind. Eng. Chem. Res. 1997, 36, 2789–2798. [Google Scholar] [CrossRef]
  105. Lopes, F.V.S.; Grande, C.A.; Rodrigues, A.E. Fast-Cycling VPSA for Hydrogen Purification. Fuel 2012, 93, 510–523. [Google Scholar] [CrossRef]
  106. Sita Molekularne 5A|Hurtgral—Sita molekularne, katalizatory, żel krzemionkowy. Available online: https://hurtgral.pl/sita-molekularne-5a/ (accessed on 1 December 2024).
  107. Heck, H.H.; Hall, M.L.; dos Santos, R.; Tomadakis, M.M. Pressure Swing Adsorption Separation of H2S/CO2/CH4 Gas Mixtures with Molecular Sieves 4A, 5A, and 13X. Sep. Sci. Technol. 2018, 53, 1490–1497. [Google Scholar] [CrossRef]
  108. Subraveti, S.G.; Pai, K.N.; Rajagopalan, A.K.; Wilkins, N.S.; Rajendran, A.; Jayaraman, A.; Alptekin, G. Cycle Design and Optimization of Pressure Swing Adsorption Cycles for Pre-Combustion CO2 Capture. Appl. Energy 2019, 254, 113624. [Google Scholar] [CrossRef]
  109. De Witte, N.; Denayer, J.F.M.; Van Assche, T.R.C. Effect of Adsorption Duration and Purge Flowrate on Pressure Swing Adsorption Performance. Ind. Eng. Chem. Res. 2021, 60, 13684–13691. [Google Scholar] [CrossRef]
  110. HengyeInc PSA Hydrogen Purification with Zeolite—Breakthrough Technology for Industrial Applications. Available online: https://hengyeinc.com/psa-hydrogen-purification-zeolite/ (accessed on 27 February 2025).
Figure 1. Examples of chemicals derived from syngas. Adopted from [20].
Figure 1. Examples of chemicals derived from syngas. Adopted from [20].
Energies 18 01887 g001
Figure 2. Commercial technologies for syngas purification and variations. Adopted from [37].
Figure 2. Commercial technologies for syngas purification and variations. Adopted from [37].
Energies 18 01887 g002
Figure 3. Swing technology for syngas decarbonation. Adopted from [37].
Figure 3. Swing technology for syngas decarbonation. Adopted from [37].
Energies 18 01887 g003
Figure 4. Schematic diagram of the SERP concept [3].
Figure 4. Schematic diagram of the SERP concept [3].
Energies 18 01887 g004
Figure 5. A block flow diagram of hydrogen production via HT shift reaction, WGS, and PSA processes. Adopted from [42].
Figure 5. A block flow diagram of hydrogen production via HT shift reaction, WGS, and PSA processes. Adopted from [42].
Energies 18 01887 g005
Figure 6. A diagram of hydrogen production via SMR, WGS, and PSA processes. Adopted from [51].
Figure 6. A diagram of hydrogen production via SMR, WGS, and PSA processes. Adopted from [51].
Energies 18 01887 g006
Figure 7. An example of the SEWGS process concept proposed by Jansen et al. [61].
Figure 7. An example of the SEWGS process concept proposed by Jansen et al. [61].
Energies 18 01887 g007
Figure 8. PSA two-bed arrangement for syngas purification. Adopted from [66].
Figure 8. PSA two-bed arrangement for syngas purification. Adopted from [66].
Energies 18 01887 g008
Figure 9. Two-column adsorption PSA process concept proposed by Skarstrom.
Figure 9. Two-column adsorption PSA process concept proposed by Skarstrom.
Energies 18 01887 g009
Figure 10. Process concept (cycle sequence) of a four-step two-column PSA process concept proposed by Skarstrom. Adopted from [4].
Figure 10. Process concept (cycle sequence) of a four-step two-column PSA process concept proposed by Skarstrom. Adopted from [4].
Energies 18 01887 g010
Figure 11. Two-column adsorption PSA process concept proposed by Berlin. Adopted from [71].
Figure 11. Two-column adsorption PSA process concept proposed by Berlin. Adopted from [71].
Energies 18 01887 g011
Figure 12. Flow diagram of a seven-step two-bed PSA process proposed by Ahn et al. [73].
Figure 12. Flow diagram of a seven-step two-bed PSA process proposed by Ahn et al. [73].
Energies 18 01887 g012
Figure 13. Flow diagram and PSA process concept of two-bed PSA process proposed by Ahn et al. [76]. Steps of the process are numbered 1–6.
Figure 13. Flow diagram and PSA process concept of two-bed PSA process proposed by Ahn et al. [76]. Steps of the process are numbered 1–6.
Energies 18 01887 g013
Figure 14. Flow diagram and PSA process concept of four-bed PSA process proposed by Ahn et al. [76]. Steps of the process are numbered 1–12.
Figure 14. Flow diagram and PSA process concept of four-bed PSA process proposed by Ahn et al. [76]. Steps of the process are numbered 1–12.
Energies 18 01887 g014
Figure 15. Sketch of typical four-bed commercial hydrogen purification unit. Adopted from [72].
Figure 15. Sketch of typical four-bed commercial hydrogen purification unit. Adopted from [72].
Energies 18 01887 g015
Figure 16. Flow diagram and process concept (cycle sequence) of Linde Gas’s Eight-Step Four-Bed PSA process. Steps of the process are numbered 1–12.
Figure 16. Flow diagram and process concept (cycle sequence) of Linde Gas’s Eight-Step Four-Bed PSA process. Steps of the process are numbered 1–12.
Energies 18 01887 g016
Figure 17. Schematic flow diagram for the poly-bed PSA process. Adopted from [3].
Figure 17. Schematic flow diagram for the poly-bed PSA process. Adopted from [3].
Energies 18 01887 g017
Figure 18. Schematic flow diagram for the Gemini process [50,81].
Figure 18. Schematic flow diagram for the Gemini process [50,81].
Energies 18 01887 g018
Figure 19. Schematic flow diagram for the Lofin process. Adopted from [83]. A–D adsorbers, R– storage tank.
Figure 19. Schematic flow diagram for the Lofin process. Adopted from [83]. A–D adsorbers, R– storage tank.
Energies 18 01887 g019
Figure 20. Selective removal of syngas impurities using a packed bed adsorption process. Adopted from [37].
Figure 20. Selective removal of syngas impurities using a packed bed adsorption process. Adopted from [37].
Energies 18 01887 g020
Figure 22. PSA laboratory installation view at ITPE, Zabrze, Poland.
Figure 22. PSA laboratory installation view at ITPE, Zabrze, Poland.
Energies 18 01887 g022
Figure 23. Simplified flowchart of PSA laboratory setup.
Figure 23. Simplified flowchart of PSA laboratory setup.
Energies 18 01887 g023
Figure 24. View of the five-channel mass controlled gas mixer at ITPE, Zabrze, Poland.
Figure 24. View of the five-channel mass controlled gas mixer at ITPE, Zabrze, Poland.
Energies 18 01887 g024
Figure 25. A selected synoptic screen of the ITPE PSA installation.
Figure 25. A selected synoptic screen of the ITPE PSA installation.
Energies 18 01887 g025
Table 1. A comparison of conventional methane reforming processes. Adopted from [17].
Table 1. A comparison of conventional methane reforming processes. Adopted from [17].
Reforming
Type
Reaction
Conditions
H2/CO RatioAdvantagesDisadvantages
SMRp = 3–25 atm
T = 250–1000 °C
CH4/H2O = 1.5
3
  • Higher concentration of the active ingredient in the product.
  • High operational efficiency.
  • Maturity of industry.
  • Relatively inefficient energy use.
  • Relatively high reaction unit requirement.
  • Inappropriate products for F-T synthesis.
POMp = 100 atm
T = 950–1100 °C
CH4/O2 = 2
2
  • Enhanced susceptibility to sulfides.
  • Brief contact time.
  • Energy efficient.
  • High conversion/selection efficiency.
  • Expensive pure O2 feedstock.
  • Possibility of uncontrolled combustion.
ARMCH4/H2O/O2 = 1/1/0.51 or 2 based on feed composition
  • More energy efficient.
  • Reduced contact duration.
  • Decreased coke deposition.
  • Adjustable and adaptable composition of the feed.
  • Decreased H2 yield.
  • Maximum H2O/O2 ratio.
  • Possibility of uncontrolled combustion.
BRMCH4/H2O/
CO2 = 3/2/1
T = 650–900 °C
2
  • Reduced coke deposition levels.
  • Flexible and customizable composition of the feed.
  • Relatively high reaction unit requirement.
  • Expensive to separate CO2 from target product.
DRMp = 1 atm
T = 650–900 °C
CH4/CO2 = 1
-
  • The process of converting two greenhouse gases simultaneously.
  • Generation of clean power and fuel.
  • Optimum H2/CO for the synthesis of F–T.
  • Difficulties associated with catalyst deactivation as a result of coke and metal sintering.
  • Extremely stringent requirements for CO2 activation.
PlasmaT ≤ 400 °C-
  • Breaking beyond the thermodynamic limit and decreasing energy usage.
  • Available catalysts in photocatalytic materials.
  • Little comparative research.
Microwave-
assisted
T ≤ 800 °C-
  • Instantaneous heat generation.
  • Relatively straightforward experimental design.
  • Inadequate management of a scalding hot zone.
  • Difficulty in monitoring the temperature of the catalyst.
Table 2. Composition of syngas fuels on the basis of the type of coal and the gasifier. Adopted from [23].
Table 2. Composition of syngas fuels on the basis of the type of coal and the gasifier. Adopted from [23].
Coal TypeSyngas Component (%vol)Calorific Value (MJ/kg)
H2COCH4N2CO2
Hard coal2516540146.28
Bituminous24.817.24.142.7116.19
Lignite1222155103.76
Coke152935035.86
Sub bituminous17.314.73.351.612.44.40
Gasifier TypeH2COCH4N2CO2Calorific Value (MJ/kg)
Bubbling fluidized bed914720503.57
Updraft112439533.56
Downdraft1721113483.47
Table 3. Composition of syngas from gasification fuels based on the feedstock and oxidant. Adopted from [24].
Table 3. Composition of syngas from gasification fuels based on the feedstock and oxidant. Adopted from [24].
FeedstockOxidantSyngas Component (%vol)
H2COCH4N2CO2H2S (ppm)
BiomassSteam23–3128–3611–12-16–30<800
Air8–1017–214–1530–5019–38<60
CO2/O212–2116–371–3<1%10–48-
CoalSteam35–481–113–5<1%12–26<600
Air18–4525–301–543–582–10>14,800
Table 4. Syngas composition.
Table 4. Syngas composition.
ComponentComposition (%vol)
H225–30
CO30–35
CH45–15
N20–5
H2O10–20
Table 5. Process concept (cycle sequence) of a five-step two-column PSA process concept proposed by Berlin [71]. The arrows: ↓, ↑, ↓↑ indicate the direction of flow between columns.
Table 5. Process concept (cycle sequence) of a five-step two-column PSA process concept proposed by Berlin [71]. The arrows: ↓, ↑, ↓↑ indicate the direction of flow between columns.
Step123456
Column 1Blowdown ↓Pressure equalization ↓↑Compression
(Pressurization) ↑
Adsorption ↑
Purging ↓
Pressure equalization ↓↑
Column 2Compression
(Pressurization) ↑
Adsorption ↑
Purging ↓
Pressure equalization ↓↑Blowdown ↓Pressure equalization ↓↑
Table 6. Process concept (cycle sequence) of a seven-step two-bed PSA process proposed by Ahn et al. [73]. The arrows: ↓↑ indicate the direction of flow between columns.
Table 6. Process concept (cycle sequence) of a seven-step two-bed PSA process proposed by Ahn et al. [73]. The arrows: ↓↑ indicate the direction of flow between columns.
Step12345678
Column 1Adsorption (180 s)Depressurizing pressure equalization (20 s)Depressurization (8 s)Pressurizing pressure equalization (20 s)Pressure equalization ↓↑Backfill (4 s)Feed pressurization (4 s)
Column 2Purge (180 s)Pressurizing pressure equalization (20 s)Backfill (4 s)Feed pressurization (4 s)Depressurizing pressure equalization (20 s)Pressure equalization ↓↑Depressurization (8 s)
Table 7. Two-bed PSA process concept proposed by Ahn et al. (AD: Adsorption, BD: Blowdown, DPE: Depressurizing pressure equalization, PG: Purge, PR: Feed pressurization, PPE: Pressurizing Pressure Equalization) [76].
Table 7. Two-bed PSA process concept proposed by Ahn et al. (AD: Adsorption, BD: Blowdown, DPE: Depressurizing pressure equalization, PG: Purge, PR: Feed pressurization, PPE: Pressurizing Pressure Equalization) [76].
Step123456
Column 1PRADDPEBDPGPPE
Column 2BDPGPPEPRADDPE
Time, s15200101520010
Table 8. Four-bed PSA process concept proposed by Ahn et al. (AD: Adsorption, FDPE: First depressurizing pressure equalization, SDPE: Second depressurizing pressure equalization, BD: Blowdown, PG: Purge, FPPE: First pressurizing pressure equalization, SPPE: Second pressurizing pressure equalization, and PR: Feed pressurization [76]).
Table 8. Four-bed PSA process concept proposed by Ahn et al. (AD: Adsorption, FDPE: First depressurizing pressure equalization, SDPE: Second depressurizing pressure equalization, BD: Blowdown, PG: Purge, FPPE: First pressurizing pressure equalization, SPPE: Second pressurizing pressure equalization, and PR: Feed pressurization [76]).
Step123456789101112
Column 1ADFDPESDPEBDPGFPPESPPEPR
Column 2SPPEPRADFDPESDPEBDPGFPPE
Column 3BDPGFPPESPPEPRADFDPESDPE
Column 4FDPESDPEBDPGFPPESPPEPRAD
Time, s1518015151801515180151518015
Table 9. Process concept (cycle sequence) of a seven-step four-column PSA process concept proposed by Linde Gas. The arrows: ↓, ↑ indicate the direction of flow between columns.
Table 9. Process concept (cycle sequence) of a seven-step four-column PSA process concept proposed by Linde Gas. The arrows: ↓, ↑ indicate the direction of flow between columns.
Step12345678
Column 1ADSORPTION ↑Pressure equalization 2 ↑Provide purge ↑Blowdown ↓Purge ↓Pressure equalization 1 ↓Compression with the product ↑
Column 2Pressure equalization 1 ↓Compression with the product ↑ADSORPTION ↑Pressure equalization 2 ↑Provide purge ↑Blowdown ↓Purge ↓
Column 3Blowdown ↓Purge ↓Pressure equalization 1 ↓Compression with the product ↑ADSORPTION↑Pressure equalization 2 ↑Provide purge ↑
Column 4Pressure equalization 2 ↑Provide purge ↑Blowdown ↓Purge ↓Pressure equalization 1 ↓Compression with the product ↑ADSORPTION ↑
Direction of gas flow between columns
Flow4→24→31→31→42→42→13→13→1
Table 10. Process concept (cycle sequence) of a four-column PSA process concept proposed by Cassidy et al. [72].; EQ—equalization, CD—co-current/counter-current depressurization, R—represurrization, ↑—co-current flow, ↓—counter-co-current flow.
Table 10. Process concept (cycle sequence) of a four-column PSA process concept proposed by Cassidy et al. [72].; EQ—equalization, CD—co-current/counter-current depressurization, R—represurrization, ↑—co-current flow, ↓—counter-co-current flow.
Step123456789101112
Column 1ADSORPTIONEQ1 ↑CD ↑EQ2 ↑CD ↓Purge ↓EQ2 ↓EQ1 ↓R ↓
Column 2CD ↓Purge ↓EQ2 ↓EQ1 ↓R ↓ADSORPTIONEQ1 ↑CD ↑EQ2 ↑
Column 3EQ1 ↑CD ↑EQ2 ↑CD ↓Purge ↓EQ2 ↓EQ1 ↓R ↓ADSORPTION
Column 4EQ1 ↓R ↓ADSORPTIONEQ1 ↑CD ↑EQ2 ↑CD ↓Purge ↓EQ2 ↓
Table 11. Commercial H2 purification processes using PSA technology [84].
Table 11. Commercial H2 purification processes using PSA technology [84].
Process NameLicensorAdsorbentNumber of ColumnsInlet Gas H2 Purity (%)H2 Recovery (%)Capacity (m3n h−1)
Poly-bedUnion Carbide (UOP Honeywell)AC + zeolite 5A10SMROG 21 bar99.999861000–120,000
LofinToyo Engineeringsilikagel/AC4ROG 28 bar99.686.35000–200,000
GeminiAir ProductsAC/zeolite 5A9SMROG 18 bar99.99871000–400,000
SMROG—Steam methane reforming off-gas; ROG—Refinery off-gas.
Table 12. Typical adsorbents for CO2 removal using PSA and TSA processes [87,88,89].
Table 12. Typical adsorbents for CO2 removal using PSA and TSA processes [87,88,89].
AdsorbentSurface Area, (m2/g)CO2 Loading @ 25 °C, 1 bar, (mol/kg)−ΔHads, (kJ/mol)
Activated carbon700–18001.32–4.1822–37
Silica gel-based700–15001.4–3.0140–90
Zeolite400–9253.29–5.1628–69
Metal–organic framework (MOF)1000–10,0002.22–3.9340–90
Table 13. Adsorption capacity and selectivity of different activated carbons, silicates, and zeolites for CH4 and CO2 at 303 K and at various pressures.
Table 13. Adsorption capacity and selectivity of different activated carbons, silicates, and zeolites for CH4 and CO2 at 303 K and at various pressures.
AdsorbentCO2 Loading (mmol/g)CH4 Loading (mmol/g)CO2/CH4 Selectivity
P = 2 barP = 4 barP = 6 barP = 2 barP = 4 barP = 6 barP = 2 barP = 4 barP = 6 bar
SAPO-342.43.03.40.631.01.33.83.02.6
NORIT AC3.04.04.71.42.12.62.11.91.8
ZSM-51.51.81.90.630.931.12.41.91.7
Silicalite-1 1.72.02.10.630.891.02.72.22.0
Zeolite 5A3.43.53.51.01.31.63.42.72.3
Zeolite 13X 3.74.54.70.941.62.03.92.82.3
Table 14. A comparative technical analysis of PSA studies for hydrogen separation processes.
Table 14. A comparative technical analysis of PSA studies for hydrogen separation processes.
AuthorPark et al. [74] 1998Ahn et al. [73] 2001Ahn et al. [76] 2012Golmakani et al. [85] 2017Golmakani et al. [51] 2020
Inlet gas parameters5 cm/s, 17 bar, 303 K6–11 LSTP/min (5.55–10.2 m/s superficial velocity); 22 bar5–7 SLPM; 5–8 bar10 SLPM, 22 bar, 303 K10 SLPM
Inlet gas compositionCase 1: H2: 59.7%, CH4: 2.5%, CO: 23.0%, N2: 0%, CO2: 14.8% (case V).H2: 56.4%, CH4: 26.6%, CO: 8.4%, N2: 5.5%, CO2: 3.1% (base case). Also, “higher nitrogen” and “no nitrogen” compositions considered.H2: 38%, CO2: 50%, CH4: 1%, CO: 1%, N2: 10% (coal gas from iron and steel processes feed).H2: 75%, CO2: 18%, CH4: 3.2%, CO: 0.7%, N2: 3.1% (SMR syngas feed).H2: 75%, CO2: 18% (20%), CH4: 3.2%, CO: 0.7%, N2: 3.1% (1.1%).
PSA column parameters Internal diameter: 2.46 cm; length: 120 cmInternal diameter: 3.71 cm; length: 100 cmInternal diameter: 3.5 cm; length: 100 cmLength: AC: 45 cm + Zeolite: 35 cm; ID: 3.5 cmLength: Total 120 = AC: 84.5 cm + Zeolite: 35.5 cm; ID: 3.5 cm
AC/MS 5A ratioVaried, but 60 cm:60 cmVaried, but the best 50:50 or 0.32 (zeolite-dominated)Activated carbon 7: zeolite 3Activated carbon (45 cm) and zeolite 5A (35 cm) used in two-layer beds.Activated carbon and zeolite 5A layers in all configurations.
PSA proces conceptBreakthrough curves7 steps with 2 column (beds) layers6 steps with 2 columns and 12 steps with 4 columns used12 steps with 4 column (beds) layers; 90 s adsorption time16 steps (vacuum-assisted regeneration) with 4 column (beds) layers.
Experimental or SimulatedBothBothIsothermal dynamic modeSimulatedSimulated
Performance (Purity/Recovery-Purity: 99.99–99.9999%; Recovery: 70–90%Purity: 97.54%; Recovery: 60.39%Purity: 99.99–99.9999%; CO < 0.2 ppm; Recovery: ~75%Purity: 99.99%; Recovery: 47–55%
Table 15. Main laboratory installation parameters.
Table 15. Main laboratory installation parameters.
ParameterValueUnit
Capacity5–20dm3n/min
Number of TSA columns2pieces
TSA temperature up to 150°C
Number of PSA columns4pieces
PSA pressureup to 15bar
TSA adsorber diameter60mm
TSA column total height1m
PSA adsorber diameter50mm
PSA column total height1.2m
Inlet gas buffer tank volume27.2dm3
High (HI) pressure gas buffer tank volume4.8dm3
Low (LO) pressure gas buffer tank volume7.2dm3
Number of gas mass flowmeters2pieces
Table 16. Properties of selected molecular sieve zeolite 5A [106].
Table 16. Properties of selected molecular sieve zeolite 5A [106].
Model5A
ColorLight gray
Nominal pore diameter5 Angstroms
ShapeSphere
Diameter, mm3.0–5.0
Size ratio up to grade, %≥98
Bulk density, (g/mL)≥0.70
Crushing strength, N≥100/piece
Static H2O adsorption, %≥22
Water content, %≤1
Typical chemical formula0.7CaO × 0.3Na2O × Al2O3 × 2SiO2 × 4.5H2O
SiO2:Al2O3 ≈ 2
Table 17. Proposed adsorber breakthrough test matrix.
Table 17. Proposed adsorber breakthrough test matrix.
Process ParametersGas CompositionAC/Zeolite Ratio
Inlet gas capacity at about 10 dm3n/h; ambient temperature; adsorption pressure 8–9 barSyngas 1:11.6:1
WGS syngas 1:11.6:1
Table 18. Proposed test plan for process gas separation for H2 production.
Table 18. Proposed test plan for process gas separation for H2 production.
TaskSyngasWGS Syngas
Gas composition SyngasWGS syngas
Number of columns involved in the process2424
Gas flow rate10 dm3n/min10 dm3n/min10 dm3n/min10 dm3n/min
Adsorption temperatureambientambientambientambient
Adsorption pressure8–9 bara8–9 bara8–9 bara8–9 bara
P/F ratio0.10.10.10.1
PSA process conceptBerlin conceptLinde Gas conceptBerlin conceptLinde Gas concept
PSA phase timeDetermined by the breakthrough experimentsDetermined by the breakthrough experiments
Disclaimer/Publisher’s Note: The statements, opinions and data contained in all publications are solely those of the individual author(s) and contributor(s) and not of MDPI and/or the editor(s). MDPI and/or the editor(s) disclaim responsibility for any injury to people or property resulting from any ideas, methods, instructions or products referred to in the content.

Share and Cite

MDPI and ACS Style

Krótki, A.; Bigda, J.; Spietz, T.; Ignasiak, K.; Matusiak, P.; Kowol, D. Performance Evaluation of Pressure Swing Adsorption for Hydrogen Separation from Syngas and Water–Gas Shift Syngas. Energies 2025, 18, 1887. https://doi.org/10.3390/en18081887

AMA Style

Krótki A, Bigda J, Spietz T, Ignasiak K, Matusiak P, Kowol D. Performance Evaluation of Pressure Swing Adsorption for Hydrogen Separation from Syngas and Water–Gas Shift Syngas. Energies. 2025; 18(8):1887. https://doi.org/10.3390/en18081887

Chicago/Turabian Style

Krótki, Aleksander, Joanna Bigda, Tomasz Spietz, Karina Ignasiak, Piotr Matusiak, and Daniel Kowol. 2025. "Performance Evaluation of Pressure Swing Adsorption for Hydrogen Separation from Syngas and Water–Gas Shift Syngas" Energies 18, no. 8: 1887. https://doi.org/10.3390/en18081887

APA Style

Krótki, A., Bigda, J., Spietz, T., Ignasiak, K., Matusiak, P., & Kowol, D. (2025). Performance Evaluation of Pressure Swing Adsorption for Hydrogen Separation from Syngas and Water–Gas Shift Syngas. Energies, 18(8), 1887. https://doi.org/10.3390/en18081887

Note that from the first issue of 2016, this journal uses article numbers instead of page numbers. See further details here.

Article Metrics

Back to TopTop