Frequency Regulation for High Wind Penetration Power System Based on Ocean Predator Algorithm Considering Storage Battery State
Abstract
1. Introduction
2. System Model
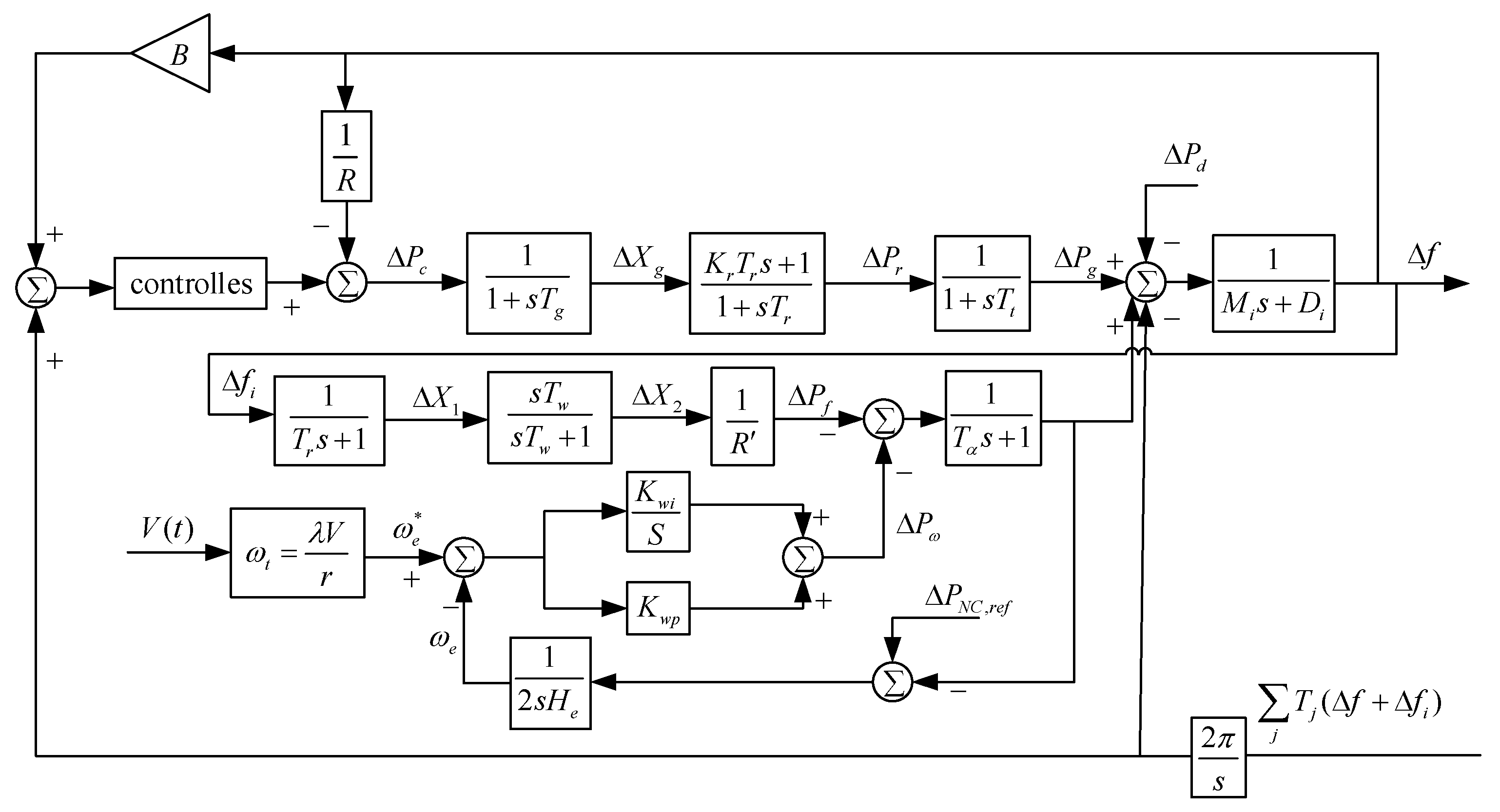
2.1. System Frequency Behaviour Model
2.2. AGC Model Construction for Wind Power Participation
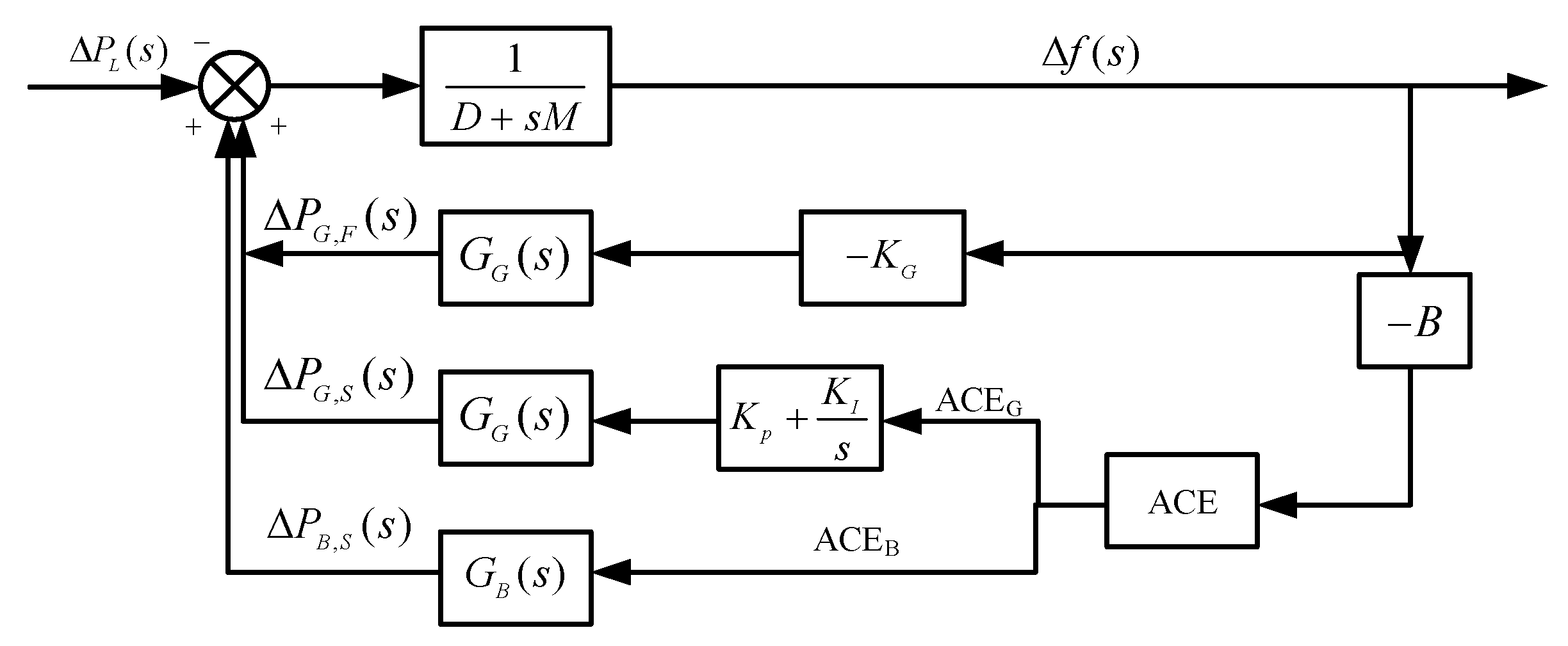
2.3. Battery Energy Storage System Participation in AGC Control Models
3. FCR Control Strategy for Wind Power High Penetration System Considering Energy Storage SOC
3.1. Effect of Wind Speed Variation on System Parameters
3.2. Energy Storage SOC Management
3.3. Real-Time Optimisation of FCR Control Process Based on Improved Ocean Predator Algorithm
- Step 1, initialise the control parameters, and randomly initialise the output power of each generating unit in the specified range;
- Step 2, establish the model of energy storage system participating in the optimal scheduling of the power system and set the constraints, and the constructed multiobjective function will be used as the fitness function to evaluate the advantages and disadvantages of the chaotic ocean predator;
- Step 3, evaluate the fitness values of all chaotic ocean predators, determine the nondominated solutions, and update the marine memory base based on the obtained nondominated solutions;
- Step 4, evaluate the populations, apply the FADs effect and update the Prey matrix;
- Step 5, update the position of prey and predator in the chaotic ocean predator;
- Step 6, update the Elite matrix;
- Step 7, using the hill climbing algorithm, try to improve the best answer and position obtained by the algorithm so far;
- Step 8, determine whether the maximum number of iterations or accuracy requirements are met, if satisfied, output the optimal nondominated solution, if not, return to Step 3.
4. Simulation Results
- (1)
- Case 1: The grid is not configured with an energy storage system, wind speed variation area from 6 m/s to 9.6 m/s;
- (2)
- Case 2: The grid is configured with 10 MW-h of energy storage capacity (rated output power of ±30 MW), and the energy storage SOC management strategy is not considered, wind speed variation area from 6 m/s to 9.6 m/s;
- (3)
- Case 3: The grid is configured with an energy storage capacity of 10 MW-h (rated output power of ±30 MW), using the control strategy proposed in the paper, with wind speed variation areas from 6 m/s to 9.6 m/s;
- (4)
- Case 4: The grid is configured with 15 MW/h of energy storage capacity (rated output power of ±30 MW), and the energy storage SOC management strategy is not considered, with wind speed variation areas from 6 m/s to 9.6 m/s;
- (5)
- Case 5: The grid is configured with an energy storage capacity of 10 MW/h (rated output power of ±30 MW), using the control strategy proposed in the paper, assuming an area of wind speed variation from 13.9 m/s to 17.1 m/s during severe weather conditions.
5. Conclusions
- (1)
- Establish a multiarea AGC FCR control optimisation model for wind power penetration, and analyse the effects of wind speed variations on system parameters. A real-time optimisation algorithm of the adaptive ocean predator algorithm was improved using the hill climbing (HC) algorithm proposed.
- (2)
- An energy storage SOC management scheme, i.e., a self-recovery action control strategy for the energy storage system, is formulated. When the energy storage enters deep charging and deep discharging, the SOC is preferentially coarsely tuned to limit the SOC to the normal range of 40–60%; when the energy storage is idle or assumes a smaller FCR responsibility, the SOC is restored to the reference range of 49.9–50.1% by fine-tuning.
- (3)
- A dynamic model of the dual-area grid FCR is constructed using the Matlab/Simulink platform, and the total objective function for optimisation is proposed, and simulation and comparison experiments are carried out. The results for three different cases of power load uncertainty and renewable energy impact are discussed. The results show that the control method proposed in this paper outperforms other methods in terms of integrated regulation performance and FCR compensation gain under step and continuous load disturbance conditions. The energy storage SOC exhibits minimal fluctuation and effectively self-recovers to the baseline range, ensuring continuous and efficient operation of the energy storage system. It also effectively extends the life cycle of the battery energy storage system, reduces the operation and maintenance cost of the energy storage system, and improves operational reliability. This paper lacks consideration of extreme weather and larger-scale classical grid modelling scenarios, as well as an in-depth consideration of the battery health state of lithium-ion batteries and the depth of discharge of the battery packs, for example, without validating energy storage ageing at longer cycles, a deficiency that will be focused on in future research.
Author Contributions
Funding
Data Availability Statement
Conflicts of Interest
Nomenclature
| Δf | frequency deviation |
| ΔP | deviation of the active power of the system |
| D | damping coefficient of the system |
| M | equivalent rotational inertia of the system |
| SOC | actual state of charge of the energy storage |
| PW | active power of wind units |
| PES | active power of energy storage systems |
| PL | active power of load side |
| rotational speed of the wind turbine at the current moment | |
| CP | performance coefficient of the wind turbine |
| ratio of the rotor blade tip speed to the wind speed | |
| V(t) | real-time wind speed |
| pitch angle of the paddle | |
| air density | |
| low-speed shaft rotational speed | |
| r | radius of the wind turbine blades |
| ΔX2 | incremental frequency change of the wind turbine after the filter |
| falling rate coefficient | |
| KWP/KWI | inherent PI controller parameters of the wind turbine |
| optimal rotational speed at the current wind speed | |
| Pcr max | the maximum power of the storage system during charging recovery |
| Vtotal | total investment cost of the BESS |
| uch.t | BESS switches from discharging to charging state during t |
| Tw | turbine filter time constant |
| optimal rotational speed at the current wind speed | |
| Pt | output power of the wind generator |
| EB | rated capacity of the energy storage system |
| He | turbine equivalent inertia time constant |
| Ta | turbine time constant |
| PES | actual response power of the energy storage |
| TG | governor time constant |
| PG | active power of thermal power units |
| SOC0 | initial state of charge of the energy storage |
| TES | charge/discharge time constant of the energy storage system |
| PGN | rated output power of the genset |
| PN | rated capacity of the wind turbine |
| wind power penetration rate | |
| f0 | initial frequency of the system |
| f | rated frequency |
| J | rotational inertia of the wind turbine |
| R | the generator modulation factor |
| Hh | inherent inertia time constant of the thermal power unit |
| Pchm | the maximum charging power of the energy storage system |
| ΔX1 | incremental change in frequency of the turbine after the sensor |
| ntotal | cycle life of the BESS |
| udis.t | BESS switches from charging to discharging state during t |
References
- Tang, J.; Su, J.T.; Yao, Y.G.; Tang, Q.H.; Wu, Y.X.; Yue, G.X. Technical analysis of power system frequency regulation by wind power for new power system. Therm. Power Gener. 2022, 51, 1–8. [Google Scholar]
- Li, J.; Niu, M.; Wang, S.; Zhou, J.; Yuan, X. Operation and control analysis of 100 MW class battery energy storage station on grid side in Jiangsu power grid of China. Autom. Electr. Power Syst. 2020, 44, 28–35. [Google Scholar]
- Mejía-Giraldo, D.; Velásquez-Gomez, G.; Muñoz-Galeano, N.; Cano-Quintero, J.B.; Lemos-Cano, S. A BESS sizing strategy for primary frequency regulation support of solar photovoltaic plants. Energies 2019, 12, 317. [Google Scholar] [CrossRef]
- Wang, R.; Gao, L.; Shen, J.; Wang, Q.; Deng, Y.; Li, H. Frequency regulation strategy with participation of variable-speed wind turbines for power system with high wind power penetration. Autom. Electr. Power Syst. 2019, 43, 101–108. [Google Scholar]
- Xu, G.; Hu, J.; Guo, S.; Chen, C.; Li, C.; Bi, T. Improved frequency control strategy for over-speed wind turbines. Autom. Electr. Power Syst. 2018, 42, 39–44. [Google Scholar]
- Li, Y.; Wang, D.; Fan, L.; Yuan, C.; Zhao, Y.; Kang, J. Variable Coefficient Control Strategy for Frequency Stability of DFIG Under Power-limited Operation. Power Syst. Technol. 2019, 43, 2910–2917. [Google Scholar]
- Xia, T.; Li, Z.; Liu, H.; Zhang, Y.; Yu, H. Design of a Magnetic Field Modulated Screw Containing Composite Rotors for Wave Energy Conversion. IEEE Trans. Power Electron. 2024, 39, 13869–13878. [Google Scholar] [CrossRef]
- Zhang, Y. Correction of AGC Parameters with Large-scale Wind Power Integration Systems. Electr. Autom. 2019, 41, 28–31. [Google Scholar]
- Li, S.; Tang, H.; Liu, D.; Lv, X.S.; Lei, X.L. Calculation of equivalent inertia time constant of power system with virtual inertial response of wind power. Renew. Energy Resour. 2018, 36, 1486–1491. [Google Scholar]
- Tian, X.; Wang, W.; Chi, Y.; Li, G.Y.; Tang, H.Y. Variable Parameter Virtual Inertia Control Based on Effective Energy Storage of DFIG-based Wind Turbines. Autom. Electr. Power Syst. 2015, 39, 20–26. [Google Scholar]
- Gloe, A.; Jauch, C.; Craciun, B.; Winkelmann, J. Continuous provision of synthetic inertia with wind turbines: Implications for the wind turbine and for the grid. IET Renew. Power Gener. 2019, 13, 668–675. [Google Scholar] [CrossRef]
- Ding, D.; Liu, Z.; Yang, S.; Wu, X.G.; Li, T.T. Battery energy storage aid automatic generation control for load frequency control based on fuzzy control. Power Syst. Prot. Control 2015, 43, 81–87. [Google Scholar]
- Li, X.; Deng, T.; Huang, J.; Li, S.; Yang, J.; Deng, M. Battery Energy Storage Systems Self-adaptation Control Strategy in Fast Frequency Regulation. High Volt. Eng. 2017, 43, 2362–2369. [Google Scholar]
- Li, X.; Huang, J.; Chen, Y.; Li, S.; Ouyang, L. Battery Energy Storage Control Strategy in Secondary Frequency Regulation Considering Its Action Moment and Depth. Trans. China Electrotech. Soc. 2017, 32, 224–233. [Google Scholar]
- Hu, Z.; Xia, R.; Wu, L.; Liu, H. Joint Operation Optimization of Wind-Storage Union with Energy Storage Participating Frequency Regulation. Power Syst. Technol. 2016, 40, 2251–2257. [Google Scholar]
- Yang, X.; Song, Z.; Hu, Y. Three-phase Power Flow Calculation for Medium-low Voltage Distribution Network Considering Control Equations of Distributed Generations. Proc. CSU-EPSA 2019, 31, 16–22. [Google Scholar]
- Guha, D.; Roy, P.K.; Banerjee, S. Load frequency control of interconnected power system using grey wolf optimization. Swarm Evol. Comput. 2016, 27, 97–115. [Google Scholar] [CrossRef]
- Zhao, X.; Lin, Z.; Fu, B.; He, L.; Li, C. Research on the Predictive Optimal PID Plus Second Order Derivative Method for AGC of Power System with High Penetration of Photovoltaic and Wind Power. J. Electr. Eng. Technol. 2019, 14, 1075–1086. [Google Scholar] [CrossRef]
- Wei, W.; Zheng, L.; Hongwei, L.; Xiangzhong, J.I.; Nan, Z.H.; Guangliang, Y.U.; Jian, K.A. Research on AGC Strategy of Hybrid Energy Storage Auxiliary Power Grid Based on Tabu Search. Electr. Drive 2022, 52, 39–46. [Google Scholar]
- Faramarzi, A.; Heidarinejad, M.; Stephens, B.; Mirjalili, S. Equilibrium optimizer: A novel optimization algorithm. Knowl.-Based Syst. 2020, 191, 105190. [Google Scholar] [CrossRef]
- Meng, G.; Chang, Q.; Sun, Y.; Rao, Y.; Zhang, F.; Wu, Y.; Su, L. Energy Storage Auxiliary Frequency Modulation Control Strategy Considering Ace and Soc Of Energy Storage. IEEE Access 2021, 9, 26271–26277. [Google Scholar] [CrossRef]
- Lu, X.; Yi, J.; Li, Y. Optimal Control Strategy of AGC With Participation of Energy Storage System Based on Multi-objective Mesh Adaptive Direct Search Algorithm. Power Syst. Technol. 2019, 43, 2116–2124. [Google Scholar]










| Parameter | Description | Region 1 | Region 2 |
|---|---|---|---|
| Mi | Generator moment of inertia | 10.5 | 10 |
| Di | Damping constant for area i | 2.75 | 2.5 |
| Bi | Frequency deviation factor | 35 | 30 |
| Ri | Unit tuning coefficient | 0.036 | 0.03 |
| Tri | Reheat turbine time constant | 10 | 8 |
| Tgi | Governor time constant | 0.1 | 0.08 |
| Kri | Reheat turbine gain | 0.25 | 0.2 |
| Tti | Turbine time constants | 0.2 | 0.15 |
| Tij | Interconnection gain between control areas | 0.0868 | 0.0867 |
| Methods | ||
|---|---|---|
| no energy storage | −0.00918 | 0.00159 |
| ACE | −0.00743 | 0.00150 |
| PSO | −0.00543 | 0.00149 |
| methodology of the paper | −0.00451 | 0.00147 |
| Case | Number of Adjustments | Maximum Power/MW |
|---|---|---|
| 1 | 81 | 260.4 |
| 2 | 19 | 257.8 |
| 3 | 22 | 220.1 |
| 4 | 18 | 220.0 |
| 5 | 27 | 236.1 |
Disclaimer/Publisher’s Note: The statements, opinions and data contained in all publications are solely those of the individual author(s) and contributor(s) and not of MDPI and/or the editor(s). MDPI and/or the editor(s) disclaim responsibility for any injury to people or property resulting from any ideas, methods, instructions or products referred to in the content. |
© 2025 by the authors. Licensee MDPI, Basel, Switzerland. This article is an open access article distributed under the terms and conditions of the Creative Commons Attribution (CC BY) license (https://creativecommons.org/licenses/by/4.0/).
Share and Cite
Hu, Y.; Wang, C.; Zou, X. Frequency Regulation for High Wind Penetration Power System Based on Ocean Predator Algorithm Considering Storage Battery State. Energies 2025, 18, 671. https://doi.org/10.3390/en18030671
Hu Y, Wang C, Zou X. Frequency Regulation for High Wind Penetration Power System Based on Ocean Predator Algorithm Considering Storage Battery State. Energies. 2025; 18(3):671. https://doi.org/10.3390/en18030671
Chicago/Turabian StyleHu, Yingjie, Chenggen Wang, and Xiaoming Zou. 2025. "Frequency Regulation for High Wind Penetration Power System Based on Ocean Predator Algorithm Considering Storage Battery State" Energies 18, no. 3: 671. https://doi.org/10.3390/en18030671
APA StyleHu, Y., Wang, C., & Zou, X. (2025). Frequency Regulation for High Wind Penetration Power System Based on Ocean Predator Algorithm Considering Storage Battery State. Energies, 18(3), 671. https://doi.org/10.3390/en18030671

