Next Article in Journal
Review of Pre-Ignition Research in Methanol Engines
Previous Article in Journal
Evaluation of the Efficiency of Heat Exchanger Channels with Different Flow Turbulence Methods Using the Entropy Generation Minimization Criterion
 
 
Font Type:
Arial Georgia Verdana
Font Size:
Aa Aa Aa
Line Spacing:
Column Width:
Background:
Article

An Energy Storage System for Regulating the Maximum Demand of Traction Substations

1
School of Automation, Central South University, Changsha 410083, China
2
School of Locomotive and Rolling Stock, Hunan Railway Professional Technology College, Zhuzhou 412001, China
3
Zhuzhou CRRC Times Electric Co., Ltd., Zhuzhou 412001, China
*
Author to whom correspondence should be addressed.
Energies 2025, 18(1), 131; https://doi.org/10.3390/en18010131
Submission received: 5 December 2024 / Revised: 25 December 2024 / Accepted: 27 December 2024 / Published: 31 December 2024
(This article belongs to the Section F1: Electrical Power System)

Abstract

With the development of electrified railways towards high speed and heavy load, the peak power of traction loads is increasing, and the maximum demand and negative sequence current of traction substations are also increasing. Therefore, this article proposes an energy storage system (ESS) based on Li-ion batteries for regulating the maximum demand of traction substations. An ESS is connected to the DC bus of a railway power conditioner (RPC), which is connected to the two power supply arms of the traction substation. In response to the large fluctuation of traction load, this paper proposes a maximum demand active regulation method based on short-term prediction of traction load. The short-term prediction of traction load adopts a time series short-term load prediction method based on BP neural network error correction. Then, based on the load prediction value of the traction substation and the state of charge of the ESS, a collaborative control strategy for ESS and RPC is formulated to enable RPC to achieve a negative sequence suppression function simultaneously. Finally, simulation experiments were conducted using MATLAB, and the results showed that compared with the traditional maximum demand regulation method based on peak power reference values, the method proposed in this paper significantly reduces the number of ESS charging and discharging cycles, improves the regulation effect of maximum demand, and has a higher net income during the lifecycle. At the same time, it also takes into account the negative sequence current suppression function, thereby improving the comprehensive economic benefits of railways and the quality of power grids.

1. Introduction

In recent years, with the development of electrified railways towards high speed and heavy direction, the single locomotive power and driving density of trains have gradually increased [1], such as the traction power of the “Shen 24” ten thousand tons heavy-duty train reaching 28.8 MW. On the one hand, this has led to an increasing peak power of traction substations (TSs) and a continuous rise in maximum demand [2]. Some lines (such as the Shuihong Railway) have a maximum demand electricity bill that accounts for 36% to 72% of the total electricity bill, making it very necessary to reduce this part of the electricity bill; on the other hand, the traction power supply system generates a large amount of negative sequence current, exacerbating the three-phase voltage imbalance on the grid side [3]. Therefore, it has brought severe challenges to the safety, economy, and efficient operation of railways [4,5].
Researchers have proposed some methods for suppressing a negative sequence current in electrified railways, mainly including the use of balanced transformers (such as Scott and YNvd transformers) [6,7,8,9], dynamic reactive power compensation devices (such as SVC and SVG) [10,11], etc. They can reduce a negative sequence current to a certain extent, but cannot completely solve the negative sequence problem. The Railway Power Conditioner (RPC) proposed by Japanese scholars can achieve active power exchange between two power supply arms and perform dynamic reactive power compensation, thus completely eliminating negative sequence currents [12,13,14,15]. Therefore, RPC has received increasing attention in recent years.
Regarding the issue of reducing maximum demand, the current hot topics in the field of power system research mainly include methods such as energy storage peak shaving, load transfer, and the combination of new energy and energy storage. The strategy adopted in references [16,17] is to use battery energy storage systems to achieve “peak shaving and valley filling”, and propose new dynamic two-stage maximum demand reduction controllers and other methods to achieve flexible load peak shaving schemes. Reference [18] proposes a peak shaving strategy that combines energy storage and workload transfer decisions. Reference [19] utilizes a hybrid system of photovoltaic system and battery energy storage to implement peak shaving strategy. The photovoltaic system charges the battery energy storage system and releases energy to the load to reduce peak demand when the load demand approaches the maximum demand. Reference [20] introduces the design of high energy density batteries, providing a promising approach for practical applications of high energy density in power grids and electric transportation. Due to the relatively stable load of the power system, adopting an energy storage system based on the peak power reference value can achieve the goal of reducing maximum demand.
However, the load fluctuation of electrified railways is very severe, with strong intermittency and impact, and there are certain challenges in reducing the maximum demand for traction substations. Therefore, researchers initially proposed to minimize the peak load power of traction substations by optimizing train schedules. As proposed in reference [21], a method is proposed to fine-tune the cycle schedule to improve the utilization of regenerative braking energy and reduce peak power consumption. Reference [22] proposed a mixed-integer linear programming model based on a periodic event scheduling framework, which optimizes the train timetable through a local search algorithm to minimize the peak power of the traction substation. Reference [23] proposed a shaving method based on timetable optimization for coordinated maximum demand of adjacent multiple traction substations. Reference [24] proposed a shaving method for coordinating power demand among multiple adjacent traction substations based on schedule optimization. It is feasible to reduce the maximum demand of traction substations by optimizing the train timetable, but there are many limitations that make it difficult to achieve the ideal effect of maximum demand regulation.
In addition, in recent years, some scholars have studied lines with abundant regenerative braking energy to improve the utilization rate of railway regenerative braking energy, while also considering the issue of reducing peak load power. As studied in references [25,26], energy storage and power sharing are used to maximize the utilization of regenerative braking energy. The energy storage system reduces power demand by releasing regenerative braking energy when the load power value is high. Reference [27] proposes integrating energy storage and renewable resources into AC railway systems to reduce carbon emissions and energy costs. Reference [28] proposed a multi-application strategy based on railway power regulators and energy storage systems, which improves the comprehensive economic benefits of railways by implementing peak shaving and regenerative braking energy recovery and utilization of traction loads. The above studies all prioritize improving the utilization rate of regenerative braking energy and minimizing energy consumption, with reducing maximum demand being only an additional function. The demand is the average power value of the system within 15 min. The traditional method is to regulate it according to the real-time power reference value of the system, which is more suitable for relatively stable loads. However, it is not ideal for large load fluctuations. This is mainly reflected in two aspects: (1) When most of the loads solve the demand value during the demand cycle, there is a sudden situation where some loads have a large peak value. Due to the limitation of ESS capacity, the effect of target demand regulation cannot be achieved through real-time power reference value peak shaving. (2) When the demand during the demand cycle is lower than the target value and only a portion of the peak power appears, using traditional methods can also cause the ESS to discharge, thereby increasing the number of ESS charging and discharging cycles.
Based on the above considerations, this article proposes an ESS-RPC system composed of ESS and RPC, which actively regulates the maximum demand based on short-term traction load prediction values, while suppressing three-phase current imbalance, thereby improving the comprehensive economic benefits of railways and the quality of power grids. The main contributions of this article are summarized as follows:
(1) An ESS-RPC composed of ESS based on a Li-ion battery and RPC was proposed; it is used to regulate the maximum demand of traction substations while also taking into account the negative sequence current suppression function.
(2) Propose a maximum demand active regulation method based on the short-term forecast value of traction load as a reference. Compared with the traditional maximum demand passive regulation method based on a peak power reference value, it improves the effectiveness of maximum demand regulation and reduces the number of charging and discharging cycles of ESS.
(3) The ESS-RPC working mode has been classified based on the load conditions of the traction substation and the state of charge of the ESS, and switched according to the state logic to improve the flexibility of system functions.
The structure of this article is as follows: Section 2 introduces the characteristics of traction loads and the principle of ESS-RPC. The third section introduces load forecasting methods and active regulation methods for maximum demand. Then, in the fourth section, the control strategies of RPC and ESS are introduced. Finally, the feasibility and progressiveness of the proposed method are verified through simulation analysis.

2. Railway Load Characteristics and Description of ESS-RPC System

  • Railway Load Characteristics
Railway transportation organizations usually follow a daily periodic train schedule, so the load of traction substations can be described as one day [29]. Figure 1 shows the traction load data of a traction substation for 8 days, with a sampling frequency of 0.5 s and a total of 1,382,400 data points. From Figure 1, it can be seen that the railway traction load has the following characteristics:
(1) The overall traction load exhibits a certain periodicity, but has strong fluctuations and randomness. This is because the train is affected by various factors such as weather, driver control, line conditions, and operation plan adjustments during operation, which are uncontrollable and cause disturbances to the traction load.
(2) The fluctuation amplitude of traction load is large, and there is often a phenomenon of jumping from no load to peak load, but the duration of peak-load state is relatively short.
The maximum load demand of a traction substation is defined as follows: during a settlement period (usually one month), calculate the average railway power within 15 min and retain its maximum value as the maximum demand. It can be seen that the traditional method of maximum demand regulation based on reducing the peak power reference value of traction substations may lead to frequent charging and discharging of ESS. This article predicts the load value of the traction substation within 15 min for maximum demand regulation, which will greatly reduce the number of charging and discharging times of ESS.
  • ESS-RPC System Description
Based on the load characteristics of the traction substation, an ESS-RPC topology structure composed of ESS and RPC based on Li-ion batteries is proposed, as shown in Figure 2. The blue dashed box represents the RPC structure, mainly composed of a step-down transformer and an AC-DC-AC converter. The high voltage side of the step-down transformer is connected between the traction power supply bus and the track, and the low voltage side is connected to the AC-DC-AC converter; the red dashed box represents ESS, which is composed of a Li-ion battery and connected to the DC bus of RPC through a DC/DC converter. On the one hand, ESS-RPC is used for peak shaving and valley filling in traction substations to reduce their maximum demand. At the same time, it can also achieve active power exchange between the two power supply arms, maximizing the power balance between the two power supply arms and suppressing the negative sequence current of the traction substation.
P S is the total power of the traction substation system. In Figure 2, I A , I B , and I C represent the three-phase incoming currents of the 110 kV or 220 kV traction substation, respectively. P L α ( I L α ) and P L β ( I L β ) represent the traction load power (load current) of the α and β power supply arms, respectively, and the direction from the grid side to the load side is the positive direction of power (current); P α ( I α ) and P β ( I β ) , respectively, represent the power (current) of the α power arm and β power arm after passing through ESS-RPC, the direction of flow towards the load side is the positive direction of power (current); P Lc ( I Lc ) and P Rc ( I Rc ) , respectively, represent the power (current) absorbed by ESS-RPC from the α and β supply arms, and the direction of flow to RPC is the positive direction of power (current); P ESS represents the charging and discharging power of ESS, and the direction of flow towards ESS is the positive direction of power.
  • C. System Working Principle
(1) Principle of maximum demand regulation
Ignoring system losses, according to energy conservation, there is the following power relationship:
P S = P A + P B + P C = P α + P β
P α = P L α + P Lc
P β = P L β + P Rc
P ESS = P Lc + P Rc
Electricity demand refers to the average power value within a time interval. Railways use a demand cycle of 15 min, and the demand (D) is measured using the “slip” method as shown in Equation (5).
D ( k ) = 1 15 i = k k + 14 P S i k Z
Among them, P S i is the average active power of the traction substation in the i-th minute, and the maximum demand of the traction substation is the maximum value of D k within one month. Combining Equations (1)–(5), it can be concluded that by adjusting the output power P ESS of ESS-RPC, the maximum demand of the traction substation can be reduced without changing the railway transportation organization.
(2) Negative sequence current suppression
Due to the relatively small proportion of time when the maximum demand occurs in the traction substation, ESS-RPC can perform negative sequence current suppression for most of the time in addition to regulating the maximum demand of the traction substation. When performing negative sequence current suppression, only RPC works and ESS is in standby mode. Without considering system losses, assuming, the basic phasor relationship for negative sequence current suppression is shown in Figure 3:
I α = I L α + I Lc = I L α p + I Lcp + j I L α q + I Lcq
I β = I L β + I Rc = I L β p + I Rcp + j I L β q + I Rcq
s.t
U α I Lcp = U β I Rcp
I Lcp 2 + I Lcq 2 I c max
I Rcp 2 + I Rcq 2 I c max
Here, I Lcp and I Lcq represent the active and reactive currents absorbed by ESS-RPC from the alpha power supply arm; I Rcp and I Rcq represent the active and reactive currents absorbed by ESS-RPC from the β power supply arm; I cmax is the maximum output current of RPC.
As shown in Figure 2, assuming the ratio of the primary winding to the secondary winding of the traction transformer is k , after compensating currents I Lc and I Rc through ESS-RPC, the goal is to minimize the negative sequence current generated by I α and I β on the three-phase power grid side:
min I = min I α + I β = min 1 3 k I α e i π 3 θ α + I β e i π θ β
s.t
θ α = arc t g I α q I α p ,   θ β = arc t g I β q I β p

3. Active Regulation Method for Maximum Demand

3.1. Traditional Maximum Demand Regulation Method

The traditional control method of using ESS to reduce maximum demand is shown in Figure 4. When the traction load is at a low point, the ESS stores electrical energy. When the traction load exceeds the set peak power reference value, the ESS releases electrical energy to reduce the peak power of the traction substation, thereby reducing the maximum demand.
The method of using a peak power reference value to reduce maximum demand in situations where the load is relatively stable has a good effect. However, for electrified railways with high impact and fluctuation loads, on the one hand, it may lead to frequent charging and discharging of ESS, reducing battery life, and on the other hand, it may not achieve the target effect of maximum demand regulation under conditions such as sudden increase in load.

3.2. Active Regulation Method of Maximum Demand Based on Load Forecasting

In response to the shortcomings of traditional methods, this paper proposes a maximum demand active regulation method based on the short-term forecast value of traction load as a reference.
The principle of maximum demand regulation based on load forecasting is shown in Figure 5. The controller always predicts the load power for the next demand cycle T , and then accumulates the predicted values to obtain the predicted energy value E P for the next demand cycle. When it is predicted that E P is greater than the target maximum demand value E T (as shown in the red curve in Figure 5), ESS will discharge from the starting time of the next demand cycle to achieve active regulation of maximum demand. When E P is less than the energy value E R of the rechargeable demand (as shown in the green curve in Figure 5), the ESS will start charging from the beginning of the next demand cycle. When Ep is between E T and E R (as shown by the blue curve in Figure 5), ESS is in standby mode. Among them,
E P = 0 T P S p r e t d t
E M = M D × T
E T = M D T × T
E R = D R × T
In the formula, M D is the original maximum demand value of the traction substation; M D T is the target value for maximum demand regulation; D R is the rechargeable demand; M D T D R P E S S ; P S p r e t is the predicted load value of the traction substation at time t .

3.3. Load Forecasting Method

Traction load belongs to the category of highly fluctuating loads, and in order to improve prediction accuracy, this paper combines the time series method with a BP neural network [30]. Firstly, the ARIMA model using the time series method is used to predict the load forecast value P s p r e t at time t within 15 min. Then, by training the BP neural network with historical data, the powerful nonlinear function of the BP neural network is utilized to predict the error e t generated by the ARIMA model at time t. Finally, the two are added together to obtain the final load prediction value, which is
P S p r e t = P s p r e t + e t
(1) Preliminary load forecast
Due to the fact that the ultra-short-term traction load data are a non-stationary time series, it needs to be converted into a stationary time series through differential operation first, and then the ARMA prediction model for time series is obtained [31], whose mathematical expression is
P s p r e t = i = 1 p φ i P S t i j = 1 q θ j ε t j + ε t
In the formula, φ i is the model autoregressive coefficient; θ j is the moving average coefficient; ε t is the residual sequence, which is white noise with a mean of 0 and a constant variance of δ ε 2 ; p and q represent the order of the autoregressive and moving average components, respectively. Equation (18) indicates that the linear combination of the previous p time intervals load P S t p , P S t p + 1 P S t 1 and the current and previous q time intervals random disturbances ε t q , ε t q + 1 ε t 1 , ε t jointly determine the load prediction value at time t .
When smoothing the ultra-short-term traction load, introduce the differential operator P S t : P S t = P S t P S t 1 ; P S t is the first-order difference of P S t . Similarly, d P S t = d 1 P S t d 1 P S t 1 , d P S t is the d-order difference of P S t ; obtain ARIMA p , d , q .
d represents the difference order, which is determined by checking the stationarity of the time series after the difference operation; that is, to determine the difference order value in order to make the non-stationary sequence become a stationary sequence. Determine p and q values according to AIC criteria. Using the least squares method to estimate the parameters φ i and θ j of the autoregressive and moving average parts of the model, and then testing and determining that the residual sequence ε t is a white noise sequence, the prediction model is determined. Using the established ARMA model for ultra-short-term load forecasting, obtain the preliminary predicted load value P s p r e t at time t.
(2) Error correction
The BP neural network has a strong self-learning ability and implements nonlinear mapping rules from input to output through training. Its topology diagram is shown in Figure 6.
This article uses the BP neural network rolling prediction method to predict the traction load error. Based on the similarity and regularity of the traction load prediction error, the error at the same time n days before the prediction date is used as the input to predict the error at the same time of the day. To ensure the consistency of the network model, in the selection of the training sample structure, the input training sample at time t on the i-th day is set as X i , t = e i n , e i n + 1 , e i 1 , t , where e i n predicts the prediction error at the same time n days before the prediction day, and so on.
This article takes the error of predicting the same time in the previous 8 days as the input to predict the error of the same time in the current day, thus determining that the input layer of the BP neural network contains eight neurons; that is, eight network inputs. The output layer contains one neuron, corresponding to e i , t , which is the prediction error value at time t on the i-th day. Due to the lack of reliable theoretical support for the selection of hidden layers, it was determined through repeated experiments that the optimal training effect was achieved when the number of hidden layer neurons was 12. The BP network structure was ultimately determined to be of the 8-12-1 type. That is, eight input neurons, 12 hidden layer neurons, and one output neuron. The training process of the BP neural network is essentially to find the nonlinear mapping relationship between the prediction error of the previous 8 days at time t as the input and the prediction error of the prediction day at time t as the output.
The training process of the BP neural network at each prediction time is shown in Figure 7.
On the basis of completing the training of the BP neural network, the online prediction of traction load at time t within 15 min is carried out. The basic process is shown in Figure 8.

4. System Collaborative Control

As shown in Figure 9 and Figure 10, the working process of the ESS-RPC system includes load forecasting, operating condition classification, and power flow control.

4.1. Power Flow Control Mode

To fully utilize the functions of ESS-RPC, the controller is divided into three working modes based on the predicted energy value E P in the next demand cycle of the traction substation and the instantaneous current values I L α and I L β of the two power supply arms: (1) discharge mode, which is the maximum demand regulation mode; (2) charging mode; (3) negative sequence current suppression mode. Real-time flexible switching of the system operating modes for ESS-RPC by the controller.
(1) Discharge mode ( E P > E T ): The priority level of this mode is the highest. When the predicted energy value E P in the next demand cycle T of the traction substation is greater than the target maximum demand cycle energy value E T , the ESS releases electrical energy to the traction substation to reduce the maximum demand to the target value. The discharge power P ESS = ( E P E T ) / T of the ESS stops releasing when the SOC of the energy storage medium reaches the lower limit value.
When I L α I L β I θ ( I θ is the current imbalance threshold between the two power supply arms), the imbalance of the traction substation is within the allowable value, P Lc = P Rc = 0.5 P ESS . When I L α I L β > I θ , the ESS releases electrical energy to the heavy-duty side power supply arm, P Lc = P ESS , P Rc = 0 or P Rc = P E S S   P Lc = 0 .
(2) Charging mode ( E P < E R ): When the predicted energy value E P for the next demand cycle T of the traction substation is within the range of the rechargeable area value E R , it indicates that the traction substation is in a low load state, and the ESS-RPC will enter the charging state with a charging power of P ESS = P ESS N until the SOC of the energy storage medium reaches the upper limit value and stop charging.
Similarly, at that time I L α I L β I θ , P Lc = P Rc = 0.5 P ESS . When I L α I L β > I θ , ESS absorbs electrical energy from the light load side power supply arm, P Lc = P ESS , P Rc = 0 or P Rc = P ESS , P Lc = 0 .
(3) Unbalanced suppression mode: When the predicted load energy value E P of the traction substation is at E R E P < E T and I L α I L β I θ , ESS-RPC transfers active power to the left and right power supply arms of the traction substation, minimizing the imbalance of the three-phase current to the greatest extent possible. I Lc and I Rc satisfy Equations (6) to (11). When I L α I L β < I θ , ESS-RPC is in standby mode. I θ is the threshold for current imbalance between the two power supply arms.

4.2. Converter Control Strategy

To achieve maximum demand regulation and negative sequence current suppression, it is necessary to develop reasonable control strategies for RPC converters and DC/DC converters separately.
(1)
Control of RPC Converter
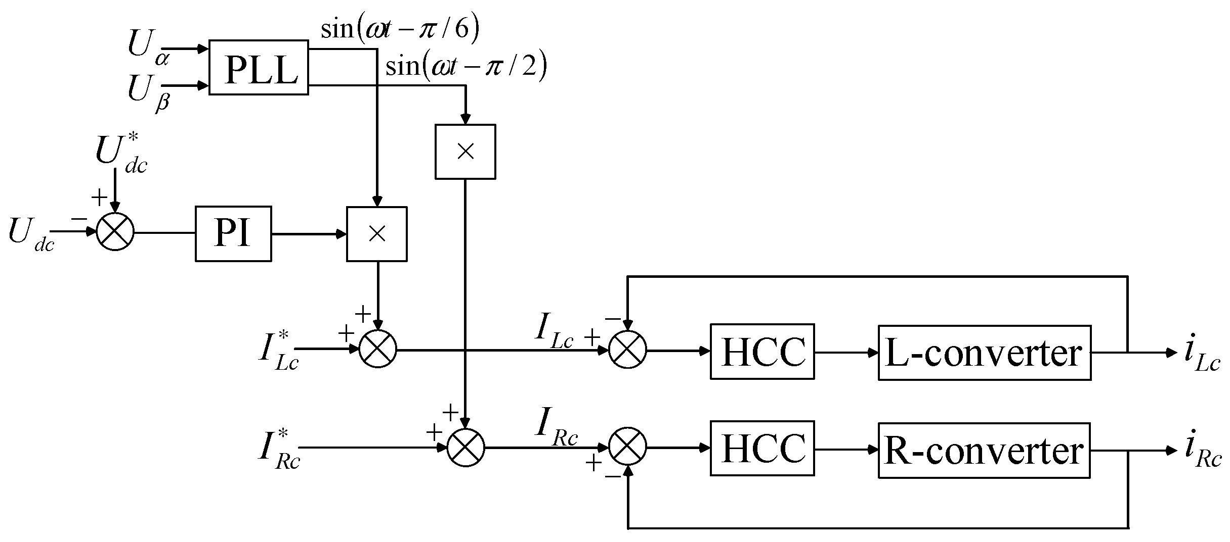
I L c and I R c are the expected current values of ESS-RPC under different operating conditions, while i L c and i R c are the actual output current values of ESS-RPC under different operating conditions. To ensure the normal operation of RPC and smooth integration of ESS, a stable DC voltage needs to be provided. Therefore, an additional voltage control outer loop should be added, which adjusts the difference between the actual voltage value U d c and the expected value U d c through PI, in order to achieve stable DC side voltage. To ensure response speed, the current hysteresis control method is used to generate PWM pulse waves to control the two converters of RPC. Therefore, the RPC control principal diagram is shown in Figure 11.
(2)
Control of DC/DC Converter
ESS mainly consists of two parts: a bidirectional DC/DC converter and Li-ion battery. To achieve maximum demand regulation, a current closed-loop control method is adopted to control the bidirectional DC/DC converter. Calculate the expected current value I E S S based on the ESS charging and discharging power value P E S S , compare the difference between the actual current I E S S and the expected current I E S S , and then obtain the control signal after passing the error through PI. The control block diagram of ESS is shown in Figure 12.
The bidirectional DC/DC converter has three working modes: charging, discharging, and standby. When P E S S > 0 is present, the Li-ion battery is in a charging state, and the bidirectional DC/DC converter operates in a buck mode, i.e., buck state; when P E S S < 0 is present, the Li-ion battery is in a state of discharge energy, and the bidirectional DC/DC converter operates in boost mode, i.e., boost state. When P E S S = 0 , ESS is in standby mode.

5. Simulation Verification and Comparative Analysis of Benefits

5.1. Simulation Verification

In order to verify the superiority of the ESS-RPC maximum demand active control method proposed in this article, MATLAB system simulation verification was conducted based on the on-site situation of a heavy-duty railway traction substation in China. The main parameters of the system are shown in Table 1.
(1)
The original power and demand curve of the traction substation
Before the maximum demand regulation, the power and demand curves of the traction substation are shown in Figure 13. It can be seen that the load impact of the traction substation is high, with a peak power of 48.6 MW. The demand value of the traction substation is relatively moderate, with a maximum demand value of 30.64 MW, and the maximum demand value and power peak do not occur at the same time point.
(2)
Maximum demand regulation effect and ESS charge–discharge curve based on peak power reference value method
The traditional peak power reference value method is used for maximum demand regulation, with a maximum demand reduction value of 4 MW. The target value M D T after maximum demand regulation is 26.64 MW, so the peak power reference value is set to 26.64 MW.
As shown in Figure 14, after the maximum demand regulation of ESS-RPC, the maximum demand value decreased from 30.64 MW to 27.27 MW, and the actual decrease in maximum demand was 3.37 MW.
As shown in Figure 15, when using the traditional peak power reference method for maximum demand regulation, ESS discharge will be triggered when the power value of the traction substation is greater than 26.64 MW, resulting in a high ESS discharge frequency of 183 times, of which 107 times are discharged.
Using the rainflow counting method and equivalent cycle life method proposed in reference [32], the cycle times T corresponding to different discharge depths Y are converted to the equivalent cycle times T (1) of full charge and full discharge, and summed up to calculate the replacement times N = Y T / T 1 of the energy storage medium. Under this method, the equivalent number of charge and discharge cycles for the battery is 4.06.
(3)
Maximum demand regulation effect and ESS charging and discharging curve based on ultra-short-term load forecasting method
When adopting the maximum demand active regulation strategy using the ultra-short-term load forecasting method, the maximum demand reduction value is set to 4 MW, and the target M D T after maximum demand regulation is 26.64 MW.
As shown in Figure 16, after the maximum demand regulation of ESS-RPC, the maximum demand value decreased from 30.64 MW to 26.76 MW, and the actual decrease in maximum demand was 3.88 MW.
As shown in Figure 17, this method is based on the predicted demand value, and only triggers the ESS action when the predicted demand value of the traction substation is greater than 26.64 MW. Therefore, the ESS action frequency is only nine times, of which the discharge frequency is only five times. Similarly, according to the rainflow counting method and equivalent cycle life method proposed in reference [31], the number of battery charge and discharge cycles under this method is 0.72 times.
(4)
Negative sequence current imbalance suppression effect
From Figure 17, it can be seen that the ESS is mostly in standby mode. To fully utilize the functionality of ESS-RPC, the RPC initiates USM mode to suppress the current imbalance in the traction substation. As shown in Figure 18a, the 95% probability value of the negative sequence current imbalance in the traction substation before RPC compensation is 2.78%; Figure 18b shows that after RPC compensation, the 95% probability value of negative sequence current imbalance is only 0.51%.
Through simulation, it can be concluded that
Compared with the traditional passive maximum demand regulation method based on peak power reference value (Table 2), the maximum demand regulation method using the short-term traction load prediction value as a reference has improved the effect from 3.37 MW to 3.88 MW, which is better. Moreover, the daily charging and discharging frequency of ESS decreased from 183 to 9, and the charging and discharging cycle frequency of the energy storage medium decreased from 4.06 to 0.72, thereby extending the lifespan of the energy storage medium.
ESS-RPC can effectively suppress negative sequence current imbalance in traction substations, reducing the negative sequence current imbalance from 2.78% to 0.51%.

5.2. Comparative Analysis of Benefits

After the traction substation adjusts the maximum demand through ESS-RPC, the monthly maximum demand value can be reduced, thereby saving basic electricity expenses for the railway. Assuming the full lifecycle of ESS-RPC is 20 years, due to the limited number of cycles and lifespan of the energy storage medium, a replacement is required throughout the entire lifecycle. According to the equipment cost and basic electricity fee charging standards of each part of ESS-RPC in Appendix A, the investment cost, lithium battery replacement frequency, and net income of the ESS-RPC system are shown in the table below (Table 3) throughout the entire lifecycle, using traditional methods (based on reference value regulation) and the ESS-RPC method recommended in this article (maximum demand forecasting regulation).
The cumulative net benefits generated by ESS-RPC under two different control methods throughout its entire lifecycle are shown in Figure 19, with the vertical axis in 10,000 CNY and the horizontal axis in years.
Therefore, compared with traditional methods, adopting the method recommended in this article can reduce the number of battery replacements by four times throughout the entire lifecycle, and increase net income by 16.4072 million CNY.

6. Conclusions

This article aims to reduce the maximum demand of railway traction substations and proposes an ESS based on Li-ion batteries and an active control method for maximum demand based on short-term load forecasting values of traction loads. Based on the short-term load forecasting values of traction substations and the state of charge of ESS, a collaborative control strategy for ESS-RPC is formulated to enable RPC to achieve a negative sequence suppression function. Finally, the MATLAB simulation experiment verified that the method proposed in this paper has significant advantages in maximum demand regulation and reducing ESS charging and discharging times, providing new ideas for improving the comprehensive economic benefits of railways and the quality of power grids.
In the future, we will further explore the effect of maximum demand regulation under different parameters (such as rated capacity, rated output power, etc.) of RPC-ESS configuration. Further study should be conducted on the parameter optimization configuration problem of RPC-ESS based on the principal of maximizing investment returns.

Author Contributions

Conceptualization, F.Z.; Data curation and Supervision, Z.T.; Formal analysis and Methodology, X.Z.; Investigation, L.C.; Visualizaion and Writing-review & editing, D.T. All authors have read and agreed to the published version of the manuscript.

Funding

Project Supported by Natural Science Foundation of Hunan Province (2023JJ60231).

Data Availability Statement

Where data is unavailable due to privacy.

Conflicts of Interest

Author Lebin Chou was employed by the company Zhuzhou CRRC Times Electric Co. The remaining authors declare that the research was conducted in the absence of any commercial or financial relationships that could be construed as a potential conflict of interest.

Appendix A

PositionParameterNumerical Value
RPCService life20 years
Equipment unit price35 ten thousand CNY/MVA
Maintenance cost/year0.5 ten thousand CNY/MVA
ESSLi-ion batteriesUnit price1500 CNY/kWh
Lifespan (number of full discharge cycles)3600 times or 10 years
Maintenance cost20 CNY/kwh
DC/DCService life20 years
Equipment unit price16 ten thousand CNY/MVA
Maintenance cost/year2000 CNY/MVA
Railway electricity billBasic electricity fee/month36 CNY/kW

References

  1. Li, X.; Zhu, C.K.; Liu, Y.Z. Traction power supply system of China high-speed railway under low-carbon target: Form evolution and operation control. Electr. Power Syst. Res. 2023, 223, 109682. [Google Scholar] [CrossRef]
  2. Li, M.; Wang, L.; Wang, Y.J.; Hai, Z.H. Sizing Optimization and Energy Management Strategy for Hybrid Energy Storage System Using Multiobjective Optimization and Random Forests. IEEE Trans. Power Electron. 2021, 36, 11421–11430. [Google Scholar] [CrossRef]
  3. Liu, Y.Q.; Wu, G.; Hua, H.S.; Wang, L. Research for the effects of high-speed electrified railway traction load on power quality. In Proceedings of the 2011 4th International Conference on Electric Utility Deregulation and Restructuring and Power Technologies (DRPT), Weihai, China, 6–9 July 2011; pp. 569–573. [Google Scholar]
  4. Li, L.; Keng, W.L.; Wei, H. A Co-Phase Traction Power Supply System Based on Asymmetric Three-Leg Hybrid Power Quality Conditioner. IEEE Trans. Veh. Technol. 2020, 69, 14645–14656. [Google Scholar] [CrossRef]
  5. Ma, F.J.; Xu, Q.M.; He, Z.X.; Tu, C.M.; Shuai, Z.K.; Luo, A.; Li, Y. A Railway Traction Power Conditioner Using Modular Multilevel Converter and Its Control Strategy for High-Speed Railway System. IEEE Trans. Transp. Electrif. 2016, 2, 96–109. [Google Scholar] [CrossRef]
  6. Chu, W.S.; Gu, J.C. A new hybrid SVC scheme with scott transformer for balance improvement. In Proceedings of the ASME/IEEE 2006 Joint Rail Conference, Atlanta, GA, USA, 4–6 April 2006; pp. 217–224. [Google Scholar]
  7. Badin, A.A.; Barbi, I. Unity power factor isolated three-phase rectifier with split DC-bus based on the scott transformer. IEEE Trans. Power Electron. 2008, 23, 1278–1287. [Google Scholar] [CrossRef]
  8. Zhang, Z.; Wu, B.; Kang, J.; Luo, L. A multi-purpose balanced transformer for railway traction applications. IEEE Trans. Power Deliv. 2009, 24, 711–718. [Google Scholar] [CrossRef]
  9. Benslimane, A.; Bouchnaif, J.; Azizi, M.; Grari, K. Study of a STATCOM used for unbalanced current compensation caused by a high speed railway (HSR) sub-station. In Proceedings of the 2013 International Renewable and Sustainable Energy Conference (IRSEC), Ouarzazate, Morocco, 7–9 March 2013; pp. 441–446. [Google Scholar]
  10. Luo, L.; Chen, P.; Cui, P.; Zhang, Z.; Zhou, Y.; Xie, X.; Chen, J. A current balance compensation method for traction substation based on SVG and V/v transformer. In Proceedings of the 2017 IEEE Transportation Electrification Conference and Expo, Asia-Pacific (ITEC Asia-Pacific), Harbin, China, 7–10 August 2017; pp. 1–6. [Google Scholar]
  11. Wang, H.; Li, Q.Z.; Li, J.; Xie, S.F. Comprehensive Compensation Schemes of Cophase Power Supply of Electrified Railway Based on YNd Transformer and Static Var Generator. Trans. China Electrotech. Soc. 2020, 35, 3739–3749. [Google Scholar]
  12. Zhi, B.; Chao, W.; Kai, S.; Zhang, J.; Zhu, C.B. Current balance method of dual windings parallel coils based on distributed capacitor compensation in high-power WPT systems. IET Electr. Power Appl. 2022, 16, 178–189. [Google Scholar]
  13. Zhu, Z.; Ma, F.J.; Wang, X.; Deng, L.F.; Li, G.X.; Wei, X.W.; Tang, Y.X.; Liu, S.Y. Operation analysis and a game theoretic approach to dynamic hybrid compensator for the V/v traction system. IEEE Trans. Power Electron. 2019, 34, 8574–8587. [Google Scholar] [CrossRef]
  14. Luo, A.; Wu, C.; Shen, J.; Shuai, Z.; Ma, F. Railway Static Power Conditioners for High-speed Train Traction Power Supply Systems Using Three-phase V/V Transformers. IEEE Trans. Power Del. 2011, 26, 2844–2856. [Google Scholar] [CrossRef]
  15. Roudsari, H.M.; Jalilian, A.; Jamali, S. Flexible Fractional Compensating Mode for Railway Static Power Conditioner in a V/v Traction Power Supply System. IEEE Trans. Ind. Electron. 2018, 65, 7963–7974. [Google Scholar] [CrossRef]
  16. Dong, H.F.; Li, W.Q.; Niu, W.D. Practical algorithm applied in peak load shifting of battery storage system in power grid. Electr. Meas. Instrum. 2019, 56, 74–78. [Google Scholar]
  17. Subramani, K.; Ramachandaramurthy, S. Techno-Economic Optimization of Grid-Connected Photovoltaic (PV) and Battery Systems Based on Maximum Demand Reduction (MDRed) Modelling in Malaysia. Energies 2019, 12, 3531. [Google Scholar] [CrossRef]
  18. Dabbagh, M.; Hamdaoui, B.; Rayes, A.; Guizani, M. Shaving Data Center Power demand Peaks Through Energy Storage and Workload Shifting Control. IEEE Trans. Cloud Comput. 2017, 7, 1095–1108. [Google Scholar] [CrossRef]
  19. Ibrahim, I.R.; Azman, M.N.B.; Kamarzaman, N.A.; Darus, R. Maximum Demand Peak Shave Approach Utilising a Hybrid Solar PV and Battery Energy Storage System. In Proceedings of the 2023 IEEE 13th International Conference on Control System, Computing and Engineering (ICCSCE), Penang, Malaysia, 25–26 August 2023. [Google Scholar]
  20. Shi, C.; Takeuchi, S.; Alexander, G.V.; Hamann, T.; O’Neill, J.; Dura, J.A.; Wachsman, E.D. High Sulfur Loading and Capacity Retention in Bilayer Garnet Sulfurized-Polyacrylonitrile/Lithium-Metal Batteries With Gel Polymer Electrolytes. Adv. Energy Mater. 2023, 13, 2301656. [Google Scholar] [CrossRef]
  21. Wang, P.; Bešinović, N.; Goverde, R.M.; Corman, F. Stability improves the utilization rate of renewable energy and shortens peak electricity by adjusting railway schedules. IEEE Trans. Intell. Transp. Syst. 2022, 23, 15742–15754. [Google Scholar]
  22. Dominguez, M.; Fernandez-Cardador, A.; Cucala, A. Energy savings in metropolitan railway substations through regenerative energy recovery and optimal design of ATO speed profiles. IEEE Trans. Autom. Sci. Eng. 2012, 9, 496–504. [Google Scholar] [CrossRef]
  23. Liu, Y.L.; Hu, H.T.; Wang, K.; Ge, Y.B.; Huang, Y.; He, Z.Y. Coordination and Adjustment of Maximum Power Demand for Multiple Traction Substations and Optimization of Train Timetables. IEEE Trans. Transp. Electr. 2024; early access. [Google Scholar]
  24. Zhou, F.Y.; Tang, Z.H.; Tan, D.; Xie, Y.F. Capacity Configuration Optimization of Regenerative Braking Energy Utilization System for Electrified Railways Based on Power Sharing and Energy Storage. Electr. Power Syst. Res. 2025, 239, 111275. [Google Scholar] [CrossRef]
  25. Chen, J.Y.; Hu, H.T.; Ge, Y.B.; Wang, K.; He, Z.Y. Techno-Economic Model-Based Capacity Design Approach for Railway Power Conditioner-Based Energy Storage System. IEEE Trans. Ind. Electron. 2022, 69, 4730–4741. [Google Scholar] [CrossRef]
  26. Chen, J.Y.; Zhao, Y.; Wang, M.H.; Wang, K.; Huang, Y.; Xu, Z. Power Sharing and Storage-Based Regenerative Braking Energy Utilization for Sectioning Post in Electrified Railways. IEEE Trans. Transp. Electrif. 2024, 10, 2677–2688. [Google Scholar] [CrossRef]
  27. Tian, Z.; Kano, N.; Hillmansen, S. Integration of Energy Storage and Renewable Energy Sources into AC Railway System to Reduce Carbon Emission and Energy Cost. In Proceedings of the 2020 IEEE Vehicle Power and Propulsion Conference (VPPC), Gijon, Spain, 18 November–16 December 2020; pp. 1–6. [Google Scholar]
  28. Luo, P.; Li, Q.R.; Zhang, Y.; Ma, Q.; Zhang, Y.; Peng, Y.S.; Sun, J.H. Multi-Application Strategy Based on Railway Static Power Conditioner With Energy Storage System. IEEE Trans. Intell. Trans. Syst. 2021, 22, 2140–2153. [Google Scholar] [CrossRef]
  29. Huang, X.H.; Liao, Q.Y.; Li, Q.Z.; Tang, S.D.; Sun, K. Power management in co-phase traction power supply system with super capacitor energy storage for electrified railways. Railw. Eng. Sci. 2020, 28, 85–96. [Google Scholar] [CrossRef]
  30. Ma, Q.; Peng, Y.; Li, A. Traction Load Forecasting Method of Electrified Railway Based on LSTM. In Proceedings of the 2020 IEEE 9th International Power Electronics and Motion Control Conference (IPEMC2020-ECCE Asia), Nanjing, China, 29 November–2 December 2020; pp. 2861–2866. [Google Scholar]
  31. Acquah, M.A.; Jin, Y.; Oh, B.C.; Son, Y.G.; Kim, S.Y. Spatiotemporal Sequence-to-Sequence Clustering for Electric Load Forecasting. IEEE Access 2023, 11, 5850–5863. [Google Scholar] [CrossRef]
  32. Han, X.J.; Cheng, C.; Ji, T.M. Capacity optimal modeling of hybrid energy storage systems considering battery life. Proceeding CSEE 2013, 33, 91–97. [Google Scholar]
Figure 1. Load data of traction substation.
Figure 1. Load data of traction substation.
Energies 18 00131 g001
Figure 2. ESS-RPC system topology structure.
Figure 2. ESS-RPC system topology structure.
Energies 18 00131 g002
Figure 3. Basic phasor diagram for negative sequence current suppression.
Figure 3. Basic phasor diagram for negative sequence current suppression.
Energies 18 00131 g003
Figure 4. Schematic diagram of traditional maximum demand optimization.
Figure 4. Schematic diagram of traditional maximum demand optimization.
Energies 18 00131 g004
Figure 5. Principle of maximum demand optimization based on load demand forecasting.
Figure 5. Principle of maximum demand optimization based on load demand forecasting.
Energies 18 00131 g005
Figure 6. BP neural network topology diagram.
Figure 6. BP neural network topology diagram.
Energies 18 00131 g006
Figure 7. BP neural network training process.
Figure 7. BP neural network training process.
Energies 18 00131 g007
Figure 8. Online prediction flowchart.
Figure 8. Online prediction flowchart.
Energies 18 00131 g008
Figure 9. Workflow of ESS-RPC system.
Figure 9. Workflow of ESS-RPC system.
Energies 18 00131 g009
Figure 10. Classification of working conditions and control modes.
Figure 10. Classification of working conditions and control modes.
Energies 18 00131 g010
Figure 11. Control schematic diagram of RPC.
Figure 11. Control schematic diagram of RPC.
Energies 18 00131 g011
Figure 12. Control schematic diagram of DC/DC.
Figure 12. Control schematic diagram of DC/DC.
Energies 18 00131 g012
Figure 13. The original power and demand curve of the traction substation.
Figure 13. The original power and demand curve of the traction substation.
Energies 18 00131 g013
Figure 14. Power and demand curves after demand regulation based on peak power reference value method.
Figure 14. Power and demand curves after demand regulation based on peak power reference value method.
Energies 18 00131 g014
Figure 15. ESS charging and discharging power curve.
Figure 15. ESS charging and discharging power curve.
Energies 18 00131 g015
Figure 16. Power and demand curves after demand regulation based on load forecasting method.
Figure 16. Power and demand curves after demand regulation based on load forecasting method.
Energies 18 00131 g016
Figure 17. ESS charging and discharging power curve.
Figure 17. ESS charging and discharging power curve.
Energies 18 00131 g017
Figure 18. Negative sequence current imbalance suppression effect; (a) before compensation; (b) after compensation.
Figure 18. Negative sequence current imbalance suppression effect; (a) before compensation; (b) after compensation.
Energies 18 00131 g018
Figure 19. Net lifetime benefit for the proposed ESS-RPC and tradition method.
Figure 19. Net lifetime benefit for the proposed ESS-RPC and tradition method.
Energies 18 00131 g019
Table 1. System parameter.
Table 1. System parameter.
PositionParameterNumerical Value
Traction power supply systemRated voltage/kV27.5
Grid frequency/Hz50
Capacity of traction transformer/MVA60
Power supply modeAT
PRCVoltage ratio of isolation transformer27.5 kV:1 kV
DC side voltage/V1800
Rated power/MVA4
Cooling methodAir cooling
ESSVoltage range of Li-ion batteries/V528~626
Rated capacity of Li-ion batteries/MWh2
Bidirectional DC-DC rated power/MVA4
SOC range0.2~0.98
Table 2. Comparison of Maximum Demand Regulation Effect and ESS Action Times.
Table 2. Comparison of Maximum Demand Regulation Effect and ESS Action Times.
ItemsTradition MethodProposed Method
Maximum demand regulation quantity3.37 MW3.88 MW
Number of charging and discharging/day183 times9 times
Number of charge and discharge cycles/day4.06 times0.72 times
Table 3. Comparison of Equipment Investment and Income.
Table 3. Comparison of Equipment Investment and Income.
ItemsTradition MethodProposed Method
RPC and DC/DC equipment costs204 ten thousand CNY204 ten thousand CNY
Battery cost300 ten thousand CNY300 ten thousand CNY
Initial total investment cost504 ten thousand CNY504 ten thousand CNY
Maintenance cost/year4.8 ten thousand CNY4.8 ten thousand CNY
The number of battery replacements throughout the entire lifecycleFive timesOne time
Total cost of battery replacement1500 ten thousand CNY300 ten thousand CNY
Annual revenue145.58 ten thousand CNY167.62 ten thousand CNY
Total lifetime benefit811.6 ten thousand CNY2452.32 ten thousand CNY
Disclaimer/Publisher’s Note: The statements, opinions and data contained in all publications are solely those of the individual author(s) and contributor(s) and not of MDPI and/or the editor(s). MDPI and/or the editor(s) disclaim responsibility for any injury to people or property resulting from any ideas, methods, instructions or products referred to in the content.

Share and Cite

MDPI and ACS Style

Zhou, F.; Tang, Z.; Zhang, X.; Chou, L.; Tan, D. An Energy Storage System for Regulating the Maximum Demand of Traction Substations. Energies 2025, 18, 131. https://doi.org/10.3390/en18010131

AMA Style

Zhou F, Tang Z, Zhang X, Chou L, Tan D. An Energy Storage System for Regulating the Maximum Demand of Traction Substations. Energies. 2025; 18(1):131. https://doi.org/10.3390/en18010131

Chicago/Turabian Style

Zhou, Fangyuan, Zhaohui Tang, Xiaolong Zhang, Lebin Chou, and Da Tan. 2025. "An Energy Storage System for Regulating the Maximum Demand of Traction Substations" Energies 18, no. 1: 131. https://doi.org/10.3390/en18010131

APA Style

Zhou, F., Tang, Z., Zhang, X., Chou, L., & Tan, D. (2025). An Energy Storage System for Regulating the Maximum Demand of Traction Substations. Energies, 18(1), 131. https://doi.org/10.3390/en18010131

Note that from the first issue of 2016, this journal uses article numbers instead of page numbers. See further details here.

Article Metrics

Back to TopTop