Impact of Air Density Variation on a Simulated Earth-to-Air Heat Exchanger’s Performance
Abstract
1. Introduction
2. Materials and Methods
2.1. Case Building
2.2. Earth-to-Air Heat Exchanger
- –
- The ground is considered as a semi-infinite, homogenous and anisotropic medium,
- –
- The sinusoidal variation of ground surface temperature is assumed,
- –
- The model does not also take into account various environmental factors, as solar irradiance incident on a ground surface and periodic presence of snow cover on the ground.
- –
- The impact of EAHE operation on the ground temperature was omitted.
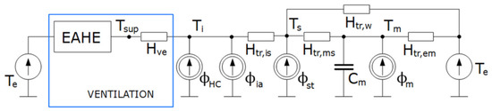
2.3. The 5R1C Model
2.4. Thermal Properties of Dry Air in Building Simulations
3. Results and Discussion
3.1. Introduction
- (1)
- Air density and specific heat of air from EN 16798-5-1, TMY;
- (2)
- Constant volumetric heat capacity of air from EN ISO 13790, TMY;
- (3)
- Air density from Equations (18) and (29) using the TMY data;
- (4)
- Air density from Equation (18) using the IWEC data;
- (5)
- Air density and specific heat of air from EN 16798-5-1, IWEC.
3.2. Thermal Properties of Dry Air
3.3. Performance of EAHE
3.4. Energy Performance of the Building
4. Conclusions
Funding
Institutional Review Board Statement
Informed Consent Statement
Data Availability Statement
Conflicts of Interest
Symbols and Abbreviations
| As | inner surface of the ground heat exchanger, m2 |
| Cm | thermal capacity of the building, J/K |
| EA | unit heating and cooling energy use per unit area of a building, kWh/m2 |
| Htr,em | external part of the Htr,op thermal transmission coefficient, W/K |
| Htr,is | coupling conductance, W/K |
| Htr,ms | internal part of the Htr,op thermal transmission coefficient, W/K |
| Htr,op | thermal transmission coefficient for thermally heavy envelope elements, W/K |
| Htr,w | thermal transmission coefficient for thermally light envelope elements, W/K |
| Hve | thermal transmission coefficient by ventilation air, W/K |
| L | length of the duct, m |
| QC | annual energy use for space cooling, kWh |
| QgC,m | cooling energy gain in EAHE in m-th month, Wh |
| QgH,m | heating energy gain in EAHE in m-th month, Wh |
| QH | annual energy use for space heating, kWh |
| QHC | annual energy use for space heating and cooling, kWh |
| ΔQHC | percentage savings in annual energy use for space heating and cooling, % |
| Te | external (outdoor) air temperature, °C |
| Te;mn;an | mean annual temperature of outdoor air, °C |
| Te;max;m | maximum mean monthly temperature of outdoor air, °C |
| Tgnd | hourly ground temperature, °C |
| Ti | internal (indoor) air temperature, °C |
| Ti,C,set | set-point indoor air temperature for cooling, °C |
| Ti,H,set | set-point indoor air temperature for heating, °C |
| Tm | thermal mass node temperature, °C |
| Tmd | average air temperature in the duct, °C |
| Ts | central node temperature, °C |
| Tsup | supply air temperature, °C |
| ca | specific heat of air at constant pressure, J/(kg∙K) |
| cgnd | specific heat of the ground, J/(kg∙K) |
| di | inner diameter of the duct, m |
| do | outer diameter of the duct, m |
| ft | time shift factor, |
| hi | inside surface heat transfer coefficient, W/m2K |
| hm | number of hours in m-th month, |
| qv;sup | volumetric airflow rate, m3/s |
| tan | annual hour, with tan = 0 h at the beginning of the year; h |
| tan;min | the time of the year when the monthly mean outdoor temperature is minimal, h |
| v | air velocity in the duct, m/s |
| z | burial depth of the duct, m |
| Δτm | length of the month m, h |
| λgnd | thermal conductivity of the ground, W/(m∙K) |
| λdu | thermal conductivity of the duct, W/(m∙K) |
| ξ | damping factor, |
| ρa | air density, kg/m3 |
| ρgnd | ground density, kg/m3 |
| φint | heat flow rate due to internal heat sources, W |
| φsol | heat flow rate due to solar heat sources, W |
| φia | heat flow rate to internal air node, W |
| φst | heat flow rate to central node, W |
| φm | heat flow rate to mass node, W |
| φve | heat flow rate by ventilation, W |
| φEAHE | heat flow rate from EAHE, W |
| φC | cooling power supplied to or extracted from the indoor air node, W |
| φH | heating power supplied to or extracted from the indoor air node, W |
| φHC | heating or cooling power supplied to or extracted from the indoor air node, W |
References
- Buildings Performance Institute Europe. Europe’s Buildings under the Microscope. 2011. Available online: https://www.bpie.eu/wp-content/uploads/2015/10/HR_EU_B_under_microscope_study.pdf (accessed on 9 March 2022).
- Kesten, D.; Tereci, A.; Strzalka, A.M.; Eicker, U. A method to quantify the energy performance in urban quarters. HVACR Res. 2012, 18, 100–111. [Google Scholar] [CrossRef]
- Aksamija, A. Design methods for sustainable, high performance building facades. Adv. Build. Energy Res. 2016, 10, 240–262. [Google Scholar] [CrossRef]
- Kneifel, J.; O’Rear, E. Reducing the impacts of weather variability on long-term building energy performance by adopting energy-efficient measures and systems: A case study. J. Build. Perform. Simul. 2017, 10, 58–71. [Google Scholar] [CrossRef]
- Witkowska, A.; Krawczyk, D.A.; Rodero, A. Investment Costs of Heating in Poland and Spain—A Case Study. Proceedings 2019, 16, 40. [Google Scholar] [CrossRef]
- Chwieduk, D.; Chwieduk, M. Determination of the Energy Performance of a Solar Low Energy House with Regard to Aspects of Energy Efficiency and Smartness of the House. Energies 2020, 13, 3232. [Google Scholar] [CrossRef]
- Ballarini, I.; Costantino, A.; Fabrizio, E.; Corrado, V. A Methodology to Investigate the Deviations between Simple and Detailed Dynamic Methods for the Building Energy Performance Assessment. Energies 2020, 13, 6217. [Google Scholar] [CrossRef]
- Mardiana-Idayu, A.; Riffat, S.B. Review on heat recovery technologies for building applications. Renew. Sustain. Energy Rev. 2012, 16, 1241–1255. [Google Scholar] [CrossRef]
- Xu, Q.; Riffat, S.; Zhang, S. Review of Heat Recovery Technologies for Building Applications. Energies 2019, 12, 1285. [Google Scholar] [CrossRef]
- Abbaspour-Fard, M.H.; Gholami, A.; Khojastehpour, M. Evaluation of an earth-to-air heat exchanger for the north-east of Iran with semi-arid climate. Int. J. Green Energy 2011, 8, 499–510. [Google Scholar] [CrossRef]
- Tan, L.; Love, J.A. A Literature Review on Heating of Ventilation Air with Large Diameter Earth Tubes in Cold Climates. Energies 2013, 6, 3734–3743. [Google Scholar] [CrossRef]
- Greco, A.; Masselli, C. The Optimization of the Thermal Performances of an Earth to Air Heat Exchanger for an Air Conditioning System: A Numerical Study. Energies 2020, 13, 6414. [Google Scholar] [CrossRef]
- Pakari, A.; Ghani, S. Energy Savings Resulting from Using a Near-Surface Earth-to-Air Heat Exchanger for Precooling in Hot Desert Climates. Energies 2021, 14, 8044. [Google Scholar] [CrossRef]
- Peña, S.A.P.; Ibarra, J.E.J. Potential Applicability of Earth to Air Heat Exchanger for Cooling in a Colombian Tropical Weather. Buildings 2021, 11, 219. [Google Scholar] [CrossRef]
- D’Agostino, D.; Marino, C.; Minichiello, F. Earth-to-Air Versus Air-to-Air Heat Exchangers: A Numerical Study on the Ener-getic, Economic, and Environmental Performances for Italian Office Buildings. Heat Transf. Eng. 2020, 41, 1040–1051. [Google Scholar] [CrossRef]
- D’Agostino, D.; Esposito, F.; Greco, A.; Masselli, C.; Minichiello, F. Parametric Analysis on an Earth-to-Air Heat Exchanger Employed in an Air Conditioning System. Energies 2020, 13, 2925. [Google Scholar] [CrossRef]
- D’Agostino, D.; Esposito, F.; Greco, A.; Masselli, C.; Minichiello, F. The Energy Performances of a Ground-to-Air Heat Exchanger: A Comparison among Köppen Climatic Areas. Energies 2020, 13, 2895. [Google Scholar] [CrossRef]
- Baglivo, C.; Bonuso, S.; Congedo, P.M. Performance Analysis of Air Cooled Heat Pump Coupled with Horizontal Air Ground Heat Exchanger in the Mediterranean Climate. Energies 2018, 11, 2704. [Google Scholar] [CrossRef]
- Baglivo, C.; D’Agostino, D.; Congedo, P.M. Design of a Ventilation System Coupled with a Horizontal Air-Ground Heat Exchanger (HAGHE) for a Residential Building in a Warm Climate. Energies 2018, 11, 2122. [Google Scholar] [CrossRef]
- Ahmed, S.F.; Khan, M.M.K.; Amanullah, M.T.O.; Rasul, M.G.; Hassan, N.M.S. Performance assessment of earth pipe cooling system for low energy buildings in a subtropical climate. Energy Convers. Manag. 2015, 106, 815–825. [Google Scholar] [CrossRef]
- Ahmed, S.F.; Amanullah, M.T.O.; Khan, M.M.K.; Rasul, M.G.; Hassan, N.M.S. Parametric study on thermal performance of horizontal earth pipe cooling system in summer. Energy Convers. Manag. 2016, 114, 324–337. [Google Scholar] [CrossRef]
- Cao, S.; Li, F.; Li, X.; Yang, B. Feasibility analysys of earth-air heat exchanger (EAHE) in a sports and culture centre in Tianjin, China. Case Stud. Therm. Eng. 2021, 26, 101654. [Google Scholar] [CrossRef]
- Bisoniya, T.S.; Kumar, A.; Baredar, P. Energy metrics of earth–air heat exchanger system for hot and dry climatic conditions of India. Energy Build. 2015, 86, 214–221. [Google Scholar] [CrossRef]
- Havtun, H.; Törnqvist, C. Reducing Ventilation Energy Demand by Using Air-to-Earth Heat Exchangers. Part 1–Parametric Study. In Sustainability in Energy and Buildings; Hakansson, A., Höjer, M., Howlett, R., Jain, L., Eds.; Smart Innovation, Systems and Technologies; Springer: Berlin/Heidelberg, Germany, 2013; Volume 22. [Google Scholar] [CrossRef]
- Ahmadi, S.; Shahrestani, M.I.; Sayadian, S.; Poshitri, A.H. Performance analysis of an integrated cooling system consisted of earth-to-air heat exchanger (EAHE) and water spray channel. J. Therm. Anal. Calorim. 2021, 143, 473–483. [Google Scholar] [CrossRef]
- Akbarpoor, A.M.; Poshtiri, A.H.; Biglari, F. Performance analysis of domed roof integrated with earth-to-air heat exchanger system to meet thermal comfort conditions in buildings. Renew. Energy 2021, 168, 1265–1293. [Google Scholar] [CrossRef]
- Zhang, C.; Xiao, F.; Wang, J. Design optimization of multi-functional building envelope for thermal insulation and exhaust air heat recovery in different climates. J. Build. Eng. 2021, 43, 103151. [Google Scholar] [CrossRef]
- Molcrette, V.F.A.; Autier, V.R.B. New expression to calculate quantity of recovered heat in the earth-pipe-air heat-exchanger operating in winter heating mode. Arch. Thermodyn. 2020, 41, 103–117. [Google Scholar] [CrossRef]
- Hong, T.; Buhl, F.; Haves, P.; Selkowitz, S.; Wetter, M. Comparing computer run time of building simulation programs. Build. Simul. 2008, 1, 210–213. [Google Scholar] [CrossRef][Green Version]
- Piana, E.A.; Grassi, B.; Socal, L. A Standard-Based Method to Simulate the Behavior of Thermal Solar Systems with a Stratified Storage Tank. Energies 2020, 13, 266. [Google Scholar] [CrossRef]
- Patrčević, F.; Dović, D.; Horvat, I.; Filipović, P. A Novel Dynamic Approach to Cost-Optimal Energy Performance Calculations of a Solar Hot Water System in an nZEB Multi-Apartment Building. Energies 2022, 15, 509. [Google Scholar] [CrossRef]
- EN ISO 16798-5-1; Energy Performance of Buildings. Ventilation for Buildings Calculation Methods for Energy Requirements of Ventilation and Air Conditioning Systems (Modules M5-6, M5-8, M6-5, M6-8, M7-5, M7-8). Method 1: Distribution and Generation. International Organization for Standardization: Geneva, Switzerland, 2017.
- Skotnicka-Siepsiak, A. Operation of a Tube GAHE in Northeastern Poland in Spring and Summer—A Comparison of Real-World Data with Mathematically Modeled Data. Energies 2020, 13, 1778. [Google Scholar] [CrossRef]
- Brata, S.; Tănasă, C.; Dan, D.; Stoian, V.; Doboși, I.S.; Brata, S. Energy potential of a ground-air heat exchanger–measurements and computational models. Sci. Technol. Built Environ. 2021, 28, 84–93. [Google Scholar] [CrossRef]
- Michalak, P. Hourly Simulation of an Earth-to-Air Heat Exchanger in a Low-Energy Residential Building. Energies 2022, 15, 1898. [Google Scholar] [CrossRef]
- EN ISO 13790; Energy Performance of Buildings—Calculation of Energy Use for Space Heating and Cooling. International Organization for Standardization: Geneva, Switzerland, 2009.
- Michalak, P. Ventilation heat loss in a multifamily building under varying air density. J. Mech. Energy Eng. 2020, 4, 97–102. [Google Scholar] [CrossRef]
- Bouhess, H.; Hamdi, H.; Benhamou, B.; Bennouna, A.; Hollmuller, P.; Limam, K. Dynamic simulation of an earth-to-air heat exchanger connected to a villa type house in Marrakech. In Proceedings of the 13th Conference of International Building Performance Simulation Association, Chambéry, France, 25–28 August 2013. [Google Scholar]
- Ghaith, F.A.; Razzaq, H.U. Thermal performance of earth-air heat exchanger systems for cooling applications in residential buildings. In Proceedings of the ASME International Mechanical Engineering Congress and Exposition, Pittsburgh, PA, USA, 9–15 November 2018; pp. 1–12. [Google Scholar] [CrossRef]
- Badescu, V.; Isvoranu, D. Pneumatic and thermal design procedure and analysis of earth-to-air heat exchangers of registry type. Appl. Energy 2011, 88, 1266–1280. [Google Scholar] [CrossRef]
- Serageldin, A.A.; Abdelrahman, A.K.; Ookawara, S. Parametric study and optimization of a solar chimney passive ventilation system coupled with an earth-to-air heat exchanger. Sustain. Energy Technol. Assess. 2018, 30, 263–278. [Google Scholar] [CrossRef]
- PN-EN 12831-1:2017; Energy Performance of Buildings–Method for Calculation of the Design Heat Load-Part1: Space Heating Load. Polish Committee for Standardization: Warsaw, Poland, 2017.
- Ferdyn-Grygierek, J.; Baranowski, A.; Blaszczok, M.; Kaczmarczyk, J. Thermal Diagnostics of Natural Ventilation in Buildings: An Integrated Approach. Energies 2019, 12, 4556. [Google Scholar] [CrossRef]
- Sowa, J.; Mijakowski, M. Humidity-Sensitive, Demand-Controlled Ventilation Applied to Multiunit Residential Building—Performance and Energy Consumption in Dfb Continental Climate. Energies 2020, 13, 6669. [Google Scholar] [CrossRef]
- Ministry of Investment and Development. Data for Energy Calculations of Buildings. Typical Meteorological Years and Statistical Climatic Data for Energy Calculations of Buildings. Available online: https://www.gov.pl/web/archiwum-inwestycje-rozwoj/dane-do-obliczen-energetycznych-budynkow (accessed on 9 March 2022).
- Pfafferott, J. Evaluation of earth-to-air heat exchangers with a standardised method to calculate energy efficiency. Energy Build. 2003, 35, 971–983. [Google Scholar] [CrossRef]
- Chlela, F.; Husaunndee, A.; Riederer, P.; Inard, C. Numerical Evaluation of Earth to Air Heat Exchangers and Heat Recovery Ventilation Systems. Int. J. Vent. 2007, 6, 31–42. [Google Scholar] [CrossRef]
- Warwick, D.J.; Cripps, A.J.; Kolokotroni, M. Integrating Active Thermal Mass Strategies with HVAC Systems: Dynamic Thermal Modelling. Int. J. Vent. 2009, 7, 345–367. [Google Scholar] [CrossRef]
- Ralegaonkar, R.; Kamath, M.V.; Dakwale, V.A. Design and Development of Geothermal Cooling System for Composite Climatic Zone in India. J. Inst. Eng. Ser. A 2014, 95, 179–183. [Google Scholar] [CrossRef]
- Stasi, R.; Liuzzi, S.; Paterno, S.; Ruggiero, F.; Stefanizzi, P.; Stragapede, A. Combining bioclimatic strategies with efficient HVAC plants to reach nearly-zero energy building goals in Mediterranean climate. Sustain. Cities Soc. 2020, 63, 102479. [Google Scholar] [CrossRef]
- Trząski, A.; Zawada, B. The influence of environmental and geometrical factors on air-ground tube heat exchanger energy efficiency. Build. Environ. 2011, 46, 1436–1444. [Google Scholar] [CrossRef]
- Skotnicka-Siepsiak, A. An Evaluation of the Performance of a Ground-to-Air Heat Exchanger in Different Ventilation Scenarios in a Single-Family Home in a Climate Characterized by Cold Winters and Hot Summers. Energies 2022, 15, 105. [Google Scholar] [CrossRef]
- Gwadera, M.; Larwa, B.; Kupiec, K. Undisturbed Ground Temperature—Different Methods of Determination. Sustainability 2017, 9, 2055. [Google Scholar] [CrossRef]
- Larwa, B.; Gwadera, M.; Kicińska, I.; Kupiec, K. Parameters of the Carslaw-Jaeger equation describing the temperature distribution in the ground. Tech. Trans. 2018, 115, 67–78. [Google Scholar] [CrossRef]
- Larwa, B. Heat Transfer Model to Predict Temperature Distribution in the Ground. Energies 2019, 12, 25. [Google Scholar] [CrossRef]
- Bergman, T.L.; Lavine, A.A.; Incropera, F.P.; DeWitt, D.P. Fundamentals of Heat and Mass Transfer, 8th ed.; Wiley: Hoboken, NI, USA, 2018. [Google Scholar]
- Panão, M.J.N.O.; Santos, C.A.P.; Mateus, N.M.; da Graça, G.C. Validation of a lumped RC model for thermal simulation of a double skin natural and mechanical ventilated test cell. Energy Build. 2016, 121, 92–103. [Google Scholar] [CrossRef]
- Jayathissa, P.; Luzzatto, M.; Schmidli, J.; Hofer, J.; Nagy, Z.; Schlueter, A. Optimising building net energy demand with dynamic BIPV shading. Appl. Energy 2017, 202, 726–735. [Google Scholar] [CrossRef]
- Shen, P.; Braham, W.; Yi, Y. Development of a lightweight building simulation tool using simplified zone thermal coupling for fast parametric study. Appl. Energy 2018, 223, 188–214. [Google Scholar] [CrossRef]
- Costantino, A.; Fabrizio, E.; Ghiggini, A.; Bariani, M. Climate control in broiler houses: A thermal model for the calculation of the energy use and indoor environmental conditions. Energy Build. 2018, 169, 110–126. [Google Scholar] [CrossRef]
- Lauster, M.; Teichmann, J.; Fuchs, M.; Streblow, R.; Mueller, D. Low order thermal network models for dynamic simulations of buildings on city district scale. Build. Environ. 2014, 73, 223–231. [Google Scholar] [CrossRef]
- Horvat, I.; Dović, D. Dynamic modeling approach for determining buildings technical system energy performance. Energy Convers. Manag. 2016, 125, 154–165. [Google Scholar] [CrossRef]
- Elci, M.; Delgado, B.M.; Henning, H.M.; Henze, G.P.; Herkel, S. Aggregation of residential buildings for thermal building simulations on an urban district scale. Sustain. Cities Soc. 2018, 39, 537–547. [Google Scholar] [CrossRef]
- Tagliabue, L.C.; Buzzetti, M.; Marenzi, G. Energy performance of greenhouse for energy saving in buildings. Energy Procedia 2012, 30, 1233–1242. [Google Scholar] [CrossRef][Green Version]
- Fabrizio, E.; Ghiggini, A.; Bariani, M. Energy performance and indoor environmental control of animal houses: A modelling tool. Energy Procedia 2015, 82, 439–444. [Google Scholar] [CrossRef]
- Jędrzejuk, H.; Rucińska, J. Verifying a need of artificial cooling-a simplified method dedicated to single-family houses in Poland. Energy Procedia 2015, 78, 1093–1098. [Google Scholar] [CrossRef][Green Version]
- Fischer, D.; Wolf, T.; Scherer, J.; Wille-Haussmann, B. A stochastic bottom-up model for space heating and domestic hot water load profiles for German households. Energy Build. 2016, 124, 120–128. [Google Scholar] [CrossRef]
- Mora, T.D.; Teso, L.; Carnieletto, L.; Zarrella, A.; Romagnoni, P. Comparative Analysis between Dynamic and Quasi-Steady-State Methods at an Urban Scale on a Social-Housing District in Venice. Energies 2021, 14, 5164. [Google Scholar] [CrossRef]
- Bruno, R.; Pizzuti, G.; Arcuri, N. The Prediction of Thermal Loads in Building by Means of the EN ISO 13790 Dynamic Model: A Comparison with TRNSYS. Energy Procedia 2016, 101, 192–199. [Google Scholar] [CrossRef]
- Costantino, A.; Comba, L.; Sicardi, G.; Bariani, M.; Fabrizio, E. Energy performance and climate control in mechanically ventilated greenhouses: A dynamic modelling-based assessment and investigation. Appl. Energy 2021, 288, 116583. [Google Scholar] [CrossRef]
- ISO 6946:2017; Building Components and Building Elements—Thermal Resistance and Thermal Transmittance—Calculation Methods. International Organization for Standardization: Geneva, Switzerland, 2017.
- ISO 13786:2017; Thermal Performance of Building Components—Dynamic Thermal Characteristics—Calculation Methods. International Organization for Standardization: Geneva, Switzerland, 2017.
- Lomas, K.J. Architectural design of an advanced naturally ventilated building form. Energy Build. 2007, 39, 166–181. [Google Scholar] [CrossRef]
- Vestfálová, M.; Šafařík, P. Determination of the applicability limits of the ideal gas model for the calculation of moist air properties. EPJ Web Conf. 2018, 180, 02115. [Google Scholar] [CrossRef]
- Mohr, P.J.; Newell, D.B.; Taylor, B.N. CODATA Recommended Values of the Fundamental Physical Constants: 2014. J. Phys. Chem. Ref. Data 2016, 45, 043102. [Google Scholar] [CrossRef]
- Arizona State University. World Meteorological Organization’s World Weather & Climate Extremes Archive. Available online: https://wmo.asu.edu/content/world-meteorological-organization-global-weather-climate-extremes-archive (accessed on 4 March 2022).
- Berberan-Santos, M.N.; Bodunov, E.N.; Pogliani, L. On the barometric formula. Am. J. Phys. 1997, 65, 404–412. [Google Scholar] [CrossRef]
- Andrews, D.G. An Introduction to Atmospheric Physics; Cambridge University Press: Cambridge, UK, 2000. [Google Scholar]
- National Ocean and Atmosphere Administration. U.S. Standard Atmosphere 1976; Nation Ocean and Atmosphere Administration: Washington, DC, USA, 1976. Available online: https://www.ngdc.noaa.gov/stp/space-weather/online-publications/miscellaneous/us-standard-atmosphere-1976/ (accessed on 14 March 2022).
- Dubinova, A.A. Exact explicit barometric formula for a warm isothermal Fermi gas. Tech. Phys. 2009, 54, 210–213. [Google Scholar] [CrossRef]
- Cohen, J.E.; Small, C. Hypsographic demography: The distribution of human population by altitude. Proc. Natl. Acad. Sci. USA 1998, 95, 14009–14014. [Google Scholar] [CrossRef]
- Benenson, W.; Harris, J.W.; Stöcker, H.; Lutz, H. Handbook of Physics; Springer: New York, NY, USA, 2002. [Google Scholar] [CrossRef]
- Jacobson, M.Z. Fundamentals of Atmospheric Modeling, 2nd ed.; Cambridge University Press: Cambridge, UK, 2012. [Google Scholar] [CrossRef]
- Corstanje, A.; Bonardi, A.; Buitink, S.; Falcke, H.; Hörandel, J.R.; Mitra, P.; Mulrey, K.; Nelles, A.; Rachen, J.P.; Rossetto, L.; et al. The effect of the atmospheric refractive index on the radio signal of extensive air showers. Astropart. Phys. 2017, 89, 23–29. [Google Scholar] [CrossRef]
- Wagner, W.; Kretzschmar, H.J.; Span, R.; Krauss, R. D2 Properties of Selected Important Pure Substances. In VDI Heat Atlas; Springer: New York, NY, USA, 2010. [Google Scholar] [CrossRef]
- Lemmon, E.W.; Jacobsen, R.T.; Penoncello, S.G.; Friend, D.G. Thermodynamic properties of air and mixtures of nitrogen, argon, and oxygen from 60 to 2000 K at pressures to 2000 MPa. J. Phys. Chem. Ref. Data 2000, 29, 331–385. [Google Scholar] [CrossRef]
- Struchtrup, H. Properties and Property Relations. In Thermodynamics and Energy Conversion; Springer: Berlin/Heidelberg, Germany, 2014. [Google Scholar] [CrossRef]
- Michalak, P. Modelling of Solar Irradiance Incident on Building Envelopes in Polish Climatic Conditions: The Impact on Energy Performance Indicators of Residential Buildings. Energies 2021, 14, 4371. [Google Scholar] [CrossRef]
- World Meteorological Organization. Weather Data. Available online: https://energyplus.net/weather (accessed on 17 March 2022).
- Bellia, L.; Pedace, A.; Fragliasso, F. The role of weather data files in Climate-based Daylight Modeling. Sol. Energy 2015, 112, 169–182. [Google Scholar] [CrossRef]
- Costanzo, V.; Evola, G.; Infantone, M.; Marletta, L. Updated Typical Weather Years for the Energy Simulation of Buildings in Mediterranean Climate. A Case Study for Sicily. Energies 2020, 13, 4115. [Google Scholar] [CrossRef]
- Łuczak, R.; Ptaszyński, B.; Kuczera, Z.; Życzkowski, P. Energy efficiency of ground-air heat exchanger in the ventilation and air conditioning systems. E3S Web Conf. 2018, 46, 00015. [Google Scholar] [CrossRef]
- Congedo, P.M.; Lorusso, C.; De Giorgi, M.G.; Marti, R.; D’Agostino, D. Horizontal Air-Ground Heat Exchanger Performance and Humidity Simulation by Computational Fluid Dynamic Analysis. Energies 2016, 9, 930. [Google Scholar] [CrossRef]
- Skotnicka-Siepsiak, A.; Wesołowski, M.; Piechocki, J. Experimental and Numerical Study of an Earth-to-Air Heat Exchanger in Northeastern Poland. Pol. J. Environ. Stud. 2018, 27, 1255–1260. [Google Scholar] [CrossRef]
- Niu, F.; Yu, Y.; Yu, D.; Li, H. Heat and mass transfer performance analysis and cooling capacity prediction of earth to air heat exchanger. Appl. Energy 2015, 137, 211–221. [Google Scholar] [CrossRef]
- Romanska-Zapala, A.; Bomberg, M.; Dechnik, M.; Fedorczak-Cisak, M.; Furtak, M. On Preheating of the Outdoor Ventilation Air. Energies 2020, 13, 15. [Google Scholar] [CrossRef]



















| Parameter | Symbol | Value | Unit |
|---|---|---|---|
| Duct length | L | 30 | m |
| Air velocity in the duct | v | 0.957 | m/s |
| Outer pipe diameter | do | 0.200 | m |
| Inner pipe diameter | di | 0.182 | m |
| Average burial depth | z | 2.0 | m |
| Thermal conductivity of the duct | λdu | 0.27 | W/m∙K |
| Density of the ground | ρgnd | 1800 | kg/m3 |
| Specific heat of the ground | cgnd | 1300 | J/kg∙K |
| Thermal conductivity of the ground | λgnd | 1.50 | W/m∙K |
| Element | Value | Unit |
|---|---|---|
| Htr,w | 10.00 | W/K |
| Htr,is | 983.32 | W/K |
| Htr,ms | 1490.13 | W/K |
| Htr,em | 85.22 | W/K |
| Hve | 30.00 | W/K |
| Cm | 23.56 | MJ/K |
| Parameter | Base Case | 1 | 2 | 3 | 4 | 5 | Unit |
|---|---|---|---|---|---|---|---|
| ϕH,max | 3104 | 2471 | 2471 | 2480 | 3672 | 3658 | W |
| ϕC,max | −3657 | −3021 | −3022 | −3017 | −3026 | −3026 | W |
| ϕve,max | 207 | 0 | 0 | 0 | 0 | 0 | W |
| ϕve,min | −1206 | −644 | −644 | −644 | −619 | −620 | W |
| τH | 3952 | 3997 | 3996 | 3996 | 3936 | 3936 | h |
| τC | 2415 | 2365 | 2365 | 2365 | 2342 | 2342 | h |
Publisher’s Note: MDPI stays neutral with regard to jurisdictional claims in published maps and institutional affiliations. |
© 2022 by the author. Licensee MDPI, Basel, Switzerland. This article is an open access article distributed under the terms and conditions of the Creative Commons Attribution (CC BY) license (https://creativecommons.org/licenses/by/4.0/).
Share and Cite
Michalak, P. Impact of Air Density Variation on a Simulated Earth-to-Air Heat Exchanger’s Performance. Energies 2022, 15, 3215. https://doi.org/10.3390/en15093215
Michalak P. Impact of Air Density Variation on a Simulated Earth-to-Air Heat Exchanger’s Performance. Energies. 2022; 15(9):3215. https://doi.org/10.3390/en15093215
Chicago/Turabian StyleMichalak, Piotr. 2022. "Impact of Air Density Variation on a Simulated Earth-to-Air Heat Exchanger’s Performance" Energies 15, no. 9: 3215. https://doi.org/10.3390/en15093215
APA StyleMichalak, P. (2022). Impact of Air Density Variation on a Simulated Earth-to-Air Heat Exchanger’s Performance. Energies, 15(9), 3215. https://doi.org/10.3390/en15093215

