Prediction of Gas Concentration Based on LSTM-LightGBM Variable Weight Combination Model
Abstract
:1. Introduction
2. Date Source
2.1. Missing Data Processing
2.2. Normalization Process
2.3. Feature Selection
2.3.1. Correlation Analysis
2.3.2. Eliminate Redundant Features
3. Materials and Methods
3.1. LightGBM
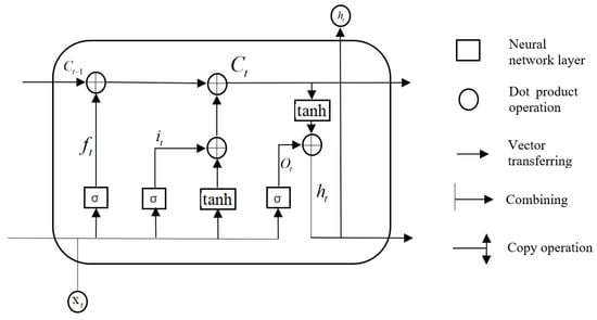
3.2. LSTM
3.2.1. Activation Function
3.2.2. Overfitting
- Data enhancement: Employing more data for model training helps to better identify signals and avoid identifying noise as signals.
- Pretermination: Pretermination prevents overfitting by stopping the iteration of the model before it converges on the training data set.
- Regularization: Regularization refers to the process of optimizing the objective function or cost function by adding a regular term after the objective function or cost function, typically L1 regular or L2 regular, etc.
- Dropout: Dropout is implemented by randomly “removing” the hidden units from the neural network after the model training has started.
3.3. Grid Search Algorithm
3.4. Improved Variable Weight Combination Model
3.4.1. Development of Single Machine Learning Model
3.4.2. Weighing of the Residual Combination Model
3.4.3. Weighting of Improved Variable Weight Combination Model
3.5. Construction Flow of Prediction Model
- (1)
- Data preprocessing: Data preprocessing is an important link before data modeling, which fundamentally determines the quality of the data work and the output value. The data in this study was obtained from the working face of a coal mine in Shanxi Province. The data is relatively complete. Therefore, the data are directly normalized. The data attribute and the data correlation are considered and the suitable data from the data set is selected for the model training.
- (2)
- Development of single machine learning model: After the data set is divided according to the scale of the training set:verification set:testing set = 7:2:1, the LSTM model and LightGBM model are trained by the data of the training set, and the data of verification set is used to adjust the parameters and monitor if the model has been fitted. The data of the test set are placed into two models, respectively, and the prediction results of the single machine learning model are obtained.
- (3)
- Development of improved variable weight combination model. The weight of each single machine learning model is determined by the improved weighting method shown in Section 3.4.3 to ensure that the improved prediction model can be obtained.
- (4)
- Model evaluation analysis: According to the indexes of the model evaluation, the prediction ability of the improved model was compared and the change in the prediction effect of the model is analyzed.
3.6. Evaluation Index
4. Results
4.1. Prediction Factor Analysis
4.1.1. Law of Falling Coal Gas Emission
4.1.2. Law of Coal Gas Emission of in Working Face
4.2. Model Prediction Analysis and Comparison
4.3. Model Universality Analysis
5. Discussion
6. Conclusions
Author Contributions
Funding
Institutional Review Board Statement
Informed Consent Statement
Data Availability Statement
Acknowledgments
Conflicts of Interest
References
- Teng, J.; Qiao, Y. Analysis of coal demand, exploration potential and efficient utilization in China. Chin. J. Geophys. 2016, 59, 4633–4653. [Google Scholar]
- Cheng, J.; Bai, J.Y. Short-term prediction of mine gas concentration based on chaotic time series. J. China Univ. Mine. Technol. 2008, 02, 231–235. [Google Scholar]
- Deng, G. Current status and prospects of coal and gas outburst prediction and prevention technology. IOP Conf. Ser. Earth Environ. Sci. 2021, 651, 32096. [Google Scholar] [CrossRef]
- Fu, H.; Liu, Y.Z. Prediction of gas concentration based on multi-sensor-deep long and short time memory network fusion. J. Sens. Technol. 2021, 34, 784–790. [Google Scholar]
- Lai, X.W.; Xia, Y.N. Improved grey gas concentration series prediction based on ensemble learning. China Work. Saf. Sci. Technol. 2021, 17, 16–21. [Google Scholar]
- Wang, Y.S. Mathematical models in the study of gas gush prediction in mines. Coal Technol. 2015, 263, 185–187. [Google Scholar]
- Zhang, Z.X.; Yuan, C.F. Research on prediction of gas gush in mines by gas geological mathematical model method. J. China Coal Soc. 1999, 4, 34–38. [Google Scholar]
- Lu, X.L.; Fu, X.M. Study on the geological pattern of gas in Kongzhuang coal mine. Coal Sci. Technol. 1997, 2, 73–76. [Google Scholar]
- Song, S.; Li, S.G. Research on a multi-parameter fusion prediction model of pressure relief gas concentration based on RNN. Energies 2021, 14, 1384. [Google Scholar] [CrossRef]
- Zhang, D.Y.; Gong, Y. The comparison of LightGBM and XGBoost coupling factor analysis and prediagnosis of acute liver failure. IEEE Access 2020, 8, 220990–221003. [Google Scholar] [CrossRef]
- Wen, T.X.; Zhang, B. A random forest model for coal and gas protrusion prediction. Comput. Eng. Appl. 2014, 50, 233–237. [Google Scholar]
- Yin, G.Z.; Li, M.H. An improved BP neural network-based model for predicting gas permeability in coal bodies. J. Coal 2013, 38, 1179–1184. [Google Scholar]
- Zhang, T.J.; Song, S. Research on gas concentration prediction models based on LSTM multidimensional time series. Energies 2019, 12, 161. [Google Scholar] [CrossRef] [Green Version]
- Li, W.S.; Wang, L. Application and design of LSTM in coal mine gas prediction and warning system. J. Xi’an Univ. Sci. Technol. 2018, 38, 1027–1035. [Google Scholar]
- Sun, Q.M.; Qu, Z.J. Situation-aware multimodal transport recommendation based on particle swarm optimization and LightGBM. J. Electron. 2021, 49, 894–903. [Google Scholar]
- Xun, X.X.; Su, C. CNN-LSTM based coal mine gas concentration prediction. Mod. Inf. Technol. 2020, 4, 149–150. [Google Scholar]
- Lin, H.F.; Gao, F. PSO-BP neural network prediction model for coal seam gas content and its application. Chin. J. Saf. Sci. 2020, 30, 80–87. [Google Scholar]
- Wen, J.Q.; Zhang, Y. Prediction of gas content based on gray theory-BP neural network. Energy Technol. Manag. 2020, 45, 44–45, 55. [Google Scholar]
- Xu, Y.S.; Qi, C.Y. Prediction model of gas gushing based on IGSA-BP network. J. Electron. Meas. Instrum. 2019, 33, 111–117. [Google Scholar]
- Zhang, X.J.; Liu, F. Gas concentration prediction in coal mines based on wavelet noise reduction and recurrent neural networks. Coal Technol. 2020, 321, 145–148. [Google Scholar]
- Han, T.T.; Wu, S.Y. Gas concentration prediction based on Markov residual correction. Ind. Min. Autom. 2014, 216, 28–31. [Google Scholar]
- Kang, J.F.; Tan, J.L. Short-term PM2.5 concentration prediction with the support of XGBoost-LSTM variable weight combination model—Shanghai as an example. China Environ. Sci. 2021, 7, 1–16. [Google Scholar]
- Wang, Y.H.; Wang, S.Y. Research on multi-parameter gas concentration prediction model based on improved locust algorithm optimized long-short-term memory neural network. J. Sens. Technol. 2021, 34, 1196–1203. [Google Scholar]
- Li, D.; Sun, Z.M. Research on AWLSSVM gas prediction based on chaos particle swarm. Saf. Coal Mines 2020, 51, 193–198. [Google Scholar]
- Qiu, Y.G.; Zhou, J. Performance evaluation of hybrid WOA-XGBoost, GWO-XGBoost and BO-XGBoost models to predict blast-induced ground vibration. Eng. Comput. 2021, 21, 1393–1399. [Google Scholar] [CrossRef]
- Zhang, X. Ion channel prediction using Lightgbm Model. In Proceedings of the 2020 International Conference on Big Data, Artificial Intelligence and Internet of Things Engineering (ICBAIE), Fuzhou, China, 10–12 April 2020. [Google Scholar]
- Shu, X.; Zhang, L. Host–parasite: Graph LSTM-in-LSTM for group activity recognition. IEEE Trans. Neural Netw. Learn. Syst. 2021, 32, 663–674. [Google Scholar] [CrossRef] [PubMed]
- Zhang, H.; Zhang, Q. The development and properties of activation function are reviewed. J. Xihua Univ. 2021, 1, 10. [Google Scholar]
- Hossain, M.Z.; Sohel, F.; Shiratuddin, M.F.; Laga, H. A comprehensive survey of deep learning for image captioning. ACM Comput. Surv. 2019, 51, 118. [Google Scholar] [CrossRef] [Green Version]
- Cheng, T.J.; Wang, M. Trend prediction of online public opinion on unexpected events based on variable weight combination. Comput. Sci. 2021, 48, 190–195. [Google Scholar]
- Wang, H.Q.; Liang, W. Scene mover: Automatic move planing for scene arrangement by deep reinforcement learing. ACM Trans. Graph. 2020, 39, 233. [Google Scholar] [CrossRef]
- Peng, S.P.; Gao, Y.F. Theoretical discussion and preliminary practice of AVO detection of gas enrichment in coal seams—A case study of Huainan coalfield. J. Geophys. 2005, 6, 262–273. [Google Scholar]
- Kong, L.; Nian, H. Fault detection and location method for mesh-type DC microgrid using pearson correlation coefficient. IEEE Trans. Power Deliv. 2021, 36, 1428–1439. [Google Scholar] [CrossRef]
- Liu, Y.W.; Wei, J.P. The law and mechanism of temperature influence on the dynamic process of coal particle gas diffusion. J. Coal 2013, 38, 100–105. [Google Scholar]
- Lyu, P.Y.; Chen, N. LSTM based encoder-decoder for short-term predictions of gas concentration using multi-sensor fusion. Process Saf. Environ. Prot. 2020, 137, 93–105. [Google Scholar] [CrossRef]
- Zhang, Z.; Zhu, Q.J. Construction of ARIMA prediction model for gas concentration based on Python and its application. J. North China Inst. Sci. Technol. 2020, 17, 23–28. [Google Scholar]
- Chang, L.; Zhang, H. An improved GRU gas concentration prediction model. J. Heilongjiang Univ. Sci. Technol. 2020, 30, 532–535. [Google Scholar]
- Yu, G.F.; Fei, W. A compromise-typed variable weight decision method for hybrid multiattribute decision making. IEEE Trans. Fuzzy Syst. 2019, 27, 861–872. [Google Scholar] [CrossRef]
- Wang, L.L.; Cao, Q.G. Research on the influencing factors in coal mine production safety based on the combination of DEMATEL and ISM. Saf. Sci. 2018, 103, 51–61. [Google Scholar] [CrossRef]








| Measurement Point Name | Measurement Point Description | Index | Max Value | Min Value |
|---|---|---|---|---|
| MGas | Mixed methane concentration in air entry | % CH4 | 0.7 | 0 |
| EGas | Methane concentration of back air in air inlet drift | % CH4 | 0.7 | 0 |
| Gas1 | Methane concentration in the downwind side of the tunnel | % CH4 | 0.79 | 0.16 |
| Gas2 | Methane concentration in working face of air entry | % CH4 | 0.4 | 0 |
| YCO1 | Concentration of carbon monoxide in the downwind side of tunnel drilling | ppm | 6 | 0 |
| YCO2 | Concentration of carbon monoxide at the head of the belt conveyor in the air inlet lane | ppm | 6 | 0 |
| WS | Back air speed in air entry | m/s | 1.2 | 0.2 |
| FC | Dust on working face of air entry | mg/m3 | 0 | 0 |
| ET | Back air temperature in air entry | °C | 13.3 | 10.8 |
| GD | Mixed instantaneous flow in air inlet pipeline | m3 | 19.29 | 0 |
| SM | Smoke on the downwind side of the head of the belt driven into the air entry | mg/m3 | 0 | 0 |
| Model | MAE | RMSE |
|---|---|---|
| LSTM | 0.0219 | 0.0306 |
| LightGBM | 0.0277 | 0.0377 |
| XGBoost | 0.0253 | 0.0352 |
| LSTM-LightGBM (Equivalent weighting) | 0.0214 | 0.0276 |
| LSTM-LightGBM (Residual weighting) | 0.0201 | 0.0279 |
| LSTM-LightGBM (Variable weight combination) | 0.0194 | 0.0261 |
Publisher’s Note: MDPI stays neutral with regard to jurisdictional claims in published maps and institutional affiliations. |
© 2022 by the authors. Licensee MDPI, Basel, Switzerland. This article is an open access article distributed under the terms and conditions of the Creative Commons Attribution (CC BY) license (https://creativecommons.org/licenses/by/4.0/).
Share and Cite
Wang, X.; Xu, N.; Meng, X.; Chang, H. Prediction of Gas Concentration Based on LSTM-LightGBM Variable Weight Combination Model. Energies 2022, 15, 827. https://doi.org/10.3390/en15030827
Wang X, Xu N, Meng X, Chang H. Prediction of Gas Concentration Based on LSTM-LightGBM Variable Weight Combination Model. Energies. 2022; 15(3):827. https://doi.org/10.3390/en15030827
Chicago/Turabian StyleWang, Xiangqian, Ningke Xu, Xiangrui Meng, and Haoqian Chang. 2022. "Prediction of Gas Concentration Based on LSTM-LightGBM Variable Weight Combination Model" Energies 15, no. 3: 827. https://doi.org/10.3390/en15030827
APA StyleWang, X., Xu, N., Meng, X., & Chang, H. (2022). Prediction of Gas Concentration Based on LSTM-LightGBM Variable Weight Combination Model. Energies, 15(3), 827. https://doi.org/10.3390/en15030827
