Abstract
On the energy markets, conscious customers may exist who are not only interested in minimising the cost of energy purchase, but, simultaneously, in optimising some other quality criteria (arising from ecological concerns, or social responsibility of the energy producers). In this paper, we develop both a mathematical optimisation problem and a market framework for balancing a power system in a peer-to-peer market setup, where product differentiation can be considered directly on the market. Thus, origins of energy may be clearly identified, and product quality characteristics can be understood by various actors (including households). We derive a multi-objective (mixed-integer) linear programming optimisation problem for balancing the energy system in a peer-to-peer energy trading environment, where not only the cost but also other additional quality criteria are considered. We have identified many possible actors to be present within the proposed market setup. They include consumers, producers, brokers and flexible prosumers with storage. The approach was tested on the IEEE 30-bus standard test system, over three different scenarios, by analysing the impact of various actors/peers activities and different extensions. It has been shown that a multi-objective energy balancing scheme may be developed through crafted optimisation problem and that each type of studied peers may bring some added value to the power system balancing.
1. Introduction
Nowadays, there is a trend of shifting from the centrally-controlled power systems, where control and trade actions are created by the system operators, towards more decentralised, consumer-oriented systems, where market participants may reveal more preferences and may have greater impact on market operations. Prosumers are willing to actively participate in this transformation.
Due to high penetration of the distributed energy resources (DERs), such as prosumers and renewable energy sources (RES), the tasks of energy supply, dispatch of generating units and system balancing in the power grids are becoming more and more complex. High penetration of uncertain weather-related sources makes the secure delivery even more difficult.
Therefore, appropriate market mechanisms allowing for direct participation of many actors and for mitigating risks should be developed. A tempting approach is peer-to-peer market [1], where peers trade energy directly with each other. Some real-life installations of this market setup have already been put in place. Their examples include Piclo, UK [2], Vanderbron [3], or SonnenCommunity [4].
Until today, the majority of research in that field has been focused on p2p market setup that assumes that all peers are solely interested in minimising the cost of energy or maximising the profits. However, some more conscious customers on the market may be interested not only in minimising the cost of the energy purchase, but, simultaneously, may have preferences on the energy source characteristics that include various quality criteria (the level of greenhouse gas emissions is the most obvious example, but there may be other preferences that may arise from various ecological and sustainability concerns, or social responsibility considerations).
Specifically, a peer may be interested in purchasing energy from particular types of the green energy sources, or from producers that assure to comply socially responsible standards of their business. A real-life example of such interest is the commitment made by one of the world’s leading technology consulting firms—Accenture. Accenture claimed that, by the year 2023, 100% of the energy it consumes worldwide will come from renewable energy sources (RES) [5]. This example shows that, nowadays, peers already exist that would like to consider various quality criteria, while making decisions on the origins of the consumed energy.
Although tempting, in the current market setups, it is not directly possible to guarantee that the energy consumed by a customer indeed comes from a particular type of the energy sources, since, once energy is injected into the grid, it is impossible to distinguish it at the destination. Today, one of the means to bypass this inconvenience is via the tradable green certificates (TGC) [6]. In this setup, an RES obtains a governmental certificate for the volume of energy it injected into the grid over a defined aggregated time horizon (year). After the certificates are issued, they are traded at dedicated markets. Therefore, a party that buys a certificate for a given volume of energy may claim that its consumed volume came from RES. However, this is a virtual commitment that lacks direct links to possible characteristics of the produced and consumed energy over shorter periods of time. Therefore, it is not easy for the majority of peers to follow and fully accept such arrangements. Moreover, the discussed peer should pay twice separately—once for provision of the energy and then for the certificate itself.
In this paper, we analyse the peer-to-peer market setup with explicit product differentiation, where origins of energy may be clearly identified, so that product characteristics can be understood by various actors (including households). We explicitly focus on the described environment. We derive a multi-objective (mixed-integer) linear programming optimisation problem for balancing the energy system in a peer-to-peer energy trading environment. In this multi-objective approach, not only the cost but also some other additional criteria can be considered. For simplicity, we will be referring to this criterion as energy quality. It is assumed that peers are not only entirely interested in minimising the cost of their energy, but may also be interested in attaining a given value of the quality criterion. In the paper, we propose a way to introduce the additional quality criterion in a trusted manner. We use the reference point scalarisation method that seems to be well-suited to solve this multi-objective optimisation problem. The resulting optimisation problem has to be solved by the responsible market operator.
In that sense, we develop both a tool (in the form of mathematical optimisation problem) and a framework for power system balancing in a peer-to-peer market setup when ecological, social, or sustainability criteria are considered in addition to the cost criterion. It would address willingness of some peers to buy from ecological or socially responsible sellers. This development forms the contribution of this paper. When implemented, it could give possibilities to interested peers to buy energy by considering additional quality criteria, so it might imply the rise in demand for the services with higher values of these criteria, and would possibly provide better incentives for development of desired generating technologies or sellers’ business models.
The approach was tested on the IEEE 30-bus standard test system, over three different scenarios, where the impact of various actors/peers activities and different extensions was analysed.
2. Literature Review
Peer-to-peer energy trading has been gaining interest for the past few years since more and more energy market participants are showing their willingness to participate directly in the market themselves, and many consumers are becoming prosumers [1].
A significant number of papers were published in the field. Some of them covered the idea of general setup of such distributed markets, some of them proposed mathematical models of operating p2p markets and some looked at technical implications of various setups. Furthermore, some technical reports were already published, looking at technical implications of p2p implementations [7]. It is worth noting that, apart from classic research papers, some review articles in existing methods for peer-to-peer and transactive energy paradigms have already been published [8,9,10,11,12], which shows increasing interest in that field.
Some important examples of papers focusing on general setup may be [1,13,14,15]. Parag and Sovacool [1] look at three market setups that may successfully integrate prosumers, with peer-to-peer being one of them. However, the authors are cautious that some changes must be made prior to its large-scale introduction. Seeing the p2p market as a possibility for incentivising prosumers is also in line with findings of [16]. Pires Klein et al. [13] developed a dedicated p2p business model, which was successfully applied in three physical, real-life, pilot projects, under Portuguese real energy market data. They demonstrated that such a model brings cost savings to participants and is indeed feasible to be implemented. However, they outlined that, due to the lack of precise legal regulations, it is not straightforward to be mounted. Baez-Gonzalez et al. [14] claim that peer-to-peer structures show benefits such as the ability of working in dynamically changing environments, scalability and symmetric role of peers, which are all important in power systems. However, they pinpoint some drawbacks too, such as concerns on security, fault tolerance, and the imperfect assumption that all peers are altruistic and share a common objective (social welfare). Zia et al. [15] look at a broader term, namely the transactive energy paradigm in microgrids. They propose a design for both peer-to-peer and community-based markets with its functional layers. One more example of analysis of real-life peer-to-peer market is [17]. The authors analysed user behaviour in a real-life p2p market consisting of 37 households. They found that household users showed high interest in energy market operations of the studied setup. They have also outlined that p2p may increase saliency of renewable energy sources and may promote load shifting behaviours. However, not every location or currently existing microgrid may be considered a good candidate for establishing peer-to-peer trading mechanisms. The authors of [18] propose a method based on optimisation to assess the feasibility of setting up the p2p mechanism for a given microgrid.
From another perspective, we can pinpoint many papers focusing on producing appropriate mathematical models of peer-to-peer operation. The authors of [19] used the game theory simulation approach to show that the p2p trading scheme may improve the local balance of energy of a low-voltage microgrid. Other game theory approach examples are [20], whose authors analyse implications of p2p from an equilibria perspective and [21], where the authors propose a motivational psychology framework that may be used to design p2p markets.
Apart from game-theoretical approaches, much research interest is given to (distributed) optimisation models for peer-to-peer energy trading operations. The authors of [22] propose a mixed-integer nonlinear program for optimising operations of smart homes in a p2p environment. Due to high computational burden, a heuristic for solving a similar problem is later proposed in [23]. The authors of [24] propose an optimisation for p2p decentralised operations, when considering network constraints. Nizami et al. [25] propose a model for prosumers equipped with an energy storage. Another approach is presented in [26], where electric vehicles (EVs) are explicitly considered in the model. Another paper worth noting is [27], where the authors integrate aggregators in power balancing over a transactive energy paradigm.
From our article perspective, however, one of the most important notions is electricity product differentiation, since in this work we are explicitly interested in a situation, where peers aspire for a given amount of good energy consumed. By good, we mean energy with quality characteristics that interest the peer—e.g., energy from an ecological source, or energy produced in a socially responsible manner. Therefore, the differentiation of its origin is important. The notion of energy differentiation at energy markets is described well in [28]. This concept has already been applied to peer-to-peer trading in [20,29,30]. However, the approach of all authors of these papers is to introduce peers’ trading preferences (which is implied by the notion of product differentiation) as an additional cost component inserted implicitly into their respective cost function. We believe that such an approach is of little tangibility to the peers and corresponding values may not be well understood by them. Furthermore, it may be difficult for consuming peers to correctly quantify their preferences in terms of the costs of trade with other actors.
All things considered, peer-to-peer energy trading is a subject of extensive research. However, few papers consider differentiation of the energy, and, to the best of our knowledge, none treats the product differentiation as additional criteria in the multi-criteria optimisation framework. Moreover, despite their research value, the cited papers that consider product differentiation do not analyse impacts and consequences for different actors. They also do not take into account that the approach could be interactive. Our paper intends to fill this gap. In that sense, we develop a mathematical optimisation tool, together with a market framework to operate power system balancing with preference criteria additional to the cost of energy. When implemented, this tool may give possibilities to interested peers to buy energy from preferable sources and to imply the rise in demand for the services with higher values of these quality criteria. As a result, improvements of generating technologies or sellers’ business models could be experienced.
3. Proposed Balancing Architecture
It is impossible to physically distinguish energy from different sources when already injected into the grid. Thus, we believe that only when energy is directly purchased by customers from particular sellers is it possible to truly reflect buyers’ preferences on origins of the purchased energy. Other known market mechanisms (such as, for instance, trade of green certificates), although correctly reflect an amount of physical energy injected, making it less tangible for customers to understand the origins of its purchased energy well.
In this work, we propose a balancing architecture for day-ahead over a horizon accomplished in a peer-to-peer (p2p) manner. In the proposed architecture, each seller s submits individually priced offers to each buyer j over the considered balancing horizon. A detailed offering process is described further in Section 3.3.
We specifically consider not only the energy cost criterion, but also other various ecological social or sustainability criteria that may be of interest for peers participating in the market. A detailed description of mechanism for considering these criteria is given further in Section 3.3.1.
3.1. Role of Operator
It is important to remember that it is required for power systems to be operated safely and securely at all times. Energy/power balance in the power system must be met in each time period, subject to satisfying many technical and security constraints. In a truly distributed p2p environment, sellers submit crafted offers to dedicated buyers, and trade happens directly between peers. Generally, one may envisage the following problems:
- some consumers may receive offers that are not covering their demands;
- some peers may try to execute market power over others;
- dispatch of the generating units that result from bilateral trade may yield network-infeasible power flows.
The contracted positions of all peers resulting from bilateral trade may appear to be infeasible or unsatisfactory. In order to resolve the above infeasibility issues, these balancing problems may be sorted out by the System Operator. The Operator may gather all balancing offers issued from sellers and buyers, check them for issues mentioned above, and reschedule all contract positions of all peers, by solving appropriate balancing problem that takes into account individual aspirations and reservations of each individual peer towards its all criteria. Such an approach is viable, since the Operator may have knowledge of technical details and security issues of the system under operation. The Operator could serve as the trusted third party for peers. For simplicity of further considerations and notation, but without any loss of generality, we may assume that the contracted positions prior to balancing are set to zero and balancing offers can be simply treated as offers.
3.2. Proposed Architecture
As already stated, we propose in this paper a power system balancing architecture/energy market framework. It can be simply summarised in the following points:
- Each peer submits its aspirations and reservations towards all criteria present on the market, together with information on its technical constraints.
- Sellers submit technically identical offers to buyers, but with different individual prices, as per (2). Prices are offered as per individual business decisions of sellers.
- The copy of each offer is submitted to the Operator for review and joint optimisation.
- Optimisation is performed by the Operator and results are returned to all peers.
- System operates as per balancing dispatch calculated through optimisation.
A simplified version of the process described above is visualised in Figure 1. The figure illustrates a simple market with only one seller and two buyers.
Figure 1.
Schema of proposed balancing architecture.
3.3. Offers
3.3.1. Integration of Additional Criteria
As already described in the previous sections of this paper, the cost of energy is not the only criterion for peers, as they may be interested in purchasing energy from particular green sources, or from producers that respect various ecological, social and/or sustainability concerns. Let us assume that these additional criteria (e.g., amount of green energy produced, ratio of social responsibility, or others) are quantifiable and linked directly to a given seller s (assumption forming the basis of the proposed market framework). Then, for s, we can denote them by vector , where m is the number of all possible criteria taken into account and is certified value for criterion k. For the proposed scheme to work properly, peers must be confident that submitted values of are genuine. Therefore, in this work, we assume that there should exist a trusted notified body that would officially certify sellers on . In the proposed scheme, the values of are known to peers, whenever offers are submitted by s.
3.3.2. Multi-Commodity Offering Mechanism
Green and/or socially responsible energy is often produced from renewable, highly variable sources. If the dispatch of units results from a single-period load optimisation performed by the Operator, a given source g may be dispatched with maximum available output for just one single period of time t and not be dispatched for other periods. From a producer’s perspective, such a situation may be too costly or infeasible—firstly because, for some units, its startup may be simply too expensive or infeasible; secondly, because some generating units are variable and often depend on weather. In a case where, as a result of optimisation, a seller is committed for only a single time period, and due to force majeure happening in that very time period, it cannot deliver the demanded amount of energy, the seller may be charged high penalty costs. Therefore, it is desirable to balance generation with loads by considering some form of security-constrained unit commitment and economic dispatch problem over a longer horizon, say, consisting of many time periods .
A convenient way of handling multi-period requirements on the market is by using integrated offers that may represent bundles of commodities in a single offer, in order to clear up simultaneously many commodities on the multi-commodity market, as presented in [31]. Here, we can use this general approach to create multi-period offers that represent profiles of generated or consumed energy over time, in a joint manner for multiple time periods, but at a single, averaged unit price. If a seller s is able to sell energy profile over multiple time periods, it can mitigate the risk of paying higher penalties than the total income over the balancing horizon.
It is worth noting that a given seller normally would be more interested in receiving the highest income over the entire balancing horizon, and not for a particular time period only. Thus, offering in a joint manner (for multiple time periods, at an averaged constant unit price) may bring additional benefits, while mitigating risks of having the generating source dispatched for only one time period. However, as described further in this section, when a multi-commodity offering mechanism is available on the market, it is the only option, and it does not restrain sellers from submitting many single-period offers with time-varying prices (it is always a matter of the individual seller’s business decisions, how they wish to design their offers).
A single multi-commodity offer covers many time periods within the balancing horizon. The offer of seller s is defined by a vector of parameters , , maximum volume offered over entire horizon, and constant unit price (over the entire horizon), and the quality vector described previously. Parameter reflects the portion of offered volume , in a given time period t. Hence, the amount of energy offered by s in time period t through offer i is given by (1)
To conclude, a given multi-commodity offer may be formally described by a four given in (2).
It is worth noting that the multi-commodity notation is general enough to also express standard single-commodity (single-period) offers, as a particular case. Table 1 gives examples of vector for a single-commodity and for a multi-commodity offer over balancing horizon . Assigning to 1 and all other to 0 expresses a single-period offer, with time-varying price. Therefore, the proposed notation allows for consideration of both time-varying and time-constant offering prices directly.
Table 1.
Examples of a in for single-commodity and multi-commodity offers.
4. Mathematical Modelling and Possible Peers
This section gives mathematical formulation of the multi-objective (mixed-integer) linear programming optimisation problem for balancing the energy system that takes into account aspirations and reservations of peers towards all considered criteria. We describe separately exemplary peers that may take part in the proposed architecture with their corresponding mathematical models.
However, as already stated in Section 3.2, we propose that all balancing calculations are performed by the Operator. Therefore, the complete optimisation problem presented in Section 4.5 must be solved by the Operator. The individual optimisation subproblems of different peers are presented in this section for the sake of deriving constraints to problem of the Operator.
4.1. Producer g
In this work, we assume that all producers are formally certified on , and the origin of resources or fuels to produce energy is not considered. Therefore, a given producer g considers only one criterion, i.e., maximisation of its income. If we assume for simplicity that production cost function is constant, it is equivalent to profit maximisation. This having been said, the optimisation problem of g takes on the form of (3):
subject to
where:
- —min/max generating capabilities of g in time instance t
- —set of peers buying from g
- description of the offer as in (2).
4.2. Consumer i
In this work, we consider a situation where consumers are not only interested purely in minimising the cost of consumed energy but also in reaching their aspirations towards additional criteria q.
For simplicity and without losing generality of derivations, in the remainder of this paper, we will be referring to a single additional criterion q present on the market and consequently to a single certified value of this criterion for sellers—. Under the assumption that only one additional criterion is considered, a given consumer i is interested both in minimising the cost of its energy and in reaching its aspiration towards this additional criterion q. Assuming that i is willing to maximise q, i’s optimisation problem is given in (4):
subject to
where:
- —total cost of energy bought by i;
- —q of i averaged over the entire balancing horizon;
- —set of selling peers that submitted an offer to i;
- —i’s demand for energy in a given time period t;
- description of the offer as in (2).
4.3. Broker b
In the described market setup, we may also foresee the participation of brokers. Their role may be to group small buyers and to represent them on the peer-to-peer market. Brokers would buy energy on their behalf and resell it to them afterwards. In that way, weak buyers may achieve better prices, in comparison to direct negotiations with producers. This is obviously due to the fact that the aggregated demand of broker b is usually much higher than the demand of single smaller buyers and in that way b may negotiate much better unit prices. Furthermore, broker b may also serve to disaggregate multi-commodity offers into single-commodity ones or vice versa. We assume that a broker is a party that cannot store energy and needs to resell it immediately after it has been bought—i.e., in the same time period t.
A broker both buys and sells energy. On one hand, it is willing to reach aspirations towards q of buyers to whom it is selling the energy; on the other, as it sells the energy to buyers, b should equally be certified towards q as seller. We propose that it is certified basing on a broker’s reservation on q submitted to the Operator (averaged over the entire horizon). This is given in (5):
where:
- w—empirically determined coefficient (), describing the ratio of what percentage of the reservation has been finally determined by optimisation, usually
- —reservation of b towards q over the entire balancing horizon.
A broker is willing to fulfil aspirations/reservations of represented buyers. Thus, it looks at two criteria—profit maximisation and reaching the desired value of q. Contrary to the problem of the producer, the broker maximises its profit (and not income) as the cost components are well known to the Operator. Since the value of criterion q is directly linked to amount of energy bought over the balancing horizon, it is necessary that this amount is estimated.
Due to high variability of flows to and from the broker, we propose to estimate the volume of energy bought by b on the basis of forecasts of the sales. Hence, the expected values can be used in the optimisation model. Such an approach is a commonly known method that is currently used by many Distribution System Operators for estimating energy demand profiles of households based on typical (expected) consumption, as documented in one of the Polish DSO’s (Tauron Dystrybucja) Distribution Grid Code [32].
Having said all of the above, the broker’s optimisation problem takes the form of (6):
subject to
where:
- —broker’s total profit;
- —broker’s value of q averaged over entire horizon;
- set of selling peers that submitted offers to b;
- set of buying peers to whom b submits its offers;
- —expected amount of energy bough by broker during entire exchange horizon;
- description of the offer as in (2).
4.4. FLECSP f
In the peer-to-peer market environment, we can foresee the existence of the most general type of peers, flexible prosumers with storage, denoted as FLECSP in this work. They are able to act simultaneously as producers, consumers, and storage operators. They may then produce energy for their own needs, sell its excess to interested buyers, and use storage to shift time periods of different actions (e.g., buy energy in time period t and sell it in ).
In that way, FLECSP should be certified on q equally as a seller. However, it possesses both its own generating source and can buy energy from others to resell it to other peers afterwards. Thus, its certification on q should take into consideration both its own source and the fact of buying energy from others. We propose to denote it as in (7):
where:
- —reservation of f on q of energy being bought;
- —officially certified value of q of FLECSP’s generating unit;
- w—empirically determined coefficient (), describing ratio of what; percentage of the reservation has been finally determined by optimisation, usually .
With such defined certification, we can write FLECSP’s optimisation problem, as in (8). Similarly as for the broker b, FLECSP is interested both in maximising its profit and in reaching the targeted level of q over the balancing horizon. Charging and discharging of storage unit cannot happen simultaneously. This is modelled using binary variables, causing the optimisation problem to be a mixed-integer program (MIP):
subject to
where:
- —FLECSP’s total profit;
- —FLECSP’s value of q averaged over entire horizon;
- set of selling peers that submitted offers to f;
- set of buying peers to whom f submits its offers;
- —amount of energy taken from storage in time period t;
- —amount of energy sent to storage in t;
- —amount of energy generated in t;
- —amount of energy demanded for f’s needs in t;
- —state-of-charge of the storage in t;
- —min/max constraints on ;
- —effectiveness of charging/discharging system;
- —constraints on generation from f’s own generating source in t;
- M—large constant;
- —binary variables for storage modelling;
- description of the offer as in (2).
4.5. Operator
As stated previously in Section 3.2, the only complete optimisation problem considered in this work is the one for the Operator. All previously described mathematical models, i.e., the ones of the producers, consumers, brokers and FLECSPs were prevented only to formulate the Operator’s optimisation problem. All other actors’ sub-problems are built into the Operator’s problem in the form of constraints.
Having said this, we propose the Operator’s optimisation problem in the following form:
subject to
Incorporating Assurance of Network Feasibility
Power flow resulting from calculated dispatch must stay within its technical limits for the transmission to happen. As such, the proposed Operator’s optimisation problem may be extended to take this phenomenon into consideration.
Therefore, additionally to already described constraints, we optionally add to (9) the network constraints of the standard linear DC Optimal Power Flow problem. DC-OPF is a linear approximation of the AC-OPF problem, for modelling active power flows within the power grid in the optimisation problem. Inclusion of the network constraints to the proposed optimisation problem allows the Operator to determine a network-feasible dispatch of the generating units. However, this happens at the cost of higher computational burden.
Since the DC-OPF problem is well known in the literature, formulation of those constraints will be omitted in this paper. However, an interested reader may consult references [33,34,35] for detailed explanations.
Furthermore, to assure for even more secure transmission, for each time period, the Operator (together with negotiating peers) may iteratively run the method described in [36]. However, this is given only as a possible extension to the proposed framework and is not studied within this paper.
5. Methods
The optimisation problem proposed in this work (9) is a multi-objective (mixed-integer) linear program. Operator is a trusted third party who will perform all necessary calculations to assign a Perto-efficient market solution that reflects as well as possible desires of all peers towards their immanent criteria. In that sense, we assume the Operator drives its decisions based on Pareto preference of solutions. This certainly should yield efficient (Pareto-optimal) solutions of (9). More information on the notion of rational decision-making, preferences and Pareto efficiency may be found in [37].
Multi-criteria decision-making is sometimes understood as listing all efficient solutions of the problem and letting the decision maker decide on which solution they would like to take [38]. However, the nature of the problem described in this paper is different.
Balancing market should be cleared in the most transparent way possible. Furthermore, as already discussed, there may exist many peers with many differing aspirations on criteria considered during balancing. Thus, we propose that it is up to the peers themselves to provide to the Operator the values of their aspirations (subjectively ideal values of given criterion) and reservations (values that are acceptable for peers, yet subjectively not ideal). With those values defined, Operator may perform optimisation calculations, where (9) must be scalarised. We propose to use for that purpose the reference point method [39] with partial achievement function as introduced in [40]. For clarity, a brief description of the method is given below.
Interval Reference Point Method
Let us consider a general multi-objective optimisation problem with m different criteria , with being the vector of decision variables, denoted as (10)
subject to
where Q is the feasible set of solutions.
For the sake of simplifying the notation, in the remainder of this section, we will be referring to j’th criterion function () as .
Let also denote aspiration (ideal value) of j’th criterion, denote the reservation (acceptable, but not ideal value) of the j’th criterion. Then, we can define piece-wise partial achievement function for the j’th criterion as proposed in [40]
where and are arbitrarily taken constants such that . Under this assumption, the partial achievement function is strictly increasing and concave [38]. For instance, may take the order of magnitude of and of .
The achievement function is piece-wise linear and strictly increasing. Value of is negative until reaching , equals 0 when and equals 1 when . After passing , it keeps increasing but at a much slower slope. Therefore, can be seen as a mapping of decision maker’s (DM) satisfaction on achieved output of criterion . General behaviour of achievement function discussed is shown in Figure 2.
Figure 2.
Partial achievement function of .
Having defined the mapping between value of the criterion and DM’s satisfaction, it is finally possible to scalarise (10). Scalarisation is performed in order to maximise the minimum value of over all criteria . To assure for Pareto-optimality, a component with the sum of all achievement functions is added, with a small weight assigned. This having been said, one can implement the scalarisation as a linear program (12):
subject to
where and is an arbitrarily chosen small constant [38]. For instance, .
We propose scalarisation (12) for solving the Operator problem (9) due to the following reasons. First, given the nature of achievement functions used and the nature of scalarisation LP itself, it is guaranteed that the resulting solution is always Pareto-optimal. This may be assured also in other scalarisations (e.g., weighted sum of all criteria). However, the interval reference point method is interactive. It allows the peers to provide to the Operator their aspirations/reservations as per their very interest. Thus, the resulting solution is always transparent and reflects well the desires of all peers.
6. Case Study
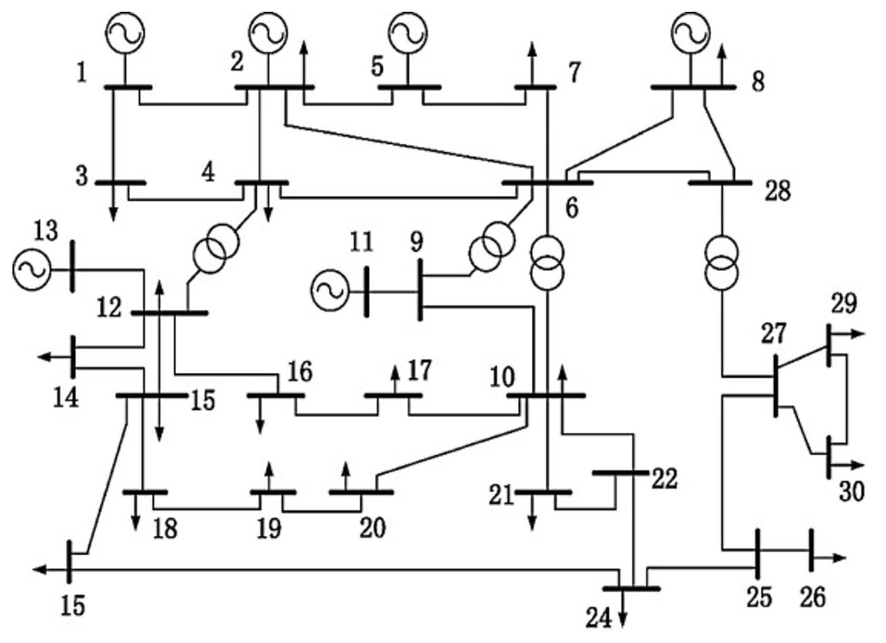
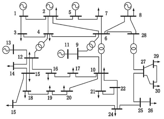
The proposed approach has been tested on the IEEE 30-bus standard test system [41] with six producers. Its one-line schematic is shown in Figure 3. The standard IEEE 30-bus system does not have any limits on branch flows imposed. Thus, when considering additional network constraints, we apply branch flows limits as given in Case 30 available in MATPOWER [42]. For mathematical modelling of the approach, we used Matlab with MATPOWER and CVX—a package for specifying and solving convex programs [43,44].
Figure 3.
IEEE 30-bus system. Graphics taken from [45].
In the case study, we assume certifications on of the generating units as given in Table 2. We assumed that higher certified values of imply higher price offered by generating units.
Table 2.
Assumed values of .
Tests have been performed in a few different settings, depending on types of actors present and analysed. For the test, we assumed a day-ahead 15-min balancing horizon, implying that the optimisation horizon is equal to 96 time periods—i.e., .
First, we look at a simple market with producers and consumers only. Then, we also analyse the impact of the multi-commodity offers and inclusion of network constraints to (9). Furthermore, we also analyse the impact of introducing brokers and also FLECSP prosumers to the discussed setup. In the last cases, for simplicity, generally we present results obtained when peers submitted single-commodity offers only. Operations on the multi-commodity mechanism are limited to Section 6.1.1 only.
6.1. Simple Market—Producers and Consumers
In this section, we analyse a simple market structure, where only producers g and consumers i are present. We assume they are attached to buses as in Figure 3. We tested the approach over three scenarios, differing by values of aspirations and reservations of peers.
In Scenario 1, none of the consumer peers care about q, all of them want to pay as little as possible for their energy. On the other hand, all producers want to earn as much as possible. This is expressed by their aspirations and , respectively. The interval between reservations () and aspirations () of consumers towards q is large enough to cover the entire space of possible values q—to reflect consumers’ indifference towards this criterion.
In Scenario 2, consumer 9 wants to have a higher value of q associated with consumed energy, ideally equal to 0.9. This is expressed by its aspiration towards this criterion. However, the peer would also accept as its reservation towards this criterion, therefore . At the same time, other consumers would still want to pay as little as possible; only consumer 9 agrees to pay more for energy with a higher value of q.
In Scenario 3, however, the situation slightly changes. Here, we consider not only Consumer 9 as aspiring for , but also the remaining consumers wish to have values of q within interval . The assumed values of the reservations and aspirations for different scenarios are summarised in Table 3.
Table 3.
Assumed values of aspirations and reservations taken for different scenarios.
In our experiments, we observed the following criteria: total cost of balancing for the entire test system, the number of criteria with optimised values that are better than the associated reservation, and values of q for consumers 9 and 1. We look at Consumer 9 since it is assumed to aspire for higher values of q in Scenarios 2 and 3. Consumer 1 is randomly taken for comparison. Numerical results of tests are presented in Table 4. In this test, only single-commodity offers were submitted. Unit prices were taken randomly, under the assumption that, for a higher value of , the offering price is also higher.
Table 4.
Results of numerical tests—simple market.
As seen from the results, the overall cost of balancing increases, when more restrictions on q are imposed. This is not especially surprising under assumptions that a higher generator’s certification implies higher offer prices.
We observed that, despite finding Pareto-optimal solutions, not all optimised criteria always were at least equal to the reservation values, and some reservation levels of some peers were unattainable. However, the vast majority of the criteria have been optimised in a way to be at least as good as their corresponding reservations.
6.1.1. Introduction of the Multi-Commodity Offers
In this subsection, we present simulation results for the case, when a multi-commodity mechanism was introduced. To better outline why this specific mechanism may be of interest to peers, we assume that producer in node 5 is a photo-voltaic farm whose generation profile outcomes from real-life solar radiation data are taken from Pescara, Italy. Historical solar radiation data were obtained from SOLCAST [46].
We assume that the above producer submits both single and multi-commodity offers to all consuming peers. Single-commodity offers have exactly the same unit price as in previous experiments. However, the unit price for multi-commodity offers is lower due to the fact of much larger volume of offering. It is then up to the Operator to optimally decide on offers taken, by solving (9). In our test, we assumed that unit price in a multi-commodity offer is equal to 80% of the average unit price offered through a single-commodity mechanism.
For experiments, we take Scenario 1, as parametrised in Table 3. We specifically compare calculated profiles of generation of PV producer in node 5, between situations where only single-commodity and both single and multi-commodity offers are submitted. Calculated PV generation profiles are shown in Figure 4 and Figure 5. Numerical results are shown in Table 5.
Figure 4.
PV generation profile when only single-commodity offers are submitted.
Figure 5.
PV generation profile when both single and multi-commodity offers are submitted.
Table 5.
Comparison of market indicators between single-commodity offers and single + multi-commodity.
PV farm is a variable and weather-dependent source. The introduction of a multi-commodity offering mechanism allowed for committing the PV producer for the best possible generation profile over the whole time horizon, rather than zigzagging output as seen in Figure 4. This gives the possibility of reducing startup costs, as well as mitigating weather variation-related risks, without further restricting the feasible region of (9). When no special restrictions, or no multi-commodity offers are in place, in an extreme situation, a variable source may be dispatched for one time period only. In case of a sudden weather change, the source concerned will not have any possibility of reacting to the new situation and will only be charged some penalties.
From presented results, we can also see that introduction of the multi-commodity offers slightly increased the overall cost of balancing and slightly decreased the profit of Producer 5. However, the number of criteria being at least as good as its corresponding reservation has not been changed. Therefore, we may say that functionality is not worse than in the case of single-commodity offering.
6.1.2. Addition of Network Constraints
Ensuring that power flow resulting from computed dispatch is technically feasible is of great importance to the Operator. Thus, in problem (9), we envisage the possibility of adding DC-OPF network constraints.
In this section, we present numerical results of the performed test, where we compared situations with and without the additional constraints, under Scenario 1, with no multi-commodity offers allowed. For a test, we restricted branch limits to 60% of their nominal values given in Case 30 in MATPOWER. Then, for each time period, we run the regular AC-OPF as built in MATPOWER [42], assuming that the regular AC-OPF could change each unit’s dispatch by no more than ±3% of the output calculated by solving (9). When under such a setup and such limitations, the AC-OPF converged, and power flow in the given time period was concluded to be network feasible. Otherwise, it was concluded infeasible. Obtained results are presented in Table 6.
Table 6.
Results of numerical tests—network constraints.
As we see from the results, the number of feasible time periods increased significantly with the addition of DC-OPF constraints, yet still did not reach its maximum number. The increase of feasibility came with a significant increase of balancing cost. This is not surprising since the addition of network constraints cuts many solutions out of the feasible region. Therefore, it is a matter of trade-off if feasibility or cost is a more important criterion.
6.2. Market with a Broker
In this section, we present some test results for the case when a broker is introduced to act on the market. In this case, balancing performance is tested under Scenario 3. We choose this scenario since it is the most restrictive and therefore may outline better differences in performance between cases with and without the broker.
For testing, we make some assumptions—as summarised in points below:
- one broker is introduced,
- the broker can buy from all producers, but can sell only to consumers in nodes 16, 18, 20, 23, and 29;
- since the broker represents many customers, it has special, lower prices negotiated;
- the broker adds 30% of markup on the price;
- expected value of sold energy is equal to total sum of demand of peers able to buy from the broker;
- the broker cannot store energy and must resell it in the same time period as bought;
- consumers are free to buy energy either from the broker or from the producers directly.
In this test, we assume that the broker’s aspiration on profit—, with the reservation . The broker’s aspiration and reservation on q (as consumer) are equal to and , respectively.
This having been said, numerical results are shown in Table 7.
Table 7.
Results of numerical tests—market with broker.
As seen from the results, introducing a broker to the market may help to reduce both overall costs of balancing and costs of peers buying from the broker. Surely, this is due to the broker’s ability to negotiate good unit prices.
6.3. Market with a Broker and with a FLECSP
In this section, we analyse the case with both broker and FLECSP introduced to the market. In this paper, we consider FLECSP to be a flexible prosumer equipped with a storage utility. It may produce energy for its own needs, sell to others and buy from others either to use for own needs or to resell to other consumers. Since FLECSP is equipped with energy storage, it does not have to sell the energy right after buying/producing it but may shift time periods of delivery.
Similarly to a previous case with a broker only, for testing, we take Scenario 3 with single-commodity offers only. We assume that the FLECSP is located at node 2 of the studied network, and has a 5 MW PV plant with a 48 MWh storage (assumption). It substitutes a generating unit analysed in previous cases in this very node, yet the load attached to it is preserved as it was previously. As FLECSP possesses a different energy source, a linked certified value now equals 0.8. All assumptions on broker’s behaviour are identical to the ones in Section 6.2.
Completely changed setup in the node 2 induced changing previously assumed pricing. Therefore, comparing numerical results is of use only within this subsection, and it is not relevant when comparing with previously shown results.
Numerical results with FLECSP in place are shown in Table 8. They are compared with the situation with no FLECSP installed. In this case, node 2 is a purely consuming node—with no generating unit at all. This differs from testing setups in previous experiments. Assumed aspiration and reservation on cost that node 2 needs to take are as follows— and . However values on q are 1 (aspiration) and 0.3 (reservation).
Table 8.
Results of numerical tests—market with a FLECSP.
As seen from the results, the introduction of FLECSP may improve balancing by reducing its overall cost. Furthermore, not surprisingly, it also reduces the cost that the consumer at node 2 needs to pay. However, building storage units as well as generation units will require significant CAPEX costs to pay. Its impact has not been analysed in this paper.
7. Conclusions
In this paper, we present a novel architecture for handling electrical energy balancing in a peer-to-peer manner, where, in addition to the cost criterion, other individual quality criteria can be taken into account for feasible unit dispatch of generation and load peers.
We propose a multi-objective (mixed integer) interactive linear program to be solved by the market Operator, considering aspirations and reservations of all peers present on the market towards their respective criteria. The idea behind the proposed approach is that all peers submit values of their aspirations and reservations towards their criteria to the Operator. Then, the Operator solves the proposed optimisation problem, by finding Pareto-efficient solutions that respect submitted reservations and aspiration levels. Therefore, the resulted market positions reflect as much as possible different preferences of the participating peers. Here, it should be noted that Pareto-efficiency alone does not guarantee the maximisation of the total economical wealth, or fairness/equity of the solutions. Fairness optimisation is, however, beyond the scope of this paper. An interested reader is invited to consult the following references for more information [47,48,49].
The proposed optimisation problem is fairly general, so it allows for including multi-commodity peer-to-peer offers, network constraints, etc. The former significantly improves offering performance, especially for weather-dependent energy sources. In the case study, we observed that, when multi-commodity offers are introduced, a photo-voltaic source is committed for the complete capability profile during all time periods, rather than for selected periods only. This happens without further constraining the feasible set of the problem.
Inclusion of network constraints to the balancing problem restricts, however, the space of feasible solutions. However, we have shown that it may be very helpful in obtaining technically feasible power flows, for the majority of cases. This, however, may come at the expense of making the balancing more costly.
For the proposed approach, we have identified many possible actors to be present within the discussed market setup. They include consumers, producers, brokers and flexible prosumers with storage. We have shown that such actors may be well integrated into this novel market and each one of them may give some added value to the balancing.
We studied the cases limited to actors described in the previous paragraph. We have not analysed other types of peers that may be envisaged. However, we believe that the set of peers reflects quite well a variety of possible interests. The described approach is purely conceptual, validated only in the case study given in Section 6 of the paper. Further simulation studies are desired and a real-live prototype of the multi-objective market could be built to validate the approach under more realistic operating conditions.
This brings us smoothly to further research possibilities. As already stated, it might be interesting to build a pilot micro-grid, where the proposed setup could be further developed and tested. Second, the approach relies on multiple data exchanges between the peers and the Operator. The sensitive data should be kept private at all times and therefore secure protocols of communication should be studied. Furthermore, modelling of storage constraints of the flexible prosumer peer (FLECSP) is accomplished with the help of binary variables. For markets with many peers of this kind, computational burden of the proposed mixed-integer linear program may be significantly increased. However, whenever found, the Pareto-optimality of the solution is guaranteed. To reduce the computational burden, some dedicated optimisation heuristics may be developed in future works.
It should also be noted that the proposed model considers directly the operational cost criterion only. However, one may also study the impact of other costs, such as the costs of obtaining formal certification of the quality attributes of the generating sources. Such a consideration would yield another interesting decision-making problem for sellers, namely to infer whether it is more beneficial to obtain higher certified values of q or not. However, this lies out of the scope of this paper as it is linked more to the capital cost (CAPEX) considerations. However, we identify this problem as a topic of further research.
Despite simplifications mentioned above, this paper develops both a framework and a tool (in the form of a mathematical optimisation problem) for balancing a power system, when the cost is not a single criterion considered, but some other, ecological, social or sustainability criteria—referred to here as the quality criterion—can be also taken into consideration. This is the basic contribution of this paper. In the multi-objective optimisation model, the individual aspirations and reservations of all peers considered towards their respective criteria are specifically addressed. Such an optimisation tool, if implemented on the energy market, would allow interested peers to buy energy from sellers who are certified with higher values of the quality criterion, so it would increase the demand for that quality service. As a result of higher demand, technology shift towards sources with higher quality (ecological, social, sustainability or others) may be experienced.
Author Contributions
Conceptualization, M.D. and E.T.; methodology, M.D. and E.T.; software, M.D.; validation, M.D.; data curation, M.D.; writing—original draft preparation, M.D. and E.T.; writing—review and editing, M.D. and E.T.; visualization, M.D.; supervision, E.T. All authors have read and agreed to the published version of the manuscript.
Funding
This research received no external funding.
Institutional Review Board Statement
Not applicable.
Informed Consent Statement
Not applicable.
Data Availability Statement
This work is purely conceptual, aiming at developments of mathematical optimisation tool together with a energy market framework (setup). Case study was performed only to show the tool in action. Standard IEEE 30-bus and MATPOWER’s Case30 test systems with solar radiation data in Pescara, Italy were used for that purpose. Their correct references, where all relevant information can be found, have been cited in the manuscript. Whenever it is indicated in the manuscript body, case study offering prices were taken at random. An interested reader is invited to contact the Authors to share the values yielding results given in manuscript with them.
Acknowledgments
The authors would like to thank the three anonymous Reviewers for their valuable comments, which helped to strengthen the contents of this manuscript.
Conflicts of Interest
The authors declare no conflict of interest.
References
- Parag, Y.; Sovacool, B.K. Electricity market design for the prosumer era. Nat. Energy 2016, 1, 1–6. [Google Scholar] [CrossRef]
- Open Utility. A Glimpse into the Future of Britain’s Energy Economy. 2021. Available online: https://piclo.energy/publications/piclo-trial-report.pdf (accessed on 11 November 2021).
- Vanderbron. Vanderbron. 2021. Available online: https://vandebron.nl/ (accessed on 11 November 2021).
- Sonnen Group. SonnenCommunity. 2021. Available online: https://sonnengroup.com/sonnencommunity/ (accessed on 11 November 2021).
- Accenture. How We’ll Get to 100% Renewable Energy. 2019. Available online: https://www.accenture.com/us-en/blogs/blogs-renewable-energy (accessed on 11 November 2021).
- Nicolini, M.; Tavoni, M. Are renewable energy subsidies effective? Evidence from Europe. Renew. Sustain. Energy Rev. 2017, 74, 412–423. [Google Scholar] [CrossRef]
- Australian Renewable Energy Agency; AGL; IBM; MHC. Virtual Peer-to-Peer Energy Trading Using Distributed Ledger Technology: Comprehensive Project Assessment Report. 2017. Available online: https://arena.gov.au/knowledge-bank/peer-peer-distributed-ledger-technology-assessment/, (accessed on 11 November 2021).
- Tushar, W.; Saha, T.K.; Yuen, C.; Smith, D.; Poor, H.V. Peer-to-peer trading in electricity networks: An overview. IEEE Trans. Smart Grid 2020, 11, 3185–3200. [Google Scholar] [CrossRef] [Green Version]
- Abrishambaf, O.; Lezama, F.; Faria, P.; Vale, Z. Towards transactive energy systems: An analysis on current trends. Energy Strategy Rev. 2019, 26, 100418. [Google Scholar] [CrossRef]
- Sousa, T.; Soares, T.; Pinson, P.; Moret, F.; Baroche, T.; Sorin, E. Peer-to-peer and community-based markets: A comprehensive review. Renew. Sustain. Energy Rev. 2019, 104, 367–378. [Google Scholar] [CrossRef] [Green Version]
- Guerrero, J.; Gebbran, D.; Mhanna, S.; Chapman, A.C.; Verbič, G. Towards a transactive energy system for integration of distributed energy resources: Home energy management, distributed optimal power flow, and peer-to-peer energy trading. Renew. Sustain. Energy Rev. 2020, 132, 110000. [Google Scholar] [CrossRef]
- Soto, E.A.; Bosman, L.B.; Wollega, E.; Leon-Salas, W.D. Peer-to-peer energy trading: A review of the literature. Appl. Energy 2021, 283, 116268. [Google Scholar] [CrossRef]
- Pires Klein, L.; Krivoglazova, A.; Matos, L.; Landeck, J.; de Azevedo, M. A Novel Peer-To-Peer Energy Sharing Business Model for the Portuguese Energy Market. Energies 2020, 13, 125. [Google Scholar] [CrossRef] [Green Version]
- Baez-Gonzalez, P.; Rodriguez-Diaz, E.; Vasquez, J.C.; Guerrero, J.M. Peer-to-peer energy market for community microgrids [technology leaders]. IEEE Electrif. Mag. 2018, 6, 102–107. [Google Scholar] [CrossRef]
- Zia, M.F.; Elbouchikhi, E.; Benbouzid, M.; Guerrero, J.M. Microgrid transactive energy systems: A perspective on design, technologies, and energy markets. In Proceedings of the IECON 2019-45th Annual Conference of the IEEE Industrial Electronics Society, Lisbon, Portugal, 14–17 October 2019; Volume 1, pp. 5795–5800. [Google Scholar]
- Morstyn, T.; Farrell, N.; Darby, S.J.; McCulloch, M.D. Using peer-to-peer energy-trading platforms to incentivize prosumers to form federated power plants. Nat. Energy 2018, 3, 94–101. [Google Scholar] [CrossRef]
- Ableitner, L.; Tiefenbeck, V.; Meeuw, A.; Wörner, A.; Fleisch, E.; Wortmann, F. User behavior in a real-world peer-to-peer electricity market. Appl. Energy 2020, 270, 115061. [Google Scholar] [CrossRef]
- Long, C.; Wu, J.; Zhang, C.; Cheng, M.; Al-Wakeel, A. Feasibility of Peer-to-Peer Energy Trading in Low Voltage Electrical Distribution Networks. Energy Procedia 2017, 105, 2227–2232. [Google Scholar] [CrossRef]
- Zhang, C.; Wu, J.; Zhou, Y.; Cheng, M.; Long, C. Peer-to-Peer energy trading in a Microgrid. Appl. Energy 2018, 220, 1–12. [Google Scholar] [CrossRef]
- Le Cadre, H.; Jacquot, P.; Wan, C.; Alasseur, C. Peer-to-peer electricity market analysis: From variational to Generalized Nash Equilibrium. Eur. J. Oper. Res. 2020, 282, 753–771. [Google Scholar] [CrossRef] [Green Version]
- Tushar, W.; Saha, T.K.; Yuen, C.; Morstyn, T.; McCulloch, M.D.; Poor, H.V.; Wood, K.L. A motivational game-theoretic approach for peer-to-peer energy trading in the smart grid. Appl. Energy 2019, 243, 10–20. [Google Scholar] [CrossRef]
- Alam, M.R.; St-Hilaire, M.; Kunz, T. An optimal P2P energy trading model for smart homes in the smart grid. Energy Effic. 2017, 10, 1475–1493. [Google Scholar] [CrossRef]
- Alam, M.R.; St-Hilaire, M.; Kunz, T. Peer-to-peer energy trading among smart homes. Appl. Energy 2019, 238, 1434–1443. [Google Scholar] [CrossRef]
- Guerrero, J.; Chapman, A.C.; Verbič, G. Decentralized P2P energy trading under network constraints in a low-voltage network. IEEE Trans. Smart Grid 2018, 10, 5163–5173. [Google Scholar] [CrossRef] [Green Version]
- Nizami, M.; Hossain, M.; Amin, B.R.; Kashif, M.; Fernandez, E.; Mahmud, K. Transactive energy trading of residential prosumers using battery energy storage systems. In Proceedings of the 2019 IEEE Milan PowerTech, Milan, Italy, 23–27 June 2019; pp. 1–6. [Google Scholar]
- Alvaro-Hermana, R.; Fraile-Ardanuy, J.; Zufiria, P.J.; Knapen, L.; Janssens, D. Peer to peer energy trading with electric vehicles. IEEE Intell. Transp. Syst. Mag. 2016, 8, 33–44. [Google Scholar] [CrossRef] [Green Version]
- Hu, J.; Yang, G.; Ziras, C.; Kok, K. Aggregator operation in the balancing market through network-constrained transactive energy. IEEE Trans. Power Syst. 2018, 34, 4071–4080. [Google Scholar] [CrossRef] [Green Version]
- Woo, C.; Sreedharan, P.; Hargreaves, J.; Kahrl, F.; Wang, J.; Horowitz, I. A review of electricity product differentiation. Appl. Energy 2014, 114, 262–272. [Google Scholar] [CrossRef]
- Sorin, E.; Bobo, L.; Pinson, P. Consensus-based approach to peer-to-peer electricity markets with product differentiation. IEEE Trans. Power Syst. 2018, 34, 994–1004. [Google Scholar] [CrossRef] [Green Version]
- Orlandini, T.; Soares, T.; Sousa, T.; Pinson, P. Coordinating consumer-centric market and grid operation on distribution grid. In Proceedings of the 2019 16th International Conference on the European Energy Market (EEM), Ljubljana, Slovenia, 18–20 September 2019; pp. 1–6. [Google Scholar]
- Toczyłowski, E. Optymalizacja Procesów Rynkowych Przy Ograniczeniach [Optimization of Market Processes under Constraints], 2nd ed.; Problemy Współczesnej Nauki, Teoria i Zastosowania. Zarza˛dzanie i Informatyka [Problems of current research, theory and applications]; Akademicka Oficyna Wydawnicza Exit: Warszawa, Poland, 2003. [Google Scholar]
- Tauron Dystrybucja. Instrukcja Ruchu i Eksploatacji Sieci Dystrybucyjnej [Distribution Grid Code]. Available online: https://www.tauron-dystrybucja.pl/uslugi-dystrybucyjne/instrukcja-iriesd (accessed on 11 November 2021).
- Wood, A.J.; Wollenberg, B.F.; Sheblé, G.B. Power Generation, Operation, and Control, 3rd ed.; John Wiley & Sons: Hoboken, NJ, USA, 2014. [Google Scholar]
- Li, F.; Bo, R. DCOPF-Based LMP Simulation: Algorithm, Comparison With ACOPF, and Sensitivity. IEEE Trans. Power Syst. 2007, 22, 1475–1485. [Google Scholar] [CrossRef]
- Bakirtzis, A.; Biskas, P. A decentralized solution to the DC-OPF of interconnected power systems. IEEE Trans. Power Syst. 2003, 18, 1007–1013. [Google Scholar] [CrossRef] [Green Version]
- Drabecki, M. A Method for Ensuring Technical Feasibility of Distributed Balancing in Power Systems, Considering Peer-to-Peer Balancing Energy Trade. In Intelligent Computing and Optimization; Vasant, P., Zelinka, I., Weber, G.W., Eds.; Springer International Publishing: Cham, Switzerland, 2021; pp. 118–131. [Google Scholar]
- Yu, P.L. Multiple-Criteria Decision Making: Concepts, Techniques, and Extensions; Mathematical Concepts and Methods in Science and Engineering; Springer: Boston, MA, USA, 1985; Volume 30. [Google Scholar]
- Kaleta, M.; Ogryczak, W.; Toczyłowski, E.; Żółtowska, I. On Multiple Criteria Decision Support for Suppliers on the Competitive Electric Power Market. Ann. Oper. Res. 2003, 121, 79–104. [Google Scholar] [CrossRef]
- Lewandowski, A.; Wierzbicki, A.P. Aspiration Based Decision Support Systems: Theory, Software and Applications; Lecture Notes in Economics and Mathematical Systems; Springer: Berlin/Heidelberg, Germany, 1989; Volume 331. [Google Scholar]
- Ogryczak, W.; Studziński, K.; Zorychta, K. DINAS: A computer-assisted analysis system for multiobjective transshipment problems with facility location. Comput. Oper. Res. 1992, 19, 637–647. [Google Scholar] [CrossRef]
- University of Washington. IEEE 30-Bus System. Available online: https://labs.ece.uw.edu/pstca/pf30/pg_tca30bus.htm (accessed on 9 October 2021).
- Zimmerman, R.D.; Murillo-Sánchez, C.E.; Thomas, R.J. MATPOWER: Steady-State Operations, Planning, and Analysis Tools for Power Systems Research and Education. IEEE Trans. Power Syst. 2011, 26, 12–19. [Google Scholar] [CrossRef] [Green Version]
- Grant, M.; Boyd, S. CVX: Matlab Software for Disciplined Convex Programming, Version 2.1. 2014. Available online: http://cvxr.com/cvx (accessed on 20 November 2021).
- Grant, M.; Boyd, S. Graph implementations for nonsmooth convex programs. In Recent Advances in Learning and Control; Blondel, V., Boyd, S., Kimura, H., Eds.; Lecture Notes in Control and Information Sciences; Springer: Berlin/Heidelberg, Germany, 2008; pp. 95–110. Available online: http://stanford.edu/~boyd/graph_dcp.html (accessed on 20 November 2021).
- Attia, A.F.; El Sehiemy, R.A.; Hasanien, H.M. Optimal power flow solution in power systems using a novel Sine-Cosine algorithm. Int. J. Electr. Power Energy Syst. 2018, 99, 331–343. [Google Scholar] [CrossRef]
- Solcast. Global Solar Irradiance Data and PV System Power Output Data. 2019. Available online: https://solcast.com (accessed on 9 October 2021).
- Ogryczak, W. Equity, Fairness and Multicriteria Optimization. Mult. Criteria Decis. Mak./Univ. Econ. Katow. 2006, 1, 185–199. [Google Scholar]
- Ogryczak, W.; Wierzbicki, A.; Milewski, M. A multi-criteria approach to fair and efficient bandwidth allocation. Omega 2008, 36, 451–463. [Google Scholar] [CrossRef] [Green Version]
- Ogryczak, W. Fair Optimization—Methodological Foundations of Fairness in Network Resource Allocation. In Proceedings of the 2014 IEEE 38th International Computer Software and Applications Conference Workshops, Vasteras, Sweden, 21–25 July 2014; pp. 43–48. [Google Scholar] [CrossRef]
Publisher’s Note: MDPI stays neutral with regard to jurisdictional claims in published maps and institutional affiliations. |
© 2022 by the authors. Licensee MDPI, Basel, Switzerland. This article is an open access article distributed under the terms and conditions of the Creative Commons Attribution (CC BY) license (https://creativecommons.org/licenses/by/4.0/).




