Abstract
The storage of enormous energies is a significant challenge for electrical generation. Researchers have studied energy storage methods and increased efficiency for many years. In recent years, researchers have been exploring new materials and techniques to store more significant amounts of energy more efficiently. In particular, renewable energy sources and electric vehicle technologies are triggering these scientific studies. Scientists and manufacturers recently proposed the supercapacitor (SC) as an alternating or hybrid storage device. This paper aims to provide a comprehensive review of SC applications and their developments. Accordingly, a detailed literature review was first carried out. The historical results of SCs are revealed in this paper. The structure, working principle, and materials of SC are given in detail to be analysed more effectively. The advantages and disadvantages, market profile, and new technologies with manufacturer corporations are investigated to produce a techno-economic analysis of SCs. The electric vehicle, power systems, hybrid energy storage systems with integration of renewable energy sources, and other applications of SCs are investigated in this paper. Additionally, SC modelling design principles with charge and discharge tests are explored. Other components and their price to produce a compact module for high power density are also investigated.
1. Introduction
Repeated natural events and fossil fuels are primary energy sources. Storing and regulating energy is an immediate problem of these sources [1]. The energy must keep its immensely sized potential to be supplied uninterrupted [2]. Energy sources are converted into different forms and partially stored in the grid system for energy peak shaving [3]. Moreover, these sources can be stored for interruptible and temporal gaps between energy generation and end-user consumption [4]. The storage of water energy in dams [5], the storage of energy as hydrogen [6], and electrochemical storage devices [7] are the primary storage systems used today. The storage the energy as electrical energy directly is possible with electrochemical storage devices [3,8]. However, the lifespan of these conventional storage devices is less than half that of the supercapacitor (SC), most of them contain some contaminants that are harmful to nature, and they have some technical drawbacks [8,9]. Although iron-based flow batteries have a long life and are environmentally friendly, they have a lower energy density due to many aqueous solutions [8]. Thus, scientists have been researching storage devices with a large capacity and long life for many years [10,11].
Scientists have proposed SCs as an alternate solution for individual and hybrid applications with other storage devices [12]. In addition, as the power source for electric and hybrid vehicles, SCs are increasingly used as interim energy storage for regenerative braking [13]. The SCs have several advantages, including high power density, quick charge–discharge time, low input resistance, extended lifetime, and they are environmentally friendly [3,14]. Several hybridisation topologies have been proposed and applied during the last decade to increase the power density and cycle life of energy storage systems [15,16,17,18]. The latest technologies stimulate placing SCs into direct contest with rechargeable batteries [19]. Thus, the electrochemical activities of some materials and their composites have been investigated for possible methods to apply these materials in Li-ion batteries in the future [9,19]. The SC can store electrical energy as a solid-state device to overcome many of the shortcomings of batteries [13].
SCs were invented in the middle of the 19th century, and they have a new history. Firstly, General Electric (GE) corporation engineers designed capacitors in the early 1950s and 1957. The first SC was developed without a known double layer by Becker [20]. The SOHIO company expanded another version of the SC in 1966, and it was patented as an electrolytic capacitor [21,22]. The first SCs for military application were developed by the Pinnacle Research Institute (PRI) in 1982, called PRI ultra-capacitors. At the end of 1980, the charge and discharge currents increased, dependent on increasing capacitance values, and the equivalent series resistance (ESR) values decreased. In 1992, Maxwell Laboratories took over this development and named them “Boost Caps” to emphasise their power applications [23]. Evans developed a high voltage tantalum electrolytic capacitor in 1994, which combined the properties of electrolytic and electrochemical capacitors; however, it was limited to specific military applications [24,25]. Lithium-ion capacitors recently developed by the FDK group corporation, called hybrid capacitors, combine an electrostatic carbon electrode with an electrochemical electrode to increase the capacitance value [26,27]. Today, SC research aims to improve SC characteristics, increase performance, and decrease production costs [28,29].
The structure of the SC differs from a ceramic or electrolytic capacitor. It consists of two solid electrodes polarized by an applied voltage and separated by a membrane separator and a liquid electrolyte [30,31]. The electric double layer (EDL) capacitor, also called an ultra-capacitor, consists of ions in the electrolyte that form EDLs of reverse polarity to the electrodes [3,30]. Double-layer capacitance is one of the two storage principles, where electrostatic storage is achieved by separating charge in a Helmholtz double-layer and increasing the capacitance of SCs [32,33]. The other type of electrochemical storage is pseudocapacitance, which is reached by faradaic redox reactions. These two principles can be separated only by measurement techniques [23].
The functionality and characteristics of the SC originate from the mutual effect of its electrode and electrolyte materials. The electrode material for EDL capacitors is usually activated carbon, carbon fibre cloth, and aerogel, graphite, graphene, and carbon nanotubes in different appearances of carbon [33,34,35]. A pseudocapacitive material uses electron-conducting polymers with low ESR, high capacitance, and cycles, because not every material can be used as an electrode for pseudocapacitors [36,37]. The hybrid-type SCs combine two electrodes with a high pseudocapacitance and double-layer capacitance manufactured from carbon-based materials [38]. The development of hybrid-type supercapacitor electrodes influenced rechargeable battery electrodes [39] positively. Regarding the electrolyte materials, electrolytes consist of a solvent and dissolved chemicals. For better electrical conductivity, more ions are required in the electrolyte and aqueous, organic, and ionic electrolytes used [40]. The two electrodes are separated physically by separators to hinder short circuits, and they must be skinny and porous to minimise the equivalent series resistance (ESR). Generally, inexpensive components are used for separators; more complex designs use nonwoven porous polymeric films, woven glass fibres, or porous woven ceramic fibres [41]. Finally, the electrodes connect to the current collectors of the capacitor’s terminals to distribute high peak currents.
The advantages of SCs make them superior to other storage devices, while they also have some drawbacks. Comparing the benefits and disadvantages, it seems reasonable to use them together [3,14]. The advantages and drawbacks of various electrochemical storage devices are related to their energy and power density values and charging period [42]. The performance analyses of SCs are compared with the other storage devices in many studies, which have shown that using the SCs in combination with the other storage devices is reasonable in many ways [43,44,45]. These superiorities have been investigated for hybrid photovoltaic (PV)–battery SC energy storage systems [14,42,45,46,47,48]. In addition, PV–battery SCs or fuel cells including hybrid energy storage systems (HESSs) have been proposed in some studies [49,50]. Some studies have simulated and compared HESSs for battery life and daily costs [12,43]. The performance and cost analyses gave better results for SCs including HESSs [51,52,53].
The commercial companies and product situations, the market structure, and the new developments in the market are the other essential points to be investigated in more detail to elucidate the future trend of SCs. SC worldwide sales have been about 400 million USD since 2016 [54]. The battery market has grown from 47.5 billion to 95 billion USD [55]. The SC market is still small; however, it is foreseen that sales will grow with an annual increase of about 24%, from 240 million to 2 billion USD by 2026 [56]. SC costs in 2006 were 0.01 USD/F or 2.85 USD/kJ, moving in 2008 to below 0.01 USD/F, and decreasing every year [57]. Current electrical double layer capacitors (EDLCs) contain organic electrolytes that operate at 2.7 V and reach energy densities around 5–8 Wh/kg or 7–10 Wh/L [58]. Today, a commercial corporation offers a 48 V ultra-capacitor module with 1,000,000 duty cycles or a ten-year DC life and 48 V DC working voltage [59]. The modules are engineered explicitly for hybrid bus and construction equipment to provide cost-effective solutions. Still, they are also widely utilized in electronics applications for cell balancing [60,61].
The SC has some advantages in applications with high power density, and many charge and discharge cycles are required for longer life. General applications of SCs are for shorter periods from low to high power, and they are not used for alternating currents (AC). Some applications of SCs are in consumer electronics [62,63], tools, power supply [64], voltage stabilisation [65], microgrid [66], renewable energy storage [3], energy harvesting [67,68], street lights [69], medical applications [70], military and automotive applications [71,72,73], and energy recovery [74,75,76,77]. These will be explored in more detail with examples in the next sections. Standardised test protocols are required for applications ranging from low to high peak currents [78]. A current report calculated that if only a few percent of 48V mild-hybrid systems use SC peak shaving in ten years, a yearly additional SC market of over 0.5 billion USD will emerge in 2030 [79].
SC modelling and charge–discharge simulations to define capacitance and internal resistance are another research topic. Some primary studies were found in the literature where the different characteristics and the dynamic structure of SCs were investigated and simulated [80,81,82,83,84,85,86]. Zubieta and Faranda designed an equivalent electrical circuit model for simulations suitable for power applications [87,88]. In other studies, a two-branched electrical circuit model was used for the SC module simulation [89,90,91]. A method used to determine some SC equivalent circuit parameters experimentally has also been discussed in the literature [90,92]. A simplified SC module model is required in real-time simulations [93]. SCs based on a simplified equivalent circuit model are made for SC stack performance investigation [93,94]. This stack, called a module, is specifically engineered to provide solutions for industrial electronics applications [59,93]. A module was designed by making use of 20 pieces of 310 F, 2.7 V SCs. Charge–discharge tests for different load conditions were conducted for each capacitor and module and were confirmed with simulation results [95]. Another topic related to the development of SCs is the assembly and manufacturing of SCs. The three widespread SC designs used commercially are coin cells, cylindrical cells, and pouch cells. [96,97,98,99].
This paper aims to investigate SCs in many ways and present the results to the readers. Firstly, the history and developments of SC were given in detail in the introduction. The structure of SCs, working principles, and materials are presented in the second section. The techno-economic analyses of SCs, which includes advantages, market analyses, new trends and technologies, and manufacturer companies, are investigated in the third section. The electric vehicle, power systems, hybrid systems, and other SC applications are given in the fourth section. The requirements of the SC model, module design, charge–discharge tests, and other components of SCs and price analyses for compact systems are given in the last sections.
2. Fundamental of Supercapacitors
2.1. Structure and Specifications
The structure, working principle, specifications, classifications, and materials of SCs are summarised in this section. The fundamental concept of SCs is based on electrostatic capacitors, and is given in Equation (1). In this equation, the permittivity of air (ε0), relative permittivity of the dielectric material (εr), the surface area (A), and the distance between two electrodes (d) are seen in Figure 1a [94]. The capacitance is adjusted by changing the dielectric material’s surface area and thickness according to the relationship in Equation (1).
Figure 1.
(a) Structure of electrostatic capacitor [94], (b) structure of SC [101], (c) equivalent circuit model of SC [102].
The basic structure of an SC consists of aluminium current collectors and electrodes instead of dielectric materials. The operation principle of the SC is based on the storage of energy by the distribution of the ions near the surface of the two electrodes. The two interfaces create a space charge zone called the electrical double layer (EDL), as shown in Figure 1b. Therefore, an SC is electrostatic, and there is no electrochemical reaction [100,101].
The electrical equivalent circuit model of an SC is given in Figure 1c. Here, the series resistance (Rs) to the capacitor symbolises the equivalent series resistance (ESR). In contrast, the parallel resistance (Rp) across the capacitor represents the resistance estimated according to the leakage currents, and the capacitance (CSC) represents the total capacitance of the SCs. The parameters mentioned in the catalogue data can be used to calculate maximum peak current in a second and specific maximum power value, as shown in Equations (2) and (3) [102].
The main properties of SCs are low energy and high power density, fast charge and discharge, the termination of energy flow when fully charged, minimal internal resistance (ESR), long shelf life, and extended lifetime. The advantages of SCs make them superior to the other conventional storage devices in many ways. Comparing their distinctions and drawbacks, using SCs with other storage devices appears to be suitable [42]. SCs are low voltage components and require safe operation, where the voltage remains within specified limits. Standard SCs with aqueous electrolytes are rated within a voltage range of 2.1 to 2.3 V, and SCs with organic solvents are rated from 2.5 to 2.7 V [40]. For higher voltage requirements, the SC cells are connected in series. The rated capacitance value is between 1 F to 1000 F; for higher applications, capacitances are required to connect SC cells in parallel [3,95]. Figure 2 shows that the SCs can bridge batteries and capacitors [94,103,104]. The energy density of SCs is greater than in the conventional capacitors; however, the power density of capacitors is greater than in the SCs.
Figure 2.
Comparison of the energy and power density of storage devices [103].
2.2. Classifications
SCs can be classified depending on their manufacturing and construction details. SCs can be made in flat, cylindrical, or rectangular case styles [105,106]. The operation principle of SCs is based on energy storage and, depending on the energy storage method, SCs are divided into three main groups. SCs can be divided into EDLCs and pseudocapacitors (PCs) depending on the energy storage method. Charge storage occurs between the electrolyte and electrodes in EDLC, as shown in Figure 1b. PCs involve reversible and fast Faradaic redox reactions for charge in order to increase the capacitance of the SC, as shown in Figure 3a. A hybrid supercapacitor (HSC) stores the charges by matching the capacitive carbon electrode with a pseudocapacitive or lithium-insertion electrode, as shown in Figure 3b [107,108,109].
Figure 3.
(a) Configuration of a pseudocapacitor (PC) and (b) a hybrid supercapacitor (HSC) [109].
EDLCs consist of two carbon-based electrode materials, enough electrolytes, and a separator. EDLCs can either store charges electrostatically or via a non-Faradaic method, without the transfer of charge loads with the electrochemical double-layer storage principle [108,110,111]. The three main types of EDLCs have a specific condition of the carbon substance. Carbon nanotubes (CNTs), graphene, carbon aerogels and foams, carbide-derived carbon (CDC), and activated carbon are the main types of pseudocapacitors, as seen in Figure 4. [100]. PCs store charges via a Faradaic process involving the transfer of charge loads electrostatically [112]. When a voltage is applied to pseudocapacitors, reduction and oxidation occurs in the electrode material and Faradaic current passes through the SC cell. This Faradaic process leads to pseudocapacitors having higher energy densities than EDLCs. This type of capacitor includes metal oxides, metal-doped carbon, and conductive polymer electrode materials [113]. Conductive polymer types of SCs have a high capacitance, low ESR, and low cost compared to carbon-based EDLCs. However, pseudocapacitors also have a lower power density and a shorter life cycle, depending on the redox reactions in the SC [100,108]. A hybrid SC system offers a union of the energy source of a battery-like electrode with a power source of a capacitor-like electrode in the same cell [108,114]. This type of SC consists of polarisable electrodes, such as carbon, and non-polarisable electrodes, such as metal or conducting polymer. Faradaic and non-Faradaic processes obtain high energy storage through both electrodes [33,100,115]. SC researchers have focused on the three current types of hybrid SCs, distinguished by their electrode configurations: asymmetric, composite, and battery-type [28,108]. Hybrid SCs which primarily exhibit electrostatic and other electrochemical capacitance are called as a supercabatteries [106,116].
Figure 4.
Classification diagram of SCs [9,100].
2.3. Materials
The electrolyte type and electrode material determine SC characteristics, and in recent years there have been some comprehensive studies in this area [106]. According to current reports, it is expected that materials will control SC performance and cost in the future. These reports include the percentage of new research on hierarchical and hexahedral electrodes [79,117]. SC materials are mainly investigated as electrode materials, electrolyte materials, separators, and collectors.
SC electrodes are generally thin sheets that are electrically connected to a conductive current collector. The environmentally friendly and low-cost electrodes must have good conductivity, low corrosion resistance, and long-time chemical stability [9,106]. The different types of carbon electrode materials commonly used in SCs include activated carbon (AC), carbon aerogel, graphene, graphite, and carbon nanotubes (CNTs) [32,33,34,35]. Activated carbon is enough for SC EDLC electrodes, although its electrical conductivity is much lower than metals. One of the most used electrode materials for SCs is a solid form activated carbon called consolidated amorphous carbon (CAC) [23,33]. Activated carbon fibres (ACF) have a diameter of about 10 µm and are derived from activated carbon [118]. Carbide derived carbon (CDC) is a family of tuneable and nanoporous carbon materials [119,120]. The other most widely used materials are random porous carbons, due to their advantages [121]. Graphene atoms, also called nanocomposite paper atoms, are arranged in a regular hexagonal pattern as seen in Figure 5a [122,123,124,125]. MnO2 and RuO2 electrode materials are also used for pseudocapacitors since they act as capacitive electrodes and exhibit Faradaic behaviour, as seen in Figure 5b. Pseudocapacitors occur within the active electrode materials created through Faradaic redox reactions and provide a high specific energy. All the commercial hybrid SCs are asymmetric, and they integrate an electrode [106,126].
Figure 5.
(a) Scanning probe microscopy image of graphene, (b) pseudocapacitance surface of RuO2 cathode [126].
Although most of the studies are focused on electrode materials of electrolytes, there are also significant studies on SC performance. The electrolyte consists of a solvent and dissolved chemicals that makes it electrically conductive and increases the quantity of ions in the electrolyte [9,106]. Electrolytes influence the operational voltage window of cells and their resistance [114]. Aqueous, organic, and ionic liquid electrolytes are currently available for SCs [94]. The electrolyte determines the SC’s operating characteristics [127]. Water is a perfect solvent for inorganic chemicals and aqueous electrolytes. Aqueous electrolytes are used in SCs with high specific power and low specific energy density, which have a 1.15 V dissociation voltage per electrode [106,128]. Electrolytes with organic solvents have a higher separation voltage and a temperature range; however, they are more expensive [106,128,129]. Ionic electrolytes consist of liquid salts, and they enable capacitor voltages above 3.5 V s. In addition, they have lower ionic conductivity than the other electrolytes [40].
Although much progress has been made in improving the electrode performance, in SCs, separators can negatively influence the performance of SCs to depend on the poorly designed dividers [9]. The separator can be very thin and must be very porous to minimise ESR. Developed polymer-based separators with low cost, high flexibility, and porosity lead the separator markets [41,94,106,130]. The majority of energy storage devices require collectors to connect the capacitor electrodes and supplement the performance of SCs, because of the active material’s insufficient conductivity. Additionally, they must carry high charge and discharge currents [94,106,131]. Sealing in cell mounting is very important to prevent performance loss in the SC. Aluminium metal should be used in collectors to prevent a corrosive galvanic cell housing [9,106]. A sealant material’s duty is to prevent foreign contaminants from entering the cell that can cause electrolyte disruption, surface oxidation, and the loss of life cycle [94].
3. Techno-Economic Analyses of Supercapacitors
As the use of SCs in the energy and transportation sectors has increased, the cycle life, performance reliability, and cost have become important parameters [10]. The traditional applications of SCs are in short-term power for global system for mobile (GSM) communication bursts and high brightness flashes in cell phones, hybrid battery–SC systems for uninterruptable power supplies (UPSs) and power-quality enhancers, automotive systems for integrated starter generator applications, power tools, and extra high-power short-autonomy-time UPS systems without batteries [31]. After a stable period, the SC market has now entered into a continuous period of vigorous growth. Three large companies’ last actions have triggered this. According to a report; “Supercapacitor: Applications, Players, Markets 2020–2040”, it is foreseen that a yearly additional SC market of over 0.5 billion USD will emerge in 2030 if only a few per cent of 48 V mild hybrids adopt SC peak shaving in ten years [79]. This foresight indicates the need to explore the SC techno-economy in detail. The advantages and disadvantages of SC, the market structure, product analyses and evaluation, new manufacturing technologies, and manufacturing corporations are investigated in this section in more detail.
The main advantages and drawbacks of SCs are compared in Figure 6 [14]. Although they have some drawbacks, the benefits of SCs give them superiority over the other storage devices in many ways. Comparing the advantages and disadvantages, using them in some applications with the other storage devices seems reasonable [3,12].
Figure 6.
The main advantages and drawbacks of SCs.
The comparison of the advantages and drawbacks of lead-acid, lithium-ion, redox-flow batteries, and SCs is shown in Table 1. Although the specific energy density is greater for lithium-ion batteries, specific power density is greater for SCs, at a value more than ten times the others. The cycle life is also very high for SCs; however, the charge and discharge efficiency is better for lithium-ion batteries. The SC charge and discharge time is under one minute. The calendar life is about 20 years for SC, and the costs are lower than the lithium-ion batteries and decrease with every passing day [3,12,42,44,45]. Although the iron-based flow batteries have a long life and are environmentally friendly, they have a lower energy and power density [8,132].
Table 1.
Comparison of SCs with different types of batteries [3,12,132].
The top global EDLC manufacturers, start-ups, and companies are summarised in Table 2 with their centred country, estimated financings for start-ups, and revenue data. Revenue is based on fourth-quarter reported values and was converted to US dollars [133].
Table 2.
Top 12 SC manufacturers in the world and their primary information [133].
SC devices from these manufacturers have capacitances in the range of 1200–5000 F, shallow direct current (DC) equivalent series resistance (ESR) values of less than one mΩ, short circuit current in the field of 600–2400 A, and per cell energy-storage capabilities in the range of 0.6–3 Wh. Table 3 indicates some representative devices.
Table 3.
A comparison of single-cell SCs for fast energy delivery applications [31].
Some of the different commercial SC devices and their dimensions are given in Figure 7a. Their rated voltage can be 2.7–2.8 V, as mentioned in Table 3. They can be produced as a cylindrical or prismatic type cell. The Maxwell Technologies and LS Mtron Corporations offer different voltage module SCs with a high cycle life and 48 V DC working voltage, as shown in Figure 7b. Temperature output, active cell balancing, and high power density are the main features of these modules. The SC modules are designed to provide cost-effective construction equipment and hybrid bus solutions, specifically. They are also widely utilised in telecommunications, power supply, and other applications [59,102,134]. They are a reliable solution for these sensitive works and consumers; however, they are an expensive solution for the widespread use of SCs in energy storage. The details of the module design specifications are investigated in more detail in the last section.
Figure 7.
(a) Different types of SC commercial devices, (b) two different corporations’ SC modules.
4. Applications of SC
The SC has many advantages in applications with a high power density, and many charge/discharge cycles or a longer life are required. SCs are used in wind turbines, mobile base stations, electronic devices, and different industrial practices [135,136,137]. In addition, they have started to be used in UPS, electric vehicles, and various power electronics applications, thanks to their superiority over lead-acid batteries [138,139,140,141]. In recent years, SCs have been used as an energy storage device for voltage stability in renewable and hybrid energy storage systems to regulate the source and grid [3,10,141]. SCs can stabilise the power supply in applications with fluctuating loads [142]. SCs deliver power for flashes, which can be charged quickly [62,143], and portable speakers [144]. Reducing energy consumption and CO2 emissions is a primary difficulty of all transportation systems, and braking energy recovery can reduce both. Many applications in all kinds of vehicles require elements that can rapidly store and deliver energy, and SCs fulfil these requirements. Some SC applications include consumer electronics [62,63], tools, power supply [64], voltage stabilisation [65], microgrid [66], renewable energy storage [3], energy harvesting [67,68], street lights [69], medical applications [70], military and automotive applications [71,72,73], and energy recovery [74,75,76,77]. Some of these examples are given in Figure 8.
Figure 8.
Some examples of SC applications.
Multiple variable loads, such as hybrid electrical vehicles (HEVs), electrical vehicle (EV) charge stations, electrical machines, and other power systems, cause current fluctuations and harmonics and power oscillations on the grid [63,64]. SCs can be used between the load and the grid as an interface to overcome these problems [145]. One wireless screwdriver with SCs is charged fully in 90 s, and it can retain 85% of its charged energy after three months left idle [146]. The backup power for actuators in wind turbine pitch systems is also provided by SCs [144]. Photovoltaic and wind energy systems act as a fluctuating supply induced by weather conditions. SCs can stabilise such as voltage fluctuations for power lines by acting as dampeners [66]. SCs can be used for microgrid storage, usually powered by renewable energy which cannot instantaneously match the demand to inject power when the demand increases and the production decreases temporarily [68,147]. SCs are suitable energy harvesting systems for temporary energy storage devices [3]. For example, in Japan’s Niigata Prefecture, Sado City, there are streetlights that combine stand-alone SCs with s power source for storage [69].
Hybrid SCs are also implemented in navigators, sensors, and communication devices based on batteries. The radar system, electromagnetic pulse weapons, torpedoes, etc., can also be operated using a suitable installation of hybrid SCs [148]. Many SC systems for military applications are manufactured by the Tecate Group corporation, as shown in Figure 9 [148]. The radar antenna, airbag exploitation power, avionics, GPS, and missiles are applications that require a high specific power [28].
Figure 9.
SCs used for different defence applications.
SCs also fulfil the requirements for some transportation applications, which are given here. Toyota’s Yaris hybrid-R concept car and Peugeot Société Anonymes (PSAs) Peugeot Citroën both use an SC to increase the performance of the vehicles [149]. The Maxwell Technologies manufacturer corporation claimed that several hybrid buses use SC devices to improve acceleration [149]. Batteries can be supplemented with SCs in the starter systems of diesel railroad locomotives with hybrid transmissions [71]. Mobile hybrid rubber tyre gantry cranes use SCs to move stack containers [70]. One hybrid forklift primarily uses fuel cells and batteries, while SCs store the braking energy of buffer power peaks. In 2003, a light-rail vehicle prototype was developed with a roof-mounted SC unit to save braking energy and replace overhead lines in Mannheim [72]. The Paris T3 tram line and Geneva Public Transport tram were powered using SCs to recover the energy during braking in 2012 [150].
The first hybrid bus in Europa with SCs was the so-called “Ultracap Bus” tested in Nuremberg, Germany, in 2001. Then, an electric bus fleet was tested in Luzern, Switzerland, in 2002. After every transportation cycle, the SCs could be recharged within 3 to 4 min with a high-speed power charger [151]. A new type of electric bus using SCs, called the “Capabus”, that moves without power lines and fully charges at the last terminal was tested in Shanghai in 2005 [75]. A Toyota hybrid racing car used a hybrid drivetrain with SCs that was developed every year [152]. More researchers have explored hybrid electric vehicles (HEVs) [153,154]. The ability of SCs to charge much faster than batteries, their longer lifetime, stable electrical properties, and wide temperature range make them suitable for electric vehicles. However, SCs’ lower specific energy density makes them unsuitable for long-distance driving as a stand-alone energy source [77]. As of 2013, all EV or HEV automotive manufacturers have developed prototypes to improve driveline efficiency and store braking energy that use SCs instead of batteries [152,155]. Today’s HEV technology has used SCs to develop more topologies using power electronics converters to increase the efficiency of EVs, improve the environmental perspective, and lower cost. [156,157].
An HEV uses different energy sources, including batteries, SCs, and fuel cells (FCs), to power the electric drive system, as seen in Figure 10a. A fraction of the energy exchange capability of the SC can be used in a battery/SC configuration only. Therefore, a hybrid fuel cell/battery/SC configuration still provides the most extended lifetime of the batteries [158,159]. As a solution, a forklift truck project was carried out with a 16 kW power hybrid system, as shown in Figure 10b. An ‘Integrated Fuel Cell Hybrid Test Platform in Electric Forklift’ designed in the Technical Research Centre of Finland Ltd. (VTT) consisted of an 8 kW power proton exchange membrane (PEM) type fuel cell, which provided 72 kW of power to Maxwell BOOSTCAP® (165F, 48 V) SCs and 300 Ah lead-acid batteries [160,161]. Another study reviewed energy systems for light-duty vehicles, and highlighted the main characteristics of electric and hybrid cars based on power train structure. Different topologies and energy management strategies for electric and hybrid vehicle powertrains have been investigated [162,163].
Figure 10.
(a) A basic HEV drive system. (b) Hybrid forklift power source DC schema with two SC modules [160].
The comparison of SCs with the other energy storage devices has been investigated for PV–battery–SC systems in the literature, and has been shown that SCs have some advantages [14,42,43,46,47,48]. In addition, PV–battery–SCs or fuel cell combinations as HESSs are suggested as an alternative solution [49,50]. The HESS topologies include passive, active, and semi-active types. A passive HESS consists of the different energy storage devices connected directly to the DC bus without a DC–DC converter. If one side is combined with a DC–DC converter to a DC bus, it is called a semi-active HESS. If two sides of the energy storage devices are connected with converters, it is called an active HESS. The connection topology of HESSs is given in Figure 11a [3,12,43]. The active and passive HESSs were simulated and compared in a case study. While the SC semi-active HESSs performed with lower than 33% battery life, passive HESSs performed with lower than 9% battery life, only in the case of price function results during a day [3,12,43]. In another study, solar irradiance and temperature data were used for a solar farm model in MATLAB/Simulink from four diverse days from the 2017 simulation to define the annual storage cost, and the results showed that the battery + SC HESS cost was 25% cheaper annually [51]. In another study, a passive HESS was proposed for a wind and solar energy stand-alone system and the operation was tested via theoretical simulation and experimentally. The HESS (battery–supercapacitor) for the wind and solar energy-fed basic structure is shown in Figure 11b [164].
Figure 11.
(a) A stand-alone active HESS with SC. (b) A HESS for a wind-solar fed system.
Several studies have presented comprehensive reviews of HESS control strategies for power quality improvement in microgrids in the last decade [132]. The increasing use of renewable energy sources and the interruption of the power generated has caused stability, reliability, and power quality problems in the primary electrical grid [165]. The microgrid is very sensitive to load or generation changes, as it is a weak electrical grid, and HESSs are used to decrease the effect of these variations [166]. Battery–supercapacitor HESSs in stand-alone DC microgrids have been reviewed, and a stand-alone photovoltaic-based microgrid with an HESS was presented as a case study [12]. A survey of a battery–supercapacitor HESS for a stand-alone PV power system in rural electrification was presented in a study [167]. A design and performance analysis of a stand-alone PV system with an HESS is given in another survey for a rural area of India. Bidirectional DC to DC converters are also used in controlling, with a fuzzy logic controller as a new control algorithm, as shown in Figure 12 [168].
Figure 12.
A sample PV-HESS microgrid system structure for domestic application [168].
5. Modelling and Performance Tests for SCs
The applied voltage to the poles is linearly proportional to the amount of electric charge stored in an SC, which has units of Farads. The voltage distribution among the SC and its simplified equivalent DC circuit model is seen in Figure 13a, as a functionality illustration of an SC. The electrode’s equivalent circuit depends on the porous structure’s capacitance behaviour, and is defined with series and parallel connected RC elements. The voltage behaviour of SCs and batteries differs during charge and discharge intervals, as seen in Figure 13b. The energy is stored in a static electric field in conventional capacitors consisting of two electrodes. The total power increases linearly related to the potential between the plates and the accumulated charges. In contrast, SCs consists of two electrodes separated by a separator and the energy stored inside the double layers of both electrodes. The storage of electrostatic and electrochemical energy in SCs is linear concerning the stored energy charge similarly [106].
Figure 13.
(a) The voltage distribution among the SC between simplified equivalent DC circuits. (b) Comparison of SC and battery voltage behaviour during the charge and discharge time.
The SC modelling and charge–discharge characteristics must be investigated differently from conventional storage devices. The capacitance value of an SC can be defined with RC components and time constants, depending on the frequency. The measurement characteristic for measuring capacitance is shown in Figure 14a. The rated voltage has to be applied to charge the capacitor for measurement firstly, and the SC is charged for 30 min. Next, the SC is discharged with a constant discharge current (Idischarge) [169]. Then, for the voltage drop from 80% (V1) to 40% (V2) of the rated voltage at the t1 and t2 time values is measured, and the capacitance value of the SC is calculated from this Equation () [106,170]. The internal DC resistance (Ri) of an SC can be calculated with the voltage drop (ΔV2) obtained from the intersection of the auxiliary line extended from the straight part and from the time base at the time of discharge start, as shown in Figure 14b [29,169].
Figure 14.
The charge–discharge characteristics for (a) measuring the capacitance and (b) internal DC resistance measurement conditions.
For SC systems, modelling is necessary for system dimension monitoring conditions. Chemical, mathematical, and electrical characteristics, ageing, artificial intelligence, and the dynamic structure of SC models are available in the literature [80,81,82,83,84,85,86,90]. To describe the behaviour of SCs, a simple electrical model of SCs has also been given in the literature [91]. The module simulation was based on a two-branched SC circuit model [89,90,91,92]. This circuit was simplified for the SC module and is given in Equation (4). The SC module voltage and currents are USC and ISC, and the primary voltage and currents are vsc and isc, respectively [89].
Moreover, it considered the equivalent electric circuit with two RC branches proposed by Zubieta and Bonert [90] and Rafik et al. [91]. The calculation used to obtain the relationship between voltage (v1) and capacitor charge (Q1) is seen in Equation (5), and can be combined with Equation (4) as in Equation (6).
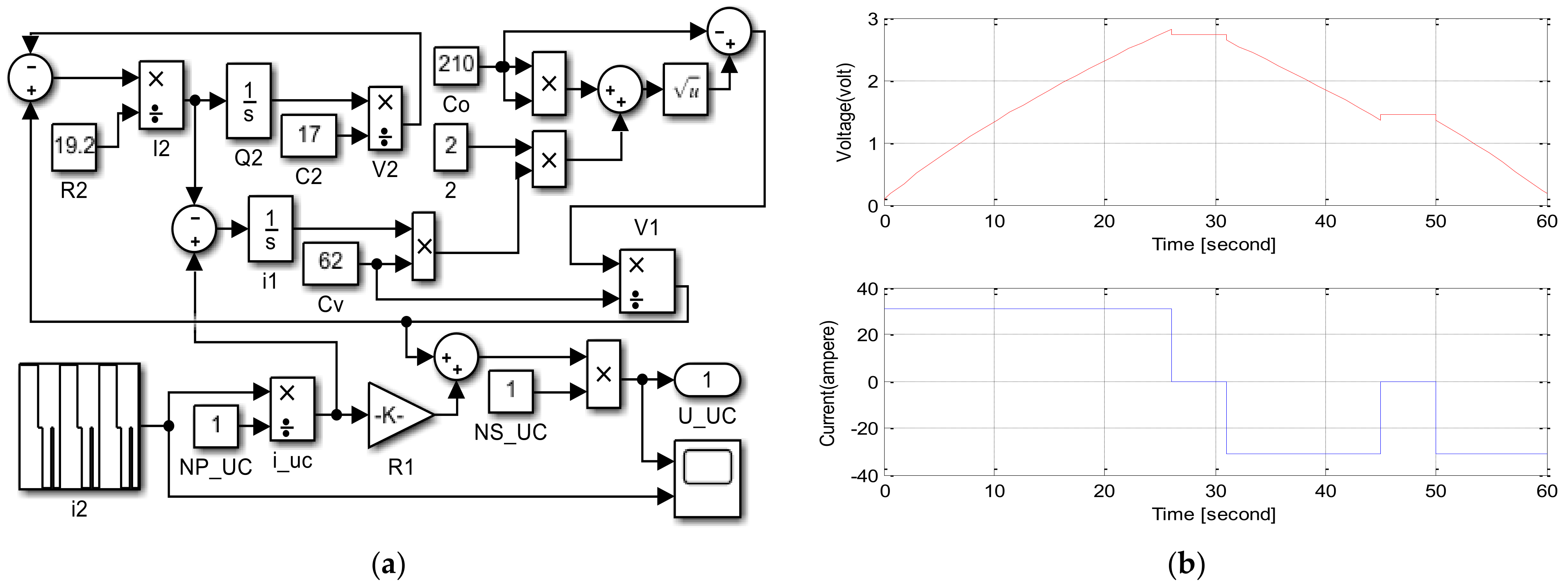
An SC module model was designed in MATLAB/Simulink using these equations, as seen in Figure 15a. Equations (5) and (6) were revised for 310 F SC parameters obtained and calculated in experimental result values and datasheets from previous studies in the simulation [52]. The SC model was simulated for cycle life, and Capacitor ESR measurement waveforms in the datasheet were checked; the results are presented in Figure 15b [102,169].
Figure 15.
(a) SC module model in MATLAB/Simulink. (b) CAP/ESR waveforms of SC [169].
Higher source voltages are required when connecting SCs in series. Each component has a slight difference in capacitance value and ESR. Therefore, it is needed to actively or passively balance the SC to balance the applied voltage. Although passive balancing in SCs is supplied with parallel resistors, active balancing includes electronic voltage management that varies the current above a threshold. Active techniques have many advantages over passive methods. In contrast, passive strategies are straightforward, and despite their shortcomings, they are still prevalent, as shown in Figure 16 [171]. However, passive balancing with resistors improves voltage distribution in SCs, because extra currents passing through balancing resistors reduces the energy efficiency of SCs in their application as energy storage devices. The use of circuits has been proposed for active voltage balancing in SCs [61]. Although the load current and cycle stability of SCs are higher than that of rechargeable batteries, the SC life and the number of cycles increase with the lower load current [165].
Figure 16.
SC voltage balance (a) resistor, (b) switched resistor, (c) Zener diode circuits.
It is possible to find some products on the market for special rates and offers, and the customers can mount them to reduce the prices. An active voltage balancing SC-assisted surge absorber (SCASA) was developed using a recently patented technique [172]. This patent-pending technique uses an SC-assisted temperature modification apparatus (SCATMA), as shown in Figure 17a. This technique is based on the availability of large EDLC devices with capacitances in the range of 1200–5000 F, shallow ESR values, short circuit current capability in the field of 600–2400 A, and per cell energy storage capabilities in the capacity of 0.6–3 Wh [30]. A six-string supercapacitor protection board used for the module design is shown in Figure 17b [173]. A circuit diagram of the protection board for four capacitors’ balanced storage is shown in Figure 17c. Each SC can have a single metal oxide semiconductor field effect transistor (MOSFET) or two devices in parallel, connected depending on the selected board. An equivalent MOSFET gives twice the output current and twice the sensitivity to voltage change, connecting two devices in parallel [60]. An example commercial product for the SC module for a modular solution with UPS and advanced technology extended (ATX) power modules is seen in Figure 17d [174].

Figure 17.
(a) Implementation of the SCATMA technique. (b) A six-string supercapacitor protection board [173]. (c) A circuit diagram of the protection board [60]. (d) An example commercial product for the SC module [174].
6. Summary of the Literature
The main contributions in the different areas, summarized from the literature, is analysed in this section. A summary of the entire literature review is given in Table 4 in a comparable form for this aim. The main classification and sub-classification with classification details are provided for the references in the table. The general studies mainly included the history, review, and developments of SCs. The energy storage applications are divided into three subgroups as HESSs, EV storage systems, and microgrid applications. The materials studied include the electrode, electrolyte, and the other components. The modelling and characterisation studies are in one other group in the table. The application studies are classified as manufacturer companies and various application studies. The energy storage applications and materials studies are a large portion of these sources.
Table 4.
Summary of literature classifications.
The bibliometric mapping of the SC research field showed 964 results over the last five years. As seen in the density visualization map in Figure 18, derived from the bibliometric results, main keywords dominate the existing research. These include graphene, nanostructure, and Ni foam. Interestingly, composites fall slightly outside the intensive region [19].
Figure 18.
Bibliometric density mapping of the SC research field in the last five years.
7. Conclusions
The history and developments of SCs were presented in this paper. The structure, working principles, specifications, classifications, and materials were provided as a fundamental of SCs in this paper in a comparable form. The techno-economic analyses of SCs were investigated in many ways, including advantages, markets, new technologies, and manufacturers. The application of SCs were examined for several applications, such as transportation, electric vehicles, hybrid power systems, and military applications, to shine a light for the readers. This paper investigated and shared the SC modelling, performance tests for charge and discharge, and module design specifications. This comprehensive review paper about SCs combined all the studies in a comparable form to inform and inspire the research studied in this area. At last, this study, which dealt with the latest developments in the literature and the market, will fill a gap in and contribute to the literature. The innovations in material technologies mentioned in this article and overcoming the difficulties in application, becoming more efficient, and becoming more attractive in the market in terms of price seem to be the most critical challenges for the widespread use of SCs.
Author Contributions
Conceptualization, M.E.Ş. and F.B.; Methodology, M.E.Ş.; Validation F.B. and A.S.; investigation, M.E.Ş.; writing—review and editing, M.E.Ş., F.B. and A.S.; supervision, F.B. All authors have read and agreed to the published version of the manuscript.
Funding
This research received no external funding.
Institutional Review Board Statement
Not applicable.
Informed Consent Statement
Not applicable.
Acknowledgments
The authors thank the Scientific & TechnologicalResearch Council of Turkey (TUBITAK), 2219 postdoctoral research program.
Conflicts of Interest
The authors declare no conflict of interest.
References
- Novas, N.; Alcayde, A.; Robalo, I.; Manzano-Agugliaro, F.; Montoya, F.G. Energies and Its Worldwide Research. Energies 2020, 13, 6700. [Google Scholar] [CrossRef]
- Smith, S.C.; Sen, P.K.; Kroposki, B. Advancement of energy storage devices and applications in electrical power systems. In Proceedings of the 2008 IEEE Power and Energy Society General Meeting-Conversion and Delivery of Electrical Energy in the 21st Century, Pittsburgh, PA, USA, 20–24 July 2008; pp. 1–8. [Google Scholar]
- Şahin, M.E.; Blaabjerg, F. A hybrid PV battery/supercapacitor system and a basic active power control proposal in MATLAB/Simulink. Electronics 2020, 9, 129. [Google Scholar] [CrossRef] [Green Version]
- Sun, C.; Negro, E.; Vezzù, K.; Pagot, G.; Cavinato, G.; Nale, A.; Bang, Y.H.; Di Noto, V. Hybrid inorganic-organic proton-conducting membranes based on SPEEK doped with WO3 nanoparticles for application in vanadium redox flow batteries. Electrochim. Acta 2019, 309, 311–325. [Google Scholar] [CrossRef]
- Yüksek, Ö.; Anılan, T.; Saka, F. Problems and possible solutions to environmental impacts of small hydropower plants in Turkey. Turk. J. Electromech. Energy 2020, 5, 37–47. [Google Scholar]
- Şahin, M.E. A photovoltaic powered electrolysis converter system with maximum power point tracking control. Int. J. Hydrog. Energy 2020, 45, 9293–9304. [Google Scholar] [CrossRef]
- Zhong, Y.; Xia, X.; Mai, W.; Tu, J.; Fan, H.J. Integration of energy harvesting and electrochemical storage devices. Adv. Mater. Technol. 2017, 2, 1700182. [Google Scholar] [CrossRef]
- Zhang, H.; Sun, C. Cost-effective iron-based aqueous redox flow batteries for large-scale energy storage application: A review. J. Power Sources 2021, 493, 229445. [Google Scholar] [CrossRef]
- Şahin, M.E.; Blaabjerg, F.; Sangwongwanich, A. A review on supercapacitor materials and developments. Turk. J. Mater. 2020, 5, 10–24. [Google Scholar]
- Liu, S.; Wei, L.; Wang, H. Review on the reliability of supercapacitors in energy storage applications. Appl. Energy 2020, 278, 115436. [Google Scholar] [CrossRef]
- Omar, N.; Daowd, M.; Bossche, P.V.D.; Hegazy, O.; Smekens, J.; Coosemans, T.; Mierlo, J.V. Rechargeable energy storage systems for plug-in hybrid electric vehicles—Assessment of electrical characteristics. Energies 2012, 5, 2952–2988. [Google Scholar] [CrossRef] [Green Version]
- Jing, W.; Lai, C.H.; Wong, W.S.H.; Wong, M.L.D. Battery-supercapacitor hybrid energy storage system in stand-alone DC microgrids: A review. IET Renew. Power Gener. 2017, 11, 461–469. [Google Scholar] [CrossRef]
- Sharma, P.; Kumar, V. Current technology of supercapacitors: A review. J. Electron. Mater. 2020, 49, 3520–3532. [Google Scholar] [CrossRef]
- Glavin, M.E.; Hurley, W.G. Optimisations of a photovoltaic battery ultracapacitor hybrid energy storage system. Sol. Energy 2012, 86, 3009–3020. [Google Scholar] [CrossRef]
- Lindenmaier, J.; Stiegler, M.; Kabza, H. Charge/Discharge Load Reduction of Lead Acid Batteries in Micro-Hybrid Vehicles Using Ultra-Capacitor Assistance. In Proceedings of the 24th World Battery, Hybrid and Fuel Cell Electric Vehicle Symposium, Stavanger, Norway, 13–16 May 2009. [Google Scholar]
- Chen, H.; Cong, T.N.; Yang, W.; Tan, W.; Li, Y.; Ding, Y. Progress in Electrical Energy Storage System: A Critical Review. J. Prog. Nat. Sci. 2009, 9, 291–312. [Google Scholar] [CrossRef]
- Omar, N.; Verbrugge, B.; Van den Bossche, P.; Van Mierlo, J. Power and life enhancement of battery-electrical double layer capacitor for hybrid electric and charge-depleting plug-in vehicle applications. J. Electrochim. Acta 2010, 55, 7524–7531. [Google Scholar] [CrossRef]
- Omar, N.; Van Mulders, F.; Van Mierlo, J.; Van den Bossche, P. Assessment of the behaviour of super capacitor-battery system in heavy hybrid lift truck vehicles. J. Asian Electr. Veh. 2009, 7, 1277–1282. [Google Scholar] [CrossRef]
- Maksoud, M.I.A.A.; Fahim, R.A.; Shalan, A.E.; Elkodous, M.A.; Olojede, S.O.; Osman, A.I.; Farrell, C.; Al-Muhtaseb, A.H.; Awed, A.S.; Ashour, A.H.; et al. Advanced materials and technologies for supercapacitors used in energy conversion and storage: A review. Environ. Chem. Lett. 2021, 19, 375–439. [Google Scholar] [CrossRef]
- Ho, J.; Jow, R.; Boggs, S. Historical Introduction to Capacitor Technologies. IEEE Electr. Insul. Mag. 2010, 26, 20–25. [Google Scholar] [CrossRef] [Green Version]
- Schindall, J.G. The Change of the Ultra-Capacitors. IEEE Spectr. 2007, 44, 42–46. [Google Scholar] [CrossRef]
- Boos, D.L. Electrolytic Capacitor Having Carbon Paste Electrodes. U.S. Patent 3536963, 27 January 1970. [Google Scholar]
- Namisnyk, A.M. A Survey of Electrochemical Supercapacitor Technology; Technical Report; University of Canterbury: Christchurch, New Zealand, 2003. [Google Scholar]
- Evans, D.A. Containers with Anodes and Cathodes with Electrolytes. U.S. Patent 5369547, 29 November 1994. [Google Scholar]
- Evans, D.A. The Littlest Big Capacitor—An Evans Hybrid Technical Paper; Evans Capacitor Company: East Providence, RI, USA, 2007. [Google Scholar]
- FDK. FDK Corporate Information, FDK History 2000s. Available online: https://www.fdk.com/company_e/ayumi2000-e.html (accessed on 29 October 2021).
- Muzaffar, A.; Ahamed, M.B.; Deshmukh, K.; Thirumalai, J. A review on recent advances in hybrid supercapacitors: Design, fabrication and applications. Renew. Sustain. Energy Rev. 2019, 101, 123–145. [Google Scholar] [CrossRef]
- Naoi, K.; Simon, P. New Materials and New Configurations for Advanced Electrochemical Capacitors. Electrochem. Soc. Interface 2008, 17, 34–37. [Google Scholar] [CrossRef]
- Zhao, J.; Burke, A. Review on supercapacitors: Technologies and performance evaluation. J. Energy Chem. 2021, 59, 276–291. [Google Scholar] [CrossRef]
- Kularatna, N. Energy Storage Devices for Electronic Systems: Rechargeable Batteries and Supercapacitors; Academic Press: London, UK, 2015. [Google Scholar]
- Kularatna, N. Supercapacitors Improve the Performance of Linear Power-Management Circuits: Unique new design options when capacitance jump from micro-farads to farads with a low equivalent series resistance. IEEE Power Electron. Mag. 2016, 3, 45–59. [Google Scholar] [CrossRef]
- Frackowiak, E.; Béguin, F. Carbon materials for the electrochemical storage of energy in capacitors. Carbon 2001, 39, 937–950. [Google Scholar] [CrossRef]
- Halper, M.S.; Ellenbogen, J.C. Supercapacitors: A Brief Overview; MITRE Nanosystems Group: McLean, VA, USA, 2006. [Google Scholar]
- Pandolfo, A.G.; Hollenkamp, A.F. Carbon properties and their role in supercapacitors. J. Power Sources 2006, 157, 11–27. [Google Scholar] [CrossRef]
- Kinoshita, K. Electrochemical Oxygen Technology; Wiley: Hoboken, NJ, USA, 1992; ISBN 978-0-471-57043-1. [Google Scholar]
- Brousse, T.; Bélanger, D.J.; Long, W. To Be or Not to Be Pseudocapacitive? J. Electrochem. Soc. 2015, 162, A5185–A5189. [Google Scholar] [CrossRef] [Green Version]
- Yuden, T. Coin Type PAS Capacitor; Notice for Products; Shoe Electronics Ltd.: Tokyo, Japan, 2020. [Google Scholar]
- Li, X.; Wei, B. Facile synthesis and super capacitive behaviour of SWNT/MnO2 hybrid films. Nano Energy 2012, 1, 479–487. [Google Scholar] [CrossRef]
- Naoi, K.; Naoi, W.; Aoyagi, S.; Miyamoto, J.-I.; Kamino, T. New Generation Nanohybrid Supercapacitor. Acc. Chem. Res. 2013, 46, 1075–1083. [Google Scholar] [CrossRef] [PubMed]
- Selanne, M. Ionic Liquids for Supercapacitor Applications. Top. Curr. Chem. 2017, 375, 63. [Google Scholar] [CrossRef]
- Schneuwly, A.; Gallay, R. Properties, and applications of supercapacitors, From the state-of-the-art to future trends. In Proceedings of the PCIM Conference, Nuremberg, Germany, 7–8 July 2000. [Google Scholar]
- Glavin, M.E.; Chan, P.K.; Armstrong, S.; Hurley, W.G. A stand-alone photovoltaic supercapacitor battery hybrid energy storage system. In Proceedings of the Power Electronics and Motion Control Conference (13th EPE-PEMC 2008), Poznan, Poland, 1–3 September 2008; pp. 1688–1695. [Google Scholar]
- Jing, W.L.; Lai, C.H.; Wong, W.S.; Wong, M.D. Cost analysis of battery supercapacitor hybrid energy storage system for stand-alone PV systems. In Proceedings of the 4th IET Clean Energy and Technology Conference (CEAT 2016), Kuala Lumpur, Malaysia, 14–15 November 2016. [Google Scholar]
- Supercapacitor (EDLC) Basics (Part 1): What Is a Supercapacitor (EDLC)? 2021. Available online: https://www.murata.com/products/emiconfun/capacitor/2015/03/24/20150324-p1 (accessed on 20 October 2021).
- Manandhar, U.; Ukil, A.; Beng, G.H.; Tummuru, N.R.; Kollimalla, S.K.; Wang, B.; Chaudhari, K. Energy management and control for grid-connected hybrid energy storage system under different operating modes. IEEE Trans. Smart Grid 2017, 10, 1626–1636. [Google Scholar] [CrossRef]
- Khan, M.A.; Zeb, K.; Sathishkumar, P.; Ali, M.U.; Uddin, W.; Hussain, S.; Ishfaq, M.; Khan, I.; Cho, H.-G.; Kim, H.-J. A Novel Supercapacitor/Lithium-Ion Hybrid Energy System with a Fuzzy Logic-Controlled Fast Charging and Intelligent Energy Management System. Electronics 2018, 7, 63. [Google Scholar] [CrossRef] [Green Version]
- Shrivastava, A.; Gupta, S. Review on Super Capacitor-Battery based Hybrid Energy Storage System for PV Application. Int. J. Adv. Eng. Manag. Sci. 2017, 3, 239825. [Google Scholar] [CrossRef]
- Logerais, P.O.; Riou, O.; Camara, M.A.; Durastanti, J.F. Study of photovoltaic energy storage by supercapacitors through both experimental and modelling approaches. J. Sol. Energy 2013, 2013, 1–9. [Google Scholar] [CrossRef] [Green Version]
- Uzunoglu, M.; Alam, M.S. Dynamic modelling, design, and simulation of a combined PEM fuel cell and ultracapacitor system for stand-alone residential applications. IEEE Trans. Energy Convers. 2006, 21, 767–775. [Google Scholar] [CrossRef]
- Thounthong, P.; Pierfederici, S.; Martin, J.P.; Hinaje, M.; Davat, B. Modelling and control of fuel cell/supercapacitor hybrid source based on differential flatness control. IEEE Trans. Veh. Technol. 2010, 59, 2700–2710. [Google Scholar] [CrossRef]
- Roy, P.K.S. Design of a Cost-Effective Battery-Supercapacitor Hybrid Energy Storage System for Hourly Dispatching Solar PV Power. Ph.D. Thesis, Western Carolina University, Cullowhee, NC, USA, 2018. [Google Scholar]
- Chia, Y.Y. Integrating Supercapacitors into a Hybrid Energy System to Costs Using the Genetic Algorithm (GA) and Support Vector Machine. Ph.D. Thesis, University of Nottingham, Nottingham, England, 2014. [Google Scholar]
- Anonymous. Optimising Clean Power Everywhere. Available online: http://www.homerenergy.com/ (accessed on 30 November 2021).
- The Global Supercapacitor Market is Facing Unique Challenges in 2016; Market EYE: Maisach-Gernlinden, Germany, 2016.
- Zogbi, D.M. Supercapacitors the Myth, the Potential and the Reality; Technical Notes; Paumanok Group: Rockville, MD, USA, 2013. [Google Scholar]
- Harrop, P. Supercapacitor Technologies and Markets 2016-2026; IDTechEx Report: Boston, MA, USA, 2016. [Google Scholar]
- Ahern, C. Market Overview of Supercapacitors, Foresight Science & Technology. Available online: http://batteries.foresightst.com/resources/MarketOverviews (accessed on 10 December 2009).
- Bonaccorso, F.; Colombo, L.; Yu, G.; Stoller, M.; Tozzini, V.; Ferrari, A.; Pellegrini, V. Graphene, related two-dimensional crystals, and hybrid systems for energy conversion and storage. Science 2015, 347, 1246501. [Google Scholar] [CrossRef]
- Maxwell Technologies. 48V Ultra-Capacitor Module. Available online: https://eu.mouser.com/new/maxwell/Maxwell-48V-ultracapacitor/ (accessed on 20 November 2021).
- Chao, R. Plug and Play Your Way to Balancing Supercapacitors. 2016. Available online: https://www.electronicproducts.com/Discrete_Semiconductors/Transistors_Diodes/Plug_and_play_your_way_to_balancing_supercapacitors.aspx (accessed on 2 December 2021).
- Barić, T. Supercapacitors, cell balancing using resistors. In Proceedings of the 27th International Scientific and Professional Conference, Organization and Maintenance Technology, Zbornic, Radova, 13 April 2018; pp. 15–22. [Google Scholar]
- Genuth, I. Ultracapacitor LED Flashlight Charges in 90 Seconds–Slashdot. Available online: Tech.slashdot.org (accessed on 29 May 2013).
- Farhadi, M.; Mohammed, O. Real-time operation and harmonic analysis of isolated and non-isolated hybrid DC microgrid. IEEE Trans. Ind. Appl. 2014, 50, 2900–2909. [Google Scholar] [CrossRef]
- Mangaraj, M.; Panda, A.K.; Penthia, T. Supercapacitor supported DSTATCOM for harmonic reduction and power factor correction. In Proceedings of the 2016 IEEE Students’ Conference on Electrical, Electronics and Computer Science (SCEECS), Bhopal, India, 5–6 March 2016; pp. 1–6. [Google Scholar]
- Stepanov, A.; Galkin, I. Development of Supercapacitor Based Uninterruptible Power Supply; Doctoral School of Energy- and Geo-Technology: Kuressaare, Estonia, 2007. [Google Scholar]
- Espinar, B.; Mayer, D. Photovoltaic Power Systems Program, The Role of Energy Storage for Mini-Grid Stabilisation; IEA PVPS Task 11; International Energy Agency: Armines, France, 2011. [Google Scholar]
- Kularatna, N.; Fernando, J. A supercapacitor technique for efficiency improvement in linear regulators. In Proceedings of the 35th Annual Conference of IEEE Industrial Electronics, Porto, Portugal, 3–5 November 2009; pp. 132–135. [Google Scholar]
- Inthamoussou, F.A.; Pegueroles-Queralt, J.; Bianchi, F.D. Control of a Supercapacitor Energy Storage System for Microgrid Applications. IEEE Trans. Energy Convers. 2013, 28, 690–697. [Google Scholar] [CrossRef]
- Nippon Chemi-Con. Stanley Electric and Tamura Announce the Development of “Super CaLeCS,” an Environment-Friendly EDLC-Powered LED Street Lamp; Press Release Nippon Chemi-Con Corp.: Tokyo, Japan, 2010. [Google Scholar]
- Miller, J.R.; Burke, A.F. Electrochemical Capacitors: Challenges and Opportunities for Real-World Applications. ECS Spring 2008, 17, 53–57. [Google Scholar] [CrossRef]
- Jaafar, A.; Sareni, B.; Roboam, X.; Thiounn-Guermeur, M. Sizing of a hybrid locomotive based on accumulators and ultracapacitors. In Proceedings of the IEEE Vehicle Power and Propulsion Conference, Lille, France, 1–3 September 2010; pp. 1–6. [Google Scholar]
- Fröhlich, M.; Klohr, M.; Pagiela, S. Energy storage system with ultracaps on board of railway vehicles. In Proceedings of the 8th World Congress on Railway Research, Soul, Korea, 18–22 May 2008. [Google Scholar]
- Hondius, H.; Supercapacitors to Be Tested on Paris STEEM Tram. Railway Gazette. Available online: https://www.railwaygazette.com/supercapacitors-to-be-tested-on-paris-steem-tram (accessed on 7 August 2009).
- Alstom Corporation. UITP 2015: Alstom Launches SRS, a New Ground-Based Static Charging System, and Extends Its APS Solution to Road Transportation. Available online: www.alstom.com (accessed on 8 June 2015).
- Hamilton, T. Next Stop: Ultracapacitor Buses MIT Technology Review. (2009-10-19). Available online: Technologyreview.com (accessed on 29 May 2013).
- Toyota TS030 LMP1 Hybrid Revealed. Racecar Engineering Magazine, 24 January 2012. Available online: https://www.racecar-engineering.com/news/toyota-ts030-lmp1-hybrid-revealed/ (accessed on 10 September 2021).
- Pesaran, A.; Gonder, J. Recent Analysis of UCAPs in Mild Hybrids, National Renewable Energy Laboratory, Golden, Colorado. In Proceedings of the 6th Advanced Automotive Battery Conference, Baltimore, MD, USA, 17–19 May 2006. [Google Scholar]
- Van den Bossche, P.; Van Mulders, F.; Verbrugge, B.; Omar, N.; Culcu, H.; Van Mierlo, H. The Cell versus the System: Standardisation challenges for electricity storage devices EVS24. In Proceedings of the International Battery, Hybrid and Fuel Cell Electric Vehicle Symposium, Stavanger, Norway, 13–16 May 2009. [Google Scholar]
- Harrop, P.; Collins, R. Supercapacitor Materials and Formats. 2020–2040. Available online: https://www.idtechex.com/en/research-report/supercapacitor-materials-and-formats-2020-2040/742#:~:text=Formats%20include%20structural (accessed on 1 August 2021).
- Johansson, P.; Andersson, B. Comparison of Simulation Programs for Supercapacitor Modelling. Master’s Thesis, Chalmers University of Technology, Göteborg, Sweden, 2008. [Google Scholar]
- Michalczuk, M.; Grzesiak, L.; Ufnalski, M.B. Experimental parameter identification of Battery-ultracapacitor energy storage system. In Proceedings of the 24th International Symposium on Industrial Electronics (ISIE), Buzios, Brazil, 3–5 June 2015; pp. 1260–1265. [Google Scholar]
- Faranda, R.; Gallina, M.; Son, D.T. A new simplified model of double-layer capacitors. In Proceedings of the International Conference on Clean Electrical Power, Capri, Italy, 21–23 May 2007; pp. 706–710. [Google Scholar]
- Shah, V.A.; Kundu, P.; Maheshwari, R. Improved method for characterisation of ultracapacitor by constant current charging. Int. J. Modeling Optim. 2012, 2, 290–294. [Google Scholar] [CrossRef]
- Buller, S.; Karden, E.; Kok, D.; De Doncker, R.W. Modeling the dynamic behaviour of SCs using impedance spectroscopy. IEEE Trans. Ind. Appl. 2002, 38, 1622–1626. [Google Scholar] [CrossRef]
- Cheng, Z.L.; Chen, W.; Li, R.Q.; Jiang, Z.L.; Yang, Z.H. Modeling and dynamic simulation of an efficient energy storage component-supercapacitor. In Proceedings of the Power and Energy Engineering Conference (APPEEC 2010 Asia-Pacific), Chengdu, China, 28–31 March 2010; pp. 1–4. [Google Scholar]
- Islam, M.S.; Hossain, M.B.; Hossain, M.N.; Alam, S.B.; Enamul, M.; Chowdhury, H. Modeling of a double-layer capacitor with individual branch response. In Proceedings of the World Congress on Engineering and Computer Science, San Francisco, CA, USA, 20–22 October 2010; Volume 2. [Google Scholar]
- Zhang, L.; Hu, X.; Wang, Z.; Sun, F.; Dorrell, D.G. A review of supercapacitor modelling, estimation, and applications: A control/management perspective. Renew. Sustain. Energy Rev. 2018, 81, 1868–1878. [Google Scholar] [CrossRef]
- Zou, C.; Zhang, L.; Hu, X.; Wang, Z.; Wik, T.; Pecht, M. A review of fractional-order techniques applied to lithium-ion batteries, lead-acid batteries, and supercapacitors. J. Power Sources 2018, 390, 286–296. [Google Scholar] [CrossRef] [Green Version]
- Lahyani, A.; Venet, P.; Guermazi, A.; Troudi, A. Battery/supercapacitors combination in uninterruptible power supply (UPS). IEEE Trans. Power Electron. 2013, 28, 1509–1522. [Google Scholar] [CrossRef]
- Zubieta, L.B.; Bonert, R. Characterisation of double-layer capacitors for power electronics applications. IEEE Trans. Ind. Appl. 2000, 36, 199–205. [Google Scholar] [CrossRef] [Green Version]
- Rafik, F.; Gualous, H.; Gallay, R.; Crausaz, A.; Berthon, A. Frequency, thermal and voltage supercapacitor characterisation and modelling. J. Power Sources 2007, 165, 928–934. [Google Scholar] [CrossRef]
- Zubieta, L.B. Characterisation of Double-Layer Capacitors for Power Electronics Applications. Ph.D. Thesis, University of Toronto, Toronto, ON, Canada, 1997. Available online: https://tspace.library.utoronto.ca/bitstream/1807/11789/1/MQ28861.pdf (accessed on 11 October 2021).
- Şahin, M.E.; Blaabjerg, F.; Sangwongwanich, A. Predesign simulation of supercapacitors based on simplified equivalent circuit model. In Proceedings of the CYSENI 2019 Conference, Kaunas, Lithuania, 23–24 May 2019. [Google Scholar]
- Kim, B.K.; Sy, S.; Yu, A.; Zhang, J. Electrochemical supercapacitor for energy storage and conversion. In Handbook of Clean Energy Systems; John Wiley & Sons: Hoboken, NJ, USA, 2015; pp. 1–25. [Google Scholar]
- Şahin, M.E. An investigation on supercapacitors applications with module designing and testing. J. Eng. Res. 2022; accepted paper. [Google Scholar] [CrossRef]
- Yu, Z.; Tetard, L.; Zhai, L.; Thomas, J. Supercapacitor electrode materials: Nanostructures from 0 to 3 dimensions. Energy Environ. Sci. 2015, 8, 702–730. [Google Scholar] [CrossRef] [Green Version]
- Burke, A. Ultracapacitors: Why, how, and where is the technology? J. Power Sources 2000, 91, 37–50. [Google Scholar] [CrossRef] [Green Version]
- Amatucci, G.G.; DuPasquier, A.J.; Tarascon, M. Supercapacitor Structure and Method of Making Same. U.S. Patent 6,187,061, 2001, 13 February 2001. [Google Scholar]
- Maletin, Y.; Strizhakova, N.; Kozachkov, S.; Mironova, A.; Podmogilny, S.; Danilin, J.V.; Aleksandrovna, K. Supercapacitor and a Method of Manufacturing such a Supercapacitor. U.S. Patent 6,697,249, 2004, 24 February 2004. [Google Scholar]
- Najib, S.; Erdem, E. Current progress achieved in novel materials for supercapacitor electrodes: A mini-review. Nanoscale Adv. 2019, 1, 2817–2827. [Google Scholar] [CrossRef] [Green Version]
- Wasterlain, S.; Guven, A.; Gualous, H.; Fauvarque, J.F.; Gallay, R. Hybrid power source with batteries and supercapacitor for vehicle applications. In Proceedings of the ESCAP’06 Conference, Bangkok, Thailand, 11 October 2006. [Google Scholar]
- BC Series Ultracapacitors, Data Sheet, Doc. No: 1017105.2. 2013. Available online: http://www.maxwell.com/images/documents/bcseries_ds_1017105-4.pdf (accessed on 20 May 2020).
- Ragone, D.V. Review of battery systems for electrically powered vehicles. SAE Tech. Pap. 1968, 680453. [Google Scholar] [CrossRef]
- Riaz, A.; Sarker, M.R.; Saad, M.H.M.; Mohamed, R. Review on Comparison of Different Energy Storage Technologies Used in Micro-Energy Harvesting, WSNs, Low-Cost Microelectronic Devices: Challenges and Recommendations. Sensors 2021, 21, 5041. [Google Scholar] [CrossRef]
- Gabay, J. Supercapacitor Options for Energy-Harvesting Systems (2013) Digi-Key Electronics Corp. Available online: https://www.digikey.com/en/articles/supercapacitor-options-for-energy-harvesting-systems (accessed on 27 October 2020).
- Supercapacitors from Wikipedia. 2020. Available online: https://en.wikipedia.org/wiki/Supercapacitor (accessed on 27 October 2020).
- Chen, X.; Paul, R.; Dai, L. Carbon-based supercapacitors for efficient energy storage. Natl. Sci. Rev. 2017, 4, 453–489. [Google Scholar] [CrossRef]
- Iro, Z.S.; Subramani, C.; Dash, S.S. A Brief Review on Electrode Materials for Supercapacitor. Int. J. Electrochem. Sci. 2016, 11, 10628–10643. [Google Scholar] [CrossRef]
- Mancera, J.J.C.; Rengel, R.; Pérez, A.Z.; Manzano, F.S.; López, E.; Andújar, J.M. Hybrid Supercapacitors as a Promising Alternative for Hybrid Electric Vehicles Fueling. In Proceedings of the Fomento de la Cultura Científica, Tecnológica y de Innovación en Ciudades Inteligentes (ScienCity 2020), Huelva, Spain, 17–19 November 2020. [Google Scholar]
- Kiamahalleh, M.V.; Zein, S.H.S.; Najafpour, G.; Sata, S.A.; Buniran, S. Multiwalled carbon nanotubes based nanocomposites for supercapacitors: A review of electrode materials. Nano 2012, 7, 1230002. [Google Scholar] [CrossRef]
- Jayalakshmi, M.; Balasubramanian, K. Simple capacitors to supercapacitors—An overview. Int. J. Electrochem. Sci. 2008, 3, 1196–1217. [Google Scholar]
- Mohapatra, S.; Acharya, A.; Roy, G.S. The role of nanomaterial for the design of supercapacitor. Lat. Am. J. Phys. Educ. 2012, 6, 380. [Google Scholar]
- Vangari, M.; Pryor, T.; Jiang, L. Supercapacitors: A review of materials and fabrication methods. J. Energy Eng. 2013, 139, 72–79. [Google Scholar] [CrossRef]
- Burke, A. R&D considerations for the performance and application of electrochemical capacitors. Electrochim. Acta 2007, 53, 1083–1091. [Google Scholar]
- Ho, M.Y.; Khiew, P.S.; Isa, D.; Tan, T.K.; Chiu, W.S. A review of metal oxide composite electrode materials for electrochemical capacitors. Nano 2014, 9, 1430002. [Google Scholar] [CrossRef]
- Yu, L.P.; Chen, G.Z. Redox electrode materials for supercapatteries. J. Power Sources 2016, 326, 604–612. [Google Scholar] [CrossRef]
- Harrop, P.; Supercapacitor Materials and Technology Roadmap 2019–2039. Boston. 2018. Available online: https://www.idtechex.com/en/research-report/supercapacitor-materials-and-technology-roadmap-2019 (accessed on 1 November 2020).
- Fischer, U.; Saliger, R.; Bock, V.; Petricevic, R.; Fricke, J. Carbon aerogels as electrode material in supercapacitors. J. Porous Mat. 1997, 4, 281–285. [Google Scholar] [CrossRef]
- Presser, V.; Heon, M.; Gogotsi, Y. Carbide-derived carbons—From porous networks to nanotubes and graphene. Adv. Funct. Mater. 2011, 21, 810–833. [Google Scholar] [CrossRef]
- Korenblit, Y.; Rose, M.; Kockrick, E.; Borchardt, L.; Kvit, A.; Kaskel, S.; Yushin, G. High-rate electrochemical capacitors based on ordered mesoporous silicon carbide-derived carbon. ACS Nano 2010, 4, 1337–1344. [Google Scholar] [CrossRef]
- Weijia, Z.; Xiaojun, L.; Kai, Z.; Jin, J.; Ozoemena, K.I.; Chen, S. Chapter 8: Carbon Materials for Supercapacitors. In Nanomaterials in Advanced Batteries and Supercapacitors; Springer International Publishing: Cham, Switzerland, 2016; pp. 271–315. [Google Scholar]
- Yoo, J.J.; Balakrishnan, K.; Huang, J.; Meunier, V.; Sumpter, B.G.; Srivastava, A.; Conway, M.; Reddy, A.L.M.; Yu, J.; Vajtai, R.; et al. Ultrathin planar graphene supercapacitors. Nano Lett. 2011, 11, 1423–1427. [Google Scholar] [CrossRef]
- Palaniselvam, T.; Baek, J.-B. Graphene-based 2D materials for supercapacitors. 2d Mater. 2015, 2, 032002. [Google Scholar] [CrossRef]
- El-Kady, M.F.; Strong, V.; Dubin, S.; Kaner, R.B. Laser scribing of high-performance and flexible graphene-based electrochemical capacitors. Science 2012, 335, 1326–1330. [Google Scholar] [CrossRef] [PubMed] [Green Version]
- Ishigami, M.; Chen, J.-H.; Cullen, W.G.; Fuhrer, M.S.; Williams, E.D. Atomic Structure of Graphene on SiO2. Nano Lett. 2007, 7, 1643–1648. [Google Scholar] [CrossRef] [Green Version]
- Zakaryan, H.A.; Kvashnin, A.G.; Oganov, A.R. Stable reconstruction of the (110) surface and its role in pseudocapacitance of rutile-like RuO2. Sci. Rep. 2017, 7, 10357. [Google Scholar] [CrossRef]
- Simon, P.; Burke, A.F. Nanostructured carbons: Double-layer capacitance and more. Electrochem. Soc. Interface 2008, 17, 38. [Google Scholar] [CrossRef]
- Krunal, A.S. Supercapacitors: Fundamentals and Applications, 11 January 2018. Available online: https://www.electronicsforu.com/technology-trends/learnelectronics/supercapacitors-fundamentals-applications (accessed on 27 October 2020).
- Yanes, E.G.; Gratz, S.R.; Stalcup, A.M. Tetraethylammonium tetrafluoroborate: A novel electrolyte with a unique role in the capillary electrophoretic separation of polyphenols found in grape seed extracts. Analyst 2000, 125, 1919–1923. [Google Scholar] [CrossRef] [PubMed]
- Laforgue, A.; Yang, D.; Zhang, L.; Grincourt, Y.; Zhang, J.; Robitaille, L. Development of New Generation Supercapacitors for Transportation Applications. In Proceedings of the EV Conference VE (EMC-MEC), Ontario, ON, Canada, 1 October 2014. [Google Scholar]
- Wu, H.-C.; Lin, Y.-P.; Lee, E.; Lin, W.-T.; Hu, J.-K.; Chen, H.-C.; Wu, N.-L. High-performance carbon-based supercapacitors using Al current-collector with conformal carbon coating. Mater. Chem. Phys. 2009, 117, 294–300. [Google Scholar] [CrossRef]
- Khalid, M. A review on the selected applications of battery-supercapacitor hybrid energy storage systems for microgrids. Energies 2019, 12, 4559. [Google Scholar] [CrossRef] [Green Version]
- Top USA and International Capacitor Manufacturers and Suppliers, White Paper; Thomas Publishing Company: Springfield, IL, USA. 2021. Available online: https://www.thomasnet.com/articles/top-suppliers/capacitor-manufacturers-suppliers/ (accessed on 20 August 2021).
- Matron, L.S. LS Ultracapacitor, Data Sheet; LS Materials: Gyeonggi-do, Korea, 2016. [Google Scholar]
- Libich, J.; Máca, J.; Vondrák, J.; Čech, O.; Sedlaříková, M. Supercapacitors: Properties and applications. J. Energy Storage 2018, 17, 224–227. [Google Scholar] [CrossRef]
- Kuperman, A.; Aharon, I.; Malki, S.; Kara, A. Design of a semiactive battery-ultracapacitor hybrid energy source. IEEE Trans. Power Electron. 2012, 28, 806–815. [Google Scholar] [CrossRef]
- Bottu, M.; Crow, M.; Atcitty, S. A power electronic conditioner using electrochemical capacitors to improve wind turbine power quality. In Proceedings of the NURER Conference, Istanbul, Turkey, 20–23 May 2012. [Google Scholar]
- Eroğlu, H.H. Design and Implementation of an Ultracapacitor Test System. Master’s Thesis, Middle East Technical University, Ankara, Turkey, 2010. [Google Scholar]
- Schneuwly, A. Ultra-Capacitors Improve Reliability for Wind Turbine Pitch Systems, White Paper; Maxwell Technologies: San Diego, CA, USA, 2015. [Google Scholar]
- Lee, J. Ultracapacitor Applications for Uninterruptible Power Supplies (UPS), White Paper; Maxwell Technologies: San Diego, CA, USA, 2015. [Google Scholar]
- Rawat, M.S.; Vadhera, S. A comprehensive review on impact of wind and solar photovoltaic energy sources on voltage stability of power grid. J. Eng. Res. 2019, 7, 178–202. [Google Scholar]
- Joshi, P.S.; Sutrave, D.S. Supercapacitor: Basics and Overview. J. Inf. Comput. Sci. 2019, 9, 609–625. [Google Scholar]
- Berrueta, A.; Ursúa, A.; San Martín, I.; Eftekhari, A.; Sanchis, P. Supercapacitors: Electrical characteristics, modeling, applications, and future trends. IEEE Access 2019, 7, 50869–50896. [Google Scholar] [CrossRef]
- Ridden, P. Helium Bluetooth Speakers Powered by Supercapacitors, November 2013. Available online: https://newatlas.com/helium-capacitor-powered-speakers/29938/ (accessed on 29 October 2021).
- Farhadi, M.; Mohammed, O. Adaptive Energy Management in Redundant Hybrid DC Microgrid for Pulse Load Mitigation. IEEE Trans. Smart Grid 2015, 6, 54–62. [Google Scholar] [CrossRef]
- Liszewski, A. Coleman FlashCell Cordless Screwdriver Recharges in Just 90 Seconds. 2007. Available online: https://ohgizmo.com/coleman-flashcell-cordless-screwdriver-recharges-in-just-90-seconds (accessed on 30 October 2021).
- Ghazanfari, A.; Hamzeh, M.; Mokhtari, H.; Karimi, H. Active Power Management of Multihybrid Fuel Cell/Supercapacitor Power Conversion System in a Medium Voltage Microgrid. IEEE Trans. Smart Grid 2012, 3, 1903–1910. [Google Scholar] [CrossRef]
- Tecate Group. Military Applications. Available online: https://www.tecategroup.com/markets/?market=Military-Aerospace (accessed on 29 October 2021).
- First One up the Drive: A New Sort of Storage Device Gives Lithium-Ion Batteries a Run for Their Money. The Economist 2014.
- Rhein-Neckar Verkehr Orders More Supercapacitor Trams. Railway Gazette, 5 April 2011. Available online: https://www.railwaygazette.com/rhein-neckar-verkehr-orders-more-supercapacitor-trams/35818.article (accessed on 11 December 2021).
- Härri, V.; Eigen, S.; Zemp, B.; Carriero, D. Kleinbus “TOHYCO-Rider” mit SAM-Superkapazitätenspeicher, Jahresbericht 2003-Programm “Verkehr & Akkumulatoren”, HTA Luzern; Fachhochschule Zentralschweiz: Luzern, Germany, 2003. [Google Scholar]
- Toyota Corporation. History of Toyota Hybrid System-Racing (THS-R). Challenges, 4 August 2017. Available online: https://global.toyota/en/prius20th/challenge/ths-r/ (accessed on 29 October 2021).
- Burke, A.F. Batteries and Ultracapacitors for Electric, Hybrid, and Fuel Cell Vehicles. Proc. IEEE 2007, 95, 806–820. [Google Scholar] [CrossRef]
- Kongats, A. Cap-XX Supercapacitors for Automotive & Other Vehicle Applications, Presentation, March 2012. Available online: https://www.kenafpartnersusa.com/support-files (accessed on 29 October 2021).
- Kramer, A.E. Billionaire Backs a Gas-Electric Hybrid Car to Be Built in Russia. The New York Times, 13 December 2010. [Google Scholar]
- Namirian, Z. Comprehensive overview of hybrid vehicle drivetrains. Int. Res. J. Eng. Technol. (IRJET) 2020, 7, 1–10. [Google Scholar]
- Balali, Y.; Stegen, S. Review of energy storage systems for vehicles based on technology, environmental impacts, and costs. Renew. Sustain. Energy Rev. 2021, 135, 110185. [Google Scholar] [CrossRef]
- Al Sakka, M.; Van Mierlo, J.; Gualous, H.; Brussel, U. DC/DC converters for electric vehicles. Electr. Veh.-Model. Simul. 2011, 100, 466. [Google Scholar]
- Kumar, D.; Nema, R.K.; Gupta, S. A comparative review on power conversion topologies and energy storage system for electric vehicles. Int. J. Energy Res. 2020, 44, 7863–7885. [Google Scholar] [CrossRef]
- Cameron, D.S. Fuel cells science and technology 2010. Platin. Met. Rev. 2011, 55, 108–116. [Google Scholar] [CrossRef]
- McConnell, V.P. Rapid refill, high uptime: Running forklifts with fuel cells. Fuel Cells Bull. 2010, 10, 12–19. [Google Scholar] [CrossRef]
- Tran, D.D.; Vafaeipour, M.; El Baghdadi, M.; Barrero, R.; Van Mierlo, J.; Hegazy, O. Thorough state-of-the-art analysis of electric and hybrid vehicle powertrains: Topologies and integrated energy management strategies. Renew. Sustain. Energy Rev. 2020, 119, 109596. [Google Scholar] [CrossRef]
- Lü, X.; Qu, Y.; Wang, Y.; Qin, C.; Liu, G. A comprehensive review on hybrid power system for PEMFC-HEV: Issues and strategies. Energy Convers. Manag. 2018, 171, 1273–1291. [Google Scholar] [CrossRef]
- Ma, T.; Yang, H.; Lu, L. Development of hybrid battery–supercapacitor energy storage for remote area renewable energy systems. Appl. Energy 2015, 153, 56–62. [Google Scholar] [CrossRef]
- Etxerberria, A.; Vechiu, I.; Vinassa, J.M.; Camblong, H. Hybrid energy storage systems for renewable energy sources integration in microgrids: A Review. In Proceedings of the 2010 Conference Proceedings IPEC, Singapore, 27–29 October 2010; pp. 144–149. [Google Scholar]
- Zimmermann, T.; Keil, P.; Hofmann, M.; Horsche, M.F.; Pichlmaier, S.; Jossen, A. Review of system topologies for hybrid electrical energy storage systems. J. Energy Storage 2016, 8, 78–90. [Google Scholar] [CrossRef]
- Jing, W.; Lai, C.H.; Wong, W.S.H.; Wong, M.L.D. A comprehensive study of battery-supercapacitor hybrid energy storage system for stand-alone PV power system in rural electrification. Appl. Energy 2018, 224, 340–356. [Google Scholar] [CrossRef]
- Javed, K.; Ashfaq, H.; Singh, R.; Hussain, S.M.; Ustun, T.S. Design and performance analysis of a stand-alone PV system with hybrid energy storage for rural India. Electronics 2019, 8, 952. [Google Scholar] [CrossRef] [Green Version]
- Şahin, M.E.; Blaabjerg, F.; Sangwongwanich, A. Modelling of supercapacitors based on the simplified equivalent circuit. CPSS Trans. Power Electron. Appl. 2021, 6, 31–39. [Google Scholar] [CrossRef]
- Guide Product, Maxwell Technologies BOOSTCAP Ultracapacitors; Doc. No. 1014627.1; Maxwell Technologies: San Diego, CA, USA, 2009. [Google Scholar]
- Linzen, D.; Buller, S.; Karden, E.; De Doncker, R.W. Analysis and Evaluation of Charge-Balancing Circuits on Performance, Reliability, and Lifetime of Supercapacitor Systems. IEEE Trans. Ind. Appl. 2005, 41, 1135–1141. [Google Scholar] [CrossRef]
- Kularatna, N.; Fernando, L.J. Power and Telecommunication Surge Protection Apparatus. NZ Patent 604 332, 9 January 2014. [Google Scholar]
- AliExpress, 2.7V 350 F 6 String Super Capacitor Balance Protection Board. Available online: https://www.aliexpress.com/item/1Pcs-2-7V-350F-6-String-Super-Capacitor-Balance-Protection-Board-Ultracapacitor/32818635956.html (accessed on 2 December 2021).
- Inventlab GmbH Corporation. PC104 UPSU Is a Modular Power Supply Solution with UPS and ATX Modules. Available online: https://www.pc104-upsu.com/ (accessed on 30 August 2021).
- Liu, Y.; Wu, Q.; Liu, L.; Manasa, P.; Kang, L.; Ran, F. Vanadium nitride for aqueous supercapacitors: A topic review. J. Mater. Chem. A 2020, 8, 8218–8233. [Google Scholar] [CrossRef]
Publisher’s Note: MDPI stays neutral with regard to jurisdictional claims in published maps and institutional affiliations. |
© 2022 by the authors. Licensee MDPI, Basel, Switzerland. This article is an open access article distributed under the terms and conditions of the Creative Commons Attribution (CC BY) license (https://creativecommons.org/licenses/by/4.0/).


















