Next Article in Journal
Assessment of Explosion Safety Status within the Area of an LNG Terminal in a Function of Selected Parameters
Previous Article in Journal
Pore Water and Its Influences on the Nanopore Structures of Deep Longmaxi Shales in the Luzhou Block of the Southern Sichuan Basin, China
Previous Article in Special Issue
Mixed H2/H Optimal Voltage Control Design for Smart Transformer Low-Voltage Inverter
 
 
Font Type:
Arial Georgia Verdana
Font Size:
Aa Aa Aa
Line Spacing:
Column Width:
Background:
Article

Control-Based Two-Layer Protection for Short-Circuit Fault at an LVDC Feeder Branch

1
Key Laboratory of More Electric Aircraft Technology of Zhejiang Province, Department of Electrical and Electronic Engineering, University of Nottingham, Ningbo 315104, China
2
Maschinenfabrik Reinhausen GmbH, 93059 Regensburg, Germany
3
Power Electronics, Machines and Control Group, University of Nottingham, Nottingham NG7 2RD, UK
*
Author to whom correspondence should be addressed.
Energies 2022, 15(11), 4054; https://doi.org/10.3390/en15114054
Submission received: 22 April 2022 / Revised: 11 May 2022 / Accepted: 23 May 2022 / Published: 31 May 2022
(This article belongs to the Special Issue Smart Transformers and Their Role in Smart Grids)

Abstract

:
Low-voltage dc distribution offers high efficiency for grid integration of dc-based technologies such as photovoltaic and battery storage systems and new loads such as charging stations for electric vehicles due to reduced number of conversion stages. However, the selection of protection devices, protection coordination and selectivity is still subject to research. This work proposes to use a two-layer protection technique utilizing the control capability of power converters in case of a short-circuit fault at branch level of a low voltage dc feeder. The first layer is limiting the bus current using a virtual resistance in the droop control to avoid tripping of the grid-forming converter. The second layer implements a soft fuse tripping technique for selectivity. The control concept is presented and the system stability is analyzed using impedance-based stability analysis. Experimental results on a hardware-in-the-loop setup verify the findings.

1. Introduction

With the goal to reduce carbon emissions for limiting the effects of global warming and the growing interest in being largely independent of energy imports for political reasons, the importance of renewable energy, electrification of transportation and solutions for efficient and reliable grid integration is increasing [1]. The use of dc distribution in addition to ac can be advantageous considering that photovoltaic and battery storage systems as new backbones of electric power supply and loads such as electric vehicle chargers are dc-based technologies. Less conversion stages are required in dc distribution for grid integration of such systems, thus avoiding conversion losses and increasing efficiency [2]. A voltage level of up to 1500 V can be adopted in order to increase the transmittable power without leaving the low voltage level [3]. Besides, a bipolar system can be used so as to increase the number of utilizable voltage levels.
LVDC distribution requires power converters to supply and control the dc grid voltage and, if not operated as isolated systems, the grid-forming converters can serve as connection point to the existing ac grid infrastructure. These power converters can be voltage source converters (VSC) connected to the ac grid via a transformer in order to provide a galvanic isolation. An upcoming solution is the SST [4] that is a modular converter concept, inherently galvanically isolated due to the use of medium-frequency transformers, offering lower volume and weight as well as reduced losses in comparison to the VSC solution.
While the advantages of employing LVDC distribution in the case that interfaced systems are mainly dc-based are clear, for example, to connect multiple (fast) charging stations to the grid, challenges still exist in the availability and selection of protection devices, their coordination and the realization of selectivity [5]. Significant research has been carried out in this field already. In [6], a protection scheme utilizing current interrupting devices, protective relays, measurement equipment, and grounding has been proposed. However, this method suffers from problems to detect high impedance faults. Thus, in [7] a method to detect these high impedance faults using periodically forced harmonic oscillator and bifurcation theory is presented. In order to increase the selectivity an improved strategy is shown in [8]. Another advanced protection scheme is presented in [3] but besides the need of communication, such solutions that adopt ac protection schemes require fast dc breakers meeting the requirements of the IEC 60898-3 standard [9], which are not readily available and costly. In addition, the standard only applies to circuit breakers for up to 440 V. In contrast, dc fuses are a cheap protection device and it is shown in [10] that they can be used for the protection of radial dc grids. However, power converters are fast-acting in over-current situations to protect themselves in respect to their limited over-current capability, and, as controlled devices, should directly participate in the protection scheme.
This work proposes to use the control capability of power converters for protection against short-circuit faults in the branches of an LVDC feeder by implementing a two-layer protection technique. Assuming that droop control is implemented for voltage control, a virtual resistance method is used as the first layer of the protection technique to limit the LVDC bus current in case of a short-circuit fault in one of the feeder branches and to avoid tripping of the grid-forming VSC. For the second layer, a soft fuse tripping method is proposed that is implemented in the converter control of the dc–dc converters emulating the physical behavior of dc fuses but allowing for parameter adjustments. The considered LVDC feeder is supplied by a VSC and several charging stations are connected by dc–dc converters at its branches. In this scenario, the short-circuit fault at a feeder branch and its protection procedure are investigated. The purpose is to achieve fast reaction on the fault, meanwhile, tripping of the grid-forming VSC is avoided. To facilitate the analysis, an ideal grid on the LVAC side is assumed. The proposed method can be an addition to the existing circuit breakers. It increases the reliability of the system by adding more layers of protection and also reduces the number of times the circuit breakers have to trip, which further increases the reliability. On top of that, this method is control-based and does not require any additional components or communication, and thus comes with zero costs.
An initial version of the manuscript including the proposed method was presented in [11], this version further extends with a generalized short-circuit fault analysis followed by a more comprehensive stability analysis and HIL-based experimental verification. The paper is organized as follows. In Section 2, the normal operation conditions of the voltage droop controlled grid-forming VSC are investigated. Section 3 analyzes the steady-state of the circuit in no-fault and short-circuit fault situations, and the range of virtual resistance to suppress the bus current of the fault situation is derived. Moreover, the proposed two-layer protection technique is discussed. The specifications of the LVDC feeder are listed in Section 4. Based on these, the dc-side output impedance model of the voltage droop controlled grid-forming VSC is proposed and verified, and the system stability and transient performance are investigated in Section 5. Section 6 presents the experimental results and conclusions are drawn in Section 7.

2. Normal Operation Conditions of Droop Controlled Grid-Forming VSC

Before investigating the short-circuit fault at an LVDC feeder branch, the normal operation conditions of droop controlled grid-forming VSC needs to be computed firstly. If the power demand of the loads exceeds the maximum output power, the LVDC feeder voltage will collapse and lose the controllability. Figure 1 shows the control structure of a voltage droop controlled grid-forming VSC. V an , V bn and V cn are the phase voltages, I a , I b and I c are the phase currents flowing from ac side to dc side, L a , L b and L c are the filter inductance, R a , R b and R c are the filter resistance. I o is the output current of VSC, C dc is the dc side capacitance of rectifier, V dc and I dc are the voltage and current of dc bus, I d and I q are the phase current in dq domain, V d and V q are the output of current controller, R v is the virtual resistance for droop control and θ is the angle generated by PLL. In this case, I q is set to zero to maximize the active power.
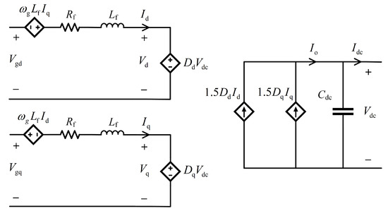
With the assumption that the grid is ideal, the phase components can be converted into the ones in d-q domain through the Clarke-Park transformation. The open-loop model of the VSC is presented in Figure 2, where ω g is the fundamental frequency of the grid, R f and L f are the diagonal equivalent resistance and inductance of the filter of VSC in dq domain, D d and D q are the corresponding duty cycle of V d and V q . V gd and V gq are the grid phase voltage in dq domain, given as
V gd V gq = 2 3 cos θ sin θ cos ( θ 2 π 3 ) sin θ 2 π 3 cos θ + 2 π 3 sin θ + 2 π 3 T V an V bn V cn
By applying the KVL, the voltage equations in Figure 2 can be obtained as
V d = R f + s L f I d + ω g L f I q + V gd V q = R f + s L f I q ω g L f I d + V gq
At the steady state, I q is equal to zero and I o = I dc , the equation of active power is given as
P = 1.5 I d V d = V dc * I dc R v I dc
Firstly, the active power limited by dc side is considered. To guarantee that I dc has real solutions, the following inequality must be satisfied:
( V dc * ) 2 4 R v P 0
Hence, the range of active power is given as
P 0 , ( V dc * ) 2 4 R v
Secondly, the limitation of active power by AC side needs to be computed. By replacing V d in (3) with (2), the equation of active power becomes
P = 1.5 R f I d 2 + 1.5 V gd I d = 1.5 R f I d V gd 2 R f 2 + 3 V gd 2 8 R f
By observing the equation above, the range of active power depending on I d can be calculated as
P ( I d ) 0 , 3 V gd 2 8 R f I d 0 , V gd R f
Therefore, on the premise that the VSC is individually stable, the maximum output power of VSC can be concluded by referring the calculated ranges above, shown as
P max = min ( V dc * ) 2 4 R v , 3 V gd 2 8 R f
Besides, it is worth mentioning that the output voltage of VSC has minimum value regarding the modulation method, and being lower than minimum value will also make the VSC lose the controllability. Hence, the virtual resistance is limited by the minimum value of the output voltage which will be presented in the following analysis.

3. Short-Circuit Fault Analysis and Protection

In this section, the DAB converter represents a controlled dc–dc converter, and it is considered as a use case for the charging stations connecting to the feeder of the LVDC distribution, that often require a galvanic separation between the car and the line. The choice of the dc–dc converter topology minimally affects the following analysis. The steady state analysis is done when short-circuit fault happens to one of the charging stations. With the analysis, the protection techniques are proposed.

3.1. Short-Circuit Fault Analysis

Short-circuit currents and characteristics can be obtained by applying the IEC 61660 standard [12]. However, Ref. [13] shows that the real short-circuit current can be considerably different from that. Hence, for this study, an example network (Figure 3) will be used utilizing a charging stations at the LVDC feeder. In this figure X bus is the cable inductance and resistance of the dc bus, C bus is the filter capacitance of the dc bus, R branch , C branch and L branch form the cable impedance of each charging station branch, and C i is the input capacitance of DAB converters.
Assume that there are n charging stations connected to the LVDC feeder, the dc bus current I dc can be given as
I dc = k = 1 n I dc , k
where I dc , k is the input dc current of branch k. It can be seen from Figure 3 that the voltage of the LVDC feeder is exactly the input voltage of each branch, calculated as
V bus = I dc , k R branch , k + P dab , k I dc , k , k 1 , n
Considering that the j th branch has short-circuit fault at one moment and has low short resistance R short , meanwhile, the system power does not exceed the maximum power and the system is stable, at steady state it exists
I dc , k R branch , k + P dab , k I dc , k = I dc , j ( R branch , j + R short ) , k j
where I d , j is the short-circuit current. By re-arranging the above equation, the dc bus current during short-circuit fault can be represented as
I dc = k j n I dc , k 2 R branch , k + P dab , k I dc , j ( R branch , j + R short ) + I dc , j
Since the power losses on the branch cable is very small, it exists P dab , k I dc , k 2 R branch , k , and the above equation can be further simplified as
I dc k j n P dab , k I dc , j R branch , j + R short + I dc , j
Hereto, the relationship between the dc bus current I dc and the short-circuit current I dc , j of the j th branch becomes explicit. To check the detailed influence of the short-circuit current I dc , j to the dc bus current I dc , the derivative of I dc to I dc , j is taken and given as
I dc I dc , j = 1 k j n P dab , k I dc , j 2 R branch , j + R short = 1 k j n P dab , k P short
where P short is the power of short-circuit branch. As I dc , j is non-negative, it is easy to find the above derivative is monotonically increasing. The minimum value of I dc is influenced by the value of I dc , j , where the situation needs to be discussed by comparing the power of short-circuit branch and the power of other no-fault branches:
I dc , min = 2 k j n P dab , k R branch , j + R short , if P short , min k j n P dab , k k j n P dab , k P short , min R branch , j + R short + P short , min R branch , j + R short , if P short , min > k j n P dab , k
where P short , min is the minimum value of P short . It can be concluded from above equations that the minimum value of I dc depends on the threshold that if the minimum power of short-circuit fault branch is larger than the sum of power of other no-fault branches, i.e., if the proportion of P short , min to system total power exceeds 50 percent or not.
The value of P short , min is determined by the short-circuit resistance R short and the minimum dc bus voltage during the fault. Regarding the short-circuit resistance is fixed, the minimum dc bus voltage V bus , min becomes the only factor to influence the value, which depends on the modulation method of grid-forming VSC. Considering that the cross-section of bus cable is designed large for high current, the bus resistance R bus can be very small and the voltage drop on it can be ignored. Therefore, the minimum dc bus voltage generated by the SPWM and SVPWM are given as follows:
V bus , min V dc , min = 2 V gd using SPWM 1.732 V gd using SVPWM
In this paper, the SPWM is adopted for the VSC. With the known value of V bus , min , the value of P short , min and the minimum value of I dc , j can be calculated, shown as
I dc , j , min = P short , min R branch , j + R short where P short , min = 2 V gd 2 R branch , j + R short

3.2. Protection Techniques

Combined with the analysis above, the protection techniques are proposed to reduce the bus current in a fault condition. The protection procedure is divided into two layers:
  • The first layer: voltage droop control-based bus current limiting.
  • The second layer: soft fuse tripping.
When a short-circuit fault occurs in one branch, the first layer is activated and the bus current is limited by the virtual resistance for a moment. After that, the second layer is activated so that the fault branch is tripped by the control of soft fuse, protecting the other power electronics in the system. Furthermore, depending on the fault conditions, the control reaction of the grid-forming VSC can be insufficient to stabilize the system. An ac breaker is required for this case on the ac side of the VSC to completely de-energize the dc bus. Since it implies a disruption of the ac service, this operation will not be covered in the paper.

3.2.1. Voltage Droop Control-Based Bus Current Limiting

It is well known that the droop control is a good approach to achieve power sharing among multiple sources. In this paper, another advantage of the voltage droop control by source side is depicted, i.e., bus current reduction by the proper virtual resistance during the short-circuit fault. With this benefit, it can avoid tripping of grid-forming VSC itself. In no-fault situation, the system power is nearly constant regardless of R v . Referring to (5), the value of R v is constrained for real solutions of I dc , shown as the following inequality:
R v V dc * 2 4 m = 1 n P dab , m R bus
When the short-circuit fault happens to one branch, the system power is not constant anymore that can be influenced by R v . The effective range of R v to limit the bus current during the fault is given as
R v V dc * 2 V gd I dc , min

3.2.2. Soft Fuse Tripping

The fuses are regarded as one main protection device in grid application. The fuse is formed by a fuse link and heat-absorbing material that suppresses the arc [6]. However, it is also known that the physical fuses have large time constants. In this paper, a control-based soft fuse tripping approach is proposed as the second layer protection for the system. The control mimics the physical characteristic of the fuse but is also more flexible since the parameters can be adjusted. Figure 4 shows the control schematic of the soft fuse tripping, where I + and I are the bus currents and I rated is the rated RMS current and a is the pre-arc value referring to the datasheet of fuse [14].

4. Specifications

In this section, the specifications of the grid-forming VSC, DAB converter interfaced with charging stations and cables are given as Table 1, Table 2 and Table 3. The voltage and current controller of VSC is designed according to the ’symmetrical optimum’ principle [15]. In this case, to facilitate the analysis and computation, two load DAB converters with same specification are considered connecting to the LVDC feeder. With the provided specifications, the range of virtual resistance can be calculated, given as
R v 0.78 for real solutions of I dc 0.2 for effective range of current limiting

5. The Influence of Virtual Resistance on System Stability

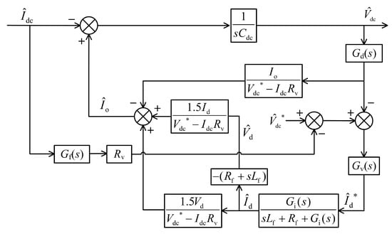
Beside the limitation by the circuit parameters, the influence of virtual resistance on system stability becomes another concern. Usually, the transients of a system can be improved by increasing the controller bandwidth, indicating better performance on dynamics. However, this also brings the system to instability [16]. Not only that, the addition of virtual resistance also deteriorates the system stability [11,17]. Hence, there is trade-off between system stability and performance. In this paper, the system stability is analyzed during the no-fault situation only because the fault situation is short and will be terminated by the soft fuse tripping. The impedance-based stability analysis is adopted. The dc side output impedance of PMSG has been derived in [18] and verified in [16]. By neglecting the dynamics of PLL, the dc side output impedance of grid-forming VSC is similar to the one of PMSG where the control is voltage-oriented rather than field-oriented. Referring to the impedance model in [18], the transfer function block scheme of the voltage droop controlled VSC is proposed in Figure 5. Hence, the output impedance of grid-forming VSC can be calculated as
Z o = G f ( s ) R v G v ( s ) G i ( s ) 1.5 V d 1.5 ( R f + s L f ) I d + ( V dc * I dc R v ) G i ( s ) + R f + s L f s C dc ( V dc * I dc R v ) + G d ( s ) I o G i ( s ) + R f + s L f + G d ( s ) G v ( s ) G i ( s ) 1.5 V d 1.5 ( R f + s L f ) I d
To validate the output impedance of voltage droop controlled grid-forming VSC, a switching model is built in PLECS. By adding a current source containing both dc and an ac sinusoidal component to the output of the VSC, the output impedance at specific frequency can be calculated. Figure 6 shows the validation results, a good match can be seen between proposed model and PLECS measurements. It also can be seen that the low frequencies of output impedance are dominated by the virtual resistance R v . The input impedance of DAB converter has been derived in [19] and verified in [16]. The derivation process is omitted here.
With the obtained impedance model of grid-forming VSC and DAB converter, the stability analysis can be carried out with Nyquist criterion, which is a sufficient and necessary condition for a stable system. To better observe the influence of virtual resistance and current controller bandwidth on system stability, the low-pass filter G f ( s ) of virtual resistance is temporarily removed during plotting Nyquist curves. Figure 7 shows the Nyquist contour of system minor loop gain with different value of R v at rated power. It can be seen that the system tends to instability by increase of R v . Figure 8 shows the Nyquist contour with different bandwidth of current controller at rated power with R v equal to 0.2 Ω . It is noted that the increase of bandwidth makes the system go to instability.
On the other hand, since the Nyquist contour can hardly reflect the transient performance of system by varying virtual resistance or bandwidth of current controller, the system is simulated in time domain by PLECS. A load step is given from 50 kW to 100 kW to observe the transients of output voltage and current of VSC, shown as Figure 9 and Figure 10. It can be seen that the transients can be improved with larger virtual resistance and higher bandwidth of current controller. Hence, in system design, the virtual resistance and the control parameters must be adjusted to meet the requirements of stability and transient performance.

6. Experimental Verification

Considering the difficulty of verifying the results in previous section with practical circuit, in this section, the experiment is carried out with RTBox-based HIL. The real-time simulation step is set as 10 μ s. The turn-on delay of switch is set as 0.25 μ s. The effect of protection techniques is investigated with no virtual resistance, virtual resistance equal to 0.1 Ω and equal to 0.2 Ω . Figure 11, Figure 12 and Figure 13 show the output waveforms of grid-forming VSC in these three cases. By comparing these three figures, it can be seen that the virtual resistance can effectively reduce the bus current during short-circuit fault which starts at t = 0.1 s.
In addition, it can be seen in Figure 13 that the output voltage of VSC reaches around 650 V when R v is equal to 0.2 Ω during the fault, validating the calculated results of analysis section. Moreover, it can be seen that with the increase of virtual resistance, the voltage overshoot after the soft fuse tripping is reduced, indicating that the larger virtual resistance improves the transient performance, which is consistent to the conclusion obtained from Figure 9.

7. Conclusions

This paper proposes a two-layer protection technique for the short-circuit fault at LVDC feeders, which can be regarded as a possible ancillary service to avoid the tripping at LVAC side of the grid-forming VSC. Firstly, the conditions for normal operation of droop controlled grid-forming VSC are given. Then, the system during short-circuit fault is analyzed, and the virtual resistance for minimizing bus current is computed while the controllability of VSC is not lost. Meanwhile, a two-layer protection technique is proposed to limit bus current during short-circuit fault and disconnect the short-circuit branch by a ’virtual fuse’. Furthermore, the system stability is well considered regarding the introduction of virtual resistance. The impedance-based stability analysis is carried out to highlight that the larger virtual resistance improves the transients and brings the system to instability. Hence, a trade-off among bus current limiting, transient performance and system stability exists, and it can be further investigated for system optimization. Last, the experimental verification is done by HIL based on PLECS RT Boxes. The experimental results are well matched with the analyzed results, proving that the analyses are properly conducted.

Author Contributions

Conceptualization, G.B.; methodology, G.B. and J.Y.; software, J.Y.; validation, J.Y.; formal analysis, J.Y.; investigation, J.Y.; data resources, S.B.; writing—original draft preparation, J.Y.; writing—review and editing, S.B. and S.G.; supervision, G.B., C.G. and P.W.; project administration, G.B.; funding acquisition, G.B. All authors have read and agreed to the published version of the manuscript.

Funding

The authors gratefully acknowledge funding by the German Federal Ministry of Education and Research (BMBF) within the Kopernikus Project ENSURE ‘New ENergy grid StructURes for the German Energiewende’.

Institutional Review Board Statement

Not applicable.

Informed Consent Statement

Not applicable.

Data Availability Statement

Not applicable.

Conflicts of Interest

The authors declare no conflict of interest.

Abbreviations

The following abbreviations are used in this manuscript:
SSTSolid state transformer
LVDCLow-voltage dc
LVACLow-voltage ac
HVHigh-voltage
MVMedium-voltage
HILHardware-in-the-loop
VSCVoltage source converter
PMSGPermanent magnet synchronous generator
DABDual active bridge
SPWMSinusoidal pulse width modulation
SVPWMSpace vector pulse width modulation

References

  1. Buticchi, G.; Lam, C.S.; Xinbo, R.; Liserre, M.; Barater, D.; Benbouzid, M.; Gomis-Bellmunt, O.; Ramos-Paja, C.A.; Kumar, C.; Zhu, R. The Role of Renewable Energy System in Reshaping the Electrical Grid Scenario. IEEE Open J. Ind. Electron. Soc. 2021, 2, 451–468. [Google Scholar] [CrossRef]
  2. Lotfi, H.; Khodaei, A. AC Versus DC Microgrid Planning. IEEE Trans. Smart Grid 2017, 8, 296–304. [Google Scholar] [CrossRef]
  3. Emhemed, A.A.; Burt, G.M. An advanced protection scheme for enabling an LVDC last mile distribution network. IEEE Trans. Smart Grid 2014, 5, 2602–2609. [Google Scholar] [CrossRef] [Green Version]
  4. Ferreira Costa, L.; De Carne, G.; Buticchi, G.; Liserre, M. The Smart Transformer: A solid-state transformer tailored to provide ancillary services to the distribution grid. IEEE Power Electron. Mag. 2017, 4, 56–67. [Google Scholar] [CrossRef] [Green Version]
  5. Emhemed, A.A.S.; Fong, K.; Fletcher, S.; Burt, G.M. Validation of Fast and Selective Protection Scheme for an LVDC Distribution Network. IEEE Trans. Power Deliv. 2017, 32, 1432–1440. [Google Scholar] [CrossRef] [Green Version]
  6. Salomonsson, D.; Söder, L.; Sannino, A. Protection of low-voltage DC microgrids. IEEE Trans. Power Deliv. 2009, 24, 1045–1053. [Google Scholar] [CrossRef]
  7. Ahmadi, S.; Sadeghkhani, I.; Shahgholian, G.; Fani, B.; Guerrero, J.M. Protection of LVDC Microgrids in Grid-Connected and Islanded Modes Using Bifurcation Theory. IEEE J. Emerg. Sel. Top. Power Electron. 2021, 9, 2597–2604. [Google Scholar] [CrossRef]
  8. Yang, J.; Yuan, D.; Liu, Y.; Peng, S.; Wu, Y.; Yang, F. Selective protection strategy for short-circuit faults in LVDC distribution system. In Proceedings of the 16th IET International Conference on AC and DC Power Transmission (ACDC 2020), Online, 2–3 July 2020; Volume 2020, pp. 1576–1581. [Google Scholar] [CrossRef]
  9. International Electrotechnical Commission. Electrical Accessories—Circuit-Breakers for Overcurrent Protection for Household and Similar Installations—Part 3: Circuit-Breakers for DC Operation; Standard IEC 60898-3:2019; International Electrotechnical Commission: Geneva, Switzerland, 2019. [Google Scholar]
  10. Ravyts, S.; Broeck, G.V.D.; Hallemans, L.; Vecchia, M.D.; Driesen, J. Fuse-Based Short-Circuit Protection of Converter Controlled Low-Voltage DC Grids. IEEE Trans. Power Electron. 2020, 35, 11694–11706. [Google Scholar] [CrossRef]
  11. Yang, J.; Buticchi, G.; Gu, C.; Wheeler, P.; Brüske, S. Active Rectifier Control for Selective Fuse Tripping in a DC Microgrid. In Proceedings of theIECON 2021—47th Annual Conference of the IEEE Industrial Electronics Society, Toronto, ON, Canada, 13–16 October 2021; pp. 1–6. [Google Scholar] [CrossRef]
  12. International Electrotechnical Commission. Short-Circuit Currents in d.c. Auxiliary Installations in Power Plants and Substations—Part 1: Calculation of Short-Circuit Currents; Standard IEC 61660-1:1997:1997; International Electrotechnical Commission: Geneva, Switzerland, 1997. [Google Scholar]
  13. Emhemed, A.; Burt, G. The effectiveness of using IEC61660 for characterising short-circuit currents of future low voltage DC distribution networks. In Proceedings of the 22nd International Conference and Exhibition on Electricity Distribution (CIRED 2013), Stockholm, Sweden, 10–13 June 2013; pp. 1–4. [Google Scholar] [CrossRef] [Green Version]
  14. Eaton. Bussmann Series: IEC High Speed Fuse Links Catalogue; Eaton: Dublin, Ireland, 2020. [Google Scholar]
  15. Teodorescu, R.; Liserre, M.; Rodríguez, P. Grid Converters for Photovoltaic and Wind Power Systems; John Wiley & Sons, Ltd.: Chichester, UK, 2011. [Google Scholar] [CrossRef]
  16. Yang, J.; Yan, H.; Gu, C.; Wang, S.; Zhao, W.; Wheeler, P.; Buticchi, G. Modeling and Stability Enhancement of a Permanent Magnet Synchronous Generator Based DC System for More Electric Aircraft. IEEE Trans. Ind. Electron. 2022, 69, 2511–2520. [Google Scholar] [CrossRef]
  17. Gao, F.; Bozhko, S. Modeling and Impedance Analysis of a Single DC Bus-Based Multiple-Source Multiple-Load Electrical Power System. IEEE Trans. Transp. Electrif. 2016, 2, 335–346. [Google Scholar] [CrossRef] [Green Version]
  18. Yang, J.; Buticchi, G.; Gu, C.; Wheeler, P. Impedance-based stability analysis of permanent magnet synchronous generator for the more electric aircraft. In Proceedings of the 2021 IEEE Workshop on Electrical Machines Design, Control and Diagnosis (WEMDCD), Modena, Italy, 8–9 April 2021; pp. 181–185. [Google Scholar] [CrossRef]
  19. Yang, J.; Buticchi, G.; Yan, H.; Gu, C.; Zhang, H.; Wheeler, P. Impedance-based sensitivity analysis of dual active bridge DC-DC converter. In Proceedings of the 2019 IEEE 13th International Conference on Compatibility, Power Electronics and Power Engineering (CPE-POWERENG), Sonderborg, Denmark, 23–25 April 2019; pp. 1–5. [Google Scholar] [CrossRef]
Figure 1. The control structure of a voltage droop controlled grid-forming VSC.
Figure 1. The control structure of a voltage droop controlled grid-forming VSC.
Energies 15 04054 g001
Figure 2. The open-loop model of the VSC.
Figure 2. The open-loop model of the VSC.
Energies 15 04054 g002
Figure 3. An example network of charging stations at the LVDC feeder.
Figure 3. An example network of charging stations at the LVDC feeder.
Energies 15 04054 g003
Figure 4. The control schematic of the soft fuse tripping.
Figure 4. The control schematic of the soft fuse tripping.
Energies 15 04054 g004
Figure 5. The proposed transfer function block scheme of voltage droop controlled grid-forming VSC.
Figure 5. The proposed transfer function block scheme of voltage droop controlled grid-forming VSC.
Energies 15 04054 g005
Figure 6. The output impedance validation of voltage droop controlled grid-forming VSC.
Figure 6. The output impedance validation of voltage droop controlled grid-forming VSC.
Energies 15 04054 g006
Figure 7. The Nyquist contour of system minor loop gain with different virtual resistance at rated power.
Figure 7. The Nyquist contour of system minor loop gain with different virtual resistance at rated power.
Energies 15 04054 g007
Figure 8. The Nyquist contour of system minor loop gain with different bandwidth of current controller at rated power with R v equal to 0.2 ohm.
Figure 8. The Nyquist contour of system minor loop gain with different bandwidth of current controller at rated power with R v equal to 0.2 ohm.
Energies 15 04054 g008
Figure 9. The transients as load steps from 50 kW to 100 kW with different virtual resistance.
Figure 9. The transients as load steps from 50 kW to 100 kW with different virtual resistance.
Energies 15 04054 g009
Figure 10. The transients as load steps from 50 kW to 100 kW with different bandwidth of current controller.
Figure 10. The transients as load steps from 50 kW to 100 kW with different bandwidth of current controller.
Energies 15 04054 g010
Figure 11. Output voltage and output current of grid-forming VSC without R v .
Figure 11. Output voltage and output current of grid-forming VSC without R v .
Energies 15 04054 g011
Figure 12. Output voltage and output current of grid-forming VSC when R v is 0.1 Ω .
Figure 12. Output voltage and output current of grid-forming VSC when R v is 0.1 Ω .
Energies 15 04054 g012
Figure 13. Output voltage and output current of grid-forming VSC when R v is 0.2 Ω .
Figure 13. Output voltage and output current of grid-forming VSC when R v is 0.2 Ω .
Energies 15 04054 g013
Table 1. Parameters of grid-forming VSC.
Table 1. Parameters of grid-forming VSC.
SymbolDefinitionValue
V g Grid voltage (RMS)230 V
R f Filter resistance0.02 Ω
L f Filter inductance200 μ H
f sw , vsc Switching frequency10 kHz
G i Current controller K p = 1.3 , K i = 125.7
G v Voltage controller K p = 1.9 , K i = 631.1
V dc Output voltage800 V
C dc Output capacitance2 mF
G f First-order low-pass filter200 rad/s (cut-off frequency)
Table 2. Parameters of DAB converters.
Table 2. Parameters of DAB converters.
SymbolDefinitionValue
nNumber of DAB converters2
C i Input capacitance1 mF
f sw , dab Switching frequency50 kHz
L lk Leakage inductance10 μ F
NTurn ratio of transformer1
V o Output voltage800 V
C o Output capacitance1 mF
G v Voltage controller K p = 0.001 , K i = 2
P dab Rated power100 kW
R short Short-circuit resistance1 Ω
I rated Rated current of soft fuse250 A
aPre-arc value of soft fuse21,900 A 2 s
Table 3. Parameters of cables.
Table 3. Parameters of cables.
SymbolDefinitionValue
R bus Resistance of dc bus cables0.02 Ω
L bus Inductance of dc bus cables20 μ H
C bus Filter capacitance on dc bus0.5 mF
R branch Resistance of branch cables0.0618 Ω
L branch Inductance of branch cables0.0269 mH
C branch Parasitic capacitance of branch cables0.204 μ F
Publisher’s Note: MDPI stays neutral with regard to jurisdictional claims in published maps and institutional affiliations.

Share and Cite

MDPI and ACS Style

Yang, J.; Brueske, S.; Buticchi, G.; Gu, C.; Guenter, S.; Wheeler, P. Control-Based Two-Layer Protection for Short-Circuit Fault at an LVDC Feeder Branch. Energies 2022, 15, 4054. https://doi.org/10.3390/en15114054

AMA Style

Yang J, Brueske S, Buticchi G, Gu C, Guenter S, Wheeler P. Control-Based Two-Layer Protection for Short-Circuit Fault at an LVDC Feeder Branch. Energies. 2022; 15(11):4054. https://doi.org/10.3390/en15114054

Chicago/Turabian Style

Yang, Jiajun, Sebastian Brueske, Giampaolo Buticchi, Chunyang Gu, Sandro Guenter, and Pat Wheeler. 2022. "Control-Based Two-Layer Protection for Short-Circuit Fault at an LVDC Feeder Branch" Energies 15, no. 11: 4054. https://doi.org/10.3390/en15114054

APA Style

Yang, J., Brueske, S., Buticchi, G., Gu, C., Guenter, S., & Wheeler, P. (2022). Control-Based Two-Layer Protection for Short-Circuit Fault at an LVDC Feeder Branch. Energies, 15(11), 4054. https://doi.org/10.3390/en15114054

Note that from the first issue of 2016, this journal uses article numbers instead of page numbers. See further details here.

Article Metrics

Back to TopTop