What Is the Effect of Outer Jacket Degradation on the Communication Parameters? A Case Study of the Twisted Pair Cable Applied in the Railway Industry
Abstract
1. Introduction
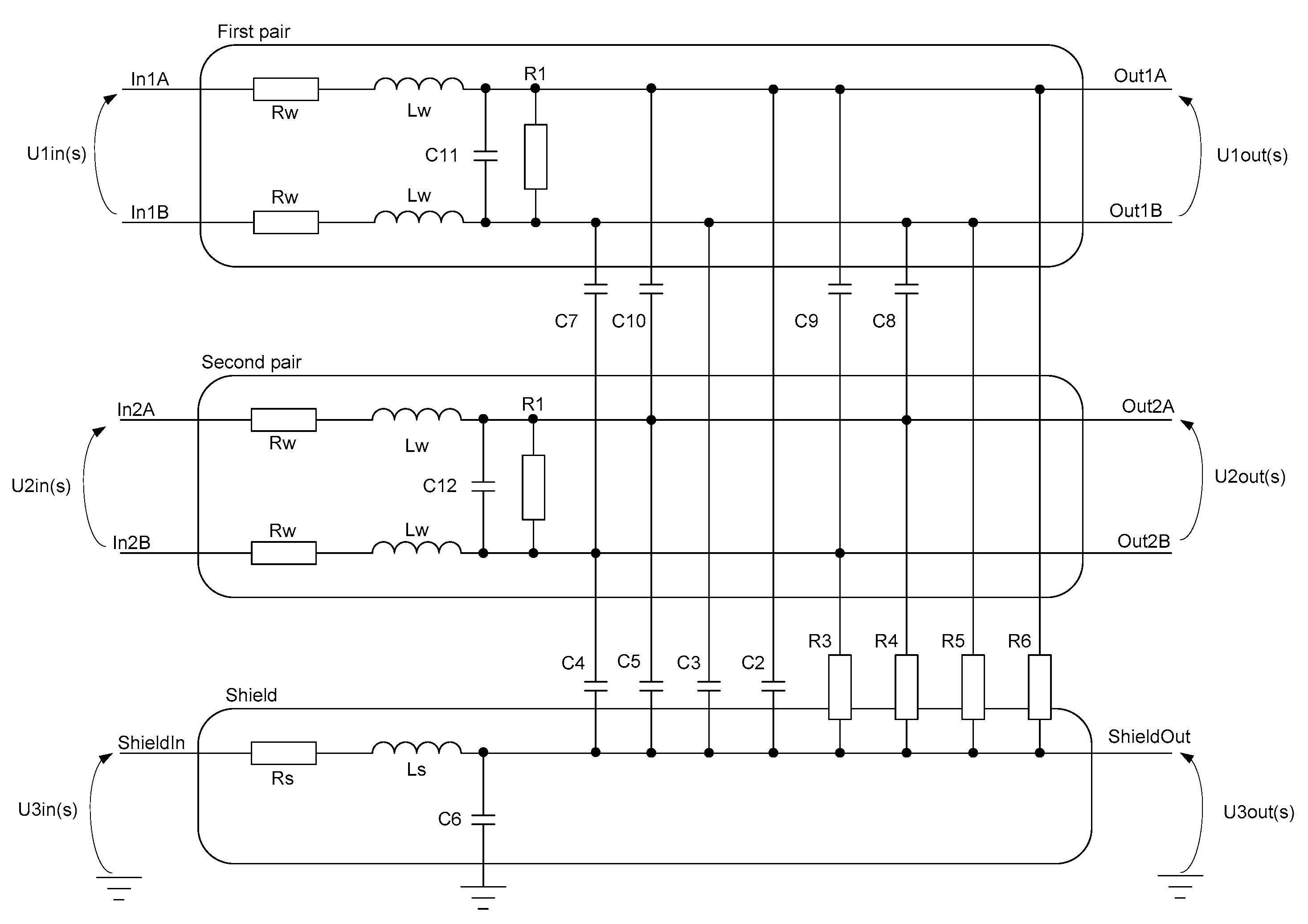
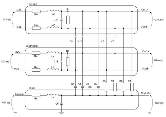
2. Proposed Model of an Elementary Part of a Transmission Line
3. Cable Construction
- Two pairs of twisted wires: The first for the power supply and the second for digital communication;
- An electrical shield increasing the immunity against external disturbance;
- Mechanical elements to increase the mechanical resistance (e.g., protect against burst);
- An outer jacket protecting internal parts of cables against environmental conditions.
4. Setup of a Soft Fault of the Outer Jacket
- RW—resistance of the wire: Measured between both ends of the wire, with the other terminals open;
- Lw—inductance of the wire: Measured between both ends of the wire, with the other terminals open;
- RS—resistance of the shield: Measured between both ends of the shield, with the other terminals open;
- LS—Inductance of the shield: Measured between both ends of the shield, with the other terminals open;
- C11—capacitance measured between wires in the first pair at one end, with the other terminals open;
- C12—capacitance measured between wires in the second pair on one end, with the other terminals open;
- C23 = C2 + C3, (C2 = C3)—capacitance measured between the first pair and shield at one end, with the other terminals open;
- C45 = C4 + C5, (C4 = C5)—capacitance measured between the second pair and shield at one end, with the other terminals open;
- C710 = C7 + C8 + C9 + C10, (C7 = C8 = C9 = C10)—capacitance measured between the first and the second pair (short wires in pairs) at one end, with the other terminals open.
- Relative error:
- Standard deviation:
5. Approximation of Parameters for a Segment
- Logarithmic:
- Polynomial 2 order:
- Exponential type 3:
6. Impact of Soft Fault-Derived Parameter Degradation on a Transmission Line
- Amplitude characteristics on a logarithmic scale:
- Group delay:
- —a frequency point at which the input impedance has the maximum value in the simulated bandwidth
- (—value of the input impedance for the specific frequency described above
7. Conclusions
Author Contributions
Funding
Institutional Review Board Statement
Informed Consent Statement
Acknowledgments
Conflicts of Interest
References
- Railway Communication Systems. Available online: https://ieeexplore-1ieee-1org-12vdogrnh0277.han.polsl.pl/document/6261210 (accessed on 2 February 2021).
- Towle, C. Cable Screens in Hazardous Areas. Meas. Control 2013, 46, 239–243. [Google Scholar] [CrossRef]
- Haxthausen, A.E.; Peleska, J. Formal Development and Verification of a Distributed Railway Control System. IEEE Trans. Softw. Eng. 2000, 26, 687–701. [Google Scholar] [CrossRef][Green Version]
- Hamadache, M.; Dutta, S.; Olaby, O.; Ambur, R.; Stewart, E.; Dixon, R. On the Fault Detection and Diagnosis of Railway Switch and Crossing Systems: An Overview. Appl. Sci. 2019, 9, 5129. [Google Scholar] [CrossRef]
- Moncmanová, A. (Ed.) Environmental factors that influence the deterioration of materials. In WIT Transactions on State of the Art in Science and Engineering; WIT Press: Southampton, UK, 2007; Volume 1, pp. 1–25. ISBN 978-1-84564-032-3. [Google Scholar]
- Development of Railway Signaling System Based on Network Technology. Available online: https://ieeexplore-1ieee-1org-12vdogrnh0277.han.polsl.pl/document/1571335 (accessed on 2 February 2021).
- Bilski, P.; Wojciechowski, J. Current Research Trends in Diagnostics of Analog Systems. In Proceedings of the 2012 International Conference on Signals and Electronic Systems (ICSES), Wroclaw, Poland, 18–21 September 2012; pp. 1–11. [Google Scholar]
- Mladenovic, I.; Weindl, C. Artificial Aging and Diagnostic Measurements on Medium-Voltage, Paper-Insulated, Lead-Covered Cables. IEEE Electr. Insul. Mag. 2012, 28, 20–26. [Google Scholar] [CrossRef]
- Behera, A.K.; Beck, C.E.; Alsammarae, A. Cable Aging Phenomena under Accelerated Aging Conditions. IEEE Trans. Nucl. Sci. 1996, 43, 1889–1893. [Google Scholar] [CrossRef]
- Lowczowski, K.; Nadolny, Z.; Olejnik, B. Analysis of Cable Screen Currents for Diagnostics Purposes. Energies 2019, 12, 1348. [Google Scholar] [CrossRef]
- Tadeusiewicz, M.; Hałgas, S. A New Approach to Multiple Soft Fault Diagnosis of Analog BJT and CMOS Circuits. IEEE Trans. Instrum. Meas. 2015, 64, 2688–2695. [Google Scholar] [CrossRef]
- Manesh, H.; Genoulaz, J.; Kameni, A.; Loete, F.; Pichon, L.; Picon, O. Experimental Analysis and Modelling of Coaxial Transmission Lines with Soft Shield Defects. In Proceedings of the 2015 IEEE International Symposium on Electromagnetic Compatibility (EMC), Dresden, Germany, 16 August 2015; pp. 1553–1558. [Google Scholar]
- Fan, W.; Huang, Y.; Zhang, Y.; Xiong, J.; Wang, Y.; You, J.; Zhu, B.; Jia, Z. Study on Diagnostic Method of Aging 10kV XLPE Cable. In Proceedings of the 2016 China International Conference on Electricity Distribution (CICED), Xi’an, China, 10–13 August 2016; pp. 1–4. [Google Scholar]
- IEEE Draft Guide for Field Testing and Evaluation of the Insulation of Shielded Power Cable Systems Rated 5 KV and Above—Redline. In IEEE P400/D16, November 2011. 9 December 2011, pp. 1–51. Available online: https://ieeexplore.ieee.org/servlet/opac?punumber=6099520 (accessed on 2 February 2021).
- Grzechca, D. Soft Fault Clustering in Analog Electronic Circuits with the Use of Self Organizing Neural Network. Metrol. Meas. Syst. 2011, 18, 555–568. [Google Scholar] [CrossRef]
- Grzechca, D.E. Construction of an Expert System Based on Fuzzy Logic for Diagnosis of Analog Electronic Circuits. Int. J. Electron. Telecommun. 2015, 61, 77–82. [Google Scholar] [CrossRef]
- Li, Z.; Wang, Y.; Wang, K.-S. Intelligent Predictive Maintenance for Fault Diagnosis and Prognosis in Machine Centers: Industry 4.0 Scenario. Adv. Manuf. 2017, 5, 377–387. [Google Scholar] [CrossRef]
- 1143-2012—IEEE Guide on Shielding Practice for Low Voltage Cables. Available online: https://ieeexplore-1ieee-1org-12vdogrnh0277.han.polsl.pl/document/6471984 (accessed on 2 February 2021).
- EN 50124-1—Railway Applications—Insulation Coordination—Part 1: Basic Requirements—Clearances and Creepage Distances for All Electrical and Electronic Equipment|Engineering360. Available online: https://standards.globalspec.com/std/10200341/EN%2050124-1 (accessed on 10 February 2021).
- Suzuki, K.; Koshizuka, T.; Hayashiya, H. Study on Inspection of High Voltage Cable in Railway Line. In Proceedings of the 2020 23rd International Conference on Electrical Machines and Systems (ICEMS), Hamamatsu, Japan, 24–27 November 2020; pp. 1408–1412. [Google Scholar]
- Gao, X.; Zhou, Z.; He, M.; Du, Z. SPICE Models of Shielded Twisted-Wire Pairs for Radiated Immunity Analyses. In Proceedings of the 2017 IEEE 5th International Symposium on Electromagnetic Compatibility (EMC-Beijing), Beijing, China, 28 October 2017; pp. 1–5. [Google Scholar]
- Ishikawa, H.; Fukasaku, I.; Sugiyama, T.; Yonezawa, H.; Kaga, M. Estimation of Mode-Conversion of Differential Copper Cables Using Lumped Circuit Parameters. In Proceedings of the 2013 IEEE Electrical Design of Advanced Packaging Systems Symposium (EDAPS), Nara, Japan, 12 December 2013; pp. 150–153. [Google Scholar]
- Aloui, T.; Ben Amar, F.; Abdallah, H.H. Modeling of a Three-Phase Underground Power Cable Using the Distributed Parameters Approach. In Proceedings of the Eighth International Multi-Conference on Systems, Signals & Devices, Sousse, Tunisia, 22–25 March 2011; pp. 1–6. [Google Scholar]
- Xie, H.; Wang, J.; Fan, R.; Liu, Y. SPICE Models for Prediction of Disturbances Induced by Nonuniform Fields on Shielded Cables. IEEE Trans. Electromagn. Compat. 2011, 53, 185–192. [Google Scholar] [CrossRef]
- Watanabe, Y.; Uchida, T.; Sasaki, Y.; Oka, N.; Ohashi, H. Study on Grounding Condition of Shield Sheath in Shielded Twisted Pair Cable. In Proceedings of the 2014 International Symposium on Electromagnetic Compatibility, Tokyo, Tokyo, Japan, 12–16 May 2014; pp. 753–756. [Google Scholar]
- Toman, G.J.; Mantey, A. Cable System Aging Management for Nuclear Power Plants. In Proceedings of the 2012 IEEE International Symposium on Electrical Insulation, San Juan, PR, USA, 10–13 June 2012; pp. 315–318. [Google Scholar]
- Pushpanathan, B.; Grzybowski, S.; Bialek, T.O. Identification of Aged Cable Section in 12.5 KV URD System Using EMTP Simulation. In Proceedings of the 2012 IEEE PES Innovative Smart Grid Technologies (ISGT), Washington, DC, USA, 16–20 January 2012; pp. 1–6. [Google Scholar]
- Mecheri, Y.; Medjdoub, A.; Boubakeur, A.; Boujemâa, S. Characterization of Laboratory Aged MV XLPE Cables Using Dielectric Losses Factor Measurements. In Proceedings of the 2014 International Conference on Electrical Sciences and Technologies in Maghreb (CISTEM), Tunis, Tunisia, 3–6 November 2014; pp. 1–4. [Google Scholar]
- Cox, P.; Fleming, R.; Krajick, F.; Boggs, S.; Cao, Y. AC and Impulse Performance of Medium Voltage Ethylene Propylene- Rubber Cables with over 25 Years of in-Service Aging in a Wet Underground Environment. IEEE Electr. Insul. Mag. 2016, 32, 24–28. [Google Scholar] [CrossRef]
- Modular Test System Architecture for Device, Circuit and System Level Reliability Testing—IEEE Conference Publication. Available online: https://ieeexplore-1ieee-1org-12vdogrty01da.han.polsl.pl/document/7467957 (accessed on 30 May 2020).
- Application of Double Current Bridge-Circuit for Simultaneous Measurements of Strain and Temperature—IEEE Conference Publication. Available online: https://ieeexplore.ieee.org/document/4258418 (accessed on 15 May 2020).












| Cable Parameters | Type 1 Cable (CT1) RE-2Y(ST)Y 2 × 2 × 0.75 mm2 | Type 2 Cable (CT2) RE-2Y(ST)Y 2 × 2 × 1.3 mm2 | Type 3 Cable (CT3) -CY 2 × 2 × 1.0 mm2 |
|---|---|---|---|
| Loop resistance (Ω/km) | 52 | 28.4 | - |
| Mutual capacitance (nF/km) | 60 | 75 | 0.135 |
| Inductance (mH/km) | 0.7 | 0.7 | - |
| Insulation resistance (GΩ/km) | 5 | 5 | 0.1 |
| Days in Salt Water (n) | RW, mΩ (20 Hz) | Lw, µH (10 kHz) | RS, mΩ (20 Hz) | LS, µH (20 Hz) | C11, pF (10 kHz) | C12, pF (10 kHz) | C23, nF (10 kHz) | C45, nF (10 kHz) | C710, nF (10 kHz) |
|---|---|---|---|---|---|---|---|---|---|
| 0 | 364.25 | 14.5 | 280 | 10.2 | 490 | 475 | 1.50 | 1.49 | 0.80 |
| 1 | 375.75 | 14.4 | 300 | 11.1 | 530 | 510 | 1.58 | 1.53 | 0.86 |
| 2 | 374.50 | 14.6 | 290 | 10.5 | 550 | 520 | 1.60 | 1.54 | 0.86 |
| 5 | 375.75 | 14.7 | 320 | 10.8 | 610 | 590 | 1.80 | 1.75 | 0.89 |
| 7 | 375.75 | 14.5 | 320 | 11.0 | 610 | 600 | 1.92 | 1.85 | 0.89 |
| 14 | 382.00 | 14.8 | 325 | 11.2 | 660 | 650 | 2.10 | 2.20 | 1.20 |
| 21 | 379.25 | 14.5 | 330 | 11.0 | 700 | 700 | 2.50 | 2.40 | 1.40 |
| 28 | 379.50 | 14.6 | 331 | 10.9 | 720 | 700 | 2.70 | 2.60 | 1.40 |
| (%) | 4.2 | 0.7 | 18.2 | 6.9 | 46.9 | 47.4 | 80.0 | 74.5 | 75.0 |
| (-) | 4.99 | 0.12 | 18.15 | 0.31 | 76.72 | 80.89 | 0.41 | 0.40 | 0.24 |
| Approxi-mation Function | R2 for C11 | R2 for C12 | R2 for C23 | R2 for C45 | R2 for C710 | ||||||||||
|---|---|---|---|---|---|---|---|---|---|---|---|---|---|---|---|
| CT1 | CT2 | CT3 | CT1 | CT2 | CT3 | CT1 | CT2 | CT3 | CT1 | CT2 | CT3 | CT1 | CT2 | CT3 | |
| 0.989 | 0.786 | 0.973 | 0.981 | 0.822 | 0.964 | 0.884 | 0.747 | 0.962 | 0.899 | 0.666 | 0.961 | 0.795 | 0.870 | 0.956 | |
| 0.967 | 0.671 | 0.994 | 0.982 | 0.723 | 0.979 | 0.991 | 0.625 | 0.997 | 0.997 | 0.539 | 0.997 | 0.948 | 0.796 | 0.989 | |
| 0.983 | 0.988 | 0.998 | 0.990 | 0.936 | 0.991 | 0.991 | 0.956 | 0.994 | 0.997 | 0.981 | 0.994 | 0.946 | 0.863 | 0.984 | |
| Parameters | CT1 | CT2 | CT3 |
|---|---|---|---|
| C11 [pF@10 kHz] | a = 502.2 | a = 564.3 | a = 1026 |
| b = 221.9 | b = 559.2 | b = 1139 | |
| τ11 = 9.416 | τ21 = 1.287 | τ31 = 9.320 | |
| C12 [pF@10 kHz] | a = 479.6 | a = 545.7 | a = 971.5 |
| b = 233.7 | b = 524.3 | b = 1161 | |
| τ12 = 9.183 | τ22 = 1.288 | τ32 = 6.993 | |
| C23 [nF@10 kHz] | a = 1.771 | a = 1.121 | a = 2.534 |
| b = 0.01537 | b = 3.716 | b = 6.360 | |
| τ13 = 59.347 | τ23 = 0.916 | τ33 = 10.207 | |
| C45 [nF@10 kHz] | a = 1.460 | a = 1.114 | a = 2.514 |
| b = 1.821 | b = 3.41 | b = 6.345 | |
| τ14 = 28.377 | τ24 = 0.766 | τ34 = 11.210 | |
| C710 [nF@10 kHz] | a = 0.7868 | a = 0.9977 | a = 1.495 |
| b = 1.663 | b = 1.476 | b = 2.818 | |
| τ15 = 54.705 | τ25 = 4.286 | τ35 = 9.001 |
| Type of Cable | CT1 | |||||
|---|---|---|---|---|---|---|
| Time slot, T | 0 | 5 | 15 | 25 | 50 | |
| Cut-off frequency −3 dB (kHz) | 14.26 | 12.85 | 11.58 | 10.44 | 9.40 | −34.08% |
| Group delay, µs (1 kHz) | 39.25 | 43.68 | 49.15 | 53.46 | 58.56 | +49.20% |
| (kHz) | 1283 | 1191 | 1077 | 956.75 | 1027 | −19.95% |
| (kΩ) | 1.406 | 1.140 | 0.9290 | 1.239 | 0.9082 | −35.40% |
| Type of Cable | CT2 | |||||
| Time slot, T | 0 | 5 | 15 | 25 | 50 | |
| Cut-off frequency −3 dB (kHz) | 17.4 | 8.51 | 8.45 | 8.42 | 8.39 | −51.78% |
| Group delay, µs (1 kHz) | 29.15 | 51.31 | 52.50 | 52.60 | 52.61 | +80.48% |
| (kHz) | 1378 | 916.50 | 878.56 | 877.34 | 877.34 | −36.36% |
| (kΩ) | 2.321 | 1.229 | 1.223 | 1.129 | 1.129 | −51.36% |
| Type of Cable | CT3 | |||||
| Time slot, T | 0 | 5 | 15 | 25 | 50 | |
| Cut-off frequency −3 dB (kHz) | 10.33 | 6.96 | 5.38 | 4.95 | 4.79 | −53.63% |
| Group delay, µs (1 kHz) | 47.29 | 74.62 | 96.34 | 102.04 | 104.34 | +120.64% |
| (kHz) | 1177 | 873.60 | 744.95 | 712.13 | 700.86 | −40.45% |
| (kΩ) | 1.970 | 1.424 | 1.029 | 930.93 | 872.53 | −55.71% |
| Days in Salt Water (n) | RW, mΩ (20 Hz) | Lw, µH (10 kHz) | RS, mΩ (20 Hz) | LS, µH (20 Hz) | C11, pF (10 kHz) | C12, pF (10 kHz) | C23, nF (10 kHz) | C45, nF (10 kHz) | C710, nF (10 kHz) |
|---|---|---|---|---|---|---|---|---|---|
| 0 | 133.50 | 11.5 | 270 | 10.0 | 560 | 540 | 1.10 | 1.10 | 1.00 |
| 1 | 134.25 | 11.5 | 270 | 10.0 | 880 | 840 | 3.70 | 3.70 | 1.00 |
| 2 | 133.25 | 11.6 | 275 | 11.0 | 1000 | 970 | 4.28 | 4.07 | 2.02 |
| 5 | 133.75 | 11.3 | 320 | 12.0 | 1080 | 985 | 4.40 | 4.35 | 2.04 |
| 7 | 133.50 | 11.4 | 320 | 11.0 | 1100 | 995 | 4.50 | 4.40 | 2.05 |
| 14 | 132.25 | 11.6 | 350 | 12.0 | 1120 | 1120 | 5.00 | 4.55 | 2.30 |
| 21 | 131.00 | 11.5 | 360 | 13.0 | 1140 | 1100 | 5.10 | 4.63 | 2.50 |
| 28 | 131.75 | 11.6 | 365 | 10.0 | 1160 | 1120 | 5.20 | 4.78 | 2.60 |
| (%) | −1.3 | 0.9 | 35.2 | 0.0 | 107.1 | 107.4 | 372.7 | 334.5 | 160.0 |
| (-) | 1.05 | 0.10 | 37.81 | 1.05 | 188.35 | 181.50 | 1.25 | 1.12 | 0.58 |
| Days in Salt Water (n) | RW, mΩ (20 Hz) | Lw, µH (10 kHz) | RS, mΩ (20 Hz) | LS, µH (20 Hz) | C11, pF (10 kHz) | C12, pF (10 kHz) | C23, nF (10 kHz) | C45, nF (10 kHz) | C710, nF (10 kHz) |
|---|---|---|---|---|---|---|---|---|---|
| 0 | 250.75 | 9.6 | 100 | 12.0 | 1050 | 1020 | 2.60 | 2.46 | 1.51 |
| 1 | 252.00 | 11,3 | 104 | 10.5 | 1140 | 1120 | 3.13 | 3.26 | 1.85 |
| 2 | 250.75 | 9.8 | 101 | 10.3 | 1210 | 1190 | 3.65 | 3.50 | 2.04 |
| 5 | 250.50 | 10.0 | 106 | 12.0 | 1500 | 1550 | 4.70 | 4.60 | 2.60 |
| 7 | 250.75 | 10.8 | 108 | 11.0 | 1640 | 1750 | 5.60 | 5.40 | 2.90 |
| 14 | 245.00 | 10.1 | 110 | 12.0 | 1920 | 2020 | 7.60 | 7.30 | 4.00 |
| 21 | 245.00 | 10.0 | 112 | 11.0 | 2050 | 2050 | 8.10 | 8.00 | 4.00 |
| 28 | 248.75 | 10.2 | 111 | 13.0 | 2100 | 2100 | 8.30 | 8.20 | 4.10 |
| −0.8% | 6.3% | 11.0% | 8.3% | 100.0% | 105.9% | 219.2% | 233.3% | 171.5% | |
| ) | 2.73 | 0.56 | 4.16 | 0.68 | 361.48 | 396.97 | 2.00 | 1.94 | 0.93 |
Publisher’s Note: MDPI stays neutral with regard to jurisdictional claims in published maps and institutional affiliations. |
© 2021 by the authors. Licensee MDPI, Basel, Switzerland. This article is an open access article distributed under the terms and conditions of the Creative Commons Attribution (CC BY) license (http://creativecommons.org/licenses/by/4.0/).
Share and Cite
Grzechca, D.; Zieliński, D.; Filipowski, W. What Is the Effect of Outer Jacket Degradation on the Communication Parameters? A Case Study of the Twisted Pair Cable Applied in the Railway Industry. Energies 2021, 14, 972. https://doi.org/10.3390/en14040972
Grzechca D, Zieliński D, Filipowski W. What Is the Effect of Outer Jacket Degradation on the Communication Parameters? A Case Study of the Twisted Pair Cable Applied in the Railway Industry. Energies. 2021; 14(4):972. https://doi.org/10.3390/en14040972
Chicago/Turabian StyleGrzechca, Damian, Dariusz Zieliński, and Wojciech Filipowski. 2021. "What Is the Effect of Outer Jacket Degradation on the Communication Parameters? A Case Study of the Twisted Pair Cable Applied in the Railway Industry" Energies 14, no. 4: 972. https://doi.org/10.3390/en14040972
APA StyleGrzechca, D., Zieliński, D., & Filipowski, W. (2021). What Is the Effect of Outer Jacket Degradation on the Communication Parameters? A Case Study of the Twisted Pair Cable Applied in the Railway Industry. Energies, 14(4), 972. https://doi.org/10.3390/en14040972

