Abstract
Due to the wide-spread use of photovoltaic (PV) systems, interest regarding economic benefit and energy-sharing from surplus electricity has been raised. In this study, decentralized thermal and electric convergence energy prosumers for an energy-sharing community are proposed. For the convergence energy system, a simultaneous heating and cooling heat pump (SHCHP) system integrated with a thermal network is proposed, and the energy performance and operating energy savings of the proposed system were investigated. A smart village located in the Busan Eco Delta Smart City was selected as a case study for the simulation analysis. Experimental data of the heat pump system were used to analyze the SHCHP. The analysis results showed that the proposed system could provide over 53% and 86% of the load cover and supply cover factors, respectively. The proposed system can earn economic benefits, such as energy trading from the surplus electricity of PV systems and thermal energy produced by an SHCHP, more than 30.5 times those of conventional air-source heat pump systems. These benefits mainly originate that a conventional system can trade the surplus electricity from a PV system but the proposed system can trade produced thermal energy from SHCHPs and the surplus electricity from PV systems.
1. Introduction
Extensive efforts have been invested into increasing the applicability of various new renewable energy systems for responding to the climate crisis [1]. As part of such efforts, district heating has been utilized in various ways for a long time to resolve the issue of urban heat islands and to increase the efficiency of heat supplies while reducing particulate matter [2,3]. In recent years, considerable effort has been invested into increasing renewable energy shares in the district cooling and heating, as well as power sectors. Accordingly, the applicability of fifth generation district heating has been considered to achieve advances beyond the fourth generation [4,5].
Decentralized district cooling and heating are gaining increasing interest over conventional central supply systems. The concept of power prosumers has been expanded to include prosumers of district cooling and heating thermal networks. To this end, a considerable number of studies have been conducted to develop prosumers based on solar and thermal energy as alternatives to unused heat sources and waste heat [6,7,8,9,10,11,12]. Previous studies have focused on selling excess heat from solar thermal systems to thermal networks by linking solar thermal systems with district heating networks [7,8,11,12]. Brange et al. Reference [6] proposed methods for using a gas boiler and heat pump to implement a thermal prosumer in a district heating network. However, one disadvantage of these methods is that the excess heat produced by the prosumer is concentrated in summer. Therefore, there is currently a demand for a prosumer who can provide cooling energy.
In addition to supplying excess heat from solar thermal systems in the summer season to thermal networks, high prosumer efficiency can be achieved via the applicability of heat pump systems that use waste heat or unused heat sources. Changes in daily loads are responded to via short-term thermal energy storage (TES) in a thermal network, which is considerably less expensive than battery energy storage systems (BESSs) used for storing and utilizing electric power, thus improving the applicability of prosumers using thermal network [13,14].
If air conditioning and water heating are simultaneously operated by a building in summer by separating cooling and heat energies through district cooling and heating, the applicability of a simultaneous heating and cooling heat pump (SHCHP) system can be considered very high. An SHCHP system is one where heat and cooling energies produced in the condenser and evaporator, respectively, of the heat pump are utilized for the heating, domestic hot water (DHW), and cooling of a building.
Shin et al. [15] proposed an operation strategy method to improve the energy efficiency of an SHCHP in a system where a thermal storage tank was applied; they analyzed its applicability using the TRNSYS simulation program. Kang et al. [16] analyzed an operational optimization method for a heat pump when the cooling and heating demands occur simultaneously in one building. Ghoubali et al. [17] analyzed the performance of a heat pump in terms of refrigerants in an SHCHP system through a TRNSYS simulation. These studies only analyzed efficiency increases in SHCHP systems when supplying cooling and heat energies under simultaneous cooling and heating demands in a single building such as a hotel or a hospital. Byrne and Ghoubali [18] analyzed an operation strategy when implementing an SHCHP system based on an air source heat pump and the exergy aspects based on prototype operation.
While a general heat pump is operated to produce cooling or heat energies, an SHCHP simultaneously uses both cooling and heat energies in buildings such as hotels or hospitals, where there are simultaneous cooling and heating demands or the balance between the two needs to be secured through a separate TES for cooling and heat energies [15]. Unlike conventional mechanisms, applicability in a single building can be heightened if a district heating and cooling network is formed and the produced cooling and heat energies are supplied to a thermal network in the form of a thermal prosumer.
Conventional residential buildings commonly employ energy transferring or trading through peer-to-grid (P2G) and cooling, heating, and hot water served through an air-source heat pump (ASHP); meanwhile, the power generated by photovoltaic (PV) systems is supplied to houses, and excess power is supplied to the grid. A measure to maximize self-consumption is required because the cost of selling power to the grid is less than the cost of purchasing power from the grid. Therefore, BESSs have been employed as the most general method to maximize the usage of power generation in PV. However, a battery is expensive and the surplus energy produced by a PV system is supplied back to the grid, thus inducing problems in voltage stabilization.
Thus far, prosumers have been trading via the P2G format between themselves and central energy suppliers. However, a new mode of trading is required for renewable and distributed energy sharing within communities to expand the amount of renewable energy supplied at the community level [19,20,21]. The employment of low-carbon energy-sharing communities is one such approach to spread and disseminate zero-energy communities. These energy-sharing communities aim to improve energy efficiency and achieve zero energy by sharing the thermal and electric power from the renewables between buildings or communities.
In recent years, various studies have been conducted in communities where energy sharing is possible to design measures to share or trade surplus power produced by a PV system installed in a single building with the neighborhood, to produce heat through a power-to-heat (P2H) mechanism where excess power is converted to heat [22], or to store heat produced by the building itself [23,24,25]. In a previous study [19], a centralized energy-sharing system for communities was proposed and investigated. Individual PV systems were installed on the roofs of each house, and shared electric energy was produced through a shared PV system installed in a common area. Furthermore, a BESS was located near the community center and stored the surplus electricity produced by the PV system. The cooling, heating, and hot water load of the houses were served by the centralized mechanical system with heat pumps. The sources of heat pumps included ground and river water sources.
However, in this study, a decentralized thermal network with convergence energy prosumers is proposed in a specific single-family house for trading and sharing electricity and thermal energy. Seven houses in the case study village were configured with an independently formed distributed thermal network in a residential complex with 56 single-family houses where a district cooling and heating network was formed; two houses were set as thermal prosumers within the distributed thermal network. The applicability of simultaneously producing cooling and heat energies with the SHCHP was analyzed using a thermal prosumer. The energy performance and operation cost were comparatively analyzed against a conventional method that employs an ASHP. The heat pump was analyzed based on the actual operation results of a water-to-water heat pump (WWHP) in the eco-friendly energy town Jincheon [1]. This case study smart village is located in the waterfront area of the Busan Eco Delta City, which is a national smart city pilot project and contains various technologies in terms of innovation renewable energy and ecosystems.
2. Convergence Energy Prosumer System in an Energy-Sharing Community
2.1. Operating Schematic of Proposed Bi-Directional Thermal Prosumer
The authors of this study analyzed a P2H mechanism where surplus power was converted to heat, and an energy reduction effect was observed when the produced heat was supplied to a district cooling and heating network. An SHCHP, which can simultaneously produce cooling and heat energies, was applied to implement P2H, and the applicability of sharing or trading the produced cooling and heating energies to a distributed cooling and heating network was analyzed (Figure 1).
Figure 1.
Schematic of hybrid energy system integrated with a convergence energy prosumer system for an energy-sharing community.
Out of 56 houses, 7 single-family houses were configured with a distributed thermal network. Two of the seven single-family houses were configured to facilitate the sharing and trading of heat energy and power in a P2P format. These houses are called convergence energy prosumers, and the system in which bidirectional energy trade is possible is called a convergence energy system. This energy system comprises a WWHP that simultaneously produces cooling and heat energies, a substation for supplying the produced cooling and heat energies into a block cooling and heating network, and a distributed thermal network to separately manage the energy for implementing the thermal prosumer within a district cooling and heating network.
In the convergence energy prosumer systems installed at the two houses in this study, the power generated by a building-integrated photovoltaic (BIPV) system was first consumed by the houses. The system was designed so that basic cooling, heating, and DHW loads can be utilized at prosumer houses through a central heat supply. Surplus power is significantly produced in the summer season when the cooling demand is high. A 3 RT SHCHP was installed in both houses where surplus power was used for P2P trade or sold to the grid when it exceeded the power consumption of the heat pump.
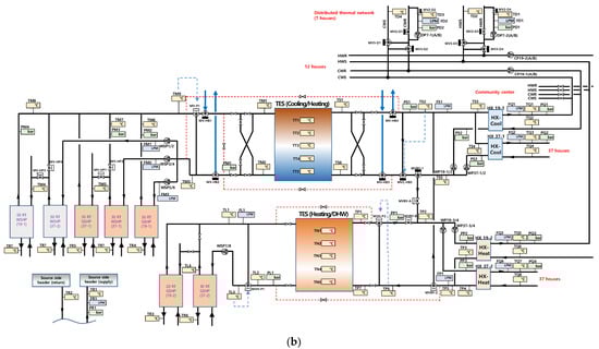
In this study, the power remaining after the operation of the SHCHIP was sold to the grid. The heat generated through the operation of the SHCHP was first consumed in the building, and then the excess heat was supplied or sold to a distributed thermal network. The excess heat remaining after consumption at the seven houses was supplied or sold to the centralized thermal network, which supplied the energy to 56 single-family houses. The heat produced by the SHCHP and supplied to the network was measured using a calorimeter for each household and charged according to the set rate. Figure 2 shows the design schematics for the bidirectional heat exchange using a heat pump in the district cooling and heating network comprising 56 single-family houses, where 7 houses were configured with block cooling and heating networks.

Figure 2.
Details of the hybrid energy system integrated with the convergence energy prosumer systems: (a) Schematic of proposed system; (b) connection of the centralized district thermal network with the distributed thermal network.
An energy sharing coordinator (ESC) determined whether the surplus energy produced by the PV system within the community was stored in the ESS or if a heat pump was operated to produce or store the energy; furthermore, the ESC determined the energy and payment balance. The ESC was positioned in the low-voltage substation between the main grid and the community, and it monitored the real-time power output, usage, and thermal energy consumption through a smart meter. The charging and discharging of the battery and thermal storage were also monitored to minimize the power energy being supplied to or from the grid. Accordingly, the cost of power consumption of the community was minimized, and the saved cost was distributed to each building through a P2P pricing mechanism.
2.2. Overview of Case Study Community: Smart Village
The case study community was a smart village located in the Busan Eco Delta Smart City. The village comprises 56 single-family houses and community centers (Figure 3) [19]. The village has a site area of 7202 m2, a building area of 2200 m2, and a total floor area of 3620 m2. Detailed physical information is shown in Table 1. In the residential houses, a total of 88 kWp of the BIPV system was installed on the roofs of 19 houses, and 10.8 and 34.9 kWp of the PV systems were installed in garages and corridors, respectively.
Figure 3.
Overview of the smart village.
Table 1.
Physical information of buildings in the smart village.
3. Simulation
To analyze the energy and thermal performance of the proposed SHCHP system, the cooling, heating, and hot water demand of the houses were analyzed with detailed simulations. Additionally, the SHCHP system was investigated based on experimental HP operation data.
We analyzed the seven houses included in the distributed thermal network. These houses were named H1–H7, and only H1 and H2 were specified as convergence energy prosumers. Houses H1–H7 had 3.42 kWp of the BIPV system installed.
For the simulation, TRNSYS 18 (Madison, WI, USA) was selected to model the PV system, and EnergyPlus (U.S. Department of Energy, USA) was used to analyze the cooling and heating demands (Figure 4). Meteonorm 7.3 (Fabrikstrasse, Switzerland) with the TMY2 data format was used to generate the meteorological data for the simulation. According to the TMY2 weather data, the annual average outdoor temperature was 14.6 °C and the annual horizontal solar radiation was 1345 kWh/m2.
Figure 4.
Simulation overview.
3.1. Thermal and Electric Demand Estimation
EnergyPlus (U.S. Department of Energy, USA) was used to analyze the cooling and heating loads of the houses. The indoor setpoint temperature was set to 20 and 26 °C during the heating and cooling seasons, respectively. The lighting load was 9.15 W/m2. Through the simulation, the annual heating and cooling loads for the 56 households were calculated at 196 and 120 MWh/year, respectively. These could be converted to heating and cooling loads per unit area as 31 and 19 kWh/m2 year, respectively. The maximum heating and cooling loads were 25 and 25 W/m2, respectively. The hot water load used in this research was chosen based on previous measurement data. This load model was analyzed based on the measurement data of a single-family house [26,27]. The annual hot water load was calculated as 2839 kWh.
3.2. Convergence Energy Prosumer System Operation
Figure 2b shows the details of a piping diagram in which a central energy supply system is connected to a distributed thermal network system. The operation shown in Figure 4 is required to link a central energy supply system with a distributed thermal network. Figure 4 shows the bidirectional heat supply operation mode where energy can be supplied to or from a centralized thermal network (Figure 5a) and an isolated operation mode of the distributed thermal network (Figure 5b) can be configured between the distributed thermal network and the centralized district thermal network. To configure such a network, two three-way valves (i.e., MV3-D1–MV3-D4) for each network to divide the two networks, circulation pumps (i.e., DP7-1 and DP7-2) for each cooling and heating network for a single operation of the distributed thermal network, and two two-way valves (i.e., MV2-D1–MV2-D4) for inducing water to flow toward the circulation pump were required. As shown in Figure 4, the two networks could be linked through the operation of each valve and pump.
Figure 5.
Diagram of the thermal network system operation: (a) Bi-directional heat supply with a centralized system; (b) heat supply from convergence energy prosumers.
Figure 6 shows the method for linking a convergence energy prosumer to a distributed thermal network. As shown in Figure 6a, two heat exchangers, two two-way valves, and a circulation pump were required to link the system. Figure 6b–d shows the operation methods of the central energy supply, self-sufficiency, and energy selling modes, respectively. The proposed system was designed to improve stability by separating a heat exchanger used to supply energy from a centralized thermal network and a heat exchanger used to sell energy.
Figure 6.
Operation details of a convergence energy prosumer system with a distributed thermal network on the condenser side: (a) basic configuration; (b) central energy supply mode; (c) self-consumption mode; (d) heat prosumer mode.
To boost renewable energy power sources such as PV systems or wind turbines, subsidies such as renewable energy certificates (RECs) and feed-in tariffs (FITs) have been served. This has caused the initial cost of renewable energy sources to be higher than conventional power plant sources. However, increasing the use of PV and wind turbine power and decreasing the use of conventional inexpensive power plants (e.g., coal and nuclear) due to environmental problems have led to the surplus electricity feed-in prices through renewable energy and the prices of RECs and FITs to become lower. In China and Europe, the feed-in price has already decreased to one third of the purchased price [20,28].
The authors of this research assumed that the purchased price of electricity was 200 Won/kWh and the surplus PV power feed-in price was 82.7 Won/kWh. This feed-in price was the five-year (2016–2020) average electricity system marginal price (SMP) in South Korea. The thermal energy price was assumed to be 89.62 Won/kWh, which is the current thermal energy price of the Korea District Heating Corporation (Seongnam-si, South Korea).
3.3. Heat Pump System Performance
The SHCHP used in this study was analyzed based on the actual measurement of a 50 RT WWHP installed in the eco-friendly energy town of Jincheon [1]. The heat pump used an R134a refrigerant. As shown in Figure 7, actual data of the heat pump were measured, and the operation data from 8 to 12 March 2018 were used. The temperature, flow rate, and electrical energy were measured every 30 s to monitor the performance of the heat pump. When the inlet temperature of the condenser and the evaporator were 50.8 °C and 11.0 °C, respectively, the outlet temperatures at the condenser and the evaporator were 8.3 and 54.3 °C, respectively. The power consumption was 50.7 kWh, while the production energy of the condenser was 164.0 kWh. The coefficient of performance (COP) of the heat pump during the measurement period was 3.2, a value we used to conduct our analysis. In this study, we used a 3 RT capacity of WWHP, and the simulation was performed under the assumptions that the WWHP operated part load operation and operating energy was mainly provided by the PV system.
Figure 7.
Operation temperature and COP profile of heat pump system.
The analysis was performed by assuming that the chilled water and hot water energy were produced using an ASHP during cooling to compare the proposed system with a conventional heat pump system. The COP of the ASHP was assumed to 3.0.
3.4. Photovoltaic System
To analyze BIPV power generation, TRNSYS 18 with the TYPE 566 module was used. The installed PV panel had a size of 1994 1000 mm2, a reference capacity of 380 W, and a reference efficiency of 19.1%. Using the TMY2 weather data, it was found that the annual PV generation rates was 1281.6 kWh/kWp.
3.5. Self-Consumption and Self-Sufficiency Analysis
The self-consumption and self-sufficiency rates of community and houses can be estimated using load cover factor (LCF) and supply cover factor (SCF) indices. LCF and SCF were used to analyze the self-consumption rate of the BIPV system integrated with the SHCHP in the houses and communities of this study. LCF represents self-sufficiency, which is defined as the fraction of the entire power load supplied by the BIPV and PV power:
SCF represents self-consumption, which is defined as the fraction of the sharing of the PV and BIPV generation power supplied to the load. High self-consumption and self-sufficiency values mean that the electricity load is mostly covered by BIPV and PV systems.
where is the power generation of BIPV (kWh), is the power generation of PV in parking lots (kWh), is the power consumption of houses (kWh), and is the power consumption of SHCHPs (kWh).
4. Simulation Results
4.1. Thermal Performance of SHCHP Integrated with PV
Figure 8 illustrates the results of the analysis of the electric energy balance when the proposed SHCHP and conventional ASHP were used; here, the BIPV system output and power loads of H1 were identical. The simulations were conducted from July to September, but to more precisely demonstrate the energy performance of the system, the graph in Figure 8 only shows the hourly operation results for July. As shown in Figure 8a, the power generated by the BIPV system was responsible for the consumption of the ASHP operation and the power loads of the building, whereas the surplus power was mostly sent to the grid. The amount of power generated by the BIPV system during the month of July was 796.3 kWh, where 502.9 kWh (63.2%) of the total power generated by the BIPV system was sent to the grid as surplus power after power was consumed in the operation of the ASHP and the plug loads within the houses. Moreover, 34.6% of the power loads needed to be received from the grid, when no power was generated by the BIPV system. In contrast, when surplus power from the BIPV system was used to simultaneously produce cooling and heat energies through the operation of the SHCHP, 99.7 kWh of power from generated by the BIPV system were sent to the grid as surplus (Figure 8b); thus, approximately 12.5% of power production was sent to the grid. In addition, the amount of insufficient power loads received from the grid during the time when no power was generated by the BIPV system was 96.2 kWh, which indicates that operation was possible when receiving 12.1% of power from the grid.
Figure 8.
Electricity balance of the H1 house during July: (a) Conventional houses with the BIPV system and ASHP; (b) proposed convergence energy prosumer with the BIPV system and SHCHP.
4.2. Energy Performance of the Community
Figure 9 shows the amount of cooling and heat energies produced in the H1 and H2 houses, as well as the thermal energy balance within a distributed thermal network. Figure 9a shows that the amounts of cooling and heating energy produced during the month of July from the SHCHP in the H1 house comprised 2.5 and 11.3 times the cooling and hot water demands, respectively. When the monthly production amount was calculated, we found that 40.1% of the cooling energy produced by the SHCHP was consumed in the H1 house, while 91.4% was consumed in the distributed thermal network such that the remaining 8.6% needed to be supplied to the centralized thermal network. Furthermore, 8.8% of the heat energy produced by the SHCHP could be used to supply hot water to the H1 house, 61.9% of heat energy was consumed in a distributed thermal network, and the remaining 38.1% of heat energy was used in the centralized thermal network. Cooling energy was produced by the SHCHP when power was generated by the BIPV system. Therefore, excess heat in the distributed thermal network had to be supplied back to the centralized thermal network.
Figure 9.
Thermal load and generated thermal energy in the H1 and H2 houses within the distributed thermal networks: (a) Single house (H1) operation profile; (b) distributed thermal network with 7 houses.
4.3. Self-Consumption and Operation Cost of SHCHP Compared with ASHP
Figure 10 shows a comparison of the LCF and SCF when using the conventional ASHP and SHCHP for the H1 house. The results indicate that the LCF and SCF were 50.4% and 61.0%, respectively, during the cooling season when the conventional ASHP was operated. In contrast, the LCF and SCF were 53.3% and 86.0%, respectively, during the cooling season when the proposed SHCHP was operated. The surplus power of the BIPV system was minimized by actively using the produced power through the operation of the SHCHP.
Figure 10.
SCF and LCF profiles of the proposed systems: (a) Conventional ASHP operation; (b) proposed convergence energy prosumer operation.
Figure 11 shows a comparison of the profits obtained from the operation of the conventional ASHP and the proposed SHCHP for the month of July. For the surplus power of the BIPV system, the SHCHP used 99.7 kWh while the conventional ASHP used 502.9 kWh; therefore, the surplus power of the SHCHP was only 19.8%. However, the cooling and heating energies produced by the SHCHP were 1151.1 and 1699.2 kWh, respectively, and a higher operating profit than that of the ASHP could be obtained because most of the produced power was sold.
Figure 11.
Cost benefit of the proposed system operation.
Consequently, while a total of 17,826 Won profit was earned when the conventional ASHP system was used for the cooling period of three months, a total of 544,859 Won profit (approximately 30.5 times higher than that achieved by the ASHP system) was earned when the proposed SHCHP system was operated.
4.4. Annual Operation Result
In the previous analyses, the results of the SHCHP operation in the summer season, the effects on LCF and SCF, and operation profit were examined. However, the annual operation of each system also needs to be examined. Figure 12 shows a comparison of the LCF, SCF, and operating profit of the annual operation of the two systems. As shown in Figure 12a, the proposed system had high LCF and SCF values in the summer season but lower values than that of the conventional ASHP in the other periods. The conventional ASHP was operated according to cooling and heating demands; as such, the LCF and SCF were affected because the system was also operated during the day. In contrast, the SHCHP only obtained energy from the centralized thermal network during the winter and interim periods because it could only be operated during periods when both cooling and heating were required. Thus, the power was only consumed for plug loads during winter and summer, so the coverage of surplus power became low. Accordingly, the annual LCF and SCF of the conventional ASHP were 42.9% and 55.4%, respectively. Those of the proposed system were 45.1% and 55.1%, respectively. The annual cover factor values of the two systems were similar.

Figure 12.
Monthly operation results of each system: (a) LCF and SCF of systems; (b) operating cost of systems.
Figure 12b shows the annual operation cost per month, where it can be seen that the conventional ASHP had a higher operating profit than the SHCHP in all months, excluding the summer season. The conventional ASHP had an annual profit of 3290 Won, whereas the SHCHP had an annual profit of 385,645 Won because of its high operating profit in summer. Thus, the proposed SHCHP had a higher overall operating profit from the annual perspective.
5. Conclusions
In this research, a convergence energy prosumer concept was proposed to increase the renewable energy sharing rate and self-consumption of a community via the operation of an SHCHP system that established a separate distributed thermal network with a district thermal network. The operation results were compared with those of a conventional ASHP. The operation of the proposed system was analyzed from July to September, when both cooling and heating energies were required for building cooling and supplying hot water, respectively. Through a detailed simulation, it was found that more than 60% of the power produced by the BIPV system was sold to the grid when ASHP was applied in the system. However, the proposed system only sent 12.5% of the power to the grid. Furthermore, the conventional ASHP operation recorded 50.4% and 61.0% LCF and SCF values, respectively, and the proposed system recorded 53.3% and 86.0% LCF and SCF values, respectively. Moreover, the proposed system obtained 30.5 times more operating profit than the conventional system from July to September. This means that the proposed system could provide both cooling and heating energy to a thermal network, as well as leading to a relatively higher thermal energy price than that of the electricity sold to the grid.
Due to the limitations of proof-of-concept simulations, the reported operating profit does not accurately reflect the costs a thermal network, maintenance, system control, and settlement. Hence, the more realistic calculation of costs is required in future work, which can be achieved by considering initial and maintenance costs, among others. In addition, expandability in a city unit needs to be considered, while practicality should be improved through empirical experiments regarding small-scale distributed thermal networks.
Author Contributions
Writing—original draft preparation, M.-H.K.; methodology and software, Y.-S.A.; software and analysis, D.-W.K.; writing—review and editing, D.-W.L.; supervision and project supervisor, J.-H.Y. All authors have read and agreed to the published version of the manuscript.
Funding
This research was supported by the Korea Agency for Infrastructure Technology Advancement and funded by the Ministry of Land, Infrastructure, and Transport (No. 21PIYR-B153277-03).
Institutional Review Board Statement
Not applicable.
Informed Consent Statement
Not applicable.
Conflicts of Interest
The authors declare no conflict of interest.
References
- Kim, M.-H.; Kim, D.; Heo, J.; Lee, D.-W. Energy Performance Investigation of Net plus Energy Town: Energy Balance of the Jincheon Eco-Friendly Energy Town. Renew. Energy 2020, 147, 1784–1800. [Google Scholar] [CrossRef]
- Kim, M.-H.; Kim, D.; Heo, J.; Lee, D.-W. Techno-Economic Analysis of Hybrid Renewable Energy System with Solar District Heating for Net Zero Energy Community. Energy 2019, 187, 115916. [Google Scholar] [CrossRef]
- Lund, H.; Werner, S.; Wiltshire, R.; Svendsen, S.; Thorsen, J.E.; Hvelplund, F.; Mathiesen, B.V. 4th Generation District Heating (4GDH). Integrating Smart Thermal Grids into Future Sustainable Energy Systems. Energy 2014, 68, 1–11. [Google Scholar] [CrossRef]
- Sommer, T.; Sulzer, M.; Wetter, M.; Sotnikov, A.; Mennel, S.; Stettler, C. The Reservoir Network: A New Network Topology for District Heating and Cooling. Energy 2020, 199, 117418. [Google Scholar] [CrossRef]
- Schmidt, T.; Pauschinger, T.; Sørensen, P.A.; Snijders, A.; Djebbar, R.; Boulter, R.; Thornton, J. Design Aspects for Large-Scale Pit and Aquifer Thermal Energy Storage for District Heating and Cooling. Energy Procedia 2018, 149, 585–594. [Google Scholar] [CrossRef]
- Brange, L.; Englund, J.; Lauenburg, P. Prosumers in District Heating Networks—A Swedish Case Study. Appl. Energy 2016, 164, 492–500. [Google Scholar] [CrossRef]
- Brand, L.; Calvén, A.; Englund, J.; Landersjö, H.; Lauenburg, P. Smart District Heating Networks—A Simulation Study of Prosumers’ Impact on Technical Parameters in Distribution Networks. Appl. Energy 2014, 129, 39–48. [Google Scholar] [CrossRef]
- Lennermo, G.; Lauenburg, P.; Werner, S. Control of Decentralised Solar District Heating. Sol. Energy 2019, 179, 307–315. [Google Scholar] [CrossRef]
- Paiho, S.; Reda, F. Towards next Generation District Heating in Finland. Renew. Sustain. Energy Rev. 2016, 65, 915–924. [Google Scholar] [CrossRef]
- Rismanchi, B. District Energy Network (DEN), Current Global Status and Future Development. Renew. Sustain. Energy Rev. 2017, 75, 571–579. [Google Scholar] [CrossRef]
- Carpaneto, E.; Lazzeroni, P.; Repetto, M. Optimal Integration of Solar Energy in a District Heating Network. Renew. Energy 2015, 75, 714–721. [Google Scholar] [CrossRef]
- Buoro, D.; Pinamonti, P.; Reini, M. Optimization of a Distributed Cogeneration System with Solar District Heating. Appl. Energy 2014, 124, 298–308. [Google Scholar] [CrossRef]
- Marczinkowski, H.M.; Østergaard, P.A. Evaluation of Electricity Storage versus Thermal Storage as Part of Two Different Energy Planning Approaches for the Islands SamsØ and Orkney. Energy 2019, 175, 505–514. [Google Scholar] [CrossRef] [Green Version]
- Schwarz, H.; Schermeyer, H.; Bertsch, V.; Fichtner, W. Self-Consumption through Power-to-Heat and Storage for Enhanced PV Integration in Decentralised Energy Systems. Sol. Energy 2018, 163, 150–161. [Google Scholar] [CrossRef] [Green Version]
- Shin, D.U.; Ryu, S.R.; Kim, K.W. Simultaneous Heating and Cooling System with Thermal Storage Tanks Considering Energy Efficiency and Operation Method of the System. Energy Build. 2019, 205, 109518. [Google Scholar] [CrossRef]
- Kang, H.; Joo, Y.; Chung, H.; Kim, Y.; Choi, J. Experimental Study on the Performance of a Simultaneous Heating and Cooling Multi-Heat Pump with the Variation of Operation Mode. Int. J. Refrig. 2009, 32, 1452–1459. [Google Scholar] [CrossRef]
- Ghoubali, R.; Byrne, P.; Miriel, J.; Bazantay, F. Simulation Study of a Heat Pump for Simultaneous Heating and Cooling Coupled to Buildings. Energy Build. 2014, 72, 141–149. [Google Scholar] [CrossRef] [Green Version]
- Byrne, P.; Ghoubali, R. Exergy Analysis of Heat Pumps for Simultaneous Heating and Cooling. Appl. Therm. Eng. 2019, 149, 414–424. [Google Scholar] [CrossRef]
- Kim, M.-H.; An, Y.; Joo, H.-J.; Lee, D.-W.; Yun, J.-H. Self-Sufficiency and Energy Savings of Renewable Thermal Energy Systems for an Energy-Sharing Community. Energies 2021, 14, 4284. [Google Scholar] [CrossRef]
- Zhou, Y.; Wu, J.; Long, C. Evaluation of Peer-to-Peer Energy Sharing Mechanisms Based on a Multiagent Simulation Framework. Appl. Energy 2018, 222, 993–1022. [Google Scholar] [CrossRef]
- Morstyn, T.; Farrell, N.; Darby, S.J.; McCulloch, M.D. Using Peer-to-Peer Energy-Trading Platforms to Incentivize Prosumers to Form Federated Power Plants. Nat. Energy 2018, 3, 94–101. [Google Scholar] [CrossRef]
- Ozcan, H.G.; Varga, S.; Gunerhan, H.; Hepbasli, A. Numerical and Experimental Work to Assess Dynamic Advanced Exergy Performance of an On-Grid Solar Photovoltaic-Air Source Heat Pump-Battery System. Energy Convers. Manag. 2021, 227, 113605. [Google Scholar] [CrossRef]
- Joe, J.; Dong, J.; Munk, J.; Kuruganti, T.; Cui, B. Virtual Storage Capability of Residential Buildings for Sustainable Smart City via Model-Based Predictive Control. Sustain. Cities Soc. 2021, 64, 102491. [Google Scholar] [CrossRef]
- Aoun, N.; Bavière, R.; Vallée, M.; Aurousseau, A.; Sandou, G. Modelling and Flexible Predictive Control of Buildings Space-Heating Demand in District Heating Systems. Energy 2019, 188, 116042. [Google Scholar] [CrossRef]
- Cai, J.; Braun, J.E.; Kim, D.; Hu, J. General Approaches for Determining the Savings Potential of Optimal Control for Cooling in Commercial Buildings Having Both Energy and Demand Charges. Sci. Technol. Built Environ. 2016, 22, 733–750. [Google Scholar] [CrossRef]
- Kim, M.-H.; Lee, D.-W.; An, Y.; Joo, H.-J. Applicability of Renewable Thermal Energy Systems on a Domestic Hot Water System for a Low-Carbon Energy Share Community. Korean J. Air-Cond. Refrig. Eng. 2020, 32, 532–541. [Google Scholar] [CrossRef]
- Kim, M.-H.; Lim, H.-W.; Shin, U.-C.; Kim, H.-J.; Kim, H.-K.; Kim, J.-K. Design and Energy Performance Evaluation of Plus Energy House. J. Korean Sol. Energy Soc. 2018, 38, 55–66. [Google Scholar] [CrossRef]
- Nguyen, S.; Peng, W.; Sokolowski, P.; Alahakoon, D.; Yu, X. Optimizing Rooftop Photovoltaic Distributed Generation with Battery Storage for Peer-to-Peer Energy Trading. Appl. Energy 2018, 228, 2567–2580. [Google Scholar] [CrossRef]
Publisher’s Note: MDPI stays neutral with regard to jurisdictional claims in published maps and institutional affiliations. |
© 2021 by the authors. Licensee MDPI, Basel, Switzerland. This article is an open access article distributed under the terms and conditions of the Creative Commons Attribution (CC BY) license (https://creativecommons.org/licenses/by/4.0/).