A Novel Harmonic Suppression Traction Transformer with Integrated Filtering Inductors for Railway Systems
Abstract
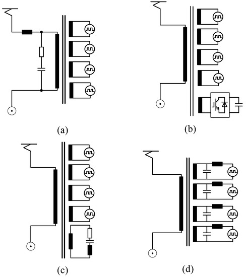
1. Introduction
- An HSTT with integrated filtering inductors is proposed;
- The principle of magnetic decoupling of the IFIs is analyzed;
- The design process of the HSTT with IFIs is specifically introduced;
- The proposed method is verified in terms of volume reduction and harmonic suppression effect.
2. Description and Magnetic Analysis of the HSTT with IFIs
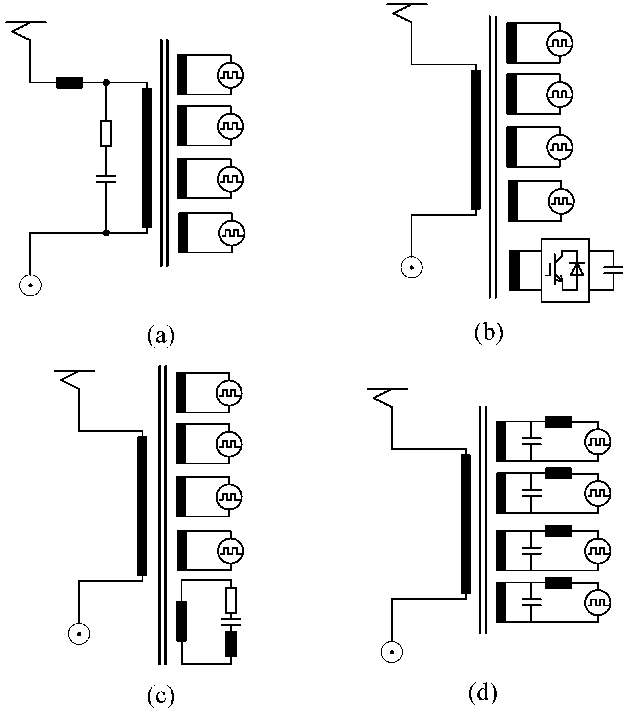
2.1. Descriptions of the Traction Drive System with IFI-Based LCL-Type Filter
2.2. Magnetic Analysis of the IFI Windings
2.3. Magnetic Analysis of the HSTT with IFIs
3. Math Design and Calculations Methods of the HSTT with IFIs
3.1. LCL-Type Filter Design
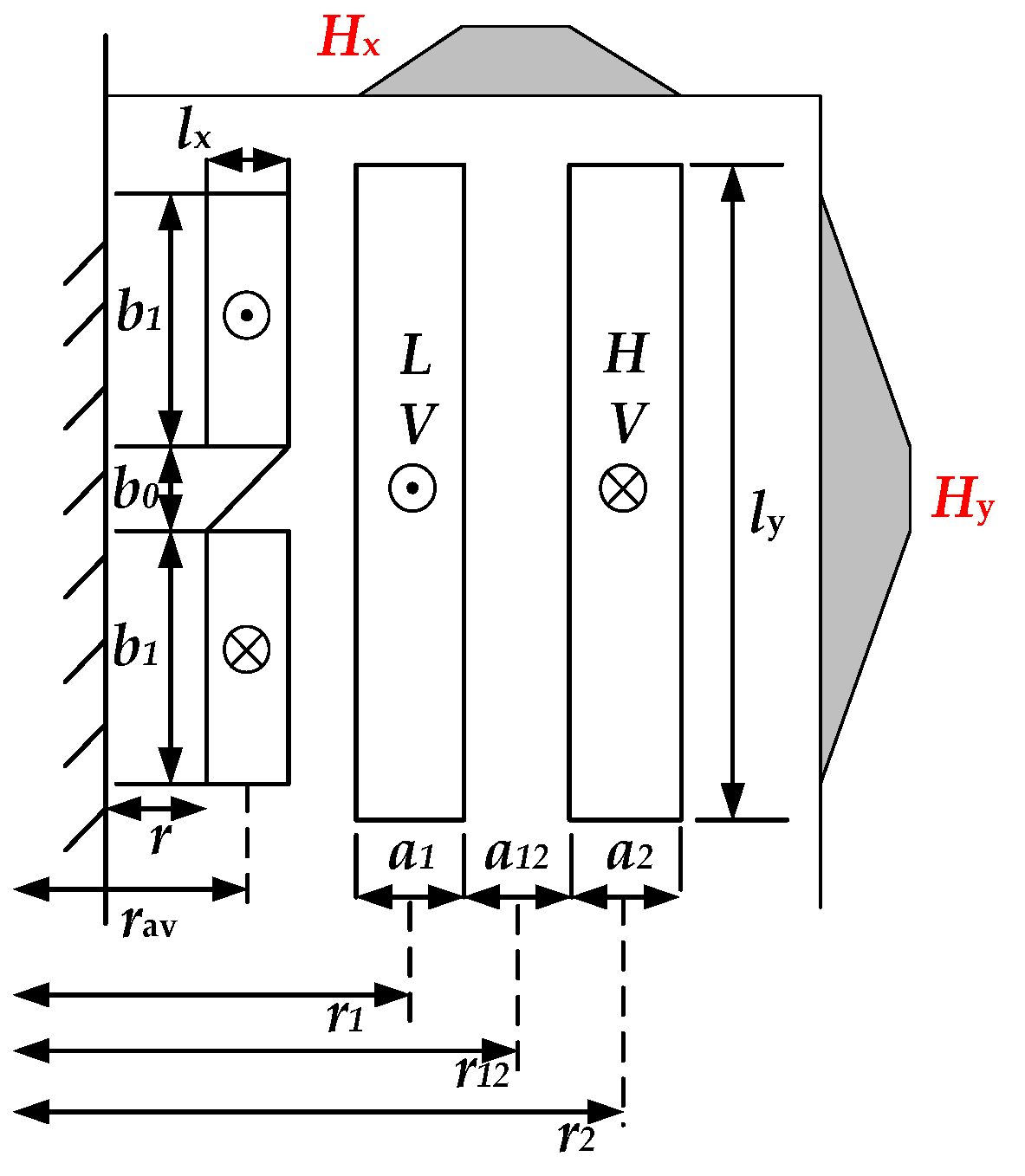
3.2. Dimension-Based Method
3.3. Inductance Matrix Based Calculation
4. Simulation and Experiment Results
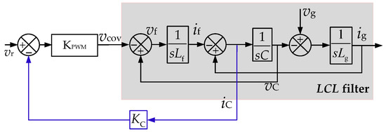
4.1. Control Method
4.2. Field-Circuit Coupling Simulation
4.3. Practical Operations
5. Conclusions
Author Contributions
Acknowledgments
Conflicts of Interest
Appendix A
References
- Hu, H.; Shao, Y.; Tang, L.; Ma, J.; He, Z.; Gao, S. Overview of harmonic and resonance in railway electrification systems. IEEE Trans. Ind. Appl. 2018, 5, 5227–5245. [Google Scholar] [CrossRef]
- He, Z.; Hu, H.; Zhang, Y.; Gao, S. Harmonic resonance assessment to traction power-supply system considering train model in China high-speed railway. IEEE Trans. Power Del. 2013, 4, 1735–1743. [Google Scholar] [CrossRef]
- Liu, J.; Yang, Q.; Zheng, T.Q. Harmonic analysis of traction networks based on the CRH380 series EMUs accident. In Proceedings of the IEEE Transportation Electrification Conference and Expo (ITEC), Dearborn, MI, USA, 18–20 June 2012. [Google Scholar]
- Hu, H.; He, Z.; Gao, S. Passive filter design for China high-speed railway with considering harmonic resonance and characteristic harmonics. IEEE Trans. Power Del. 2014, 30, 505–514. [Google Scholar] [CrossRef]
- Tan, P.-C.; Loh, P.C.; Holmes, D.G. A robust multilevel hybrid compensation system for 25-kV electrified railway applications. IEEE Trans. Power Electron. 2004, 4, 1043–1052. [Google Scholar] [CrossRef]
- Holtz, J.; Krah, J. Adaptive optimal pulse-width modulation for the line-side converter of electric locomotives. IEEE Trans. Power Electron. 1992, 1, 205–211. [Google Scholar] [CrossRef]
- Zhang, R.; Lin, F.; Yang, Z.; Cao, H.; Liu, Y. A harmonic resonance suppression strategy for a high-speed railway traction power supply system with a SHE-PWM four-quadrant converter based on active-set secondary optimization. Energies 2017, 10, 1567. [Google Scholar] [CrossRef]
- Cui, H.; Song, W.; Fang, H.; Ge, X.; Feng, X. Resonant harmonic elimination pulse width modulation-based high-frequency resonance suppression of high-speed railways. IET Power Electron. 2015, 5, 735–742. [Google Scholar] [CrossRef]
- Song, K.; Konstantinou, G.; Mingli, W.; Acuna, P.; Aguilera, R.P.; Agelidis, V.G. Windowed SHE-PWM of interleaved four-quadrant converters for resonance suppression in traction power supply systems. IEEE Trans. Power Electron. 2016, 10, 7870–7881. [Google Scholar] [CrossRef]
- Krah, J.-O.; Holtz, J. Total compensation of line-side switching harmonics in converter-fed AC locomotives. IEEE Trans. Ind. Appl. 1995, 6, 1264–1273. [Google Scholar] [CrossRef]
- Aceiton, R.; Weber, J.; Bernet, S. Input filter for a power electronics transformer in a railway traction application. IEEE Trans. Ind. Electron. 2018, 12, 9449–9458. [Google Scholar] [CrossRef]
- Song, W.; Jiao, S.; Li, Y.W.; Wang, J.; Huang, J. High-frequency harmonic resonance suppression in high-speed railway through single-phase traction converter with LCL filter. IEEE Trans. Transport. Electrif. 2016, 3, 347–356. [Google Scholar] [CrossRef]
- Lee, K.-J.; Park, N.-J.; Kim, R.-Y.; Ha, D.-H.; Hyun, D.-S. Design of an LCL filter employing a symmetric geometry and its control in grid-connected inverter applications. In Proceedings of the IEEE Power Electronics Specialists Conference, Rhodes, Greece, 15–19 June 2008. [Google Scholar]
- Pan, D.; Ruan, X.; Bao, C.; Li, W.; Wang, X. Magnetic integration of the LCL filter in grid-connected inverters. IEEE Trans. Power Electron. 2013, 4, 1573–1578. [Google Scholar] [CrossRef]
- Fang, J.; Li, H.; Tang, Y. A magnetic integrated LLCL filter for grid-connected voltage-source converters. IEEE Trans. Power Electron. 2016, 3, 1725–1730. [Google Scholar] [CrossRef]
- Li, X.; Fang, J.; Lin, P.; Tang, Y. Active magnetic decoupling for improving the performance of integrated LCL-filters in grid-connected converters. IEEE Trans. Ind. Electron. 2017, 2, 1367–1376. [Google Scholar] [CrossRef]
- Pleite, J.; Valdivia, V.; Zumel, P.; Gonzalez, C. Transformer and Series Inductance Integration for Harmonic Filtering in PWM Inverters Based in a Simple Design Procedure. In Proceedings of the IEEE International Symposium on Industrial Electronics, Vigo, Spain, 4–7 June 2007. [Google Scholar]
- Liang, C.; Luo, L.; Li, Y.; Xu, J.; Qi, Q.; Chen, Y.; Zhou, G.; Deng, M. An integrated harmonic-filtering transformer for low-voltage distribution systems. IEEE Trans. Magn. 2015, 11, 1–4. [Google Scholar]
- Xu, J.; Gu, X.; Liang, C.; Bai, Z.; Kubis, A. Harmonic suppression analysis of a harmonic filtering distribution transformer with integrated inductors based on field–circuit coupling simulation. IET Gener. Trans. Distrib. 2017, 3, 615–623. [Google Scholar] [CrossRef]
- Li, Y.; Peng, Y.; Liu, F.; Sidorov, D.; Panasetsky, D.; Liang, C.; Luo, L.; Cao, Y. A controllably inductive filtering method with transformer-integrated linear reactor for power quality improvement of shipboard power system. IEEE Trans. Power Del. 2016, 4, 1817–1827. [Google Scholar] [CrossRef]
- Zhang, M.; Li, Y.; Liu, F.; Li, W.; Peng, Y.; Wu, W.; Cao, Y. Cooperative Operation of DG Inverters and a RIHAF for Power Quality Improvement in an Integrated Transformer-Structured Grid-Connected Microgrid. IEEE Trans. Ind. Appl. 2018, 2, 1157–1170. [Google Scholar] [CrossRef]
- Liu, Q.; Li, Y.; Luo, L.; Peng, Y.; Cao, Y. Power quality management of PV power plant with transformer integrated filtering method. IEEE Trans. Power Del. 2018, 3, 941–949. [Google Scholar] [CrossRef]
- Liu, Q.; Peng, L.; Kang, Y.; Tang, S.; Wu, D.; Qi, Y. A novel design and optimization method of an LCL filter for a shunt active power filter. IEEE Trans. Ind. Electron. 2013, 8, 4000–4010. [Google Scholar] [CrossRef]
- Jalili, K.; Bernet, S. Design of LCL filters of active-front-end two-level voltage-source converters. IEEE Trans. Ind. Electron. 2009, 5, 1674–1689. [Google Scholar] [CrossRef]
- Liserre, M.; Blaabjerg, F.; Hansen, S. Design and control of an LCL-filter-based three-phase active rectifier. IEEE Trans. Ind. Appl. 2005, 5, 1281–1291. [Google Scholar] [CrossRef]
- Tang, Y.; Loh, P.C.; Wang, P.; Choo, F.H.; Gao, F.; Blaabjerg, F. Generalized design of high performance shunt active power filter with output LCL filter. IEEE Trans. Ind. Electron. 2011, 3, 1443–1452. [Google Scholar] [CrossRef]
- Bao, C.; Ruan, X.; Wang, X.; Li, W.; Pan, D.; Weng, K. Step-by-step controller design for LCL-type grid-connected inverter with capacitor–current-feedback active-damping. IEEE Trans. Power Electron. 2013, 3, 1239–1253. [Google Scholar]
- Said-Romdhane, M.; Naouar, M.; Belkhodja, I.; Monmasson, E. An improved LCL filter design in order to ensure stability without damping and despite large grid impedance variations. Energies 2017, 10, 336. [Google Scholar] [CrossRef]
- Chang, G.W.; Lin, H.-W.; Chen, S.-K. Modeling characteristics of harmonic currents generated by high-speed railway traction drive converters. IEEE Trans. Power Del. 2004, 2, 766–773. [Google Scholar] [CrossRef]
- Xie, B.; Li, X.; Chen, Q.; Zhang, Y.; Wang, J. Calculation of the circulating current and short- circuit impedance of a 3000kVA HTS transformer with split types of windings. In Proceedings of the International Conference on Electrical Machines and Systems (ICEMS), Seoul, Korea, 8–11 October 2007. [Google Scholar]
- Yoon, S.-J.; Lai, N.; Kim, K.-H. A systematic controller design for a grid-connected inverter with LCL filter using a discrete-time integral state feedback control and state observer. Energies 2018, 11, 437. [Google Scholar] [CrossRef]
- Lorzadeh, I.; Askarian Abyaneh, H.; Savaghebi, M.; Bakhshai, A.; Guerrero, J.M. Capacitor current feedback-based active resonance damping strategies for digitally-controlled inductive-capacitive-inductive-filtered grid-connected inverters. Energies 2016, 9, 642. [Google Scholar] [CrossRef]

















| Elements | Parameters | Values |
|---|---|---|
| Traction Grid | Voltage | 27,500 V |
| Frequency | 50 Hz | |
| Traction transformer | Turns ratio | 77/3 |
| Traction Converter | Rated power | 1.385 MW |
| Switching frequency | 550 Hz | |
| DC-link voltage | 2400 V | |
| DC-link Capacitor | 3000 μF | |
| The Resistive load | 6 Ω | |
| LCL-type filter | Grid side inductor Lg | 1.1 mH |
| Converter side inductor Lf | 1.46 mH | |
| Filter capacitor Cf | 180 μF |
| Inductances | Unit 1 | Unit 2 | Unit 3 | Unit 4 |
|---|---|---|---|---|
| Lg | 1.095 mH | 1.096 mH | 1.094 mH | 1.095 mH |
| Lf | 1.4611 mH | 1.4649 mH | 1.4603 mH | 1.4605 mH |
| Parameters | Values |
|---|---|
| The rated power | 5 kW |
| Turns ratio of the transformer | 220/220 |
| The rated current of the converter | 22.7 A |
| Grid frequency | 50 Hz |
| DC link reference voltage | 400 V |
| The capacitor of the DC link | 3000 μF |
| Switching frequency | 10 kHz |
| The inductance in the discrete inductors Lf | 1.0 mH |
| The capacitance of LCL-type filter Cf | 30 uF |
| The resistive load | 33.5 Ω |
| Inductances | Designed Value | Calculated Value | Simulated Value | Measured Value |
|---|---|---|---|---|
| Lg1 | 0.7 mH | 0.71 mH | 0.698 mH | 0.764 mH |
| Lg2 | 0.7 mH | 0.71 mH | 0.698 mH | 0.765 mH |
| Lf1 | 1.0 mH | 1.03 mH | 1.04 mH | 1.056 mH |
| Lf2 | 1.0 mH | 1.03 mH | 1.03 mH | 1.042 mH |
© 2020 by the authors. Licensee MDPI, Basel, Switzerland. This article is an open access article distributed under the terms and conditions of the Creative Commons Attribution (CC BY) license (http://creativecommons.org/licenses/by/4.0/).
Share and Cite
Liu, Y.; Xu, J.; Shuai, Z.; Li, Y.; Peng, Y.; Liang, C.; Cui, G.; Hu, S.; Zhang, M.; Xie, B. A Novel Harmonic Suppression Traction Transformer with Integrated Filtering Inductors for Railway Systems. Energies 2020, 13, 473. https://doi.org/10.3390/en13020473
Liu Y, Xu J, Shuai Z, Li Y, Peng Y, Liang C, Cui G, Hu S, Zhang M, Xie B. A Novel Harmonic Suppression Traction Transformer with Integrated Filtering Inductors for Railway Systems. Energies. 2020; 13(2):473. https://doi.org/10.3390/en13020473
Chicago/Turabian StyleLiu, Yuxing, Jiazhu Xu, Zhikang Shuai, Yong Li, Yanjian Peng, Chonggan Liang, Guiping Cui, Sijia Hu, Mingmin Zhang, and Bin Xie. 2020. "A Novel Harmonic Suppression Traction Transformer with Integrated Filtering Inductors for Railway Systems" Energies 13, no. 2: 473. https://doi.org/10.3390/en13020473
APA StyleLiu, Y., Xu, J., Shuai, Z., Li, Y., Peng, Y., Liang, C., Cui, G., Hu, S., Zhang, M., & Xie, B. (2020). A Novel Harmonic Suppression Traction Transformer with Integrated Filtering Inductors for Railway Systems. Energies, 13(2), 473. https://doi.org/10.3390/en13020473

