Abstract
By integrating distributed energy resources (DER, mostly renewable energy sources) in the depth of the distribution network transmission system operators (TSOs), planning and control of transmission systems has been greatly hindered due to the lack of knowledge about the circumstances at the transmission and distribution network’s interface and the lack of coordination with the distribution system operator (DSO). By adopting the Commission Regulation (EU) 2017/1485 (System Operational Guideline—SOGL) establishing a guideline on electricity transmission system operation, harmonized rules on system operation for TSOs, DSOs and significant grid users (SGUs) are set out, inter alia, in order to provide a clear legal framework for the exchange of necessary data and information between the aforementioned subjects. In this paper, the methodology of DER representation at the interface of the transmission and distributed system is presented, with the indicated interactive data exchange between TSO and DSO, for running and analyzing the operation of the entire power system (PS) in real and extended real time. The proposed methodology was tested on a real model of the Croatian transmission PS and with representative DER in the depth of the distribution network.
1. Introduction
The connection of distributed energy resources changes the existing conception of the traditional distribution network as a passive network with a direct energy flow from the transmission network to the end users. The existing voltage regulation in the traditional distribution network is completely determined by the direct energy flow and is subordinated exclusively to reducing the voltage drop from the transmission network to the end user in the low-voltage network, while frequency control is the responsibility of the transmission system operator. With the emergence of DER, the distribution network becomes a network with two-way energy flow and in the event of a change in the direction of energy (from the DER to the parent transmission network), the problem of increasing and decreasing the voltage on the same section may occur as well as the change of frequency.
DER deviations from the planned generation schedule are common. An aggravating circumstance for transmission system operators is that production from DER is planned “day-ahead”, which often deviates from the scheduled plan on that day, and in this case PS regulation is necessary by activating the balancing energy. Some research was aimed at better production planning from DER [1,2,3], but in the case of a large share of renewable energy sources (RES) and relatively low available regulation energy, there has not been much success in maintaining the PS stability. In this case, the TSO is obliged to provide, at its own expense, a voltage and frequency control service, regardless of which voltage level is experiencing deviation from the planned generation from the DER.
The TSO is currently facing the problem of two-way energy flow at the interface with the distribution network, and the problem of unfamiliarity with the distribution network in depth. It is of the utmost importance for the TSO to equivalent the distribution network at the interface with the transmission network, which would be greatly facilitated by coordinating the control and management of the transmission and distribution network, that is, the exchange of data between the TSO and the DSO, and which was emphasized in the Commission Regulation (EU) 2017/1485 System Operational Guideline-SOGL [4]. Therefore, it is necessary to exchange information between the TSO and the DSO in order to equivalent the distribution network with the integrated DER at the interface of the transmission and distribution network. Exchange includes three levels of data packages that are distinguished according to time domain:
- -
- Structural data exchange
- -
- Planned data exchange
- -
- Real-data time exchange
Previous research on aggregate DER models has mainly focused on the needs of the electricity market and referred to balancing energy [5,6,7]. Namely, in order to make optimal use of the available energy resources from a technical standpoint and to maximize profits from the economic point of view, an efficient PS control system adapted to the new circumstances is needed. A curtailment service provider (CSP), virtual power plants (VPP) [8] and an aggregator are subjects that can provide reliable solutions for consumption and production resource management because they can be consolidated and presented as a single subject on electricity markets.
In this context, the aggregator is responsible for the optimal management of a certain number of resources in the region and for their aggregation as a single resource in order to streamline processes in the electricity markets, to overcome economic, technical, legal and regulatory obstacles more effectively and overall to facilitate system management. The importance and efficiency of the aggregator is highlighted when there are other stakeholders in the network, such as balance responsible parties (BRP) [9].
Today, there are several European countries that use the concept of an aggregator for electricity consumers [10]. France is one of the countries that has accepted aggregated loads in each ancillary services program and the BRP and aggregators have been reorganized on the basis of [11,12]:
- Conducting negotiations on the electricity market to calculate costs of compensation by aggregator for BRP:
- ○
- The aggregator does not directly interact with the balance responsible parties; however, it establishes a contract with the electricity supplier in order to have flexible services.
- Depending on responsibility, aggregators are divided into [13]:
- ○
- Parallel aggregators—can participate in different markets simultaneously (electricity, water, heating);
- ○
- Large-scale aggregators—can aggregate large scale generation units that are connected in HV or VHV;
- ○
- Micro aggregators—aggregate small generation units;
- ○
- Global aggregators—aggregate both generation and consumption units.
The aggregator is responsible not only for distributed renewable energy sources, but also for demand response (DR) [14]. According to [15], a DR program is defined as “Changes in the use of electricity by sources of demand from their usual patterns of consumption in response to changes in electricity prices or incentive payments designed to induce lower electricity consumption in times of high wholesale market prices or when system reliability is compromised”. The role of the aggregator in terms of DR is to bring together all electricity consumers who can participate in demand programs and present them as one. Therefore, it can be considered as a flexible participant [16]. To this end, the aggregator can establish two-way contracts with end-users to manage consumption and thus flexibility in negotiations on the electricity market. In order to manage the production of end users, who are considered to be consumers able to generate electricity, the aggregator can play the role of a virtual power plant [17,18]. The aggregator as a third party collects all small consumption and production resources and participates in the electricity market. Virtual power plant (VPP) enables centralized management of aggregated units. The individual functionalities of decentralized units are interconnected by using appropriate communication and control systems that replace conventional power plants completely [19].
In [20] the authors proposed a methodology for the distribution systems designed as interfaced resource with the high voltage (HV) grid, using only open data sources, which is different from this paper that uses proposed data exchange between TSO and DSO in order to develop aggregated models at TSO-DSO interface. The paper [21] proposes DERs aggregation methodology considering the uncertainty of the output of DER and the daily eigenvalues. For this reason fuzzy-logic was introduced in order to make aggregation possible due to higlighted constraints as opposed to the simple methodology proposed in this paper. Most of the investigated literature is focused on aggregation of different DER types in order to improve the techniques of distribution system planning and control [22] unlike this paper that aggregates DERs at the TSO-DSO interface in order to provide a better tool for transmission system operators in control and planning activities.
The listed advantages and capabilities of the aggregator are positive from the standpoint of the electricity market, but considered from a technical standpoint, it is necessary to model the aggregated distributed energy resources mathematically for TSO purposes in order to enable them to operate the transmission system more reliably. The TSO would then have an insight into the depth of the distribution network and would complement the static and dynamic transmission network models with source (or load) at the interface with the distribution network. Since different types and power scales of DERs (mainly renewable energy resources) are integrated at the depth of the distribution network, it is necessary to consolidate the relevant DERs (by power) into a single aggregated DER connected to the transformer at the TSO-DSO interface.
This paper presents a method of aggregating multiple DERs based on TSO-DSO data exchange, which is in accordance with the provisions provided in [4]. Mathematical aggregation of different types of DER is proposed as the sublimated algorithm of different approaches that mostly rely on Thévenin’s theorem by using various optimization methods. The main contribution of the paper is that the proposed algorithm for DER aggregation must use TSO-DSO data exchange in different time levels and such aggregated resource on TSO-DSO interface assists TSO in transmission power system protection and control operation activities and analysis without getting into depth of distribution power system. TSO-DSO data exchange structure is elaborated in Section 3.1 and followed by Section 3.2. that links exchanged data and mathematical modeling of DER.
2. Aggregation of Distributed Energy Resources
Aggregation plays a key role in the advanced smart distribution grids, where millions of active nodes are projected due to increased penetration of distributed energy resources. Aggregation area for a given distribution network can be determined by two criteria: the spatial distribution of load and the cost of aggregation. The calculation of strategic locations and total demand in each area can be carried out using a variety of methods that include exact mathematical methods as well as artificial intelligence (AI), such as the elitist genetic algorithm—GA [23] for optimal aggregation of small, distributed flexible resources.
The general DER aggregation methodology is based on a combination of hierarchical clustering (by location and voltage level), and network reduction using Thévenin’s theorem to calculate aggregated generation and consumption and to simplify distribution networks with thousands of nodes to an equivalent network with aggregated generation and consumption, thus significantly reducing the computation time. This helps distribution system operators make operational decisions close to real-time. Aggregation is used by operators for better operational planning by understanding when, where and how much flexibility will be needed, and allows for the flexibilities resulting from small distributed energy resources to be traded in various electricity markets. A combination of centralized and local aggregation scheme is implemented in the realization of this concept. A continuous calculation of the aggregate network is required to obtain more accurate models compared to the very high errors associated with forecasting individual consumer demand. However, the key challenge is to make the aggregate network behave the same as the original non-aggregated network.
Mathematical Description
The key objective of aggregation is to calculate a simplified equivalent linear network to facilitate TSO in making faster operational decisions regarding the use of available flexibility. As the static and especially dynamic analysis (e.g., power flows, status estimation, etc.) of larger distribution networks is a computationally challenging and time-consuming process, a reduced network provides an excellent tool when making snap decisions (e.g., frequency control, local network congestion).
Since the aggregation of a part of the distribution network is carried out for TSO purposes, the extent of the aggregated part of the network is determined by the volume that is connected to the transformer station between the transmission and distribution network.
Furthermore, it is necessary to calculate the aggregated generation (PAgDER) and load (PAgL), and the equivalent impedance (ZAg) against the connection node in the direction of the transmission network. It should be noted that ZAg, PAgDER and PAgL depend to a large extent on the time domain and their position in the network. As generation and load vary over time, ZAg, PAgDER and PAgL also change dynamically. Therefore, the generation and consumption of electricity is first grouped into an acceptable number of levels given the voltage levels in the distribution network. Afterwards, the aggregated power at the i-th node of a given voltage level is used to calculate the equivalent impedance via Thévenin’s equivalent network reduction approach.
After grouping, generation and load are converted to appropriate impedance using the following expressions [23]:
where:
ZiAgL-load impedance at the i-th node
PjL-power of j-th load on the i-th node
ZiAgDER-generation impedance on the i-th node
PkDER-power of the k-th DER at the i-th node
Vi-point of connection voltage for the consumer at the i-th node
n-number of loads on the i-th node
m-number of DERs at the i-th node
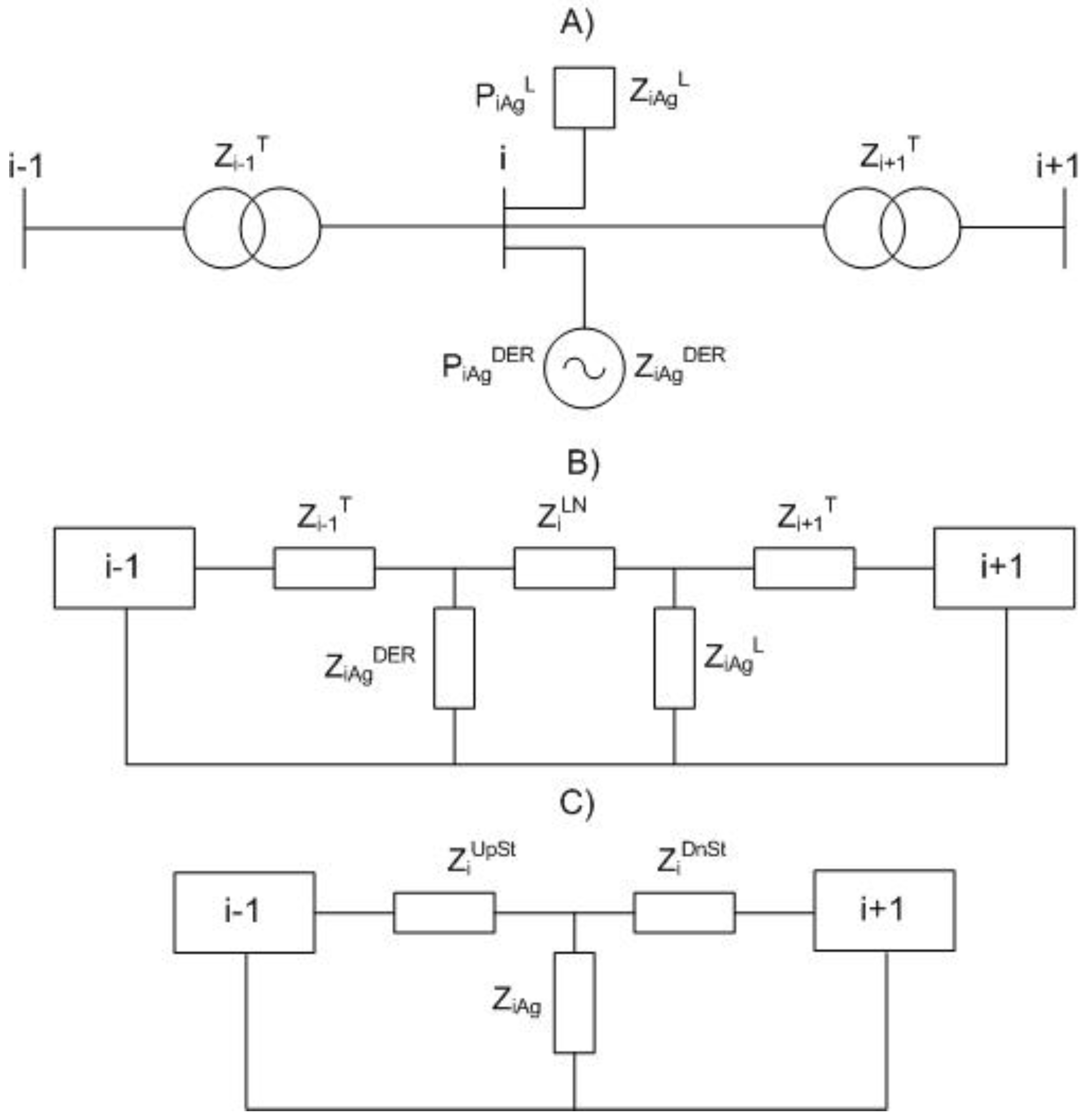
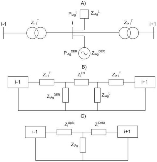
After converting the total generation and load into appropriate impedances, Thévenin’s network reduction technique, as in Figure 1 and Equation (1), is used to calculate aggregated generation and load, or equivalent impedance at a given aggregation point.
Figure 1.
Aggregated impedance calculation. (A) Power system scheme between nodes i − 1 and i + 1; (B) Explicit impedances between nodes i − 1 and i + 1; (C) Aggregated impedances between nodes i − 1 and i + 1.
Within a given aggregation region, a Π-T (delta-star) transformation is first used, followed by a reduction of the (series-parallel) network [24]. The generation, load and line impedances are shown in Figure 1B and are reduced into shape as in Figure 1C using the following set of equations:
where:
ZiUpSt-equivalent impedance upstream of the i-th node of aggregation (given voltage levels in the distribution network)
ZiDnSt-equivalent impedance downstream of the i-th node of aggregation (given voltage levels in the distribution network)
Zi−1T-transformer impedance between i-th and (i − 1)-th node
Zi+1T-transformer impedance between i-th and (i+1)-th node
ZiLN-line impedance between production and load of the i-th node
Then the overall aggregated impedance ZAg is equal to the sum of impedances (ZiUpSt, ZiDnSt and ZiAg) of all nodes from the first to the last, observing from the point of view of the transmission system using Equation (3), and as shown in Figure 2.
Figure 2.
Overall aggregated impedance calculation.
The equivalent load impedance is then converted to power using the inverse calculation according to Equation (1) [24]. The impedance calculation is performed on the basis of historical electricity consumption data. Annual consumption data from the actual distribution network is clustered and clustered data is used to reduce the network and calculate the same impedance. Depending on the TSO needs and preferences, the equivalent impedance can be calculated in real-time or sub real-time.
3. Algorithm for Transmission System Modeling
3.1. TSO—DSO Data Exchange Scheme
The existing problems related to TSO operational procedures are caused by a lack of knowledge of the distribution network, and can be summarized in two key conclusions:
- -
- Problems with making a day-ahead plan in TSO, and
- -
- An unexpected voltage increase in the transmission network due to intermittent generation in the depth of the distribution network.
In addition to certain known causes in the transmission and distribution networks (connection of distributed energy resources in the transmission network, predictable change in consumption over different time periods, cabling of the distribution network, etc.), both problems are a direct consequence of connection of distributed energy resources in the depth of the distribution network. For this reason, in some nodes-interfaces between the TSO and DSO, during the day, there are significant changes in the power flows, which, in addition to changing the amount, can also change the direction from descending to ascending (from the transmission network to the distribution network and vice versa).
The proposal for the exchange of data between TSOs and DSOs should include data relating to distributed energy resources; in particular those connected at the distribution voltage level, which are in accordance with EU SOGL [4].
Table 1 shows/presents our suggestion of the necessary data to be exchanged in order to reduce unexpected operating conditions and thus optimize operational procedures primarily in the TSO.
Table 1.
Scheme for data exchange between TSO and DSO.
In addition to operational procedures of data exchange between TSOs and DSOs, other procedures should be taken into account, such as:
- -
- Power system development–structural data
- -
- Power system planning–planning
- -
- Power system monitoring, protection and control–real (pseudo-real) data
It should be emphasized that data packages numbered as 1, 4, 7 and 8 from Table 1 are necessary for DER modeling as aggregated resource. Delivery of operational data of distributed energy resources connected in the distribution network refreshed every 15 min requires pseudo-real time data exchange between TSO and DSO such as SCADA systems. If the time interval is prolonged, the accuracy of DER models on TSO-DSO interface will no longer be reliable for control activities of TSO.
The delivery of performance data from distributed energy resources connected at the distribution level presents significant information required to plan system operation day-ahead, as well as to run the operation in real-time. The delivery of the planned operation of distributed energy resources may be based on prognostic models using archival data or based on the work plan of balance groups. From the point of view of running the system in real-time, it is necessary to provide the measurement of the delivered energy of distributed sources in real-time.
3.2. Algorithm for Transmission System Modeling
Two basic facts are the starting point for designing a transmission system model with aggregated DERs connected at the depth of the distribution network: a starting model for the transmission network to transformers at the transmission and distribution network interface and data collection on the operation of distributed energy resources, as well as on topology by the DSO. Figure 3 shows a proposal for a transmission network modeling algorithm including aggregated DERs from the distribution level.
Figure 3.
Algorithm for power transmission system modelling based on TSO-DSO data exchange.
After collecting the data from the DSO on the operation of individual DERs, the calculation of aggregate models at the interface of the transmission and distribution network is performed, where the HV/MV transformer is taken as the interface. After the calculation, a model of the transmission system with added generation and consumption from the distribution level is made. In order to evaluate whether the model of the transmission system is satisfactory with regards to the individual processes carried out by the TSO in different time domains, it is necessary to calculate the power flows using the “new” model and compare it with the measured power flows obtained by the SCADA system. The status estimation calculation should be treated in a similar manner. It is necessary to compare the results obtained by using existing models and SCADA measurements with calculations that use a transmission system model with aggregated DERs and repeat the procedure if necessary.
4. Transmission System Model Validation
According to the above algorithm, the accuracy of the transmission system model with associated aggregated DER on distribution levels is verified by comparing the results obtained from SCADA measurements with the results of an off-line analysis of power flows on the created model. In this section, the validation of the algorithm, and therefore of the newly created transmission network model is carried out in such a way that an analysis of the power flows of the created model and the transmission network model is compared with the explicit modeled distribution network behind the interface, down to the DER. This method is not suitable for validation in practice since it requires modeling of the entire transmission and distribution network with DER attached. However, it is useful for proving the accuracy of the proposed algorithm. Modeling of explicit and aggregated different types of DER is described and validated in [25,26,27] and according to that, an adequate model for the analysis of wind farms was chosen in this section.
Parts of the transmission network of the Republic of Croatia having influence on existing distributed energy resources connected at the distribution level were analyzed. Various operating conditions of the aforementioned distributed energy resources were observed, as well as their impact on the transmission network.
Analyses were made using explicit distributed energy resource models including other models of transmission and distribution system elements such as transformers and lines. Also, analyses in case of aggregate distributed energy resource models were used, which were ultimately connected to the TSO/DSO common interface.
Ultimately, a comparison was made of actual measurements for different operational statuses of distributed energy resources obtained by the SCADA system and simulation results using the data on aggregated distributed energy resources and network elements for the same simulated operational statuses.
The following were analyzed as relevant distributed energy resources, and thus parts of the transmission network (Figure 4):
Figure 4.
Analyzed power transmission system.
Power plants at medium voltage (35 kV) connected to the nearest 110 kV network of substation Bilice 220/110/35 kV:
- (a)
- Wind Farm (WF) Crno Brdo
- (b)
- WF Krtolin
- (c)
- WF Orlice
Below is an analysis of observed wind farms with respect to generation (Table 2). The analysis was carried out quarterly and summatively in one year (Table 3).
Table 2.
Wind farms–nominal power [MW].
Table 3.
Wind farms–average power during the year [MW].
4.1. Downstream (TSO-DSO) Load Flow Scenario
The transmission network analyses of Figure 4 were performed for operating statuses for June-September as shown in Table 3. During selected time interval it is assumed that power flow direction is from transmission network to distribution network due to increased consumption of air-condition devices because of the tourist season. The analyses involve the calculation of power flows and voltage in the nodes for the explicitly modeled transmission and distribution network (Figure 5), and for the aggregated distribution network (Figure 6).
Figure 5.
Calculated power flow and voltages of analysed power transmission system–explicit DER and load–downstream load flow.
Figure 6.
Calculated power flow and voltages of analyzed power transmission system–aggregated DER and load–downstream load flow.
A comparison of the voltages in the nodes in a node environment (60003 HBILIC5) to which the part of the distribution network is aggregated is shown in Table 4. It can be observed that the voltage deviations are not greater than 0.4 kV for the 110 kV voltage level. By analyzing the results of the calculation of power flows in Table 5, it is concluded that the deviations do not exceed 10%.
Table 4.
Node voltage comparison [kV].
Table 5.
Load flow calculation comparison [kV].
4.2. Upstream (TSO-DSO) Load Flow Scenario
The transmission network analyses of Figure 4 were performed for operating statuses for March as shown in Table 3. During selected time interval it is assumed that power flow direction is from distribution side upstream to transmission network as March is quite windy month and consumption of electricity is low (off tourist season). As in 4.1 the analyses involve the calculation of power flows and voltage in the nodes for the explicitly modeled transmission and distribution network (Figure 7), and for the aggregated distribution network (Figure 8).
Figure 7.
Calculated power flow and voltages of analysed power transmission system–explicit DER and load–upstream load flow.
Figure 8.
Calculated power flow and voltages of analyzed power transmission system–aggregated DER and load–upstream load flow.
A comparison of the voltages in the nodes in a node environment (60003 HBILIC5) to which the part of the distribution network is aggregated is shown in Table 6. It can be observed that the voltage deviations are not greater than 0.5 kV for the 110 kV voltage level. By analyzing the results of the calculation of power flows in Table 7, it is concluded that the deviations do not exceed 10%, exept at the transformation form 110 kV to 220 kV (33%) due to DER and load aggregation form distribution level to 110 kV transmission level that affect load flow form 110 kV to 220 kV.
Table 6.
Node voltage comparison [kV].
Table 7.
Load flow calculation comparison [kV].
By analyzing the presented results it can be concluded that the major difference between the explicit and the aggregated approach is significant near nodes that are close to the modeled DER and are “far away enough” from conventional power plants (in this particular case hydropower plants). By “far away enough” we mean that at least three nodes are between the aggregated DER and the load and the hydropower plant.
5. Conclusions
The basic guideline for this paper is the adoption of European Commission Regulation (EU) 2017/1485 (SOGL) establishing harmonized rules for transmission system operators (TSOs), distribution system operators (ODSs) and significant grid users (SGUs) to provide a legal framework for the operation of interconnected transmission systems (e.g., regional cooperation) to maintain system security and to achieve other objectives at the European Union level. In the paper the emphasis is placed on the theoretical bases of the representation of distributed energy resources in the depth of the distribution network at the interface of the transmission and distribution network. Accordingly, the necessary data that the transmission and distribution system operators are required to exchange are highlighted, in accordance with the operational actions that have their default time interval. This differentiates the data exchanged with respect to system development, system operation planning and real-time system management, and the data conditioned by the operator’s real-time operational procedures.
The paper provides theoretical bases for aggregate models of distributed energy resources that represent a virtual power plant at the interface of the transmission and distribution network. Furthermore, verification analyses of the elaborated distributed energy resource models were performed by comparing the calculation of power flow and voltages at characteristic power lines and nodes for actual wind farms using explicit and aggregated models.
This paper represents a theoretically elaborated background for modeling distributed energy resources at the transmission and distribution network interface, which are in reality connected at the depth of the distribution network. Datasets are proposed that need to be exchanged between transmission and distribution system operators for different operating procedures, as well as time intervals of the exchange. The aforementioned bases should be integrated into the existing transmission system monitoring, protection and control systems (SCADA, WAMS) to allow safe and reliable operation of the transmission system.
Nowadays, distribution systems have implemented numerous DERs in depth of the grid with significant nominal power. It is not appropriate to model each one or to exchange operational data from each one between TSO and DSO in order to run an analysis on transmission system level. The proposed methodology enables a fast analysis of the transmission system based on off-line developed models that use aggregated DER and loads from the distribution grid. Therefore, computational time and modeling of transmission system is faster and simpler for TSOs.
Author Contributions
Conceptualization, S.S., A.M. and R.R.; Methodology, S.S., A.M. and M.B.; validation, A.M., R.R. and M.B.; investigation, M.B.; resources, S.S.; writing—original draft preparation, S.S. and M.B.; writing—review and editing, S.S., A.M. and R.R.; visualization, M.B. All authors have read and agreed to the published version of the manuscript.
Funding
This research received no external funding.
Conflicts of Interest
The authors declare no conflict of interest.
References
- Grossi, L.; Nan, F. Robust forecasting of electricity prices: Simulations, models and the impact of renewable sources. Technol. Forecast. Soc. Chang. 2019, 141, 305–318. [Google Scholar] [CrossRef]
- Notton, G.; Nivet, M.L.; Voyant, C.; Paoli, C.; Darras, C.; Motte, F.; Fouilloy, A. Intermittent and stochastic character of renewable energy sources: Consequences, cost of intermittence and benefit of forecasting. Renew. Sustain. Energy Rev. 2018, 87, 96–105. [Google Scholar] [CrossRef]
- Wozabal, D.; Graf, C.; Hirschmann, D. The effect of intermittent renewables on the electricity price variance. OR Spectr. 2016, 38, 687–709. [Google Scholar] [CrossRef]
- Commission Regulation (EU) 2017/1485 (System Operational Guideline—SOGL). Available online: https://eur-lex.europa.eu/legal-content/EN/TXT/?uri=uriserv:OJ.L_.2017.220.01.0001.01.ENG&toc=OJ:L:2017:220:TOC (accessed on 13 January 2020).
- Jigoria-Oprea, D.; Vuc, G.; Litcanu, M. Optimal management of a virtual power plant. In Proceedings of the 2016 IEEE 16th International Conference on Environment and Electrical Engineering (EEEIC), Florence, Italy, 7–10 June 2016; pp. 1–5. [Google Scholar]
- El Bakari, K.; Kling, W.L. Development and operation of virtual power plant system. In Proceedings of the 2011 2nd IEEE PES International Conference and Exhibition on Innovative Smart Grid Technologies, Manchester, UK, 5–7 December 2011; pp. 1–5. [Google Scholar]
- Pepiciello, A.; Bernardo, G.; D’Argenzio, E.; Vaccaro, A. A Decision Support System for the Strategic Operation of Virtual Power Plants in Electricity Markets. In Proceedings of the 2019 International Conference on Clean Electrical Power (ICCEP), Otranto, Italy, 2–4 July 2019; pp. 370–374. [Google Scholar]
- Loßner, M.; Böttger, D.; Bruckner, T. Economic assessment of virtual power plants in the German energy market—A scenario-based and model-supported analysis. Energy Econ. 2017, 62, 125–138. [Google Scholar] [CrossRef]
- Othman, M.M.; Hegazy, Y.G.; Abdelaziz, A.Y. Electrical energy management in unbalanced distribution networks using virtual power plant concept. Electr. Power Syst. Res. 2017, 145, 157–165. [Google Scholar] [CrossRef]
- Shayegan-Rad, A.; Badri, A.; Zangeneh, A. Day-ahead scheduling of virtual power plant in joint energy and regulation reserve markets under uncertainties. Energy 2017, 121, 114–125. [Google Scholar] [CrossRef]
- Oliveira, P.; Pinto, T.; Morais, H.; Vale, Z.A.; Praca, I. MASCEM—An Electricity market simulator providing coalition support for virtual power players. In Proceedings of the 2009 15th International Conference on Intelligent System Applications to Power Systems, Curitiba, Brazil, 8–12 November 2009; pp. 1–6. [Google Scholar]
- Roos, A.; Ottesen, S.Ø.; Bolkesjø, T.F.; Tang, Y.; Zhang, S.; Liu, Y. Modeling consumer flexibility of an aggregator participating in the incentive payment design for electricity demand response. In Proceedings of the 2011 International Conference on Management and Service Science (MASS 2011), Wuhan, China, 12–14 August 2011. [Google Scholar]
- Mahmoudi, N.; Heydarian-Forushani, E.; Shafie-khah, M.; Saha, T.K.; Golshan, M.E.H.; Siano, P. A bottom-up approach for demand response aggregators’ participation in electricity markets. Electr. Power Syst. Res. 2017, 143, 121–129. [Google Scholar] [CrossRef]
- Santos, G.; Pinto, T.; Morais, H.; Sousa, T.M.; Pereira, I.F.; Fernandes, R.; Praca, I.; Vale, Z. Multi-agent simulation of competitive electricity markets: Autonomous systems cooperation for European market modeling. Energy Convers. Manag. 2015, 99, 387–399. [Google Scholar] [CrossRef]
- Lakshmanan, V.; Marinelli, M.; Kosek, A.M.; Nørgård, P.B.; Bindner, H.W. Impact of thermostatically controlled loads’ demand response activation on aggregated power: A field experiment. Energy 2016, 94, 705–714. [Google Scholar] [CrossRef]
- Bel, C.Á.; Ortega, M.A.; Escrivá, G.E.; Marín, A.G. Technical and economical tools to assess customer demand response in the commercial sector. Energy Convers. Manag. 2009, 50, 2605–2612. [Google Scholar]
- Morais, H.; Sousa, T.; Soares, J.; Faria, P.; Vale, Z. Distributed energy resources management using plug-in hybrid electric vehicles as a fuel-shifting demand response resource. Energy Convers. Manag. 2015, 97, 78–93. [Google Scholar] [CrossRef]
- Paterakis, N.G.; Erdinç, O.; Catalão, J.P.S. An overview of Demand Response: Key-elements and international experience. Renew. Sustain. Energy Rev. 2017, 69, 871–891. [Google Scholar] [CrossRef]
- Liu, Y. Demand response and energy efficiency in the capacity resource procurement: Case studies of forward capacity markets in ISO New England, PJM and Great Britain. Energy Policy 2017, 100, 271–282. [Google Scholar] [CrossRef]
- Pisano, G.; Chowdhury, N.; Coppo, M.; Natale, N.; Petretto, G.; Soma, G.G.; Turri, R.; Pilo, F. Synthetic models of distribution networks based on open data and georeferenced information. Energies 2019, 12, 4500. [Google Scholar] [CrossRef]
- Hong, L.; Duan, J.; Zhang, D.; Yang, J. A distributed energy resources aggregation model based on multi-scenario and multi-objective methodology. Appl. Sci. 2019, 9, 3586. [Google Scholar]
- Nick, M.; Cherkaoui, R.; Paolone, M. Optimal planning of distributed energy storage systems in active distribution networks embedding grid reconfiguration. IEEE Trans. Power Syst. 2018, 33, 1577–1590. [Google Scholar] [CrossRef]
- Bhattarai, B.P.; Myers, K.S.; Bak-Jensen, B.; CerioMendaza, I.D.; Turk, R.J.; Gentle, J.P. Optimum aggregation of geographically distributed flexible resources in strategic smart-grid/microgrid locations. Int. J. Electr. Power Energy Syst. 2017, 92, 193–201. [Google Scholar] [CrossRef]
- Bhattarai, B.P.; de CerioMendaza, I.D.; Myers, K.S.; Bak-Jensen, B.; Paudyal, S. Optimum aggregation and control of spatially distributed flexible resources in smart grid. IEEE Trans. Smart Grid 2018, 9, 5311–5322. [Google Scholar] [CrossRef]
- Skok, S.; Ivanković, I.; Zbunjak, Z. Two layer hydropower plant dynamic mathematical modeling using synchronized measurements. Int. J.Electr. Power Energy Syst. 2018, 103, 302–309. [Google Scholar] [CrossRef]
- Vrkić, N.; Skok, S.; Kirinčić, V. Real time power swing monitoring in hydro power plant supported by synchronized measurements. Tech. Gaz. 2016, 23, 1517–1522. [Google Scholar] [CrossRef][Green Version]
- Kirinčić, V.; Skok, S.; Franković, D. A State Estimator Using SCADA and Synchronized Phasor Measurements. Int. J. Electr. Comput. Eng. Syst. 2016, 7, 61–69. [Google Scholar]
© 2020 by the authors. Licensee MDPI, Basel, Switzerland. This article is an open access article distributed under the terms and conditions of the Creative Commons Attribution (CC BY) license (http://creativecommons.org/licenses/by/4.0/).







