A Gate Driver Based on Variable Voltage and Resistance for Suppressing Overcurrent and Overvoltage of SiC MOSFETs
Abstract
:1. Introduction
2. Overvoltage and Overcurrent of SiC MOSFETs
2.1. Causes of Turn-On Overcurrent
2.2. Causes of Turn-Off Overvoltage
3. Proposed Gate Driving Circuit
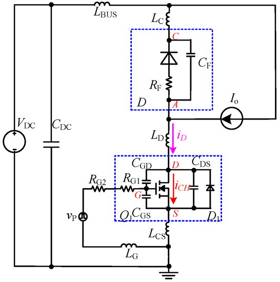
3.1. Parameters Design of the Proposed Gate Driver
3.2. Working Principle of the Proposed Gate Driving Circuit
4. Experimental Verification
4.1. Design of the Double-Pulse Test Platform
4.2. Test Results of the Turn-on Process
4.3. Test Results of the Turn-Off Process
4.4. Test Results under Different Working Conditions
5. Conclusions
Author Contributions
Funding
Conflicts of Interest
References
- Wrzecionko, B.; Bortis, D.; Biela, J.; Kolar, J.W. Novel ac-coupled gate driver for ultrafast switching of normally off SIC JFETs. IEEE Trans. Power Electron. 2012, 27, 3452–3463. [Google Scholar] [CrossRef]
- Han, D.; Noppakunkajorn, J.; Sarlioglu, B. Analysis of a SiC three-phase voltage source inverter under various current and power factor operations. In Proceedings of the 39th Annual Conference of the IEEE Industrial Electronics Society (IECON 2013), Vienna, Austria, 10–13 November 2013; pp. 447–452. [Google Scholar]
- Han, D.; Noppakunkajorn, J.; Sarlioglu, B. Efficiency comparison of SiC and Si-based bidirectional DC-DC converters. In Proceedings of the 2013 IEEE Transportation Electrification Conference and Expo (ITEC), Detroit, MI, USA, 16–19 June 2013; pp. 1–7. [Google Scholar]
- Jouha, W.; Oualkadi, A.; Dherbécourt, P.; Joubert, E.; Masmoudi, M. Silicon carbide power MOSFET model: An accurate parameter extraction method based on the levenberg–marquardt algorithm. IEEE Trans. Power Electron. 2018, 33, 9130–9133. [Google Scholar] [CrossRef]
- Hashimoto, K.; Okuda, T.; Hikihara, T. A flyback converter with SiC power MOSFET operating at 10 MHz: reducing leakage inductance for improvement of switching behaviors. In Proceedings of the 2018 International Power Electronics Conference (IPEC-Niigata 2018–ECCE Asia), Niigata, Japan, 20–24 May 2018; pp. 3757–3761. [Google Scholar]
- Zhang, W.; Xu, X.; Zhang, Z.; Wang, F.; Tolbert, L.M.; Blalock, B.J. Evaluation of 600 V cascode GaN HEMT in device characterization and all-GaN-based LLC resonant converter. In Proceedings of the 2013 IEEE Energy Conversion Congress and Exposition, Denver, CO, USA, 15–19 September 2013; pp. 3571–3578. [Google Scholar]
- Kadavelugu, A.; Baek, S.; Dutta, S.; Bhattacharya, S.; Scofield, J. High-frequency design considerations of dual active bridge 1200 V SiC MOSFET DC-DC converter. In Proceedings of the 2011 Twenty-Sixth Annual IEEE Applied Power Electronics Conference and Exposition (APEC), Fort Worth, TX, USA, 6–11 March 2011; pp. 314–320. [Google Scholar]
- Wang, Y.; de Haan, S.W.H.; Ferreira, J.A. Potential of improving PWM converter power density with advanced components. In Proceedings of the 2009 13th European Conference on Power Electronics and Applications, Barcelona, Spain, 8–10 September 2009; pp. 1–10. [Google Scholar]
- Zhang, W.; Zhang, Z.; Wang, F.; Costinett, D.L.; Tolbert, M.; Blalock, B.J. Characterization and Modeling of a SiC MOSFET's turn-on overvoltage. In Proceedings of the 2018 IEEE Energy Conversion Congress and Exposition (ECCE), Portland, OR, USA, 23–27 September 2018; pp. 7003–7009. [Google Scholar]
- Zhang, Z.; Guo, B.; Wang, F.; Tolbert, L.M.; Blalock, B.J.; Liang, Z. Impact of ringing on switching losses of wide band-gap devices in a phase-leg configuration. In Proceedings of the 2014 IEEE Applied Power Electronics Conference and Exposition—APEC 2014, Fort Worth, TX, USA, 16–20 March 2014; pp. 2542–2549. [Google Scholar]
- Liu, Q.; Wang, S.; Baisden, A.C.; Wang, F.; Boroyevich, D. EMI suppression in voltage source converters by utilizing dc-link decoupling capacitors. IEEE Trans. Power Electron. 2007, 22, 1417–1428. [Google Scholar]
- Lemmon, A.; Mazzola, M.; Gafford, J.; Parker, C. Stability considerations for silicon carbide field-effect transistors. IEEE Trans. Power Electron. 2013, 28, 4453–4459. [Google Scholar] [CrossRef]
- Zhang, Z.; Zhang, W.; Wang, F.; Tolbert, L.M.; Blalock, B.J. Analysis of the switching speed limitation of wide band-gap devices in a phase-leg configuration. In Proceedings of the 2012 IEEE Energy Conversion Congress and Exposition (ECCE), Raleigh, NC, USA, 5–20 September 2012; pp. 3950–3955. [Google Scholar]
- Liang, M.; Li, Y.; Chen, Q.; Lu, Y.; Yu, H.; Zheng, T.Q.; Guo, H.; Zhao, F. Research on an improved DC-side snubber for suppressing the turn-off overvoltage and oscillation in high speed SiC MOSFET application. In Proceedings of the 2017 IEEE Energy Conversion Congress and Exposition (ECCE), Cincinnati, OH, USA, 1–5 October 2017; pp. 1358–1365. [Google Scholar]
- Yamashita, Y.; Furuta, J.; Inamori, S.; Kobayashi, K. Design of RCD snubber considering wiring inductance for MHz-switching of SiC-MOSFET. In Proceedings of the 2017 IEEE 18th Workshop on Control and Modeling for Power Electronics (COMPEL), Stanford, CA, USA, 9–12 July 2017; pp. 1–6. [Google Scholar]
- Li, T.H.; Wang, J.J.; Chung, S.H. An investigation into the effects of the gate drive resistance on the losses of the MOSFET-snubber-diode configuration. In Proceedings of the 2010 IEEE Energy Conversion Congress and Exposition, Atlanta, GA, USA, 12–16 September 2010; pp. 362–369. [Google Scholar]
- Pilli, N.K.; Singh, S.K. Influence of peak gate current and rate of rise of gate current on switching behaviour of SiC MOSFET. In Proceedings of the 2017 IEEE Transportation Electrification Conference (ITEC-India), Pune, India, 13–15 December 2017; pp. 1–6. [Google Scholar]
- Joko, M.; Goto, A.; Hasegawa, M.; Miyahara, S.; Murakami, H. Snubber circuit to suppress the voltage ringing for SiC device. In Proceedings of the PCIM Europe 2015, Nuremberg, Germany, 19–20 May 2015; pp. 1–6. [Google Scholar]
- Camacho, A.P.; Sala, V.; Ghorbani, H.; Martinez, J.L.R. A novel active gate driver for improving SiC MOSFET switching trajectory. IEEE Trans. Power Electron. 2017, 27, 9032–9042. [Google Scholar] [CrossRef]
- Dymond, H.C.P.; Liu, D.; Wang, J.; Dalton, J.J.O.; Stark, B.H. Multi-level active gate driver for SiC MOSFETs. In Proceedings of the 2017 IEEE Energy Conversion Congress and Exposition (ECCE), Cincinnati, OH, USA, 1–5 October 2017; pp. 5107–5112. [Google Scholar]












| Working Modes | Switching Stages | Driving Voltage | Gate Resistance |
|---|---|---|---|
| Mode 1 | Stages 1‒2 [t1–t3] | VGS | RG1 + RG4 |
| Mode 2 | Stages 3‒5 [t3–t6] | VGS +VSS | RG1 + RG3 + RG5 |
| Mode 3 | Stages 6‒7 [t6–t8] | VSS | RG1 + RG3 |
| Mode 4 | Stages 8‒10 [t8–t11] | 0 V | RG1 + RG4 + RG6 |
| Name | Parameters | |
|---|---|---|
| Main circuit | Input voltage | 400 V/500 V/600 V |
| Output current | 11 A/16 A/21 A | |
| Proposed gate driver | VGS | 24 V |
| VSS | −5 V | |
| RG3 | 10 Ω | |
| RG4 | 50 Ω | |
| RG5 | 10 Ω | |
| RG6 | 50 Ω | |
| Traditional Gate Drivers | Turn-On Stages | Turn-Off Stages | ||
|---|---|---|---|---|
| Driving Voltage | Gate Resistance | Driving Voltage | Gate Resistance | |
| Driver 1 | 24 V | 10 Ω | −5 V | 10 Ω |
| Driver 2 | 19 V | 50 Ω | 0 V | 50 Ω |
| Switching Stages | Time/ns |
|---|---|
| Stag 1 Stag 2 Stag 6 Stag 7 | 18 24 24 20 |
| Name | Type | Bandwidth/MHz |
|---|---|---|
| Oscilloscope Differential Voltage probe Passive Voltage probe Coaxial shunt | Tektronix DPO4054B Tektronix P6139B Tektronix P2220 SSDN-414-025 | 500 500 200 2500 |
| Turn-on Parameters | Driver 1 (24 V/10 Ω) | Driver 2 (19 V/50 Ω) | Proposed Gate Driver |
|---|---|---|---|
| Current spike | 32 A | 22.7 A | 26.6 A |
| Delay time | 18 ns | 60 ns | 19 ns |
| Current-rising time | 24 ns | 164 ns | 24 ns |
| Voltage-dropping time | 60 ns | 350 ns | 129 ns |
| Turn-on loss | 0.203 mJ | 2.031 mJ | 0.494 mJ |
| Turn-off Parameters | Driver 1 (−5 V/10 Ω) | Driver 2 (0 V/50 Ω) | Proposed Gate Driver |
|---|---|---|---|
| Voltage spike | 765 V | 620 V | 660 V |
| Delay time | 24 ns | 400 ns | 25 ns |
| Voltage-rising time | 20 ns | 220 ns | 19 ns |
| Current-dropping time | 20 ns | 290 ns | 45 ns |
| Turn-off loss | 0.179 mJ | 1.675 mJ | 0.257mJ |
© 2019 by the authors. Licensee MDPI, Basel, Switzerland. This article is an open access article distributed under the terms and conditions of the Creative Commons Attribution (CC BY) license (http://creativecommons.org/licenses/by/4.0/).
Share and Cite
Chen, J.; Li, Y.; Liang, M. A Gate Driver Based on Variable Voltage and Resistance for Suppressing Overcurrent and Overvoltage of SiC MOSFETs. Energies 2019, 12, 1640. https://doi.org/10.3390/en12091640
Chen J, Li Y, Liang M. A Gate Driver Based on Variable Voltage and Resistance for Suppressing Overcurrent and Overvoltage of SiC MOSFETs. Energies. 2019; 12(9):1640. https://doi.org/10.3390/en12091640
Chicago/Turabian StyleChen, Jiangui, Yan Li, and Mei Liang. 2019. "A Gate Driver Based on Variable Voltage and Resistance for Suppressing Overcurrent and Overvoltage of SiC MOSFETs" Energies 12, no. 9: 1640. https://doi.org/10.3390/en12091640
APA StyleChen, J., Li, Y., & Liang, M. (2019). A Gate Driver Based on Variable Voltage and Resistance for Suppressing Overcurrent and Overvoltage of SiC MOSFETs. Energies, 12(9), 1640. https://doi.org/10.3390/en12091640
