Abstract
Aggregation of distributed generations (DGs) along with energy storage systems (ESSs) and controllable loads near power consumers has led to the concept of microgrids. However, the uncertain nature of renewable energy sources such as wind and photovoltaic generations, market prices and loads has led to difficulties in ensuring power quality and in balancing generation and consumption. To tackle these problems, microgrids should be managed by an energy management system (EMS) that facilitates the minimization of operational costs, emissions and peak loads while satisfying the microgrid technical constraints. Over the past years, microgrids’ EMS have been studied from different perspectives and have recently attracted considerable attention of researchers. To this end, in this paper a classification and a survey of EMSs has been carried out from a new point of view. EMSs have been classified into four categories based on the kind of the reserve system being used, including non-renewable, ESS, demand-side management (DSM) and hybrid systems. Moreover, using recent literature, EMSs have been reviewed in terms of uncertainty modeling techniques, objective functions (OFs) and constraints, optimization techniques, and simulation and experimental results presented in the literature.
1. Introduction
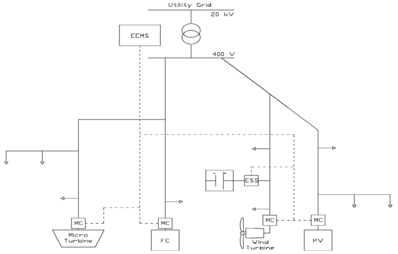
There are strong incentives to utilize distributed generations (DGs) for reducing greenhouse gases, improving power system efficiency as well as its reliability, competitive energy policies and postponement of transmission and distribution system upgrading [1]. In fact, DGs are composed of renewable units such as wind turbines (WTs), photovoltaic (PV), fuel cells (FCs), biomass along with non-renewable ones such as micro-turbines (MTs), gas engines (GEs), diesel generators (DiGs), etc. [2]. DGs eliminate the need for the transmission system by being installed near the customers [3]. Integration and control of DGs along with storage devices and flexible loads can constitute a low voltage distribution network, called a microgrid, which can be operated in isolated or grid-connected mode [4]. The generic concept of a microgrid is shown in Figure 1.
Figure 1.
Microgrid components.
Microgrids often face difficulties in supplying demand due to the lack of sufficient energy generation sources. This obstacle is caused by intermittent nature of loads and renewable energy sources [5]. As a result an energy management system (EMS) is necessary to tackle this problem. EMS for a microgrid represent relatively new and popular topics that attracted lots of attention, recently. Existing review papers in literature have investigated microgrid EMSs from a different aspects, as summarized in Table 1 [6,7,8,9,10,11,12,13].
Table 1.
A survey on the existing review papers of microgrid energy management system.
The contributions of this review paper are:
- Microgrid EMSs have been classified into four categories based on the kind of the reserve system being used including non-renewable energy sources, energy storage system (ESS), demand-side management (DSM) and hybrid.
- Energy management modeling studies have been reviewed in terms of uncertainty modeling techniques, objective functions (OFs), constraints, and optimization techniques.
- The microgrids which are considered as the case study of different EMS papers have been reviewed in this paper.
- The scenarios of the simulation results section have been categorized.
The aim of an EMS is to determine the optimal use of DGs in order to feed the electrical loads [14]. An EMS can be operated in two modes, namely centralized and decentralize. In the centralized mode, the central controller aims to optimize the microgrid power exchanged based on the market prices and security constraints. In the decentralized mode, DGs and controllable loads have more degree of freedom [15]. As a result, the microgrid components are considered to be intelligent and try to maximize the revenue of the microgrid by communicating with each other [16]. The initial duty of EMS in both centralized and decentralized mode is to ensure the microgrid of providing load-generation balance [17]. The EMS fail in matching the generation and load, whenever the total load is higher than the maximum capacity of DGs [18] and no other additional actions are taken. A solution for this drawback is to trade power with the utility or other micro-sources, however, this solution leads to an increment of pollution, costs and the need to solve a more complex unit commitment problem as a result of the additional units [19]. Various supporting systems such as DiGs, ESSs and DSM are employed to overcome the supply-demand mismatch of a microgrids. This paper provides the literature review of microgrid EMSs by classifying the existing articles into four categories as follows:
- (1)
- Non-renewable based EMS
- (2)
- ESS-based EMS
- (3)
- DSM-based EMS
- (4)
- Hybrid systems based EMS
The remainder of the paper is organized as follows: in Section 2, the aforementioned categories are briefly introduced. A survey of uncertainty modeling techniques in EMSs is presented in Section 3. The mathematical formulation of objective functions along with constraints are presented in Section 4. The appropriate optimization techniques used by an EMS, microgrid test systems and obtained simulation results are reviewed in Section 5, Section 6 and Section 7, respectively. Finally, the conclusions are presented in Section 8.
2. Classification of EMS Literature
In this section, the necessity and utilization of the aforementioned categories are explained.
2.1. Category 1: Non-Renewable Based EMS
In case of failure or inaccessibility of ESSs, it is recommended to use non-renewable energy sources including diesel generators (DiGs), micro turbines (MTs), gas engines (GEs) or combustion turbines as a backup energy source in the microgrid. A DiG is made up of a combination of a diesel engine and an electric generator. The efficient selection of DiG depends on various factors such as load type, fuel cost, transportation cost, etc. [7].
2.2. Category 2: ESS-Based EMS
Microgrid EMSs face difficulties in the management of renewable energy sources such as wind and solar energy. This problem is due to the uncertain nature of the available energy which is caused by the difference between real-time and forecasted power production [20]. One of the solutions to tackle this problem is to utilize ESSs [21]. In most cases, ESSs maintain the power balance between generation and consumption by storing power during inexpensive or off-peak hours and discharging it during high-price or peak hours [22]. Diverse studies have been focused on the utilization of ESSs in a microgrid [23]. Utilizing ANN (Artificial neural network) for prediction of wind power generation, multi-objective energy management of microgrid considering uncertainties of wind generation in presence of ESS is studied in [24]. Karavas et al. [25] have studied the microgrid EMS considering a battery as ESS and solved the optimization problem based on distributed intelligence and MAS. Alavi et al. [26] solved the microgrid energy management problem considering a battery as a reserve energy source. In order to cover wind and solar power uncertainties, PEM has been used. Chen and Duan [27] have solved the optimal management problem of DGs with ESS in a microgrid by a MRCGA. Simultaneous capacity optimization of DGs and storage devices by considering the effects of weather condition and non-dispatchable power sources have been introduced in [28]. The EMS problem for multi-microgrid is proposed by Logenthiran et al. in [29] while the ESS being used as a reserve energy source.
2.3. Category 3: DSM-Based EMS
Another way to cope with unbalances of microgrid production and consumption is to utilize DSM programs [1]. All activities aiming to match the supply and demand by modifying time and/or shape of customers’ demand profile is called DSM [30]. After the liberalization of electricity market, DSM is divided into following two categories [31]:
- Energy efficiency: which reduces consumption of the demand side by improving the efficiency of products.
- Demand response (DR): which modifies the usage of end-users in comparison to their normal consumption in response to changes in electricity price or incentive payments which aim to reduce consumption during expensive hours or when system reliability is at risk [32].
DG uncertainties and electricity price fluctuations cannot be managed and coped with for energy efficiency. As a result, special attention is given to DR programs in a microgrid and it is therefore crucial to study the impacts of various DR programs on the EMS of a microgrid.
DR programs are categorized into two groups namely: price-based and incentive-based DR programs [33]. A more detailed explanation of these categories can be found in [34].
Microgrid EMS in a deterministic case and with a multi-objective problem is studied in [35] wherein a price-quantity based DR package is utilized to manage the random nature of DGs. Falsafi et al. [36] have utilized both price-based and incentive-based DR programs to provide reserve, and to cover the wind power uncertainties in a multi-objective formulation. Nejhad et al. [37] have studied the EMS problem of microgrid as a stochastic problem in presence of DR programs. In addition, microgrid EMS taking into account effects of DR program is formulated as a MILP in [38]. A security-constrained EMS problem is considered in [39], in which frequency management is studied along with energy management and DR is utilized as a reserve energy source. The optimal operation of microgrid in the presence of electrical vehicles and responsive loads are discussed in [40] by considering wind and PV uncertainties.
2.4. Category 4: Hybrid Systems Based EMS
In this category, a combination of the abovementioned categories, two by two or all together, are surveyed to overcome microgrid EMS problems. Similar to the previous categories, this topic has also attracted lots of attention in the literature. In [41], the probabilistic coordination of DGs, ESS and DR are presented in a microgrid by performing a load reduction in the presence of security risks. Simultaneous implementation of ESS and DR is studied as a multi-objective problem by Marzband et al. [18]. Microgrid EMS in a system containing PV and wind turbines as DGs, DiG and small hydro generator as reserve power sources, DR and battery storage system is modeled by Zhao et al. [42] by using multi-agent systems (MASs). Talari et al. [43] have studied stochastic scheduling of microgrid components in presence of ESSs and DR programs. Pourmousavi et al. [44] have solved the management problem of an islanded microgrid which is composed of various DG units, storage and DR as a multi-timescale problem. The authors of [45] have utilized a pumped-storage unit and DR program in a new stochastic optimization framework to cover existed uncertainties of microgrid EMS problem. An overview of recent technologies in application of storage and DR operation of microgrids is presented in [33].
Solving the EMS problem of a microgrid is composed of various steps, including predicting uncertain parameters, modeling uncertainties, mathematical formulation of objective functions and constraints, choosing the optimization technique to solve the problem and selecting the understudying microgrid as the case study. Classification of the abovementioned steps along with sub-category of each step is shown in Figure 2. For instance, the existed uncertain parameters in microgrid EMS problem can be predicted in different time horizons such as short-term, mid-term and long-term time period. Prediction in short-term period can be performed using classical and intelligent techniques. Classical methods include ARIMA (auto-regressive integrated moving average), GHARCH (Generalized auto-regressive conditional heteroskedasticity), DR and TF (Transfer function) while the intelligent ones are ANN, FNN (fuzzy neural network) and SVR (support vector regression). Theses explanations can be expanded for other steps, too.
Figure 2.
Overall EMS structure and underlying methods of each step.
3. Prediction of Uncertain Parameters
Lack of information which leads to a probability of a difference between real and forecasted values is defined as uncertainty [26]. The uncertain parameters in a microgrid EMS can be generally classified into the following two categories:
- Operational parameters: These parameters include the amount of generation and load in power systems.
- Economical parameters: Economic parameters have an effect on the economic aspects of the power system and include uncertainty in fuel supply, production cost, economic growth and interest rates [46].
The prediction of uncertain parameters can be performed over various time horizons ranging from minutes to a couple of days as a short-term prediction, from several weeks to months as mid- term prediction and from multiple months to several years as long-term prediction [47]. Since the microgrid EMS problem is accomplished at hourly intervals, short-term forecasting methods are suitable to be used for this purpose. Classification of these short-term forecasting methods is represented in Figure 2 which is broken down into two categories namely classical and intelligent methods [37]. Classical techniques include well-known methods such as auto-regressive integrated moving average (ARIMA) [48], generalized auto-regressive conditional heteroskedasticity (GARCH) [49], dynamic regression (DR) and transfer function [50].
Intelligent methods are based on training historical data by mapping them on input-output of data-driven structures [37]. Artificial neural network (ANN) [51], fuzzy neural network (FNN) [52] and support vector regression (SVR) based on ARIMA can be classified in this category [53].
4. Uncertainty Modeling
Uncertainty managing is one of the main difficulties decision makers have to deal with [46]. As a result, various methods have been employed in order to manage the uncertainty of the aforementioned parameters in Section 3 in microgrid energy management [46,54,55,56,57]. In this section, a review of all existing uncertainty modeling techniques used by an EMS are presented which are classified broadly into four categories as shown in Figure 2.
4.1. Stochastic Methods
Stochastic methods are used to approximate the PDF of random variables [58]. The first efforts in modeling uncertainties using stochastic methods was made by Dantzig [59]. These methods can be used, when the PDF of input parameters is known [60]. A brief introduction of three main stochastic technique are given below:
4.1.1. Scenario Generation
Modeling uncertainties through scenario generation methods needs to know the PDF. In these methods, by dividing the PDF in multiple parts, each part is assumed as a scenario with an occurrence probability proportional to the PDF value of the preferred selected section [61]. The scenario generation method is used in [40] in order to cover uncertainties related to upper, lower and expected values of wind and PV systems. As reported by Alharbi and Raahemifar [41], uncertainties of wind, solar power and load are represented by discrete probability distribution sets as scenarios. In [39], load, wind and PV power random scenarios are firstly generated using MCS and roulette wheel mechanism. Then, to improve the computational speed, a scenario reduction algorithm is employed. Various scenarios for modeling wind and PV output powers are generated by Monte Carlo simulation by Talari et al. [43].
4.1.2. MCS
In MCS-based methods, for each input parameter, a sample is generated using its PDF [62]. As MCS is a repetitive procedure, sample generation process is repeated for some iterations. Finally, histograms, statistic criteria or other approaches are used to analyze the outcome [63]. Caralis et al. [64] have used a Monte Carlo method to manage wind power uncertainties with the goal of earning profits from wind energy investment. Uncertainties related to solar radiation and load are investigated using MCS in [63] via optimization of the hybrid system.
4.1.3. Point Estimate Method (PEM)
PEM is one of the methods used to estimate the value of uncertain parameters with high computational accuracy and is based on the concept of uncertain input parameters moments [65]. This method covers uncertainties by establishing a connection between input and output variables whose main steps are explained by Hong [66]. In [26], PEM is utilized to model uncertainties of wind and solar power. Peik-Herfeh et al. [67] employed PEM to model the uncertainties of market price and generation sources via a probabilistic price-based unit commitment problem.
4.2. Fuzzy Method
Based on fuzzy theory, a degree of membership can be attributed to each uncertain parameter using membership functions. Then, an α-cut method [68] can be used to determine membership functions of output variables according to membership functions of input parameters. An effort has been made in [69] to review the application of fuzzy methods in renewable energy sources. A fuzzy method has been used by Sourodi et al. [70] to study the effects of uncertain power output of DGs on power losses in distribution networks.
4.3. Robust Optimization Method
The robust optimization method [71] was introduced to explain parameter uncertainties using uncertain boundaries. Robust optimization is suitable when there is a lack of information about PDF of parameters. This technique is used to cover load uncertainties by Alavi et al. in [26]. Robust optimization is employed for wind and load uncertainty in Ref. [72].
4.4. Information Gap Decision Theory (IGDT)
As a decision-making approach, IGDT makes minor assumptions on the structure of uncertainty [73]. This technique makes robust decisions against uncertainty of the input parameters. The optimal bidding strategy in day-ahead electricity market considering uncertainties of market price is performed by implementing IGDT in [74]. Nojavan et al. [75] proposed a method based on IGDT to evaluate procurement strategy of large consumers.
5. Mathematical Formulation of EMS
Microgrid energy management is an optimization problem which aims to properly schedule short-term operation of DGs, ESSs and controllable loads with respect to various objective functions and constraints [76]. In this section, a literature review of existing objective functions as well as constraints considered by an EMS have been elaborated. Furthermore, Figure 2 represents a classification of objective functions utilized by the EMSs along with their constraints.
5.1. Objective Functions
The EMS can manage a microgrid by solving various objective functions. Objective functions may include capital or operational costs of the microgrid. Costs related to fuel, maintenance, start-up and shut-down, degradation as well as procurement from the utility in case of power deficiency, are considered as operational costs [77]. Table 2 provides a collection of utilized EMS objective functions in literature. In this table, objective functions are reviewed from being single objective and multi-objective perspectives, too.
Table 2.
Survey through collection of EMS objective functions.
5.2. Constraints
Different constraints can have an effect on energy management of a microgrid. For instance, maximum and minimum limits of power generation units must be satisfied to secure their safe and economic performance [82]. The balance between generation and consumption is another necessity of the system. The charge and discharge rates of ESS are also constrained. Violation of these constraints can lead to damaging effects on lifetime and efficiency of the ESS. Technical constraints of a microgrid include voltage at buses, feeder currents, frequency security aspects, start-up and shut-down reserve constraints, as well as ramping limits. In some of the studies which additionally consider responsive loads, constraints related to DR program must be satisfied. Table 3 provides a summary of the considered constraints used in the formulation of microgrid EMS.
Table 3.
Survey through collection of EMS constraints.
6. Optimization Techniques of a Microgrid Performed by an EMS
The literature review reveals that various techniques have been utilized by researchers in order to solve the aforementioned optimization problems [17]. In this paper, these methods have been classified as follows:
6.1. Heuristic Approaches
Heuristic optimization techniques use exploratory approaches to solve the optimization problems while are unable to assure optimality of the obtained results [6]. A deterministic energy management problem is solved via multi-period gravitational search algorithm (MGSA) by Marzband and Ghadimi in [18]. In [35], the EMS optimization problem has been considered as a continuous multi-objective problem and is solved using multi-objective particle swarm optimization (MPSO) algorithm while it is solved by single-objective PSO in [26,40]. Motevasel and Seifi [24] have employed multi-objective Multi-objective Bacterial Foraging Optimization (MBFO) to solve complex and large-scale EMS problem. To deal with non-smooth cost functions, authors in [27,79] employed MRCGA. Implementation of multi-period ABC optimization algorithm to obtain an economic schedule of ESS and controllable loads of an islanded microgrid is studied in [83].
6.2. MAS
MAS is a smart system which is composed of multiple intelligent agents that are connected to each other within an environment [15]. The goal of MAS is to solve the optimization problems which are too complicated for a single agent. By assuming each member of microgrid as an agent, MAS has been used in [42] to find the optimal solution by the EMS problem. Optimal results of decentralized EMS problem have been studied using MAS approach by Karavas et al. [25]. A three-stage algorithm based on MAS is presented by Logenthiran et al. [29] to model the EMS problem in a multi-microgrid environment in which first stage schedules each microgrid to satisfy its load. The second and third stages determine microgrid bids and export power bids, respectively. Authors of Ref. [84] have utilized trust and reputation models to interconnect MAS effectively. In [85], a novel agent-based micro-storage management technique has been presented that allows all (individually-owned) storage devices in the system to converge a profitable and efficient behavior. A class of MAS technique is Distributed Constraint Optimization Problems (DCOP) in which a group of agents try to minimize the total cost related to a set of constraints. In a DCOP formulation the decision problem is translated to a set of constraints [86]. Long-term scheduling of microgrid is solved as an optimization problem using distributed constraint optimization (DCOP) by authors of [87]. Application of DCOP to solve large problems has difficulty as each agent can handle a single variable. So, a new multi-variable agent (MVA) DCOP decomposition method has been presented by athors of [88].
6.3. Mathematical Methods
Different kinds of software exist in order to solve microgrid EMS problems. Some of these solvers are mentioned below:
6.3.1. CPLEX Solver
CPLEX is a solver of GAMS package which can solve integer and linear problems [6]. In [39], the EMS problem is modeled as a MILP considering uncertainties and scenario generation process, and has been solved by the CPLEX solver of the GAMS environment. The multi-scenario MILP model has been utilized to mathematically formulate the EMS problem in [41], and is solved by CPLEX solver. CPLEX solver has been utilized to solve MIP scheduling problem of microgrid by Talari et al. [43]. A large-scale MILP problem in [36] is solved also by CPLEX solver. Another EMS problem is modeled as a MILP in GAMS software and solved via CPLEX solver [79].
6.3.2. SNOPT Solver
SNOPT is another software package of GAMS which is capable of solving nonlinear optimization problems [45]. The EMS mathematical formulation in [28] is a nonlinear programming problem, and has been solved by GAMS SNOPT solver.
6.3.3. Gurobi Optimizer
Gurobi optimizer is used to solve MILP problems [89]. In [78], the EMS problem is formulated as a MILP problem and has been solved using Gurobi optimizer. Tenfen and Finardi [38] have employed the same solver for computational purposes.
7. Microgrid Test Systems
For the sake of evaluating the performance of the aforementioned EMS algorithms, they have been applied on the majority of microgrids. There are some efforts to sum up the studied microgrid test systems in the area of EMS in the literature [20]. Reference [90] has proposed the classification of microgrids based on their topologies. A review of existing real-world microgrid test systems worldwide is presented in [20,91]. Evaluation of microgrids which are applied in real-life as well as laboratory test systems are surveyed in [92]. Nonetheless, in this section we will solely focus on the test systems which are exploited in EMS studies. Table 4 has classified these test systems from various panoramas including single-microgrid, multi-microgrid, islanded and grid-connected systems.
Table 4.
Review of understudying microgrid test systems.
8. EMS Simulation Scenarios
The aforementioned EMS approaches are implemented on typical microgrid test systems in order to optimize the corresponding objective functions while considering various constraints in a 24-h time interval. Table 5 briefly summarizes the obtained simulation scenarios of reviewed papers to help researchers in directing their research efficiently. According to the first row of Table 5, three scenarios are considered in the results and simulation section of [24]. In the first scenario, all components of microgrid are operating within their limits and limited trade is available with the main grid. However, during the second scenario, WT operates at its maximum capacity while the third scenario studies effect of unlimited power exchange between microgrid and the upper utility. Same as the first row, remain rows of Table 5 explain the number and explanation corresponding to the simulation scenario of each reference.
Table 5.
Scenarios of EMS optimization problem results.
9. Conclusions
This review paper has summarized energy management approaches for microgrids from a new perspective and classified it into four categories, namely non-renewable, ESS, DSM and hybrid- based EMS. This paper also provides a compendium on the modeling uncertainties associated with microgrid EMS, objective functions and constraints of microgrid formulation as well as many tools and techniques for solving this optimization problem. It is worth mentioning that considering various objective functions along with different technical and economic constraints has a large effect on the obtained EMS results. A brief review of test systems including single-microgrid and multi-microgrids is also described in this paper. A number of EMS simulation scenarios has been included while each one is an implemented simulation state. Furthermore, this work will help in identifying poorly researched areas in microgrid EMS for further investigation.
Author Contributions
H.S. supervised writing the paper, E.S wrote the paper, M.M. and P.S. checked and proofread the manuscript.
Funding
“This research received no external funding”
Conflicts of Interest
“The authors declare no conflict of interest.”
Abbreviations
| DG | Distributed Generation | ANN | Artificial Neural Network |
| ESS | Energy Storage System | FNN | Fuzzy Neural Network |
| EMS | Energy Management System | SVR | Support Vector Regression |
| DR | Demand Response | Probability Distribution Function | |
| WT | Wind Turbine | PEM | Point Estimate Method |
| PV | Photo-Voltaic | MF | Membership Function |
| FC | Fuel Cell | IGDT | Information Gap Decision Theory |
| MT | Micro Turbine | MRCGA | Matrix Real-coded Genetic Algorithm |
| GE | Gas Engine | MAS | Multi-agent System |
| DiG | Diesel Generator | MILP | Mixed Integer Linear Programing |
| DSM | Demand-side Management | GARCH | Generalized Auto-regressive Conditional Heteroskedasticity |
| DR | Demand Response | ARIMA | Auto-regressive Integrated Moving Average |
| MCS | Monte Carlo Simulation | PEM | Point Estimate Method |
| MGSA | Multi-period Gravitational Search Algorithm | MPSO | Multi-objective Particle Swarm Optimization |
| MBFO | Multi-objective Bacterial Foraging Optimization | ABCO | Artificial Bee Colony |
| PSO | Particle Swarm Optimization | DCOP | Distributed Constraint Optimization Problems |
References
- Wang, D.; Qiu, J.; Reedman, L.; Meng, K.; Lai, L.L. Two-stage energy management for networked microgrids with high renewable penetration. Appl. Energy 2018, 226, 39–48. [Google Scholar] [CrossRef]
- kianmehr, E.; Nikkhah, S.; Rabiee, A. Multi-objective stochastic model for joint optimal allocation of DG units and network reconfiguration from DG owner’s and DisCo’s perspectives. Renew. Energy 2019, 132, 471–485. [Google Scholar] [CrossRef]
- Aboli, R.; Ramezani, M.; Falaghi, H. Joint optimization of day-ahead and uncertain near real-time operation of microgrids. Int. J. Electr. Power Energy Syst. 2019, 107, 34–46. [Google Scholar] [CrossRef]
- Sedighizadeh, M.; Esmaili, M.; Jamshidi, A.; Ghaderi, M.-H. Stochastic multi-objective economic-environmental energy and reserve scheduling of microgrids considering battery energy storage system. Int. J. Electr. Power Energy Syst. 2019, 106, 1–16. [Google Scholar] [CrossRef]
- Zheng, Y.; Jenkins, B.M.; Kornbluth, K.; Kendall, A.; Træholt, C. Optimization of a biomass-integrated renewable energy microgrid with demand side management under uncertainty. Appl. Energy 2018, 230, 836–844. [Google Scholar] [CrossRef]
- Ahmad Khan, A.; Naeem, M.; Iqbal, M.; Qaisar, S.; Anpalagan, A. A compendium of optimization objectives, constraints, tools and algorithms for energy management in microgrids. Renew. Sustain. Energy Rev. 2016, 58, 1664–1683. [Google Scholar] [CrossRef]
- Fathima, A.H.; Palanisamy, K. Optimization in microgrids with hybrid energy systems—A review. Renew. Sustain. Energy Rev. 2015, 45, 431–446. [Google Scholar] [CrossRef]
- Meng, L.; Sanseverino, E.R.; Luna, A.; Dragicevic, T.; Vasquez, J.C.; Guerrero, J.M. Microgrid supervisory controllers and energy management systems: A literature review. Renew. Sustain. Energy Rev. 2016, 60, 1263–1273. [Google Scholar] [CrossRef]
- Palizban, O.; Kauhaniemi, K.; Guerrero, J.M. Microgrids in active network management—Part I: Hierarchical control, energy storage, virtual power plants, and market participation. Renew. Sustain. Energy Rev. 2014, 36, 428–439. [Google Scholar] [CrossRef]
- Gamarra, C.; Guerrero, J.M. Computational optimization techniques applied to microgrids planning: A review. Renew. Sustain. Energy Rev. 2015, 48, 413–424. [Google Scholar] [CrossRef]
- Rahman, H.A.; Majid, M.S.; Jordehi, A.R.; Kim, G.C.; Hassan, M.Y.; Fadhl, S.O. Operation and control strategies of integrated distributed energy resources: A review. Renew. Sustain. Energy Rev. 2015, 51, 1412–1420. [Google Scholar] [CrossRef]
- Vardakas, J.S.; Zorba, N.; Verikoukis, C.V. A Survey on Demand Response Programs in Smart Grids: Pricing Methods and Optimization Algorithms. IEEE Commun. Surv. Tutor. 2015, 17, 152–178. [Google Scholar] [CrossRef]
- Korolko, N.; Sahinoglu, Z. Robust Optimization of EV Charging Schedules in Unregulated Electricity Markets. IEEE Trans. Smart Grid 2017, 8, 149–157. [Google Scholar] [CrossRef]
- Li, B.; Roche, R.; Paire, D.; Miraoui, A. A price decision approach for multiple multi-energy-supply microgrids considering demand response. Energy 2019, 167, 117–135. [Google Scholar] [CrossRef]
- Dou, C.; Lv, M.; Zhao, T.; Ji, Y.; Li, H. Decentralised coordinated control of microgrid based on multi-agent system. IET Gener. Transm. Distrib. 2015, 9, 2474–2484. [Google Scholar] [CrossRef]
- Katiraei, F.; Iravani, R.; Hatziargyriou, N.; Dimeas, A. Microgrids management. IEEE Power Energy Mag. 2008, 6, 54–65. [Google Scholar] [CrossRef]
- Theo, W.L.; Lim, J.S.; Ho, W.S.; Hashim, H.; Lee, C.T. Review of distributed generation (DG) system planning and optimisation techniques: Comparison of numerical and mathematical modelling methods. Renew. Sustain. Energy Rev. 2017, 67, 531–573. [Google Scholar] [CrossRef]
- Marzband, M.; Ghadimi, M.; Sumper, A.; Domínguez-García, J.L. Experimental validation of a real-time energy management system using multi-period gravitational search algorithm for microgrids in islanded mode. Appl. Energy 2014, 128, 164–174. [Google Scholar] [CrossRef]
- Shokri Gazafroudi, A.; Afshar, K.; Bigdeli, N. Assessing the operating reserves and costs with considering customer choice and wind power uncertainty in pool-based power market. Int. J. Electr. Power Energy Syst. 2015, 67, 202–215. [Google Scholar] [CrossRef]
- Lidula, N.W.A.; Rajapakse, A.D. Microgrids research: A review of experimental microgrids and test systems. Renew. Sustain. Energy Rev. 2011, 15, 186–202. [Google Scholar] [CrossRef]
- Pandit, M.; Srivastava, L.; Sharma, M. Environmental economic dispatch in multi-area power system employing improved differential evolution with fuzzy selection. Appl. Soft Comput. 2015, 28, 498–510. [Google Scholar] [CrossRef]
- Garcia-Gonzalez, J.; Muela, R.M.R.; dl Santos, L.M.; Gonzalez, A.M. Stochastic Joint Optimization of Wind Generation and Pumped-Storage Units in an Electricity Market. IEEE Trans. Power Syst. 2008, 23, 460–468. [Google Scholar] [CrossRef]
- Guo, L.; Liu, W.; Li, X.; Liu, Y.; Jiao, B.; Wang, W.; Wang, C.; Li, F. Energy Management System for Stand-Alone Wind-Powered-Desalination Microgrid. IEEE Trans. Smart Grid 2016, 7, 1079–1087. [Google Scholar] [CrossRef]
- Motevasel, M.; Seifi, A.R. Expert energy management of a micro-grid considering wind energy uncertainty. Energy Convers. Manag. 2014, 83, 58–72. [Google Scholar] [CrossRef]
- Karavas, C.-S.; Kyriakarakos, G.; Arvanitis, K.G.; Papadakis, G. A multi-agent decentralized energy management system based on distributed intelligence for the design and control of autonomous polygeneration microgrids. Energy Convers. Manag. 2015, 103, 166–179. [Google Scholar] [CrossRef]
- Alavi, S.A.; Ahmadian, A.; Aliakbar-Golkar, M. Optimal probabilistic energy management in a typical micro-grid based-on robust optimization and point estimate method. Energy Convers. Manag. 2015, 95, 314–325. [Google Scholar] [CrossRef]
- Chen, C.; Duan, S. Optimal allocation of distributed generation and energy storage system in microgrids. IET Renew. Power Gener. 2014, 8, 581–589. [Google Scholar] [CrossRef]
- Sfikas, E.E.; Katsigiannis, Y.A.; Georgilakis, P.S. Simultaneous capacity optimization of distributed generation and storage in medium voltage microgrids. Int. J. Electr. Power Energy Syst. 2015, 67, 101–113. [Google Scholar] [CrossRef]
- Logenthiran, T.; Srinivasan, D.; Khambadkone, A.M. Multi-agent system for energy resource scheduling of integrated microgrids in a distributed system. Electr. Power Syst. Res. 2011, 81, 138–148. [Google Scholar] [CrossRef]
- Ramin, D.; Spinelli, S.; Brusaferri, A. Demand-side management via optimal production scheduling in power-intensive industries: The case of metal casting process. Appl. Energy 2018, 225, 622–636. [Google Scholar] [CrossRef]
- Behrangrad, M. A review of demand side management business models in the electricity market. Renew. Sustain. Energy Rev. 2015, 47, 270–283. [Google Scholar] [CrossRef]
- Shayeghi, H.; Sobhani, B. Integrated offering strategy for profit enhancement of distributed resources and demand response in microgrids considering system uncertainties. Energy Convers. Manag. 2014, 87, 765–777. [Google Scholar] [CrossRef]
- Shahryari, E.; Shayeghi, H.; Mohammadi-ivatloo, B.; Moradzadeh, M. An improved incentive-based demand response program in day-ahead and intra-day electricity markets. Energy 2018, 155, 205–214. [Google Scholar] [CrossRef]
- Colson, C.M.; Nehrir, M.H. Comprehensive Real-Time Microgrid Power Management and Control with Distributed Agents. IEEE Trans. Smart Grid 2013, 4, 617–627. [Google Scholar] [CrossRef]
- Aghajani, G.R.; Shayanfar, H.A.; Shayeghi, H. Presenting a multi-objective generation scheduling model for pricing demand response rate in micro-grid energy management. Energy Convers. Manag. 2015, 106, 308–321. [Google Scholar] [CrossRef]
- Falsafi, H.; Zakariazadeh, A.; Jadid, S. The role of demand response in single and multi-objective wind-thermal generation scheduling: A stochastic programming. Energy 2014, 64, 853–867. [Google Scholar] [CrossRef]
- Shayeghi, H.; Ghasemi, A.; Moradzadeh, M.; Nooshyar, M. Simultaneous day-ahead forecasting of electricity price and load in smart grids. Energy Convers. Manag. 2015, 95, 371–384. [Google Scholar] [CrossRef]
- Tenfen, D.; Finardi, E.C. A mixed integer linear programming model for the energy management problem of microgrids. Electr. Power Syst. Res. 2015, 122, 19–28. [Google Scholar] [CrossRef]
- Rezaei, N.; Kalantar, M. Stochastic frequency-security constrained energy and reserve management of an inverter interfaced islanded microgrid considering demand response programs. Int. J. Electr. Power Energy Syst. 2015, 69, 273–286. [Google Scholar] [CrossRef]
- Rabiee, A.; Sadeghi, M.; Aghaeic, J.; Heidari, A. Optimal operation of microgrids through simultaneous scheduling of electrical vehicles and responsive loads considering wind and PV units uncertainties. Renew. Sustain. Energy Rev. 2016, 57, 721–739. [Google Scholar] [CrossRef]
- Alharbi, W.; Raahemifar, K. Probabilistic coordination of microgrid energy resources operation considering uncertainties. Electr. Power Syst. Res. 2015, 128, 1–10. [Google Scholar] [CrossRef]
- Zhao, B.; Xue, M.; Zhang, X.; Wang, C.; Zhao, J. An MAS based energy management system for a stand-alone microgrid at high altitude. Appl. Energy 2015, 143, 251–261. [Google Scholar] [CrossRef]
- Talari, S.; Yazdaninejad, M.; Haghifam, M.R. Stochastic-based scheduling of the microgrid operation including wind turbines, photovoltaic cells, energy storages and responsive loads. IET Gener. Transm. Distrib. 2015, 9, 1498–1509. [Google Scholar] [CrossRef]
- Pourmousavi, S.A.; Nehrir, M.H.; Sharma, R.K. Multi-Timescale Power Management for Islanded Microgrids Including Storage and Demand Response. IEEE Trans. Smart Grid 2015, 6, 1185–1195. [Google Scholar] [CrossRef]
- Rosenthal, R.E. GAMS—A User’s Guide; ALS-NSCORT: West Lafayette, IN, USA, 2004. [Google Scholar]
- Soroudi, A.; Amraee, T. Decision making under uncertainty in energy systems: State of the art. Renew. Sustain. Energy Rev. 2013, 28, 376–384. [Google Scholar] [CrossRef]
- Tascikaraoglu, A.; Uzunoglu, M. A review of combined approaches for prediction of short-term wind speed and power. Renew. Sustain. Energy Rev. 2014, 34, 243–254. [Google Scholar] [CrossRef]
- Contreras, J.; Espinola, R.; Nogales, F.J.; Conejo, A.J. ARIMA models to predict next-day electricity prices. IEEE Trans. Power Syst. 2003, 18, 1014–1020. [Google Scholar] [CrossRef]
- Garcia, R.C.; Contreras, J.; Akkeren, M.; Garcia, J.B.C. A GARCH forecasting model to predict day-ahead electricity prices. IEEE Trans. Power Syst. 2005, 20, 867–874. [Google Scholar] [CrossRef]
- Teo, K.K.; Wang, L.; Lin, Z. Wavelet Packet Multi-layer Perceptron for Chaotic Time Series Prediction: Effects of Weight Initialization. In Proceedings of the Computational Science—ICCS 2001: International Conference, San Francisco, CA, USA, 28–30 May 2001; pp. 310–317. [Google Scholar]
- Al-Fattah, S.M. Artificial Neural Network Models for Forecasting Global Oil Market Volatility. SSRN Electron. J. 2013, 112. [Google Scholar] [CrossRef]
- Amjady, N. Day-ahead price forecasting of electricity markets by a new fuzzy neural network. IEEE Trans. Power Syst. 2006, 21, 887–896. [Google Scholar] [CrossRef]
- Che, J.; Wang, J. Short-term electricity prices forecasting based on support vector regression and Auto-regressive integrated moving average modeling. Energy Convers. Manag. 2010, 51, 1911–1917. [Google Scholar] [CrossRef]
- Aien, M.; Hajebrahimi, A.; Fotuhi-Firuzabad, M. A comprehensive review on uncertainty modeling techniques in power system studies. Renew. Sustain. Energy Rev. 2016, 57, 1077–1089. [Google Scholar] [CrossRef]
- Aien, M.; Rashidinejad, M.; Fotuhi-Firuzabad, M. On possibilistic and probabilistic uncertainty assessment of power flow problem: A review and a new approach. Renew. Sustain. Energy Rev. 2014, 37, 883–895. [Google Scholar] [CrossRef]
- Mirakyan, A.; De Guio, R. Modelling and uncertainties in integrated energy planning. Renew. Sustain. Energy Rev. 2015, 46, 62–69. [Google Scholar] [CrossRef]
- Yan, J.; Liu, Y.; Han, S.; Wang, Y.; Feng, S. Reviews on uncertainty analysis of wind power forecasting. Renew. Sustain. Energy Rev. 2015, 52, 1322–1330. [Google Scholar] [CrossRef]
- Marino, C.; Quddus, M.A.; Marufuzzaman, M.; Cowan, M.; Bednar, A.E. A chance-constrained two-stage stochastic programming model for reliable microgrid operations under power demand uncertainty. Sustain. Energy Grids Netw. 2018, 13, 66–77. [Google Scholar] [CrossRef]
- Dantzig, G.B. Linear programming under uncertainty. In Stochastic Programming; Springer: New York, NY, USA, 2011; pp. 1–11. [Google Scholar]
- Xie, S.; Hu, Z.; Zhou, D.; Li, Y.; Kong, S.; Lin, W.; Zheng, Y. Multi-objective active distribution networks expansion planning by scenario-based stochastic programming considering uncertain and random weight of network. Appl. Energy 2018, 219, 207–225. [Google Scholar] [CrossRef]
- Wang, Z.; Shen, C.; Liu, F. A conditional model of wind power forecast errors and its application in scenario generation. Appl. Energy 2018, 212, 771–785. [Google Scholar] [CrossRef]
- Shields, M.D. Adaptive Monte Carlo analysis for strongly nonlinear stochastic systems. Reliab. Eng. Syst. Saf. 2018, 175, 207–224. [Google Scholar] [CrossRef]
- Dufo-López, R.; Pérez-Cebollada, E.; Bernal-Agustín, J.L.; Martínez-Ruiz, I. Optimisation of energy supply at off-grid healthcare facilities using Monte Carlo simulation. Energy Convers. Manag. 2016, 113, 321–330. [Google Scholar] [CrossRef]
- Caralis, G.; Diakoulaki, D.; Yang, P.; Gao, Z.; Zervos, A.; Rados, K. Profitability of wind energy investments in China using a Monte Carlo approach for the treatment of uncertainties. Renew. Sustain. Energy Rev. 2014, 40, 224–236. [Google Scholar] [CrossRef]
- Bordbari, M.J.; Seifi, A.R.; Rastegar, M. Probabilistic energy consumption analysis in buildings using point estimate method. Energy 2018, 142, 716–722. [Google Scholar] [CrossRef]
- Hong, H.P. An efficient point estimate method for probabilistic analysis. Reliab. Eng. Syst. Saf. 1998, 59, 261–267. [Google Scholar] [CrossRef]
- Peik-Herfeh, M.; Seifi, H.; Sheikh-El-Eslami, M.K. Decision making of a virtual power plant under uncertainties for bidding in a day-ahead market using point estimate method. Int. J. Electr. Power Energy Syst. 2013, 44, 88–98. [Google Scholar] [CrossRef]
- Marandi, S.M.; Anvar, M.; Bahrami, M. Uncertainty analysis of safety factor of embankment built on stone column improved soft soil using fuzzy logic α-cut technique. Comput. Geotech. 2016, 75, 135–144. [Google Scholar] [CrossRef]
- Suganthi, L.; Iniyan, S.; Samuel, A.A. Applications of fuzzy logic in renewable energy systems—A review. Renew. Sustain. Energy Rev. 2015, 48, 585–607. [Google Scholar] [CrossRef]
- Soroudi, A.; Ehsan, M. A possibilistic–probabilistic tool for evaluating the impact of stochastic renewable and controllable power generation on energy losses in distribution networks—A case study. Renew. Sustain. Energy Rev. 2011, 15, 794–800. [Google Scholar] [CrossRef]
- Zhang, H.; Yue, D.; Xie, X. Robust Optimization for Dynamic Economic Dispatch Under Wind Power Uncertainty with Different Levels of Uncertainty Budget. IEEE Access 2016, 4, 7633–7644. [Google Scholar] [CrossRef]
- Kuznetsova, E.; Ruiz, C.; Li, Y.-F.; Zio, E. Analysis of robust optimization for decentralized microgrid energy management under uncertainty. Int. J. Electr. Power Energy Syst. 2015, 64, 815–832. [Google Scholar] [CrossRef]
- Zare, K.; Conejo, A.J.; Carrión, M.; Moghaddam, M.P. Multi-market energy procurement for a large consumer using a risk-aversion procedure. Electr. Power Syst. Res. 2010, 80, 63–70. [Google Scholar] [CrossRef]
- Alipour, M.; Zare, K.; Mohammadi-Ivatloo, B. Optimal risk-constrained participation of industrial cogeneration systems in the day-ahead energy markets. Renew. Sustain. Energy Rev. 2016, 60, 421–432. [Google Scholar] [CrossRef]
- Nojavan, S.; Ghesmati, H.; Zare, K. Robust optimal offering strategy of large consumer using IGDT considering demand response programs. Electr. Power Syst. Res. 2016, 130, 46–58. [Google Scholar] [CrossRef]
- Fu, Q.; Nasiri, A.; Bhavaraju, V.; Solanki, A.; Abdallah, T.; Yu, D.C. Transition Management of Microgrids With High Penetration of Renewable Energy. IEEE Trans. Smart Grid 2014, 5, 539–549. [Google Scholar] [CrossRef]
- Liu, Y.; Yu, S.; Zhu, Y.; Wang, D.; Liu, J. Modeling, planning, application and management of energy systems for isolated areas: A review. Renew. Sustain. Energy Rev. 2018, 82, 460–470. [Google Scholar] [CrossRef]
- Mazzola, S.; Astolfi, M.; Macchi, E. A detailed model for the optimal management of a multigood microgrid. Appl. Energy 2015, 154, 862–873. [Google Scholar] [CrossRef]
- Chen, C.; Duan, S.; Cai, T.; Liu, B.; Hu, G. Smart energy management system for optimal microgrid economic operation. IET Renew. Power Gener. 2011, 5, 258–267. [Google Scholar] [CrossRef]
- Patra, S.B.; Mitra, J.; Ranade, S.J. Microgrid architecture: A reliability constrained approach. In Proceedings of the IEEE Power Engineering Society General Meeting, San Francisco, CA, USA, 16 June 2005; pp. 2372–2377. [Google Scholar]
- Mitra, J.; Patra, S.B.; Ranade, S.J. A dynamic programming based method for developing optimal microgrid architectures. In Proceedings of the 15th Power Systems Computational Conference, Liège, Belgium, 22–26 August 2005; pp. 22–26. [Google Scholar]
- Nosratabadi, S.M.; Hooshmand, R.-A.; Gholipour, E. A comprehensive review on microgrid and virtual power plant concepts employed for distributed energy resources scheduling in power systems. Renew. Sustain. Energy Rev. 2017, 67, 341–363. [Google Scholar] [CrossRef]
- Marzband, M.; Azarinejadian, F.; Savaghebi, M.; Guerrero, J.M. An Optimal Energy Management System for Islanded Microgrids Based on Multiperiod Artificial Bee Colony Combined with Markov Chain. IEEE Syst. J. 2015, 11, 1712–1722. [Google Scholar] [CrossRef]
- Huynh, T.D.; Jennings, N.R.; Shadbolt, N.R. An integrated trust and reputation model for open multi-agent systems. Auton. Agents Multi-Agent Syst. 2006, 13, 119–154. [Google Scholar] [CrossRef]
- Vytelingum, P.; Voice, T.D.; Ramchurn, S.D.; Rogers, A.; Jennings, N.R. Agent-based micro-storage management for the smart grid. In Proceedings of the 9th International Conference on Autonomous Agents and Multiagent Systems, Toronto, ON, Canada, 10–14 May 2010; pp. 39–46. [Google Scholar]
- Dehghanpour, K.; Colson, C.; Nehrir, H. A survey on smart agent-based microgrids for resilient/self-healing grids. Energies 2017, 10, 620. [Google Scholar] [CrossRef]
- Lezama, F.; Palominos, J.; Rodríguez-González, A.Y.; Farinelli, A.; de Cote, E.M. Optimal Scheduling of On/Off Cycles: A Decentralized IoT-Microgrid Approach. In Applications for Future Internet; Springer: Berlin, Germany, 2017; pp. 79–90. [Google Scholar]
- Ferdinando, F.; Yeoh, W.; Pontelli, E. Multi-variable agents decomposition for DCOPs. In Proceedings of the Thirtieth AAAI Conference on Artificial Intelligence, Phoenix, AZ, USA, 12–17 February 2016. [Google Scholar]
- Gurobi Optimizer Inc. Gurobi Optimizer Reference Manual; Gurobi Optimization Inc.: Houston, TX, USA, 2014. [Google Scholar]
- Unamuno, E.; Barrena, J.A. Hybrid ac/dc microgrids—Part I: Review and classification of topologies. Renew. Sustain. Energy Rev. 2015, 52, 1251–1259. [Google Scholar] [CrossRef]
- Barnes, M.; Kondoh, J.; Asano, H.; Oyarzabal, J.; Ventakaramanan, G.; Lasseter, R.; Hatziargyriou, N.; Green, T. Real-World MicroGrids-An Overview. In Proceedings of the IEEE International Conference on System of Systems Engineering, San Antonio, TX, USA, 16–18 April 2007; pp. 1–8. [Google Scholar]
- Hossain, E.; Kabalci, E.; Bayindir, R.; Perez, R. Microgrid testbeds around the world: State of art. Energy Convers. Manag. 2014, 86, 132–153. [Google Scholar] [CrossRef]
- Jiang, Q.; Xue, M.; Geng, G. Energy Management of Microgrid in Grid-Connected and Stand-Alone Modes. IEEE Trans. Power Syst. 2013, 28, 3380–3389. [Google Scholar] [CrossRef]
- Tsikalakis, A.G.; Hatziargyriou, N.D. Centralized Control for Optimizing Microgrids Operation. IEEE Trans. Energy Convers. 2008, 23, 241–248. [Google Scholar] [CrossRef]
- Kargarian, A.; Falahati, B.; Fu, Y.; Baradar, M. Multiobjective optimal power flow algorithm to enhance multi-microgrids performance incorporating IPFC. In Proceedings of the IEEE Power and Energy Society General Meeting, San Diego, CA, USA, 22–26 July 2012; pp. 1–6. [Google Scholar]
- Nunna, H.S.V.; Doolla, S. Demand Response in Smart Distribution System with Multiple Microgrids. IEEE Trans. Smart Grid 2012, 3, 1641–1649. [Google Scholar] [CrossRef]
- Wang, Z.; Chen, B.; Wang, J.; Begovic, M.M.; Chen, C. Coordinated Energy Management of Networked Microgrids in Distribution Systems. IEEE Trans. Smart Grid 2015, 6, 45–53. [Google Scholar] [CrossRef]
© 2019 by the authors. Licensee MDPI, Basel, Switzerland. This article is an open access article distributed under the terms and conditions of the Creative Commons Attribution (CC BY) license (http://creativecommons.org/licenses/by/4.0/).












