DC Grid for Domestic Electrification
Abstract
:1. Introduction
Existing Works in DC Microgrids
2. Selection of Bus Voltage
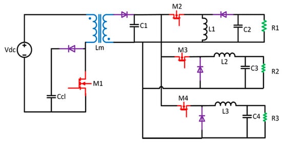
3. Front End Isolated DC to DC Converter
4. Loads with 24 V to 240 V Rating
5. Loads with <24 V Rating
6. Numerical Simulation Results
7. Conclusions
Author Contributions
Funding
Acknowledgments
Conflicts of Interest
References
- Sieminski, A. Annual Energy Outlook 2015; US Energy Information Administration: Washington, DC, USA, 2015. [Google Scholar]
- Loomba, P.; Asgotraa, S.; Podmore, R. DC solar microgrids—A successful technology for rural sustainable development. In Proceedings of the IEEE PES Power Africa, Livingstone, Zambia, 28 June–2 July 2016; pp. 204–208. [Google Scholar]
- Jhunjhunwala, A.; Aditya, L.; Prabhjot, K. Solar-dc microgrid for Indian homes: A transforming power scenario. IEEE Electrif. Mag. 2016, 4, 10–19. [Google Scholar] [CrossRef]
- Chandel, S.S.; Shrivastva, R.; Sharma, V.; Ramasamy, P. Overview of the initiatives in renewable energy sector under the national action plan on climate change in India. Renew. Sustain. Energy Rev. 2016, 54, 866–873. [Google Scholar] [CrossRef]
- Makarabbi, G.; Gavade, V.; Panguloori, R.B.; Mishra, P.R. Compatibility and performance study of home appliances in a DC home distribution system. In Proceedings of the IEEE International Conference on Power Electronics, Drives and Energy Systems (PEDES), Mumbai, India, 16–19 December 2014. [Google Scholar]
- Rajesh, M.P.; Pindoriya, N.M.; Rajendran, S. Simulation of DC/DC converter for DC nano-grid integrated with solar PV generation. In Proceedings of the IEEE Innovative Smart Grid Technologies-Asia (ISGT ASIA), Bangkok, Thailand, 3–6 November 2015. [Google Scholar]
- Panguloori, R.B.; Mishra, P.R.; Boeke, U. Economic viability improvement of solar powered Indian rural banks through DC grids. In Proceedings of the Annual IEEE India Conference (INDICON), Hyderabad, India, 16–18 December 2011. [Google Scholar]
- Kaur, P.; Jain, S.; Jhunjhunwala, A. Solar-DC deployment experience in off-grid and near off-grid homes: Economics, technology and policy analysis. In Proceedings of the IEEE First International Conference on DC Microgrids (ICDCM), Atlanta, GA, USA, 7–10 June 2015; pp. 26–31. [Google Scholar]
- Global Buildings Performance Network. Residential Buildings in India: Energy Use Projections and Savings Potentials; Global Buildings Performance Network: Ahmedabad, India, 2014. [Google Scholar]
- Rodriguez-Diaz, E.; Vasquez, J.C.; Guerrero, J.M. Intelligent DC homes in future sustainable energy systems: When efficiency and intelligence work together. IEEE Consum. Electron. Mag. 2016, 5, 74–80. [Google Scholar] [CrossRef]
- Nilsson, D.; Sannino, A. Efficiency analysis of low and medium-voltage DC distribution systems. In Proceedings of the Power Engineering Society General Meeting, Denver, CO, USA, 6–10 June 2004; pp. 2315–2321. [Google Scholar]
- Rodriguez-Otero, M.A.; O’Neill-Carrillo, E. Efficient home appliances for a future DC residence. In Proceedings of the IEEE Energy 2030 Conference, Atlanta, GA, USA, 17–18 November 2008; pp. 1–6. [Google Scholar]
- Otero, R.; Angel, M. Power quality issues and feasibility study in a DC residential renewable energy system. Mast. Abstr. Int. 2009, 47. [Google Scholar]
- Sustainable Energy Program Report. The Use of Direct Current Output from PV Systems in Buildings. Available online: http://www.berr.gov.uk/files/file17277.pdf (accessed on 7 July 2008).
- Jeon, J.Y.; Kim, J.S.; Choe, G.Y.; Lee, B.K.; Hur, J.; Jin, H.C. Design guideline of DC distribution systems for home appliances: Issues and solution. In Proceedings of the IEEE International Electric Machines & Drives Conference (IEMDC), Niagara Falls, ON, USA, 15–18 May 2011; pp. 657–662. [Google Scholar]
- Center for Decentralized Power Systems. Technological Comparative Study of Solar Lighting Systems for Homes; Indian Institute of Technology: Chennai, India, 2015. [Google Scholar]
- Rodriguez-Diaz, E.; Savaghebi, M.; Vasquez, J.C.; Guerrero, J.M. An overview of low voltage DC distribution systems for residential applications. In Proceedings of the 5th International Conference on Consumer Electronics-Berlin (ICCE-Berlin), Berlin, Germany, 6–9 September 2015; pp. 318–322. [Google Scholar]
- Vossos, E. Optimizing Energy Savings from “Direct-DC” in US Residential Buildings; Ernest Orlando Lawrence Berkeley National Laboratory: Berkeley, CA, USA, 2011. [Google Scholar]
- Vossos, V.; Garbesi, K.; Shen, H. Energy savings from direct-DC in US residential buildings. Energy Build. 2014, 68, 223–231. [Google Scholar] [CrossRef]
- Savage, P.; Nordhaus, R.R.; Jamieson, S.P. Dc Microgrids: Benefits and Barriers. In From Silos to Systems: Issues in Clean Energy and Climate Change; Yale School of Forestry & Environmental Studies: New Haven, CT, USA, 2010; pp. 51–66. [Google Scholar]
- Koutroulis, E.; Kalaitzakis, K.; Voulgaris, N.C. Development of a microcontroller-based, photovoltaic maximum power point tracking control system. IEEE Trans. Power Electr. 2001, 16, 46–54. [Google Scholar] [CrossRef]
- Tong, Y.; Shan, Z.; Jatskevich, J.; Davoudi, A. A nonisolated multiple-input-multiple-output dc-dc converter for dc distribution of future energy efficient homes. In Proceedings of the IECON 2014—40th Annual Conference of the IEEE Industrial Electronics Society, Dallas, TX, USA, 30 October–1 November 2014; pp. 4126–4132. [Google Scholar]
- Weiss, R.; Ott, L.; Boeke, U. Energy-efficient low-voltage DC-grids for commercial buildings. In Proceedings of the IEEE First International Conference on DC Microgrids (ICDCM), San Francisco, CA, USA, 30 March–3 April 2015; pp. 154–158. [Google Scholar]
- Tidjani, F.S.; Chandra, A. Integration of renewable energy sources and the utility grid with the Net Zero Energy Building in the Republic of Chad. In Proceedings of the IECON 2012—38th Annual Conference on IEEE Industrial Electronics Society, Montreal, CA, USA, 25–28 October 2012; pp. 1025–1030. [Google Scholar]
- Rajaraman, V.; Jhunjhunwala, A.; Kaur, P.; Rajesh, U. Economic analysis of deployment of DC power and appliances along with solar in urban multi-storied buildings. In Proceedings of the IEEE First International Conference on DC Microgrids (ICDCM), Atlanta, GA, USA, 24–27 May 2015; pp. 32–37. [Google Scholar]
- Momose, T.; Osaka Gas Company Limited, Japan. Nano-grid: Small scale DC Microgrid for Residential Houses with Cogeneration System in Each House. In Proceedings of the International Gas Union Research Conference, Paris, France, 8–10 October 2008; Currans Associates, Inc.: Red Hook, NY, USA, 2008. [Google Scholar]
- Sasidharan, N.; Singh, J.G. A Novel Single-Stage Single-Phase Reconfigurable Inverter Topology for a Solar Powered Hybrid AC/DC Home. IEEE Trans. Ind. Electr. 2017, 64, 2820–2828. [Google Scholar] [CrossRef]
- Sun, K.; Wang, X.; Qiu, Z.; Wu, H.; Xing, Y. A PV generation system based on the centralized-distributed structure and cascaded power balancing mechanism for DC microgrids. In Proceedings of the IEEE 2nd International Future Energy Electronics Conference (IFEEC), Taipei, Taiwan, 1–4 November 2015; pp. 1–6. [Google Scholar]
- Shwehdi, M.H.; Mohamed, S.R. Proposed smart DC nano-grid for green buildings—A reflective view. In Proceedings of the International Conference on Renewable Energy Research and Application (ICRERA), Milwaukee, WI, USA, 19–22 October 2014; pp. 765–769. [Google Scholar]
- Stieneker, M.; De Doncker, R.W. Medium-voltage DC distribution grids in urban areas. In Proceedings of the IEEE 7th International Symposium on Power Electronics for Distributed Generation Systems (PEDG), Vancouver, BC, Canada, 27–30 June 2016; pp. 1–7. [Google Scholar]
- Friedman, M.M.; van Timmeren, A.; Boelman, E.; Schoonman, J. The concept for a dc low voltage house. Smart Sustain. Built Environ. 2008, 85–94. [Google Scholar]
- Li, W.; Mou, X.; Zhou, Y.; Marnay, C. On voltage standards for DC home microgrids energized by distributed sources. In Proceedings of the 7th International Power Electronics and Motion Control Conference (IPEMC), Harbin, China, 2–5 June 2012; Volume 3, pp. 2282–2286. [Google Scholar]
- Starke, M.; Tolbert, L.M.; Ozpineci, B. AC vs. DC Distribution: A loss comparison. In Proceedings of the IEEE/PES Transmission and Distribution Conference and Exposition, Chicago, IL, USA, 21–24 April 2008; pp. 1–7. [Google Scholar]
- Pratt, A.; Kumar, P.; Aldridge, T.V. Evaluation of 400V DC distribution in telco and data centers to improve energy efficiency. In Proceedings of the INTELEC 2007—29th International Telecommunications Energy Conference, Rome, Italy, 30 September–4 October 2007; pp. 32–39. [Google Scholar]
- Ammerman, R.F.; Gammon, T.; Sen, P.K.; Nelson, J.P. DC arc models and incident energy calculations. In Proceedings of the Record of Conference Papers Industry Applications Society 56th Annual Petroleum and Chemical Industry Conference, Anaheim, CA, USA, 14–16 September 2009; pp. 1–13. [Google Scholar]
- Baran, M.E.; Mahajan, N.R. DC distribution for industrial systems: Opportunities and challenges. IEEE Trans. Ind. Appl. 2003, 39, 1596–1601. [Google Scholar] [CrossRef]
- Manandhar, U.; Ukil, A.; Jonathan, T.K.K. Efficiency comparison of DC and AC microgrid. In Proceedings of the IEEE PES Innovative Smart Grid Technologies Conference—Asia (ISGT Asia), Bangkok, Thailand, 3–6 November 2015; pp. 1–6. [Google Scholar]
- Jagadish Kumar Patra, H.M.; Tania, D.E.; Arunkumar, G. A Review on Advancements in DC Microgrid Technology. Proc. Today 2016, 9, 1265–1279. [Google Scholar]
- Wunder, B.; Ott, L.; Szpek, M.; Boeke, U.; Weiß, R. Energy efficient DC-grids for commercial buildings. In Proceedings of the IEEE 36th International Telecommunications Energy Conference (INTELEC), Vancouver, BC, Canada, 28 September–2 October 2014; pp. 1–8. [Google Scholar]
- Umanand, L. Power Electronics—Essentials and Applications; Wiley India Pvt. Ltd.: New Delhi, India, 2009. [Google Scholar]
- Rykov, K.; Duarte, J.L.; Szpek, M.; Olsson, J.; Zeltner, S.; Ott, L. Converter impedance characterization for stability analysis of low-voltage DC-grids. In Proceedings of the IEEE PES Innovative Smart Grid Technologies Asia (ISGT Asia), Washington, DC, USA, 19–22 February 2014; pp. 1–5. [Google Scholar]
- Carli, R.; Dotoli, M. Energy scheduling of a smart home under nonlinear pricing. In Proceedings of the 53rd IEEE Conference on Decision and Control, Los Angeles, CA, USA, 15–17 December 2014; pp. 5648–5653. [Google Scholar]
- Sperstad, I.B.; Korpås, M. Energy Storage Scheduling in Distribution Systems Considering Wind and Photovoltaic Generation Uncertainties. Energies 2019, 12, 1231. [Google Scholar] [CrossRef]
- Hosseini, S.M.; Carli, R.; Dotoli, M. Model Predictive Control for Real-Time Residential Energy Scheduling under Uncertainties. In Proceedings of the 2018 IEEE International Conference on Systems, Man, and Cybernetics (SMC), Miyazaki, Japan, 7–10 October 2018; pp. 1386–1391. [Google Scholar]
- Wu, Y.; Lau, V.K.; Tsang, D.H.; Qian, L.P.; Meng, L. Optimal energy scheduling for residential smart grid with centralized renewable energy source. IEEE Syst. J. 2013, 8, 562–576. [Google Scholar] [CrossRef]
- Carli, R.; Dotoli, M. A decentralized resource allocation approach for sharing renewable energy among interconnected smart homes. In Proceedings of the 54th IEEE Conference on Decision and Control (CDC), Osaka, Japan, 15–18 December 2015; pp. 5903–5908. [Google Scholar]
- Sun, L.; Wu, G.; Xue, Y.; Shen, J.; Li, D.; Lee, K.Y. Coordinated control strategies for fuel cell power plant in a microgrid. IEEE Trans. Energy Convers. 2017, 33, 1–9. [Google Scholar] [CrossRef]
- Patterson, M.; Macia, N.F.; Kannan, A.M. Hybrid microgrid model based on solar photovoltaic battery fuel cell system for intermittent load applications. IEEE Trans. Energy Convers. 2014, 30, 359–366. [Google Scholar] [CrossRef]
- Farrokhabadi, M.; König, S.; Cañizares, C.A.; Bhattacharya, K.; Leibfried, T. Battery energy storage system models for microgrid stability analysis and dynamic simulation. IEEE Trans. Power Syst. 2017, 33, 2301–2312. [Google Scholar] [CrossRef]









| Device | Wattage (W) | Rated Voltage(V) |
|---|---|---|
| DC FAN | 90 | 48 |
| LAPTOP | 65 | 19 |
| LED | 5 × 18 (90) | 240 |
| Device | Duty Formula, (D) | Duty | Converter | Inductance | Capacitance |
|---|---|---|---|---|---|
| LED LIGHTS (R1) | 0.769 | Buck-Boost | L1: 24.3 mH | C2: 5 µF | |
| DC FAN (R2) | 0.667 | Buck | L2: 1.69 mH | C3: 1 µF | |
| LAPTOP CHARGER (R3) | 0.263 | Buck | L3: 1 mH | C4: 5µF |
| Load | Vbus (V) | Duty Cycle Formula, (D) | Duty Cycle (D) | Vout (V) | It (A) |
|---|---|---|---|---|---|
| LED LIGHTS | 71.66 | 0.769 | 239.7 | 0.375 | |
| DC FAN | 71.66 | 0.667 | 47.9 | 1.87 | |
| LAPTOP CHARGER | 71.66 | 0.263 | 19.8 | 3.41 |
© 2019 by the authors. Licensee MDPI, Basel, Switzerland. This article is an open access article distributed under the terms and conditions of the Creative Commons Attribution (CC BY) license (http://creativecommons.org/licenses/by/4.0/).
Share and Cite
Arunkumar, G.; Elangovan, D.; Sanjeevikumar, P.; Nielsen, J.B.H.; Leonowicz, Z.; Joseph, P.K. DC Grid for Domestic Electrification. Energies 2019, 12, 2157. https://doi.org/10.3390/en12112157
Arunkumar G, Elangovan D, Sanjeevikumar P, Nielsen JBH, Leonowicz Z, Joseph PK. DC Grid for Domestic Electrification. Energies. 2019; 12(11):2157. https://doi.org/10.3390/en12112157
Chicago/Turabian StyleArunkumar, G., D. Elangovan, P. Sanjeevikumar, Jens Bo Holm Nielsen, Zbigniew Leonowicz, and Peter K. Joseph. 2019. "DC Grid for Domestic Electrification" Energies 12, no. 11: 2157. https://doi.org/10.3390/en12112157
APA StyleArunkumar, G., Elangovan, D., Sanjeevikumar, P., Nielsen, J. B. H., Leonowicz, Z., & Joseph, P. K. (2019). DC Grid for Domestic Electrification. Energies, 12(11), 2157. https://doi.org/10.3390/en12112157

