Design and Testing of an Emg-Controlled Semi-Active Knee Prosthesis
Abstract
1. Introduction
- -
- Clinical: a growing number of working-age patients need lightweight and affordable prostheses;
- -
- Engineering: a shortage of ≤1 kg knee modules that reliably withstand peak loads ≥1 kN;
- -
- Methodological: a paucity of integrated studies that combine EMG control, FEA justification, and experimental prototype validation.
2. Materials and Methods
2.1. Related Work
- (A)
- Mechanical knee module with a basic design. A traditional lower-limb prosthesis with a simple knee hinge providing a limited range of motion. Such modules are relatively low-cost and easy to service, but they lack active control of gait phases.
- (B)
- Semi-active unit: passive hinge + adjustable hydro-pneumatic damper. The design incorporates additional mechanisms that improve gait stability and safety under load.
- (C)
- Intelligent knee with an integrated servo actuator, multi-axis IMU, and microprocessor control, enabling adaptation of motion to gait phases, surface conditions, and walking speed.
2.2. Design and Materials
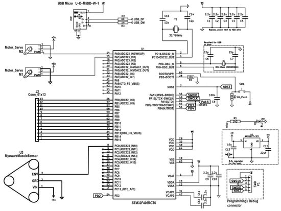
2.2.1. Sensor Selection and Characteristics
2.2.2. Topology Optimization
2.3. Safety and Fail-Safe Mechanisms
2.4. Mathematical Modeling
3. Results
3.1. Finite Element Analysis
3.2. Experimental Testing
4. Discussion
5. Conclusions
Author Contributions
Funding
Institutional Review Board Statement
Data Availability Statement
Conflicts of Interest
Abbreviations
| AD | Analog-to-Digital |
| BMS | Battery Management System |
| CF/EP | Carbon Fiber/Epoxy |
| DOF | Degree(s) of Freedom |
| EMG | Electromyography |
| FEA | Finite-Element Analysis |
| FSM | Finite State Machine |
| GFRP | Glass-Fiber-Reinforced Polymer |
| ICER | Incremental Cost-Effectiveness Ratio |
| IMU | Inertial Measurement Unit |
| ISO | International Organization for Standardization |
| MPK | Microprocessor-controlled Knee |
| MR | Magnetorheological |
| PWM | Pulse-Width Modulation |
| QALY | Quality-Adjusted Life Year |
| RF (model) | Random Forest (regression model) |
| RTI | Road-Traffic Injury |
| SIMP | Solid Isotropic Material with Penalization (topology optimization) |
| SNR | Signal-to-Noise Ratio |
| SoC | System-on-Chip |
| STM | STMicroelectronics microcontroller family (e.g., STM32H) |
| TPU | Thermoplastic Polyurethane |
References
- Yuan, B.; Hu, D.; Gu, S.; Xiao, S.; Song, F. The global burden of traumatic amputation in 204 countries and territories. Front. Public Health 2023, 11, 1258853. [Google Scholar] [CrossRef]
- Mukhamadeyeva, S.S.; Akylbayev, B.A.; Turar, R.K.; Toktarbaiuly, E.E.; Seitbekuly, S. Analysis of factors affecting the severity of car accidents in the Akmola region of Kazakhstan. E3S Web Conf. 2023, 381, 02024. [Google Scholar] [CrossRef]
- Kazbekova, A.; Akanov, Z.; Abseitova, D.; Abseitova, D.; Buribaeva, Z.; Rakhymbayeva, Z.; Kalra, S.; Baimukhanova, M. The prevalence of diabetes mellitus in Kazakhstan: A systematic review and meta-analysis. Acta Biomed. 2024, 95, e2024130. [Google Scholar] [CrossRef]
- Ministry of Health of the Republic of Kazakhstan. Statistics on Disability and Assistive Technology Provision. Available online: https://www.gov.kz/memleket/entities/dsm (accessed on 28 May 2025).
- Thibaut, A.; Beaudart, C.; De Noordhout, B.M.; Geers, S.; Kaux, J.F.; Pelzer, D. Impact of Microprocessor Prosthetic Knees on Mobility and Quality of Life in Patients with Lower-Limb Amputation: A Systematic Review. Eur. J. Phys. Rehabil. Med. 2022, 58, 452–462. [Google Scholar] [CrossRef] [PubMed]
- Qadir, A.; Zahran, A.; Vatankhah, R.; Javed, K.; Sharayan, M.; Atif, M.; Ahmed, B.; Hong, K.-S.; Kim, H.; Ali, S.; et al. Design, Analysis, and Development of Low-Cost State-of-the-Art Magnetorheological-Based Microprocessor Prosthetic Knee. Sensors 2024, 24, 255. [Google Scholar] [CrossRef]
- Ahkami, B.; Ahmed, K.; Thesleff, A.; Hargrove, L.; Ortiz-Catalan, M. Electromyography-based control of lower limb prostheses: A systematic review. IEEE Trans. Med. Robot. Bionics 2023, 5, 547–562. [Google Scholar] [CrossRef] [PubMed]
- Sup, F.; Bohara, A.; Goldfarb, M. Design and control of a powered transfemoral prosthesis. Int. J. Robot. Res. 2008, 27, 263–273. [Google Scholar] [CrossRef]
- Au, S.K.; Herr, H.; Weber, J.; Martinez-Villalpando, E.C. Powered ankle-foot prosthesis for the improvement of amputee ambulation. In Proceedings of the 29th Annual International Conference of the IEEE Engineering in Medicine and Biology Society, Lyon, France, 22–26 August 2007; pp. 3020–3026. [Google Scholar] [CrossRef]
- Galey, L.; Gonzalez, R.V. Design and Initial Evaluation of a Low-Cost Microprocessor-Controlled Above-Knee Prosthesis: A Case Report of 2 Patients. Prosthesis 2022, 4, 60–72. [Google Scholar] [CrossRef]
- Young, A.J.; Simon, A.M.; Hargrove, L.J. A training method for locomotion mode prediction using powered lower limb prostheses. IEEE Trans. Neural Syst. Rehabil. Eng. 2013, 22, 671–677. [Google Scholar] [CrossRef]
- Vujaklija, I.; Farina, D. Prosthetics and Innovation. In Blast Injury Science and Engineering: A Guide for Clinicians and Researchers; Springer: Berlin/Heidelberg, Germany, 2023. [Google Scholar] [CrossRef]
- Ha, K.H.; Varol, H.A.; Goldfarb, M. Volitional control of a prosthetic knee using surface electromyography. IEEE Trans. Biomed. Eng. 2010, 58, 144–151. [Google Scholar] [CrossRef]
- Tucker, M.R.; Olivier, J.; Pagel, A.; Bleuler, H.; Bouri, M.; Lambercy, O.; Millan, J.D.R.; Riener, R.; Vallery, H.; Gassert, R. Control strategies for active lower extremity prosthetics and orthotics: A review. J. Neuroeng. Rehabil. 2015, 12, 1. [Google Scholar] [CrossRef]
- Saini, R.S.T.; Kumar, H.; Chandramohan, S. Optimal design of flow mode semi-active prosthetic knee dampers. Sci. Iran. 2022, 29, 3049–3062. [Google Scholar] [CrossRef]
- Herr, H. Exoskeletons and orthoses: Classification, design challenges and future directions. J. Neuroeng. Rehabil. 2009, 6, 21. [Google Scholar] [CrossRef]
- Narayan, R. (Ed.) Encyclopedia of Biomedical Engineering; Elsevier: Amsterdam, The Netherlands, 2018; ISBN 978-0-12-804829-8. [Google Scholar]
- Zhang, J.; Hu, G.; Zhao, J.; Zhu, W. Trajectory tracking control of a four-bar linkage prosthetic knee with magnetorheological damper. J. Magn. Magn. Mater. 2024, 610, 172537. [Google Scholar] [CrossRef]
- Sarkisian, S.V.; Gabert, L.; Lenzi, T. Series-elastic actuator with two degree-of-freedom PID control improves torque control in a powered knee exoskeleton. Wearable Technol. 2023, 4, e25. [Google Scholar] [CrossRef] [PubMed]
- Maag, C.; Fitzpatrick, C.K.; Rullkoetter, P.J. Evaluation of machine learning techniques for real-time prediction of implanted lower limb mechanics. Front. Bioeng. Biotechnol. 2025, 12, 1461768. [Google Scholar] [CrossRef] [PubMed]
- Gehlhar, R.; Tucker, M.; Young, A.J.; Ames, A.D. A review of current state-of-the-art control methods for lower-limb powered prostheses. Annu. Rev. Control 2023, 55, 142–164. [Google Scholar] [CrossRef]
- Li, L.; Wang, X.; Meng, Q.; Chen, C.; Sun, J.; Yu, H. Intelligent knee prostheses: A systematic review of control strategies. J. Bionic Eng. 2022, 19, 1242–1260. [Google Scholar] [CrossRef]
- Sanfilippo, F.; Økter, M.; Dale, J.; Tuan, H.M.; Zafar, M.H.; Ottestad, M. Open-source design of low-cost sensorised elastic actuators for collaborative prosthetics and orthotics. HardwareX 2024, 19, e00564. [Google Scholar] [CrossRef]
- Lenzi, T.; Cempini, M.; Hargrove, L.; Kuiken, T. Design, development, and testing of a lightweight hybrid robotic knee prosthesis. Int. J. Robot. Res. 2018, 37, 953–976. [Google Scholar] [CrossRef]
- Zhang, Z.; Yu, H.; Cao, W.; Wang, X.; Meng, Q.; Chen, C. Design of a semi-active prosthetic knee for transfemoral amputees: Gait symmetry research by simulation. Appl. Sci. 2021, 11, 5328. [Google Scholar] [CrossRef]
- Muñoz-Vásquez, S.; Mora-Pérez, Z.A.; Ospina-Henao, P.A.; Valencia-Niño, C.H.; Becker, M.; Díaz-Rodríguez, J.G. Finite Element Analysis in the Balancing Phase for an Open Source Transfemoral Prosthesis with Magneto-Rheological Damper. Inventions 2023, 8, 36. [Google Scholar] [CrossRef]
- ASTM F1472; Standard Specification for Wrought Titanium-6Aluminum-4Vanadium Alloy for Surgical Implant Applications (UNS R56400). ASTM International: West Conshohocken, PA, USA, 2013.
- ISO 10328:2016; Prosthetics—Structural Testing of Lower-Limb Prostheses. International Organization for Standardization: Geneva, Switzerland, 2016.
- ISO 21535:2009; Non-Active Surgical Implants—Partial and Total Knee-Joint Prostheses. International Organization for Standardization: Geneva, Switzerland, 2009.
- ISO 8549-1:2020; Prosthetics and Orthotics—Vocabulary—Part 1: General Terms for External Limb Prostheses and External Orthoses. International Organization for Standardization: Geneva, Switzerland, 2020.
- Posada-Borrero, A.M.; Patiño-Lugo, D.F.; Plata-Contreras, J.A.; Velasquez-Correa, J.C.; Lugo-Agudelo, L.H. Development of a clinical practice guideline for lower limb amputees. A knowledge translation process in a middle income country. Front. Rehabil. Sci. 2022, 3, 873436. [Google Scholar] [CrossRef]
- Frölke, J.P.M.; Rommers, G.C.; de Boer, A.W.; Groenveld, T.D.; Leijendekkers, R. Epidemiology of limb amputations and prosthetic use during COVID-19 pandemic in the Netherlands. Arch. Phys. Med. Rehabil. 2024, 105, 280–286. [Google Scholar] [CrossRef] [PubMed]
- Creveling, S.; Cowan, M.; Sullivan, L.M.; Gabert, L.; Lenzi, T. Volitional EMG control enables stair climbing with a robotic powered knee prosthesis. In Proceedings of the 2023 IEEE/RSJ International Conference on Intelligent Robots and Systems (IROS), Detroit, MI, USA, 1–5 October 2023; pp. 2152–2157. [Google Scholar] [CrossRef]
- Tran, M.; Gabert, L.; Hood, S.; Lenzi, T. A lightweight robotic leg prosthesis replicating the biomechanics of the knee, ankle, and toe joint. Sci. Robot. 2022, 7, eabo3996. [Google Scholar] [CrossRef] [PubMed]




















| Work/Direction | Limitations/Comments |
|---|---|
| Compact MR module [18] | 35 N·m braking torque at I ≤ 1 A; “energy-neutral” support during the stance phase. Channel bandwidth ≈ 60 Hz; no biosensors feedback loop. |
| SEA knee with 2DOF-PID [19] | A 37% reduction in output impedance compared to 1DOF-PID. +0.4 kg mass due to the elastic stage. |
| Off-the-shelf prosthesis [6] | Cost < USD 1000; ultrasonic rangefinder + IMU for phase detection. To further reduce cost, a unified controller and open sensors are required. |
| RF model using 11 EMG/IMU features [20] | MAE = 4.3 N·m; latency < 25 ms. Requires an ARM SoC (≈2 W); our ATmega328P stack (≈45 mW) uses a simplified threshold detector. |
| Meta-analyses [21,22] | Hybrid position–impedance controllers with adaptive damping are promising; multisensory feedback (EMG + IMU + acoustics). |
| CAD-and-code package for an elastic actuator (GitHub, v1.4.0) [23] | Market democratization: open CAD and code for developers. In this work, the principle is extended to the entire prosthesis. |
| Research niche (summary) | Lightweight prosthesis (≤1 kg), low-cost (≤USD 500), semi-active, EMG-triggered, with rigorous FEA validation of components. |
| Class | Brief Characteristics | Advantages | Limitations |
|---|---|---|---|
| Passive (mechanical) | 1–4-axis hinges with springs/friction clutches | Low cost; simple maintenance | No active adaptation; higher user metabolic cost |
| Semi-active (mechatronic) | Hydro-/pneumatic dampers, mechanically actuated clutches | Improved stance stability | No direct biosignal input; adaptation lag when conditions change |
| Intelligence (microprocessor) | Multi-sensor suite + servo/electric motor; real-time algorithms | Most physiological gait; dynamic damping | High cost (≥US$30 k); mass > 1.5 kg; maintenance needs |
| Parameter | Calculated Value | Experimental Value (Nominal) | Experimental Value (Range) | EMG–Motion Latency Statistics, ms (Mean ± SD; 95% CI) | Deviation (%) |
|---|---|---|---|---|---|
| Flexion angle 60°, ° | 60 | 58.7–60.4 | 58.7–60.4 | ±2.2 | |
| Response time 60° flexion, s | 0.92 | 1.05 | 1.05 | +12% | |
| EMG activation latency, ms | <200 | 185 | 185 | n = N | – |
| Power consumption, W | ≈4.5 | 4.6 | 4.6 | +2.2% | |
| Battery life, h | ≈6 | 5.7 | 5.7 | –5% |
| Work | Advantages | Limitations/Drawbacks | Distinctions |
|---|---|---|---|
| Design, Analysis, and Development of Low-Cost State-of-the-Art Magnetorheological-Based Microprocessor Prosthetic Knee [31] | Low-cost MR knee prosthesis; practical implementation | Focus on MR control rather than EMG; higher mass | Our design is lighter (~0.87 kg), EMG-controlled, and oriented toward minimizing both cost and mass |
| Design, development, and testing of a lightweight hybrid robotic knee prosthesis [32] | Experimental validation with patients; hybrid kinematics | Earlier work; less emphasis on miniaturization and low cost | We prioritize budget and mass, not just functionality; approach suited to a small lab |
| Volitional EMG Control Enables Stair Climbing with a Robotic Powered Knee Prosthesis [33] | EMG control; demonstration of stair ascent in real conditions | Small sample size; high prototype cost | EMG control + bench testing + fatigue/FEA analyses, with an emphasis on mass manufacturability |
| A lightweight robotic leg prosthesis replicating the biomechanics of the knee, ankle, and toe joint [34] | High functionality; faithful replication of lower-limb biomechanics | Complex and expensive design; not cost-focused | A compromise—functionality retained, but mass and cost substantially reduced in our design |
Disclaimer/Publisher’s Note: The statements, opinions and data contained in all publications are solely those of the individual author(s) and contributor(s) and not of MDPI and/or the editor(s). MDPI and/or the editor(s) disclaim responsibility for any injury to people or property resulting from any ideas, methods, instructions or products referred to in the content. |
© 2025 by the authors. Licensee MDPI, Basel, Switzerland. This article is an open access article distributed under the terms and conditions of the Creative Commons Attribution (CC BY) license (https://creativecommons.org/licenses/by/4.0/).
Share and Cite
Ozhikenov, K.; Nurgizat, Y.; Ayazbay, A.-A.; Uzbekbayev, A.; Sultan, A.; Nussibaliyeva, A.; Zhetenbayev, N.; Kalykpaeva, R.; Sergazin, G. Design and Testing of an Emg-Controlled Semi-Active Knee Prosthesis. Sensors 2025, 25, 7505. https://doi.org/10.3390/s25247505
Ozhikenov K, Nurgizat Y, Ayazbay A-A, Uzbekbayev A, Sultan A, Nussibaliyeva A, Zhetenbayev N, Kalykpaeva R, Sergazin G. Design and Testing of an Emg-Controlled Semi-Active Knee Prosthesis. Sensors. 2025; 25(24):7505. https://doi.org/10.3390/s25247505
Chicago/Turabian StyleOzhikenov, Kassymbek, Yerkebulan Nurgizat, Abu-Alim Ayazbay, Arman Uzbekbayev, Aidos Sultan, Arailym Nussibaliyeva, Nursultan Zhetenbayev, Raushan Kalykpaeva, and Gani Sergazin. 2025. "Design and Testing of an Emg-Controlled Semi-Active Knee Prosthesis" Sensors 25, no. 24: 7505. https://doi.org/10.3390/s25247505
APA StyleOzhikenov, K., Nurgizat, Y., Ayazbay, A.-A., Uzbekbayev, A., Sultan, A., Nussibaliyeva, A., Zhetenbayev, N., Kalykpaeva, R., & Sergazin, G. (2025). Design and Testing of an Emg-Controlled Semi-Active Knee Prosthesis. Sensors, 25(24), 7505. https://doi.org/10.3390/s25247505

