Abstract
This paper presents a low-power CMOS voltage reference with low supply sensitivity, designed and verified in a 180 nm standard CMOS technology. A DIBL-based line-sensitivity (LS) compensation path is incorporated into the conventional PTAT generation circuit to simultaneously provide a reference voltage and a bias current with improved LS. The proposed circuit achieves LS values of 0.01%/V for the voltage reference and 0.07%/V for the bias current reference over a supply voltage range of 1.4 V to 2 V. It generates a reference voltage of 538 mV and a PTAT current of 38 nA, consuming 68 nW. The simulated temperature coefficient is 58 ppm/ from −40 °C to 130 °C, and the power supply rejection ratio is −59 dB at 100 Hz.
1. Introduction
With the rapid development of sensor technology, the demand for energy-efficient systems such as the Internet of Things (IoT) and self-powered wearable devices has been steadily increasing. In these energy-constrained systems, the power and area limitations of integrated circuits (ICs) become critical design considerations. Given the limited energy budget, ICs must minimize power consumption while preserving the key performance metrics. Typically, sensor-based systems rely on constrained energy sources such as miniature batteries or energy harvesters. Due to the limited driving capability, the supply voltage of core ICs becomes highly susceptible to fluctuations induced by power-intensive events such as wireless power/data transmission or sensing operations. In addition, duty-cycled operation, which is commonly used to maximize energy efficiency, introduces abrupt supply transients whenever the system transitions from sleep to active mode. These challenges highlight the necessity of reliable voltage performance under dynamic supply conditions.
Voltage reference and bias current generator are fundamental building blocks for analog and mixed signal ICs, especially in sensor applications, where they directly affect performance and accuracy of the entire system, providing well-defined outputs to ensure reliability against process, voltage and temperature (PVT) variations. For voltage references, a bandgap reference (BGR) [1,2] has been widely adopted since BJTs exhibit strong immunity to PVT variations. To mitigate the temperature coefficient (TC) of the BJT, the BGR adds a proportional-to-absolute-temperature (PTAT) voltage to the complementary-to-absolute-temperature (CTAT) voltage derived from the BJT. However, BGRs require a sufficient current to alleviate the effect of the saturation current, which limits further power reduction. As an alternative, CMOS references [3,4,5,6] can minimize the power consumption by operating the transistors in the subthreshold region. Since CMOS references show relatively higher supply dependency than BGRs, several approaches have been proposed to suppress it, including DIBL-based compensation [7], self-biasing loop [8], double regulation [9], pre-regulator [10], self-cascode [11] and amplifier-based loop [12]. These techniques achieve line sensitivities (LS) as low as 0.003~0.3%/V. However, the conducting current with exponential temperature dependency restricts direct use as bias currents, eventually necessitating an additional stage to separately generate bias currents. On the other hand, CMOS references employing a PTAT current can provide both a reference voltage and bias current at the same time [4,13,14,15]. However, their LS is relatively higher compared to LS-improved designs, and the LS of the bias current has not been reported.
This paper presents a CMOS voltage reference that generates PTAT currents in each branch while applying DIBL-based LS compensation to both reference voltage and bias current simultaneously. This work achieves both low-power operation and low LS in voltage and current while maintaining a stable TC. The proposed circuit is designed in a 180 nm standard CMOS technology, achieving LS values of 0.01%/V for reference voltage and 0.07%/V for bias current, which is improved by >10x compared with a conventional PTAT current generator under the same conditions. The TC of the reference voltage is 58 ppm/ over a temperature range from −40 °C to 130 °C. The PSRR at 100 Hz is −59 dB without using any decoupling capacitor.
The remainder of this paper is structured as follows. Section 2 introduces the proposed reference generator applied with the DIBL effect and the detailed derivation process to determine the design parameters to improve the LS. Section 3 presents the simulation results of the proposed circuit. Section 4 concludes the paper.
2. Proposed Voltage Reference with PTAT Current Using DIBL Compensation
Design Description
For low-power implementation, CMOS transistors can be operated in the subthreshold region, where the conducting current is governed by
where and , , m and denote the carrier mobility, gate capacitance, subthreshold slope factor and thermal voltage, respectively. The exponential term in the last part of Equation (1) becomes negligible when > 4. In addition, to account for the finite output resistance, the drain-to-source voltage () dependency [16,17,18] should be considered, and the current Equation can be rearranged as follows:
where is a device parameter to model the effect of drain-induced barrier lowering (DIBL). As the channel length of a MOSFET decreases, increases, revealing higher dependency [7,19]. Table 1 summarizes exemplary values of as a function of channel length, which will be used as a cornerstone for achieving LS suppression. Since the DIBL-induced term is dominated by the first-order component and is much smaller than 1, Equation (2) can be approximated by first-order Taylor expansion as [17]:
Table 1.
Exemplary values of as a function of the length of the transistor PMOS.
Figure 1 compares the subthreshold current with the linear approximation model, showing the worst-case relative error is ~5% when the minimum length in the technology is used. Table 2 quantifies the fractional contribution of each order term and reveals that the first-order term provides the major contribution.
Figure 1.
VDS dependency of the subthreshold current and its first-order approximation.
Table 2.
Relative magnitudes of each expansion order.
Figure 2a illustrates the conventional PTAT current generator, which is composed of two PMOS transistors (M1 and M2) for current regulation, two NMOS transistors (M3 and M4) for PTAT voltage generation, and a resistor for voltage-to-current conversion. The bodies of all transistors are connected to their sources.
Figure 2.
(a) Conventional PTAT current generator and (b) proposed voltage reference with PTAT current including DIBL compensation.
Assuming that L3 = L4 and I0,3 = I0,4 in Equation (1), the resulting PTAT voltage and current can be written as
In the conventional PTAT current generator, because M4 exhibits a much larger output resistance () than that of the diode-connected M2 (), the drain voltage of M4 varies linearly with the supply voltage, resulting in the LS in the right branch to be determined by M4. By applying the model of the VDS dependency in Equation (3), Equation (5) can be modified to include the LS effect as
where is the DIBL parameter of M4. The LS can be derived by differentiating Equation (6) on , yielding
Equation (7) can be further approximated as for sufficiently long-channel devices where is small.
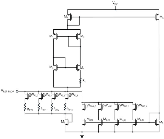
Figure 2b describes the proposed reference voltage with PTAT current generator. It preserves the conventional PTAT core while adding a CMOS transistor (M7) and a resistor () in the pull-down path. Since the flowing current is the same as Equation (5), the PTAT current () of M7 and the reference voltage () are given by
In Equation (9), the threshold voltage and the logarithmic term act as CTAT voltages, while the last term becomes a PTAT voltage. Therefore, the TC of can be minimized by adjusting . To improve the LS, a DIBL-based compensation path is introduced in the right branch, which consists of M5, M6, M8 and M9. M5 and M6, with shorter length and larger than other transistors, generate a current with higher supply dependency. The level of the current () is scaled by M8 and M9 configured as a current mirror. Then, the final PTAT current can be obtained by subtracting from , resulting in the final as
In Equation (10), the DIBL effect of can be incorporated using Equation (6), while that of can be modeled by changing W6, since the drain voltage of M6 rarely varies with the supply voltage and M6 becomes the dominant contributor to LS in the compensation path. Substituting the VDS-dependency in Equation (3) and , Equation (10) can be rewritten as
Differentiating Equation (11) with respect to , the LS of the proposed circuit becomes
For low-power operation, and are designed to be sufficiently small so that the current in the compensation branch remains much smaller than that in the core. In addition, assuming a sufficient length for M4, Equation (12) can be simplified to
It should be noted that Equation (13) contains a negative term, which is derived from the LS compensation path. By setting Equation (13) equal to zero, the theoretical optimum condition for achieving zero LS can be derived as
The overall design procedure can be summarized as follows:
- Core PTAT design: Design the PTAT generator considering both current level and TC based on Equation (6), determining W3, W4 and .
- Compensation path sizing: Determine the current level in the LS-improvement paths, which defines W5, W6, W8 and W9.
- Optimum length selection: Calculate the theoretical optimum value for by using Equation (14) and determine L6 based on Table 1.
- Final adjustment: Tune the design parameters in the LS-improvement paths.
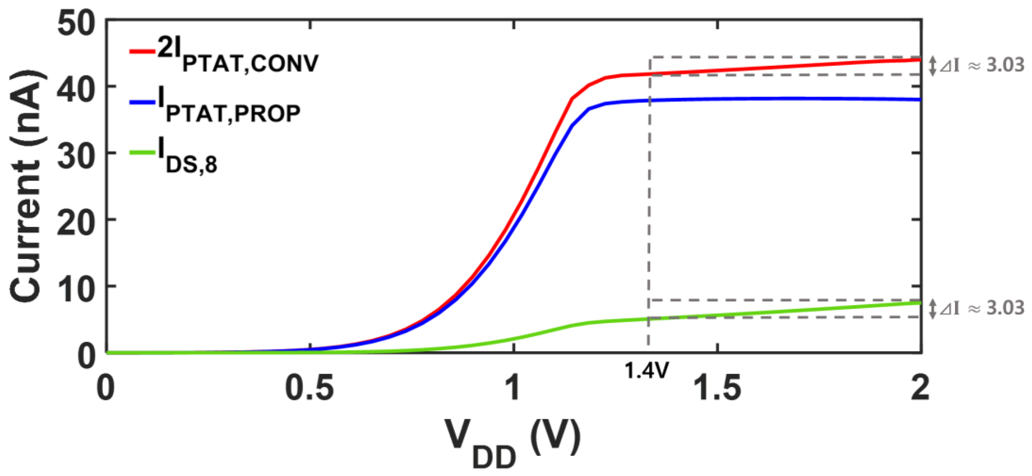
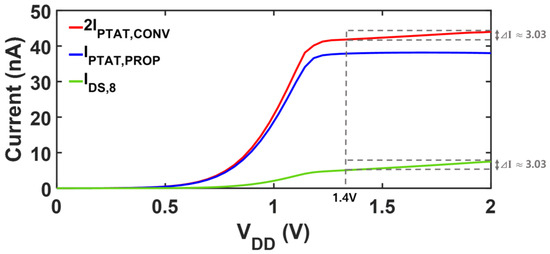
The transistor dimensions and their operating currents are shown in Table 3. Figure 3 shows the LS of each current after applying the DIBL-based LS-compensation. When the supply voltage varies from 1.4 V to 2.0 V, increases by 3.03 nA, showing an LS of 9.56%/V. The compensation current, IDS8, exhibits the same variation amount with , while the level IDS8 is much smaller. Therefore, subtracting IDS8 from yields the LS compensated current, , which achieves an LS of 0.07%/V. can be tapped from M7 to bias other circuits. The residual variation in results from the nonlinearities in the simplified modeling.
Table 3.
Transistor dimensions of the proposed circuit.
Figure 3.
Simulated supply voltage dependency of each current for LS compensation.
Although the proposed DIBL-based LS-compensation diverts a portion of the core current and slightly reduces the level of current as in Equation (10), the temperature dependency of each current remains unaffected because all currents are just scaled versions of the original PTAT current in Equation (5), as shown in Figure 4.
Figure 4.
Simulated temperature dependency of each current.
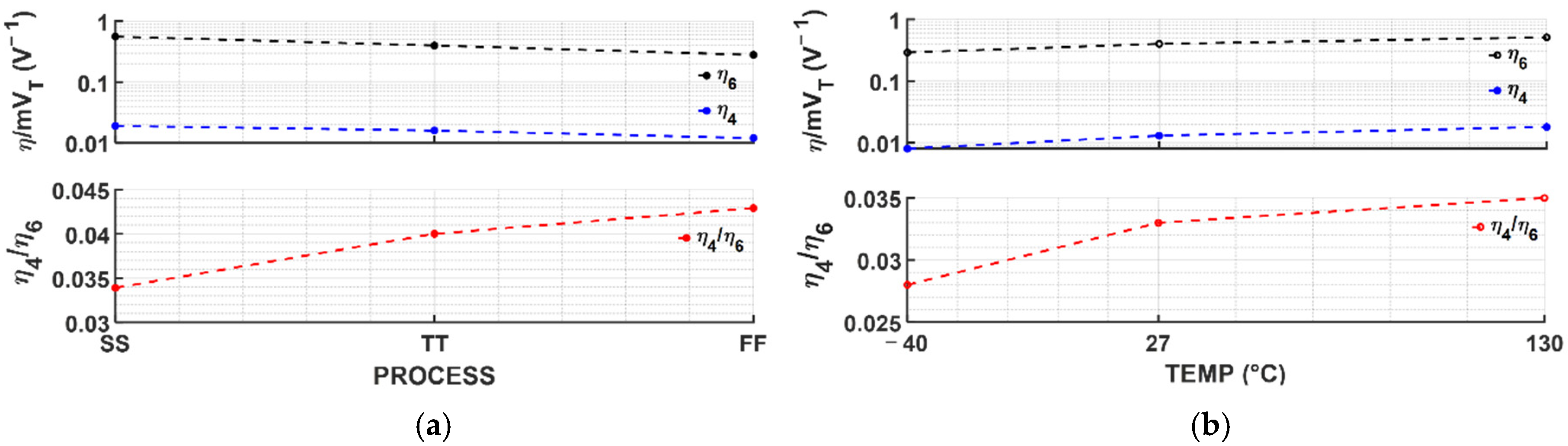
Although the theoretically optimum value for LS compensation is set by the dimension of the transistors as Equation (14), PVT variations affect and . Figure 5 presents the dependency of and on process and temperature, respectively. Each of and varies by up to 70% across process-skew (Figure 5a); however, because they vary in the same direction, the variation in the ratio is reduced to ~20%. Similarly, in the case of temperatures (Figure 5b), each of and varies by up to about 55%, but, since their temperature variation follows the same trend, the variation in the ratio is reduced to ~20%. The worst case occurs at the fast-skewed process corner, resulting in LS values of 4.4%/V and 9.3%/V for and , which is still lower than the typical case of a conventional PTAT current generator.
Figure 5.
Simulated , and depending on (a) process-skewed corners and (b) temperatures.
3. Post-Layout Simulation Results
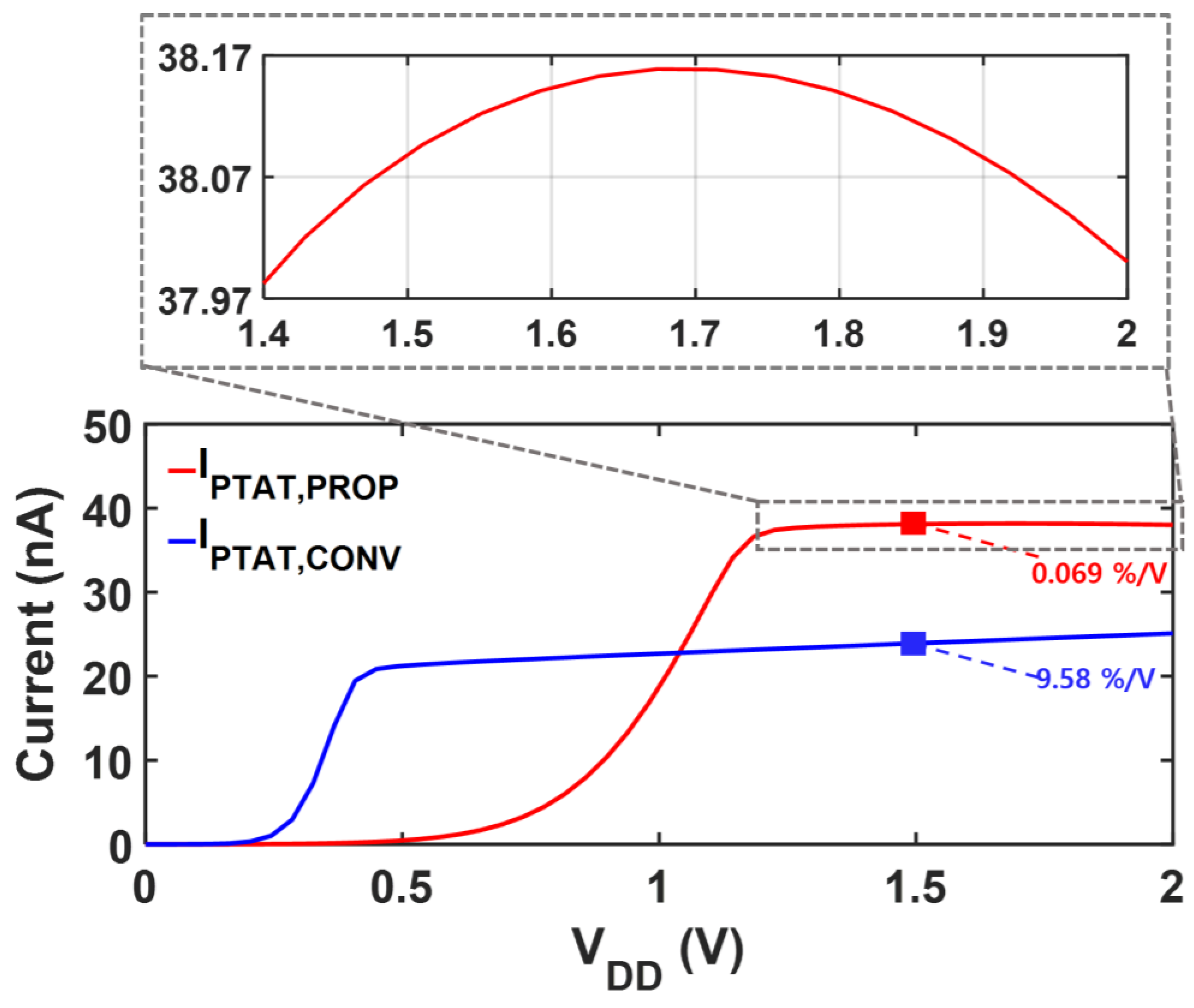
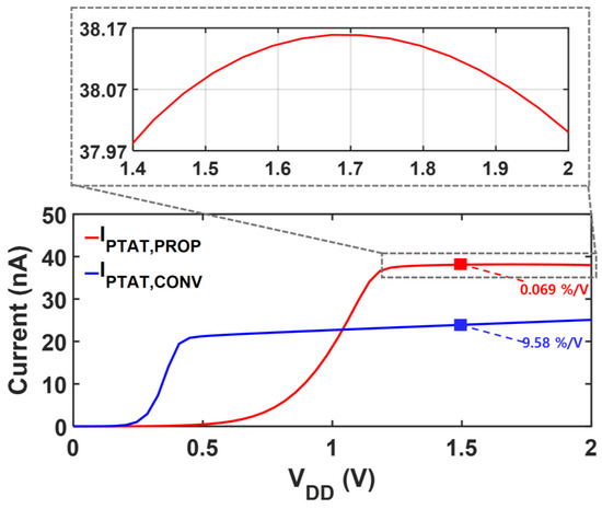
Figure 6 shows the proposed reference circuit with trimming options to mitigate the potential effects of process and mismatch variations on the LS and TC. Each 4-bit trimming code independently adjusts for TC and M8 for LS. A higher code for makes both VREF,PROP and IPTAT,PROP more PTAT, whereas a higher code for M8 corresponds to a larger compensation current. Figure 7 compares the supply characteristics of the currents of the conventional PTAT current generator in Figure 2a and the proposed voltage reference with PTAT current using DIBL compensation in Figure 2b. Without LS-compensation, the LS of follows Equation (7), exhibiting a LS of 9.56%/V over a supply range of 1 V to 2 V. By employing the same PTAT core with the additional LS-compensation path, the LS of is significantly improved to 0.07%/V in the supply range from 1.4 V to 2 V. Figure 8 presents a comparison of each voltage against the supply voltage variation. The LS of is suppressed to 0.01%/V across a supply voltage range of 1.4 V to 2 V, whereas that of is 9.56%/V over 1 V to 2 V. The proposed DIBL compensation scheme achieves LS values of 0.01%/V and 0.07%/V for the reference voltage and PTAT current at the expense of a higher minimum supply voltage. The minimum supply voltage condition of the conventional circuit in Figure 2a is expressed as
while that of the proposed circuit (Figure 2b) becomes
Figure 6.
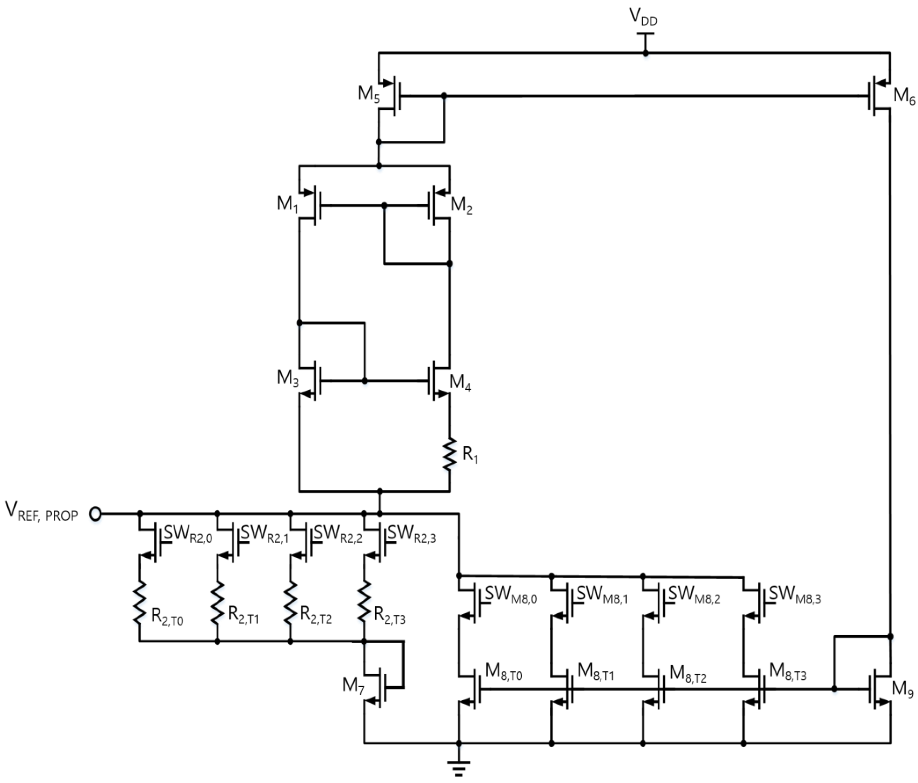
The proposed circuit diagram with trimming options for line sensitivity (M8) and temperature coefficient (R2).
Figure 7.
Simulated LS of
Figure 8.
Simulated LS of
Figure 9a shows the simulated PSRR of the proposed circuit without any decoupling capacitor. At 100 Hz, the proposed circuit achieves a PSRR of −59 dB. Figure 9b depicts the improvement of high-frequency PSRR when a load capacitor is added to .
Figure 9.
Simulated PSRR of at a supply voltage of 1.4 V (a) without any decoupling capacitor and (b) with different sizes of load capacitors.
Figure 10 illustrates the temperature dependency of , indicating the TC of 58 ppm/ over the range −40 °C to 130 °C. The proposed LS-compensation scheme achieves low LS while maintaining the TC below 100 ppm/. Figure 11 shows the power consumption of the proposed reference generator as a function of temperature under different VDD levels. The proposed circuit consumes 68 nW with a supply voltage of 1.4 V at room temperature.
Figure 10.
Simulated TC of .
Figure 11.
Simulated power consumption under different temperatures and supply voltages.
Figure 12 presents the distributions of VREF,PROP under process, mismatch and both variations. The average VREF,PROP is about 538 mV regardless of the simulation conditions, while the standard deviation is mainly determined by the process variation, as shown in Figure 12a. When both process and mismatch variations are applied, the total σ/µ is 3.1%.

Figure 12.
400 runs of Monte Carlo Simulation results of VREF,PROP. (a) process variations, (b) mismatch variations, (c) both.
The impact of device mismatch on LS was verified through 400 runs of Monte Carlo simulations (Figure 13). Figure 13a shows the distribution of LS of before and after compensation in the same graph. Without compensation, exhibits an average LS of 9.56%/V with a standard deviation of 0.17%/V. After applying the proposed LS-compensation, the average value is reduced to 0.06%/V, with a standard deviation of 1.04%. Figure 13b shows the distribution of the LS of before and after compensation. The average LS improves from 9.56%/V without compensation to 0.03%/V with compensation. The worst-case LS after compensation is even smaller than the best-case LS without compensation in both current and voltage cases, validating the proposed scheme.
Figure 13.
400 runs of Monte Carlo Simulation results for the LS of (a) PTAT current and (b) voltage reference.
Figure 14 demonstrates the exemplary layouts of the conventional PTAT current generator and proposed voltage reference with PTAT current including DIBL compensation in Figure 2. The active areas of the layouts are 6412 (67.5 × 95) and 10,402 (80.7× 128.9), respectively. The proposed reference generator achieves low LS with only ~4000 of additional active area.
Table 4 and Table 5 summarize the performance of the proposed circuit and compare it with recently reported designs according to the output type of voltage and bias current, respectively. Figure 15 benchmarks the proposed circuit with recent works in terms of reference voltage. Figure 15a shows the LS of the reference voltage versus its PSRR, and Figure 15b provides a benchmark comparing the power against the area.
Table 4.
Performance comparison with previously reported voltage references.
Table 5.
Performance comparison for output current of previously reported works.
Figure 15.
Benchmark against recently reported voltage references in Table 3. (a) PSRR versus LS of the voltage reference and (b) Power and area.
Figure 16 compares the performances of the previously reported current generator, which can be used as a bias current, by visualizing the LS and minimum supply voltage (Figure 16a) and power against area (Figure 16b). The proposed circuit achieves superior line sensitivity performance compared to conventional bias current references while minimizing the power-area overhead.
Figure 16.
Benchmark against recently reported bias current generators in Table 4. (a) LS of the current and minimum supply voltage, and (b) Power and area.
4. Conclusions
This paper presents a CMOS voltage reference with a PTAT current employing DIBL-based LS-compensation. The proposed design achieves both low-power operation and low LS in voltage and current while maintaining a stable TC. The circuit was designed and simulated in a 180 nm standard CMOS technology, generating a reference voltage of 538 mV and a PTAT current of 38 nA, consuming only 68 nW. The LS values of current and voltage outputs are 0.07%/V and 0.01%/V, respectively, within a supply voltage range of 1.4 V to 2 V. The circuit exhibits a simulated TC of 58 ppm/ across −40 °C to 130 °C and the PSRR of −59 dB at 100 Hz. The proposed voltage reference with a PTAT bias current provides both stable voltage and current in a single circuit and is well-suited for energy-constrained applications such as battery-powered electronics and IoT sensor systems due to its low supply sensitivity and low power consumption characteristics, enabling the system to function under dynamic supply conditions.
Author Contributions
Conceptualization, M.J. and Y.J.; methodology, M.J. and Y.J.; software, M.J.; validation, M.J. and Y.J.; formal analysis, M.J. and Y.J.; investigation, M.J. and Y.J.; resources, Y.J.; data curation, M.J.; writing—original draft preparation, M.J.; writing—review and editing, Y.J.; visualization, M.J.; supervision, Y.J.; project administration, Y.J. All authors have read and agreed to the published version of the manuscript.
Funding
This research was supported by the research fund of Hanbat National University in 2023. This research was supported by the MSIT (Ministry of Science and ICT), Korea, under the ICAN (ICT Challenge and Advanced Network of HRD) support program (IITP-2025-RS-2022-00156212) supervised by the IITP (Institute for Information & Communications Technology Planning & Evaluation).
Institutional Review Board Statement
No applicable.
Informed Consent Statement
No applicable.
Data Availability Statement
No new data were created or analyzed in this study. Data sharing is not applicable to this article.
Conflicts of Interest
The authors declare no conflict of interest.
References
- Kim, M.; Cho, S. A Single BJT Bandgap Reference with Frequency Compensation Exploiting Mirror Pole. IEEE J. Solid-State Circuits 2021, 56, 2902–2912. [Google Scholar] [CrossRef]
- Boo, J.-H.; Cho, K.-I.; Kim, H.-J.; Lim, J.-G.; Kwak, Y.-S.; Lee, S.-H.; Ahn, G.-C. A Single-Trim Switched Capacitor CMOS Bandgap Reference With a 3σ Inaccuracy of +0.02%, 0.12% for Battery-Monitoring Applications. IEEE J. Solid-State Circuits 2021, 56, 1197–1206. [Google Scholar] [CrossRef]
- Zhu, Z.; Hu, J.; Wang, Y. A 0.45 V, Nano-Watt 0.033% line sensitivity MOSFET-only sub-threshold voltage reference with no amplifiers. IEEE Trans. Circuits Syst. I Reg. Papers 2016, 63, 1370–1380. [Google Scholar] [CrossRef]
- Zhuang, H.; Zhu, Z.; Yang, Y. A 19-nW 0.7-V CMOS voltage reference with no amplifiers and no clock circuits. IEEE Trans. Circuits Syst. II Exp. Briefs 2014, 61, 830–834. [Google Scholar] [CrossRef]
- Liu, Y.; Zhan, C.; Wang, L.; Tang, J.; Wang, G. A 0.4-V wide temperature range all-MOSFET subthreshold voltage reference with 0.027%/V line sensitivity. IEEE Trans. Circuits Syst. II Exp. Briefs 2018, 65, 969–973. [Google Scholar]
- Yang, B.-D. 250-mV Supply Subthreshold CMOS Voltage Reference Using a Low-Voltage Comparator and a Charge-Pump Circuit. IEEE Trans. Circuits Syst. II Exp. Briefs 2014, 61, 850–854. [Google Scholar] [CrossRef]
- Wang, Y.; Sun, Q.; Luo, H.; Wang, X.; Zhang, R.; Zhang, H. A 48pW, 0.34 V, 0.019%/V Line Sensitivity Self-Biased Subthreshold Voltage Reference With DIBL Effect Compensation. IEEE Trans. Circuits Syst. I Regul. Pap. 2020, 67, 611–621. [Google Scholar] [CrossRef]
- Shao, C.-Z.; Kuo, S.-C.; Liao, Y.-T. A 1.8-nW, −73.5-dB PSRR, 0.2-ms Startup Time, CMOS Voltage Reference With Self-Biased Feedback and Capacitively Coupled Schemes. IEEE J. Solid-State Circuits 2021, 56, 1795–1804. [Google Scholar] [CrossRef]
- Qiao, H.; Zhan, C.; Chen, Y. A −40 °C to 140 °C Picowatt CMOS Voltage Reference with 0.25-V Power Supply. IEEE Trans. Circuits Syst. II Exp. Briefs 2021, 68, 3118–3122. [Google Scholar] [CrossRef]
- Chen, Y.; Guo, J. A 42 nA IQ, 1.5–6 V VIN, Self-Regulated CMOS Voltage Reference with −93 dB PSR at 10 Hz for Energy Harvesting Systems. IEEE Trans. Circuits Syst. II Exp. Briefs 2021, 68, 2357–2361. [Google Scholar]
- Yu, K.; Chen, J.; Li, S.; Huang, M. A 0.011%/V LS and −76 dB PSRR Self-Biased CMOS Voltage Reference with Quasi Self-Cascode Current Mirror. IEEE Trans. Circuits Syst. II Exp. Briefs 2024, 71, 1052–1056. [Google Scholar] [CrossRef]
- Zeng, Y.; Yu, C.; Yang, J.; Luo, Y.; Lei, B.; Li, Y. A 64.7 nA, −65 dB@1 kHz and Dual-Output CMOS Voltage Reference With Multi-Loop Active Load Without Trimming. IEEE Trans. Circuits Syst. II Exp. Briefs 2025. [Google Scholar]
- Jiang, J.; Shu, W.; Chang, J.; Liu, J. A Novel Subthreshold Voltage Reference Featuring 17 ppm/°C TC within −40 °C to 125 °C and 75 dB PSRR. In Proceedings of the 2015 IEEE International Symposium on Circuits and Systems (ISCAS), Lisbon, Portugal, 24–27 May 2015; pp. 501–504. [Google Scholar]
- Tan, X.L.; Chan, P.K.; Dasgupta, U. A Sub-1-V 65-nm MOS Threshold Monitoring-Based Voltage Reference. IEEE Trans. Very Large Scale Integr. Syst. 2015, 23, 2317–2321. [Google Scholar] [CrossRef]
- Wang, L.; Zhan, C.; He, L.; Tang, J.; Wang, G.; Liu, Y.; Li, G. A Low-Power High-PSRR CMOS Voltage Reference with Active-Feedback Frequency Compensation for IoT Applications. In Proceedings of the 2018 IEEE International Symposium on Circuits and Systems (ISCAS), Florence, Italy, 27–30 May 2018; pp. 1–4. [Google Scholar]
- Magnelli, L.; Crupi, F.; Corsonello, P.; Pace, C.; Iannaccone, G. A 2.6nW, 0.45 V temperature-compensated subthreshold CMOS voltage reference. IEEE J. Solid-State Circuits 2011, 46, 465–474. [Google Scholar] [CrossRef]
- Deen, M.J.; Yan, Z.X. Substrate bias effects on drain-induced barrier lowering in short-channel PMOS devices. IEEE Trans. Electron. Devices 1990, 37, 1707–1713. [Google Scholar] [CrossRef]
- Grotjohn, T.; Hoefflinger, B. A parametric short-channel MOS transistor model for subthreshold and strong inversion current. IEEE J. Solid-State Circuits 1984, 19, 100–112. [Google Scholar] [CrossRef]
- Colbach, L.; Jang, T.; Ji, Y. A 21.4pW Subthreshold Voltage Reference with 0.020 %/V Line Sensitivity Using DIBL Compensation. Sensors 2023, 23, 1862. [Google Scholar] [CrossRef]
- Lin, J.; Wang, L.; Zhan, C.; Lu, Y. A 1-nW Ultra-Low Voltage Subthreshold CMOS Voltage Reference With 0.0154%/V Line Sensitivity. IEEE Trans. Circuits Syst. II Express Briefs 2019, 66, 1653–1657. [Google Scholar] [CrossRef]
- de Oliveira, A.C.; Cordova, D.; Klimach, H.; Bampi, S. Picowatt, 0.45–0.6 V Self-Biased Subthreshold CMOS Voltage Reference. IEEE Trans. Circuits Syst. I Regul. Pap. 2017, 64, 3036–3046. [Google Scholar] [CrossRef]
- Mu, S.; Chan, P.K. Design of Precision-Aware Subthreshold-Based MOSFET Voltage Reference. Sensors 2022, 22, 9466. [Google Scholar] [CrossRef]
- Vita, G.D.; Iannaccone, G. A Sub-1 V, 10 ppm/°C, Nanopower Voltage Reference Generator. In Proceedings of the 32nd European Solid-State Circuits Conference, Montreaux, Switzerland, 19–21 September 2006; pp. 307–310. [Google Scholar]
- Osaki, Y.; Hirose, T.; Kuroki, N.; Numa, M. 1.2-V Supply, 100-nW, 1.09-V Bandgap and 0.7-V Supply, 52.5-nW, 0.55-V Subbandgap Reference Circuits for Nanowatt CMOS LSIs. IEEE J. Solid-State Circuits 2013, 48, 1530–1538. [Google Scholar] [CrossRef]
- Veit, D.; Oehm, J. A Current Reference with Multiple Nonlinear Current Mirrors to Reduce Noise, Mismatch, and Impact of Supply Voltage Variation. IEEE Trans. Circuits Syst. II Express Briefs 2023, 70, 1729–1733. [Google Scholar] [CrossRef]
- De la Cruz, J.V.; Aita, A.L. A 1-V PTAT current reference circuit with 0.05%/V current sensitivity to VDD. In Proceedings of the 2016 IEEE International Symposium on Circuits and Systems (ISCAS), Montreal, QC, Canada, 22–25 May 2016; pp. 502–505. [Google Scholar]
- Osipov, D.; Paul, S. Temperature-Compensated β -Multiplier Current Reference Circuit. IEEE Trans. Circuits Syst. II Express Briefs 2017, 64, 1162–1166. [Google Scholar] [CrossRef]
- Ueno, K.; Hirose, T.; Asai, T.; Amemiya, Y. A 1-μW, 600-ppm/°C current reference circuit consisting of subthreshold CMOS circuits. IEEE Trans. Circuits Syst. II Exp. Briefs 2010, 57, 681–685. [Google Scholar]
Disclaimer/Publisher’s Note: The statements, opinions and data contained in all publications are solely those of the individual author(s) and contributor(s) and not of MDPI and/or the editor(s). MDPI and/or the editor(s) disclaim responsibility for any injury to people or property resulting from any ideas, methods, instructions or products referred to in the content. |
© 2025 by the authors. Licensee MDPI, Basel, Switzerland. This article is an open access article distributed under the terms and conditions of the Creative Commons Attribution (CC BY) license (https://creativecommons.org/licenses/by/4.0/).
















