Sign in to use this feature.

Years

Between: -

Subjects

remove_circle_outline
remove_circle_outline
remove_circle_outline
remove_circle_outline
remove_circle_outline
remove_circle_outline
remove_circle_outline
remove_circle_outline
remove_circle_outline

Journals

Article Types

Countries / Regions

remove_circle_outline
remove_circle_outline
remove_circle_outline
remove_circle_outline
remove_circle_outline

Search Results (771)

Search Parameters:
Keywords = multilevel convert

Order results
Result details
Results per page
Select all
Export citation of selected articles as:
29 pages, 16069 KB  
Article
Dynamic Severity Assessment of Partial Discharge in HV Bushings Based on the Evolution Characteristics of Dense Clusters in PRPD Patterns
by Xiang Gao, Zhiyu Li, Zuoming Xu, Pengbo Yin, Xiongjie Xie, Xiaochen Yang and Baoquan Wan
Sensors 2025, 25(24), 7537; https://doi.org/10.3390/s25247537 - 11 Dec 2025
Viewed by 227
Abstract
High-voltage bushings are critical insulation components, yet conventional PRPD-based severity assessment methods that rely on global pattern morphologies such as “rabbit ears” and “tortoise shell” remain coarse, lack local sensitivity, and fail to track continuous degradation. This paper proposes a dynamic severity assessment [...] Read more.
High-voltage bushings are critical insulation components, yet conventional PRPD-based severity assessment methods that rely on global pattern morphologies such as “rabbit ears” and “tortoise shell” remain coarse, lack local sensitivity, and fail to track continuous degradation. This paper proposes a dynamic severity assessment method that shifts the focus from global contours to dense partial discharge (PD) clusters, defined as high-density aggregations of PD pulses in specific phase–magnitude regions of PRPD patterns. Each dense cluster is treated as the statistical projection of a physical discharge channel, and the evolution of its number, intensity, location, and shape provides a fine-scale description of defect development. A multi-level relative density and morphological image processing algorithm is used to extract dense clusters directly from PRPD histograms, followed by a 20-dimensional feature set and a five-index system describing discharge activity, development speed, complexity, instability, and evolution trend. A fuzzy comprehensive evaluation model further converts these indices into three severity levels with confidence measures. Long-term degradation tests on defective bushings demonstrate that the proposed method captures key turning points from dispersed multi-cluster patterns to a single dominant cluster and yields a stable, stage-consistent severity evaluation, offering a more sensitive and physically interpretable tool for condition monitoring and early warning of HV bushings. The method achieved a high evaluation confidence (average 60.1%), which rose to 100% at the critical failure stage. It successfully identified three distinct degradation stages (stable, accelerated, and critical) across the 49 test intervals. A quantitative comparison demonstrated significant advantages: 8.3% improvement in early warning (4 windows earlier than IEC 60270), 50.6% higher monotonicity, 125.2% better stability, and 45.9% wider dynamic range, while maintaining physical interpretability and requiring no training data. Full article
Show Figures

Figure 1

23 pages, 7258 KB  
Article
Optimal Grid-Forming Strategy for a Remote Hydrogen Production System Supplied by Wind and Solar Power Through MMC-HVDC Link
by Wujie Chao, Junwei Huang, Zhibo Zhang, Changgeng Tian, Liyu Dai, Jinke Wang and Xinyi Lin
Electronics 2025, 14(24), 4824; https://doi.org/10.3390/electronics14244824 - 8 Dec 2025
Viewed by 213
Abstract
Large-scale renewable power supply system design for remote hydrogen production is a challenging task due to the 100% power electronics sending-end subsystem. The proper grid-forming strategy for a sending-end system to achieve large-scale remote hydrogen production still remains a research gap. This study [...] Read more.
Large-scale renewable power supply system design for remote hydrogen production is a challenging task due to the 100% power electronics sending-end subsystem. The proper grid-forming strategy for a sending-end system to achieve large-scale remote hydrogen production still remains a research gap. This study first designs two grid-forming strategies for the concerned renewable power supply system, with one being based on virtual synchronous generator (VSG) and another one being based on V/f control. Then, the impedance analysis is carried out for ensuring the small-signal stable operation of the sending-end system including wind power plant and PV plant. Numerical simulation results implemented on PSCAD verify that the VSG-based grid-forming strategy configured on the sending-end modular multilevel converter (MMC) station of the MMC-based high-voltage direct-current (HVDC) link has a larger transient stability margin. Hence, the MMC-HVDC-based grid-forming strategy is a better choice for the power supply of large-scale remote hydrogen production. The enhanced stability margin ensures more robust operation under disturbances, which is critical for maintaining continuous power supply to large-scale electrolyzers. Full article
Show Figures

Figure 1

35 pages, 8401 KB  
Article
A Multi-Output Neural Network-Based Hybrid Control Strategy for MMC-HVDC Systems
by Shunxi Guo, Ho Chun Wu, Shing Chow Chan and Jizhong Zhu
Electronics 2025, 14(24), 4803; https://doi.org/10.3390/electronics14244803 - 6 Dec 2025
Viewed by 155
Abstract
The modular multilevel converter (MMC) has become a pivotal technology in high-voltage direct current (HVDC) transmission systems due to its modularity, superior harmonic performance, and enhanced controllability. However, conventional control strategies, including model predictive control (MPC) and sorting-based voltage balancing methods, often suffer [...] Read more.
The modular multilevel converter (MMC) has become a pivotal technology in high-voltage direct current (HVDC) transmission systems due to its modularity, superior harmonic performance, and enhanced controllability. However, conventional control strategies, including model predictive control (MPC) and sorting-based voltage balancing methods, often suffer from high computational complexity, limited real-time performance, and inadequate handling of transient events. To address these challenges, this paper proposes a novel Multi-Output Neural Network-based hybrid control strategy that integrates a multi-output neural network (MONN) with an optimized reduced-switching-frequency (RSF) sorting algorithm. The MONN directly outputs precise submodule switching signals, eliminating the need for traditional sorting processes and significantly reducing switching losses. Meanwhile, the RSF algorithm further minimizes unnecessary switching operations while maintaining voltage balance. Furthermore, to enhance the accuracy of predicted switching stage, we extend the MONN for submodule activation count prediction (ACP) and employ a novel Cardinality-Constrained Post-Inference Projection (CCPIP) to further align the predicted switching stages and activation count. Simulation results under dynamic load conditions demonstrate that the proposed method achieves a 76.1% reduction in switching frequency compared to conventional bubble sort, with high switch prediction accuracy (up to 92.01%). This approach offers a computationally efficient, scalable, and adaptive solution for real-time MMC control, enhancing both dynamic response and steady-state stability. Full article
Show Figures

Figure 1

21 pages, 4919 KB  
Article
A Theoretical Framework for the Control of Modular Multilevel Converters Based on Two-Time Scale Analysis
by Riccardo Antonino Testa, Malik Qamar Abbas, Antonio Femia, Luca Vancini, Gabriele Rizzoli, Michele Mengoni, Luca Zarri and Angelo Tani
Energies 2025, 18(23), 6233; https://doi.org/10.3390/en18236233 - 27 Nov 2025
Viewed by 206
Abstract
The Modular Multilevel Converter (MMC) has gained significant popularity over the past decade due to its versatility. The MMC features have been leveraged in numerous fields, including high-voltage DC transmission, electric vehicle power trains, motor drives, and wind energy conversion. In controlling the [...] Read more.
The Modular Multilevel Converter (MMC) has gained significant popularity over the past decade due to its versatility. The MMC features have been leveraged in numerous fields, including high-voltage DC transmission, electric vehicle power trains, motor drives, and wind energy conversion. In controlling the MMC, the circulating current (i.e., the current flowing through both the upper and lower converter arms without delivering power to the load) has consistently been the most critical variable. In early applications, it was perceived as a source of losses, but more recently, it has become evident that injecting a specific current could reduce voltage and energy ripples. This paper presents a theoretical framework, based on time-scale analysis, useful for modeling and controlling MMCs. The new approach is adopted for generating the circulating current reference, which is expressed as a linear combination of orthogonal functions. The goals are to decouple the control of the voltages of the upper and lower converter arms and manage additional harmonic components of the circulating current for voltage ripple reduction on module capacitors. The simulations and experimental results demonstrate the effectiveness of the proposed control strategy. Full article
Show Figures

Figure 1

17 pages, 5528 KB  
Article
A Si and SiC Hybrid Arms ANPC Converter Achieving Comprehensive Optimization of Power Quality, Efficiency, and Cost
by Tianlun Xia, Xinchun Feng, Ziyang An, Meifang Li, Chushan Li, Haoze Luo and Huan Yang
Energies 2025, 18(23), 6198; https://doi.org/10.3390/en18236198 - 26 Nov 2025
Viewed by 260
Abstract
Wide bandgap (WBG) power semiconductors such as silicon carbide (SiC) can significantly improve the performance of multilevel converters. However, there are three challenges for large-scale application: high cost, limited power ratings, and reliability issues. In this paper, we propose a Si and SiC [...] Read more.
Wide bandgap (WBG) power semiconductors such as silicon carbide (SiC) can significantly improve the performance of multilevel converters. However, there are three challenges for large-scale application: high cost, limited power ratings, and reliability issues. In this paper, we propose a Si and SiC hybrid arms active neutral-point-clamped (ANPC) converter, using smaller current rating SiC devices compared to other Si devices in this topology. By employing the hybrid-frequency modulation scheme, the Si devices switch at fundamental frequency (FF) or low frequency (LF), while the SiC devices switch at high frequency (HF). The equivalent circuit of the proposed converter is derived to analyze the principle of LF current ripple compensation. The closed-loop cooperative current control strategy is proposed to realize unequal current sharing in two arms and complete LF current ripple compensation. The Si arm processes major power, while the SiC arm compensates the LF current ripple generated by the Si arm and processes minor power. The proposed topology and control strategy are validated by simulation and experimental results. Compared with the existing typical topologies, the comprehensive optimization of power quality, efficiency, and cost is realized. Full article
(This article belongs to the Special Issue Control and Optimization of Power Converters)
Show Figures

Figure 1

20 pages, 9724 KB  
Article
Conducted Common-Mode Electromagnetic Interference Analysis of Gate Drivers for High-Voltage SiC Devices
by Kai Xiao, Haibo Tang, Zhihong Cai, Yansheng Zou and Jianyu Pan
Energies 2025, 18(23), 6083; https://doi.org/10.3390/en18236083 - 21 Nov 2025
Viewed by 298
Abstract
Power conversion equipment based on high-voltage SiC devices offers significant advantages in efficiency and power density. However, during high-voltage, high-power switching operations, severe electromagnetic interference (EMI) can easily occur. It could cause the false triggering of devices and result in converter failure in [...] Read more.
Power conversion equipment based on high-voltage SiC devices offers significant advantages in efficiency and power density. However, during high-voltage, high-power switching operations, severe electromagnetic interference (EMI) can easily occur. It could cause the false triggering of devices and result in converter failure in severe conditions. This paper firstly establishes a mathematical model and conducts simulation analysis of the conducted common-mode interference path in high-voltage SiC device gate driver circuits. Based on the driver circuit architecture, a modeling method for the common-mode interference conduction network in half-bridge submodules is proposed, clarifying the key factors contributing to high common-mode currents. A low common-mode current design methodology for high-voltage SiC submodules is presented, including driver loop structure optimization, capacitor design, and submodule integration. A highly integrated 3.3 kV SiC-based submodule prototype has been successfully developed, serving as a building block for constructing multilevel modular converters (MMCs). Simulation and experimental results indicate that the amplitude of the common-mode current is primarily influenced by the coupling capacitance of the auxiliary power supply, exhibiting a proportional relationship. The developed SiC submodule achieves high-speed switching at 50 kV/μs under a 2 kV DC bus voltage, with excellent thermal stability and low common-mode current characteristics, validating the effectiveness of the proposed model and design approach. Full article
Show Figures

Figure 1

14 pages, 5183 KB  
Article
Fault Monitoring and Multilevel Protection Method for SiC-Based Medium-Voltage Hybrid Clamped Converter
by Kai Xiao, Zixi Chen, Qian Chen, Runming Zheng, Zhen Wang, Haibo Tang and Jianyu Pan
Energies 2025, 18(23), 6077; https://doi.org/10.3390/en18236077 - 21 Nov 2025
Viewed by 244
Abstract
SiC-based medium/high voltage converters face complex operating conditions and extremely severe electromagnetic-thermal coupling impact, which puts strict requirements on their safety and reliability. The rapid and accurate identification of faults and the execution of safe disposal procedures are critical prerequisites for ensuring the [...] Read more.
SiC-based medium/high voltage converters face complex operating conditions and extremely severe electromagnetic-thermal coupling impact, which puts strict requirements on their safety and reliability. The rapid and accurate identification of faults and the execution of safe disposal procedures are critical prerequisites for ensuring the safety of SiC equipment. This paper proposes a fault monitoring and multilevel protection method for the medium/high-voltage four-level hybrid clamped converter. Firstly, potential faults that may arise during operation of SiC-based multilevel converters are analyzed, including overcurrent, overvoltage, and overheating. Then, a condition monitoring circuit design tailored for reliable operation in high-voltage and strong electromagnetic field environments is proposed. Furthermore, a multilevel fault protection methodology is developed. The experimental results show that the system can identify and protect the faults quickly and accurately, and is suitable for the safe fault protection for SiC-based medium-voltage converters. Full article
Show Figures

Figure 1

16 pages, 4044 KB  
Article
Advanced Modulation Strategy for MMCs in Grid-Tied PV Systems: Module-Level Maximum Power Extraction Under Varying Irradiance Conditions
by Adolfo Dannier, Gianluca Brando, Diego Iannuzzi, Santolo Meo and Ivan Spina
Energies 2025, 18(22), 6039; https://doi.org/10.3390/en18226039 - 19 Nov 2025
Viewed by 361
Abstract
The integration of large-scale photovoltaic (PV) systems requires advanced converter architectures capable of ensuring both high efficiency and fast dynamic response. Leveraging the inherent modularity and low harmonic distortion of Modular Multilevel Converters (MMCs), this paper presents a novel control and modulation framework [...] Read more.
The integration of large-scale photovoltaic (PV) systems requires advanced converter architectures capable of ensuring both high efficiency and fast dynamic response. Leveraging the inherent modularity and low harmonic distortion of Modular Multilevel Converters (MMCs), this paper presents a novel control and modulation framework for grid-connected PV applications. The key innovation lies in the implementation of distributed, string-level Maximum Power Point Tracking (MPPT), enabling optimal energy extraction even under non-uniform (shaded) irradiance conditions. The proposed method operates within a dual time-scale control architecture: an outer Perturb and Observe (P&O) loop assigns independent power references, while the inner modulation stage employs an innovative switching strategy that activates only one module per sampling period. Unlike conventional MPPT-based schemes, where submodules are driven by voltage references, the proposed approach directly regulates the power of each MMC submodule, eliminating the need for PV-side current measurement. Full article
Show Figures

Figure 1

18 pages, 1350 KB  
Article
S-ResGCN-I: A Symmetry-Enhanced Residual Graph Convolutional Network for MRI-Based Brain Tumor Classification
by Qiujing Gan, Yingzhou Bi, Jiangtao Huang, Leigang Huo, Shanrui Liu and Kairui Xiong
Symmetry 2025, 17(11), 1946; https://doi.org/10.3390/sym17111946 - 13 Nov 2025
Viewed by 295
Abstract
Early and accurate detection of brain tumors is critical for MRI-based diagnosis. Conventional convolutional neural networks often struggle to capture fine-grained details, small or boundary-ambiguous lesions, and hemispheric symmetry patterns. To address these limitations, we propose S-ResGCN, a symmetry-aware framework integrating hierarchical feature [...] Read more.
Early and accurate detection of brain tumors is critical for MRI-based diagnosis. Conventional convolutional neural networks often struggle to capture fine-grained details, small or boundary-ambiguous lesions, and hemispheric symmetry patterns. To address these limitations, we propose S-ResGCN, a symmetry-aware framework integrating hierarchical feature extraction, attention mechanisms, and graph-based classification. S-ResGCN employs a ResNet50 backbone to extract multi-level features, with Convolutional Block Attention Modules applied to intermediate and deep layers to enhance key information and discriminative features. Furthermore, we introduce a novel self-paired regularization to enforce feature consistency between original and horizontally flipped images, improving sensitivity to bilateral symmetric structures. Extracted features are converted into nodes and modeled as a small graph, and a graph convolutional network captures inter-node relationships to generate symmetry-aware predictions. Evaluation on three publicly available brain tumor MRI datasets demonstrates that S-ResGCN achieves average accuracies of 99.83%, 99.37% and 99.26% ± 0.16, with consistently high precision, recall, and F1-scores. These results indicate that S-ResGCN effectively captures fine-grained and symmetric tumor characteristics often overlooked by conventional models, providing a robust and efficient tool for automated, graph convolutional network. Full article
(This article belongs to the Special Issue Symmetry and Asymmetry Study in Graph Theory)
Show Figures

Figure 1

13 pages, 18835 KB  
Article
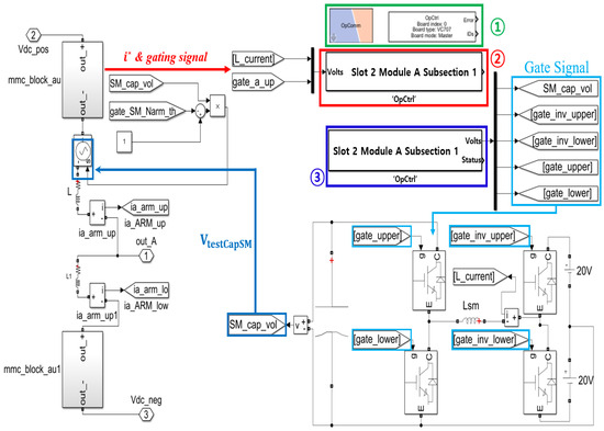
A Real-Time Performance Assessment Scheme for Half-Bridge Submodules of Modular Multilevel Converters
by SangJin Hwang, SungWon Lim and DongMyung Lee
Electronics 2025, 14(22), 4409; https://doi.org/10.3390/electronics14224409 - 12 Nov 2025
Viewed by 199
Abstract
This paper proposes a real-time testing scheme for individual modules of Modular Multi-level Converters (MMCs), which are used in VSC-HVDC systems and high-voltage electric motor drives. In MMCs for voltage-source HVDCs, multiple submodules (SMs) are connected in series to form one arm. For [...] Read more.
This paper proposes a real-time testing scheme for individual modules of Modular Multi-level Converters (MMCs), which are used in VSC-HVDC systems and high-voltage electric motor drives. In MMCs for voltage-source HVDCs, multiple submodules (SMs) are connected in series to form one arm. For MMCs comprising hundreds of identical submodules connected in series, testing the entire system is highly time-consuming and costly, while the proposed method enables real-time testing of each submodule, thereby significantly reducing overall system development cost and time. This study presents a method for configuring one SM from the series-connected SMs with an external circuit, allowing it to be tested under actual MMC operating conditions. The proposed method is comprehensively validated via Hardware-in-the-Loop Simulation (HILS), incorporating operability assessments and a real-time implementation of the circuit model to verify its practical applicability. Full article
(This article belongs to the Section Power Electronics)
Show Figures

Figure 1

18 pages, 3096 KB  
Article
Voltage Balancing Control Strategy for Hybrid MMC Based on BADS-Optimized Second Harmonic Injection
by Ying Fang, Jinlong Gu, Fang Liu, Yanhua Liu and Shuo Shi
Energies 2025, 18(22), 5904; https://doi.org/10.3390/en18225904 - 10 Nov 2025
Viewed by 264
Abstract
Under overmodulation conditions, the capacitor voltages of half-bridge and full-bridge submodules in hybrid modular multilevel converters (MMCs) may become unbalanced. This imbalance not only gives rise to overvoltage stress on submodule capacitors, jeopardizing equipment safety, but also degrades power quality and may even [...] Read more.
Under overmodulation conditions, the capacitor voltages of half-bridge and full-bridge submodules in hybrid modular multilevel converters (MMCs) may become unbalanced. This imbalance not only gives rise to overvoltage stress on submodule capacitors, jeopardizing equipment safety, but also degrades power quality and may even trigger operational instability. To address this issue, this paper proposes a minimum second harmonic circulating current injection method based on Bayesian Adaptive Direct Search (BADS) within the overall framework of model predictive control for MMCs. The method efficiently solves complex objective functions by alternately performing local Bayesian optimization and global grid search. Optimal second harmonic injection values under different modulation indices are obtained through offline computation and curve fitting. This approach achieves dynamic capacitor voltage balancing across a wide modulation range while minimizing operational losses caused by harmonic currents. Full article
Show Figures

Figure 1

21 pages, 2828 KB  
Article
A Dual-Source Converter for Optimal Cell Utilisation in Electric Vehicle Applications
by Ashraf Bani Ahmad, Mohammad Alathamneh, Haneen Ghanayem, R. M. Nelms, Omer Ali and Chanuri Charin
Energies 2025, 18(22), 5895; https://doi.org/10.3390/en18225895 - 9 Nov 2025
Viewed by 311
Abstract
Electric vehicles (EVs) are experiencing rapid global adoption driven by environmental concerns and fuel security. This article presents a new dual-source converter based on a hybrid modular multilevel configuration (DCHMMC) designed for optimal cell utilisation in EV battery systems. Contrary to conventional converters [...] Read more.
Electric vehicles (EVs) are experiencing rapid global adoption driven by environmental concerns and fuel security. This article presents a new dual-source converter based on a hybrid modular multilevel configuration (DCHMMC) designed for optimal cell utilisation in EV battery systems. Contrary to conventional converters that can either charge or discharge the cells using a single source, thereby leaving several cells/modules (Ms) idle during each time step, the proposed converter enables the integration of two sources that can utilise the cells simultaneously. This dual source feature minimises idle cells/Ms, enhances energy efficiency, and supports flexible bidirectional power flow. The proposed converter operates in three distinct modes. The first involves dual-source charging for fast charging and improved vehicle availability. The second involves one source charging while the other discharges for dynamic operation. Finally, the last involves dual-source discharging for maximum power delivery and support vehicle-to-grid (V2G) operation. The simulation results demonstrated smooth multilevel sinusoidal output voltages (Vout_a and Vout_b), each with a peak of 350 V, generated simultaneously using 132 cells (six cells per M, 22 Ms). The total harmonic distortion (THD) values for Vout_a and Vout_b were 0.42% and 2.25%, respectively, confirming the high-quality performance. Furthermore, only 0–36 cells and 0–6 Ms were idle during operation, showing improved cell utilisation. Full article
Show Figures

Figure 1

19 pages, 4034 KB  
Article
Assessment of a Hybrid Modulation Strategy for Asymmetrical Cascaded Multilevel Inverters Under Comparative Analysis
by Gerlando Frequente, Massimo Caruso, Giuseppe Schettino and Rosario Miceli
Electronics 2025, 14(21), 4354; https://doi.org/10.3390/electronics14214354 - 6 Nov 2025
Viewed by 372
Abstract
This paper presents a novel hybrid modulation technique for Asymmetrical Cascaded H-Bridge Multilevel Inverters (ACHBMLIs), specifically designed to enhance both efficiency and harmonic performance. Unlike conventional strategies, the proposed method optimizes the switching scheme by operating the high-voltage H-Bridge at the fundamental frequency, [...] Read more.
This paper presents a novel hybrid modulation technique for Asymmetrical Cascaded H-Bridge Multilevel Inverters (ACHBMLIs), specifically designed to enhance both efficiency and harmonic performance. Unlike conventional strategies, the proposed method optimizes the switching scheme by operating the high-voltage H-Bridge at the fundamental frequency, thereby significantly reducing switching losses while maintaining low harmonic distortion levels comparable to traditional Pulse Width Modulation (PWM). To assess the effectiveness of the approach, a comprehensive comparison was conducted against two widely adopted modulation techniques for ACHBMLIs: Multicarrier Pulse Width Modulation (MPWM) and the Staircase Modulation Strategy (SMS). The evaluation involved both simulation and real-time Hardware-in-the-Loop (HIL) testing of a 7-level three-phase ACHBMLI, with a focus on key performance indicators such as voltage and current harmonic distortion, as well as converter efficiency. The results demonstrate that the proposed hybrid modulation achieves higher efficiency than PWM and lower current Total Harmonic Distortion (THD) than SMS. These findings highlight the potential of the hybrid strategy as a compelling solution for applications that demand an optimal balance between energy efficiency and waveform quality. Full article
(This article belongs to the Special Issue Power Electronics and Renewable Energy System)
Show Figures

Graphical abstract

26 pages, 847 KB  
Article
An Efficient Quasi-Monte Carlo Algorithm for High Dimensional Numerical Integration
by Huicong Zhong and Xiaobing Feng
Mathematics 2025, 13(21), 3437; https://doi.org/10.3390/math13213437 - 28 Oct 2025
Viewed by 768
Abstract
In this paper, we develop a fast numerical algorithm, termed MDI-LR, for the efficient implementation of quasi-Monte Carlo lattice rules in computing d-dimensional integrals of a given function. The algorithm is based on converting the underlying lattice rule into a tensor-product form [...] Read more.
In this paper, we develop a fast numerical algorithm, termed MDI-LR, for the efficient implementation of quasi-Monte Carlo lattice rules in computing d-dimensional integrals of a given function. The algorithm is based on converting the underlying lattice rule into a tensor-product form through an affine transformation, and further improving computational efficiency by incorporating a multilevel dimension iteration (MDI) strategy. This approach computes the function evaluations at the integration points collectively and iterates along each transformed coordinate direction, allowing substantial reuse of computations. As a result, the algorithm avoids the need to explicitly store integration points or compute function values at those points independently. Extensive numerical experiments are conducted to evaluate the performance of MDI-LR and compare it with the straightforward implementation of quasi-Monte Carlo lattice rules. The results demonstrate that MDI-LR achieves a computational complexity of order O(N2d3) or better, where N denotes the number of points in each transformed coordinate direction. Thus, MDI-LR effectively mitigates the curse of dimensionality and revitalizes the use of QMC lattice rules for high dimensional integration. Full article
(This article belongs to the Section E: Applied Mathematics)
Show Figures

Figure 1

31 pages, 34773 KB  
Article
Learning Domain-Invariant Representations for Event-Based Motion Segmentation: An Unsupervised Domain Adaptation Approach
by Mohammed Jeryo and Ahad Harati
J. Imaging 2025, 11(11), 377; https://doi.org/10.3390/jimaging11110377 - 27 Oct 2025
Viewed by 718
Abstract
Event cameras provide microsecond temporal resolution, high dynamic range, and low latency by asynchronously capturing per-pixel luminance changes, thereby introducing a novel sensing paradigm. These advantages render them well-suited for high-speed applications such as autonomous vehicles and dynamic environments. Nevertheless, the sparsity of [...] Read more.
Event cameras provide microsecond temporal resolution, high dynamic range, and low latency by asynchronously capturing per-pixel luminance changes, thereby introducing a novel sensing paradigm. These advantages render them well-suited for high-speed applications such as autonomous vehicles and dynamic environments. Nevertheless, the sparsity of event data and the absence of dense annotations are significant obstacles to supervised learning for motion segmentation from event streams. Domain adaptation is also challenging due to the considerable domain shift in intensity images. To address these challenges, we propose a two-phase cross-modality adaptation framework that translates motion segmentation knowledge from labeled RGB-flow data to unlabeled event streams. A dual-branch encoder extracts modality-specific motion and appearance features from RGB and optical flow in the source domain. Using reconstruction networks, event voxel grids are converted into pseudo-image and pseudo-flow modalities in the target domain. These modalities are subsequently re-encoded using frozen RGB-trained encoders. Multi-level consistency losses are implemented on features, predictions, and outputs to enforce domain alignment. Our design enables the model to acquire domain-invariant, semantically rich features through the use of shallow architectures, thereby reducing training costs and facilitating real-time inference with a lightweight prediction path. The proposed architecture, alongside the utilized hybrid loss function, effectively bridges the domain and modality gap. We evaluate our method on two challenging benchmarks: EVIMO2, which incorporates real-world dynamics, high-speed motion, illumination variation, and multiple independently moving objects; and MOD++, which features complex object dynamics, collisions, and dense 1kHz supervision in synthetic scenes. The proposed UDA framework achieves 83.1% and 79.4% accuracy on EVIMO2 and MOD++, respectively, outperforming existing state-of-the-art approaches, such as EV-Transfer and SHOT, by up to 3.6%. Additionally, it is lighter and faster and also delivers enhanced mIoU and F1 Score. Full article
(This article belongs to the Section Image and Video Processing)
Show Figures

Figure 1

Back to TopTop