A Multi-Output Neural Network-Based Hybrid Control Strategy for MMC-HVDC Systems
Abstract
1. Introduction
- (1)
- A hybrid control strategy for Modular Multilevel Converters (MMCs) is proposed, achieving coordinated and precise control of multiple variables such as AC current tracking, submodule capacitor voltage balancing, and circulating current suppression. It significantly reduces steady-state error and computational burden without trading off its dynamic performance.
- (2)
- A Reduced Sorting Frequency (RSF) algorithm based on dynamic window adjustment and state memory is designed. It intelligently selects a subset of submodules requiring state transitions, substantially reducing the average switching frequency with minimal compromise in capacitor voltage balancing accuracy. The RSF also helps to generate training data for the MONN for learning the above-mentioned reduced switching pattern, leading to better power efficiency.
- (3)
- A multi-task learning-driven multi-output neural network (MONN) controller is developed. It is a triple tower architecture made up of two classification towers and a regression tower for switching state prediction (multi-label classification), activation count prediction (multi-class classification), and voltage/current forecasting. While the classification towers are used to learn the decisions, just the classifier alone may be insufficient to guarantee that the NN model can learn the dynamics of the MMC. Hence, the regression tower provides an extra layer of insurance by learning the complementary information that may be missed by the classifier. A feature-sharing layer is used to capture the common features across different tasks. This enables the co-training process of the multiple tasks to be cohesive.
- (4)
- Finally, to further enhance the accuracy of switching state prediction (SWP), we propose a novel Cardinality-Constrained Post-Inference Projection (CCPIP) to align the SWP with the predicted activation count using projection over a constrained set. This could help to correct the possible misalignment between the predicted switch state/module position and the activation counts. A mathematical proof is also provided to demonstrate that the optimal constrained set can be achieved using a simple procedure without the need to solve an exhaustive combinatorial problem.
2. Methodology
2.1. Task Definition
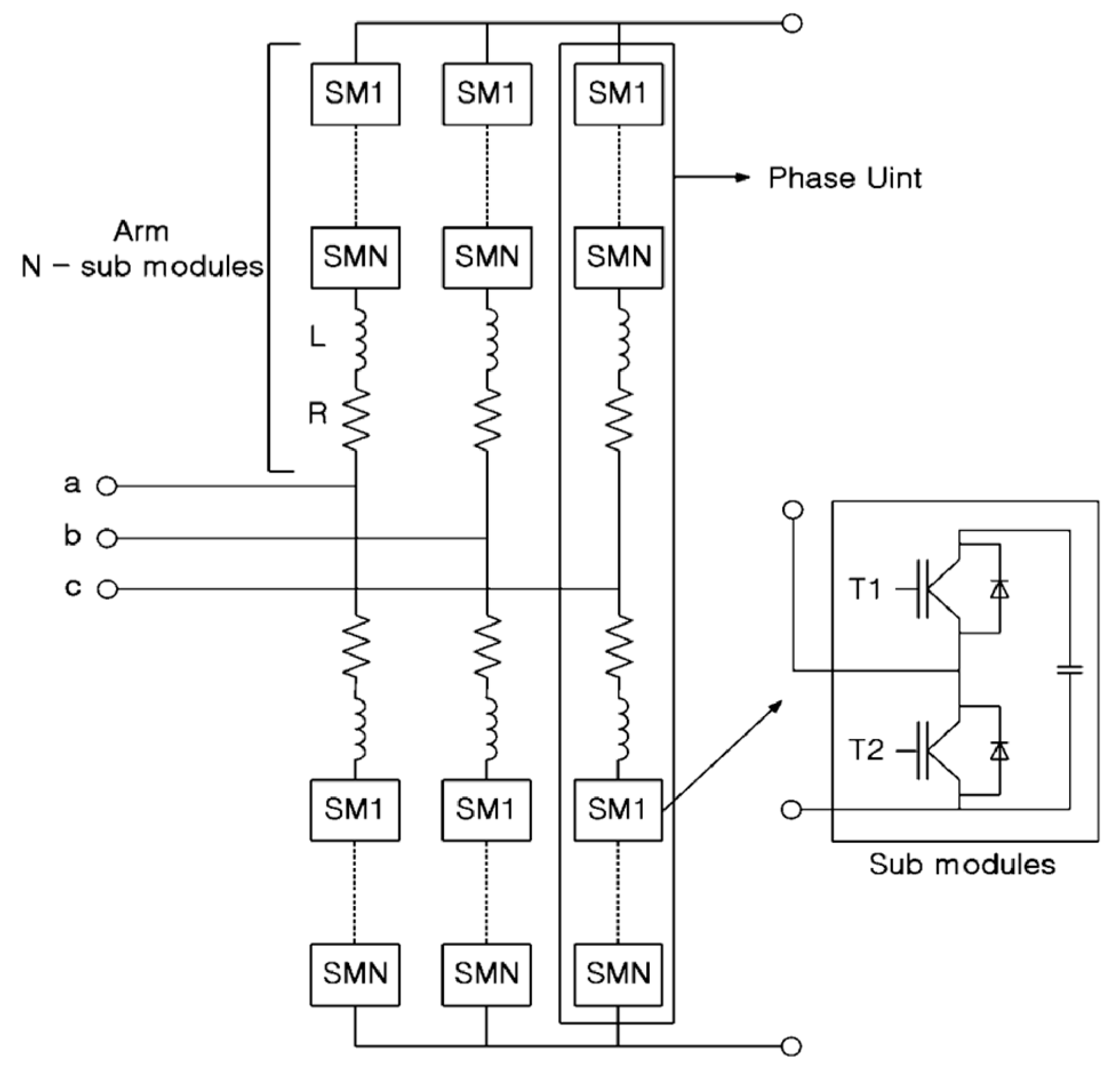
2.2. Introduction of MMC Topology
- (1)
- Multivariable coupling: There is a strong coupling relationship among multiple variables, such as AC current tracking, submodule capacitor voltage balancing, and circulating current suppression in the MMC system, which requires coordinated control.
- (2)
- High-frequency operation: The switching frequency of MMC reaches the kHz level, requiring the controller to make decisions within a ≤10 µs period. Although the Model Predictive Control (MPC) has good performance, its computational burden increases exponentially with the system complexity (especially the number of submodules N).
- (3)
- Second-order harmonic circulating current: Circulating current is an inherent second-order harmonic component of MMC. It increases the current stress and loss of devices and disrupts the balance of the capacitor voltage.
2.2.1. Main Circuit Control Methods
- (1)
- Coordinate Transformation: First, the three-phase circulating current is transformed into the dq rotating coordinate system (synchronized with the second harmonic frequency, i.e., , resulting in the direct current components).where for notational convenience, we have dropped the time-step (t) for of the circulating currents for simplicity. are the instantaneous values of the circulating current in the three-phase stationary coordinate system (phases a, b, c) (AC quantities). and represents the direct and quadrature axis components of the circulating current in the two-phase rotating coordinate system (DC quantities). is the angle of the rotating coordinate system. is the fundamental angular frequency; indicates the coordinate system rotates at twice the fundamental frequency, synchronizing with the main component of the circulating current.
- (2)
- Decoupling Control Law: The output of the PI controller is superimposed with feedforward decoupling terms and to generate the compensating voltage.where represent the calculated reference values for compensating voltages. The time-step symbols are also dropped, similarly to in Equation (8), for the sake of presentation. The parameters and denote the proportional and integral gains of the PI controller, respectively. are the reference values for the d- and q-axis circulating current components, which are typically set to zero. The terms are feedforward decoupling terms, where is the equivalent inductance. These terms are crucial for canceling the coupling between the d and q axes, thus facilitating independent control of each axis.
- (3)
- Inverse Transformation: Finally, the decoupled compensation voltage is inversely transformed back into the three-phase coordinate system and superimposed onto the modulation wave:where represent the compensating voltage reference values in a three-phase system. These AC quantities are derived following an inverse transformation process. The three signals are then superimposed onto a modulation waveform, which is crucial for generating the PWM (Pulse Width Modulation) signals that control the switches.
2.2.2. Submodule Capacitor Voltage Balancing Strategy
2.3. Architecture of the Proposed Multi-Output Neural Network (MONN)
2.3.1. Parameter Selection
2.3.2. Feature-Sharing Mechanism
2.3.3. Multi-Output Architecture
2.3.4. Proposed Cardinality-Constrained Post-Inference Projection for Switch State Prediction
- where
- Activation count prediction (ACP) at time-step (obtained from NN)
- Switching state for switch/submodule (SM) (unknown to be solved)
- Output sigmoid probability (obtained from NN)
- a binary vector of dimension .
- Space of all possible combinations of binary output labels.
- : Entropy loss given as in (12)
- : the constraint set that contains all binary vectors satisfying the cardinality o .
3. Experimental Setup
3.1. System Modeling and Configuration
3.2. Dataset Description
3.3. Experimental Settings
3.3.1. Dataset Partitioning
3.3.2. Hyperparameter Configuration
3.3.3. Training Details
3.4. Evaluation Metrics
3.4.1. Evaluation Metrics for Switch Signals (Classification Task)
3.4.2. Evaluation Metrics for Voltage/Current (Regression Tasks)
4. Results and Discussion
4.1. MMC Simulation Performance (Comparison with Benchmark [18])
4.2. RSF Algorithm Performance
Effects of Varying Submodule Size per Arm and Choice of Voltage Balancing Approaches
- (1)
- Conventional (Bubble sort): Bubble sort is used.
- (2)
- Switching Rotation Control: A fixed circular sequence is used for submodule insertion and bypass.
- (3)
- Quick Sort: It partitions submodules into high and low-voltage groups using a pivot voltage, prioritizing insertion from the high-voltage group and bypass from the low-voltage group without requiring a full sort.
- (4)
- Model Prediction Control: It forecasts future capacitor voltage trajectories to proactively balance voltages or prevent limit violations using exhaustive search of each switching combination.
- (5)
- Group Sort: It divides submodules into smaller groups, performs independent sorting within each group, and then employs a cross-group coordination mechanism to finalize the selection of submodules to operate.
- (6)
- Proposed MONN approach with RSF: The proposed RSF is used for generating the training data so that the proposed MONN can learn the optimal switching states. After training, RSF is not required, and the MONN will directly determine which SM to switch on/off.
4.3. Multi-Output Neural Network (MONN) Controller Performance
4.3.1. For Classification Tasks
- (1)
- Neural Network Based Model Predictive Controllers for Modular Multilevel Converters (NNMPC-MMC) [13]: Unlike the proposed method, the classifier of NNMPC-MMC only performs activation count prediction (ACP) (i.e., predicting the total number of switched-on SMs), rather than specifying the exact switching state, such as which ones are on and which ones are off. There are the two configurations: (a) a classifier that treats the activation count as discrete categories, and (b) a regressor that relaxes the activation count as a continuous variable.
- (2)
- Support Vector Machine (SVM): As non-neural classifiers have rarely been studied for MMC switching state prediction, we include the SVM for comparison.
- (3)
- XGBoost: Similarly, XGBoost is also included for studying the MMC switching state prediction.
- (4)
- Naïve Bayes classifier: Similarly, the Naïve Bayes classifier is also included for studying the MMC switching state prediction.
- (1)
- Proposed MONN-based switching state prediction (MONN-SWP) (Setting A): It is the original setting reported in the original manuscript. It can predict the exact switching state, as well as the number of switched-on SMs as it can be determined by the predicted switching state.
- (2)
- Proposed MONN-based activation count prediction (MONN-ACP) (Setting B): For fair comparison with NNMPC-MMC [13], we create a separate network for predicting activation counts only. The complexity of NN is also reduced from the original 2 hidden layers (1st hidden layer with 64 and 2nd hidden layer with 32 hidden units, respectively) to 1 hidden layer with 12 hidden units following the hidden-layer architecture of [13].
- (3)
- Proposed MONN-SWP-ACP with Novel Cardinality-Constrained Post-Inference Projection (MONN-SWP-ACP-CCPIP) (Setting C): We propose to jointly predict the switching state (SWP) and activation count together. However, an initial test revealed that the cardinality of the predicted switching state of SWP could misalign with the predicted activation count of the activation count prediction (ACP) and hence there was no improvement with the SWP. To this end, we propose to a novel Cardinality-Constrained Post-Inference Projection (CCPIP) to align the SWP with ACP using projection over a constrained set. Experimental results to be reported below show that roughly 5% improvement can be made to switching state prediction over the original setting (Setting A) of the proposed approach. Table 2 shows the implementation of the solution of the proposed CCPIP outlined in conjecture (1) in Section 2.3.4. Detailed derivation of the proposed MONN-SWP-ACP-CCPIP can also be found in Section 2.3.4.
- (1)
- Comparison of Switching State Prediction (SWP) Performance
- (2)
- Comparison of Activation Count Prediction (ACP) Performance
- (3)
- Effect of different optimizer
4.3.2. For Regression Tasks
5. Conclusions
Author Contributions
Funding
Data Availability Statement
Conflicts of Interest
Appendix A. Power Loss Calculation for IGBT Module (SKM400GB17E4) [32]
References
- Perez, M.A.; Ceballos, S.; Konstantinou, G.; Pou, J.; Aguilera, R.P. Modular Multilevel Converters: Recent Achievements and Challenges. IEEE Open J. Ind. Electron. Soc. 2021, 2, 224–239. [Google Scholar] [CrossRef]
- Bergna-Diaz, G.; Suul, J.A.; D’Arco, S. Energy-based state-space representation of modular multilevel converters with a constant equilibrium point in steady-state operation. IEEE Trans. Power Electron. 2018, 33, 4832–4851. [Google Scholar] [CrossRef]
- Xiao, Q.; Jin, Y.; Jia, H.; Tang, Y.; Cupertino, A.F.; Mu, Y.; Teodorescu, R.; Blaabjerg, F.; Pou, J. Review of Fault Diagnosis and Fault-Tolerant Control Methods of the Modular Multilevel Converter Under Submodule Failure. IEEE Trans. Power Electron. 2023, 38, 12059–12077. [Google Scholar] [CrossRef]
- Moon, J.; Member, S.; Park, J.; Kang, D. A control method of HVDC-modular multilevel converter based on arm current under the unbalanced voltage condition. IEEE Trans. Power Del. 2015, 30, 529–536. [Google Scholar] [CrossRef]
- Geyer, T. Model Predictive Control of High Power Converters and Industrial Drives; Wiley: Hoboken, NJ, USA, 2016. [Google Scholar]
- Wang, J.; Tang, Y.; Lin, P.; Liu, X.; Pou, J. Deadbeat Predictive Current Control for Modular Multilevel Converters With Enhanced Steady-State Performance and Stability. IEEE Trans. Power Electron. 2020, 35, 6878–6894. [Google Scholar] [CrossRef]
- Liu, X.; Qiu, L.; Wu, W.; Ma, J.; Fang, Y.; Peng, Z.; Wang, D. Event-Triggered Neural-Predictor-Based FCS-MPC for MMC. IEEE Trans. Ind. Electron. 2022, 69, 6433–6440. [Google Scholar] [CrossRef]
- Liu, X.; Qiu, L.; Wu, W.; Ma, J.; Fang, Y.; Peng, Z.; Wang, D. Neural Predictor-Based Low Switching Frequency FCS- MPC for MMC With Online Weighting Factors Tuning. IEEE Trans. Power Electron. 2022, 37, 4065–4079. [Google Scholar] [CrossRef]
- Dekka, A.; Wu, B.; Yaramasu, V.; Zargari, N.R. Integrated model predictive control with reduced switching frequency for modular multilevel converters. IET Electr. Power Appl. 2017, 11, 857–863. [Google Scholar] [CrossRef]
- Vatani, M.; Bahrani, B.; Saeedifard, M.; Hovd, M. Indirect Finite Control Set Model Predictive Control of Modular Multilevel Converters. IEEE Trans. Smart Grid 2015, 6, 1520–1529. [Google Scholar] [CrossRef]
- Liu, X.; Qiu, L.; Wu, W.; Ma, J.; Fang, Y.; Peng, Z.; Wang, D. Predictor-Based Neural Network Finite-Set Predictive Control for Modular Multilevel Converter. IEEE Trans. Ind. Electron. 2021, 68, 11621–11627. [Google Scholar] [CrossRef]
- Gutierrez, B.; Kwak, S.S. Modular Multilevel Converters (MMCs) Controlled by Model Predictive Control with Reduced Calculation Burden. IEEE Trans. Power Electron. 2018, 33, 9176–9187. [Google Scholar] [CrossRef]
- Wang, S.; Dragicevic, T.; Gao, Y.; Teodorescu, R. Neural Network Based Model Predictive Controllers for Modular Multilevel Converters. IEEE Trans. Energy Convers. 2021, 36, 1562–1571. [Google Scholar] [CrossRef]
- Liu, X.; Qiu, L.; Rodriguez, J.; Wu, W.; Ma, J.; Peng, Z.; Wang, D.; Fang, Y. Neural Predictor-Based Dynamic Surface Predictive Control for Power Converters. IEEE Trans. Ind. Electron. 2022, 70, 1057–1065. [Google Scholar] [CrossRef]
- Ding, H.; Wang, Q.; Deng, F.; Cheng, M.; Buja, G. Capacitor Monitoring for Modular Multilevel Converters Based on Intelligent Algorithm. In Proceedings of the 2022 4th Asia Energy and Electrical Engineering Symposium, AEEES 2022, Chengdu, China, 25–28 March 2022; Institute of Electrical and Electronics Engineers Inc.: Piscataway, NJ, USA, 2022; pp. 762–766. [Google Scholar]
- Langarica, S.; Pizarro, G.; Poblete, P.M.; Radrigan, F.; Pereda, J.; Rodriguez, J.; Nunez, F. Denoising and Voltage Estimation in Modular Multilevel Converters Using Deep Neural-Networks. IEEE Access 2020, 8, 207973–207981. [Google Scholar] [CrossRef]
- Zhang, L.; Zou, Y.; Yu, J.; Qin, J.; Vijay, V.; Karady, G.G.; Shi, D.; America, G.N.; Wang, Z. Modeling, control, and protection of modular multilevel converter-based multi-terminal HVDC systems: A review. CSEE J. Power Energy Syst. 2017, 3, 340–352. [Google Scholar] [CrossRef]
- Moon, J.W.; Gwon, J.S.; Park, J.W.; Kang, D.W.; Kim, J.M. Model Predictive Control with a Reduced Number of Considered States in a Modular Multilevel Converter for HVDC System. IEEE Trans. Power Deliv. 2015, 30, 608–617. [Google Scholar] [CrossRef]
- Saeedifard, M.; Iravani, R. Dynamic performance of a modular multilevel back-to-back hVdc system. IEEE Trans. Power Del. 2010, 25, 2903–2912. [Google Scholar] [CrossRef]
- Deng, F.; Chen, Z. Voltage-balancing method for modular multilevel converters under phase-shifted carrier-based pulsewidth modulation. IEEE Trans. Ind. Electron. 2015, 62, 4158–4169. [Google Scholar] [CrossRef]
- Zhang, J.; Liu, J.; Liu, J.; Fang, W.; Hou, J.; Dong, Y. Modified capacitor voltage balancing sorting algorithm for modular multilevel converter. J. Eng. 2019, 2019, 3315–3319. [Google Scholar] [CrossRef]
- Samajdar, D.; Bhattacharya, T.; Dey, S. A reduced switching frequency sorting algorithm for modular multilevel converter with circulating current suppression feature. IEEE Trans. Power Electron. 2019, 34, 10480–10491. [Google Scholar] [CrossRef]
- Chen, G.; Peng, H.; Zeng, R.; Hu, Y.; Ni, K. A fundamental frequency sorting algorithm for capacitor voltage balance of modular multilevel converter with low-frequency carrier phase shift modulation. IEEE Trans. Emerg. Sel. Top. Power Electron. 2018, 6, 1595–1604. [Google Scholar] [CrossRef]
- Abushafa, O.S.M.; Dahidah, M.S.; Gadoue, S.M.; Atkinson, D.J. Submodule voltage estimation scheme in modular multilevel converters with reduced voltage sensors based on kalman filter approach. IEEE Trans. Ind. Electron. 2018, 65, 7025–7035. [Google Scholar] [CrossRef]
- Hu, P.; Teodorescu, R.; Wang, S.; Li, S.; Guerrero, J.M. A currentless sorting and selection-based capacitor-voltage-balancing method for modular multilevel converters. IEEE Trans. Power Electron. 2019, 34, 1022–1025. [Google Scholar] [CrossRef]
- Ilves, K.; Harnefors, L.; Norrga, S.; Nee, H. Predictive sorting algorithm for modular multilevel converters minimizing the spread in the submodule capacitor voltages. IEEE Trans. Power Electron. 2015, 30, 440–449. [Google Scholar] [CrossRef]
- Pedregosa, F.; Varoquaux, G.; Gramfort, A.; Michel, V.; Thirion, B.; Grisel, O.; Duchesnay, É. Scikit-learn: Machine learning in Python. J. Mach. Learn. Res. 2011, 12, 2825–2830. [Google Scholar]
- Jia, Z.; Zaharia, M.; Aiken, A. Beyond data and model parallelism for deep neural networks. Proc. Mach. Learn. Syst. 2019, 1, 1–13. [Google Scholar]
- Foresee, F.D.; Hagan, M.T. Gauss-Newton approximation to Bayesian learning. In Proceedings of the International Conference on Neural Networks (ICNN’97), Houston, TX, USA, 12 June 1997. [Google Scholar]
- Nocedal, J.; Wright, S.J. Numerical Optimization; Springer: New York, NY, USA, 2006. [Google Scholar]
- Nurunnabi, A.A.M. kCV-B: Bootstrap with Cross-Validation for Deep Learning Model Development, Assessment and Selection. Int. Arch. Photogramm. Remote Sens. Spat. Inf. Sci. 2022, XLVIII-4/W2-2022, 85–92. [Google Scholar] [CrossRef]
- Semikron. IGBT Module SKM400GB17E4 Datasheet. Danfoss, November 2023. Available online: https://assets.danfoss.com/documents/latest/516850/AI498340333607en-000103.pdf (accessed on 17 December 2014).





















| Layer | Number of Parameters | Size (4 byte/Parameter) | Operations | Cycles for Int8 Microprocessors (MCUs) with LUT |
|---|---|---|---|---|
| Feature Sharing Layers | ||||
| Input | 8 | 32 byte | ||
| Hidden layer 1 (64 hidden units) | 64 + 64 = 576 | 2304 byte | 512 MAC 2 64 Bias add | 576–1152 cycles |
| Activation (ReLU) 3 | 0 | 64 ReLU operations | 192–384 cycles | |
| Hidden layer 2 (32 hidden units) | 32 + 32 = 2080 | 8320 byte | 2048 MAC 32 Bias add | 2080–4160 cycles |
| Activation (ReLU) 3 | 0 | 32 ReLU operations | 96–192 cycles | |
| Switch State Prediction (SWP) Tower | ||||
| Output (4 units) | = 132 | 528 byte | 128 MAC 4 Bias add | 132–264 cycles |
| Activation (Sigmoid) 4 | 0 | 4 sigmoid operations | 12–24 cycles | |
| Activation Count Prediction (ACP) Tower | ||||
| Output (5 units) | = 165 | 660 byte | 160 MAC 5 Bias add | 165–330 cycles |
| Activation (Softmax) 5 | 0 | 5 softmax LUT (6–10 cycles per element) | 30–50 cycles | |
| Regression Tower | ||||
| Output (2 units) | = 66 | 264 byte | 34 MAC 2 Bias add | 36–72 cycles |
| Activation (Linear) | 2 linear operations | 2 cycles | ||
| Total | 3027 | 12,108 bytes~11 kb | 3321–6630 cycles for 150 Mhz MCU 6 | |
| A—compute switching state after inferencing
or 0 otherwise |
| B—compute cardinality:
|
| C—Projection to constrained set |
| Case 1—No misalignment If , (i.e., no misalignment), no projection required #. classifiers. smallest to 0. * classifiers. largest to 1. ^ |
| Items | Values |
|---|---|
| Number of SMs per Arm | 4 |
| Rated DC Voltage | 6000 V |
| Nominal SM Capacitance | 10 mF |
| Nominal SM Capacitor Voltage | 1500 V |
| Rated Frequency | 50 Hz |
| Arm Inductance | 2 mH |
| Sample Frequency | 1 MHz |
| AC System Voltage | 1500 V |
| Voltage Balancing Method | Average Switching Frequency | Submodule Voltage Ripple | Output AC Current THD |
|---|---|---|---|
| Conventional Balancing Method | 5093.75 Hz | 1.58% | 8.64% |
| RSF Strategy | 1218.75 Hz | 1.61% | 8.68% |
| N = 4 | N = 5 | N = 6 | N = 7 | N = 8 | N = 9 | N = 10 | |
|---|---|---|---|---|---|---|---|
| Switch 1 | 91.05% | 90.40% | 90.23% | 90.33% | 90.17% | 89.08% | 72.69% |
| Switch 2 | 91.91% | 90.08% | 90.46% | 90.79% | 89.78% | 90.28% | 72.67% |
| Switch 3 | 91.22% | 90.52% | 90.00% | 91.09% | 90.04% | 89.46% | 73.38% |
| Switch 4 | 89.73% | 90.78% | 89.96% | 91.16% | 90.23% | 88.77% | 73.23% |
| Switch 5 | / | 90.28% | 90.44% | 90.45% | 90.21% | 88.03% | 72.99% |
| Switch 6 | / | / | 90.00% | 90.33% | 89.87% | 89.10% | 73.03% |
| Switch 7 | / | / | / | 91.00% | 90.13% | 89.94% | 73.52% |
| Switch 8 | / | / | / | / | 90.03% | 89.54% | 73.28% |
| Switch 9 | / | / | / | / | / | 88.59 | 73.51% |
| Switch 10 | / | / | / | / | / | / | 72.62% |
| N = 4 | N = 5 | N = 6 | N = 7 | N = 8 | N = 9 | N = 10 | |
|---|---|---|---|---|---|---|---|
| Switching Frequency (Hz) | |||||||
| Conventional | 5094 | 4849 | 3981 | 5207 | 5109 | 5261 | 5199 |
| Proposed (with RSF) | 1219 | 1060 | 539 | 507 | 513 | 526 | 460 |
| Module Power Consumption (W) | |||||||
| Conventional | 6234 | 5945 | 4921 | 6367 | 6252 | 6431 | 6358 |
| Proposed (with RSF) | 1661 | 1474 | 859 | 821 | 828 | 844 | 766 |
| Method | FLOPS | Number of SMs Engaged in Each Time-Step | Application Scenario |
|---|---|---|---|
| Bubble Sort | Educational/small-SM demo | ||
| Rotation Control | Low-frequency, high-power | ||
| Quick Sort | Medium-/high-voltage DC | ||
| MPC (N = 1) | High-dynamic, multi-objective | ||
| Group Sort | Multi-core/FPGA implementation | ||
| Proposed MONN with RSF | No sorting required after training | Low-cost MCU/DSP-based MMC |
| (a) For Switching State prediction (mean ± std) for Switch 1 (SW1) | ||||
| Algorithms | Accuracy | Precision | Recall | F1-score |
| Other classifiers (From scikit-learn library [R1]) | ||||
| SVM | 0.8468 ± 0.003 | 0.8613 ± 0.003 | 0.8391 ± 0.0044 | 0.8501 ± 0.0029 |
| Naïve Bayes | 0.7487 ± 0.0018 | 0.7559 ± 0.0029 | 0.7601 ± 0.0035 | 0.758 ± 0.0021 |
| Random Forest | 0.8287 ± 0.0132 | 0.7773 ± 0.0157 | 0.7917 ± 0.013 | 0.7844 ± 0.013 |
| XGBoost | 0.8197 ± 0.0107 | 0.7533 ± 0.0139 | 0.7976 ± 0.0154 | 0.7746 ± 0.009 |
| Proposed MONN | ||||
| MONN-SWP (Setting A) | 0.9104 ± 0.0067 ) 1 | 0.9145 ± 0.015 ) 1 | 0.9127 ± 0.0174 ) 1 | 0.9133 ± 0.0066 ) 1 |
| MONN-SWP-ACP-CCPIP (Setting C) | 0.96593 ± 0.0158 ) 2 | 0.96825 + 0.0171 ) 2 | 0.97165 + 0.0236 ) 2 | 0.96994 + 0.0144 ) 2 |
| (b) For Switching State prediction (mean ± std) for SW2 | ||||
| Algorithms | Accuracy | Precision | Recall | F1-score |
| Other classifiers (From scikit-learn library [27]) | ||||
| SVM | 0.862 ± 0.0012 | 0.8619 ± 0.0034 | 0.8637 ± 0.0032 | 0.8628 ± 0.0015 |
| Naïve Bayes | 0.7273 ± 0.0045 | 0.7264 ± 0.0059 | 0.733 ± 0.0048 | 0.7297 ± 0.0045 |
| Random Forest | 0.831 ± 0.0209 | 0.7647 ± 0.0085 | 0.8377 ± 0.0207 | 0.7994 ± 0.0116 |
| XGBoost | 0.8198 ± 0.0172 | 0.7382 ± 0.0204 | 0.8093 ± 0.0227 | 0.7719 ± 0.016 |
| Proposed MONN | ||||
| MONN-SWP (Setting A) | 0.9163 ± 0.0089 ) 1 | 0.9112 ± 0.0214 ) 1 | 0.9243 ± 0.0186 ) 1 | 0.9173 ± 0.0081 ) 1 |
| MONN-SWP-ACP-CCPIP (Setting C) | 0.95528 + 0.0097 ) 2 | 0.96635 + 0.0182 ) 2 | 0.95105 + 0.0155 ) 2 | 0.95864 + 0.0119 ) 2 |
| (c) for Switching State prediction (mean ± std) for SW3 | ||||
| Algorithms | Accuracy | Precision | Recall | F1-score |
| Other classifiers (From scikit-learn library [27]) | ||||
| SVM | 0.8441 ± 0.0033 | 0.8103 ± 0.0048 | 0.9092 ± 0.0022 | 0.8569 ± 0.0031 |
| Naïve Bayes | 0.7307 ± 0.0023 | 0.7365 ± 0.0043 | 0.7402 ± 0.0032 | 0.7383 ± 0.0024 |
| Random Forest | 0.8315 ± 0.0211 | 0.7715 ± 0.0153 | 0.872 ± 0.0236 | 0.8184 ± 0.0139 |
| XGBoost | 0.8203 ± 0.0209 | 0.7356 ± 0.0282 | 0.8527 ± 0.0207 | 0.7895 ± 0.0199 |
| Proposed MONN | ||||
| MONN-SWP (Setting A) | 0.9118 ± 0.0033 ) 1 | 0.9275 ± 0.0144 ) 1 | 0.8988 ± 0.0159 ) 1 | 0.9127 ± 0.0034 ) 1 |
| MONN-SWP-ACP-CCPIP (Setting C) | 0.96039 ± 0.0142 ) 2 | 0.95865 ± 0.0249 ) 2 | 0.97455 ± 0.0177 ) 2 | 0.96654 ± 0.0154 ) 2 |
| (d) For Switching State prediction (mean ± std) for SW4 | ||||
| Algorithms | Accuracy | Precision | Recall | F1-score |
| Other classifiers (From scikit-learn library [27]) | ||||
| SVM | 0.8539 ± 0.0035 | 0.841 ± 0.006 | 0.8592 ± 0.0043 | 0.85 ± 0.0042 |
| Naïve Bayes | 0.7139 ± 0.0046 | 0.6981 ± 0.0064 | 0.7154 ± 0.0056 | 0.7066 ± 0.005 |
| Random Forest | 0.8321 ± 0.0176 | 0.8372 ± 0.0162 | 0.6693 ± 0.0288 | 0.7436 ± 0.0225 |
| XGBoost | 0.8086 ± 0.0129 | 0.8225 ± 0.0144 | 0.6101 ± 0.0292 | 0.7001 ± 0.0191 |
| Proposed MONN | ||||
| Proposed MONN-SWP (Setting A) | 0.8957 ± 0.0068 ) 1 | 0.8806 ± 0.0241 ) 1 | 0.908 ± 0.0246 ) 1 | 0.8934 ± 0.0064 ) 1 |
| Proposed MONN-SWP-ACP-CCPIP (Setting C) | 0.95087 ± 0.0230 ) 2 | 0.95015 ± 0.0272 ) 2 | 0.95645 ± 0.0151 ) 2 | 0.95328 ± 0.0153 ) 2 |
| (e) For Activation Count Prediction (mean ± std) | ||||
| Accuracy | Precision | Recall | F1-score | |
| NNMPC-MMC [13] | 0.9876 ± 0.007 | 0.9914 ± 0.004 | 0.9876 ± 0.007 | 0.9895 ± 0.005 |
| Proposed MONN-ACP (Setting B) | 0.9976 ± 0.007 (p > 0.05) 3 | 0.9984 ± 0.002 (p > 0.05) 3 | 0.9976 ± 0.002 (p > 0.05) 3 | 0.9980 ± 0.002 (p > 0.05) 3 |
Disclaimer/Publisher’s Note: The statements, opinions and data contained in all publications are solely those of the individual author(s) and contributor(s) and not of MDPI and/or the editor(s). MDPI and/or the editor(s) disclaim responsibility for any injury to people or property resulting from any ideas, methods, instructions or products referred to in the content. |
© 2025 by the authors. Licensee MDPI, Basel, Switzerland. This article is an open access article distributed under the terms and conditions of the Creative Commons Attribution (CC BY) license (https://creativecommons.org/licenses/by/4.0/).
Share and Cite
Guo, S.; Wu, H.C.; Chan, S.C.; Zhu, J. A Multi-Output Neural Network-Based Hybrid Control Strategy for MMC-HVDC Systems. Electronics 2025, 14, 4803. https://doi.org/10.3390/electronics14244803
Guo S, Wu HC, Chan SC, Zhu J. A Multi-Output Neural Network-Based Hybrid Control Strategy for MMC-HVDC Systems. Electronics. 2025; 14(24):4803. https://doi.org/10.3390/electronics14244803
Chicago/Turabian StyleGuo, Shunxi, Ho Chun Wu, Shing Chow Chan, and Jizhong Zhu. 2025. "A Multi-Output Neural Network-Based Hybrid Control Strategy for MMC-HVDC Systems" Electronics 14, no. 24: 4803. https://doi.org/10.3390/electronics14244803
APA StyleGuo, S., Wu, H. C., Chan, S. C., & Zhu, J. (2025). A Multi-Output Neural Network-Based Hybrid Control Strategy for MMC-HVDC Systems. Electronics, 14(24), 4803. https://doi.org/10.3390/electronics14244803

