A Real-Time Performance Assessment Scheme for Half-Bridge Submodules of Modular Multilevel Converters
Abstract
1. Introduction
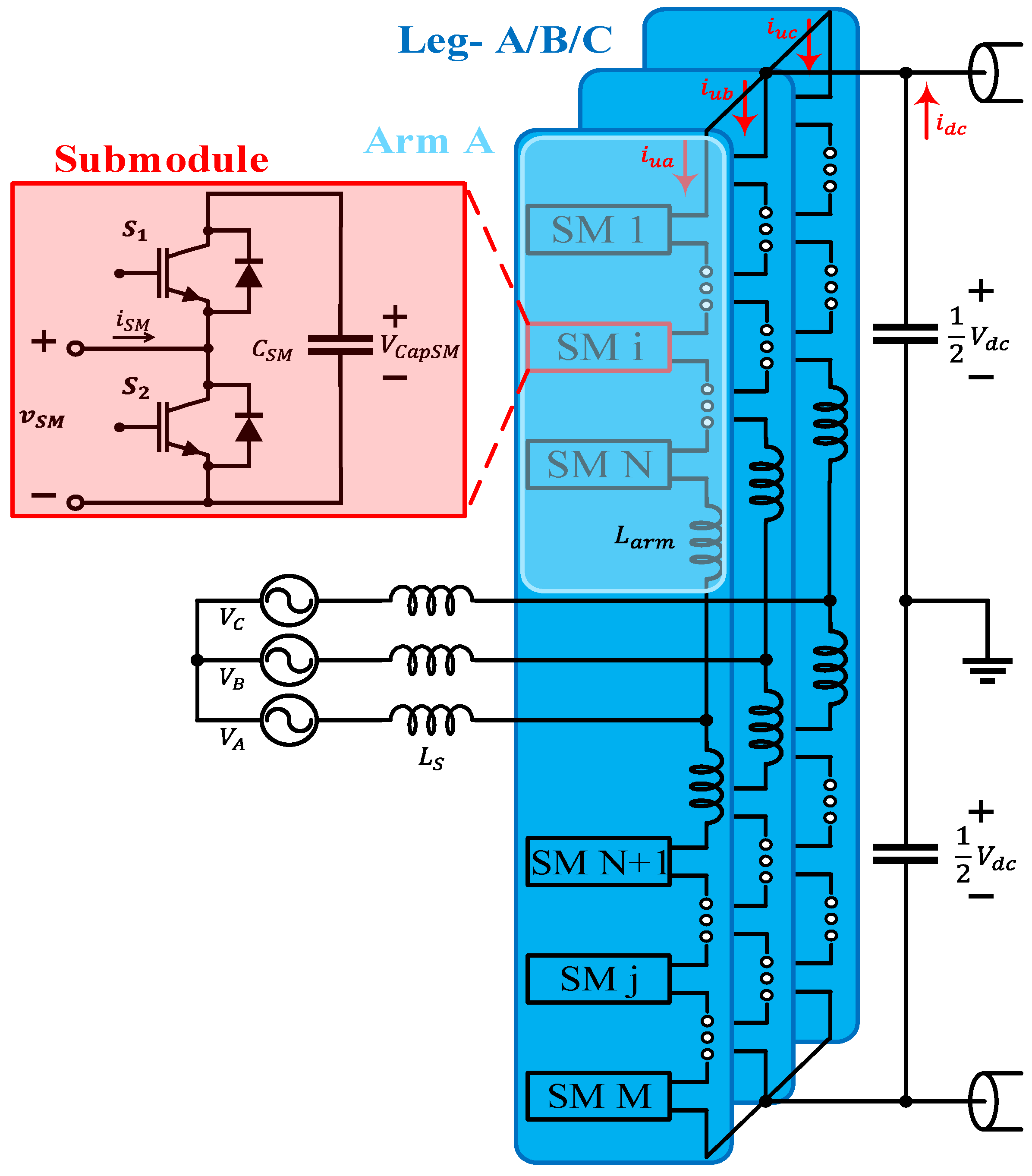
2. Real-Time Operational MMC Model for HILS Applications
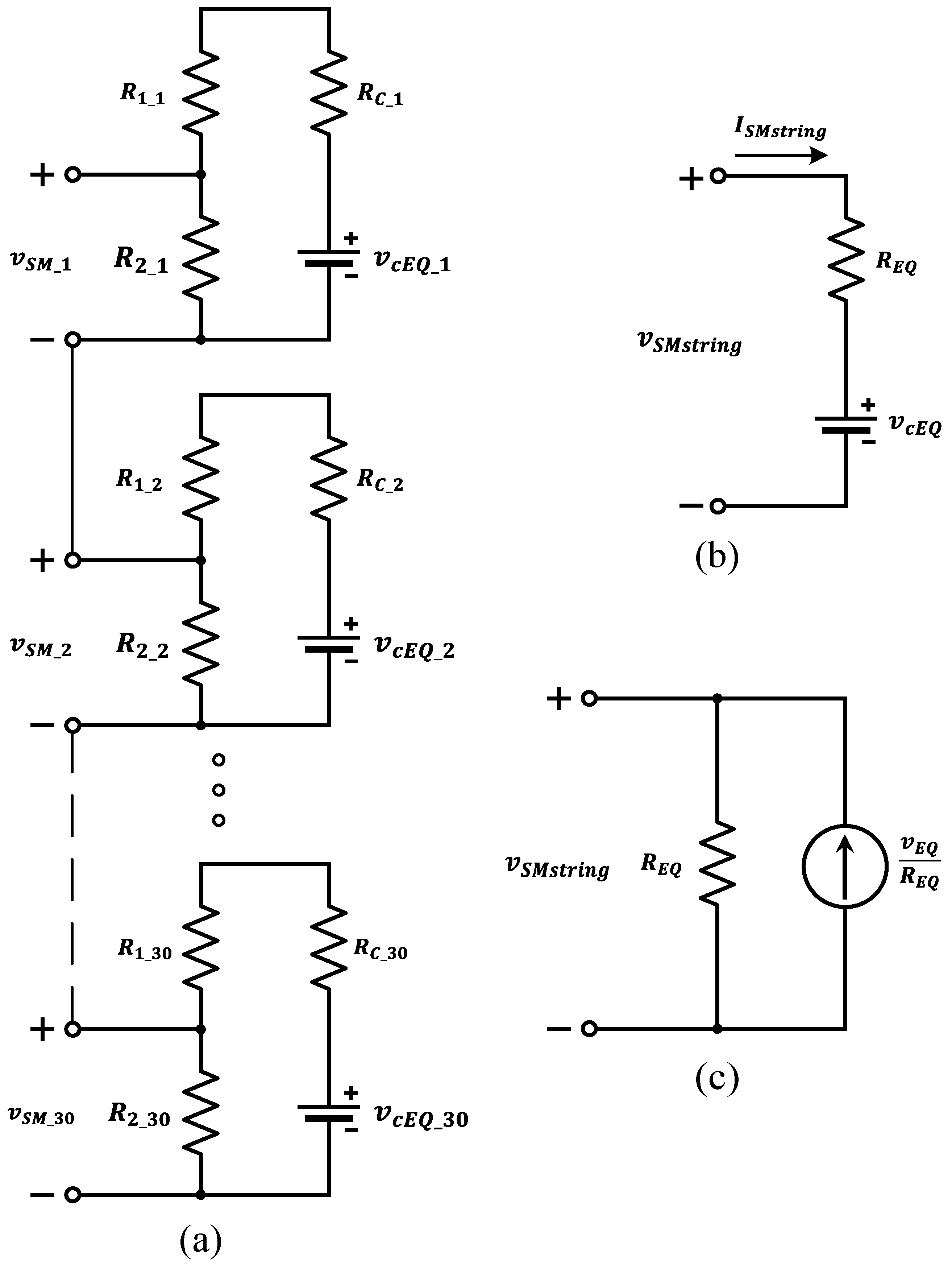
3. Test Method for Selected SMs Within a Series-Connected Configuration
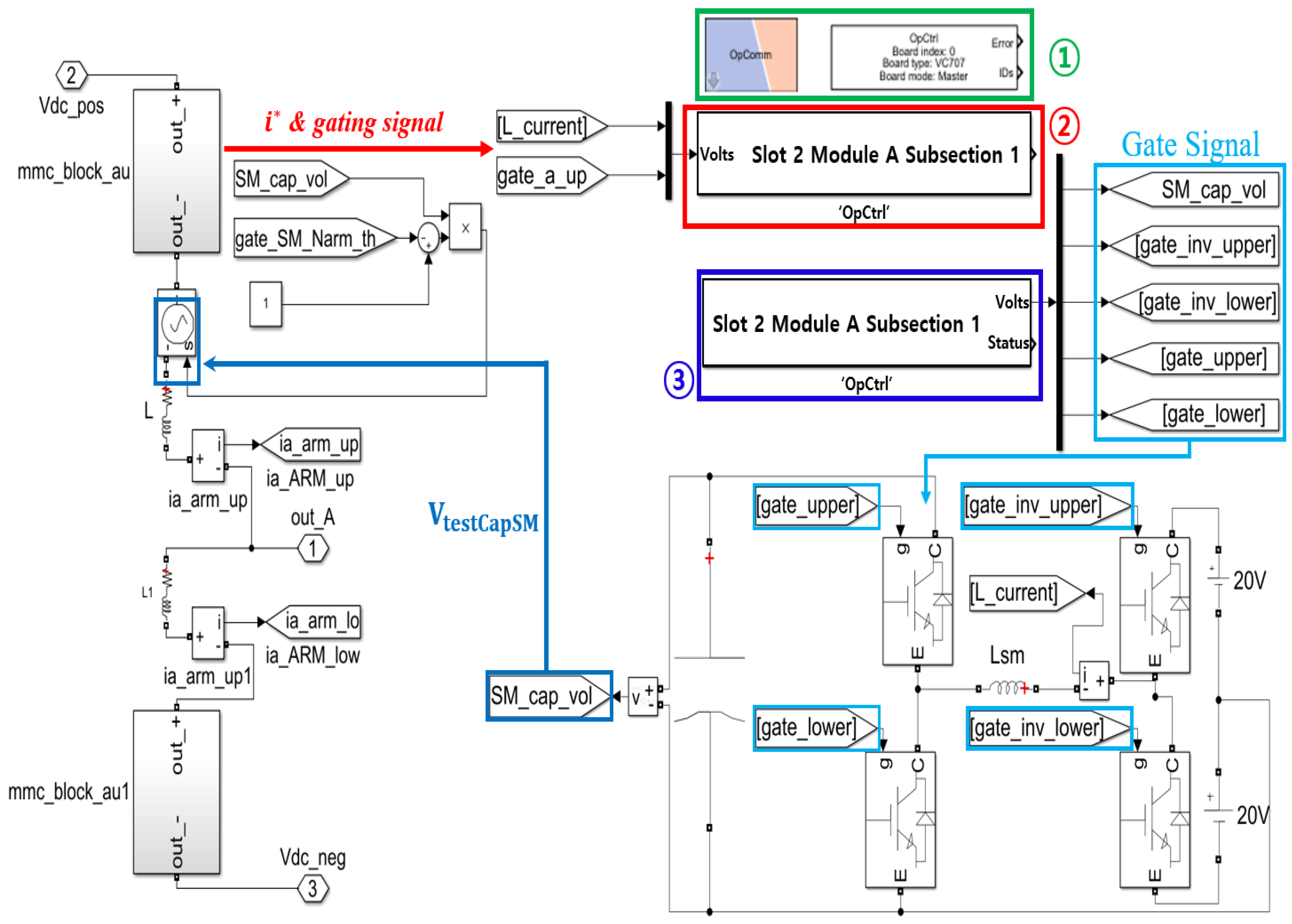
4. Emulation of Voltage Relationships and Currents of the External SM
5. Verification Through Hardware-in-the-Loop Testing
6. Conclusions
Author Contributions
Funding
Data Availability Statement
Conflicts of Interest
Abbreviations
| MMC | Modular Multilevel Converter |
| HILS | Hardware in the Loop Simulation |
| SM | Submodule |
References
- Wang, Y.; Aksoz, A.; Geury, T.; Ozturk, S.B.; Kivanc, O.C.; Hegazy, O. A Review of Modular Multilevel Converters for Stationary Applications. Appl. Sci. 2020, 10, 7719–7754. [Google Scholar] [CrossRef]
- Lesnicar, A.; Marquardt, R. An innovative modular multilevel converter topology suitable for a wide power range. In Proceedings of the IEEE Bologna PowerTech Conference, Bologna, Italy, 23–26 June 2003. [Google Scholar]
- Rohner, S.; Bernet, S.; Hiller, M.; Sommer, R. Modelling, simulation and analysis of a modular multilevel converter for medium voltage applications. In Proceedings of the 2010 IEEE International Conference on Industrial Technology, Via del Mar, Chile, 14–17 March 2010; pp. 775–782. [Google Scholar]
- Matar, M.; Paradis, D.; Iravani, R. Real-time simulation of modular multilevel converters for controller hardware-in-the-loop testing. IET Power Electron. 2016, 9, 42–50. [Google Scholar] [CrossRef]
- Antonopoulos, A.; Ängquist, L.; Nee, H.P. On dynamics and voltage control of the modular multilevel converter. In Proceedings of the 2009 13th European Conference on Power Electronics and Applications, Barcelona, Spain, 8–10 September 2009; pp. 1–10. [Google Scholar]
- Debnath, S.; Qin, J.; Saeedifard, M. Operation, control, and applications of the modular multilevel converter: A review. IEEE Trans. Power Electron. 2015, 30, 37–53. [Google Scholar] [CrossRef]
- Alharbi, M.; Mobarrez, M.; Bhattacharya, S. Control and performance analysis methodology for scale-up of MMC submodules for back-to-back HVDC applications. In Proceedings of the 2017 IEEE Applied Power Electronics Conference and Exposition (APEC), Tampa, FL, USA, 26–30 March 2017; pp. 440–447. [Google Scholar]
- Stepanov, A.; Mahseredjian, J.; Karaagac, U.; Saad, H. Adaptive Modular Multilevel Converter model for electromagnetic transient simulations. IEEE Trans. Power Deliv. 2021, 36, 803–813. [Google Scholar] [CrossRef]
- Deng, F.; Chen, Z.; Khan, M.R.; Zhu, R. Fault detection and localization method for Modular Multilevel Converters. IEEE Trans. Power Electron. 2015, 30, 2721–2732. [Google Scholar] [CrossRef]
- Konstantinou, G.; Zhang, J.; Ceballos, S.; Pou, J.; Agelidis, V.G. Comparison and evaluation of sub-module configurations in modular multilevel converters. In Proceedings of the 11th IEEE International Conference on Power Electronics and Drive Systems, Sydney, NSW, Australia, 9–12 June 2015; pp. 958–963. [Google Scholar]
- Shin, D.C.; Lee, D.M. Development of Real-Time Implementation of a Wind Power Generation System with Modular Multilevel Converters for Hardware in the Loop Simulation Using MATLAB/Simulink. Electronics 2020, 9, 606–626. [Google Scholar] [CrossRef]
- Anupom, D.; Shin, D.C.; Lee, D.M. Scheme for Reducing Harmonics in Output Voltage of Modular Multilevel Converters with Offset Voltage Injection. J. Power Electron. 2019, 19, 1496–1504. [Google Scholar]
- Xu, T.; Davidson, C. Operational tests for the MMC-based VSC valves. In Proceedings of the PCIM Europe 2014–International Exhibition and Conference for Power Electronics, Intelligent Motion, Renewable Energy and Energy Management, Nuremberg, Germany, 20–22 May 2014; pp. 1–8. [Google Scholar]
- Jung, J.H.; Nho, E.; Chung, Y.; Baek, S.; Lee, J. Test circuit for MMC-based VSC valves in HVDC power station. IET Electron. Lett. 2017, 53, 272–273. [Google Scholar] [CrossRef]
- Xu, T.; Donoghue, M.W.; Davidson, C.C. IGBT overcurrent turn-off tests for the MMC-based VSC valves. In Proceedings of the 2013 15th European Conference on Power Electronics and Applications (EPE), Lille, France, 2–6 September 2013; pp. 1–10. [Google Scholar]
- Liu, Y.; Zhang, L.; Xu, T. Contribution to the development of HVDC circuit breaker based on MMC. In Proceedings of the PCIM Europe 2015-International Exhibition and Conference for Power Electronics, Intelligent Motion, Renewable Energy and Energy Management, Nuremberg, Germany, 19–20 May 2015. [Google Scholar]
- Jiang, S.; Zhang, L.; Xu, T. Three-phase test bench for multiple submodules in modular multilevel converter system. In Proceedings of the 2019 IEEE Energy Conversion Congress and Exposition (ECCE), Baltimore, MD, USA, 29 September–3 October 2019; pp. 2252–2256. [Google Scholar]
- Wu, Y.; Tang, G.; Zha, K.; Gao, C. An Operational Test Method for VSC-HVDC Valves Based on Modular Multi-Level Converters. Proc. CSEE 2012, 32, 8–15. [Google Scholar]
- Tang, J.; Dong, Y.; Yang, H.; Li, W.; He, X.; Ma, J. An equivalent power test scheme for modular multilevel converters (MMCs). In Proceedings of the 2017 IEEE Applied Power Electronics Conference and Exposition (APEC), Tampa, FL, USA, 26–30 March 2017; pp. 1837–1842. [Google Scholar]
- Amorim, W.; França, J.; Cupertino, A.; Mendes, V.; Pereira, H. Mission profile emulator for MMC-based battery energy storage systems. Eletrônica Potência 2022, 27, 177–185. [Google Scholar] [CrossRef]
- Tang, Y.; Ran, L.; Alatise, O.; Mawby, P. A model assisted testing scheme for modular multilevel converters (MMCs). IEEE Trans. Power Electron. 2015, 33, 1010–1019. [Google Scholar]
- Tang, J.; Dong, Y.; Yang, H.; Li, W.; Ma, J.; Chen, G.; Tian, Y.; Yang, E. Operational characteristics analysis and equivalent test method for MMCs. IEEE Trans. Power Electron. 2018, 33, 1010–1019. [Google Scholar]
- Bae, C.H.; Kim, H.S.; Nho, E.C. Modular multilevel converter-based voltage source converter high-voltage direct current valve operating test circuit. IET Power Electron. 2023, 16, 2445–2448. [Google Scholar] [CrossRef]
- Li, G.; Zhang, D.; Xin, Y.; Jiang, S.; Wang, W.; Du, J. Design of MMC hardware-in-the-loop platform and controller test scheme. CPSS Trans. Power Electron. Appli. 2019, 4, 143–151. [Google Scholar] [CrossRef]
- Saad, H.; Dufour, C.; Mahseredjian, J. Real Time Simulation of MMCs using the State-Space Nodal Approach. In Proceedings of the IPST International Conference on Power Systems Transients, Vancouver, BC, Canada, 18–20 July 2013; pp. 18–20. [Google Scholar]
- Working Group B4.57. Guide for the Development of Models for HVDC Converters in a HVDC Grid; Technical Brochure 604; Cigré: Paris, France, 2014. [Google Scholar]











| on | ![]() | ![]() | |
| on | ![]() | ![]() | 0 |
| Parameters | Value | ||
|---|---|---|---|
| MMC | DC-link voltage of MMC | 300 V | |
| Load inductance | 0.01 H | ||
| Arm inductance | 0.03 H | ||
| Number of SM per arm | 30 | ||
| Capacitance of SM capacitor | 0.02 F | ||
| Externally | DC voltage of SM | 20 V | |
| located | Inductance of an inductor in an inverter | 0.01 H | |
| SM | Capacitance of SM capacitor | 0.02 F | |
Disclaimer/Publisher’s Note: The statements, opinions and data contained in all publications are solely those of the individual author(s) and contributor(s) and not of MDPI and/or the editor(s). MDPI and/or the editor(s) disclaim responsibility for any injury to people or property resulting from any ideas, methods, instructions or products referred to in the content. |
© 2025 by the authors. Licensee MDPI, Basel, Switzerland. This article is an open access article distributed under the terms and conditions of the Creative Commons Attribution (CC BY) license (https://creativecommons.org/licenses/by/4.0/).
Share and Cite
Hwang, S.; Lim, S.; Lee, D. A Real-Time Performance Assessment Scheme for Half-Bridge Submodules of Modular Multilevel Converters. Electronics 2025, 14, 4409. https://doi.org/10.3390/electronics14224409
Hwang S, Lim S, Lee D. A Real-Time Performance Assessment Scheme for Half-Bridge Submodules of Modular Multilevel Converters. Electronics. 2025; 14(22):4409. https://doi.org/10.3390/electronics14224409
Chicago/Turabian StyleHwang, SangJin, SungWon Lim, and DongMyung Lee. 2025. "A Real-Time Performance Assessment Scheme for Half-Bridge Submodules of Modular Multilevel Converters" Electronics 14, no. 22: 4409. https://doi.org/10.3390/electronics14224409
APA StyleHwang, S., Lim, S., & Lee, D. (2025). A Real-Time Performance Assessment Scheme for Half-Bridge Submodules of Modular Multilevel Converters. Electronics, 14(22), 4409. https://doi.org/10.3390/electronics14224409




