A Dual-Source Converter for Optimal Cell Utilisation in Electric Vehicle Applications
Abstract
1. Introduction
2. Methodology
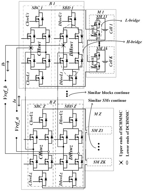
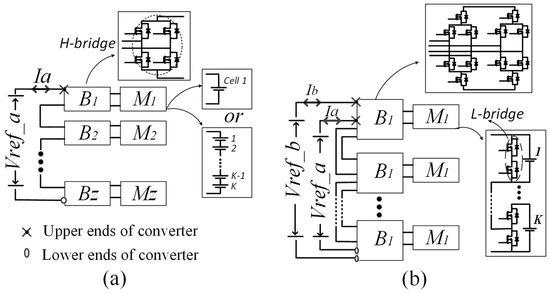
2.1. Description of the Proposed Converter
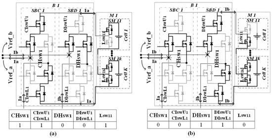
2.2. Operating Principle and Cell/Module Distribution into Two Branches
3. Simulation Results of the Proposed Converter
4. Conclusions
Author Contributions
Funding
Data Availability Statement
Conflicts of Interest
References
- Panchanathan, S.; Vishnuram, P.; Rajamanickam, N.; Bajaj, M.; Blazek, V.; Prokop, L.; Misak, S. A comprehensive review of the bidirectional converter topologies for the vehicle-to-grid system. Energies 2023, 16, 2503. [Google Scholar] [CrossRef]
- Ali, A.; Mousa, H.H.H.; Shaaban, M.F.; Azzouz, M.A.; Awad, A.S.A. A comprehensive review on charging topologies and power electronic converter solutions for electric vehicles. J. Mod. Power Syst. Clean Energy 2023, 12, 675–694. [Google Scholar] [CrossRef]
- Sevdari, K.; Calearo, L.; Andersen, P.B.; Marinelli, M. Ancillary services and electric vehicles: An overview from charging clusters and chargers technology perspectives. Renew. Sustain. Energy Rev. 2022, 167, 112666. [Google Scholar] [CrossRef]
- Lipu, M.S.H.; Miah, S.; Ansari, S.; Meraj, S.T.; Hasan, K.; Elavarasan, R.M.; Al Mamun, A.; Zainuri, M.A.A.M.; Hussain, A. Power electronics converter technology integrated energy storage management in electric vehicles: Emerging trends, analytical assessment and future research opportunities. Electronics 2022, 11, 562. [Google Scholar] [CrossRef]
- Abbasian, S.; Farsijani, M. A single-switch high step-up Zero Current Switching DC-DC converter based on three-winding coupled inductor and voltage multiplier cells with quasi resonant operation. Int. J. Circuit Theory Appl. 2022, 50, 4419–4433. [Google Scholar] [CrossRef]
- Verbytskyi, I.; Lukianov, M.; Nassereddine, K.; Pakhaliuk, B.; Husev, O.; Strzelecki, R.M. Power converter solutions for industrial PV applications—A review. Energies 2022, 15, 3295. [Google Scholar] [CrossRef]
- Mousa, H.H.; Youssef, A.-R.; Mohamed, E.E. State of the art perturb and observe MPPT algorithms based wind energy conversion systems: A technology review. Int. J. Electr. Power Energy Syst. 2021, 126, 106598. [Google Scholar] [CrossRef]
- Maroti, P.K.; Padmanaban, S.; Bhaskar, M.S.; Ramachandaramurthy, V.K.; Blaabjerg, F. The state-of-the-art of power electronics converters configurations in electric vehicle technologies. Power Electron. Devices Compon. 2022, 1, 100001. [Google Scholar] [CrossRef]
- Alatai, S.; Salem, M.; Ishak, D.; Das, H.S.; Nazari, M.A.; Bughneda, A.; Kamarol, M. A review on state-of-the-art power converters: Bidirectional, resonant, multilevel converters and their derivatives. Appl. Sci. 2021, 11, 10172. [Google Scholar] [CrossRef]
- Omer, P.; Kumar, J.; Surjan, B.S. A review on reduced switch count multilevel inverter topologies. IEEE Access 2020, 8, 22281–22302. [Google Scholar] [CrossRef]
- Ronanki, D.; Williamson, S.S. Modular multilevel converters for transportation electrification: Challenges and opportunities. IEEE Trans. Transp. Electrif. 2018, 4, 399–407. [Google Scholar] [CrossRef]
- Busquets-Monge, S.; Filba-Martinez, A.; Alepuz, S.; Nicolas-Apruzzese, J.; Luque, A.; Conesa-Roca, A.; Bordonau, J. Multibattery-fed neutral-point-clamped DC–AC converter with SoC balancing control to maximize capacity utilization. IEEE Trans. Ind. Electron. 2019, 67, 16–27. [Google Scholar] [CrossRef]
- Li, J.; Huang, A.Q.; Liang, Z.; Bhattacharya, S. Analysis and design of active NPC (ANPC) inverters for fault-tolerant operation of high-power electrical drives. IEEE Trans. Power Electron. 2011, 27, 519–533. [Google Scholar] [CrossRef]
- Pallo, N.; Foulkes, T.; Modeer, T.; Coday, S.; Pilawa-Podgurski, R. Power-dense multilevel inverter module using interleaved GaN-based phases for electric aircraft propulsion. In Proceedings of the 2018 IEEE Applied Power Electronics Conference and Exposition (APEC), San Antonio, TX, USA, 4–8 March 2018; pp. 1656–1661. [Google Scholar] [CrossRef]
- Barahouei, V.; Barakati, S.M.; Haredasht, M.R.; Hashkavayi, M.B. Capacitor voltage balancing, capacitance monitoring, and fast fault detection in a nested neutral point clamped (NNPC) converter with the reduced number of sensors. Comput. Electr. Eng. 2024, 119, 109543. [Google Scholar] [CrossRef]
- Dorn-Gomba, L.; Magne, P.; Danen, B.; Emadi, A. On the concept of the multi-source inverter for hybrid electric vehicle powertrains. IEEE Trans. Power Electron. 2017, 33, 7376–7386. [Google Scholar] [CrossRef]
- Ahmad, A.B.; Ooi, C.A.; Ishak, D.; Abdullah, M. Optimal cell utilisation with state-of-charge balancing control in a grid-scale three-phase battery energy storage system: An experimental validation. Alex. Eng. J. 2022, 61, 9043–9059. [Google Scholar] [CrossRef]
- Ahmad, A.B.; Ooi, C.A.; Ishak, D.; Teh, J. State-of-charge balancing control for On/OFF-line internal cells using hybrid modular multi-level converter and parallel modular dual L-bridge in a grid-scale battery energy storage system. IEEE Access 2018, 7, 131–147. [Google Scholar] [CrossRef]
- Khan, N.; Ooi, C.A.; Alturki, A.; Desa, M.K.M.; Amir, M.; Ahmad, A.B.; Ishak, M.K. A novel active cell balancing topology for serially connected Li-ion cells in the battery pack for electric vehicle applications. Sci. Rep. 2024, 14, 18600. [Google Scholar] [CrossRef]
- Quraan, M.; Yeo, T.; Tricoli, P. Design and control of modular multilevel converters for battery electric vehicles. IEEE Trans. Power Electron. 2015, 31, 507–517. [Google Scholar] [CrossRef]
- Korn, A.J.; Winkelnkemper, M.; Steimer, P. Low output frequency operation of the modular multi-level converter. In Proceedings of the 2010 Energy Conversion Congress and Exposition (ECCE), Atlanta, GA, USA, 12–16 September 2010; IEEE: New York, NY, USA, 2010; pp. 3993–3997. [Google Scholar] [CrossRef]
- Pereda, J.; Dixon, J. 23-level inverter for electric vehicles using a single battery pack and series active filters. IEEE Trans. Veh. Technol. 2012, 61, 1043–1051. [Google Scholar] [CrossRef]
- Ahmad, A.B.; Ooi, C.A.; Ishak, D.; Teh, J. Cell balancing topologies in battery energy storage systems: A review. In Proceedings of the 10th International Conference on Robotics, Vision, Signal Processing and Power Applications: Enabling Research and Innovation Towards Sustainability, Penang, Malaysia, 14–15 August 2018; Springer: Singapore, 2019; pp. 159–165. [Google Scholar] [CrossRef]
- Ahmad, A.B.; Ooi, C.A.; Ali, O.; Charin, C.; Maharum, S.M.M.; Swadi, M.; Salem, M. Renewable integration and energy storage management and conversion in grid systems: A comprehensive review. Energy Rep. 2025, 13, 2583–2602. [Google Scholar] [CrossRef]
- Ahmad, A.B.; Ooi, C.A.; Ishak, D. State-of-Charge Balancing Control for Optimal Cell Utilisation of a Grid-Scale Three-Phase Battery Energy Storage System Using Hybrid Modular Multilevel Converter Topology Without Redundant Cells. IEEE Access 2021, 9, 53920–53935. [Google Scholar] [CrossRef]
- Guo, J.; Wang, X.; Liang, J.; Pang, H.; Goncalves, J. Reliability modeling and evaluation of MMCs under different redundancy schemes. IEEE Trans. Power Deliv. 2017, 33, 2087–2096. [Google Scholar] [CrossRef]
- Bani-Ahmad, A.; Ooi, C.A. Optimal cell utilization for improved power rating and reliability in a grid-scale three-phase battery energy storage system using hybrid modular multilevel converter topology without redundant cells. IEEE J. Emerg. Sel. Top. Power Electron. 2019, 9, 1780–1794. [Google Scholar] [CrossRef]
- Daowd, M.; Omar, N.; Bossche, P.V.D.; Van Mierlo, J. Passive and active battery balancing comparison based on MATLAB simulation. In Proceedings of the 2011 Vehicle Power and Propulsion Conference (VPPC), Chicago, IL, USA, 6–9 September 2011; IEEE: New York, NY, USA, 2011; pp. 1–7. [Google Scholar] [CrossRef]
- Gadde, S.; Lukka, B.G.; Gali, S.M.K.; Gadde, P.S. A Hybrid Cascaded Multilevel Converter for Battery Vitality Administration Connected In Electric Transport for Battery Energy Management. E3S Web Conf. 2019, 87, 01015. [Google Scholar] [CrossRef]
- Khan, N.; Ooi, C.A.; Desa, M.K.M.; Ishak, M.K.; Ammar, K. A new active cell equalizer for series connected lithium-ion battery pack in electric vehicle application for fast equalization. Energy Convers. Manag. X 2025, 27, 101149. [Google Scholar] [CrossRef]
- Ooi, C.A.; Rogers, D.; Jenkins, N. Balancing control for grid-scale battery energy storage system. Proc. Inst. Civ. Eng.—Energy 2015, 168, 145–157. [Google Scholar] [CrossRef]
- Alavi, O.; Rajabloo, T.; De Ceuninck, W.; Daenen, M. Non-isolated DC-DC converters in fuel cell applications: Thermal analysis and reliability comparison. Appl. Sci. 2022, 12, 5026. [Google Scholar] [CrossRef]
- Mousavi G., S.M.; Nikdel, M. Various battery models for various simulation studies and applications. Renew. Sustain. Energy Rev. 2014, 32, 477–485. [Google Scholar] [CrossRef]
- Zhang, S.; Guo, X.; Dou, X.; Zhang, X. A rapid online calculation method for state of health of lithium-ion battery based on coulomb counting method and differential voltage analysis. J. Power Sources 2020, 479, 228740. [Google Scholar] [CrossRef]
- ePLBC. High Energy Produce Datasheet, Document C020 Model; EIG Energy Innovation Group Company Ltd.: Cheonan, Republic of Korea, 2007; Available online: https://www.liionbms.com/pdf/eig/ePLBC.pdf (accessed on 1 September 2025).












| ANPC | Active Neutral Point Clamped |
|---|---|
| B | Block |
| BMS | Battery management system |
| CHB | Cascaded H-bridge |
| DCHMMC | Dual cascaded hybrid modular multilevel converter |
| EVs | Electric vehicles |
| FC | Flying capacitor |
| G2V | Grid-to-Vehicle |
| Li-ion | Lithium-ion |
| MLI | Multilevel inverter |
| MMC | Modular multilevel converter |
| Ms | Modules |
| NNPC | Neutral point clamped |
| NPC | Neutral point clamped |
| PECs | Power electronic converters |
| PV | Photovoltaic |
| SB | Sub-block |
| SBC | Sub-block charging |
| SBD | Sub-block discharging |
| SM | Sub-module |
| SoC | State-of-charge |
| THD | Total harmonic distortion |
| Ts | Time step |
| UPSs | Uninterruptible power supplies |
| V2G | Vehicle-to-grid |
| Vc | Cell voltage |
| Vout_a | Multilevel sinusoidal output voltage of phase a |
| Vout_b | Multilevel sinusoidal output voltage of phase b |
| Existing Topologies | Proposed Converter | ||
|---|---|---|---|
| In [29] | In [30] | ||
| Number of switches | 2KZ + 4 | 2KZ + 4Z | 2KZ + 10Z |
| Idle cells (out of 132) | 0 to 132 | 0 to 132 | 0 to 36 |
| Number of relays | 0 | 2KZ | 0 |
| Number of DC–DC converters | 0 | Z + 1 | 0 |
| Simultaneous multi-source connection | No | No | Yes |
| Charging/discharging speed | Medium | Medium | High |
| Size, cost, and losses | Medium | High | Medium |
| Efficiency and reliability | Low | Low | High |
| Flexibility | Low | Low | High |
| Control complexity | Low | High | Medium |
| Ts Interval | Utilised Cells for Vref_a | Utilised Cells for Vref_b | Total Cells Utilised (Vref_a and Vref_b) |
|---|---|---|---|
| Ts7 | 6 | 0 | 6 |
| Ts8 | 6 | 1 | 7 |
| Ts9 | 5 | 2 | 7 |
| Ts10 | 5 | 3 | 8 |
| Ts11 | 4 | 4 | 8 |
| Ts12 | 3 | 5 | 8 |
| Ts13 | 2 | 5 | 7 |
| Ts14 | 1 | 6 | 7 |
| Ts15 | 0 | 6 | 6 |
| Parameter | Symbol | Value |
|---|---|---|
| Reference voltage of phase a | Vref_a | 350 V |
| Reference voltage of phase b | Vref_b | 350 V |
| A phase shift between Vref_a and Vref_b | Ø | 90-degree |
| Li-ion Polymer cell | - | 3.65 V and 20 Ah |
| Internal cell resistance | Rint | 5.7 mΩ |
| Overall cells | N | 96 (case study 1) 132 (case study 2) |
| Number of Ms | Z | 16 (case study 1) 22 (case study 2) |
| Number of cells in M | K | 6 |
| Initial SoC for cells/Ms | - | 50% |
| The rated energy capacity | - | 7 kW (without redundant cells) 9.6 kW (with redundant cells) |
| Time step | Ts | 1.1 ms |
Disclaimer/Publisher’s Note: The statements, opinions and data contained in all publications are solely those of the individual author(s) and contributor(s) and not of MDPI and/or the editor(s). MDPI and/or the editor(s) disclaim responsibility for any injury to people or property resulting from any ideas, methods, instructions or products referred to in the content. |
© 2025 by the authors. Licensee MDPI, Basel, Switzerland. This article is an open access article distributed under the terms and conditions of the Creative Commons Attribution (CC BY) license (https://creativecommons.org/licenses/by/4.0/).
Share and Cite
Bani Ahmad, A.; Alathamneh, M.; Ghanayem, H.; Nelms, R.M.; Ali, O.; Charin, C. A Dual-Source Converter for Optimal Cell Utilisation in Electric Vehicle Applications. Energies 2025, 18, 5895. https://doi.org/10.3390/en18225895
Bani Ahmad A, Alathamneh M, Ghanayem H, Nelms RM, Ali O, Charin C. A Dual-Source Converter for Optimal Cell Utilisation in Electric Vehicle Applications. Energies. 2025; 18(22):5895. https://doi.org/10.3390/en18225895
Chicago/Turabian StyleBani Ahmad, Ashraf, Mohammad Alathamneh, Haneen Ghanayem, R. M. Nelms, Omer Ali, and Chanuri Charin. 2025. "A Dual-Source Converter for Optimal Cell Utilisation in Electric Vehicle Applications" Energies 18, no. 22: 5895. https://doi.org/10.3390/en18225895
APA StyleBani Ahmad, A., Alathamneh, M., Ghanayem, H., Nelms, R. M., Ali, O., & Charin, C. (2025). A Dual-Source Converter for Optimal Cell Utilisation in Electric Vehicle Applications. Energies, 18(22), 5895. https://doi.org/10.3390/en18225895

