Sign in to use this feature.

Years

Between: -

Subjects

remove_circle_outline
remove_circle_outline
remove_circle_outline
remove_circle_outline
remove_circle_outline
remove_circle_outline
remove_circle_outline
remove_circle_outline
remove_circle_outline

Journals

remove_circle_outline
remove_circle_outline
remove_circle_outline
remove_circle_outline
remove_circle_outline
remove_circle_outline
remove_circle_outline
remove_circle_outline
remove_circle_outline
remove_circle_outline
remove_circle_outline
remove_circle_outline
remove_circle_outline
remove_circle_outline
remove_circle_outline
remove_circle_outline
remove_circle_outline

Article Types

Countries / Regions

remove_circle_outline
remove_circle_outline
remove_circle_outline
remove_circle_outline
remove_circle_outline
remove_circle_outline
remove_circle_outline

Search Results (4,569)

Search Parameters:
Keywords = energy storage technologies

Order results
Result details
Results per page
Select all
Export citation of selected articles as:
10 pages, 185 KB  
Editorial
Emerging Trends in Electric Vehicles, Smart Grids, and Smart Cities
by Surender Reddy Salkuti
Energies 2026, 19(1), 224; https://doi.org/10.3390/en19010224 - 31 Dec 2025
Abstract
Recently, electric vehicles (EVs), smart grids (SGs), energy storage (ES), and smart cities have been gaining momentum worldwide, with advanced technologies being introduced to create sustainable and reliable power grids that optimize the utilization of SGs and EVs in smart cities [...] Full article
16 pages, 898 KB  
Article
Integration of Biogas Utilization in District Heating Systems
by Ance Ansone, Katarina Brence, Liga Rozentale, Claudio Rochas and Dagnija Blumberga
Energies 2026, 19(1), 216; https://doi.org/10.3390/en19010216 - 31 Dec 2025
Abstract
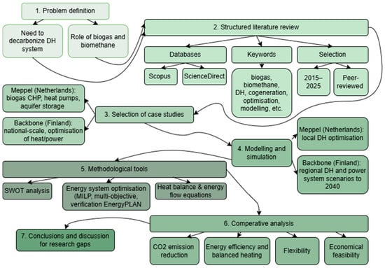
This study investigates the role of biogas and biomethane in accelerating the decarbonization of district heating systems in Europe. A structured literature review combined with two representative case studies evaluate technological, economic, and environmental performance across different system scales. The Meppel optimization model [...] Read more.
This study investigates the role of biogas and biomethane in accelerating the decarbonization of district heating systems in Europe. A structured literature review combined with two representative case studies evaluate technological, economic, and environmental performance across different system scales. The Meppel optimization model developed for the Netherlands and the large-scale Backbone energy system modelling framework for Finland are compared to identify methodological synergies and operational insights for integrating bioenergy into heating networks. The results show that biogas-based combined heat and power systems can reduce carbon dioxide emissions by more than 70 percent compared with fossil-based alternatives and significantly improve local energy security, especially when coupled with heat pumps and thermal storage. Large-scale modelling further demonstrates that biomethane and bioenergy resources provide valuable system flexibility, facilitating sector coupling and supporting the balancing of variable renewable electricity production. This study’s main contribution is an integrated comparative assessment at two different scales (local and regional), linking operational data, modelling, and performance results to determine how biogas and biomethane can optimize the energy system in the short and long term for centralized heat supply. The findings confirm that biogas and biomethane are essential, dispatchable renewable resources capable of supporting scalable, low-carbon, and resilient district heating systems across Europe. Full article
(This article belongs to the Special Issue Biomass Power Generation and Gasification Technology)
Show Figures

Figure 1

30 pages, 5478 KB  
Article
Modeling Merit-Order Shifts in District Heating Networks: A Life Cycle Assessment Method for High-Temperature Aquifer Thermal Energy Storage Integration
by Niklas Scholliers, Max Ohagen, Liselotte Schebek, Ingo Sass and Vanessa Zeller
Energies 2026, 19(1), 212; https://doi.org/10.3390/en19010212 - 31 Dec 2025
Abstract
District heating networks (DHNs) are a key technology in the transition toward sustainable heat supply, increasingly integrating renewable sources and thermal energy storage. High-temperature aquifer thermal energy storage (HT-ATES) can enhance DHN efficiency by shifting heat production over time, potentially reducing both costs [...] Read more.
District heating networks (DHNs) are a key technology in the transition toward sustainable heat supply, increasingly integrating renewable sources and thermal energy storage. High-temperature aquifer thermal energy storage (HT-ATES) can enhance DHN efficiency by shifting heat production over time, potentially reducing both costs and greenhouse gas emissions. However, most life cycle assessments (LCAs) remain static, rely on average data, and neglect temporal dispatch dynamics and marginal substitution among heat sources for environmental evaluation. This study introduces a dynamic life cycle inventory framework that explicitly links HT-ATES-operation scheduling in DHNs with marginal life cycle data. The framework expands system boundaries to capture time-varying changes in heat composition, combines a district heating merit-order representation (distinguishing must-run and flexible capacities) with linear programming to determine least-cost dispatch, and translates marginally displaced technologies into environmental and economic consequences. Foreground inputs are derived from an existing third-generation DHN (heat demand, generation assets, efficiencies) and publicly available energy carrier cost data and are linked to consequential background inventory datasets (ecoinvent). The framework is demonstrated for one year of operation for an HT-ATES concept with 50 GWh of injected heat. Hourly resolved results identify the marginally displaced technologies and indicate annual reductions of 5.86 kt CO2e alongside cost savings of EUR 1.09 M. A comparison of alternative operation schedules shows strong sensitivity of both economic and environmental performance to operational strategy. Overall, the proposed framework provides a replicable and adaptable basis for consequential assessment of HT-ATES operation in DHNs and supports strategic decision-making on seasonal thermal storage deployment in low-carbon heat systems. Full article
(This article belongs to the Special Issue Energy Management and Life Cycle Assessment for Sustainable Energy)
Show Figures

Figure 1

21 pages, 2500 KB  
Article
Adaptive Primary Frequency Regulation Control Strategy for Doubly Fed Wind Turbine Based on Hybrid Ultracapacitor Energy Storage and Its Performance Optimization
by Geng Niu, Lijuan Hu, Nan Zheng, Yu Ji, Ming Wu, Peisheng Shi and Xiangwu Yan
Electronics 2026, 15(1), 182; https://doi.org/10.3390/electronics15010182 - 30 Dec 2025
Abstract
The large-scale integration of doubly fed wind turbines reduces the inertia level of power systems and increases the risk of frequency instability. This paper analyzes the performance characteristics and application ranges of different types of energy storage technologies and addresses the limitations of [...] Read more.
The large-scale integration of doubly fed wind turbines reduces the inertia level of power systems and increases the risk of frequency instability. This paper analyzes the performance characteristics and application ranges of different types of energy storage technologies and addresses the limitations of conventional control methods, which cannot adjust energy storage power output in real time according to frequency variations and may hinder frequency recovery during the restoration stage. Based on a grid-forming doubly fed wind turbine model, this study adopts a hybrid ultracapacitor energy storage system as the auxiliary storage device. The hybrid configuration increases energy density and extends the effective support duration of the storage system, thereby meeting the requirements of longer-term frequency regulation. Furthermore, the paper proposes an adaptive inertia control strategy that combines an improved variable-K droop control with adaptive virtual inertia control to enhance the stability of doubly fed wind turbines under load fluctuations. Simulation studies conducted in MATLAB 2022/Simulink demonstrate that the proposed method significantly improves frequency stability in load disturbance scenarios. The strategy not only strengthens the frequency support capability of grid-connected wind turbine units but also accelerates frequency recovery, which plays an important role in maintaining power system frequency stability. Full article
Show Figures

Figure 1

37 pages, 431 KB  
Review
Underground Coal Gasification Technology: A Review of Advantages, Challenges, and Economics
by Yancheng Liu, Yan Li, Jihui Jiang, Feng Liu and Yang Liu
Energies 2026, 19(1), 199; https://doi.org/10.3390/en19010199 - 30 Dec 2025
Abstract
Against the background of global energy transformation and low-carbon development, numerous difficult-to-mine coal resources (e.g., deep, thin coal seams and low-quality coal) remain underdeveloped, leading to potential resource waste. This study systematically summarizes the feasibility of developing these resources via underground coal gasification [...] Read more.
Against the background of global energy transformation and low-carbon development, numerous difficult-to-mine coal resources (e.g., deep, thin coal seams and low-quality coal) remain underdeveloped, leading to potential resource waste. This study systematically summarizes the feasibility of developing these resources via underground coal gasification (UCG) technology, clarifies its basic chemical/physical processes and typical gas supply/gas withdrawal arrangements, and establishes an analytical framework covering resource utilization, gas production quality control, environmental impact, and cost efficiency. Comparative evaluations are conducted among UCG, surface coal gasification (SCG), natural gas conversion, and electrolysis-based hydrogen production. Results show that UCG exhibits significant advantages: wide resource adaptability (recovering over 60% of difficult-to-mine coal resources), better environmental performance than traditional coal mining and SCG (e.g., less surface disturbance, 50% solid waste reduction), and obvious economic benefits (total capital investment without CCS is 65–82% of SCG, and hydrogen production cost ranges from 0.1 to 0.14 USD/m3, significantly lower than SCG’s 0.23–0.27 USD/m3). However, UCG faces challenges, including environmental risks (groundwater pollution by heavy metals, syngas leakage), geological risks (ground subsidence, rock mass strength reduction), and technical bottlenecks (difficult ignition control, unstable large-scale production). Combined with carbon capture and storage (CCS) technology, UCG can reduce carbon emissions, but CCS only mitigates carbon impact rather than reversing it. UCG provides a large-scale, stable, and economical path for the efficient clean development of difficult-to-mine coal resources, contributing to global energy structure transformation and low-carbon development. Full article
18 pages, 727 KB  
Article
Research on the Reliability of Lithium-Ion Battery Systems for Sustainable Development: Life Prediction and Reliability Evaluation Methods Under Multi-Stress Synergy
by Jiayin Tang, Jianglin Xu and Yamin Mao
Sustainability 2026, 18(1), 377; https://doi.org/10.3390/su18010377 (registering DOI) - 30 Dec 2025
Abstract
Driven by the dual imperatives of global energy transition and sustainable development goals, lithium-ion batteries, as critical energy storage carriers, have seen the assessment of their lifecycle reliability and durability become a core issue underpinning the sustainable operation of clean energy systems. Grounded [...] Read more.
Driven by the dual imperatives of global energy transition and sustainable development goals, lithium-ion batteries, as critical energy storage carriers, have seen the assessment of their lifecycle reliability and durability become a core issue underpinning the sustainable operation of clean energy systems. Grounded in a multidimensional perspective of sustainable development, this study aims to establish a quantifiable and monitorable battery reliability evaluation framework to address the challenges to lifespan and performance sustainability faced by batteries under complex multi-stress coupled operating conditions. Lithium-ion batteries are widely used across various fields, making an accurate assessment of their reliability crucial. In this study, to evaluate the lifespan and reliability of lithium-ion batteries when operating in various coupling stress environments, a multi-stress collaborative accelerated model(MCAM) considering interaction is established. The model takes into account the principal stress effects and the interaction effects. The former is developed based on traditional acceleration models (such as the Arrhenius model), while the latter is constructed through the combination of exponential, power, and logarithmic functions. This study firstly considers the scale parameter of the Weibull distribution as an acceleration effect, and the relationship between characteristic life and stresses is explored through the synergistic action of primary and interaction effects. Subsequently, a multi-stress maximum likelihood estimation method that considers interaction effects is formulated, and the model parameters are estimated using the gradient descent algorithm. Finally, the validity of the proposed model is demonstrated through simulation, and numerical examples on lithium-ion batteries demonstrate that accurate lifetime prediction is enabled by the MCAM, with test duration, cost, and resource consumption significantly reduced. This study not only provides a scientific quantitative tool for advancing the sustainability assessment of battery systems, but also offers methodological support for relevant policy formulation, industry standard optimization, and full lifecycle management, thereby contributing to the synergistic development of energy storage technology across the economic, environmental, and social dimensions of sustainability. Full article
(This article belongs to the Section Sustainable Engineering and Science)
Show Figures

Figure 1

19 pages, 2916 KB  
Article
Increasing the Metal-Hydride Power Density Using Phase-Change Materials, Advanced Thermal Supports, and Expanded Graphite Nano-Particles
by Marco Maggini, Andrea Luigi Facci, Giacomo Falcucci and Stefano Ubertini
Energies 2026, 19(1), 185; https://doi.org/10.3390/en19010185 - 29 Dec 2025
Abstract
The large-scale integration of renewable energy systems requires hydrogen storage technologies that can decouple energy production from energy utilization and allow for seasonal storage. Metal hydrides can offer higher volumetric energy density and operational safety than compressed H2 but are limited by [...] Read more.
The large-scale integration of renewable energy systems requires hydrogen storage technologies that can decouple energy production from energy utilization and allow for seasonal storage. Metal hydrides can offer higher volumetric energy density and operational safety than compressed H2 but are limited by heat-transfer constraints that slow hydrogen absorption and desorption. This work investigates the performance of metal hydride–phase-change material hydrogen storage systems through advanced numerical modeling. Five reactor geometries are evaluated to quantify how longitudinal fins, transversal fins, helical fin structures, and graphite-enhanced composites influence heat removal, charge/discharge rates, and overall power density. Results show that longitudinal and transversal fins accelerate hydrogen absorption and desorption, reducing cycle times by up to 80.6%. The optimized finned helix configuration achieves the highest performance, with a power density of 2.55 kW/kg and charge/discharge powers of 6.75 kW and 13.25 kW, respectively. Expanded graphite further enhances kinetics in low-Biot-number designs, reducing cycle times by more than 30%. These findings provide design guidelines to maximize performance and efficiency of solid-state hydrogen storage for medium- and high-power applications. Full article
Show Figures

Figure 1

45 pages, 4466 KB  
Review
A State-of-the-Art Review on Coupling Technology of Coal-Fired Power and Renewable Energy
by Yulan He, Ziqu Ouyang, Hongliang Ding, Hongshuai Wang, Shuyun Li and Lingming Wu
Energies 2026, 19(1), 178; https://doi.org/10.3390/en19010178 - 29 Dec 2025
Abstract
The Paris Agreement and related international climate frameworks aim to reduce global carbon intensity; however, carbon dioxide emissions from electricity generation remain high, motivating the development of coal–renewable coupling technologies to lower the carbon intensity of power production. Coal–renewable coupling refers to the [...] Read more.
The Paris Agreement and related international climate frameworks aim to reduce global carbon intensity; however, carbon dioxide emissions from electricity generation remain high, motivating the development of coal–renewable coupling technologies to lower the carbon intensity of power production. Coal–renewable coupling refers to the technical integration of conventional coal-fired power systems with renewable energy sources such as wind and solar to form a synergistic and complementary energy supply system. At present, systematic reviews and comprehensive analyses of coal–renewable coupling technologies are still limited. Accordingly, this paper categorizes existing approaches into two pathways—deep flexible load regulation and co-firing-based emission reduction—and systematically reviews the current state of technological development, identifies key challenges, and discusses potential future directions. Deep flexible load regulation includes flexibility retrofitting of coal-fired units and the integration of energy storage modules, whereas co-firing-based emission reduction mainly involves the co-combustion of coal with zero-carbon fuels. The analysis focuses on large-scale coal-fired units, covering low-load stable combustion technologies, steam turbine retrofitting, and rapid start-up and shut-down strategies. For energy storage-assisted load regulation, both conventional options and emerging technologies such as molten salt and high-temperature solid particle thermal energy storage are examined. Zero-carbon fuels considered include biomass, ammonia, and hydrogen. Furthermore, the economic feasibility of the various technologies is evaluated, providing reference value for deep flexibility retrofitting and substantial emission reduction in large-scale coal-fired power plants. Full article
Show Figures

Figure 1

17 pages, 5649 KB  
Article
Influence of Physical Parameters on Lithium Dendrite Growth Based on Phase Field Theory
by Wenqian Hao, Fengkai Guo, Jingyang Li and Jiamiao Xie
Metals 2026, 16(1), 41; https://doi.org/10.3390/met16010041 (registering DOI) - 29 Dec 2025
Abstract
Lithium batteries have emerged as the mainstream technology in the current energy storage field due to their advantages, such as high energy density and long cycle life. However, from a multi-physics coupling perspective, research remains relatively scarce regarding the analysis of dendrite nucleation [...] Read more.
Lithium batteries have emerged as the mainstream technology in the current energy storage field due to their advantages, such as high energy density and long cycle life. However, from a multi-physics coupling perspective, research remains relatively scarce regarding the analysis of dendrite nucleation and growth, as well as their influence on lithium dendrite growth. Based on the phase field theory, this study develops a mechanical-thermal-electrochemical coupling model to systematically investigate the evolution mechanisms and suppression strategies of lithium dendrites induced by relevant physical quantities through the coupled effects of mechanical, thermal, and electrochemical fields. The dynamic behavior of the solid-solid interface is characterized by introducing order parameters. The governing nonlinear partial differential equations are formulated by combining the Cahn-Hilliard and Ginzburg-Landau equations. The present numerical results and the previous results are compared to validate the present model in properly predicting lithium dendrite growth. Numerical simulations are performed to analyze the influence of various physical parameters, such as electric potential, anisotropic intensity and anisotropic modulus, on the morphological evolution of lithium dendrites. These findings provide critical insights for advancing strategies to suppress lithium dendrite growth and enhance battery performance in solid-state lithium batteries under multi-field coupling conditions. Full article
Show Figures

Graphical abstract

35 pages, 7939 KB  
Article
Techno-Enviro-Economic Assessment of Long-Term Strategic Capacity Expansion for Dubai’s Clean Energy Future Using PLEXOS
by Ahmed Yousry and Mutasim Nour
Energies 2026, 19(1), 173; https://doi.org/10.3390/en19010173 - 28 Dec 2025
Viewed by 199
Abstract
With global energy systems shifting toward sustainable solutions, Dubai faces the challenge of meeting rising energy needs while minimizing environmental impacts. This study explores long-term (LT) strategic planning for Dubai’s power sector through a techno-environmental–economic lens. Using PLEXOS® modelling software (Version 9.20.0001) [...] Read more.
With global energy systems shifting toward sustainable solutions, Dubai faces the challenge of meeting rising energy needs while minimizing environmental impacts. This study explores long-term (LT) strategic planning for Dubai’s power sector through a techno-environmental–economic lens. Using PLEXOS® modelling software (Version 9.20.0001) and official data from Dubai’s main utility provider, a comprehensive model examines medium- and LT energy pathways. The analysis identifies solar photovoltaic (PV) technology as central to achieving Dubai’s goal of 100% clean energy by 2050. It also highlights the need to cut emissions from natural gas (NG) infrastructure, targeting a goal of 14.5% retirement of NG energy generation capacities by the mid-century. Achieving zero-emission goals will require complementary technologies such as carbon capture (CC), nuclear energy, and energy storage as part of a broader decarbonization strategy. This study further assesses the economic effects of climate policy, showing that moderate carbon pricing could increase the Levelized Cost of Energy (LCOE) by an average of 6% across the forecast horizon. These findings offer valuable guidance for decision-makers and stakeholders, particularly the Dubai Electricity and Water Authority (DEWA), in advancing a carbon-neutral energy system. By 2050, Dubai’s total installed generation capacity is projected to reach 53.3 GW, reflecting the scale of transformation needed to meet its clean energy ambitions. Full article
(This article belongs to the Special Issue Policy and Economic Analysis of Energy Systems: 2nd Edition)
Show Figures

Figure 1

22 pages, 642 KB  
Review
Lipidomic Signatures in Pediatric Metabolic Disorders
by Monica Narvaez-Rivas and Kenneth D. R. Setchell
Metabolites 2026, 16(1), 33; https://doi.org/10.3390/metabo16010033 - 28 Dec 2025
Viewed by 89
Abstract
Lipids are essential biomolecules involved in membrane structure, energy storage, and intracellular signaling. Dysregulation of lipid metabolism (dyslipidemia) plays a central role in a wide spectrum of pediatric metabolic disorders, including both inherited and acquired conditions. Recent and rapid advances in mass spectrometry-based [...] Read more.
Lipids are essential biomolecules involved in membrane structure, energy storage, and intracellular signaling. Dysregulation of lipid metabolism (dyslipidemia) plays a central role in a wide spectrum of pediatric metabolic disorders, including both inherited and acquired conditions. Recent and rapid advances in mass spectrometry-based lipidomics have enabled high-resolution profiling of more than one-thousand lipid species, facilitating the discovery of disease-specific lipid signatures that were previously undetectable with conventional biochemical assays. In parallel, the rising prevalence of pediatric obesity, diabetes, asthma, metabolic dysfunction-associated steatotic liver disease (MASLD; formerly referred to as non-alcoholic fatty liver disease or NAFLD) and cancers has accelerated research aimed at uncovering molecular pathways underlying these conditions. Lipidomic approaches have also improved the identification and characterization of rare metabolic disorders. As analytical technologies continue to advance, lipidomics is poised to become a cornerstone of precision medicine in pediatrics, offering new opportunities for early diagnosis, risk stratification, and therapeutic targeting. Full article
(This article belongs to the Special Issue The Role of Lipid Metabolism in Health and Disease)
Show Figures

Graphical abstract

14 pages, 1182 KB  
Article
Impact of Ambient Temperature on the Performance of Liquid Air Energy Storage Installation
by Aleksandra Dzido and Piotr Krawczyk
Energies 2026, 19(1), 171; https://doi.org/10.3390/en19010171 - 28 Dec 2025
Viewed by 111
Abstract
The increasing share of renewable energy sources (RES) in modern power systems necessitates the development of efficient, large-scale energy storage technologies capable of mitigating generation variability. Liquid Air Energy Storage (LAES), particularly in its adiabatic form, has emerged as a promising candidate by [...] Read more.
The increasing share of renewable energy sources (RES) in modern power systems necessitates the development of efficient, large-scale energy storage technologies capable of mitigating generation variability. Liquid Air Energy Storage (LAES), particularly in its adiabatic form, has emerged as a promising candidate by leveraging thermal energy storage and high-pressure air liquefaction and regasification processes. Although LAES has been widely studied, the impact of ambient temperature on its performance remains insufficiently explored. This study addresses that gap by examining the thermodynamic response of an adiabatic LAES system under varying ambient air temperatures, ranging from 0 °C to 35 °C. A detailed mathematical model was developed and implemented in Aspen Hysys to simulate the system, incorporating dual refrigeration loops (methanol and propane), thermal oil intercooling, and multi-stage compression/expansion. Simulations were conducted for a reference charging power of 42.4 MW at 15 °C. The influence of external temperature was evaluated on key parameters including mass flow rate, unit energy consumption during liquefaction, energy recovery during expansion, and round-trip efficiency. Results indicate that ambient temperature has a marginal effect on overall LAES performance. Round-trip efficiency varied by only ±0.1% across the temperature spectrum, remaining around 58.3%. Mass flow rates and power output varied slightly, with changes in discharging power attributed to temperature-driven improvements in expansion process efficiency. These findings suggest that LAES installations can operate reliably across diverse climate zones with negligible performance loss, reinforcing their suitability for global deployment in grid-scale energy storage applications. Full article
(This article belongs to the Special Issue Studies in Renewable Energy Production and Distribution)
Show Figures

Figure 1

14 pages, 782 KB  
Article
Novel Low-Power CNFET-GAAFET Based Ternary 9T SRAM Design for Computing-in-Memory Systems
by Adnan A. Patel, Sohan Sai Dasaraju, Yatrik Ashish Shah, Achyuth Gundrapally and Kyuwon Ken Choi
Electronics 2026, 15(1), 137; https://doi.org/10.3390/electronics15010137 - 28 Dec 2025
Viewed by 126
Abstract
The growing demand for energy-efficient memory systems in artificial intelligence (AI) accelerators has intensified research into novel device technologies and computing-in-memory (CIM) architectures. While conventional binary SRAM architectures using CMOS and FinFET devices have been widely explored, ternary-based designs offer potential benefits in [...] Read more.
The growing demand for energy-efficient memory systems in artificial intelligence (AI) accelerators has intensified research into novel device technologies and computing-in-memory (CIM) architectures. While conventional binary SRAM architectures using CMOS and FinFET devices have been widely explored, ternary-based designs offer potential benefits in terms of storage density and computational efficiency. This work presents a low-power analysis of a sense-amplifier embedded (SE) 9-transistor (9T) ternary SRAM architecture implemented using Carbon Nanotube Field-Effect Transistors (CNFETs) and Gate-All-Around Field-Effect Transistors (GAAFETs). The comparative results show a substantial reduction in total power consumption—from 109.2 μW in FinFET to 26.73 μW in GAAFET—and an ultra-low power of only 0.0004 μW in CNFET, representing a 99% reduction compared to FinFET designs. Similarly, the total delay decreases from 0.01108 ns in FinFET to 0.004 ns in GAAFET, while the CNFET design shows a modest delay of 0.017 ns. Overall, GAAFET offers the best trade-off between power and delay, whereas CNFET achieves the lowest power consumption, making it highly suitable for ultra-low-power AI applications. These findings emphasize the superior energy efficiency and scalability potential of CNFET- and GAAFET-based designs over traditional FinFETs, offering a promising pathway toward next-generation ternary CIM-enabled SRAM architectures. Furthermore, fabrication challenges related to CNFET and GAAFET technologies are discussed, providing insights into their practical feasibility for large-scale integration. Full article
(This article belongs to the Special Issue Modern Circuits and Systems Technologies (MOCAST 2024))
Show Figures

Figure 1

39 pages, 2777 KB  
Review
Challenges and Innovations in Liquefied Gases and Cryogenic Tanks: A Comprehensive Review
by Marian-Cristian Staicu, Nicoleta Lucica Bogatu, Viorica Ghisman and Daniela Laura Buruiana
Technologies 2026, 14(1), 19; https://doi.org/10.3390/technologies14010019 - 26 Dec 2025
Viewed by 220
Abstract
Cryogenic technologies are a crucial field of modern engineering, with applications in liquefied gas transport, renewable energy, aerospace, and high-precision medicine. Their advancement relies heavily on the performance and reliability of cryogenic tanks, which ensure the safe storage and handling of fluids at [...] Read more.
Cryogenic technologies are a crucial field of modern engineering, with applications in liquefied gas transport, renewable energy, aerospace, and high-precision medicine. Their advancement relies heavily on the performance and reliability of cryogenic tanks, which ensure the safe storage and handling of fluids at extremely low temperatures. This paper presents a concise review of recent engineering innovations, focusing on fluid behavior in single- and two-phase regimes, boil-off mechanisms, advanced thermal insulation, and energy loss control strategies. Recent numerical and experimental studies indicate that optimized insulation configurations, such as the placement of a low-emissivity intermediate layer near the cold wall, can reduce radiative heat loads by approximately 40–60%, thereby significantly mitigating cryogenic liquid boil-off. Developments in structural materials, functional coatings, and numerical simulations are also discussed, as they contribute to enhancing tank efficiency under demanding operational conditions. Particular emphasis is placed on material selection and surface engineering solutions aimed at reducing corrosion, improving cryogenic resistance, and extending service life. These approaches not only lower maintenance costs but also strengthen safety and sustainability in cryogenic applications. In addition, current industry trends are highlighted, including equipment miniaturization, integration into mobile platforms, and the adoption of international standards for safety and efficiency. The paper aims to provide an interdisciplinary synthesis that supports both academic research and the development of durable, high-performance cryogenic systems. Full article
(This article belongs to the Section Manufacturing Technology)
Show Figures

Graphical abstract

21 pages, 511 KB  
Review
Multidimensional Analysis of Disaster Nutrition: A Holistic Model Proposal Across Nutrition, Technology, Logistics, and Policy Axes
by Günay Basdogan, Osman Sagdic, Hakan Basdogan and Salih Karasu
Foods 2026, 15(1), 75; https://doi.org/10.3390/foods15010075 - 26 Dec 2025
Viewed by 197
Abstract
Over the past two decades, escalating climate crises, geopolitical conflicts, and pandemics have intensified the frequency and severity of disasters, exposing severe vulnerabilities in global food systems. In this pressing context, disaster nutrition emerges as a vital domain of intervention. However, existing academic [...] Read more.
Over the past two decades, escalating climate crises, geopolitical conflicts, and pandemics have intensified the frequency and severity of disasters, exposing severe vulnerabilities in global food systems. In this pressing context, disaster nutrition emerges as a vital domain of intervention. However, existing academic literature and field practices often address this topic through fragmented, single-axis perspectives. Nutritional physiology, food technology, humanitarian logistics, and policy–ethics frameworks tend to progress in parallel yet disconnected tracks, which results in a lack of holistic models that adequately reflect field realities. The urgency of this issue is underscored by the latest global data. In 2023 alone, disasters resulted in over 86,000 deaths, a significant increase from the preceding two-decade annual average. Furthermore, the 2025 Global Report on Food Crises reveals that 295.3 million people faced high levels of acute food insecurity in 2024, marking the sixth consecutive year this number has risen. This escalating crisis highlights the inadequacy of fragmented approaches and necessitates the development of an integrated framework for disaster nutrition. To address this fragmentation, this study redefines disaster nutrition as a multi-layered, integrated food system challenge. Based on a comprehensive literature analysis, it proposes an “Integrated Disaster Food System Model” that brings these different dimensions together within a common framework. The model is built on four main components: (i) nutritional requirements and vulnerable groups (such as infants, older adults, pregnant individuals, and populations with chronic diseases requiring special diets); (ii) product design, technology, and packaging (balancing shelf life, nutritional value, cultural acceptability, and sensory attributes, including innovative components such as microalgae and fermented foods); (iii) logistics, storage, and distribution systems (centralized storage versus localized micro-warehouses, as well as the use of drones and digital traceability technologies); and (iv) policy, regulation, ethics, and sustainability (the applicability of the Sphere Standards, fair distribution, food waste, and environmental impact). By emphasizing the bidirectional and dynamic interactions among these components, the model demonstrates how decisions in one domain affect others (for example, how more durable packaging can increase both logistics costs and carbon footprint). The study highlights the risks and cultural mismatches associated with a “one-size-fits-all high-energy food” approach for vulnerable groups and argues for the necessity of localized, context-specific, and sustainable solutions. In conclusion, the article posits that the future of disaster food systems can only be shaped through a holistic approach in which interdisciplinary collaboration, technological innovation, and ethical–environmental principles are integrated into the core of policy-making. Full article
(This article belongs to the Section Food Security and Sustainability)
Show Figures

Figure 1

Back to TopTop