Sign in to use this feature.

Years

Between: -

Subjects

remove_circle_outline
remove_circle_outline
remove_circle_outline
remove_circle_outline
remove_circle_outline
remove_circle_outline
remove_circle_outline
remove_circle_outline
remove_circle_outline

Journals

remove_circle_outline
remove_circle_outline
remove_circle_outline
remove_circle_outline
remove_circle_outline

Article Types

Countries / Regions

remove_circle_outline
remove_circle_outline
remove_circle_outline
remove_circle_outline

Search Results (729)

Search Parameters:
Keywords = dual-antenna

Order results
Result details
Results per page
Select all
Export citation of selected articles as:
15 pages, 5132 KB  
Article
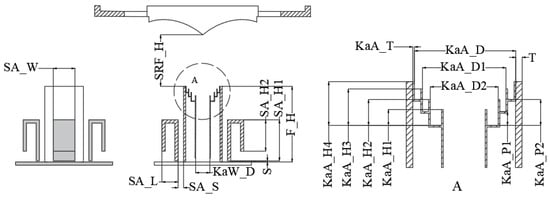
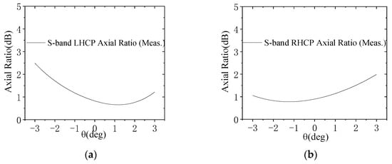
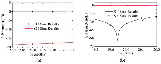
A Spaceborne Integrated S/Ka Dual-Band Dual-Reflector Antenna
by Zenan Yang, Weiqiang Han, Liang Tang, Haihua Wang, Yilin Wang and Yongchang Jiao
Micromachines 2026, 17(1), 124; https://doi.org/10.3390/mi17010124 (registering DOI) - 18 Jan 2026
Abstract
To address the diverse requirements of satellite communication applications involving medium-/low-rate reliable links and high-rate high-capacity services, an integrated S/Ka dual-band dual-reflector antenna is proposed as an effective solution. Owing to the stringent spatial constraints of satellite platforms, the longer operating wavelengths in [...] Read more.
To address the diverse requirements of satellite communication applications involving medium-/low-rate reliable links and high-rate high-capacity services, an integrated S/Ka dual-band dual-reflector antenna is proposed as an effective solution. Owing to the stringent spatial constraints of satellite platforms, the longer operating wavelengths in the S-band lead to oversized feed horns in the integrated antenna design, which induces severe secondary aperture blockage, thus degrading aperture efficiency and impeding practical mechanical layout implementation. To alleviate this critical drawback, the proposed antenna achieves multi-band aperture reuse by deploying an array with four miniaturized S-band radiating elements around a broadband Ka-band feed horn. A frequency-selective surface (FSS)-based sub-reflector is further designed to effectively enhance the effective aperture size for the S-band operation, while ensuring unobstructed electromagnetic propagation in the Ka-band, thus enabling simultaneous dual-band high-gain radiation. After comprehensive electromagnetic simulation and parametric optimization for the antenna feed and the FSS sub-reflector, experimental measurements verify that the S-band left-hand and right-hand circularly polarized (LHCP/RHCP) channels achieve more than 20.2 dBic gains with more than 6° half-power beamwidths (HPBWs), and the Ka-band channel yields gains exceeding 41.2 dBic, with HPBWs greater than 0.8°. Full article
Show Figures

Figure 1

19 pages, 6587 KB  
Article
3D-Printed Cylindrical Dielectric Antenna Optimized Using Honey Bee Mating Optimization
by Burak Dokmetas
Electronics 2026, 15(2), 393; https://doi.org/10.3390/electronics15020393 - 16 Jan 2026
Viewed by 33
Abstract
This study presents the design, optimization, and experimental validation of a dual-band dielectric monopole antenna. The proposed antenna structure consists of three concentric cylindrical dielectric layers, each with independently tunable permittivities and radii. This configuration allows the effective control of electromagnetic performance over [...] Read more.
This study presents the design, optimization, and experimental validation of a dual-band dielectric monopole antenna. The proposed antenna structure consists of three concentric cylindrical dielectric layers, each with independently tunable permittivities and radii. This configuration allows the effective control of electromagnetic performance over distinct frequency bands. To determine the optimal geometric and material parameters, the bio-inspired Honey Bee Mating Optimization (HBMO) algorithm is employed. The optimization process simultaneously maximizes antenna gain and minimizes reflection coefficient in the X and Ku bands. A cost function incorporating both gain and impedance matching criteria is formulated to achieve well-balanced solutions. The final antenna prototype was fabricated using a fused deposition modeling (FDM)-based 3D printer, where the dielectric properties of each layer are adjusted through variable infill rates. Simulated and measured results confirm stable dual-band operation with reflection coefficients below −10 dB, while the maximum in-band realized gains reach approximately 6.6 dBi in the X-band and 7.1 dBi in the Ku-band. These findings demonstrate the effectiveness of the proposed optimization approach and validate the feasibility of using 3D-printed dielectric-loaded structures as an efficient solution for high-frequency and space-constrained communication systems. Full article
(This article belongs to the Special Issue Antenna Design and Its Applications, 2nd Edition)
Show Figures

Figure 1

22 pages, 7304 KB  
Article
Adaptive Trajectory-Constrained Heading Estimation for Tractor GNSS/SINS Integrated Navigation
by Shupeng Hu, Song Chen, Lihui Wang, Zhijun Meng, Weiqiang Fu, Yaxin Ren, Cunjun Li and Hao Wang
Sensors 2026, 26(2), 595; https://doi.org/10.3390/s26020595 - 15 Jan 2026
Viewed by 194
Abstract
Accurate heading estimation is crucial for the autonomous navigation of small-to-medium tractors. While dual-antenna GNSS systems offer precision, they face installation and safety challenges. Single-antenna GNSS integrated with a low-cost Strapdown Inertial Navigation System (SINS) presents a more adaptable solution but suffers from [...] Read more.
Accurate heading estimation is crucial for the autonomous navigation of small-to-medium tractors. While dual-antenna GNSS systems offer precision, they face installation and safety challenges. Single-antenna GNSS integrated with a low-cost Strapdown Inertial Navigation System (SINS) presents a more adaptable solution but suffers from slow convergence and low accuracy of heading estimation in low-speed farmland operations. This study proposes an adaptive trajectory-constrained heading estimation method. A sliding-window adaptive extended Kalman filter (SWAEKF) was developed, incorporating a heading constraint model that utilizes the GNSS-derived trajectory angle. An enhanced Sage–Husa algorithm was employed for the adaptive estimation of the trajectory angle measurement variance. Furthermore, a covariance initialization strategy based on the variance of trajectory angle increments was implemented to accelerate convergence. Field tests demonstrated that the proposed method achieved rapid heading convergence (less than 10 s for straight lines and 14 s for curves) and high accuracy (RMS heading error below 0.15° for straight-line tracking and 0.25° for curved paths). Compared to a conventional adaptive EKF, the SWAEKF improved accuracy by 23% and reduced convergence time by 62%. The proposed algorithm effectively enhances the performance of GNSS/SINS integrated navigation for tractors in low-dynamic environments, meeting the requirements for autonomous navigation systems. Full article
(This article belongs to the Section Navigation and Positioning)
Show Figures

Figure 1

20 pages, 3704 KB  
Article
Accurate Position and Orientation Estimation for UWB-Only Systems Using a Single Dual-Antenna Module
by Che Zhang, Yan Li and Peng Han
Electronics 2026, 15(2), 369; https://doi.org/10.3390/electronics15020369 - 14 Jan 2026
Viewed by 122
Abstract
This paper proposes a complete cascade pipeline for accurate position and orientation estimation using a single dual-antenna UWB module. First, an extended Kalman filter (EKF) fuses distance measurements from multiple anchors to estimate the agent’s position. The estimated position is then used to [...] Read more.
This paper proposes a complete cascade pipeline for accurate position and orientation estimation using a single dual-antenna UWB module. First, an extended Kalman filter (EKF) fuses distance measurements from multiple anchors to estimate the agent’s position. The estimated position is then used to derive orientation. To overcome the critical challenge of front–back ambiguity in orientation estimation, we introduce a novel method that integrates a multi-hypothesis testing (MHT) framework with a circular likelihood metric (CLM). This method enumerates all feasible angle of arrival (AoA) hypotheses via MHT and assesses their consistency using the CLM, thereby selecting the most probable hypothesis to resolve ambiguity. Comparative simulations demonstrate that this “position-first, orientation-later” cascade enhances robustness over joint optimization by preventing the propagation of AoA noise to the position estimates. Extensive evaluations, including high-precision rotary table experiment and real-world field trials, validate the system’s efficacy in providing precise location and heading information. This work delivers a complete, low-cost, and robust solution for autonomous navigation in challenging environments. Full article
(This article belongs to the Special Issue Advanced Indoor Localization Technologies: From Theory to Application)
Show Figures

Figure 1

20 pages, 3939 KB  
Article
Quad-Band Truncated Square-Shaped MIMO Terahertz Antenna for Beyond 5G and 6G Communications
by Jeremiah O. Abolade, Pradeep Kumar and Dominic B. O. Konditi
Technologies 2026, 14(1), 59; https://doi.org/10.3390/technologies14010059 - 13 Jan 2026
Viewed by 182
Abstract
A compact quad-band multiple-input multiple-output (MIMO) antenna for terahertz communications is presented in this work. The proposed antenna consists of a truncated square patch with inverted-U-shaped and C-shaped slots. The operating frequencies of the proposed antenna are 0.38 THz, 0.43 THz, 0.61 THz, [...] Read more.
A compact quad-band multiple-input multiple-output (MIMO) antenna for terahertz communications is presented in this work. The proposed antenna consists of a truncated square patch with inverted-U-shaped and C-shaped slots. The operating frequencies of the proposed antenna are 0.38 THz, 0.43 THz, 0.61 THz, and 0.7 THz, with reflection coefficients of −13.8 dB, −22.1 dB, −27.3 dB, and −14.8 dB, respectively, and a −10 dB impedance bandwidth of 9 GHz, 18 GHz, 18 GHz, and 21 GHz, respectively. The peak gain values of a single element antenna at 0.38 THz, 0.43 THz, 0.61 THz, and 0.7 THz are 3.3 dB, 4.8 dB, 4.7 dB, and 5.5 dB, respectively. The dual-triangular MIMO configuration was investigated. The peak gains of the MIMO configurations at 0.38 THz, 0.43 THz, 0.61 THz, and 0.7 THz are 10.6 dB, 12.2 dB, 15.6 dB, and 15.2 dB, respectively. The envelope correlation coefficient (ECC) and the diversity gain (DG) of the proposed antenna were investigated and are presented herein. The proposed MIMO antenna demonstrates lower coupling and higher isolation at the operating frequency bands. Therefore, it is a suitable candidate for beyond 5G and 6G wireless communications applications, such as for nanodevices used in the internet of things and in wearables. Full article
Show Figures

Figure 1

12 pages, 707 KB  
Article
Intelligent Vehicle Repeater for Satellite Networks: A Promising Device for Tourists and Explorers Without Terrestrial Networks
by Yitao Li and Conglu Huang
Telecom 2026, 7(1), 8; https://doi.org/10.3390/telecom7010008 - 7 Jan 2026
Viewed by 112
Abstract
Existing vehicle-mounted satellite terminals primarily rely on mechanical or purely analog electronically steered antennas. They lack protocol-level relay capability and usually provide only short-range hotspot connectivity. These limitations make it difficult for such systems to deliver stable, high-throughput satellite access for personal mobile [...] Read more.
Existing vehicle-mounted satellite terminals primarily rely on mechanical or purely analog electronically steered antennas. They lack protocol-level relay capability and usually provide only short-range hotspot connectivity. These limitations make it difficult for such systems to deliver stable, high-throughput satellite access for personal mobile devices in dynamic vehicular environments, especially in remote regions without terrestrial networks. This paper proposes an intelligent vehicle repeater for satellite networks (IVRSN) that builds a dedicated satellite–vehicle–device relay architecture. It enables reliable broadband connectivity for conventional mobile terminals without requiring specialized satellite hardware. The IVRSN consists of three key technical components. Firstly, a dual-mode relay coverage mechanism is designed to support energy-efficient in-vehicle access and extended out-of-vehicle coverage. Secondly, a DoA-assisted, attitude-compensated hybrid beamforming scheme is developed. It combines subspace-based direction estimation with inertial sensor measurements to maintain high-precision satellite pointing under vehicle dynamics. Finally, a bidirectional protocol conversion module is introduced to ensure compatibility between ground wireless protocols and satellite link-layer formats with integrity-checked data forwarding. Compared to existing solutions, the proposed IVRSN provides higher stability and broader device compatibility, making it a feasible solution for high-speed, high-quality communications in remote or disaster regions. Full article
Show Figures

Figure 1

13 pages, 15829 KB  
Article
A Dual-Band Full-Polarized Annular-Ring Slot Antenna with High Polarization Isolation
by Xuenan Wang, Hongcheng Zhou, Yong Bao, Yan Hu, Xiaoqing Xing, Mian Zhong and Chao Zhou
Symmetry 2026, 18(1), 98; https://doi.org/10.3390/sym18010098 - 6 Jan 2026
Viewed by 209
Abstract
This paper proposes a dual-band, full-polarized (dual-sense circular polarization and arbitrary linear polarization) annular-ring slot antenna centered at 2.4 GHz and 5.8 GHz, which effectively overcomes the limitations of narrow bandwidth and limited polarization diversity in conventional designs. By employing an eccentric annular-ring [...] Read more.
This paper proposes a dual-band, full-polarized (dual-sense circular polarization and arbitrary linear polarization) annular-ring slot antenna centered at 2.4 GHz and 5.8 GHz, which effectively overcomes the limitations of narrow bandwidth and limited polarization diversity in conventional designs. By employing an eccentric annular-ring slot and two orthogonal 50-ohm patches, the antenna achieves dual-band circular polarization (CP) radiation with single-port feeding. Based on the theory of orthogonal dual-circular polarization synthesis, arbitrary linear polarization (LP) can be generated by adjusting the phase difference when both ports are fed. The measured results show that the 10 dB return loss bandwidth of LP spans 2–2.8 GHz (relative bandwidth of 33.3%) and 4.5–7.5 GHz (relative bandwidth of 50%), with polarization isolation exceeding 50 dB. For CP mode, the measured bandwidth (for 10 dB return loss and 3 dB axial ratio) ranges from 2.24 to 2.58 GHz (relative bandwidth of 14.1%) and from 5.1 to 6.6 GHz (relative bandwidth of 25.64%), with polarization isolation greater than 15 dB. The proposed antenna simultaneously features a high frequency ratio (2.42), full polarization, high polarization isolation, a low profile (0.008 λ0), and bidirectional radiation, which can meet the urgent demand of modern information systems for dual-band, full-polarized antennas. Full article
(This article belongs to the Section Engineering and Materials)
Show Figures

Figure 1

11 pages, 6382 KB  
Article
A Compact Button Antenna with Dual-Band and Dual-Polarization for Wearable Body Area Networks
by Xue-Ping Li, Zhen-Yong Dong, Xue-Qing Yang, Meng-Bing Yang, Xiao-Ya Li, Xi-Qiao Wu and Wei Li
Micromachines 2026, 17(1), 28; https://doi.org/10.3390/mi17010028 - 26 Dec 2025
Viewed by 254
Abstract
This paper presents a compact, dual-band, dual-polarization button antenna for Wireless Body Area Networks (WBANs) that operates in the 2.45 GHz and 5.8 GHz Industrial, Scientific, and Medical (ISM) bands. The antenna is engineered in the lower band from 2.33 to 2.8 GHz [...] Read more.
This paper presents a compact, dual-band, dual-polarization button antenna for Wireless Body Area Networks (WBANs) that operates in the 2.45 GHz and 5.8 GHz Industrial, Scientific, and Medical (ISM) bands. The antenna is engineered in the lower band from 2.33 to 2.8 GHz (18.3% fractional bandwidth) as a linearly polarized, top-loaded monopole, which provides an omnidirectional radiation pattern for on-body communication. In contrast, it functions as a cross-dipole in the higher band, achieving a fractional bandwidth of 66.4% (4.8–9.57 GHz) and a 3 dB axial ratio (AR) bandwidth of 57.4%, producing a broadside radiation with circular polarization for off-body communications. Prototype measurements in both free-space and on-body settings confirm the antenna’s robust performance, successfully validating its dual-band operation, dual-polarization characteristics. Furthermore, Specific Absorption Rate (SAR) simulations conducted on a human model demonstrate that the values are significantly below the established safety limits, confirming the antenna’s suitability for practical wearable applications. Full article
(This article belongs to the Section E:Engineering and Technology)
Show Figures

Figure 1

25 pages, 3667 KB  
Article
Robust Low-Complexity WMMSE Precoding Under Imperfect CSI with Per-Antenna Power Constraints
by Zijiao Guo, Vaskar Sen and Honggui Deng
Sensors 2026, 26(1), 159; https://doi.org/10.3390/s26010159 - 25 Dec 2025
Viewed by 361
Abstract
Weighted sum-rate (WSR) maximization in downlink massive multi-user multiple-input (MU-MIMO) with per-antenna power constraints (PAPCs) and imperfect channel state information (CSI) is computationally challenging. Classical weighted minimum mean-square error (WMMSE) algorithms, in particular, have per-iteration costs that scale cubically with the number of [...] Read more.
Weighted sum-rate (WSR) maximization in downlink massive multi-user multiple-input (MU-MIMO) with per-antenna power constraints (PAPCs) and imperfect channel state information (CSI) is computationally challenging. Classical weighted minimum mean-square error (WMMSE) algorithms, in particular, have per-iteration costs that scale cubically with the number of base-station antennas. This article proposes a robust low-complexity WMMSE-based precoding framework (RLC-WMMSE) tailored for massive MU-MIMO downlink under PAPCs and stochastic CSI mismatch. The algorithm retains the standard WMMSE structure but incorporates three key enhancements: a diagonal dual-regularization scheme that enforces PAPCs via a lightweight projected dual ascent with row-wise safety projection; a Woodbury-based transmit update that replaces the dominant M×M inversion with an (NK)×(NK) symmetric positive-definite solve, greatly reducing the per-iteration complexity; and a hybrid switching mechanism with adaptive damping that blends classical and low-complexity updates to improve robustness and convergence under channel estimation errors. We also analyze computational complexity and signaling overhead for both TDD and FDD deployments. Simulation results over i.i.d. and spatially correlated channels show that the proposed RLC-WMMSE scheme achieves WSR performance close to benchmark WMMSE-PAPCs designs while providing substantial runtime savings and strictly satisfying the per-antenna power limits. These properties make RLC-WMMSE a practical and scalable precoding solution for large-scale MU-MIMO systems in future wireless sensor and communication networks. Full article
Show Figures

Figure 1

27 pages, 31145 KB  
Article
Design and Data-Efficient Optimization of a Dual-Band Microstrip Planar Yagi Antenna for Sub-6 GHz 5G and Cellular Vehicle-to-Everything Communication
by Dipon Saha and Illani Mohd Nawi
Electronics 2026, 15(1), 23; https://doi.org/10.3390/electronics15010023 - 22 Dec 2025
Viewed by 224
Abstract
The booming number of electric vehicles (EVs) and autonomous vehicles is driving the demand for the development of 5G and connected vehicle technologies. However, the design of compact, multi-band vehicular antennas with multiple communication standard support is complex. Traditional experience-based and parameter-sweeping approaches [...] Read more.
The booming number of electric vehicles (EVs) and autonomous vehicles is driving the demand for the development of 5G and connected vehicle technologies. However, the design of compact, multi-band vehicular antennas with multiple communication standard support is complex. Traditional experience-based and parameter-sweeping approaches to antenna optimization are often inefficient and limited in scalability, while machine learning-based methods require extensive datasets, which are computationally intensive. This study proposes a microstrip planar Yagi antenna optimized for Sub-6 GHz 5G and cellular vehicle-to-everything (C-V2X) communication. As a way to approach antenna optimization with lower computing cost and less data, a hybrid optimization strategy is presented that combines parametric analysis and curve fitting based data visualization approaches. The proposed antenna exhibits a reflection coefficient of −31.68 dB and −29.36 dB with 700 MHz and 900 MHz bandwidths for frequencies of 3.5 GHz and 5.9 GHz, respectively. Moreover, the proposed antenna exhibits a peak gain of 7.55 dB with a size of 0.44 × 0.64 λ2, while achieving a peak efficiency of 90.1%. The antenna has been integrated and simulated in a model Mini Cooper to test the effectiveness of vehicular communication. Full article
Show Figures

Figure 1

17 pages, 11868 KB  
Article
Dual-Band, Dual-Mode, Circularly Polarized Fully Woven Textile Antenna for Simultaneous Wireless Information and Power Transfer in Wearable Applications
by Miguel Fernández, Carlos Vázquez and Samuel Ver Hoeye
Sensors 2026, 26(1), 30; https://doi.org/10.3390/s26010030 - 19 Dec 2025
Viewed by 340
Abstract
In this work, a dual-band, dual-mode, circularly polarized fully woven textile antenna with capability for Simultaneous Wireless Information and Power Transfer (SWIPT) in wearable applications is presented. The power and the data transfer modes work at 2.4 and 5.4 GHz, respectively. The radiating [...] Read more.
In this work, a dual-band, dual-mode, circularly polarized fully woven textile antenna with capability for Simultaneous Wireless Information and Power Transfer (SWIPT) in wearable applications is presented. The power and the data transfer modes work at 2.4 and 5.4 GHz, respectively. The radiating element is based on a square patch with an asymmetrical U-shaped slot and a chamfered corner. A single-diode rectifier, required for the power transfer mode, is mounted on a carrier thread and then connected to the antenna through a T-match network located at one of the patch corners. This feeding technique simultaneously provides complex conjugate matching to the rectifier and circular polarization. On the other hand, a coaxial probe port is used for the data transfer mode. A prototype was implemented and experimentally characterized. Regarding the power transfer mode, the measured RF-DC conversion efficiency is about 50% when the available power at the rectifier input is −10 dBm, and the axial ratio is smaller than 3 dB. In the data transfer mode, the antenna gain and the axial ratio are 0 and 2 dB, respectively. The experimental results are in good agreement with simulations, validating the proposed structure and design methods, and they are comparable to the state of the art for textile antennas/rectennas. Furthermore, the combination of the fully woven technology and the proposed single-layer layout provides a large degree of integration and robustness, which are valuable characteristics for wearable devices. Full article
(This article belongs to the Section Intelligent Sensors)
Show Figures

Figure 1

12 pages, 2330 KB  
Article
Enhanced Energy Transfer in Resonating Gold Doped Matter Irradiated by Infrared Laser
by Konstantin Zsukovszki and Istvan Papp
Particles 2025, 8(4), 104; https://doi.org/10.3390/particles8040104 - 18 Dec 2025
Viewed by 240
Abstract
Laser-driven ion acceleration in dense, hydrogen-rich media can be significantly enhanced by embedding metallic nanoantennas that support localized surface plasmon (LSP) resonances. Using large-scale particle-in-cell (PIC) simulations with the EPOCH code, we investigate how nanoantenna geometry and laser pulse parameters influence proton acceleration [...] Read more.
Laser-driven ion acceleration in dense, hydrogen-rich media can be significantly enhanced by embedding metallic nanoantennas that support localized surface plasmon (LSP) resonances. Using large-scale particle-in-cell (PIC) simulations with the EPOCH code, we investigate how nanoantenna geometry and laser pulse parameters influence proton acceleration in gold-doped polymer targets. The study covers dipole, crossed, and advanced 3D-cross antenna configurations under laser intensities of 1017–1019 W/cm2 and pulse durations from 2.5 to 500 fs, corresponding to experimental conditions at the ELI laser facility. Results show that the dipole antennas exhibit resonance-limited proton energies of ~0.12 MeV, with optimal acceleration at the intensities 4 × 1017–1 × 1018 W/cm2 and pulse durations around 100–150 fs. This energy is higher by roughly three orders of magnitude than the proton energy for the same field and same polymer without dopes: ~1–2 × 10−4 MeV. Crossed antennas achieve higher energies (~0.2 MeV) due to dual-mode plasmonic coupling that sustains local fields longer. Advanced 3D and Yagi-like geometries further enhance field localization, yielding proton energies up to 0.4 MeV and larger high-energy proton populations. For dipole antennas, experimental data from ELI exists and our results agree with it. We find that moderate pulses preserve plasmonic resonance for longer and improve energy transfer efficiency, while overly intense pulses disrupt the resonance early. These findings reveal that plasmonic field enhancement and its lifetime govern energy transfer efficiency in laser–matter interaction. Crossed and 3D geometries with optimized spacing enable multimode resonance and sequential proton acceleration, overcoming the saturation limitations of simple dipoles. The results establish clear design principles for tailoring nanoantenna geometry and pulse characteristics to optimize compact, high-energy proton sources for inertial confinement fusion and high-energy-density applications. Full article
Show Figures

Figure 1

8 pages, 2424 KB  
Article
Dual-Band Dual-Mode Antenna Without Extra Feeding Network Based on Characteristic Mode Analysis for Vehicular Applications
by Qi Du, Chensi Wang, Hui Zhang, Jianxun Su and Zhentao Zhao
Electronics 2025, 14(24), 4927; https://doi.org/10.3390/electronics14244927 - 16 Dec 2025
Viewed by 251
Abstract
In this study, a dual-band dual-mode antenna without any complex feeding network is proposed. The proposed antenna is a type of cascaded cavity antenna, which introduces periodically arranged shorting vias. Using characteristic mode analysis (CMA), the modal behaviors of the proposed antenna without [...] Read more.
In this study, a dual-band dual-mode antenna without any complex feeding network is proposed. The proposed antenna is a type of cascaded cavity antenna, which introduces periodically arranged shorting vias. Using characteristic mode analysis (CMA), the modal behaviors of the proposed antenna without external sources, including modal significance, modal radiation patterns, and modal currents, are analyzed in detail. By setting two properly placed coaxial ports based on CMA, a dual-band antenna with different radiation patterns is realized by exciting different modes at low- and high-frequency bands, allowing the proposed antenna to have a pattern diversity characteristic. Meanwhile, when port 1 is excited, the radiation patterns at 3 and 5 GHz are symmetrical to the radiation patterns when port 2 is excited and vice versa. The prototype is fabricated and investigated experimentally. A good agreement between the simulated and measured results proves the effectiveness and practicality of the proposed antenna. Full article
(This article belongs to the Special Issue AI-Driven IoT: Beyond Connectivity, Toward Intelligence)
Show Figures

Figure 1

10 pages, 3328 KB  
Proceeding Paper
Jamming and Spoofing Detection and Classification Performance Under Hostile GNSS Environments
by Ali Broumandan, Ali Pirsiavash, Isabelle Tremblay and Sandy Kennedy
Eng. Proc. 2025, 88(1), 76; https://doi.org/10.3390/engproc2025088076 - 12 Dec 2025
Viewed by 656
Abstract
Civilian Global Navigation Satellite Systems (GNSS) play a crucial role in critical infrastructure and safety-critical applications, where their low signal power and open descriptions make them vulnerable to threats such as jamming and spoofing. To address these major challenges and growing concerns, NovAtel’s [...] Read more.
Civilian Global Navigation Satellite Systems (GNSS) play a crucial role in critical infrastructure and safety-critical applications, where their low signal power and open descriptions make them vulnerable to threats such as jamming and spoofing. To address these major challenges and growing concerns, NovAtel’s OEM7 receivers are equipped with an advanced GNSS Resilience and Integrity Technology (GRIT) to identify and respond to GNSS threats effectively. This includes Interference Toolkit (ITK), Spoofing Detection Toolkit (SK) and Robust Dual-Antenna Receiver (RoDAR), which employ a range of countermeasures, from jamming detection and characterization to spoofing detection and mitigation, ensuring solution integrity and reliability. The newly developed Galileo Open Service Navigation Message Authentication (OSNMA) module also offers an additional layer of protection by checking for the authenticity of the navigation message for Galileo E1 signals. This paper evaluates the performance of NovAtel’s OEM7 receivers in detecting and mitigating jamming and spoofing using real event data. Effective jamming detection was achieved through spectrum monitoring across all GNSS bands. The effectiveness of GRIT’s anti-jamming and anti-spoofing technologies was demonstrated in advanced test cases. OSNMA results are discussed, highlighting its role as a complementary protection layer for enhanced GNSS security. Full article
(This article belongs to the Proceedings of European Navigation Conference 2024)
Show Figures

Figure 1

15 pages, 11646 KB  
Article
Dual-Band Bent Sensing Textile Antenna Under Dual-Mode Resonance
by Zi-Qiang Liu, Nuo Chen, Ke Ma, Yu-Cheng Luo, Xiao-Hui Mao, Jia-Chen Qi, Xiao-Hui Li and Wen-Jun Lu
Sensors 2025, 25(24), 7511; https://doi.org/10.3390/s25247511 - 10 Dec 2025
Viewed by 490
Abstract
This article presents the design of a dual-mode resonant, dual-band textile microstrip patch antenna for bent sensing applications. The antenna has a simple, slit-perturbed circular sector patch configuration. Unlike traditional single-mode resonant bending sensor antennas, dual-mode resonance brings a unique dual-band sensing characteristic [...] Read more.
This article presents the design of a dual-mode resonant, dual-band textile microstrip patch antenna for bent sensing applications. The antenna has a simple, slit-perturbed circular sector patch configuration. Unlike traditional single-mode resonant bending sensor antennas, dual-mode resonance brings a unique dual-band sensing characteristic to textile antennas. It effectively covers 2.45 GHz and 5.8 GHz Industrial, Scientific and Medical (ISM) frequency bands. Experimental results demonstrate that the proposed antenna achieves −10 dB impedance bandwidths of 1.4% (2.43–2.465 GHz) and 2.4% (5.775–5.915 GHz), with maximum peak gains of 8.8 dBi and 9.1 dBi, respectively. As experimentally validated on flannel substrates, the antenna achieves maximum bent sensing sensitivities of 1.1 MHz/mm and 1.78 MHz/mm at 2.45 GHz and 5.8 GHz bands, respectively. Furthermore, the antenna is able to provide stable E-plane broadside radiation patterns in bending situations. It would be an ideal candidate for radio frequency identification (RFID), health monitoring systems, and flexible communication applications. Full article
(This article belongs to the Section Electronic Sensors)
Show Figures

Figure 1

Back to TopTop