Sign in to use this feature.

Years

Between: -

Subjects

remove_circle_outline
remove_circle_outline
remove_circle_outline
remove_circle_outline
remove_circle_outline
remove_circle_outline
remove_circle_outline

Journals

Article Types

Countries / Regions

Search Results (31)

Search Parameters:
Keywords = diode half-bridge circuit

Order results
Result details
Results per page
Select all
Export citation of selected articles as:
16 pages, 17437 KB  
Article
A Parallel Dual LLC Resonant Converter with Wide Output Voltage Range for Energy System Applications
by Chih-Chiang Hua, Jian-Bin Lai and Wei-Cheng Hung
Energies 2025, 18(7), 1635; https://doi.org/10.3390/en18071635 - 25 Mar 2025
Cited by 2 | Viewed by 1182
Abstract
This paper proposes a half-bridge parallel dual LLC resonant converter with wide output voltage range. The proposed converter uses a conventional parallel double half-bridge LLC resonant converter. On the primary side of the converter, only one of the two half bridges is used [...] Read more.
This paper proposes a half-bridge parallel dual LLC resonant converter with wide output voltage range. The proposed converter uses a conventional parallel double half-bridge LLC resonant converter. On the primary side of the converter, only one of the two half bridges is used to control the two resonant loops. Due to the resonance of the converter, the active switches can achieve ZVS (zero-voltage switching), and the rectifier diode can also achieve ZCS (zero-current switching), and thus the switching loss is reduced. The current stress can be reduced and power can be distributed on both of the primary side and/or the secondary side. A voltage regulation circuit is designed on the secondary side to achieve the function of wide output voltage. The operation and analysis of the proposed converter are described in detail. The experiments were carried out on a circuit prototype, which is a converter with DC input voltage of 384 V and output voltage of 24–40 V and operating at a switching frequency of 107 kHz. The feasibility and performance of the proposed converter were verified by simulation and experimental results. Full article
(This article belongs to the Special Issue Energy, Electrical and Power Engineering: 3rd Edition)
Show Figures

Figure 1

22 pages, 9371 KB  
Article
Single-Phase Transformerless Three-Level PV Inverter in CHB Configuration
by Wojciech Kołodziejski, Jacek Jasielski, Witold Machowski, Juliusz Godek and Grzegorz Szerszeń
Electronics 2025, 14(2), 364; https://doi.org/10.3390/electronics14020364 - 17 Jan 2025
Cited by 1 | Viewed by 1633
Abstract
The paper proposes an original single-phase transformerless three-level (S-PT) photovoltaic (PV) inverter in the cascade H bridge (CHB) configuration. The DC-link voltage of the inverter is created by two serial voltage sources with a voltage twice as low as the DC-link voltage. An [...] Read more.
The paper proposes an original single-phase transformerless three-level (S-PT) photovoltaic (PV) inverter in the cascade H bridge (CHB) configuration. The DC-link voltage of the inverter is created by two serial voltage sources with a voltage twice as low as the DC-link voltage. An appropriate VCC DC-link voltage is generated by a two-phase DC-DC boost converter, fed from the string panel output at a level determined by the maximum power point tracking (MPPT) algorithm. Two symmetrical sources with VCC/2 are formed by a divider of two series-connected capacitors of large and the same capacitance. The common mode (CM) voltage of the proposed inverter is constant, and the voltage stresses across all switches, diodes and gate drive circuits are half of the DC-link voltage. The principles of operation of the S-PT inverter, an implementation of a complete gate control system with galvanic isolation for all IGBTs, are also presented. The proposed inverter topologies have been implemented using high-speed IGBTs and simulated in PSPICE, as well as being experimentally validated. Full article
(This article belongs to the Section Power Electronics)
Show Figures

Figure 1

13 pages, 1502 KB  
Article
Fault-Tolerant Performance Analysis of a Modified Neutral-Point-Clamped Asymmetric Half-Bridge Converter for an In-Wheel Switched Reluctance Motor
by Jackson Oloo and Laszlo Szamel
Eng 2024, 5(4), 2575-2587; https://doi.org/10.3390/eng5040135 - 11 Oct 2024
Viewed by 1378
Abstract
Reliability is an essential factor for the operation of the Switched Reluctance Motor (SRM) drive. Electric vehicles operate in harsh environments, which may degrade the operation of power converters. These failure modes include transistor open- and short-circuits, freewheeling diode open- and short-circuits, and [...] Read more.
Reliability is an essential factor for the operation of the Switched Reluctance Motor (SRM) drive. Electric vehicles operate in harsh environments, which may degrade the operation of power converters. These failure modes include transistor open- and short-circuits, freewheeling diode open- and short-circuits, and DC-link capacitor failures. This work presents a performance analysis of an in-wheel SRM for an electric vehicle under short-circuit (SC) and open-circuit (OC) faults of a modified Neutral-Point-Clamped Asymmetric Half-Bridge (NPC-AHB) Converter. The SRM is modeled as an in-wheel electric vehicle. A separate vehicle model attached to the motor is also developed for validation and performance of the NPC-AHB under different faulty scenarios. The performance of the modified NPC-AHB is also compared with that of a conventional AHB under faulty conditions for an in-wheel 8/6 SRM. The performance indicators such as torque, speed, current, and flux are presented from MATLAB/Simulink 2023b numerical simulations. Full article
(This article belongs to the Section Electrical and Electronic Engineering)
Show Figures

Figure 1

18 pages, 1295 KB  
Article
Resonant Gate Drive Circuit with Active Clamping to Increase Efficiency and Reliability
by Jiaming Zheng, Yi Du, Dachuan Chen, Wucheng Ying, Hui Zhao, Kefu Liu and Jian Qiu
World Electr. Veh. J. 2024, 15(2), 74; https://doi.org/10.3390/wevj15020074 - 18 Feb 2024
Cited by 2 | Viewed by 3005
Abstract
In power converters with high switching frequency, drive losses constitute a significant portion of the overall power losses. Resonant gate drivers can reduce drive losses, thereby enhancing the efficiency. However, resonant drivers suffer certain challenges: parameter drifts lead to the mismatch between the [...] Read more.
In power converters with high switching frequency, drive losses constitute a significant portion of the overall power losses. Resonant gate drivers can reduce drive losses, thereby enhancing the efficiency. However, resonant drivers suffer certain challenges: parameter drifts lead to the mismatch between the resonant frequency and the control frequency, and this mismatch can cause gate-to-source voltage overshoot. Moreover, the resonant driver is susceptible to external interference. This paper proposes a resonant circuit structure and control timing scheme aimed at overcoming these limitations. By incorporating a half-bridge clamp circuit, the proposed design achieves voltage clamping, thereby insulating the system from disturbances caused by mains power fluctuations. When there is a mismatch in resonant frequencies, the strategy employs a combination of hardware circuit diodes and control system timing to prevent overvoltage issues. Additionally, the utilization of MOSFETs minimizes the loss caused by prolonged current flow through body diodes, further reducing the resonant driving losses. Simulations have demonstrated the system’s stability under varying resonant parameters and its effective anti-interference capabilities in voltage clamping. Experiments achieved a power saving of 83.3% at a 1 MHz operating frequency. Both simulations and experimental validations confirm the feasibility of the proposed solution, its effectiveness in interference suppression, handling of resonant mismatches, and its role in further augmenting power conservation. Full article
Show Figures

Figure 1

25 pages, 9555 KB  
Article
A Novel Integrated Electronic Lighting Driver Circuit for Supplying an LED Projection Lamp with High Power Factor and Soft Switching Characteristics
by Chun-An Cheng, Ching-Min Lee, En-Chih Chang, Sheng-Hong Hou, Long-Fu Lan and Cheng-Kuan Lin
Electronics 2023, 12(22), 4642; https://doi.org/10.3390/electronics12224642 - 14 Nov 2023
Cited by 6 | Viewed by 2069
Abstract
The traditional light source of projection lamps adopts a halogen lamp, which has the advantages of high brightness, but its luminous efficiency is not good and consumes energy. A light-emitting diode (LED) has the characteristics of high luminous efficiency and energy savings and [...] Read more.
The traditional light source of projection lamps adopts a halogen lamp, which has the advantages of high brightness, but its luminous efficiency is not good and consumes energy. A light-emitting diode (LED) has the characteristics of high luminous efficiency and energy savings and can be used as a new light source for projection lamps. The conventional two-stage electronic lighting driver circuit for supplying an LED projection lamp is composed of an AC-DC converter with power factor correction (PFC) as the first stage and a DC-DC converter for providing rated lamp voltage and current as the second stage. The conventional LED projection lamp driver circuit has more circuit components, a higher cost and limited efficiency. Therefore, this paper proposes a novel electronic lighting driver circuit for supplying an LED projection lamp with PFC function, which integrates a modified stacked dual boost converter and a half-bridge LLC resonant converter into a single-stage power-conversion circuit. The inductor inside the modified stacked boost converter is designed to operate at discontinuous conduction mode (DCM) for the driver circuit achieving PFC. Wide bandgap semiconductor devices silicon carbide (SiC)-based Schottky diodes are utilized to reduce power diode losses, and soft switching is implemented in the proposed LED projector lamp driver circuit to reduce the switching losses of the power switches and thus improve circuit efficiency. This paper has completed a single-stage prototype driver circuit for an LED projection lamp with PFC function, and the prototype circuit has a high power factor (PF > 0.98), low input current total-harmonic-distortion (THD < 6%) and high efficiency (>89%) in the case of an AC input power supply with an RMS value of 110 volts, and both power switches have the characteristics of soft switching. Full article
(This article belongs to the Special Issue Innovative Technologies in Power Converters, 2nd Edition)
Show Figures

Figure 1

19 pages, 5576 KB  
Article
A Self-Powered DSSH Circuit with MOSFET Threshold Voltage Management for Piezoelectric Energy Harvesting
by Liao Wu, Xinhui Wang and Minghua Xie
Micromachines 2023, 14(8), 1639; https://doi.org/10.3390/mi14081639 - 20 Aug 2023
Cited by 3 | Viewed by 2067
Abstract
This paper presents a piezoelectric (PE) energy harvesting circuit based on the DSSH (double synchronized switch harvesting) principle. The circuit consisted of a rectifier and a DC–DC circuit, which achieves double synchronized switch operation for the PE transducer in each vibration half-cycle. One [...] Read more.
This paper presents a piezoelectric (PE) energy harvesting circuit based on the DSSH (double synchronized switch harvesting) principle. The circuit consisted of a rectifier and a DC–DC circuit, which achieves double synchronized switch operation for the PE transducer in each vibration half-cycle. One of the main challenges of the DSSH scheme was precisely controlling the switch timing in the second loop of the resonant loops. The proposed circuit included a MOS transistor in the second loop to address this challenge. It utilized its threshold voltage to manage the stored energy in the intermediate capacitor per vibration half-cycle to simplify the controller for the DSSH circuit. The circuit can operate under either the DSSH scheme or the ESSH (enhanced synchronized switch harvesting) scheme, depending on the value of the intermediate capacitor. In the DSSH scheme, the following DC–DC circuit reused the rectifier’s two diodes for a short period. The prototype circuit was implemented using 16 discrete components. The proposed circuit can be self-powered and started up without a battery. The experimental results showed that the proposed circuit increased the power harvested from the PE transducer compared to the full-bridge (FB) rectifier. With two different intermediate capacitors of 100 nF and 320 nF, the proposed circuit achieved power increases of 3.2 and 2.7 times, respectively. The charging efficiency of the proposed circuit was improved by a factor of 5.1 compared to the typical DSSH circuit. Full article
Show Figures

Figure 1

19 pages, 7791 KB  
Article
An AC-DC LED Integrated Streetlight Driver with Power Factor Correction and Soft-Switching Functions
by Chun-An Cheng, Hung-Liang Cheng, Chien-Hsuan Chang, En-Chih Chang, Zheng-You Kuo, Cheng-Kuan Lin and Sheng-Hong Hou
Sustainability 2023, 15(13), 10579; https://doi.org/10.3390/su151310579 - 5 Jul 2023
Cited by 4 | Viewed by 2151
Abstract
The use of light-emitting diodes (LEDs) in street lighting applications has been greatly welcomed with the current trends of energy saving, environmental protection, carbon reduction, and sustainable development. This paper presents a novel AC-DC LED integrated streetlight driver that combines an interleaved buck [...] Read more.
The use of light-emitting diodes (LEDs) in street lighting applications has been greatly welcomed with the current trends of energy saving, environmental protection, carbon reduction, and sustainable development. This paper presents a novel AC-DC LED integrated streetlight driver that combines an interleaved buck converter with a coupled inductor and a half-bridge series resonant converter with a full-bridge rectifier into a single-stage power conversion topology with power factor correction (PFC) and soft switching capabilities. The PFC is achieved by designing the coupling inductor in the interleaved buck converter sub-circuit in discontinuous conduction mode. In addition, the resonant tank in the half-bridge series resonant converter sub-circuit is designed to be similar to an inductive load, thus giving the power switch a zero-voltage switching (ZVS) function, decreasing switching losses and increasing the overall efficiency of the proposed circuit. A prototype circuit of the proposed LED integrated streetlight driver with a power rating of 165 W (235 V/0.7 A) and 110 V input utility voltage has been developed and tested. According to the measurement results, a power factor greater than 0.98, a total harmonic distortion coefficient of the input current less than 3%, and an efficiency greater than 89% were obtained in the AC-DC LED integrated streetlight driver. Therefore, the experimental results are satisfactory and demonstrate the functionality of the proposed AC-DC LED integrated streetlight driver. Full article
(This article belongs to the Special Issue Sustainable Energy Systems and Renewable Generation)
Show Figures

Figure 1

16 pages, 5142 KB  
Article
A Comparative Evaluation of Wide-Bandgap Semiconductors for High-Performance Domestic Induction Heating
by Sezer Aslan, Metin Ozturk and Nihan Altintas
Energies 2023, 16(10), 3987; https://doi.org/10.3390/en16103987 - 9 May 2023
Cited by 11 | Viewed by 2529
Abstract
This paper presents a comparative evaluation of wide-bandgap power semiconductor devices for domestic induction heating application, which is currently a serious alternative to traditional heating techniques. In the induction heating system, the power transferred to the output depends on the equivalent resistance of [...] Read more.
This paper presents a comparative evaluation of wide-bandgap power semiconductor devices for domestic induction heating application, which is currently a serious alternative to traditional heating techniques. In the induction heating system, the power transferred to the output depends on the equivalent resistance of the load, and the resistance depends on the operating frequency. Due to the switching characteristics of wide-bandgap power semiconductor devices, an induction heating system can be operated at higher operating frequencies. In this study, SiC and Si semiconductor devices are used in the comparison. These devices are compared according to different evaluation issues such as the turn-off energy losses, turn-off times, current fall time, the power losses of the internal diodes, and the conduction voltage drops issues. To perform the proposed evaluation, the series-resonant half-bridge inverter, which is frequently used in state-of-the-art induction heating systems, has been selected. The device suitability in an induction heating system is analyzed with the help of a test circuit. A comparison is made in terms of criteria determined by using the selected switches in the experimental circuit, which is operated in the 200 W to 1800 W power range and 45 kHz to 125 kHz switching frequency range. System efficiency is measured as 97.3% when Si IGBT is used. In the case of using SiC cascode JFET, the efficiency of the system is increased up to 99%. Full article
(This article belongs to the Section F3: Power Electronics)
Show Figures

Figure 1

32 pages, 10387 KB  
Review
A Critical Review of Modular Multilevel Converter Configurations and Submodule Topologies from DC Fault Blocking and Ride-Through Capabilities Viewpoints for HVDC Applications
by Munif Nazmus Sakib, Sahar Pirooz Azad and Mehrdad Kazerani
Energies 2022, 15(11), 4176; https://doi.org/10.3390/en15114176 - 6 Jun 2022
Cited by 24 | Viewed by 4892
Abstract
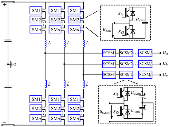
Modular multilevel converters (MMCs) based on half-bridge submodules (HBSMs) are unable to prevent the AC side contribution to DC side fault currents, thus necessitating circuit breakers (CBs) for protection. A solution to this problem is using submodules (SMs) that are capable of blocking [...] Read more.
Modular multilevel converters (MMCs) based on half-bridge submodules (HBSMs) are unable to prevent the AC side contribution to DC side fault currents, thus necessitating circuit breakers (CBs) for protection. A solution to this problem is using submodules (SMs) that are capable of blocking the flow of current from the AC grid to feed the DC side fault. The full-bridge submodule (FBSM) is one type of fault blocking SM where the presence of two extra switches ensures that in the event of a DC fault, the reverse voltage from the FBSM capacitor is placed in the path of the AC side current feeding the DC side fault through the antiparallel diodes. However, the additional semiconductor switches in the FBSMs increase the converter cost, complexity, and losses. Several SM configurations have been proposed in recent years that provide DC fault blocking capability with lower losses and device counts than those of FBSMs. Besides, many of the proposed hybrid converter configurations that combine different topologies to optimize converter performance are also capable of providing DC fault blocking. Furthermore, certain SM topologies are capable of riding through DC faults by remaining deblocked and operating in static synchronous compensator (STATCOM) mode to provide reactive power support to the AC grid. In this paper, noteworthy SM and MMC configurations capable of DC fault blocking and ride-through are reviewed and compared in terms of component requirements, semiconductor losses, and DC fault handing capability. The review also includes a discussion on control strategies for MMC arm/leg energy balancing during STATCOM operation. Full article
(This article belongs to the Section F3: Power Electronics)
Show Figures

Figure 1

29 pages, 9753 KB  
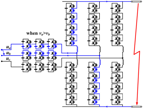
Article
Analysis and Design of the Split-Capacitor-Based Sub-Modules Equipped for Hybrid Modular Multilevel Converter
by Ming Huang and Jianhua Li
Energies 2022, 15(7), 2370; https://doi.org/10.3390/en15072370 - 24 Mar 2022
Cited by 2 | Viewed by 2519
Abstract
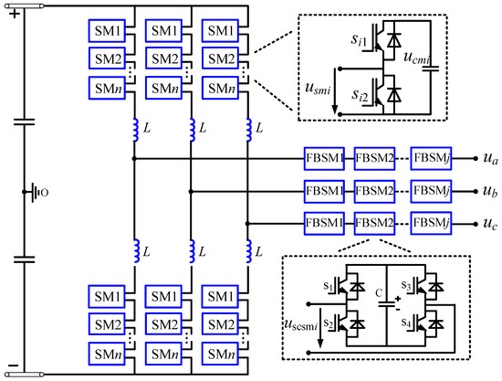
The hybrid modular multilevel converter (MMC) is always featured and profited by the merits of the equipped power valves. Referring to this, a novel hybrid MMC topology equipped with the split-capacitor-based sub-modules (SCSMs) on the AC side is proposed. It aims to increase [...] Read more.
The hybrid modular multilevel converter (MMC) is always featured and profited by the merits of the equipped power valves. Referring to this, a novel hybrid MMC topology equipped with the split-capacitor-based sub-modules (SCSMs) on the AC side is proposed. It aims to increase the utilization of the DC bus voltage with DC fault blocking capability. Especially compared to the hybrid MMC equipped with the full-bridge-based sub-modules (FBSMs) on the AC side, smaller power losses can be achieved for the proposed hybrid MMC, due to the reason that only one semiconductor device of the SCSM is inserted into the current flow route. Structurally, the proposed converter mainly consists of the half-bridge-based sub-module (HBSM) stacks and SCSM stacks. The HBSMs located on the DC converter side of the proposed hybrid MMC are in charge of exchanging active powers, while the SCSMs located on the AC converter side are in charge of shaping the circuit waveforms. Additionally, profited by the specific structure of the SCSM, the DC fault current could be cut off by imposing inversed voltages collected from the SCSM capacitor voltages on the uncontrollable diodes of the IGBTs. For the deep study, a detailed mathematical model and modulation control of the proposed hybrid MMC are analyzed. In addition, an analysis of the balancing control for SCSMs is also provided. Finally, the simulation and experimental results are proposed to verify the effectiveness of the theoretical analysis. Full article
Show Figures

Figure 1

20 pages, 6506 KB  
Article
Analysis and Output Power Control of Unidirectional Secondary-Resonant Single-Active-Half-Bridge DC-DC Converter
by Cao Anh Tuan and Takaharu Takeshita
Energies 2021, 14(21), 7432; https://doi.org/10.3390/en14217432 - 8 Nov 2021
Cited by 4 | Viewed by 3840
Abstract
Development of high-frequency-isolated DC-DC converters is underway for charging and discharging electric vehicle batteries. As a charger, a Single Active Bridge (SAB) converter, which is composed of a primary full-bridge converter, a high-frequency transformer, and a secondary full-bridge diode rectifier circuit, has been [...] Read more.
Development of high-frequency-isolated DC-DC converters is underway for charging and discharging electric vehicle batteries. As a charger, a Single Active Bridge (SAB) converter, which is composed of a primary full-bridge converter, a high-frequency transformer, and a secondary full-bridge diode rectifier circuit, has been proposed as a unidirectional high frequency isolated DC-DC converter. In this paper, as a simple circuit configuration, a Secondary-Resonant Single-Active-Half-Bridge (SR-SAHB) converter, in which the primary and secondary circuits of the SAB converter are both half-bridge circuits, and a resonant capacitor connected in parallel to each secondary diode, is created. Due to the partial resonance on the secondary side, power transmission with unity transformer turn ratio and unity voltage conversion ratio can be realized, and a high total input power factor of the transformer can be achieved. As a result, the maximum voltage and current of the switching devices and the transformer voltage can be reduced. Moreover, soft switching in all commutations can be realized. The operation waveform is analyzed, and output power control is derived using the variable frequency control method. The effectiveness of the proposed SR-SAHB has been verified by experimental results using a 2.4 kW 20 kHz, 265 V laboratory prototype. Full article
(This article belongs to the Special Issue DC-DC Converters Technologies, Applications and Optimization)
Show Figures

Figure 1

21 pages, 7553 KB  
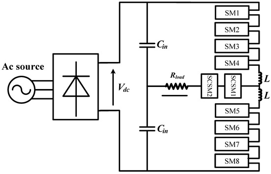
Article
A Multilevel Inverter Topology Using Diode Half-Bridge Circuit with Reduced Power Component
by Jagabar Sathik, Shady H. E. Abdel Aleem, Rasoul Shalchi Alishah, Dhafer Almakhles, Kent Bertilsson, Mahajan Sagar Bhaskar, George Fernandez Savier and Karthikeyan Dhandapani
Energies 2021, 14(21), 7249; https://doi.org/10.3390/en14217249 - 3 Nov 2021
Cited by 14 | Viewed by 3427
Abstract
This paper presents a new multilevel converter with a reduced number of power components for medium voltage applications. Both symmetric and asymmetric structures of the presented multilevel converter are proposed. The symmetric topology requires equal dc source values, whereas the asymmetric topology uses [...] Read more.
This paper presents a new multilevel converter with a reduced number of power components for medium voltage applications. Both symmetric and asymmetric structures of the presented multilevel converter are proposed. The symmetric topology requires equal dc source values, whereas the asymmetric topology uses minimum switch count. However, both structures suffer from high blocking voltage across the switches. To reduce the blocking voltage on switches, an optimal topology is presented and analyzed for the selection of the minimum number of switches and dc sources, while maintaining a low blocking voltage across the switches. A comparative analysis with recently published topologies was performed. The simulation results, as well as the comparative analysis, validated the robustness and effectiveness of the proposed topology in terms of the reduced power loss, lowered number of components, and cost. Furthermore, in addition to the simulation results, the performance of the proposed topology was verified using experimental results of 9, 17, and 25 levels. Full article
(This article belongs to the Special Issue Power Electronics for the Grid Integration of Photovoltaic Systems)
Show Figures

Figure 1

16 pages, 22031 KB  
Article
Three-Phase Six-Level Multilevel Voltage Source Inverter: Modeling and Experimental Validation
by Sheikh Tanzim Meraj, Nor Zaihar Yahaya, Kamrul Hasan, Molla Shahadat Hossain Lipu, Ammar Masaoud, Sawal Hamid Md Ali, Aini Hussain, Muhammad Murtadha Othman and Farhan Mumtaz
Micromachines 2021, 12(9), 1133; https://doi.org/10.3390/mi12091133 - 21 Sep 2021
Cited by 23 | Viewed by 4370
Abstract
This research proposes a three-phase six-level multilevel inverter depending on twelve-switch three-phase Bridge and multilevel DC-link. The proposed architecture increases the number of voltage levels with less power components than conventional inverters such as the flying capacitor, cascaded H-bridge, diode-clamped and other recently [...] Read more.
This research proposes a three-phase six-level multilevel inverter depending on twelve-switch three-phase Bridge and multilevel DC-link. The proposed architecture increases the number of voltage levels with less power components than conventional inverters such as the flying capacitor, cascaded H-bridge, diode-clamped and other recently established multilevel inverter topologies. The multilevel DC-link circuit is constructed by connecting three distinct DC voltage supplies, such as single DC supply, half-bridge and full-bridge cells. The purpose of both full-bridge and half-bridge cells is to provide a variable DC voltage with a common voltage step to the three-phase bridge’s mid-point. A vector modulation technique is also employed to achieve the desired output voltage waveforms. The proposed inverter can operate as a six-level or two-level inverter, depending on the magnitude of the modulation indexes. To guarantee the feasibility of the proposed configuration, the proposed inverter’s prototype is developed, and the experimental results are provided. The proposed inverter showed good performance with high efficiency of 97.59% following the IEEE 1547 standard. The current harmonics of the proposed inverter was also minimized to only 5.8%. Full article
Show Figures

Graphical abstract

17 pages, 6485 KB  
Article
A New MMC Sub-Module Topology with DC Fault Blocking Capability and Capacitor Voltage Self-Balancing Capability
by Yuqi Pang, Gang Ma, Xunyu Liu, Xiaotian Xu and Xinyuan Zhang
Energies 2021, 14(12), 3409; https://doi.org/10.3390/en14123409 - 9 Jun 2021
Cited by 8 | Viewed by 2478
Abstract
A large number of modular multilevel converters (MMC) are connected to HVDC transmission systems nowadays. This paper aims at the short-circuit fault in the DC line of the HVDC transmission system and the problem of capacitor voltage imbalance in MMC, proposing a new [...] Read more.
A large number of modular multilevel converters (MMC) are connected to HVDC transmission systems nowadays. This paper aims at the short-circuit fault in the DC line of the HVDC transmission system and the problem of capacitor voltage imbalance in MMC, proposing a new type of MMC sub-module, which has both the DC fault self-clearing ability and the capacitor voltage self-balancing ability. This sub-module combines the topology of half bridge and full bridge. It uses the reverse capacitor voltage to forcibly turn off the conducting diode to block the fault current loop. At the same time, the two capacitances charge and discharge states are consistent by utilizing the operating mode of the sub-module. It is possible to directly achieve a self-balancing capacitor voltage without complex balancing voltage control. The MATLAB/Simulink simulation verifies the effectiveness of the DC fault blocking capability and capacitor voltage balance capability of the proposed sub-module. Full article
Show Figures

Figure 1

21 pages, 10237 KB  
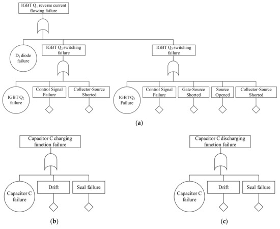
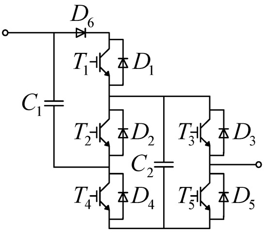
Article
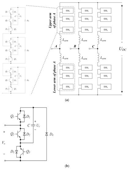
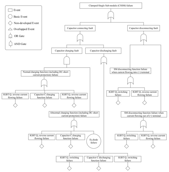
Failure Rate and Economic Cost Analysis of Clamped-Single Submodule with DC Short Current Protection for High Voltage Direct Current System
by Yun-Gi Kwak, Feel-Soon Kang and Sung-Geun Song
Electronics 2021, 10(9), 993; https://doi.org/10.3390/electronics10090993 - 21 Apr 2021
Cited by 6 | Viewed by 2351
Abstract
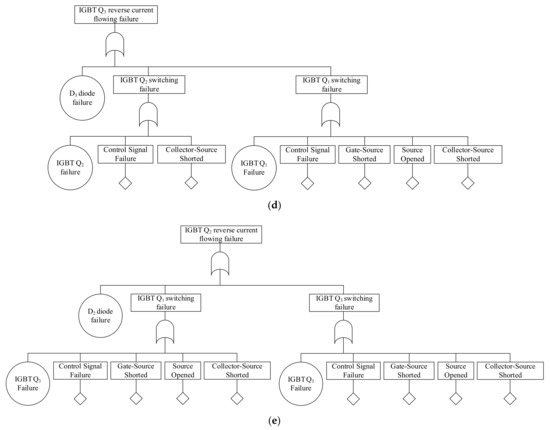
Clamped-single submodule (CSSM) has DC short circuit current protection function to improve the safety and stability of high voltage, direct current (HVDC) system. In order to carry out the protection, it needs an additional number of insulated gate bipolar transistors (IGBTs) and diodes [...] Read more.
Clamped-single submodule (CSSM) has DC short circuit current protection function to improve the safety and stability of high voltage, direct current (HVDC) system. In order to carry out the protection, it needs an additional number of insulated gate bipolar transistors (IGBTs) and diodes compared to the conventional half-bridge submodule (HBSM). In general, the failure rate tends to increase in proportion to the number of circuit components. Also, complex operation of the submodule may increase the failure rate, so accurate reliability analysis considering these points is required to apply CSSM in a practical HVDC system. We estimate the failure rate and the mean time between failures (MTBF) of CSSM using a fault tree. Fault-tree analysis (FTA) is possible to analyze the failure rate more accurately than the prior part count failure analysis (PCA) that considers only the number of parts, the type of parts, and the connection status of each circuit component. To provide guidelines for submodule selection under various conditions, we compare the economic cost of a CSSM with HBSM, FBSM, and clamped-double submodule (CDSM), and analyze the failure rate according to the voltage margin of the parts. Full article
(This article belongs to the Section Power Electronics)
Show Figures

Figure 1

Back to TopTop