A Comparative Evaluation of Wide-Bandgap Semiconductors for High-Performance Domestic Induction Heating
Abstract
1. Introduction
2. Literature Review
- Circuit volume cannot be reduced since IGBTs cannot be operated above 100 kHz;
- Semiconductor power devices with wide bandwidth can operate at high voltages;
- Nonferromagnetic materials cannot be heated because of the IGBT’s switching frequency, and voltage values are not high enough.
- SiC devices that have not been compared with each other before being compared;
- A device suitability analysis is performed using SiC power devices according to different manufacturers and voltage ratings;
- The advantages of high switching speed SiC devices are examined;
- A wide range and high-efficiency operation have been achieved at high frequencies, which is important for heating all metals in state-of-the-art induction heating systems.
3. Performance Parameters
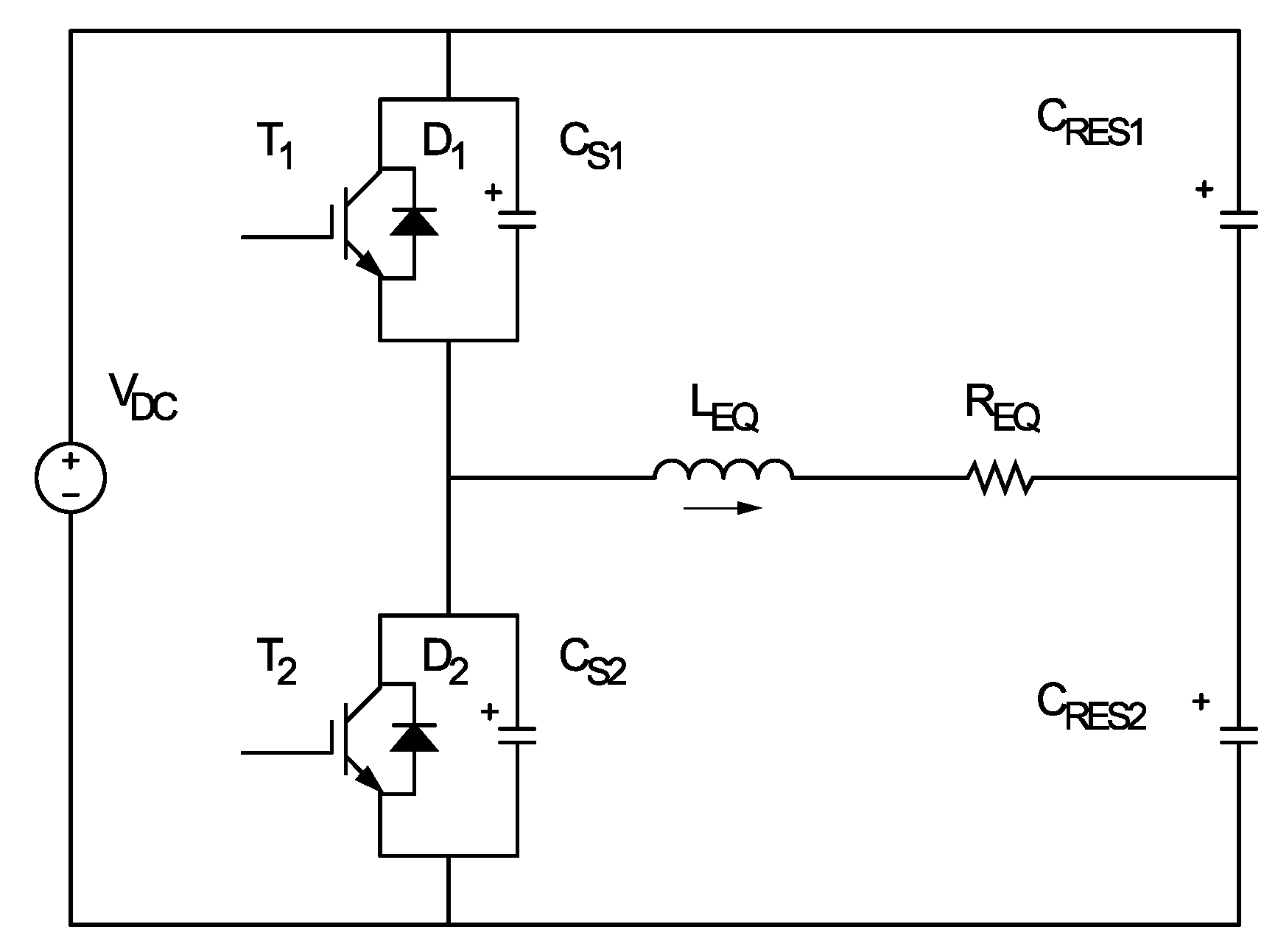
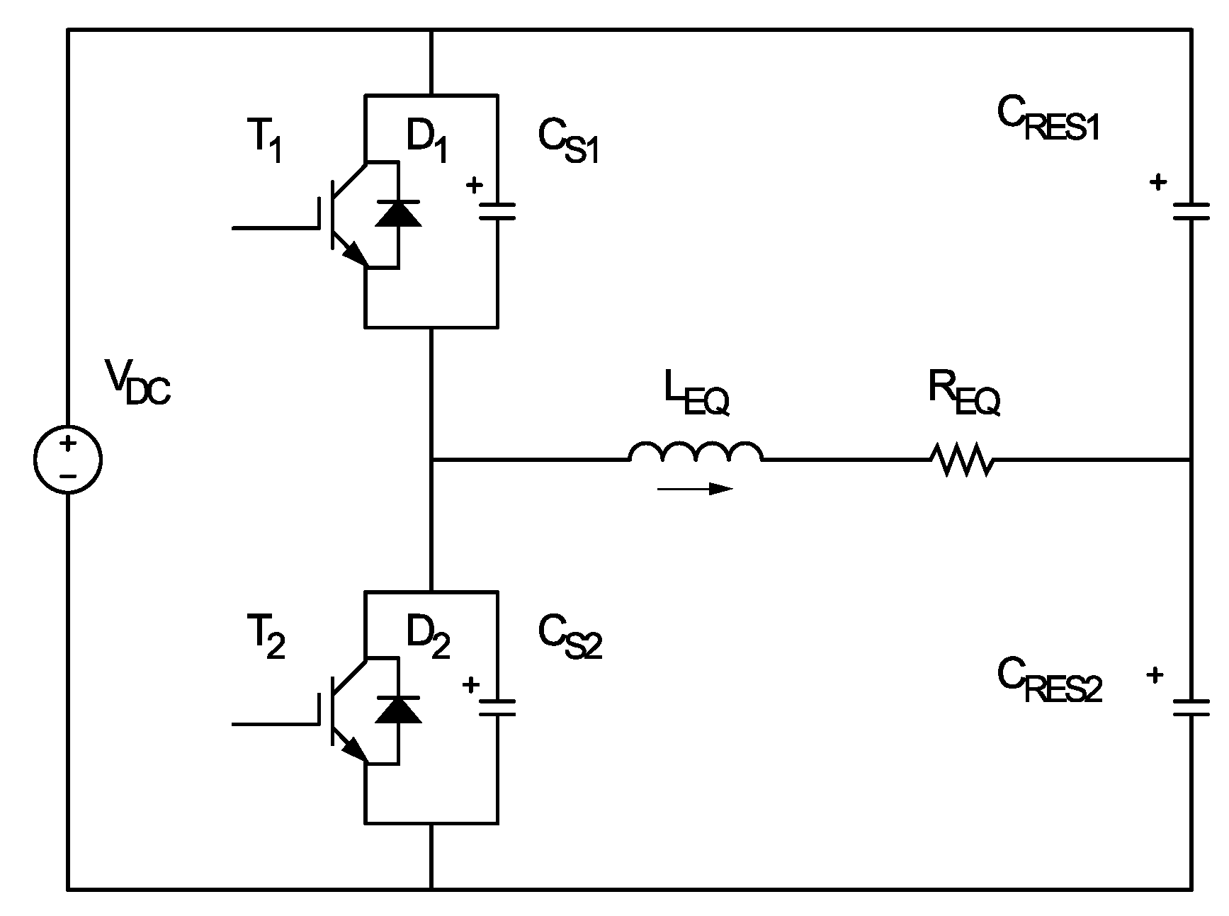
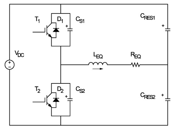
4. System Description
- (a)
- Reference application
- (b)
- Resonance tank design
5. Experimental Results
6. Discussion
7. Conclusions
- As with the state-of-the-art Si IGBTs, the SiC Cascode JFET device, which combines the good features of two different devices, showed the best performance;
- SiC cascode JFET is advantageous in terms of applicability compared to other SiC devices, as it can be driven with the drive circuit of the Si IGBT;
- SiC cascode JFET has a flat efficiency curve, as well as a not only highly efficient operation throughout the selected switching frequency range.
Author Contributions
Funding
Data Availability Statement
Acknowledgments
Conflicts of Interest
Nomenclature
| CRES1, CRES2 | Resonance capacitors | Pn | Nominal power | TJM | Maximum operating junction temperature |
| CS1, CS2 | Snubber capacitors | POFF | Turn-off power loss | tOFF | Turn-off time |
| D1, D2 | Freewheeling diodes | PON | Turn-on power loss | tr | Rise time |
| di/dt | Current rate of change | PSW | Switching power loss | VACmin | AC minimum voltage |
| fRES | Resonance frequency | PT | Total power losses | VG | Gate voltage |
| fSW | Switching frequency | RDSon | On resistance | Vn | Nominal voltage |
| In | Nominal current | REQ | Equivalent resistance | VON | Saturation voltage |
| LEQ | Equivalent inductance | RJC | Thermal resistance junction-to-case | EOFF | Turn-off switching loss |
| PBD | Body diode power loss | T1, T2 | Power devices | EON | Turn-on switching loss |
| PCON | Conduction power loss | td | Delay time | ESW | Switching loss |
| PM | Maximum power loss | tf | Fall time | η | Efficiency |
References
- CREE. Application Considerations for Silicon Carbide MOSFETs under Power Appl. Notes. 2011. Available online: https://www.mouser.com/pdfDocs/Cree-Application-Considerations-for-Silicon-Carbide-MOSFETs.pdf (accessed on 11 December 2022).
- Sarnago, H.; Lucia, O.; Burdio, J.M. Interleaved resonant boost inverter featuring SiC module for high-performance induction heating. IEEE Trans. Power Electron. 2017, 32, 1018–1029. [Google Scholar] [CrossRef]
- Prado, E.O.; Bolsi, P.C.; Sartori, H.C.; Pinheiro, J.R. An Overview about Si, Superjunction, SiC and GaN Power MOSFET Technologies in Power Electronics Applications. Energies 2022, 15, 5244. [Google Scholar] [CrossRef]
- Górecki, P.; Górecki, K.; Kisiel, R.; Brzozowski, E.; Bar, J.; Guziewicz, M. Investigations of an Influence of the Assembling Method of the Die to the Case on Thermal Parameters of IGBTs. IEEE Trans. Compon. Packag. Manuf. Technol. 2021, 11, 1988–1996. [Google Scholar] [CrossRef]
- Li, K.; Evans, P.; Johnson, M. SiC/GaN power semiconductor devices: A theoretical comparison and experimental evaluation under different switching conditions. IET Electr. Syst. Transp. 2018, 8, 3–11. [Google Scholar] [CrossRef]
- Nakamura, T.; Nakano, Y.; Aketa, M.; Hanada, T. Recent Development and Future Prospects of Power SiC Devices. In Proceedings of the 2014 International Power Electronics Conference (IPEC-Hiroshima 2014-ECCE ASIA), Hiroshima, Japan, 18–21 May 2014; Volume 720, p. 2074. [Google Scholar] [CrossRef]
- Nagy, I. Inverters-Resonant Converters; CRC: Boca Raton, FL, USA, 2002. [Google Scholar]
- Kotzea, S.; Debald, A.; Heuken, M.; Kalisch, H.; Vescan, A. Demonstration of a GaN-Based Vertical-Channel JFET Fabricated by Selective-Area Regrowth. IEEE Trans. Electron Devices 2018, 65, 5329–5336. [Google Scholar] [CrossRef]
- Pittini, R.; Zhang, Z.; Andersen, M.A.E. SiC JFET Cascode Loss Dependency on the MOSFET Output Capacitance and Performance Comparison with Trench IGBTs. In Proceedings of the 2013 Twenty-Eighth Annual IEEE Applied Power Electronics Conference and Exposition (APEC), Long Beach, CA, USA, 17–21 March 2013; pp. 1287–1293. [Google Scholar] [CrossRef]
- Josifović, I.; Popović-Gerber, J.; Ferreira, J.A. Improving SiC JFET switching behavior under influence of circuit parasitics. IEEE Trans. Power Electron. 2021, 27, 3843–3854. [Google Scholar] [CrossRef]
- Haehre, K.; Meisser, M.; Denk, F.; Kling, R.; Heering, W. Switching Speed-Control of an Optimized Capacitor-Clamped Normally-on Silicon Carbide JFET Cascode. In Proceedings of the 15th International Power Electronics and Motion Control Conference (EPE/PEMC), Novi Sad, Serbia, 4–6 September 2012. [Google Scholar] [CrossRef]
- Sarnago, H.; Lucia, O.; Mediano, A.; Burdio, J.M. Design and implementation of a high-efficiency multiple-output resonant converter for induction heating applications featuring wide bandgap devices. IEEE Trans. Power Electron. 2014, 29, 2539–2549. [Google Scholar] [CrossRef]
- Ning, P.; Zhang, D.; Lai, R.; Jiang, D.; Wang, F.; Boroyevich, D.; Burgos, R.; Karimi, K.; Immanuel, V.D.; Solodovnik, E.V. High-temperature hardware: Development of a 10-kW high-temperature, high-power-density three-phase ac-dc-ac SiC converter. IEEE Ind. Electron. Mag. 2013, 7, 6–17. [Google Scholar] [CrossRef]
- Esteve, V.; Jordan, J.; Sanchis-Kilders, E.; Dede, E.J.; Maset, E.; Ejea, J.B.; Ferreres, A. Comparative study of a single inverter bridge for dual-frequency induction heating using Si and SiC MOSFETs. IEEE Trans. Ind. Electron. 2015, 62, 1440–1450. [Google Scholar] [CrossRef]
- Jordan, J.; Esteve, V.; Sanchis-Kilders, E.; Dede, E.J.; Maset, E.; Ejea, J.B.; Ferreres, A. A comparative performance study of a 1200 v Si and SiC MOSFET intrinsic diode on an induction heating inverter. IEEE Trans. Power Electron. 2014, 29, 2550–2562. [Google Scholar] [CrossRef]
- Millan, J.; Godignon, P.; Perpina, X.; Perez-Tomas, A.; Rebollo, J. A survey of wide bandgap power semiconductor devices. IEEE Trans. Power Electron. 2014, 29, 2155–2163. [Google Scholar] [CrossRef]
- Moreland, W.C. Induction Its Performance Development Problems. IEEE Trans. Ind. Appl. 1973, 1A-9, 81–85. [Google Scholar] [CrossRef]
- Kazimierczuk, M.K.; Dariusz, C. Resonant Power Converters, 2nd ed.; John Wiley & Sons, Inc., Publication: Hoboken, NJ, USA, 2011. [Google Scholar]
- Dzieniakowski, M.A. Power Electronics Converters in Induction Heating—The Survey. In Proceedings of the 2017 Progress in Applied Electrical Engineering (PAEE), Koscielisko, Poland, 25–30 June 2017. [Google Scholar] [CrossRef]
- Ozturk, M.; Zungor, F.; Emre, B.; Oz, B. Quasi Resonant Inverter Load Recognition Method. IEEE Access 2022, 10, 89376–89386. [Google Scholar] [CrossRef]
- Vishnuram, P.; Ramachandiran, G.; Babu, T.S.; Nastasi, B. Induction heating in domestic cooking and industrial melting applications: A systematic review on modelling, converter topologies and control schemes. Energies 2021, 14, 6634. [Google Scholar] [CrossRef]
- Sarnago, H.; Lucía, Ó.; Burdío, J.M. A Comparative Evaluation of SiC Power Devices for High-Performance Domestic Induction Heating. IEEE Trans. Ind. Electron. 2015, 62, 4795–4804. [Google Scholar] [CrossRef]
- Shijo, T.; Kurachi, S.; Noda, Y.; Yamada, H.; Tanaka, T. A 400 kHz SiC-MOSFETs High-Frequency Inverter for Small-Foreign-Metal Particle Detection. In Proceedings of the 2016 IEEE 2nd Annual Southern Power Electronics Conference (SPEC), Auckland, New Zealand, 5–8 December 2016; pp. 3–7. [Google Scholar] [CrossRef]
- Ogiwara, H.; Itoi, M.; Nakaoka, M. Highly Efficient High Frequency Inverter for Induction Heating Using SiC Power Module. In Proceedings of the 2016 IEEE International Power Electronics and Motion Control Conference (PEMC), Varna, Bulgaria, 25–28 September 2016; Volume 5, pp. 116–121. [Google Scholar] [CrossRef]
- Komeda, S.; Tsuboi, Y.; Fujita, H. Inverter for Industrial Induction Heating Systems. In Proceedings of the 2014 International Power Electronics Conference (IPEC-Hiroshima 2014-ECCE ASIA), Hiroshima, Japan, 18–21 May 2014; pp. 1160–1165. [Google Scholar]
- Aunsborg, T.S.; Duun, S.B.; Munk-Nielsen, S.; Uhrenfeldt, C. Development of a current source resonant inverter for high current MHz induction heating. IET Power Electron. 2022, 15, 1–10. [Google Scholar] [CrossRef]
- Gaudó, P.M.; Bernal, C.; Otín, A.; Burdío, J.M. Silicon carbide JFET resonant inverter for induction heating home appliances. In Proceedings of the IECON 2011-37th Annual Conference of the IEEE Industrial Electronics Society, Melbourne, VIC, Australia, 7–10 November 2011; pp. 2551–2556. [Google Scholar] [CrossRef]
- Sarnago, H.; Lucia, O.; Mediano, A.; Burdio, J.M. A class-e direct AC-AC converter with multicycle modulation for induction heating systems. IEEE Trans. Ind. Electron. 2014, 61, 2521–2530. [Google Scholar] [CrossRef]
- Valchev, V.C.; Mareva, D.J. Considerations for components selection of inverter for induction heating. In Proceedings of the 2016 25th International Scientific Conference Electronics (ET), Sozopol, Bulgaria, 12–14 September 2016; pp. 38–41. [Google Scholar] [CrossRef]
- Mishima, T.; Morinaga, S.; Nakaoka, M. All-SiC power module-applied single-stage ZVS-PWM AC-AC converter for high-frequency induction heating. In Proceedings of the IECON 2015-41st Annual Conference of the IEEE Industrial Electronics Society, Yokohama, Japan, 9–12 November 2015; pp. 004211–004216. [Google Scholar] [CrossRef]
- Laloya, E.; Lucia, O.; Concha, J.; Burdio, J.M. Experimental evaluation of dynamic load changes in flexible induction heating appliances. In Proceedings of the IECON 2014-40th Annual Conference of the IEEE Industrial Electronics Society, Dallas, TX, USA, 29 October–1 November 2014; pp. 3227–3232. [Google Scholar] [CrossRef]
- Cha, K.-H.; Ju, C.-T.; Kim, R.-Y. Analysis and Evaluation of WBG Power Device in High Frequency Induction Heating Application. Energies 2020, 13, 5351. [Google Scholar] [CrossRef]
- Shijo, T.; Kurachi, S.; Uchino, Y.; Noda, Y.; Yamada, H.; Tanaka, T. High-frequency induction heating for small-foreign-metal particle detection using 400 kHz SiC-MOSFETs inverter. In Proceedings of the 2017 IEEE Energy Conversion Congress and Exposition (ECCE), Cincinnati, OH, USA, 1–5 October 2017; pp. 5133–5138. [Google Scholar] [CrossRef]
- Avellaned, J.; Bernal, C.; Otin, A.; Molina, P.; Burdio, J.M. Half-bridge resonant inverter with SiC cascode applied to domestic induction heating. In Proceedings of the 2013 Twenty-Eighth Annual IEEE Applied Power Electronics Conference and Exposition (APEC), Long Beach, CA, USA, 17–21 March 2013; pp. 122–127. [Google Scholar] [CrossRef]
- Bodur, H. Güç Elektroniği, 2nd ed.; Birsen Yayınevi: Istanbul, Turkey, 2012. [Google Scholar]
- Sarnago, H.; Lucía, Ó.; Mediano, A.; Burdío, J.M. Analytical Model of the Half-Bridge Series Resonant Inverter for Improved Power Conversion Efficiency and Performance. IEEE Trans. Power Electron. 2015, 30, 4128–4143. [Google Scholar] [CrossRef]
- Lucia, O.; Carretero, C.; Palacios, D.; Valeau, D.; Burdío, J.M. Configurable snubber network for efficiency optimisation of resonant converters applied to multi-load induction heating. Electron. Lett. 2011, 47, 989–991. [Google Scholar] [CrossRef]
- Ozturk, M.; Altintas, N. Multi-output AC–AC converter for domestic induction heating. Electr. Eng. 2022, 25, 1–20. [Google Scholar] [CrossRef]
- Salehifar, M.; Moreno-Eguilaz, M.; Sala, V.; Romeral, L. A novel AC-AC converter based SiC for domestic induction cooking applications. In Proceedings of the 2013 Twenty-Eighth Annual IEEE Applied Power Electronics Conference and Exposition (APEC), Long Beach, CA, USA, 17–21 March 2013; pp. 3216–3223. [Google Scholar] [CrossRef]
- Sarnago, H.; Lucia, O.; Mediano, A.; Burdio, J.M. Direct AC-AC resonant boost converter for efficient domestic induction heating applications. IEEE Trans. Power Electron. 2014, 29, 1128–1139. [Google Scholar] [CrossRef]
- Aggeler, D.; Canales, F.; Biela, J.; Kolar, J.W. Dv/Dt-Control Methods for the SiC JFET/Si MOSFET Cascode. IEEE Trans. Power Electron. 2013, 28, 4074–4082. [Google Scholar] [CrossRef]













| Reference | Topology | Si | Si | SiC | SiC | SiC | SiC |
|---|---|---|---|---|---|---|---|
| IGBT | MOSFET | MOSFET | BJT | JFET | Cascode JFET | ||
| [23] | FB | X | |||||
| [2] | FB | X | |||||
| [24] | HB + FB | X | |||||
| [25] | FB | X | |||||
| [26] | CSRI | X | |||||
| [27] | SS QR | X | X | ||||
| [28] | QR | X | |||||
| [12] | FB | X | |||||
| [14] | SR HB | X | |||||
| [15] | FB | X | X | ||||
| [29] | SR FB | X | X | ||||
| [30] | LLC | X | X | X | |||
| [31] | Boost HB | X | X | ||||
| [32] | HB | X | |||||
| [33] | HB | X | X | X | X | ||
| PS | HB | X | X | X |
| Ref. | Device | Topology | Analyses | ||||||
|---|---|---|---|---|---|---|---|---|---|
| Type | η | Voltage | Current | Pn | fSW | Type | Frequency | ||
| (%) | (V) | (A) | (kW) | (kHz) | |||||
| [15] | Si MOSFET | 97.3 | 1200 | 29 | 5 | 100 | FB | Constant | tOFF, tON, |
| 2Si MOSFET | 98 | 1200 | 24 | POFF, PON, | |||||
| SiC MOSFET | 99.2 | 1200 | 33 | PT, η | |||||
| [30] | Si IGBT | 95.2 | 1200 | 100 | 2.6 | 32 | Boost HB | Constant | POFF, PT, |
| SiC MOSFET | 97.2 | 1200 | 120 | η | |||||
| [27] | Si IGBT | N/A | 1200 | 30 | 2-1 | 21.3–314 | SSQR | Variable | VON, tOFF, |
| SiC JFET-nON | N/A | 1200 | 17 | T(°C) | |||||
| [29] | Si IGBT | 84 | 600 | 75 | 6 | 50 | LLC | Variable | PT, η |
| Si MOSFET | 91 | 600 | 65 | ||||||
| SiC MOSFET | 94 | 1200 | 45 | ||||||
| [22] | Si IGBT | 96.1 | N/A | N/ | 2 | 20 | HB | Constant | tOFF, POFF, |
| SiC MOSFET | 95.1 | 1200 | 42 | PON, PT, | |||||
| SiC BJT | 97.8 | 1200 | 50 | η,VON | |||||
| SiC JFET-nON | 96.3 | 1200 | 48 | ||||||
| SiC JFET-nOFF | 95.7 | 1200 | 30 | ||||||
| PS | Si IGBT | 97.3 | 600 | 48 | 0.2–1.8 | 125–45 | HB | Variable | PT, PCON, |
| SiC MOSFET | 97.6 | 650 | 27 | PSW, POFF, | |||||
| SiC MOSFET | 98.3 | 650 | 35 | PON, PBD, | |||||
| SiC MOSFET | 96.4 | 1200 | 28 | tOFF, tf, | |||||
| SiC MOSFET | 91.5 | 1200 | 16 | di/dt, VON, | |||||
| SiC cascode JFET | 98.1 | 650 | 62 | η, | |||||
| SiC cascode JFET | 99 | 1200 | 47 | ||||||
| Company | Product Code | Material/Type | In (A) | Vn (V) | RDSon (mΩ) | PM (W) | VG (V) | RJC (°C/W) | Tm (°C) |
|---|---|---|---|---|---|---|---|---|---|
| Infineon | IRGP4068D | Si IGBT | 48 | 600 | VCEon = 2 V 48 A/150 °C | 170 | (0)–(+15) | 0.45 | (−55)–(+175) |
| Rohm | SCT3060AL | SiC MOSFET | 27 | 650 | 79.2 mΩ 13 A/125 °C | 80 | (−4)–(+22) | 0.91 | (−55)–(+175) |
| Rohm | SCT2080KE | SiC MOSFET | 28 | 1200 | 100 mΩ 20 A/25 °C | 130 | (−6)–(+22) | 0.57 | (−55)–(+175) |
| ST | SCT35N65 | SiC MOSFET | 35 | 650 | 55 mΩ 20 A/125 °C | 90 | (−6)–(+22) | 0.72 | (−55)–(+175) |
| ST | SCT20N120 | SiC MOSFET | 16 | 1200 | 189 mΩ 10 A/150 °C | 175 | (−10)–(+25) | 1 | (−55)–(+200) |
| USCi | UJ3C065030K3S | SiC Cascode JFET | 62 | 650 | 40 mΩ 20 A/175 °C | 210 | (−25)–(+22) | 0.34 | (−55)–(+175) |
| USCi | UJ3C120040K3S | SiC Cascode JFET | 47 | 1200 | 60 mΩ 20 A/175 °C | 210 | (−25)–(+22) | 0.35 | (−55)–(+175) |
| toff (ns) | tf (ns) | di/dt (A/µs) | VON (V) | PBD (W) | EOFF (µJ) | ||
|---|---|---|---|---|---|---|---|
| Si IGBT | IRGP4068D | 310 | 131 | 130 | 1.26 | 1.16 | 497.7 |
| SiC MOSFET | SCT3060AL | 182 | 92 | 184 | 1.37 | 2.31 | 374 |
| SiC MOSFET | SCT2080KE | 238 | 110 | 154 | 3.09 | 2.21 | 368 |
| SiC MOSFET | SCT35N65G | 195 | 90 | 189 | 1.57 | 1 | 380.15 |
| SiC MOSFET | SCT20N120 | 140 | 71 | 241 | 3.33 | 1.83 | 371 |
| SiC Cascode JFET | UJ3C065030K3S | 168 | 74 | 230 | 0.93 | 1.17 | 313 |
| SiC Cascode JFET | UJ3C120040K3S | 193 | 67 | 253 | 0.34 | 1.75 | 460 |
| fSW (kHz) | Output Power (W) |
|---|---|
| 45 | 1800 |
| 52 | 1500 |
| 59 | 1300 |
| 66 | 700 |
| 77 | 500 |
| 91 | 400 |
| 111 | 300 |
| 125 | 200 |
Disclaimer/Publisher’s Note: The statements, opinions and data contained in all publications are solely those of the individual author(s) and contributor(s) and not of MDPI and/or the editor(s). MDPI and/or the editor(s) disclaim responsibility for any injury to people or property resulting from any ideas, methods, instructions or products referred to in the content. |
© 2023 by the authors. Licensee MDPI, Basel, Switzerland. This article is an open access article distributed under the terms and conditions of the Creative Commons Attribution (CC BY) license (https://creativecommons.org/licenses/by/4.0/).
Share and Cite
Aslan, S.; Ozturk, M.; Altintas, N. A Comparative Evaluation of Wide-Bandgap Semiconductors for High-Performance Domestic Induction Heating. Energies 2023, 16, 3987. https://doi.org/10.3390/en16103987
Aslan S, Ozturk M, Altintas N. A Comparative Evaluation of Wide-Bandgap Semiconductors for High-Performance Domestic Induction Heating. Energies. 2023; 16(10):3987. https://doi.org/10.3390/en16103987
Chicago/Turabian StyleAslan, Sezer, Metin Ozturk, and Nihan Altintas. 2023. "A Comparative Evaluation of Wide-Bandgap Semiconductors for High-Performance Domestic Induction Heating" Energies 16, no. 10: 3987. https://doi.org/10.3390/en16103987
APA StyleAslan, S., Ozturk, M., & Altintas, N. (2023). A Comparative Evaluation of Wide-Bandgap Semiconductors for High-Performance Domestic Induction Heating. Energies, 16(10), 3987. https://doi.org/10.3390/en16103987

