A Critical Review of Modular Multilevel Converter Configurations and Submodule Topologies from DC Fault Blocking and Ride-Through Capabilities Viewpoints for HVDC Applications
Abstract
:1. Introduction
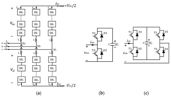
2. MMC Structure and Operation
3. SM Configurations
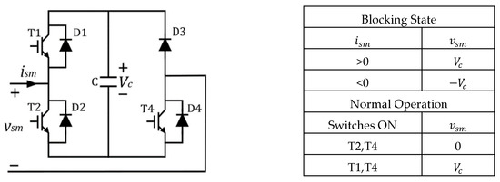
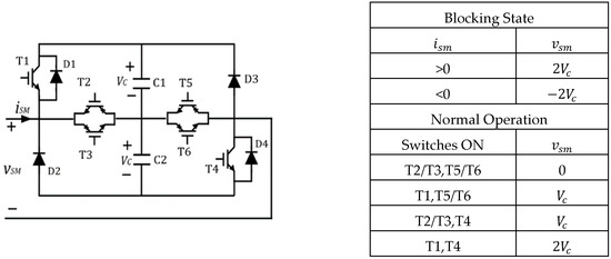
3.1. SMs Based on Standard HB and FB Structures
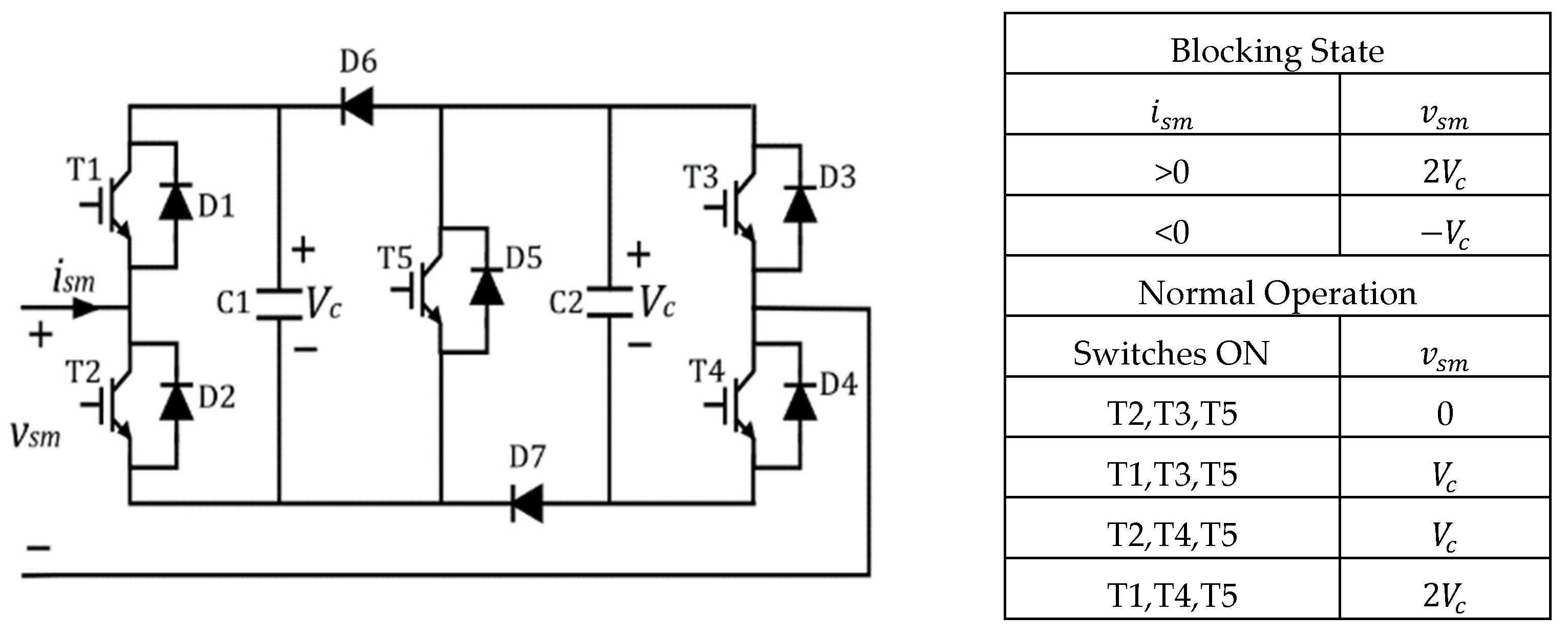
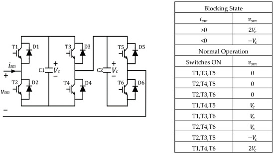
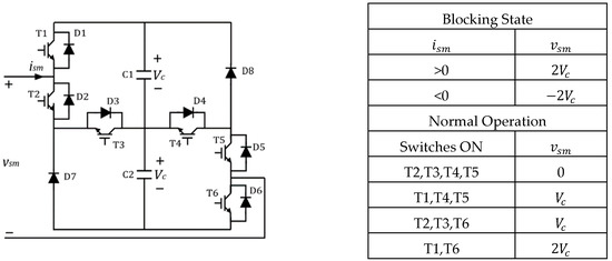
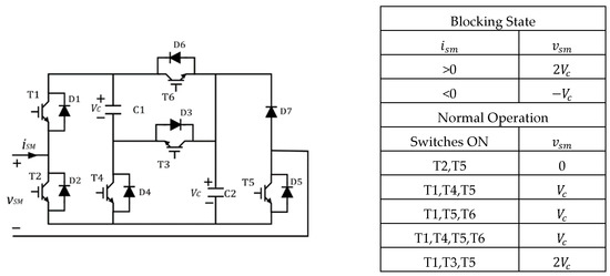
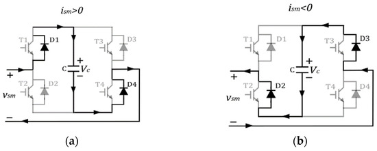
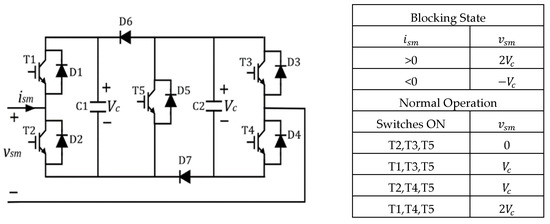
3.2. The Clamp Circuit Based Submodules
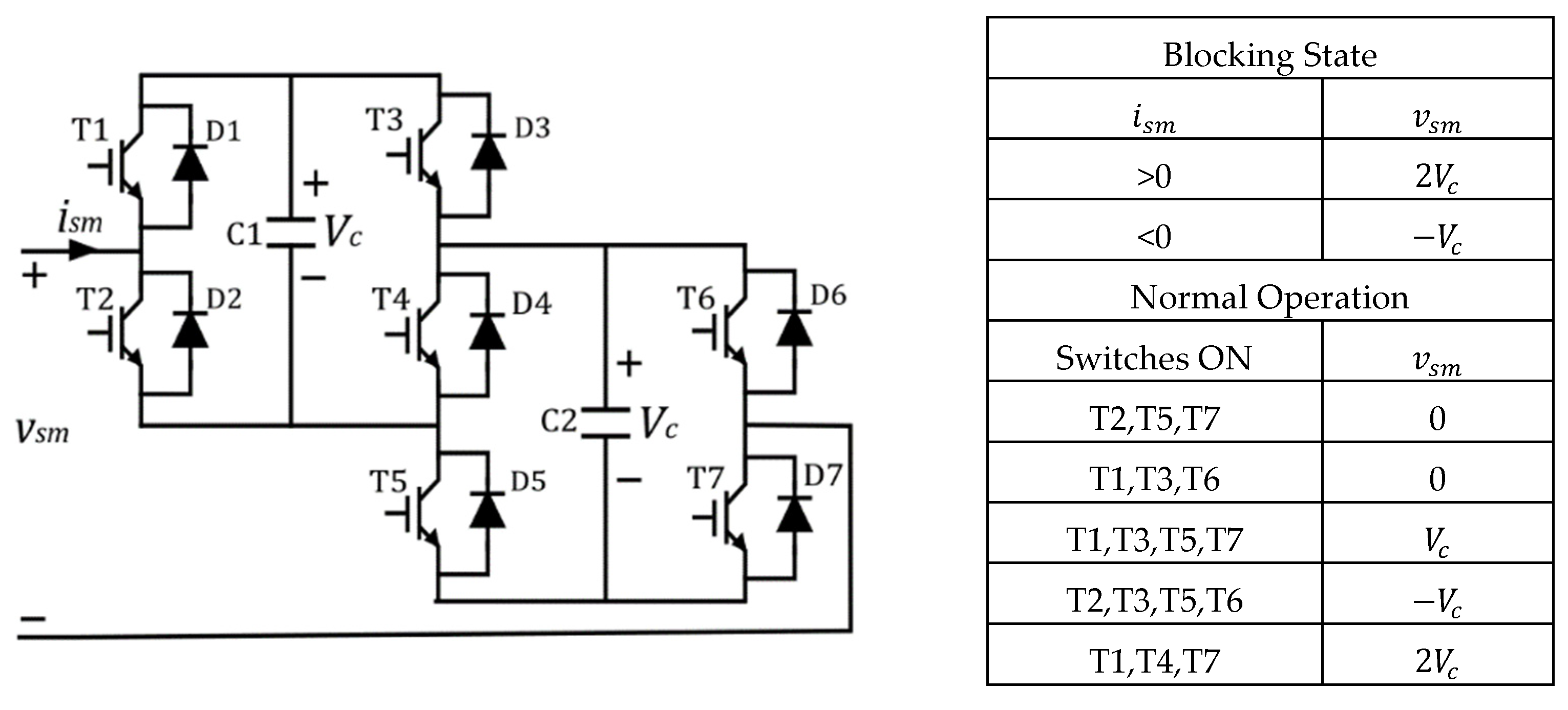
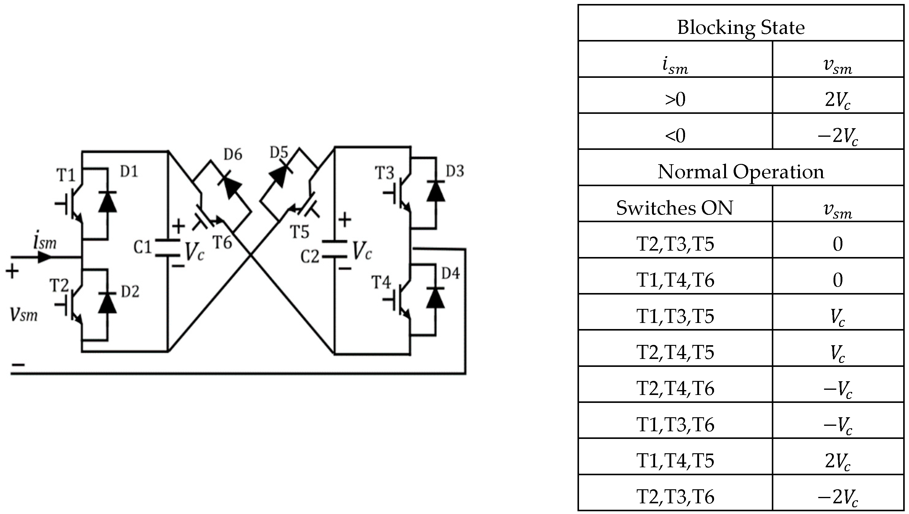
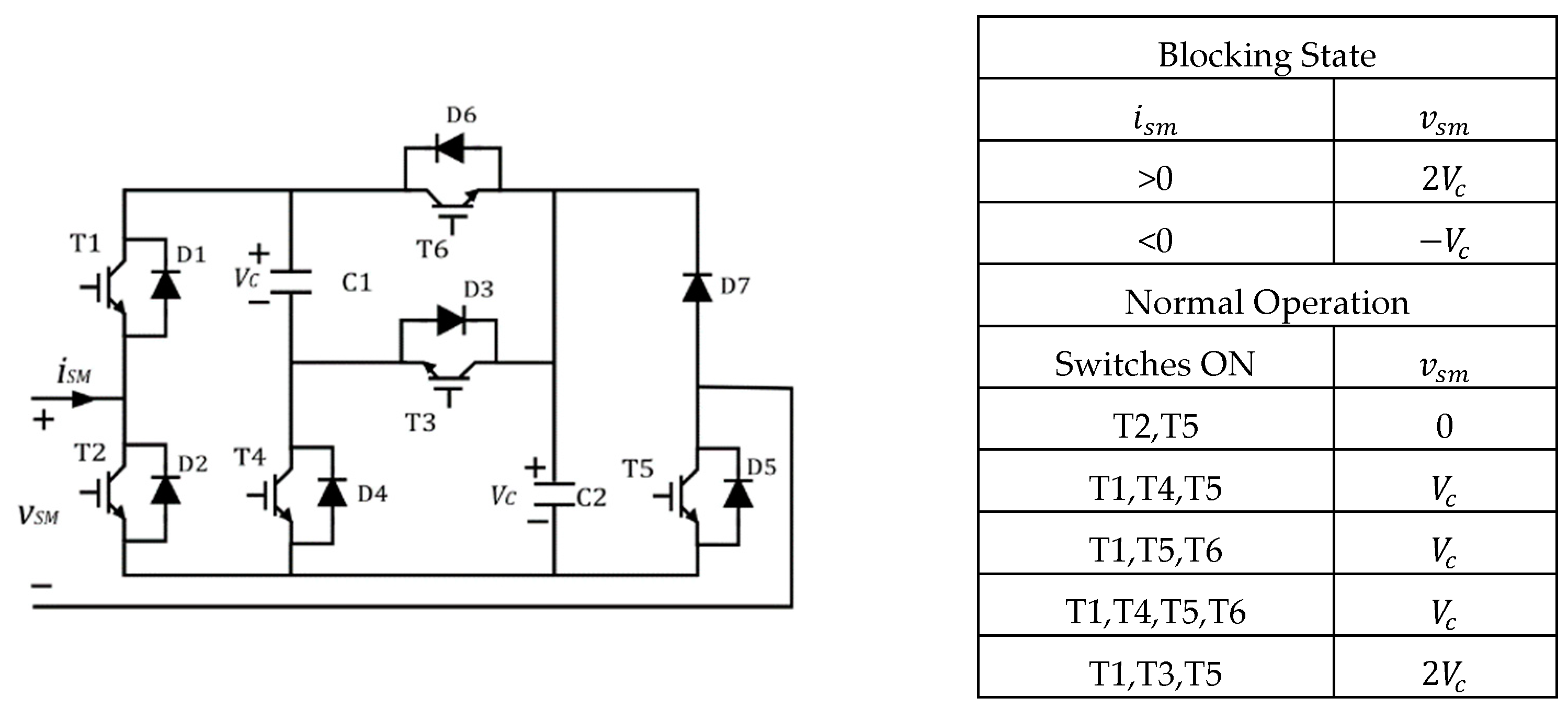
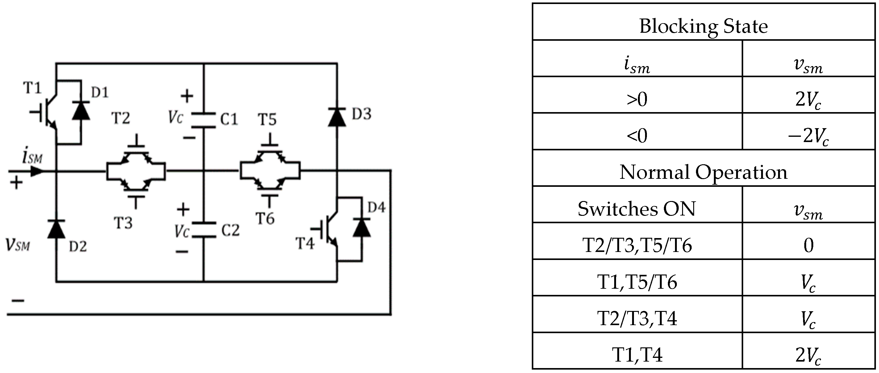
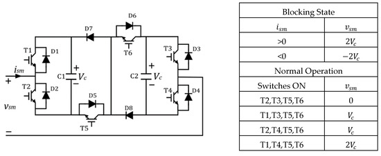
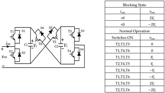
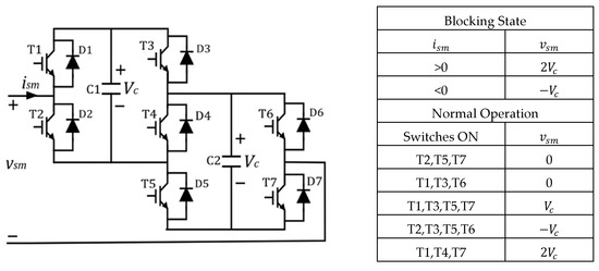
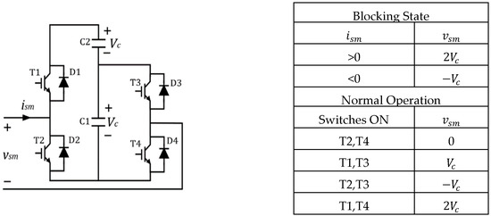
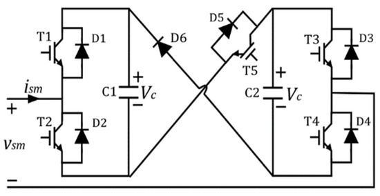
3.3. The Cross Connected Submodules
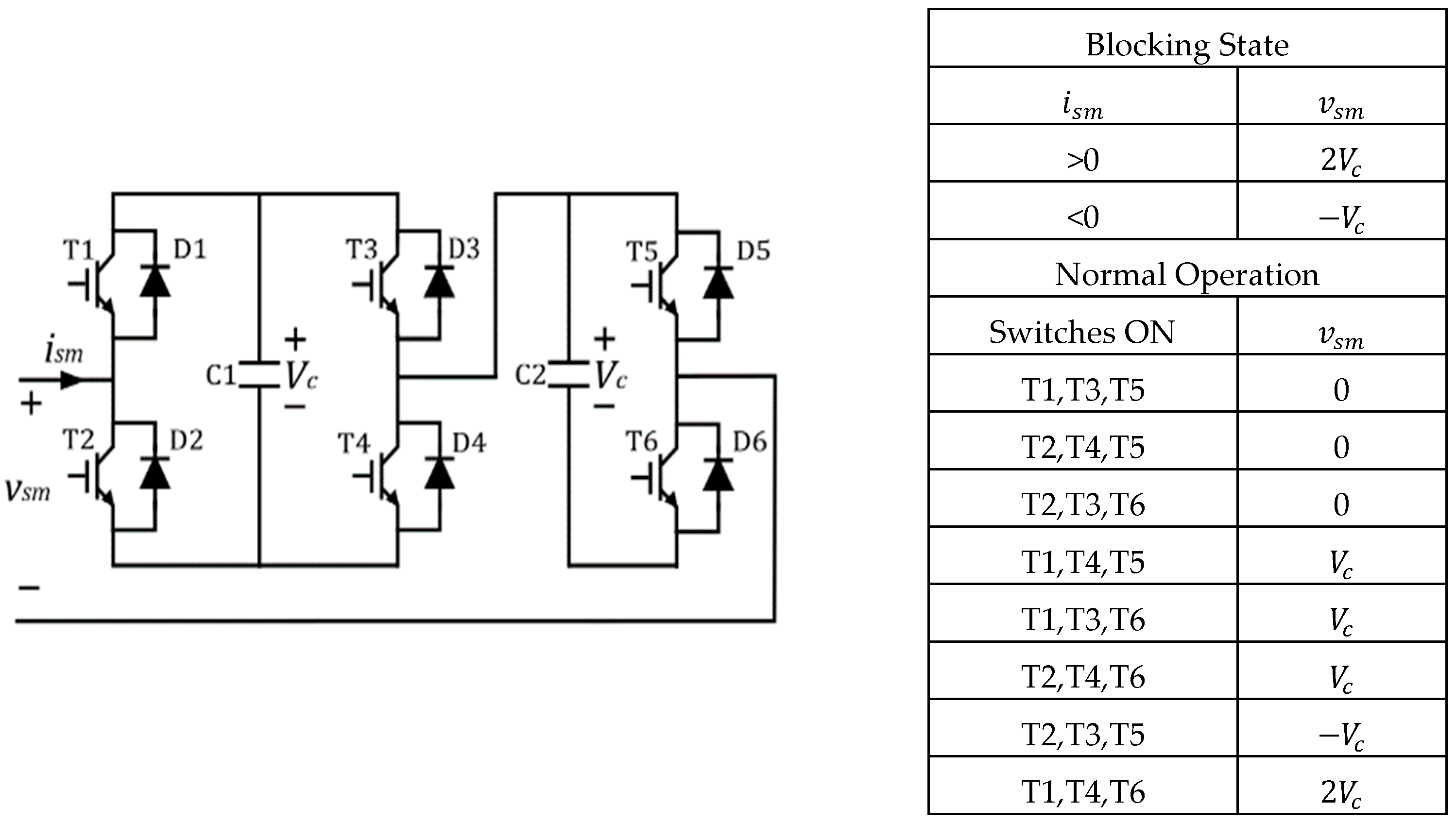
3.4. Other Fault Blocking Submodules
3.4.1. Mixed Submodule
3.4.2. Composite Submodule
3.4.3. Switched Capacitor Submodule
3.4.4. Double Reverse Blocking Submodule
3.4.5. Asymmetric Full-Bridge Blocking Submodule
4. Comparative Evaluation of Different SM Configurations
5. Hybrid MMC Configurations
5.1. Improved HBSM-Based MMC
5.2. Alternate Arm Converter
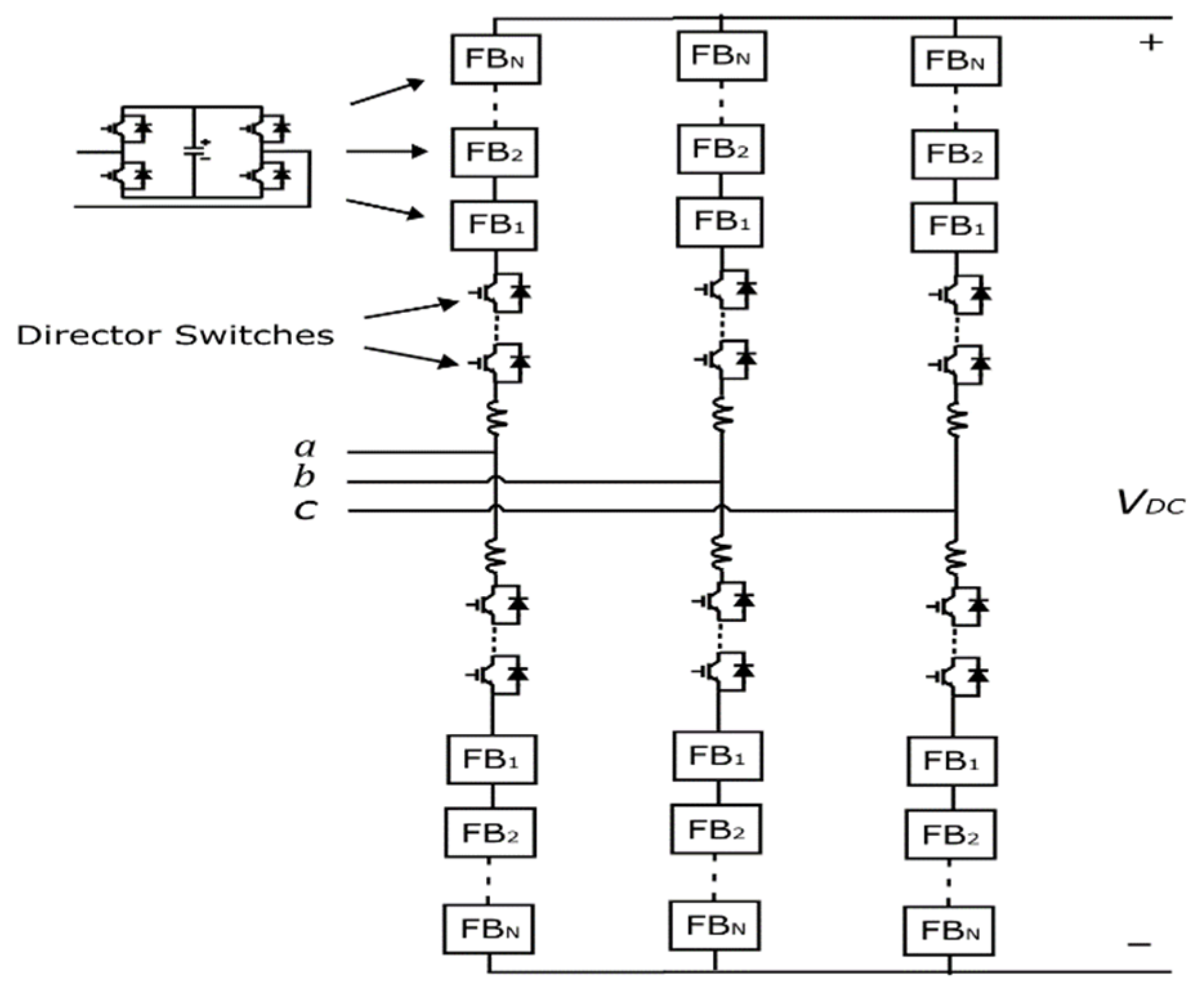
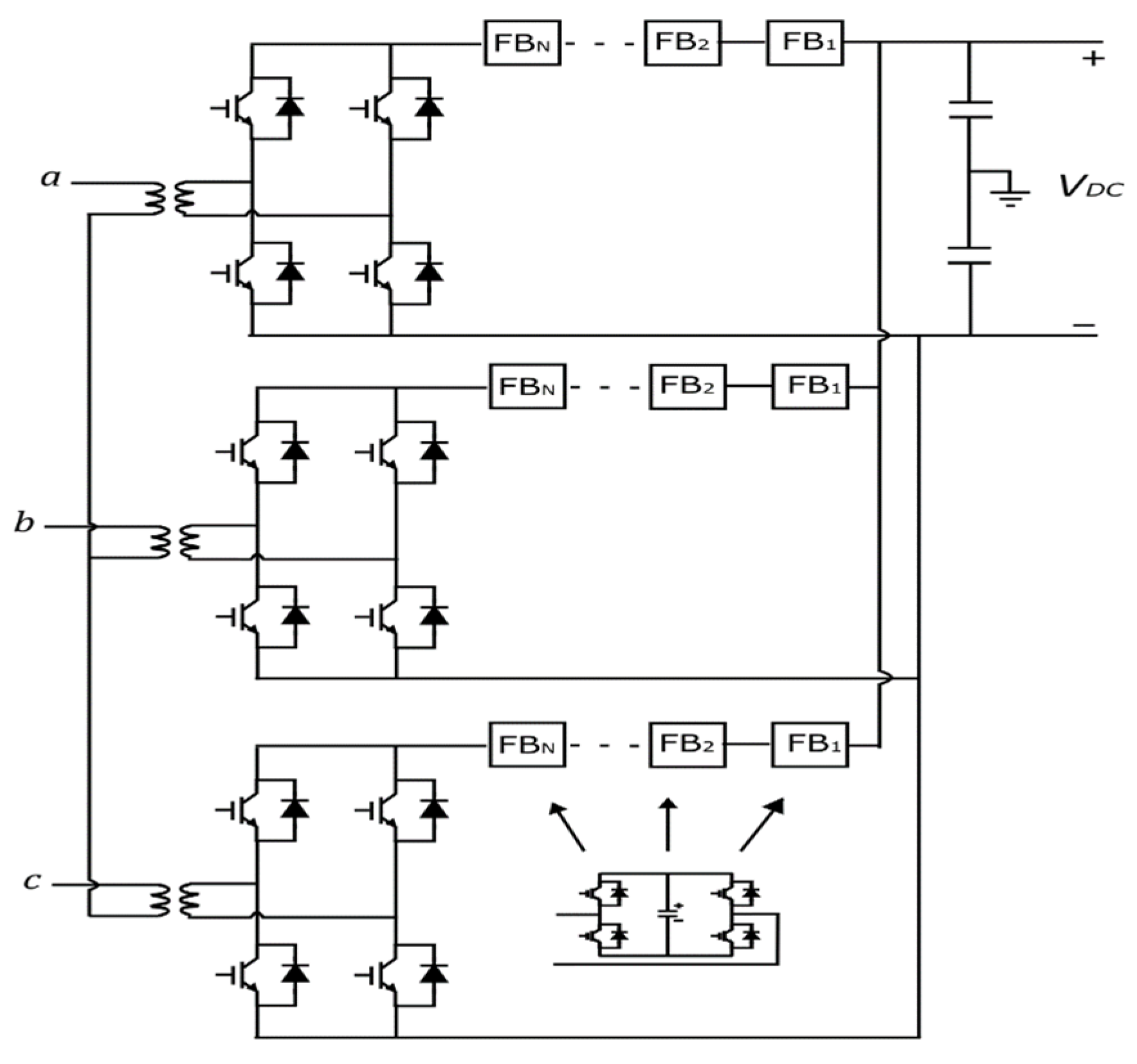
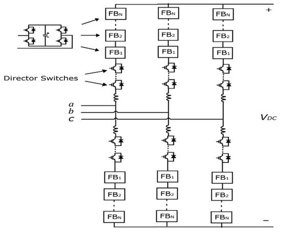
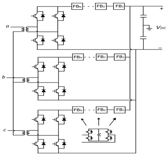
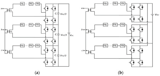
5.3. Hybrid Cascaded Multilevel Converters
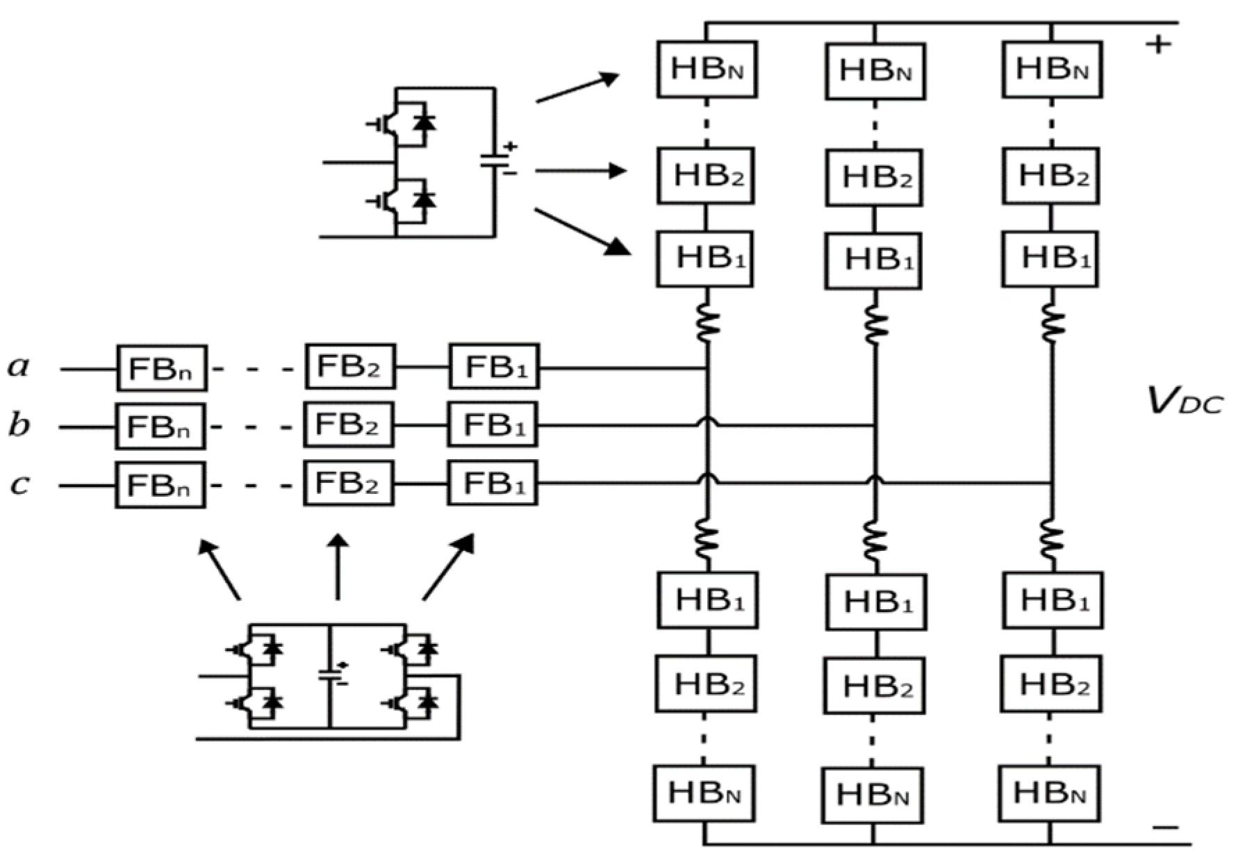
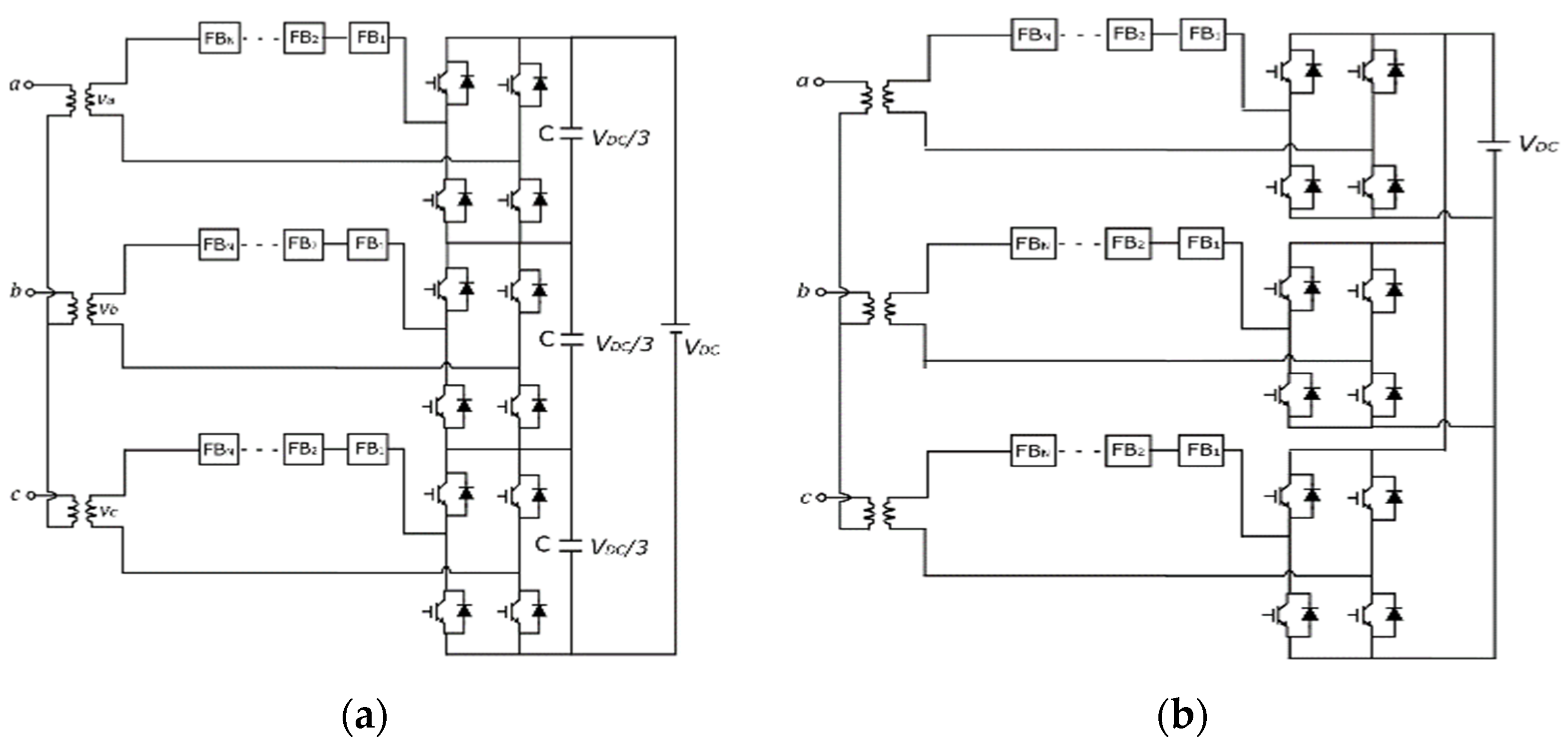
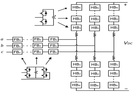
5.3.1. Hybrid Cascaded Multilevel Converters with AC Side HBSMs
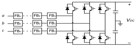
5.3.2. Hybrid Cascaded Multilevel Converters with DC Side HBSMs
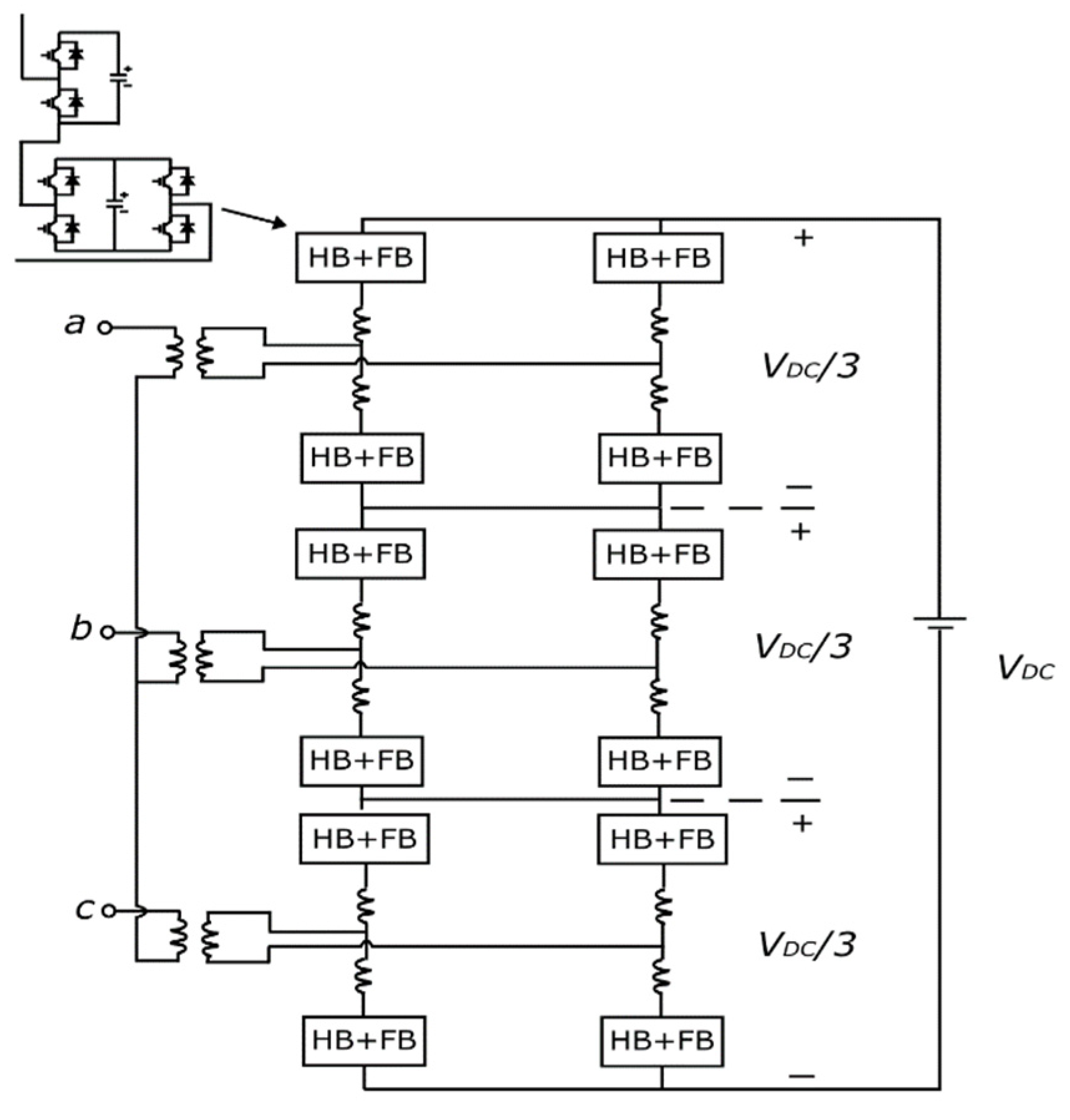
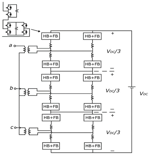
5.4. Series Stacked Hybrid Modular Multilevel Converter
6. Comparative Evaluation of Different Hybrid MMC Configurations
7. STATCOM Operation and DC Fault Ride-Through
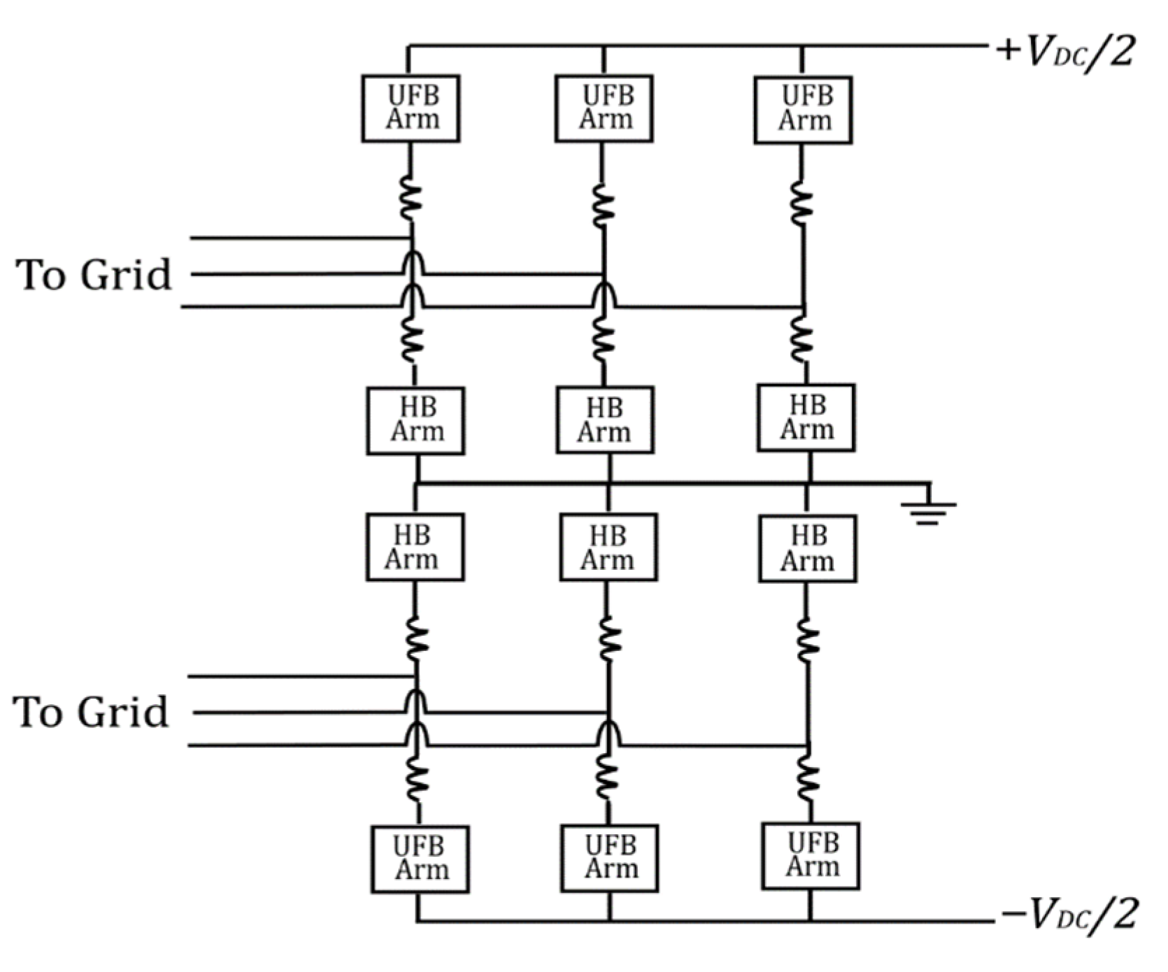
7.1. Hybrid Arm Based Bipolar MMC
7.2. STATCOM Operation Mode of the AAC
7.3. STATCOM Operation of Unipolar SM Configurations
7.4. Energy Balancing during STATCOM Mode of Operation
8. Conclusions
Author Contributions
Funding
Institutional Review Board Statement
Informed Consent Statement
Data Availability Statement
Conflicts of Interest
References
- Oni, O.; Davidson, I.; Mbangula, K. A review of LCC-HVDC and VSC-HVDC technologies and applications. In Proceedings of the IEEE 16th International Conference on Environment and Electrical Engineering (EEEIC), Florence, Italy, 7–10 June 2016; pp. 1–7. [Google Scholar]
- Lesnicar, A.; Marquardt, R. An innovative modular multilevel converter topology suitable for a wide power range. In Proceedings of the 2003 IEEE Bologna Power Tech Conference Proceedings, Bologna, Italy, 23–26 June 2003. [Google Scholar]
- Adam, G.; Ahmed, K.; Finney, S.; Bell, K.; Williams, B. New Breed of Network Fault-Tolerant Voltage-Source-Converter HVDC Transmission System. IEEE Trans. Power Syst. 2013, 28, 335–346. [Google Scholar] [CrossRef]
- Dekka, A.; Wu, B.; Fuentes, R.L.; Perez, M.; Zargari, N.R. Evolution of Topologies, Modeling, Control Schemes, and Applications of Modular Multilevel Converters. IEEE J. Emerg. Sel. Top. Power Electron. 2017, 5, 1631–1656. [Google Scholar] [CrossRef]
- Ning, L.; Tai, N.; Zheng, X.; Huang, W.; Nadeem, M.H. Detection and classification of MMC-HVDC transmission line faults based on one-terminal transient current signal. In Proceedings of the 2017 IEEE Power & Energy Society General Meeting, Chicago, IL, USA, 16–20 July 2017. [Google Scholar]
- Cui, S.; Sul, S.-K. A Comprehensive DC Short-Circuit Fault Ride Through Strategy of Hybrid Modular Multilevel Converters (MMCs) for Overhead Line Transmission. IEEE Trans. Power Electron. 2016, 31, 7780–7796. [Google Scholar] [CrossRef]
- Hu, J.; Xu, K.; Lin, L.; Zeng, R. Analysis and enhanced control of hybrid-MMC-based HVDC systems during asymmetrical DC voltage faults. IEEE Trans. Power Deliv. 2017, 32, 1394–1403. [Google Scholar] [CrossRef]
- Jonsson, T.; Maiti, P.; Jiang-Häfner, Y. Converter technologies and functional requirements for reliable and economical HVDC grid design. In Proceedings of the 2013 CIGRE Canada Conference, Calgary, AB, Canada, 9–11 September 2013. [Google Scholar]
- Hajian, M.; Zhang, L.; Jovcic, D. DC transmission grid with low-speed protection using mechanical DC circuit breakers. IEEE Trans. Power Deliv. 2015, 30, 1383–1391. [Google Scholar] [CrossRef] [Green Version]
- He, Z.; Hu, J.; Lin, L.; Zeng, R. Mechanical DC circuit breakers and FBSM-based MMCs in a high-voltage MTDC network: Coordinated operation for network riding through dc fault. In Proceedings of the International Conference on Renewable Power Generation (RPG 2015), Beijing, China, 17–18 October 2015. [Google Scholar]
- Stumpe, M.; Tünnerhoff, P.; Dave, J.; Schnettler, A.; Ergin, D.; Schön, A.; Würflinger, K.; Schettler, F. DC fault protection for modular multi-level converter-based HVDC multi-terminal systems with solid state circuit breakers. IET Gener. Transm. Distrib. 2018, 12, 3013–3020. [Google Scholar] [CrossRef]
- Mokhberdoran, A.; Carvalhoa, A.; Silva, N.; Leite, H.; Carrapatoso, A. Design and implementation of fast current releasing DC circuit breaker. Electr. Power Syst. Res. 2017, 151, 218–232. [Google Scholar] [CrossRef]
- Meyer, C.; Doncker, R.D. LCC analysis of different resonant circuits and solid-state circuit breakers for medium-voltage grids. IEEE Trans. Power Deliv. 2006, 21, 1414–1420. [Google Scholar] [CrossRef]
- Wang, S.; Li, C.; Adeuyi, O.D.; Li, G.; Ugalde-Loo, C.E.; Liang, J. Coordination of MMCs with Hybrid DC Circuit Breakers for HVDC Grid Protection. IEEE Trans. Power Deliv. 2019, 34, 11–22. [Google Scholar] [CrossRef] [Green Version]
- Song, S.-M.; Kim, J.-Y.; Choi, S.-S.; Kim, I.-D.; Choi, S.-K. New Simple-Structured AC Solid-State Circuit Breaker. IEEE Trans. Ind. Electron. 2018, 65, 8455–8463. [Google Scholar] [CrossRef]
- Debnath, S.; Qin, J.; Bahrani, B.; Saeedifard, M.; Barbosa, P. Operation, control, and applications of the modular multilevel converter: A Review. IEEE Trans. Power Electron. 2015, 30, 37–53. [Google Scholar] [CrossRef]
- Antonopoulos, A.; Angquist, L.; Nee, H.-P. On dynamics and voltage control of the Modular Multilevel Converter. In Proceedings of the 2009 13th European Conference on Power Electronics and Applications, Barcelona, Spain, 8–10 September 2009. [Google Scholar]
- Perez, M.A.; Bernet, S.; Rodriguez, J.; Kouro, S.; Lizana, R. Circuit Topologies, Modeling, Control Schemes, and Applications of Modular Multilevel Converters. IEEE Trans. Power Electron. 2015, 30, 4–7. [Google Scholar] [CrossRef]
- Perez, M.A.; Ceballos, S.; Konstantinou, G.; Pou, J.; Aguilera, R.P. Modular Multilevel Converters: Recent Achievements and Challenges. IEEE Open J. Ind. Electron. Soc. 2021, 2, 224–239. [Google Scholar] [CrossRef]
- Farias, J.V.M.; Cupertino, A.F.; Pereira, H.A.; Seleme, S.I. On Converter Fault Tolerance in MMC-HVDC Systems: A Comprehensive Survey. IEEE J. Emerg. Sel. Top. Power Electron. 2021, 9, 7459–7470. [Google Scholar] [CrossRef]
- Sakib, M.N.; Azad, S.P.; Kazerani, M. A Review of DC Fault Blocking Converters for HVDC Transmission Systems. In Proceedings of the CIGRE Canada Conference, Toronto, ON, Canada, 19–22 October 2020. [Google Scholar]
- Wan, Y.; Mao, M.; Zhou, L.; Xi, X.; Xie, B.; Zhou, S. Review on topology-based dc short-circuit fault ride-through strategies for MMC-based HVDC system. IET Power Electron. 2020, 13, 203–220. [Google Scholar] [CrossRef]
- Nguyen, T.H.; Hosani, K.A.; Moursi, M.S.E.; Blaabjerg, F. An Overview of Modular Multilevel Converters in HVDC Transmission Systems with STATCOM Operation during Pole-to-Pole DC Short Circuits. IEEE Trans. Power Electron. 2019, 34, 4137–4160. [Google Scholar] [CrossRef]
- Sousa, R.; Mendonça, D.D.C.; Amorim, W.C.S.; Cupertino, A.F.; Pereira, H.A.; Teodorescu, R. Comparison of Double Star Topologies of Modular Multilevel Converters in STATCOM Application. In Proceedings of the 2018 13th IEEE International Conference on Industry Applications (INDUSCON), Sao Paulo, Brazil, 12–14 November 2018; pp. 622–629. [Google Scholar]
- Akagi, H. Classification, terminology, and application of the modular multilevel cascade converter (MMCC). In Proceedings of the 2010 International Power Electronics Conference—ECCE ASIA, Sapporo, Japan, 19 April 2011; pp. 508–515. [Google Scholar] [CrossRef]
- Thitichaiworakorn, N.; Hagiwara, M.; Akagi, H. Experimental verification of a modular multilevel cascade inverter based on double-star bridge-cells (MMCI-DSBC). In Proceedings of the 2012 IEEE Energy Conversion Congress and Exposition (ECCE), Raleigh, NC, USA, 15–20 September 2012. [Google Scholar]
- Song, Q.; Yang, W.; Zhao, B.; Xu, S.; Rao, H.; Zhu, Z. Energy Storage Requirement Reduction Using Negative-Voltage States of a Full-Bridge Modular Multilevel Converter. IEEE Trans. Power Electron. 2019, 34, 5243–5255. [Google Scholar] [CrossRef]
- Wang, K.; Song, Q.; Xu, S. Analysis and Design of the Energy Storage Requirement of Hybrid Modular Multilevel Converters Using Numerical Integration and Iterative Solution. Energies 2022, 15, 1225. [Google Scholar] [CrossRef]
- Hagiwara, M.; Akagi, H. Control and Experiment of Pulsewidth-Modulated Modular Multilevel Converters. IEEE Trans. Power Electron. 2009, 24, 1737–1746. [Google Scholar] [CrossRef]
- Durrant, M.; Werner, H.; Abbott, K. Model of a VSC HVDC terminal attached to a weak AC system. In Proceedings of the 2003 IEEE Conference on Control Applications, CCA 2003, Istanbul, Turkey, 25 June 2003. [Google Scholar]
- Durrant, M.; Werner, H.; Abbott, K. Modelling and controller design for VSC-HVDC attached to an AC network. In Proceedings of the European Control Conference (ECC), Cambridge, UK, 1–4 September 2003. [Google Scholar]
- Farag, A.; Durrant, M.; Werner, H.; Abbott, K. Robust control of a VSC HVDC terminal attached to a weak AC system. In Proceedings of the 2003 IEEE Conference on Control Applications, CCA 2003, Istanbul, Turkey, 25 June 2003. [Google Scholar]
- Meshram, P.M.; Borghate, V.B. A Simplified Nearest Level Control (NLC) Voltage Balancing Method for Modular Multilevel Converter (MMC). IEEE Trans. Power Electron. 2015, 30, 450–462. [Google Scholar] [CrossRef]
- Hu, P.; Jiang, D. A Level-Increased Nearest Level Modulation Method for Modular Multilevel Converters. IEEE Trans. Power Electron. 2015, 30, 1836–1842. [Google Scholar] [CrossRef]
- McGrath, B.; Holmes, D. Multicarrier PWM strategies for multilevel inverters. IEEE Trans. Industrial Electron. 2002, 49, 858–867. [Google Scholar] [CrossRef]
- Konstantinou, G.; Ciobotaru, M.; Agelidis, V. Analysis of multi-carrier PWM methods for back-to-back HVDC systems based on modular multilevel converters. In Proceedings of the IECON 2011—37th Annual Conference of the IEEE Industrial Electronics Society, Melbourne, VI, Australia, 7–10 November 2011. [Google Scholar]
- Li, B.; Yang, R.; Xu, D.; Wang, G.; Wang, W.W.; Xu, D. Analysis of the Phase-Shifted Carrier Modulation for Modular Multilevel Converters. IEEE Trans. Power Electron. 2015, 30, 297–310. [Google Scholar] [CrossRef]
- Huang, M.; Zou, J.; Ma, X. An Improved Phase-Shifted Carrier Modulation for Modular Multilevel Converter to Suppress the Influence of Fluctuation of Capacitor Voltage. IEEE Trans. Power Electron. 2016, 31, 7404–7416. [Google Scholar] [CrossRef]
- Ricardo, L.F.; Pérez, M.A.; Rodríguez, J. DC voltage balance control in a modular multilevel cascaded converter. In Proceedings of the IEEE International Symposium on Industrial Electronics (ISIE), Hangzhou, China, 28–31 May 2012. [Google Scholar]
- Li, X.; Song, Q.; Li, J.; Liu, W.W. Capacitor voltage balancing control based on CPS-PWM of Modular Multilevel Converter. In Proceedings of the IEEE Energy Conversion Congress and Exposition, ECCE, Phoenix, AZ, USA, 17–22 September 2011. [Google Scholar]
- Du, S.; Liu, J.; Liu, T. Modulation and Closed-Loop-Based DC Capacitor Voltage Control for MMC with Fundamental Switching Frequency. IEEE Trans. Power Electron. 2015, 30, 327–338. [Google Scholar] [CrossRef]
- Adam, G.P.; Davidson, I.E. Robust and Generic Control of Full-Bridge Modular Multilevel Converter High-Voltage DC Transmission Systems. IEEE Trans. Power Deliv. 2015, 30, 2468–2476. [Google Scholar] [CrossRef] [Green Version]
- Li, B.; He, J.; Tian, J.; Feng, Y.; Dong, Y. DC fault analysis for modular multilevel converter-based system. J. Mod. Power Syst. Clean Energy 2017, 5, 275–282. [Google Scholar] [CrossRef] [Green Version]
- Xu, Z.; Xiao, H.; Xiao, L.; Zhang, Z. DC Fault Analysis and Clearance Solutions of MMC-HVDC Systems. Energies 2018, 11, 941. [Google Scholar] [CrossRef] [Green Version]
- Wang, Y.; Yang, B.; Zuo, H.; Liu, H.; Yan, H. A DC short-circuit fault ride through strategy of MMC-HVDC based on the cascaded star converter. Energies 2018, 11, 2079. [Google Scholar] [CrossRef] [Green Version]
- Wang, Y.; Yuan, Z.; Fu, J.; Li, Y.; Zhao, Y. A feasible coordination protection strategy for MMC-MTDC systems under DC faults. Int. J. Electr. Power Energy Syst. 2017, 90, 103–111. [Google Scholar] [CrossRef]
- Zhang, G.; Chen, Y.; Yue, C.; Qi, L.; Pan, J. DC pole-to-pole short-circuit behavior analysis of modular multilevel converter. In Proceedings of the 2014 IEEE Energy Conversion Congress and Exposition (ECCE), Pittsburgh, PA, USA, 14–18 September 2014. [Google Scholar]
- Zhang, H.; Luo, L.; Jia, L.; Yang, L.; Yang, S. An Improved Sub-Module Topology for Protecting MMC Power Devices under DC-side Short Circuit Fault. In Proceedings of the 2018 Chinese Control and Decision Conference (CCDC), Shenyang, China, 9–11 June 2018. [Google Scholar]
- Friedrich, K. Modern HVDC PLUS application of VSC in Modular Multilevel Converter topology. In Proceedings of the 2010 IEEE International Symposium on Industrial Electronics, Bari, Italy, 4–7 July 2010. [Google Scholar]
- Li, X.; Song, Q.; Liu, W.; Rao, H.; Xu, S.; Li, L. Protection of Nonpermanent Faults on DC Overhead Lines in MMC-Based HVDC Systems. IEEE Trans. Power Deliv. 2013, 28, 483–490. [Google Scholar] [CrossRef]
- Qin, J.; Saeedifard, M.; Rockhill, A.; Zhou, R. Hybrid Design of Modular Multilevel Converters for HVDC Systems Based on Various Submodule Circuits. IEEE Trans. Power Deliv. 2015, 30, 385–394. [Google Scholar] [CrossRef]
- Ahmed, K.H.; Adam, G.P.; Abdelsalam, I.A.; Aboushady, A.A. Modular multilevel converter with modified half-bridge submodule and arm filter for DC transmission systems with DC fault blocking capability. IET Power Electron. 2018, 11, 2253–2262. [Google Scholar] [CrossRef] [Green Version]
- Li, X.; Liu, W.; Song, Q.; Rao, H.; Xu, S. An enhanced MMC topology with DC fault ride-through capability. In Proceedings of the IECON 2013—39th Annual Conference of the IEEE Industrial Electronics Society, Vienna, Austria, 10–13 November 2013. [Google Scholar]
- Marquardt, R. Modular Multilevel Converter: An universal concept for HVDC-Networks and extended DC-Bus-applications. In Proceedings of the 2010 International Power Electronics Conference—ECCE ASIA, Sapporo, Japan, 21–24 June 2010. [Google Scholar]
- Ilves, K.; Bessegato, L.; Harnefors, L.; Norrga, S.; Nee, H.-P. Semi-full-bridge submodule for modular multi-level converters. In Proceedings of the 2015 9th International Conference on Power Electronics and ECCE Asia (ICPE-ECCE Asia), Seoul, Korea, 1–5 June 2015. [Google Scholar]
- Saeedifard, M.; Iravani, R. Dynamic Performance of a Modular Multilevel Back-to-Back HVDC System. IEEE Trans. Power Deliv. 2010, 25, 2903–2912. [Google Scholar] [CrossRef]
- Hu, X.; Zhang, J.; Xu, S.; Jiang, Y. Investigation of a new modular multilevel converter with DC fault blocking capability. In Proceedings of the 2017 IEEE Energy Conversion Congress and Exposition (ECCE), Cincinnati, OH, USA, 1–5 October 2017. [Google Scholar]
- Li, R.; Fletcher, J.E.; Xu, L.; Holliday, D.; Williams, B.W. A Hybrid Modular Multilevel Converter with Novel Three-Level Cells for DC Fault Blocking Capability. IEEE Trans. Power Deliv. 2015, 30, 2017–2026. [Google Scholar] [CrossRef] [Green Version]
- Nami, A.; Wang, L.; Dijkhuizen, F.; Shukla, A. Five level cross connected cell for cascaded converters. In Proceedings of the 2013 15th European Conference on Power Electronics and Applications (EPE), Lille, France, 2–6 September 2013. [Google Scholar]
- Zhang, J.; Zhao, C. The Research of SM Topology with DC Fault Tolerance in MMC-HVDC. IEEE Trans. Power Deliv. 2015, 30, 1561–1568. [Google Scholar] [CrossRef]
- Adam, G.; Ahmed, K.; Williams, B. Mixed cells modular multilevel converter. In Proceedings of the 2014 IEEE 23rd Interna-tional Symposium on Industrial Electronics (ISIE), Istanbul, Turkey, 1–4 June 2014. [Google Scholar]
- Zeng, R.; Xu, L.; Yao, L. An improved modular multilevel converter with DC fault blocking capability. In Proceedings of the 2014 IEEE PES General Meeting|Conference & Exposition, National Harbor, MD, USA, 27–31 July 2014. [Google Scholar]
- Zhang, J.; Jiang, C.; Han, Y. Modular multilevel converter composite submodule topology and control. J. Eng. 2019, 2019, 2643–2648. [Google Scholar] [CrossRef]
- Elserougi, A.A.; Massoud, A.M.; Ahmed, S. A Switched-Capacitor Submodule for Modular Multilevel HVDC Converters with DC-Fault Blocking Capability and a Reduced Number of Sensors. IEEE Trans. Power Deliv. 2016, 31, 313–322. [Google Scholar] [CrossRef]
- Yao, Y.; Zhang, Y.; Qu, X.; Chen, W. A Modular Multilevel Converter with Novel Double Reverse Blocking Sub-Modules for DC Fault Current Blocking Capability. IEEE Trans. Circuits Syst. II Express Briefs 2020, 67, 740–744. [Google Scholar] [CrossRef]
- Nami, A.; Liang, J.; Dijkhuizen, F.; Demetriades, G.D. Modular Multilevel Converters for HVDC Applications: Review on Converter Cells and Functionalities. IEEE Trans. Power Electron. 2015, 30, 18–36. [Google Scholar] [CrossRef]
- Fang, X.; Chen, C.; Wang, Z.; Xiong, J.; Zhang, K. An Improved Modular Multilevel Converter with DC Fault Blocking Capability Based on Half-Bridge Submodules and H-Bridge Circuit. IEEE Trans. Power Deliv. 2020, 35, 2682–2691. [Google Scholar] [CrossRef]
- Merlin, M.; Green, T.; Mitcheson, P.; Trainer, D.; Critchley, D.; Crookes, R. A new hybrid multi-level Voltage-Source Converter with DC fault blocking capability. In Proceedings of the 9th IET International Conference on AC and DC Power Transmission (ACDC 2010), London, UK, 19–21 October 2010. [Google Scholar]
- Merlin, M.; Judge, P.; Green, T.; Mitcheson, P.; Moreno, F.; Dyke, K. Alternate arm converter operation of the modular multilevel converter. In Proceedings of the 2014 IEEE Energy Conversion Congress and Exposition (ECCE), Pittsburgh, PA, USA, 14–18 September 2014. [Google Scholar]
- Merlin, M.M.C.; Green, T.C.; Mitcheson, P.D.; Trainer, D.R.; Critchley, R.; Crookes, W.; Hassan, F. The Alternate Arm Converter: A New Hybrid Multilevel Converter with DC-Fault Blocking Capability. IEEE Trans. Power Deliv. 2014, 29, 310–317. [Google Scholar] [CrossRef] [Green Version]
- Adam, G.P.; Finney, S.J.; Williams, B.W. Hybrid converter with ac side cascaded H-bridge cells against H-bridge alternative arm modular multilevel converter: Steady-state and dynamic performance. IET Gener. Transm. Distrib. 2013, 7, 318–328. [Google Scholar] [CrossRef]
- Wickramasinghe, H.R.; Konstantinou, G.; Pou, J. Gradient-Based Energy Balancing and Current Control for Alternate Arm Converters. IEEE Trans. Power Deliv. 2018, 33, 1459–1468. [Google Scholar] [CrossRef]
- Wickramasinghe, H.; Konstantinou, G.; Pou, J. Energy Balancing of the Alternate Arm Converter under Parameter Variations. In Proceedings of the 2018 IEEE 27th International Symposium on Industrial Electronics (ISIE), Cairns, QL, Australia, 13–15 June 2018. [Google Scholar]
- Wickramasinghe, H.R.; Konstantinou, G.; Ceballos, S.; Pou, J. Alternate Arm Converter Energy Balancing under Parameter Variation. IEEE Trans. Power Electron. 2019, 34, 2996–3000. [Google Scholar] [CrossRef]
- Merlin, M.M.C.; Soto-Sanchez, D.; Judge, P.D.; Chaffey, G.; Clemow, P.; Green, T.C.; Trainer, D.R.; Dyke, K.J. The Extended Overlap Alternate Arm Converter: A Voltage-Source Converter with DC Fault Ride-Through Capability and a Compact Design. IEEE Trans. Power Electron. 2018, 33, 3898–3910. [Google Scholar] [CrossRef] [Green Version]
- Vermeersch, P.; Gruson, F.; Merlin, M.M.C.; Guillaud, X.; Egrot, P. A Stored Energy Control Based Active DC Filter for the Alternate Arm Converter with an Extended Overlap Period. In Proceedings of the 21st European Conference on Power Electronics and Applications (EPE ’19 ECCE Europe), Genova, Italy, 3–5 September 2019. [Google Scholar]
- Liu, S.; Saeedifard, M.; Wang, X. Zero-Current Switching Control of the Alternate Arm HVdc Converter Station with an Extended Overlap Period. IEEE Trans. Ind. Electron. 2019, 66, 2355–2365. [Google Scholar] [CrossRef]
- Merlin, M.M.C.; Green, T.C.; Mitcheson, P.D.; Moreno, F.J.; Dyke, K.J. Cell capacitor sizing in modular multilevel converters and hybrid topologies. In Proceedings of the 2014 16th European Conference on Power Electronics and Applications, Lappeenranta, Finland, 26–28 August 2014. [Google Scholar]
- Merlin, M.M.C.; Green, T.C. Cell capacitor sizing in multilevel converters: Cases of the modular multi-level converter and alternate arm converter. IET Power Electron. 2015, 8, 350–360. [Google Scholar] [CrossRef]
- Adam, G.; Finney, S.; Williams, B.; Trainer, D.; Oates, C.; Critchley, D. Network fault tolerant voltage-source-converters for high-voltage applications. In Proceedings of the 9th IET International Conference on AC and DC Power Transmission (ACDC 2010), London, UK, 19–21 October 2010. [Google Scholar]
- Xue, Y.; Xu, Z.; Tu, Q. Modulation and Control for a New Hybrid Cascaded Multilevel Converter with DC Blocking Capability. IEEE Trans. Power Deliv. 2012, 27, 2227–2237. [Google Scholar] [CrossRef]
- Shi, X.; Filizadeh, S.; Jacobson, D.A. Loss Evaluation for the Hybrid Cascaded MMC under Different Voltage-Regulation Methods. IEEE Trans. Energy Convers. 2018, 33, 1487–1498. [Google Scholar] [CrossRef]
- Li, R.; Adam, G.P.; Holliday, D.; Fletcher, J.E.; Williams, B.W. Hybrid Cascaded Modular Multilevel Converter with DC Fault Ride-Through Capability for the HVDC Transmission System. IEEE Trans. Power Deliv. 2015, 30, 1853–1862. [Google Scholar] [CrossRef] [Green Version]
- Ghat, M.B.; Shukla, A.; Mishra, R. Variable Slope Trapezoidal Reference Signal Based Control for a DC Fault Tolerant Hybrid Modular Multilevel Converter with Cascaded Full Bridges. IEEE Trans. Ind. Appl. 2017, 53, 3770–3781. [Google Scholar] [CrossRef]
- Ghat, M.B.; Shukla, A. A New H-Bridge Hybrid Modular Converter (HBHMC) for HVDC Application: Operating Modes, Control, and Voltage Balancing. IEEE Trans. Power Electron. 2018, 33, 6537–6554. [Google Scholar] [CrossRef]
- Trainer, D.; Davidson, C.; Oates, C.; Macleod, N.; Critchley, D.; Crookes, R. A New Hybrid Voltage-Sourced Converter for HVDC Power Transmission. In Proceedings of the 2010 CIGRE Paris, Paris, France, 22–27 August 2010. [Google Scholar]
- Adam, G.P.; Williams, B.W. New emerging voltage source converter for high-voltage application: Hybrid multilevel converter with DC side H-bridge chain links. IET Gener. Transm. Distrib. 2014, 8, 765–773. [Google Scholar] [CrossRef] [Green Version]
- Adam, G.; Ahmed, K.; Williams, B. Hybrid multilevel converter with DC side H-bridge chain links. In Proceedings of the 2013 International Conference on Renewable Energy Research and Applications (ICRERA), Madrid, Spain, 20–23 October 2013. [Google Scholar]
- Adam, G.; Abdelsalam, I.A.; Ahmed, K.; Williams, B. Hybrid Multilevel Converter with Cascaded H-bridge Cells for HVDC Applications: Operating Principle and Scalability. IEEE Trans. Power Electron. 2015, 30, 65–77. [Google Scholar] [CrossRef] [Green Version]
- Hao, Q.; Ooi, B.-T.; Gao, F.; Wang, C.; Li, N. Three-Phase Series-Connected Modular Multilevel Converter for HVDC Application. IEEE Trans. Power Deliv. 2016, 31, 50–58. [Google Scholar] [CrossRef]
- Ghat, M.B.; Shukla, A. Series-Stacked Hybrid Modular Converter with DC Fault Blocking Capability for HVDC Application. In Proceedings of the 2018 IEEE Energy Conversion Congress and Exposition (ECCE), Portland, OR, USA, 23–27 September 2018. [Google Scholar]
- Cui, S.; Kim, S.; Jung, J.-J.; Sul, S.-K. Principle, control and comparison of modular multilevel converters (MMCs) with DC short circuit fault ride-through capability. In Proceedings of the 2014 IEEE Applied Power Electronics Conference and Exposition—APEC 2014, Fort Worth, TX, USA, 6–20 March 2014. [Google Scholar]
- Kontos, E.; Tsolaridis, G.; Teodorescu, R.; Bauer, P. Full-bridge MMC DC fault ride-through and STATCOM operation in multi-terminal HVDC grids. Bull. Pol. Acad. Sci. Tech. Sci. 2017, 65, 653–662. [Google Scholar] [CrossRef] [Green Version]
- Yu, X.; Wei, Y.; Jiang, Q.; Xie, X.; Liu, Y.; Wang, K. A Novel Hybrid-Arm Bipolar MMC Topology with DC Fault Ride-Through Capability. IEEE Trans. Power Deliv. 2017, 32, 1404–1413. [Google Scholar] [CrossRef]
- Feldman, R.; Watson, A.J.; Clare, J.C.; Wheeler, P.W.; Trainer, D.R.; Crookes, R.W. DC fault ride-through capability and statcom operation of a hybrid voltage source converter arrangement for HVDC power transmission and reactive power compensation. In Proceedings of the 6th IET International Conference on Power Electronics, Machines and Drives (PEMD 2012), Bristol, UK, 27–29 March 2012. [Google Scholar]
- Yu, X.; Wei, Y.; Jiang, Q. STATCOM Operation Scheme of the CDSM-MMC during a Pole-to-Pole DC Fault. IEEE Trans. Power Deliv. 2016, 31, 1150–1159. [Google Scholar] [CrossRef]
- Hosani, K.A.; Nguyen, T.H.; Sayari, N.A. Fault-tolerant control of MMCs based on SCDSMs in HVDC systems during DC-cable short circuits. Int. J. Electr. Power Energy Syst. 2018, 100, 379–390. [Google Scholar] [CrossRef]
- Jung, J.-J.; Cui, S.; Kim, S.; SuI, S.-K. A cell capacitor energy balancing control of Modular Multilevel Converter considering the unbalanced AC grid conditions. In Proceedings of the 2014 International Power Electronics Conference (IPEC-Hiroshima 2014—ECCE ASIA), Hiroshima, Japan, 18–21 May 2014. [Google Scholar]
- Samimi, S.; Gruson, F.; Guillaud, X.; Delarue, P. Control of DC bus voltage with a Modular Multilevel Converter. In Proceedings of the 2015 IEEE Eindhoven PowerTech, Eindhoven, The Netherlands, 29 June–2 July 2015. [Google Scholar]
- Samimi, S.; Gruson, F.; Delarue, P.; Guillaud, X. Synthesis of different types of energy based controllers for a Modular Multilevel Converter integrated in an HVDC link. In Proceedings of the 11th IET International Conference on AC and DC Power Transmission, Birmingham, UK, 10–12 February 2015. [Google Scholar]
- Shahriari, E.; Gruson, F.; Vermeersch, P.; Delarue, P.; Colas, F.; Guillaud, X. A Novel DC Fault Ride Through Control Methodology for Hybrid Modular Multilevel Converters in HVDC Systems. IEEE Trans. Power Deliv. 2020, 35, 2831–2840. [Google Scholar] [CrossRef]






























| Blocking State | |
| >0 | |
| <0 | 0 |
| Normal Operation | |
| Switches On | |
| T2 | 0 |
| T1 | |
| Blocking State | |
| >0 | |
| <0 | |
| Normal Operation | |
| Switches On | |
| T1,T3 | 0 |
| T2,T4 | 0 |
| T1,T4 | |
| T2,T3 | |
| FBSM (2 SMs) | UFBSM (2 SMs) | DCSM (2 SMs) | CDSM | SCSM | SFBSM | CSM | TLCCSM | FLCCSM | ACTSM | AFBSM | Mixed SM | |
|---|---|---|---|---|---|---|---|---|---|---|---|---|
| No. of IGBTS | 8 | 6 | 6 | 5 | 6 | 7 | 6 | 6 | 6 | 6 | 4 | 6 |
| No. of diodes | 8 | 8 | 8 | 7 | 7 | 7 | 1 | 8 | 6 | 8 | 4 | 6 |
| No. of switches in conduction path for 0/Vc/2Vc states | 4/4/4 | 4/4/4 | 4/4/4 | 3/3/3 | 4/5/4 | 3/4/3 | 2/4/3 | 4/4/4 | 3/3/3 | 4/3/2 | 2/2/2 | 3/3/3 |
| No. of voltage sensors | 2 | 2 | 2 | 2 | 1 | 1 | 1 | 2 | 2 | 2 | 2 | 2 |
| Overmodulation/Bipolar Operation | Yes | No | No | No | No | Yes | Yes | No | Yes | No | Yes | Yes |
| Symmetrical DC fault blocking | Yes | Yes | No | No | No | No | No | Yes | Yes | Yes | No | No |
| FBSM-MMC | HCMC | HC-MMC with HB Cells in Main Circuit | HCMC with DC Side Cascaded FBSMs | AAC | SSH-MMC | Series HBHMC | Parallel HBHMC | |
|---|---|---|---|---|---|---|---|---|
| DC Link Voltage | VDC | VDC | VDC | VDC | VDC | VDC | VDC | VDC |
| Voltage Stress Per Device | VDC/N | VDC/N | VDC/N | VDC/N | VDC/N | VDC/N | VDC/N | VDC/N |
| Maximum AC Phase Voltage | VDC/2 | VDC/2 | VDC/2 | VDC | VDC/2 | VDC/3 | VDC/3 | VDC |
| Number of Voltage Levels | N + 1 | N + 1 | N + 1 | 2 N + 1 | N + 1 | 2 N/3 + 1 | 2 N/3 + 1 | 2 N + 1 |
| Total Number of SMs | 6 N | 1.5 N | 7.5 N | 3 N | 3 N | 4 N | N | 3 N |
| Total Number of Capacitors | 6 N | 1.5 N | 7.5 N | 3 N | 3 N | 4 N | N | 3 N |
| Total Number of IGBTs | 24 N | 12 N | 18 N | 24 N | 15 N | 32 N/3 | 8 N | 24 N |
| Number of IGBTs in Conduction Path | 12 N | 6 N | 9 N | 12 N | 4.5 N | 4 N | 4 N | 12 N |
| Soft-switching | N/A | No | N/A | Yes | Yes | N/A | No | No |
| Overmodulation/Bipolar Operation | Yes | |||||||
| FBSM-MMC | MSM-MMC | CDSM-MMC | SFBSM | HCMC | HC-MMC with HB Cells in Main Circuit | AAC | EO-AAC | |
|---|---|---|---|---|---|---|---|---|
| Conduction Losses | Very High | Medium | Medium | High | Low | Medium | Low | Low |
| Soft-switching | N/A | N/A | N/A | N/A | No | N/A | Yes | No |
| Overmodulation/Bipolar Operation | Yes | Yes | No | Yes | No | Yes | Yes | Yes |
| Voltage Sensor Requirement | High | High | High | Low | Low | High | Medium | Medium |
| Control Complexity | Low | Medium | Medium | Medium | Medium | High | High | High |
| SM State | T1 | T2 | T3 | T4 | T5 | ||
|---|---|---|---|---|---|---|---|
| Positive | 1 | 0 | 0 | 1 | 0 | <0 | |
| Bypassed | 1 | 0 | 1 | 0 | 0 | <0 | 0 |
| Negative | 0 | 1 | 1 | 0 | 0 | <0 |
| SM State | T1 | T2 | T4 | ||
|---|---|---|---|---|---|
| Positive | 1 | 0 | 1 | <0 | |
| Bypassed | 1 | 0 | 0 | <0 | 0 |
| Negative | 0 | 1 | 0 | <0 |
| SM State | T1 | T2 | T3 | T4 | T5 | ||
|---|---|---|---|---|---|---|---|
| Positive | 1 | 0 | 0 | 1 | 1 | <0 | |
| Positive | 1 | 0 | 1 | 0 | 1 | <0 | |
| Positive | 0 | 1 | 0 | 1 | 1 | <0 | |
| Bypassed | 1 | 0 | 0 | 1 | 0 | <0 | 0 |
| Bypassed | 0 | 1 | 1 | 0 | 1 | <0 | 0 |
| Negative | 0 | 1 | 0 | 1 | 0 | <0 | |
| Negative | 1 | 0 | 1 | 0 | 0 | <0 | |
| Negative | 0 | 1 | 1 | 0 | 0 | <0 |
Publisher’s Note: MDPI stays neutral with regard to jurisdictional claims in published maps and institutional affiliations. |
© 2022 by the authors. Licensee MDPI, Basel, Switzerland. This article is an open access article distributed under the terms and conditions of the Creative Commons Attribution (CC BY) license (https://creativecommons.org/licenses/by/4.0/).
Share and Cite
Sakib, M.N.; Azad, S.P.; Kazerani, M. A Critical Review of Modular Multilevel Converter Configurations and Submodule Topologies from DC Fault Blocking and Ride-Through Capabilities Viewpoints for HVDC Applications. Energies 2022, 15, 4176. https://doi.org/10.3390/en15114176
Sakib MN, Azad SP, Kazerani M. A Critical Review of Modular Multilevel Converter Configurations and Submodule Topologies from DC Fault Blocking and Ride-Through Capabilities Viewpoints for HVDC Applications. Energies. 2022; 15(11):4176. https://doi.org/10.3390/en15114176
Chicago/Turabian StyleSakib, Munif Nazmus, Sahar Pirooz Azad, and Mehrdad Kazerani. 2022. "A Critical Review of Modular Multilevel Converter Configurations and Submodule Topologies from DC Fault Blocking and Ride-Through Capabilities Viewpoints for HVDC Applications" Energies 15, no. 11: 4176. https://doi.org/10.3390/en15114176
APA StyleSakib, M. N., Azad, S. P., & Kazerani, M. (2022). A Critical Review of Modular Multilevel Converter Configurations and Submodule Topologies from DC Fault Blocking and Ride-Through Capabilities Viewpoints for HVDC Applications. Energies, 15(11), 4176. https://doi.org/10.3390/en15114176

