Abstract
A large number of modular multilevel converters (MMC) are connected to HVDC transmission systems nowadays. This paper aims at the short-circuit fault in the DC line of the HVDC transmission system and the problem of capacitor voltage imbalance in MMC, proposing a new type of MMC sub-module, which has both the DC fault self-clearing ability and the capacitor voltage self-balancing ability. This sub-module combines the topology of half bridge and full bridge. It uses the reverse capacitor voltage to forcibly turn off the conducting diode to block the fault current loop. At the same time, the two capacitances charge and discharge states are consistent by utilizing the operating mode of the sub-module. It is possible to directly achieve a self-balancing capacitor voltage without complex balancing voltage control. The MATLAB/Simulink simulation verifies the effectiveness of the DC fault blocking capability and capacitor voltage balance capability of the proposed sub-module.
    1. Introduction
The flexible DC transmission technology of MMC has the advantages of high modularity, low switching frequency and low harmonic content, which makes it widely used in the fields of HVDC transmission and power conversion [,]. When MMC is applied to HVDC transmission, the following two issues must be considered.
(1) How to deal with the short-circuit fault of the DC side line. Once the DC system fails, the lower damping results in a higher rate of current rise, so that the current removal is more difficult than the AC system [,]. At present, AC circuit breakers, DC circuit breakers and improved sub-module topology are mainly used to block fault current.
As shown in Table 1, AC circuit breakers are widely used [], but the AC circuit breaker fault removal time is usually between 45–150 ms. The power supply reliability and operating speed of AC circuit breakers are far from reaching the requirements of the DC grid []. The DC circuit breaker can quickly cut off the fault [,]. However, since DC does not have a natural zero-crossing point, problems such as difficulty in line arc extinguishing are caused, which brings great challenges to the technical research and investment costs of DC circuit breakers [,,]. Therefore, it is the most effective method to absorb the fault current through the improvement of the converter topology and the cooperation with the control strategy to realize the rapid isolation of the fault. This method is controlled by pulse signals without mechanical switching [,]. The fault clearing time and the recovery time of the system after the fault are relatively fast, so it can adapt to the development requirements of high-voltage, large-capacity and long-distance power transmission.
 
       
    
    Table 1.
    Comparison of methods to deal with a short circuit fault of a DC side line.
  
The improved sub-module topology mainly includes symmetrical output type and asymmetrical output type. Symmetric output sub-module topology includes full-bridge sub-modules (FBSM) [,], enhanced self-blocking sub-module (SBSM) [], three-level clamp sub-modules (CCSM) [], five-level cross connected double sub-modules (CCDSM) [] and serial connected double sub-modules (SCDSM) []. Asymmetric output sub-modules include clamp double sub-modules (CDSM) [] and hybrid bridge sub-modules (H-SM) []. The improved topology DC fault blocking suppression has all or part of the sub-modules in the blocking or bypass state. After the fault is blocked, the sub-module power circuit may cause asymmetrical charging of the capacitor, which is not conducive to restarting the MMC.
(2) How to solve the problem of capacitor voltage balance. The main research methods focus on the capacitor voltage equalization strategy, the voltage equalization algorithm and the voltage equalization topology research. Although the research on the capacitor voltage balance strategy and the voltage equalization algorithm can accurately regulate the capacitor voltage, the data collection pressure is large and the calculation is complicated [,]. There is no complicated calculation process in the research of the equalization topology, but the investment cost needs to be considered. Bai proposed the strategy of rotating the carrier to achieve the balance of capacitor voltage and simplify the modulation algorithm []. Ghazanfari proposed a strategy to evenly distribute the switching gate signals by using PCC (permutation cyclic coding), which balances the voltage of the sub-module capacitors []. Wang proposed a new CPS-PWM (Carrier Phase Shift Pulse Width Modulation) scheme, allocating new drive signals with charging capability to the corresponding unbalanced sub-modules, which can balance the capacitor voltage []. Mora realized the balance of capacitor voltage by using model predictive control, aiming to solve the problem of optimal control []. Shu proposed a sub-module with two-way voltage self-balancing ability, which can suppress well the circulating current []. Tan proposed a topology using clamp diodes to connect D-FBSM and HBSM (half-bridge sub-modules), which eliminates the fault current through the single conductivity of the diode [].
In view of the above problems, improving the sub-module topology is the most effective method. Most of the existing improved sub-modules can only solve one of the problems, but the proposed topology can solve two problems at the same time. By combining HBSM and FBSM, this paper proposes a new type of sub-module with the capability of fault current self-clearing and capacitor voltage self-balancing: Combined Half-Bridge Full-Bridge Sub-Module (CHBFBSM).
2. Topological Structure and Operation Mode of CHBFBSM
On the basis of HBSM and FBSM, this paper uses the combination method to derive a new type of sub-module CHBFBSM, which has both DC fault current blocking capability and capacitor voltage self-balancing capability. Then, the derivation process and operation mode of CHBFBSM are introduced.
2.1. Topological Structure
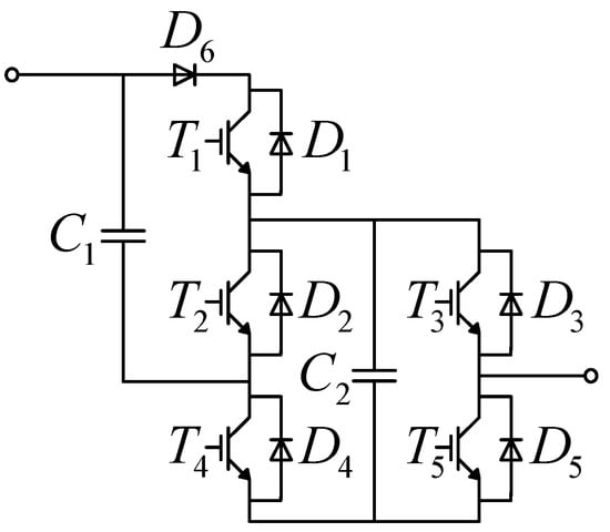
The topological structure of HBSM is shown in Figure 1a. The topological structure of FBSM is shown in Figure 1b. CHBFBSM combines HBSM and FBSM. By sharing a switch tube, the utilization rate of the device is improved. A diode is added to prevent the sub-module from being short-circuited after all IGBTs are blocked when a fault occurs. This article proposes a topology which combines HBSM and FBSM according to the method shown in Figure 1, and the specific structure is shown in Figure 2. The topological structure consists of five IGBTs T1–T5 and their anti-parallel diodes D1–D5, a single diode D6 and two capacitors C1 and C2.
 
      
    
    Figure 1.
      CHBFBSM combination diagram: (a) HBSM; (b) FBSM.
  
 
      
    
    Figure 2.
      Topology of CHBFBSM.
  
2.2. Operating Mode
During normal operation, CHBFBSM works in the following five modes, by adjusting the on and off states of the switch tube.
Mode 1: The switch tubes T1 and T3 are turned on. The capacitors C1 and C2 are bypassed. The output voltage of CHBFBSM is 0.
Mode 2: The switch tubes T2 and T3 are turned on. The capacitor C1 is input and C2 is bypassed. The output voltage of CHBFBSM is Uc1.
Mode 3: The switch tubes T1 and T5 are turned on. The capacitor C2 is input and C1 is bypassed. The output voltage of CHBFBSM is Uc2.
Mode 4: The switch tubes T1, T4, and T5 are turned on, resulting in two loops. Loop 1 circulates switches C1, T4, and D5. Loop 2 circulates D6, T1, C2, and D5. The capacitors C1 and C2 are connected in parallel. The output voltage of CHBFBSM is Uc1//Uc2.
Mode 5: The switch tubes T2 and T5 are turned on, generating loops C1, D2, C2, and D5. The capacitors C1 and C2 are connected in series, and the output voltage of CHBFBSM is Uc1 + Uc2.
When a fault occurs on the DC line, all switching devices are in an off state. When the bridge arm current iarm > 0, the current forms a loop through C1, D2, C2, and D5. When the bridge arm current iarm < 0, the current forms a loop through C1, D4, C2, and D3. The current path formed by the freewheeling diode inside the sub-module is shown in Figure 3. The bridge arm current will drop rapidly as the reverse capacitor voltage in the loop increases.
 
      
    
    Figure 3.
      Current path when the fault is blocked: (a) iarm > 0; (b) iarm < 0.
  
In summary, the operation mode of CHBFBSM can be divided into five normal modes and two blocking modes. The switch state of the device in each mode is shown in Table 2.
 
       
    
    Table 2.
    Operation mode of CHBFBSM.
  
3. Analysis of Self-Balancing Characteristics
Under normal operating conditions, CHBFBSM can run in five modes. CHBFBSM mainly operates in mode 1, mode 4 and mode 5, namely the capacitor bypass, capacitor parallel connection and capacitor series connection to balance the sub-module capacitor voltage. In an ideal situation, ignoring the capacitance difference, if CHBFBSM always runs in the above three modes, the charge and discharge of the two capacitors in the sub-module will be consistent, which can ensure the balance of the two capacitors voltage. Next, considering the capacitance difference, the self-balancing characteristics of CHBFBSM are further analyzed.
3.1. Analysis of Impulse Current
The voltage expression of the two capacitors in CHBFBSM is:
      
        
      
      
      
      
    
        where U0 is the capacitor voltage value at t0; Ck refers to the two capacitor values of the sub-module, UCk(t) is the capacitor voltage value at time t and k = 1, 2; i is the capacitor charging current.
, then there is:
      
        
      
      
      
      
    
        where ΔU is the voltage difference of the sub-module capacitance.
Considering the tolerance of the film capacitor within ±5%, when the CHBFBSM operates in mode 5, the capacitor is output in series. It can be seen from Equations (1) and (2) that even if the same loop current charges two capacitors with the same initial voltage, there will still be a certain voltage difference between the two capacitors.
Since the control period is very short, it can be approximately considered that the capacitor charging current is constant at I in a control period Ts, then:
      
        
      
      
      
      
    
When two capacitors are connected in parallel, the impulse current Ib can be expressed as:
      
        
      
      
      
      
    
        where R is the on-state resistance of the IGBT.
Taking into account the most serious situation, C1 and C2 are taken as the largest difference, which can be expressed as:
      
        
      
      
      
      
    
        where C is the theoretical value of the module capacitance.
The relationship between Ib and I can be expressed as:
      
        
      
      
      
      
    
It can be seen that the parallel impulse current is determined by the control period. When the control period is very short (usually in the microsecond level), capacitors with a certain difference will not generate excessive impulse current during the parallel connection process.
3.2. Energy Analysis
Regarding the IGBT as an ideal switch and the on-state resistance in series, the equivalent circuit of the switching process of CHBFBSM from mode 5 to mode 4 is shown in Figure 4. Mode 5 is a state where switches B1 and B2 are open, but B3 is off. Mode 4 is a state where switches B1 and B2 are off, but B3 is open.
 
      
    
    Figure 4.
      The equivalent circuit of the switching process.
  
The charge quantity of the circuit before and after switching can be expressed as:
      
        
      
      
      
      
    
        where Qc(0−) and Qc(0+) are the charges of the circuit before and after the switch; U1 and U2 are the voltages of capacitors C1 and C2 before switching, with the capacitors connected in series at this time; U3 is the voltage of capacitors C1 and C2 after switching, with the capacitors connected in parallel at this time.
According to the law of conservation of charge, the amount of charge in the circuit remains unchanged before and after switching. U3 can be expressed as:
      
        
      
      
      
      
    
The energy E(0−) before switching and the energy E(0+) after switching can be expressed as:
      
        
      
      
      
      
    
The energy loss of the circuit before and after switching can be expressed as:
      
        
      
      
      
      
    
Generally, ITs is much smaller than C, so the parallel loss is much smaller than 0.25%. Therefore, there will not be too much additional loss during the parallel connection. In addition, the circuit can be approximated as an RC circuit after switching, and the time constant τ = RC. Then, only the control period Ts > 3τ is required, and the steady state can be reached after switching. The energy transfer is completed, so the voltage self-balance can be well realized.
The above analysis shows that when the capacitances are the same, the module has a complete self-balancing effect. When there are differences in capacitances, selecting an appropriate control period Ts to complete the self-balancing process will not produce a large impulse current and excessive additional loss. The sub-module voltage can be automatically balanced by mode switching. Therefore, only one capacitor of the sub-module needs to be detected to participate in the sorting calculation. Compared with the voltage sensors required by the traditional half-bridge MMC, the number of voltage sensors required by the proposed topology and the number of voltage signals involved in the control are both reduced by half. Therefore, the system hardware cost is reduced, the calculation burden of the controller is reduced.
4. Analysis of DC Fault Blocking Characteristics
When a DC side fault occurs in the CHBFBSM-MMC system, the capacitor discharges to the fault point. Energy is fed into the AC side, and the DC current quickly rises to a preset threshold. All IGBTs are blocked, and the blocking ability of CHBFBSM on the fault current is used to realize the elimination of the fault. The change of DC current can divide the CHBFBSM fault current clearing process into pre-blocking stage and post-blocking stage. The operation flowchart of the DC fault protection strategy is shown in Figure 5 [].
 
      
    
    Figure 5.
      Flow chart of DC side fault ride through protection strategy.
  
4.1. Pre-Blocking Stage
Np and Nn are, respectively, the number of equivalent capacitors put into the upper and lower bridge arms. Nc is the total number of input capacitors in the single-phase bridge arm. N is the number of sub-modules of a single bridge arm, and the relationship can be expressed as:
      
        
      
      
      
      
    
If the step wave Nm is an odd number, let one sub-module operate in the capacitor parallel mode and (Nc − 1)/2 sub-modules operate in the capacitor series mode. The equivalent capacitance Cd1 of the bridge arm input can be expressed as:
      
        
      
      
      
      
    
If the step wave Nm is an even number, all the sub-modules put in are operating in the capacitor series mode, and the equivalent capacitor Cd2 can be expressed as:
      
        
      
      
      
      
    
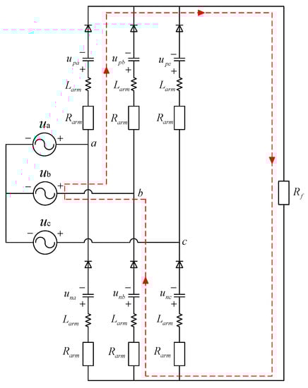
The high system control frequency makes all the sub-modules are in the state of input or removal. According to the sorting algorithm, all sub-modules of each phase can be approximately equally divided into two groups, and the two groups of sub-modules are discharged alternately in turn. The equivalent circuit of CHBFBSM-MMC is shown in Figure 6. Larm is the inductance of the bridge arm and Rarm is the resistance of the bridge arm; Ldc is the DC line inductance; Rdc is the DC line resistance; Rf is the resistance of the fault point.
 
      
    
    Figure 6.
      CHBFBSM-MMC equivalent circuit before the sub-module is blocked.
  
The equivalent circuit shown in Figure 6 can be simplified as a second-order zero-input RLC series circuit. The differential equation and initial conditions can be expressed as:
      
        
      
      
      
      
    
        where , where Ceq is the equivalent capacitance of the three-phase bridge arm; , where Leq is the sum of the equivalent inductance of the three-phase bridge arm and the DC line inductance; , where Req is the sum of the equivalent resistance of the three-phase bridge arm, the DC line resistance and the short-circuit resistance; uc(t) is the voltage across the equivalent capacitor Ceq; uc (0−) is the initial voltage of the equivalent capacitor Ceq; Uc0 is the rated value of the sub-module capacitor voltage; Idc0 is the steady-state value of the DC current during normal operation.
In the actual system, the equivalent resistance Req is much smaller than , so the second-order circuit is an underdamped circuit. The solution of the differential Equation is:
      
        
      
      
      
      
    
        where , , ; ωd is the oscillation angular frequency; ω0 is the resonance angular frequency; α is the circuit attenuation coefficient; ; .
The DC side current idc can be expressed as:
      
        
      
      
      
      
    
4.2. Blocking Stage
After the direct current rises rapidly and reaches more than ten times the rated value, it can be detected as a short-circuit fault. When MMC is blocked, the energy stored in the DC network is mainly divided into three parts: the network storage energy before failure, the sub-module capacitor discharge energy and the AC system feed energy. After the MMC is blocked, most of the energy will be fed back to the capacitors, except for a small part of the energy that is dissipated through the resistors. The two capacitors of CHBFBSM are connected in parallel to the fault circuit in reverse. The energy in the bridge arm inductance and the DC link is injected into the capacitor. The capacitor reduces the current in the bridge arm by providing a reverse voltage. At the same time, the AC side charges the capacitor, and the capacitor voltage rises. Figure 7 shows the specific equivalent circuit. The DC line is simplified to fault point f. Rf is the resistance where the fault occurs. Ua, Ub and Uc are, respectively, the equivalent power supply voltages of a-phase, b-phase and c-phase on the source side. Rarm and Larm are, respectively, the equivalent resistance and the equivalent inductance of the bridge arm. ua, ub and uc are, respectively, the equivalent capacitance voltages of the a-phase, b-phase and c-phase bridge arms. The subscripts p represents the upper bridge arms and n represents the lower bridge arms.
 
      
    
    Figure 7.
      CHBFBSM-MMC equivalent circuit when blocked.
  
When the bridge arm current iSM > 0, the current forms a loop through C1, D2, C2 and D5. At this time, the diode leads the sub-module capacitances into the bridge arm. The short-circuit fault current in the MMC flows through the diode, which charges the sub-module capacitances. The reverse capacitor voltage is used to forcibly turn off the conducting diode, thereby blocking the fault current loop.
        
      
        
      
      
      
      
    
        where Uac is the line voltage of the AC system between phase a and phase c; UD2 is the voltage across the diode D2; UD5 is the voltage across the diode D5; Ur is the remaining voltage between the DC side poles after the fault; Uc is the average value of the capacitor voltage in the sub-module.
The capacitor voltage average value Uc can be expressed as:
      
        
      
      
      
      
    
Thus, the voltage of two diodes can be expressed as:
      
        
      
      
      
      
    
The AC system line voltage meets . Because Udc ≥ Ur, the relationship of the diode voltage can be expressed as:
      
        
      
      
      
      
    
The diodes D2 and D5, which provide the reverse current path, will be turned off due to the reverse voltage, which can cut off the current path from the AC side to the DC side. The DC side cannot feed energy from the AC side, so the DC fault current can be completely eliminated.
When the current of bridge arm iSM < 0, it forms a loop through C1, D4, C2 and D3, which can be expressed as:
      
        
      
      
      
      
    
        where Uca is the line voltage of the AC system between phase c and phase a; UD3 is the voltage across the diode D3; UD4 is the voltage across the diode D4.
The voltage of the two diodes D3 and D4 can be expressed as:
      
        
      
      
      
      
    
The combination of the relationship between the amplitude of line voltage in AC system can be shown as:
      
        
      
      
      
      
    
It can be obtained that the diodes D3 and D4 are in the reverse cut-off state, which can cut off the fault current path, so as to achieve the purpose of clearing the fault current.
Regardless of the direction of the bridge arm current, the diode that is forcibly turned off will hinder the fault current. The switching device will not withstand the impulse voltage, which ensures the safety of the power device and improves the reliability of the fault current clearing.
5. Simulation Results
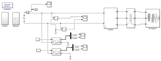
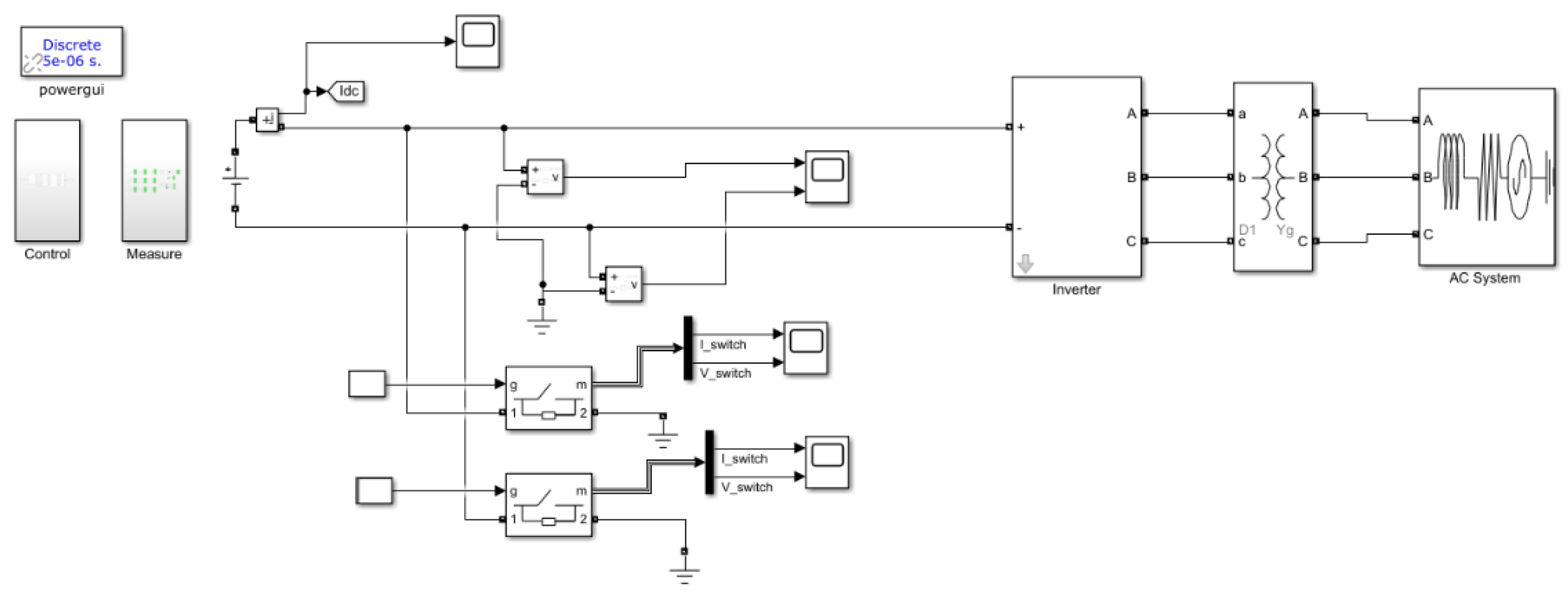
For the purpose of verifying the effectiveness of CHBFBSM’s voltage self-balancing ability and the ability to clear DC faults, an 11-level MMC DC transmission system was built using the MATLAB/Simulink simulation platform as shown in Figure 8. The simulation model is shown in the Appendix A. The most serious bipolar short circuit fault among DC fault is studied. Specific electrical parameters are shown in Table 3.
 
      
    
    Figure 8.
      Simulation model structure diagram.
  
 
       
    
    Table 3.
    Simulation system parameters.
  
5.1. DC Blocking Capability Verification
In this paper, a bipolar short circuit fault occurs at 1 s. Figure 9 shows the working status of all switch tubes. The on–off conditions of all switching tubes are consistent with the theoretical analysis. Among them, the on–off conditions of T1 and T2 are opposite. After about 2 ms, all IGBTs are blocked.
 
      
    
    Figure 9.
      Switch tubes conduction situation.
  
Figure 10 shows the waveform after the fault. Figure 10a shows the trend of the DC side current rising after a short-circuit fault occurs. In normal operation, the steady-state current of the DC side is about 400 A, and the fault current rises to about 1000 A. In the fault detection stage, the current rises quickly, which may cause serious harm to the power devices, so it is necessary to quickly block the switching devices. After about 2 ms, the fault current quickly drops to 0 after flowing through the capacitor with all IGBTs blocked. Figure 10b shows that the DC side voltage is about 10 kV during normal operation, and it drops to 0 after a fault occurs, so the sub-module has the fault current clearing capability.
 
      
    
    Figure 10.
      Bipolar fault waveform on the DC side: (a) DC current; (b) DC voltage; (c) AC current; (d) AC voltage.
  
Figure 10c shows that the AC side current is about 750 A during normal operation. When a fault occurs, energy will flow from the AC side to the DC side. The sum of the three-phase current is 0, so the feed energy on the AC side has little effect. After that, the AC side current drops to zero. The sub-module blocking will provide back electromotive force, which hinders the energy supply from the AC side to the DC side and plays a role in isolating the AC and DC. Figure 10d shows that the AC side voltage does not change much because the lockout was performed in time.
Figure 11 shows waveform of the bridge arm current. The current value of the bridge arm and the AC voltage at the moment of blocking affect the length of the decay time. After the fault occurs, the reverse voltage of the capacitor causes the diode to no longer have freewheeling capability, and the bridge arm current quickly drops to zero.
 
      
    
    Figure 11.
      Bridge arm current waveform.
  
5.2. Capacitor Voltage Balance Ability Verification
According to the experimental conditions given in Table 2, the variation of the sub-module capacitor voltage is simulated and the voltage fluctuation is shown in Figure 12.
 
      
    
    Figure 12.
      C1 = C2, capacitor voltage of sub-module: (a) Waveform diagram of sub-module capacitor voltage; (b) Magnified diagram of capacitor voltage waveform after failure.
  
Figure 12a shows that the sub-module capacitor voltage fluctuates in the same trend during normal operation. The voltage fluctuation range between sub-modules is less than 5%. The capacitor voltage fluctuation of single sub-module is about 6%. The small fluctuation index proves that the capacitor voltage has a good balance effect. Therefore, only a single capacitor of the sub-module can be monitored, which automatically balances the capacitor voltage. Therefore, it can effectively reduce the use of measuring devices. The capacitor voltage also drops sharply since the fault occurs. Figure 12b shows the magnified diagram of capacitor voltage waveform after failure. Due to the voltage equalization characteristic, the capacitor voltage of the sub-module keeps falling synchronously when a fault occurs. After the switch tubes are blocked, the capacitor voltage is simultaneously charged to near the rated value. The fluctuation range of capacitor voltage is less than 2%.
The above analysis is based on the situation that the two capacitor values are equal, but the film capacitor has a tolerance within ±5%. When taking the maximum difference, C1 is 4.75 mF and C2 is 5.25 mF. The waveform of each sub module capacitor voltage is shown in Figure 13.
 
      
    
    Figure 13.
      C1 ≠ C2, capacitor voltage of sub-module: (a) Waveform diagram of sub-module capacitor voltage; (b) Magnified diagram of capacitor voltage waveform after failure.
  
It can be seen from Figure 13a that the fluctuation range between sub-modules is still less than 5%. The capacitor voltage fluctuation of single sub-module is about 7%. It can be seen from Figure 13b that after the IGBT is locked, the capacitor voltage can be stabilized at about 1.02 kV. The maximum unevenness of sub-modules is about 4%. Even if the capacitance values are not equal, the sub-modules are still in a voltage equalization state. In summary, this sub-module has a good voltage balance capability, which is conducive to the rapid restart of the MMC.
5.3. Investment Cost Analysis
The rated withstand voltage level of various power switching devices and the amount of the device determine the investment cost of the sub-module. In this paper, it is assumed that the rated voltages of all power devices in various topologies are the same. At this time, the models of IGBT and diode are the same, and the cost of different sub-modules is mainly reflected in the amount of devices. The specific investment cost is shown in Table 4.
 
       
    
    Table 4.
    Comparison of investment costs.
  
Table 4 shows that HBSM uses the fewest devices, but it is unable to clear DC faults. The number of IGBTs used in CHBFBSM is the same as that of CDSM, but less than FBSM and SBSM. However, the number of diodes used in CHBFBSM is smaller, and the required measurement device is only half of the remaining topologies. Therefore, CHBFBSM has the lowest investment cost and the highest economy.
6. Conclusions
This paper proposes a sub-module topology with DC fault clearing capability and internal capacitance self-balancing capability. This topology achieves multi-level output and DC fault blocking by combining HBSM and FBSM, using clamp circuits and switched capacitors. Moreover, no additional voltage balance control is required to automatically achieve the balance of the sub-module capacitor voltage. In addition, the number of measuring devices used can be reduced and the utilization rate of the device can be improved. Therefore, it has low investment cost and high economy. The simulation results show that the proposed sub-module can clear the fault current and realize the self-balance of the capacitor voltage. This sub-module increases the reliability of the system and eases the problem of heavy data collection pressure.
Author Contributions
Conceptualization, Y.P. and G.M.; methodology, Y.P. and X.L.; validation, Y.P., X.X. and X.Z.; formal analysis, X.X.; investigation, X.L.; writing—original draft preparation, Y.P.; writing—review and editing, Y.P. and G.M.; supervision, G.M. All authors have read and agreed to the published version of the manuscript.
Funding
This research was supported by the Jiangsu Province Key R&D Program (Industry Prospects and Key Core Technologies) Project: Multi-energy flow system coupling modeling and situational awareness technology research and equipment development (BE2020081-4).
Conflicts of Interest
The authors declare no conflict of interest.
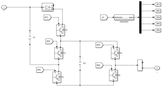
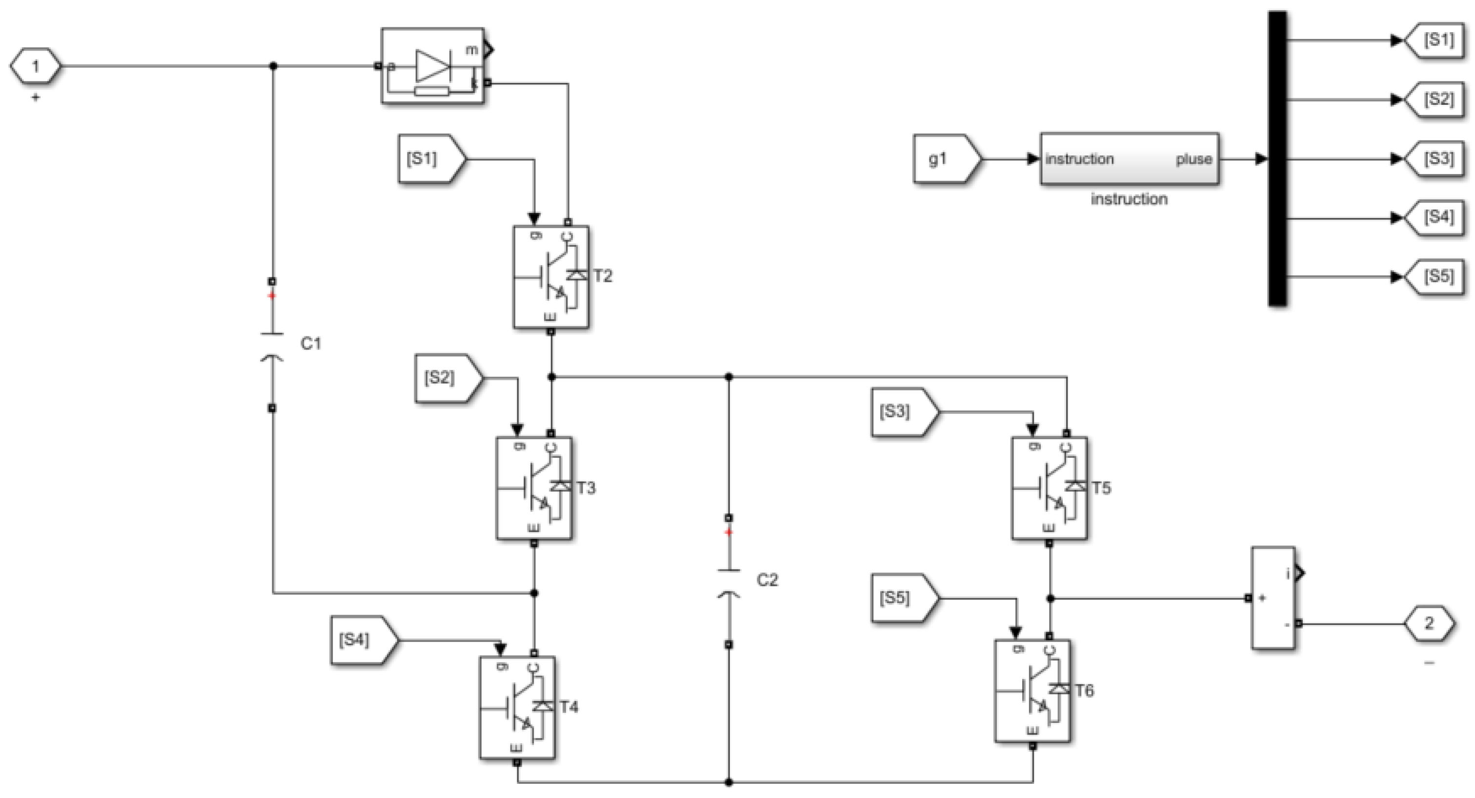
Appendix A
 
      
    
    Figure A1.
      Simulation model of the MMC DC transmission system.
  
 
      
    
    Figure A2.
      Simulation model of CHBFBSM.
  
References
- Sánchez-Sánchez, E.; Groß, D.; Prieto-Araujo, E.; Dörfler, F.; Gomis-Bellmunt, O. Optimal Multivariable MMC Energy-Based Control for DC Voltage Regulation in HVDC Applications. IEEE Trans. Power Deliv. 2020, 35, 999–1009. [Google Scholar] [CrossRef]
- Vidal-Albalate, R.; Forner, J. Modeling and Enhanced Control of Hybrid Full Bridge-Half Bridge MMCs for HVDC Grid Studies. Energies 2020, 13, 180. [Google Scholar] [CrossRef]
- Shenghui, C.; Seung-Ki, S. A Comprehensive DC Short-Circuit Fault Ride through Strategy of Hybrid Modular Multilevel Converters (MMCs) for Overhead Line Transmission. IEEE Trans. Power Electron. 2016, 31, 7780–7796. [Google Scholar]
- Nguyen, T.H.; Hosani, K.A.; Moursi, M.S.E.; Blaabjerg, F. An Overview of Modular Multilevel Converters in HVDC Transmission Systems with STATCOM Operation during Pole-to-Pole DC Short Circuits. IEEE Trans. Power Electron. 2019, 34, 4137–4160. [Google Scholar] [CrossRef]
- Xu, Z.; Xiao, H.; Xiao, L.; Zhang, Z. DC Fault Analysis and Clearance Solutions of MMC-HVDC Systems. Energies 2018, 11, 941. [Google Scholar] [CrossRef]
- Tang, G.; Xu, Z.; Zhou, Y. Impacts of Three MMC-HVDC Configurations on AC System Stability under DC Line Faults. IEEE Trans. Power Syst. 2014, 29, 3030–3040. [Google Scholar] [CrossRef]
- Kim, G.; Lee, J.S.; Park, J.H.; Choi, H.D.; Lee, M.J. A Zero Crossing Hybrid Bidirectional DC Circuit Breaker for HVDC Transmission Systems. Energies 2021, 14, 1349. [Google Scholar] [CrossRef]
- Iman-Eini, H.; Liserre, M. DC Fault Current Blocking with the Coordination of Half-Bridge MMC and the Hybrid DC Breaker. IEEE Trans Ind. Electron. 2020, 67, 5503–5514. [Google Scholar] [CrossRef]
- Cwikowski, O.; Wood, A.; Miller, A.; Barnes, M.; Shuttleworth, R. Operating DC Circuit Breakers with MMC. IEEE Trans. Power Deliv. 2018, 33, 260–270. [Google Scholar] [CrossRef]
- Lin, W.; Jovcic, D.; Nguefeu, S.; Saad, H. Modelling of high-power hybrid DC circuit breaker for grid-level studies. IET Power Electron. 2016, 9, 237–246. [Google Scholar] [CrossRef]
- Franck, C.M. HVDC Circuit Breakers: A Review Identifying Future Research Needs. IEEE Trans. Power Deliv. 2011, 26, 998–1007. [Google Scholar] [CrossRef]
- Fang, X.; Chen, C.; Wang, Z.; Xiong, J.; Zhang, K. An Improved Modular Multilevel Converter with DC Fault Blocking Capability Based on Half-Bridge Submodules and H-Bridge Circuit. IEEE Trans. Power Deliv. 2020, 35, 2682–2691. [Google Scholar] [CrossRef]
- Nguyen, T.; Lee, D. A novel submodule topology of MMC for blocking DC-fault currents in HVDC transmission systems. In Proceedings of the 2015 9th International Conference on Power Electronics and ECCE Asia (ICPE-ECCE Asia), Seoul, Korea, 1–5 June 2015; pp. 2057–2063. [Google Scholar]
- Hu, J.; Xiang, M.; Lin, L.; Lu, M.; Zhu, J.; He, Z. Improved Design and Control of FBSM MMC with Boosted AC Voltage and Reduced DC Capacitance. IEEE Trans. Ind. Electron. 2018, 65, 1919–1930. [Google Scholar] [CrossRef]
- Zhao, C.; Gao, F.; Li, Z.; Wang, P.; Li, Y. Capacitor Voltage Ripples Reduction of Full-bridge MMC with Circulating Current Injection Under Single-Line-to-Ground Fault Conditions. In Proceedings of the IECON 2019—45th Annual Conference of the IEEE Industrial Electronics Society, Lisbon, Portugal, 14–17 October 2019; pp. 6084–6089. [Google Scholar]
- Xiang, W.; Lin, W.; Wen, J.; Yao, L.; Zhibing, W. Equivalent electromagnetic model of self-blocking MMC with DC fault isolation capability. In Proceedings of the 2016 IEEE Power and Energy Society General Meeting (PESGM), Boston, MA, USA, 17–21 July 2016; pp. 1–5. [Google Scholar]
- Li, R.; Fletcher, J.E.; Xu, L.; Holliday, D.; Williams, B.W. A hybrid modular multilevel converter with novel three-level cells for DC fault blocking capability. IEEE Trans. Power Deliv. 2015, 30, 2017–2026. [Google Scholar] [CrossRef]
- Nami, A.; Wang, L.; Dijkhuizen, F.; Shukla, A. Five level cross connected cell for cascaded converters. In Proceedings of the 2013 15th European Conference on Power Electronics and Applications (EPE), Lille, France, 3–5 September 2013; pp. 1–9. [Google Scholar]
- Qin, J.; Saeedifard, M.; Rockhill, A.; Zhou, R. Hybrid Design of Modular Multilevel Converters for HVDC Systems Based on Various Submodule Circuits. IEEE Trans. Power Deliv. 2015, 30, 385–394. [Google Scholar] [CrossRef]
- Yu, X.; Wei, Y.; Jiang, Q. STATCOM Operation Scheme of the CDSM-MMC during a Pole-to-Pole DC Fault. IEEE Trans. Power Deliv. 2016, 31, 1150–1159. [Google Scholar] [CrossRef]
- Adam, G.P.; Ahmed, K.H.; Williams, B.W. Mixed cells modular multilevel converter. In Proceedings of the 2014 IEEE 23rd International Symposium on Industrial Electronics (ISIE), Istanbul, Turkey, 1–4 June 2014; pp. 1390–1395. [Google Scholar]
- Lee, J.-H.; Jung, J.-J.; Sul, S.-K. Balancing of Submodule Capacitor Voltage of Hybrid Modular Multilevel Converter under DC-Bus Voltage Variation of HVDC System. IEEE Trans. Power Electron. 2019, 34, 10458–10470. [Google Scholar] [CrossRef]
- Deng, F.; Chen, Z. Voltage-Balancing Method for Modular Multilevel Converters Switched at Grid Frequency. IEEE Trans. Ind. Electron. 2015, 62, 2835–2847. [Google Scholar] [CrossRef]
- Bai, Z.; Xia, H.; Ma, H.; Wang, J. MMC Capacitor Voltage Balancing Strategy Based on Carrier Rotation. In Proceedings of the 2018 IEEE International Power Electronics and Application Conference and Exposition (PEAC), Shenzhen, China, 4–7 November 2018; pp. 1–5. [Google Scholar]
- Ghazanfari, A.; Mohamed, Y.A.I. A Hierarchical Permutation Cyclic Coding Strategy for Sensorless Capacitor Voltage Balancing in Modular Multilevel Converters. IEEE J. Emerg. Sel. Top. Power Electron. 2016, 4, 576–588. [Google Scholar] [CrossRef]
- Wang, K.; Deng, Y.; Peng, H.; Chen, G.; Li, G.; He, X. An Improved CPS-PWM Scheme-Based Voltage Balancing Strategy for MMC with Fundamental Frequency Sorting Algorithm. IEEE Trans. Ind. Electron. 2019, 66, 2387–2397. [Google Scholar] [CrossRef]
- Mora, A.; Urrutia, M.; Cardenas, R.; Angulo, A.; Espinoza, M.; Diaz, M.; Lezana, P. Model-Predictive-Control-Based Capacitor Voltage Balancing Strategies for Modular Multilevel Converters. IEEE Trans. Ind. Electron. 2019, 66, 2432–2443. [Google Scholar] [CrossRef]
- Shu, H.; Lei, S.; Tian, X. A New Topology of Modular Multilevel Converter with Voltage Self-Balancing Ability. IEEE Access. 2019, 7, 184786–184796. [Google Scholar] [CrossRef]
- Tan, K.; Wang, Y.; Ji, M. A Fast restart Hybrid MMC Topology with Fault Ride-through Ability. In Proceedings of the 2019 22nd International Conference on Electrical Machines and Systems (ICEMS), Harbin, China, 11–14 August 2019; pp. 1–5. [Google Scholar]
- Wang, R.; Li, Z.; Wen, X.; Liu, N.; Wang, X. A Novel MMC Sub-Module Topology with DC Fault Clearance Capability. IEEE Access. 2019, 7, 96085–96093. [Google Scholar] [CrossRef]
| Publisher’s Note: MDPI stays neutral with regard to jurisdictional claims in published maps and institutional affiliations. | 
© 2021 by the authors. Licensee MDPI, Basel, Switzerland. This article is an open access article distributed under the terms and conditions of the Creative Commons Attribution (CC BY) license (https://creativecommons.org/licenses/by/4.0/).
