Sign in to use this feature.

Years

Between: -

Subjects

remove_circle_outline
remove_circle_outline
remove_circle_outline
remove_circle_outline
remove_circle_outline
remove_circle_outline
remove_circle_outline
remove_circle_outline
remove_circle_outline

Journals

remove_circle_outline
remove_circle_outline
remove_circle_outline
remove_circle_outline
remove_circle_outline
remove_circle_outline
remove_circle_outline
remove_circle_outline
remove_circle_outline

Article Types

Countries / Regions

remove_circle_outline
remove_circle_outline
remove_circle_outline
remove_circle_outline
remove_circle_outline

Search Results (782)

Search Parameters:
Keywords = bronze

Order results
Result details
Results per page
Select all
Export citation of selected articles as:
9 pages, 3252 KB  
Entry
Defining Imitative Coinage in the Roman Imperial Period on the Territory of the Empire
by Marc Bouzas Sabater
Encyclopedia 2026, 6(3), 62; https://doi.org/10.3390/encyclopedia6030062 - 13 Mar 2026
Viewed by 47
Definition
Imitative coinage is understood to be any currency issued outside of the official known coin series. This currency could have been issued by individuals or state agents, and its main function was not profit, but rather it responded to currency shortages and acted [...] Read more.
Imitative coinage is understood to be any currency issued outside of the official known coin series. This currency could have been issued by individuals or state agents, and its main function was not profit, but rather it responded to currency shortages and acted as a currency of necessity. It must be distinguished from the currency itself, which had a lucrative intent on the part of the issuers. Coin imitation was a phenomenon that occurred during various chronological periods throughout the Roman Imperial era, essentially linked to historical events that caused a monetary shortage. This refers to a phenomenon where coinage not issued by the official authority was introduced into circulation and utilized in commercial exchanges of various kinds, a fact that can be demonstrated archaeologically. Imitative coinage can be detected through detailed numismatic studies, revealing variability in stylistic elements, as well as physical characteristics (such as weight or diameter) when compared to the official issue. Coin imitation should not be confused with monetary counterfeiting, as its intention was not to profit the unofficial issuer, but rather to facilitate daily commercial exchanges. Even so, the characteristics of both can be similar in some cases, which can make it difficult to assign them to one type or the other. The imitative pieces, primarily in bronze types though not limited to them, played a highly significant role in maintaining Roman economic systems during periods of decline in official currency. Full article
(This article belongs to the Section Arts & Humanities)
Show Figures

Figure 1

19 pages, 4661 KB  
Article
A Mobile Temple: Forms and Visual Grammar of Portable Buddhist Shrines from the 3rd to the 8th Centuries Unearthed Along the Silk Road
by Haoran Li and Hengbang Zhou
Religions 2026, 17(3), 360; https://doi.org/10.3390/rel17030360 - 13 Mar 2026
Viewed by 100
Abstract
Portable Buddhist shrines refer to small-scale mobile or assembled shrines, typically made of wood, stone, clay, and metal. They were initially used as temporary ritual sites or ornamental attachments for temples and stupas, later becoming independent objects of devotion. This art form, the [...] Read more.
Portable Buddhist shrines refer to small-scale mobile or assembled shrines, typically made of wood, stone, clay, and metal. They were initially used as temporary ritual sites or ornamental attachments for temples and stupas, later becoming independent objects of devotion. This art form, the origins of which can be traced to ancient India and later diverse regional traditions, has been discovered in significant quantities along the Silk Road and neighboring regions. Previously, scholarly attention centered primarily on exquisite wall shrines, stupa-shaped shrines, and stele-shaped shrines. However, when factors such as the spatial arrangement and ritual functions of mobile ritual sites are taken into account, along with the materials and techniques employed in creating Buddhist shrines, artifacts such as badge-style bronze Buddha statues, painted silk banners, and wooden panel paintings may also be classified as portable Buddhist shrines. Accordingly, portable Buddhist shrines can be divided into three forms: pedestal, hanging, and open–close or mother–child. A key reason for this expanded classification is that all such forms are functionally and stylistically linked to large-scale cave temples. Moreover, these shrines share a common visual grammar, defined by the dynamic integration of images and texts and the mutual imitation and complementarity of statue and painting. This represents a quintessential example of cross-cultural dissemination and the coexistence of local traditions in Buddhist art. Full article
(This article belongs to the Special Issue Buddhist Art Along the Silk Road and Its Cross-Cultural Interaction)
Show Figures

Figure 1

31 pages, 34043 KB  
Article
Mineralogical, Petrographic, and Isotopic Analysis of Colored Stones and White Marble from Ancient and Modern Quarries in Mani Peninsula, Southern Greece
by Petros Tzeferis and Vasilios Melfos
Minerals 2026, 16(3), 294; https://doi.org/10.3390/min16030294 - 10 Mar 2026
Viewed by 356
Abstract
This study examines the marble resources of the Mani peninsula, southern Greece, a region that has long been known for its white, gray-black (bigio antico), green (cipollino verde Tenario), and particularly red (rosso antico or lapis Taenarium) [...] Read more.
This study examines the marble resources of the Mani peninsula, southern Greece, a region that has long been known for its white, gray-black (bigio antico), green (cipollino verde Tenario), and particularly red (rosso antico or lapis Taenarium) and dark (nero antico) marbles. Based on extensive fieldwork, more than 90 quarrying sites were documented, several of which were recorded for the first time. This study provides a systematic characterization of these stones through combined mineralogical, petrographic, and stable isotopic (δ18O, δ13C) analyses of 27 representative samples. The results confirm the presence of calcitic marbles, which vary in color due to hematite in the red varieties, graphite and organic matter in the gray-black and black types, and chlorite in the green marbles. The isotopic results demonstrate a generally high degree of homogeneity, although the red marbles display greater variability, complicating their distinction from analogous stones in Asia Minor, such as those from Iasos and Milas. Quarrying of Mani marbles began in the Bronze Age and reached its peak during Roman times. It continued into the Byzantine period, with renewed exploitation in the 19th and 20th centuries. This study highlights the significant role of Mani in the ancient marble trade and contributes to ongoing debates about the provenance of famous red, white, and black marbles across the Mediterranean. Furthermore, it establishes a strong reference framework, integrating new analytical results with the existing literature, providing an updated mineralogical, petrographic, and isotopic database for provenance studies of marble artifacts. Full article
Show Figures

Figure 1

20 pages, 2262 KB  
Article
Valorization of Olive Stones: Chemical Composition and Bioactivity
by Bruna Nunes, Naiara Fernández, Andreia Bento Silva, Ana Partidário, Joana Marto, Elisabete M. C. Alexandre, Sofia Lourenço, Ana Teresa Serra, Maria Rosário Bronze, Noélia Duarte and Ana Margarida Rodrigues
Pharmaceuticals 2026, 19(3), 447; https://doi.org/10.3390/ph19030447 - 10 Mar 2026
Viewed by 151
Abstract
Background/Objectives: The consumption of olive oil and olives has been steadily increasing, leading to growing interest in the sustainable management of by-products such as olive stones. This work aimed to contribute to the development of valorization strategies by studying the chemical composition [...] Read more.
Background/Objectives: The consumption of olive oil and olives has been steadily increasing, leading to growing interest in the sustainable management of by-products such as olive stones. This work aimed to contribute to the development of valorization strategies by studying the chemical composition and biological potential of olive stone extracts, using both conventional and eco-friendly extraction methods with various solvents. Methods: Several extracts were prepared and chemically characterized regarding their fatty acid and phenolic profiles by GC-FID and HPLC-DAD-MS/MS, respectively. Their antioxidant, cytotoxic and antiproliferative activities were also evaluated. Results: n-Hexane Soxhlet extract yielded higher concentrations and a broader range of fatty acids when compared to the chloroform-methanol Folch extract. Oleic, palmitic, and linoleic acids were the predominant fatty acids in the extracts. A large variety of phenolic compounds were identified in extracts obtained by microwave-assisted extraction (MAE), including several flavonoids, small phenolic compounds, secoiridoids (nuezhenide and oleuropein), and hydroxytyrosol. MAE hydroalcoholic extracts showed high total phenolic content (TPC), antioxidant activity by the oxygen radical absorption capacity (ORAC) and hydroxyl radical scavenging capacity (HOSC) assays. Moreover, the aqueous ethanol (50%) and aqueous methanol (80%) extracts displayed low cytotoxicity toward the non-malignant Caco-2 cell line (IC50 values of 1.29 and 1.40 mg/mL, respectively), while both induced complete loss of viability in the HT-29 human colon adenocarcinoma cell line at 0.63 mg/mL. Conclusions: These findings highlight the potential of olive stone as a valuable source of bioactive compounds with antioxidant and selective antiproliferative properties. The results support their further exploration in the development of sustainable valorization strategies for olive industry by-products. Full article
(This article belongs to the Section Natural Products)
Show Figures

Figure 1

22 pages, 14630 KB  
Article
Adornments in Funeral Contexts: Analysis of a Necklace from the Bronze Age Cemetery at Cândești, Romania
by Monica Mărgărit, Anca-Diana Popescu, Mădălina Stănescu, Rodica-Mariana Ion, Sofia Slămnoiu-Teodorescu and Daniela Cristea-Stan
Heritage 2026, 9(3), 106; https://doi.org/10.3390/heritage9030106 - 9 Mar 2026
Viewed by 216
Abstract
The Cândești necropolis is currently the largest excavated Bronze Age necropolis in Romania, with approximately 800 graves. Notably, one grave from an earlier phase of the Monteoru culture (c. 2200–1850 BC) contained a remarkable necklace composed of 22 perforated gastropod shells and a [...] Read more.
The Cândești necropolis is currently the largest excavated Bronze Age necropolis in Romania, with approximately 800 graves. Notably, one grave from an earlier phase of the Monteoru culture (c. 2200–1850 BC) contained a remarkable necklace composed of 22 perforated gastropod shells and a metal pendant. Our investigation adopted an integrated approach, including taxonomic identification, taphonomic, technological and functional analyses, experimental studies, and physico-chemical investigations (Fourier Transform Infrared Spectroscopy and Raman spectroscopy) of the pigment traces present on the shells’s surface. For the metal pendant, X-Ray Fluorescence analysis was conducted to ascertain its elemental composition. The combined analysis yielded unexpected insights: the shells, belonging to the genus Conus, originated from the Mediterranean region. The perforations were not the result of anthropic intervention; rather, they were the result of natural processes, indicating that the shells were collected from thanatocoenoses. The shells were assembled into the necklace using a thread colored with a red pigment. The perforations show signs of prolonged use, suggesting that the necklace was not only a funerary offering. In conclusion, our study indicated that these exotic shells were collected post-mortem already perforated through a rubbing process in the seashore sediments, transported to the site from a distance, and prior to the death of the owner, had been previously worn as personal adornment before being deposited as grave goods. Full article
(This article belongs to the Special Issue Current Studies on Archaeological Worked Bone Heritage)
Show Figures

Figure 1

18 pages, 3978 KB  
Article
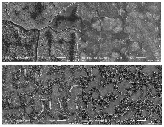
Preliminary Study on the Role of Humic Substances in the Early Corrosion Behavior of High-Tin Bronze Alloys Under Simulated Soil Conditions
by Yuyang Miao and Lu Yang
Coatings 2026, 16(3), 320; https://doi.org/10.3390/coatings16030320 - 6 Mar 2026
Viewed by 155
Abstract
To investigate the influence of humus on the corrosion behavior of high-tin bronze in soil environments, potentiostatic polarization was applied to simulate early-stage corrosion under controlled conditions. Open-circuit potential and potentiodynamic polarization tests were performed, and corrosion products were characterized by stereo microscopy, [...] Read more.
To investigate the influence of humus on the corrosion behavior of high-tin bronze in soil environments, potentiostatic polarization was applied to simulate early-stage corrosion under controlled conditions. Open-circuit potential and potentiodynamic polarization tests were performed, and corrosion products were characterized by stereo microscopy, SEM-EDS, and confocal Raman spectroscopy. A Cu–Sn–Pb ternary alloy was examined in simulated archaeological soil solutions with selective humus addition at different pH values. A bilayer structure, consisting of a secondary corrosion layer and a semi-corroded transition zone, developed in all media, with more extensive corrosion under weakly acidic conditions. In acidic environments, humus enhanced preferential α-phase corrosion, associated with copper depletion and tin enrichment as SnO2. Under weakly alkaline conditions, humus mainly affected surface color and micro-morphology without altering the overall corrosion pattern. Electrochemical testing reproduced corrosion layer structures similar to those formed during early burials, but differences in morphology were observed. The results suggest that, as an accelerated corrosion technique, electrochemical methods can reproduce key features of early-stage corrosion in high-tin bronze and serve as an effective tool for monitoring corrosion behavior. Full article
(This article belongs to the Section Corrosion, Wear and Erosion)
Show Figures

Figure 1

21 pages, 376 KB  
Article
Comparative Study of Divine Kingship in Ur III Dynasty Mesopotamia and China in the Shang Dynasty
by Xueting Chao
Religions 2026, 17(3), 294; https://doi.org/10.3390/rel17030294 - 26 Feb 2026
Viewed by 580
Abstract
This article presents a comparative analysis of divine kingship in two foundational Bronze Age civilizations: the Ur III Dynasty of Mesopotamia (ca. 2112–2004 BC) and the Shang Dynasty of China (ca. 1600–1046 BC). While both polities strategically adopted royal deification to consolidate authority [...] Read more.
This article presents a comparative analysis of divine kingship in two foundational Bronze Age civilizations: the Ur III Dynasty of Mesopotamia (ca. 2112–2004 BC) and the Shang Dynasty of China (ca. 1600–1046 BC). While both polities strategically adopted royal deification to consolidate authority within their territorial states, the underlying motivations, manifestations, and historical consequences diverged profoundly. In Ur III, king Šulgi’s self-deification was a deliberate political instrument, carefully constructed to centralize power and legitimize military expansion. This consolidation was performed explicitly through the use of the divine determinative in royal inscriptions, the establishment of state-sponsored cults with temples and statues for the living king, and the composition of royal hymns. In stark contrast, the kingship of the Shang Dynasty was a combination of divine power, clan power and military power. His authority was mediated through a monopoly on divination and ancestral communication, and expressed implicitly through ritual bronze vessels, royal tombs, and a cosmology that positioned the king at the center of the world. This study concludes that these distinct models—Ur III’s politically performative divinity versus Shang’s religio-kin-based sanctity—not only addressed contemporary crises of legitimacy but also predetermined subsequent political evolution, foreshadowing the Zhou Dynasty’s concept of virtuous governance and explaining the ultimate transience of divine kingship in both regions. Full article
10 pages, 464 KB  
Article
Excessive Ultrafiltration Associates with EPO Hyporesponsiveness in Elderly Chronic Hemodialysis Patients
by Luís Belo, Maria João Valente, Susana Rocha, Susana Coimbra, Cristina Catarino, Elsa Bronze-da-Rocha, Petronila Rocha-Pereira, Maria do Sameiro-Faria, José Gerardo Oliveira, João Carlos Fernandes, Vasco Miranda and Alice Santos-Silva
Biomedicines 2026, 14(3), 497; https://doi.org/10.3390/biomedicines14030497 - 25 Feb 2026
Viewed by 219
Abstract
Background: The population of elderly patients undergoing chronic hemodialysis is increasing, and anemia represents a frequent complication. The aim of our study was to evaluate the association between ultrafiltration rate (UFR) in hemodialysis and erythropoietin (EPO) response in elderly patients with end-stage [...] Read more.
Background: The population of elderly patients undergoing chronic hemodialysis is increasing, and anemia represents a frequent complication. The aim of our study was to evaluate the association between ultrafiltration rate (UFR) in hemodialysis and erythropoietin (EPO) response in elderly patients with end-stage kidney disease (ESKD). Methods: This was a multicenter, retrospective observational study, involving elderly patients (aged 65 years or more) under chronic hemodialysis therapy. Individuals were divided into two groups according to the UFR adjusted to weight (UFR/W): lower (UFR-N) or higher (UFR-H) than 10 mL/h/kg. EPO resistance index (ERI) was calculated. We evaluated the hemogram, reticulocyte count, and quantified markers of iron metabolism and inflammation. Results: A total of 193 patients were enrolled in the study: 141 patients met criteria for inclusion in UFR-N group and 52 in UFR-H group. Compared to UFR-N, patients in the UFR-H group presented significantly higher doses of erythropoiesis-stimulating agents (ESA) and ERI values, with similar hemoglobin (Hb) and inflammatory markers levels. In a sub-analysis, within patients presenting transferrin saturation (TSAT) lower than 20%, a more marked difference in ERI between UFR groups was observed, being much higher in UFR-H compared with UFR-N. In this subgroup (UFR-H with lower TSAT), levels of hepcidin were lower than in the other subgroups. Conclusions: Our data show that UFR appears to be a contributing factor of ESA response in elderly patients under hemodialysis, particularly in those with lower iron availability. These findings suggest that inadequate weight control and/or UF prescription seem to aggravate ESA needs to achieve target Hb. Full article
Show Figures

Figure 1

21 pages, 5329 KB  
Article
Acoustic and Mechanical Performance of Cu-Si Alloys for Application in Temple Bells
by Chun-Soo Won, Jae Pil Jung and Daniel Youngmin Park
Metals 2026, 16(2), 223; https://doi.org/10.3390/met16020223 - 15 Feb 2026
Viewed by 322
Abstract
Bronze (Cu-Sn) alloys have long been used as the standard material for constructing temple bells because of their superior strength and acoustic properties. However, due to the rising cost of tin, alternative materials for the production of temple bells have been sought after [...] Read more.
Bronze (Cu-Sn) alloys have long been used as the standard material for constructing temple bells because of their superior strength and acoustic properties. However, due to the rising cost of tin, alternative materials for the production of temple bells have been sought after in both academia and industry. Cu-Si alloys containing 2.0, 4.0, 6.0, and 8.0 wt% Si were fabricated by casting and evaluated in terms of their mechanical, structural and acoustic properties compared with a conventional Cu-15.5 wt% Sn alloy. Tensile strength, yield strength, elastic modulus, impact toughness, and hardness were measured alongside natural frequency and damping ratio. The results show that increasing Si content up to 6.0 wt% leads to enhanced strength, increased natural frequency, and reduced damping ratio, while Si content of 8.0 wt% results in brittle microstructural features and degraded performance. Overall, Cu-6.0 wt% Si exhibited mechanical properties superior to or comparable with Cu-15.5 wt% Sn alloy, alongside a higher-pitched, longer-lasting sound. Full article
Show Figures

Figure 1

22 pages, 1830 KB  
Article
Integrated Biocatalysis in Microbial Fuel Cells: Coupling Saccharomyces cerevisiae Fermentation and Acetobacter aceti Oxidation for Biomass Valorization
by Miguel Ángel Reinoso, Samuel Valle-Asan, Kevin Huilcarema-Enríquez and Edwin León-Plúas
Energies 2026, 19(4), 1004; https://doi.org/10.3390/en19041004 - 14 Feb 2026
Viewed by 294
Abstract
Microbial fuel cells (MFCs) convert the chemical energy of biomass into electricity through microbially driven redox reactions. We evaluated a single-chamber, membrane-less MFC fed with sugarcane molasses and inoculated with a two-member consortium: Saccharomyces cerevisiae (glucose → ethanol fermentation) and Acetobacter aceti (ethanol [...] Read more.
Microbial fuel cells (MFCs) convert the chemical energy of biomass into electricity through microbially driven redox reactions. We evaluated a single-chamber, membrane-less MFC fed with sugarcane molasses and inoculated with a two-member consortium: Saccharomyces cerevisiae (glucose → ethanol fermentation) and Acetobacter aceti (ethanol → acetate oxidation). Three anode–cathode pairs were tested—bronze–Zn, copper–Zn, and graphite–Zn—across 27 units and 20 operating cycles. During ethanol oxidation, A. aceti oxidizes ethanol to acetic acid and, in our configuration, this biocatalytic step is designed to contribute electrons to the bronze, copper, or graphite anodes. These electrons, together with those generated by galvanic reactions in the electrode pair, flow through the external circuit to the zinc cathode, where oxygen reduction closes the circuit. The cells reached open-circuit potentials > 0.8 V, with performance following the hierarchy graphite–Zn > copper–Zn > bronze–Zn, consistent with the superior biocompatibility and lower corrosion of carbonaceous anodes. Multivariate analysis using PLS-SEM confirmed that redox indicators and electrode composition were strong determinants of voltage output (R2 = 0.911) and demonstrated high predictive relevance (Q2 = 0.906) for the voltage construct. These findings show that coupling yeast fermentation with acetic acid–bacteria oxidation enables synthetic-mediator-free electron transfer in a simple single-chamber configuration and shows that electrode material selection is a primary lever for achieving stable potentials for biomass valorization. Full article
Show Figures

Figure 1

34 pages, 18426 KB  
Article
The Influence of Structural Design Parameters on the Retention Force and Interference-Fit Reliability of Connecting Rod Bushings
by Ting Li, Chao Jiang, Siyuan Gong, Tao Song and Yi Zhang
Appl. Sci. 2026, 16(4), 1843; https://doi.org/10.3390/app16041843 - 12 Feb 2026
Viewed by 185
Abstract
Connecting rod bushing loosening in diesel engines is a critical failure mode that causes accelerated wear and potential catastrophic damage. This study systematically examines the effects of key structural parameters—inner diameter, wall thickness, and width—on the retention force of interference fits. Employing theoretical [...] Read more.
Connecting rod bushing loosening in diesel engines is a critical failure mode that causes accelerated wear and potential catastrophic damage. This study systematically examines the effects of key structural parameters—inner diameter, wall thickness, and width—on the retention force of interference fits. Employing theoretical analysis and finite element simulation (assuming a dry friction coefficient μ = 0.2 for steel–bronze), this work predicts an optimal interference range of 0.08–0.11 mm, corresponding to a theoretical retention force of 33.61–46.25 kN. A limited experiment validated the model at lower interference levels, but the proposed range remains a model-derived prediction awaiting extensive verification. Simulation-based parametric analysis quantified the influence of each factor: retention force decreases by ~2 kN per 2 mm increase in inner diameter, increases by ~3 kN per 0.25 mm increase in wall thickness (the most significant parameter), and increases by 1.3 kN per 1 mm increase in width. These findings establish a predictive, simulation-driven design framework for guiding bushing design and assembly control in heavy-duty applications, with the explicit understanding that its core outputs are model-predicted and require experimental confirmation. Full article
(This article belongs to the Special Issue Mechanical Engineering Reliability Optimization Design)
Show Figures

Figure 1

12 pages, 6629 KB  
Article
WC-Reinforced Nickel–Aluminum Bronze Coatings: Tribological and Corrosion Behavior
by Shikang Lin, Yuyun Yang, Heyue Yin, Peijia Liu, Jingyu Zhang, Jiaming Zheng, Xiufang Cui, Guo Jin, Lu Zhao and Peng She
Coatings 2026, 16(2), 232; https://doi.org/10.3390/coatings16020232 - 12 Feb 2026
Viewed by 513
Abstract
This study investigates the tribological and electrochemical corrosion behavior of laser-clad nickel–aluminum bronze (NAB) coatings reinforced with WC particles (0, 8, 16 wt.%). Through microstructural characterization and phase analysis, it was found that in the NAB coating containing 16% WC, the WC particles [...] Read more.
This study investigates the tribological and electrochemical corrosion behavior of laser-clad nickel–aluminum bronze (NAB) coatings reinforced with WC particles (0, 8, 16 wt.%). Through microstructural characterization and phase analysis, it was found that in the NAB coating containing 16% WC, the WC particles and carbides were uniformly distributed, serving as a reinforcing scaffold. During the friction and wear process, they effectively reduced the contact area between the counter ball and the NAB matrix to a certain extent, smoothing the wear process and resulting in a more stable friction coefficient. Electrochemical testing demonstrates that WC addition significantly enhances corrosion resistance: NAB + 8%WC exhibits a low corrosion current density (icorr), the highest polarization resistance, and the densest protective film. The dual mechanisms—grain boundary blocking and ion channel obstruction—reduce selective Al/Fe leaching and minimize Cl penetration. The 8% WC formulation optimizes the electrochemical performance, providing excellent corrosion resistance in a simulated marine environment. Full article
Show Figures

Figure 1

19 pages, 3699 KB  
Article
Study of a Polymer Composite with Carbon Nanotubes and a Mixed Filler Using a Composite Piezoelectric Oscillator at a Frequency of 100 kHz
by Vladimir V. Kaminskii, Alexandr V. Shchegolkov, Dmitrii A. Kalganov, Dmitrii I. Panov, Maksim V. Dorogov and Aleksei V. Shchegolkov
J. Compos. Sci. 2026, 10(2), 87; https://doi.org/10.3390/jcs10020087 - 6 Feb 2026
Viewed by 337
Abstract
This article presents an investigation of the thermomechanical properties of silicone elastomer-based polymer composites modified with carbon nanotubes (CNTs) and mixed fillers (CNTs, bronze, graphite). The primary technique employed was the composite piezoelectric oscillator (CPO) method at approximately 100 kHz. This approach enabled [...] Read more.
This article presents an investigation of the thermomechanical properties of silicone elastomer-based polymer composites modified with carbon nanotubes (CNTs) and mixed fillers (CNTs, bronze, graphite). The primary technique employed was the composite piezoelectric oscillator (CPO) method at approximately 100 kHz. This approach enabled precise measurements of the polymers’ forced oscillation frequency and logarithmic damping decrement (internal friction) across a wide temperature range (80–300 K). The application of this method is novel for this specific class of materials. Scanning electron microscopy confirmed the uniform distribution of the fillers within the polymer matrix. Differential scanning calorimetry (DSC) showed that the fillers modify the thermal stability of the composite. The systematic decrease in the enthalpy of the endothermic decomposition peak suggests a retardation of degradation kinetics, most likely due to a barrier effect of the filler network. Electrical measurements revealed a distinct contrast: the hybrid composite exhibited a frequency-independent conductivity plateau (~1.8 × 10−1 S/m), confirming a robust percolating network, unlike the strong frequency dependence observed for the CNT-only composite. Research shows that the fillers effectively suppress relaxation processes linked to crystallization (205–215 K) and glass transition (165–170 K), as evidenced by a significant reduction in the amplitude of the corresponding internal friction peaks. The most pronounced effect was observed in the composite with mixed fillers, attributable to a synergistic effect between constituents. Furthermore, amplitude-dependent internal friction was found to occur predominantly below the glass transition temperature. The primary objective of the present study is to investigate the dynamic mechanical and damping behavior of CNT-filled silicone composites with mixed fillers under high-frequency loading, using the CPO method. These findings demonstrate the potential for tailoring the stiffness and damping characteristics of these composites for advanced applications in soft robotics and portable electronics. Full article
Show Figures

Figure 1

16 pages, 4090 KB  
Article
Sacred Mediators of the Xirong: Ritual Specialists and Cosmological Power in the Majiayuan Cemetery
by Yan Xie, Francesca Monteith, Wei Zhang, Yiheng Xian and Chun Yu
Religions 2026, 17(2), 187; https://doi.org/10.3390/rel17020187 - 3 Feb 2026
Viewed by 275
Abstract
This study reinterprets a selection of elite tombs at the Majiayuan Cemetery (4th–3rd centuries BCE) as belonging to Xirong ritual specialists. Analysis reveals a stratified ritual system: beaded caps served as widespread elite cosmograms, while specialized, hip-suspended bronze mirrors were restricted to a [...] Read more.
This study reinterprets a selection of elite tombs at the Majiayuan Cemetery (4th–3rd centuries BCE) as belonging to Xirong ritual specialists. Analysis reveals a stratified ritual system: beaded caps served as widespread elite cosmograms, while specialized, hip-suspended bronze mirrors were restricted to a few. Situating these objects within broader Inner Asian traditions demonstrates the caps connected wearers to the spirit world, and that the mirrors functioned as active spirit-conduits, marking their bearers as specialized mediators. Examination of the material evidence further reveals Xirong ritual as a purposeful synthesis, selectively adapting imported and local mirror technologies to serve a coherent local cosmology. Mortuary parity between these specialists and martial elites—sharing high-status goods like chariots—indicates spiritual authority was a foundational pillar of Xirong power, valued equally with martial prowess. This interpretation of the Xirong places them as agentive architects of a hybrid ritual system and as vital cultural intermediaries on the Warring States frontier. Full article
Show Figures

Figure 1

24 pages, 10547 KB  
Article
The Rise and Fall of the Small Bronze Tripod Used for Pouring Heated Libations (A Pre-Confucian Libation Rite)
by Elizabeth Childs-Johnson
Religions 2026, 17(2), 129; https://doi.org/10.3390/rel17020129 - 23 Jan 2026
Viewed by 342
Abstract
The rite of pouring out heated alcohol in honor of spirits begins during the Late Neolithic but matures as a formal institution known in writing and in cast bronze during the earliest phases of the historic Bronze Age, namely the Erlitou (ca. 1900–1600 [...] Read more.
The rite of pouring out heated alcohol in honor of spirits begins during the Late Neolithic but matures as a formal institution known in writing and in cast bronze during the earliest phases of the historic Bronze Age, namely the Erlitou (ca. 1900–1600 BC) and Shang periods (ca. 1600–1046 BC). As will be analyzed, the libation rite known as [示 + 爵 = ] (jue/guan) in Shang oracle bone divinations involved the use of the tripod jue爵 (bronze vessel). Although the rite [] continues to appear in written inscriptions through most of the Western Zhou era, by the 9th–8th c. BC the jue bronze vessel itself disappears physically in archeological finds. The libation rite, on the other hand, by the 9th–8th c. BC, is in part supplanted and conjoined with the term zan 瓒 (short jade rod), known physically as a short and slim decorated jade rod. Why does this occur, and what written and archeological data may be used to illustrate these changes? As will be analyzed, these changes are an example of historic syncretism and reorganization of ritual that underscore the beginning of the end of the Bronze Age. Both the small bronze tripod and short jade rod are known archeologically from the Late Neolithic through Zhou periods, yet one was used for heating libations and the other apparently for impregnating the hot alcohol with magical power. Full article
(This article belongs to the Section Religions and Humanities/Philosophies)
Show Figures

Figure 1

Back to TopTop