Acoustic and Mechanical Performance of Cu-Si Alloys for Application in Temple Bells
Abstract
1. Introduction
2. Materials and Methods
2.1. Alloy Formation
2.2. Mechanical Testing
2.2.1. Fluidity
2.2.2. Tensile Strength, Yield Strength, and Elastic Modulus
2.2.3. Impact Toughness
2.2.4. Vickers Hardness
2.3. Microstructure
2.4. Acoustic Testing
2.4.1. Vibration Waveforms
2.4.2. Damping Ratio
3. Results and Discussion
3.1. Castability and Fluidity Results
3.2. Mechanical Properties
3.2.1. Tensile Strength Results
3.2.2. Yield Strength Results
3.2.3. Elastic Modulus Results
3.2.4. Impact Toughness Results
3.2.5. Vickers Hardness Results
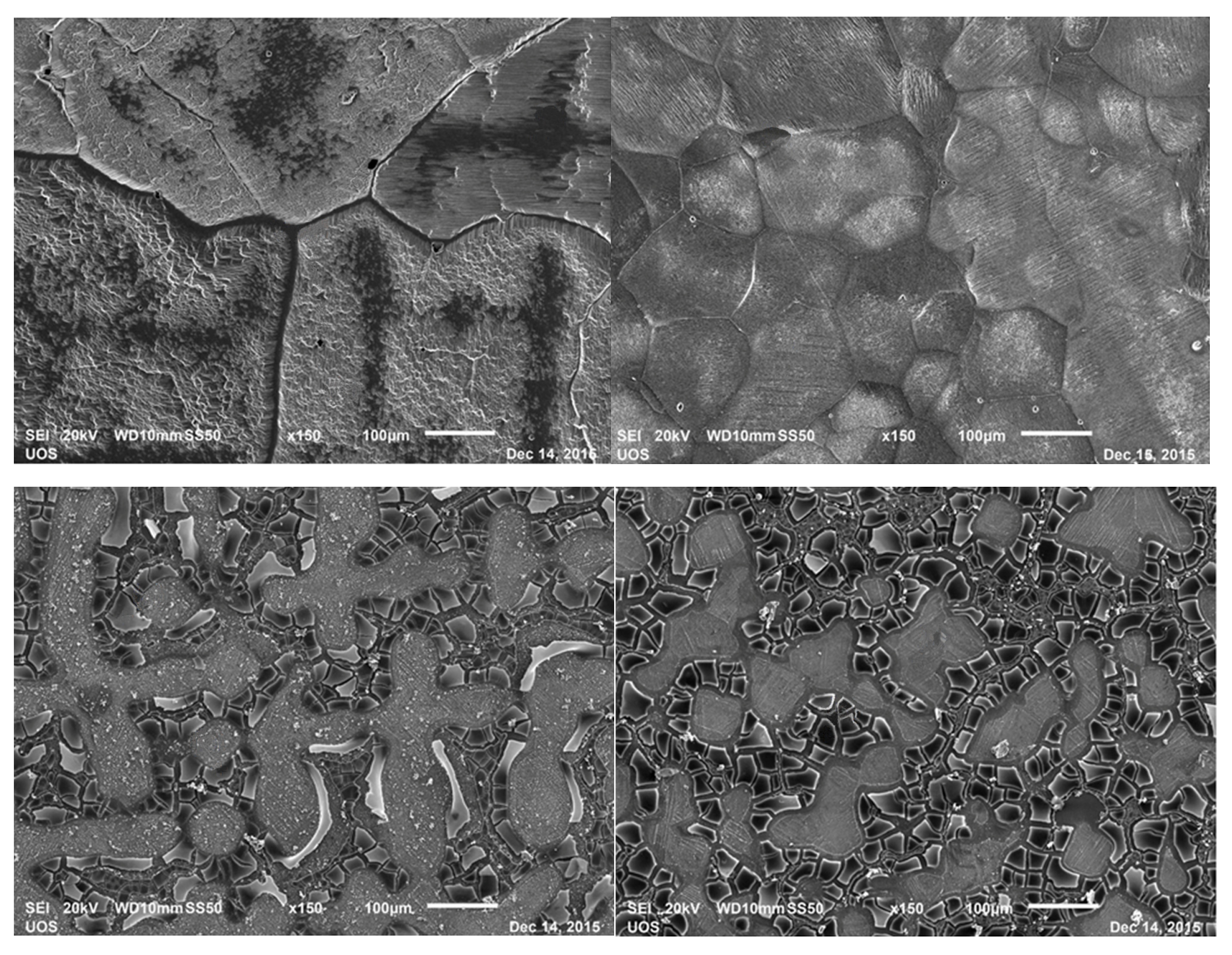
3.3. Microstructure Analysis Results
3.4. Acoustic Characteristics
3.4.1. Natural Frequency Results
3.4.2. Damping Ratio Results
4. Conclusions
Author Contributions
Funding
Data Availability Statement
Conflicts of Interest
References
- Mott, R.L. Applied Strength of Materials; Pearson Education: London, UK, 2008; pp. 245–246. [Google Scholar]
- Beer, F.P.; Johnston, E.R. Mechanics of Materials; McGraw-Hill: Columbus, OH, USA, 2006; pp. 131–132. [Google Scholar]
- Timoshenko, S.P.; Goodier, J.N. Theory of Elasticity; McGraw-Hill: Columbus, OH, USA, 1951; pp. 278–279. [Google Scholar]
- Rossing, T.D. The Science of Sound; Addison-Wesley: Boston, MA, USA, 2007; pp. 55–57. [Google Scholar]
- Fletcher, N.H.; Rossing, T.D. The Physics of Musical Instruments; Springer: Berlin/Heidelberg, Germany, 1998; pp. 203–205. [Google Scholar]
- Legge, K.A.; Petrolito, J. Designing idiophones with tuned overtones. Acoust. Aust. 2007, 35, 47–50. [Google Scholar]
- Park, S.H.; Lee, M.; Hahn, N.; Sung, K.M. Acoustic Characteristics and Timbre Preferences of Korean Bells. J. Korean Acoust. Soc. 2011, 30, 273–280. [Google Scholar] [CrossRef]
- Fletcher, N.H. The nonlinear physics of musical instruments. Rep. Prog. Phys. 1999, 62, 723–764. [Google Scholar] [CrossRef]
- Cekus, D.; Kwiaton, P.; Nadolski, M.; Sokół, K. Quality Assessment of a Manufactured Bell Using a 3D Scanning Process. Sensors 2020, 20, 7057. [Google Scholar] [CrossRef] [PubMed]
- Nadolski, M.; Cekus, D. The Influence of Casting Parameters on the Sound of a Bell. In Proceedings of the METAL 2017: 26th International Conference on Metallurgy and Materials, Brno, Czech Republic, 24–26 May 2017; pp. 1893–1898. [Google Scholar]
- Debuta, V.; Carvalho, M.; Figueiredo, E.; Antunes, J.; Silva, R. The Sound of Bronze: Virtual Resurrection of a Broken Medieval Bell. J. Cult. Herit. 2016, 19, 544–554. [Google Scholar] [CrossRef]
- Cekus, D.; Nadolski, M. Assessment of the Change in the Tin Concentration in Bronzes to the Basic Components of the Sound of Bells. Arch. Metall. Mater. 2021, 66, 531–535. [Google Scholar] [CrossRef]
- Nadolski, M. The Evaluation of Mechanical Properties of High-tin Bronzes. Arch. Foundry Eng. 2017, 17, 127–130. [Google Scholar] [CrossRef][Green Version]
- National Institute of Standards and Technology (NIST). Cu–Sn Phase Diagram Database. Available online: www.metallurgy.nist.gov/phase/solder/cusn.html (accessed on 10 November 2025).
- Strafford, K.N.; Newell, R.; Audy, K.; Audy, J. Analysis of Bell Material from the Middle Ages to the Recent Time. Endeavour 1996, 20, 22–27. [Google Scholar] [CrossRef]
- Yum, Y.H. Korean Bell; Seoul National University Press: Seoul, Republic of Korea, 1991; pp. 3–43. [Google Scholar]
- Audy, J.; Audy, K. Analysis of bell materials: Tin bronzes. China Foundry 2008, 5, 199–204. [Google Scholar]
- Adamski, C.z.; Bonderek, Z.; Piwowarczyk, T. Microstructures of Copper Casting Alloys and Zinc Casting Alloys; Ed. Silesia: Katowice, Poland, 1972. (In Polish) [Google Scholar]
- London Metal Exchange (LME). LME Tin—Market Data (Official Prices). Available online: https://www.lme.com/en/metals/non-ferrous/lme-tin (accessed on 13 December 2025).
- Geng, Y.; Ban, Y.; Wang, B.; Li, X.; Song, K.; Zhang, Y.; Jia, Y.; Tian, B.; Liu, Y.; Volinsky, A.A. A review of microstructure and texture evolution with nanoscale precipitates for copper alloys. J. Mater. Res. Technol. 2020, 9, 11918–11934. [Google Scholar] [CrossRef]
- Bucur, V. Metallic Alloys for Percussion Instruments. In Handbook of Materials for Percussion Musical Instruments; Springer: Cham, Switzerland, 2022. [Google Scholar] [CrossRef]
- Gao, M.; Cao, Y.; Zeng, X.-Y.; Hu, J.-X. Microstructure characteristics and acoustic properties of laser repaired Chinese bronze bells 2300 years ago. J. Alloys Compd. 2011, 509, 953–956. [Google Scholar] [CrossRef]
- Li, F.; Liu, W.; Ding, C.; Wang, S.; Meng, X. The Microstructures and Properties of Cu-Ni-Co-Si Alloys: A Critical Review. Metals 2025, 15, 564. [Google Scholar] [CrossRef]
- Ban, Y.; Zhang, Y.; Tian, B.; Jia, Y.; Song, K.; Li, X.; Zhou, M.; Liu, Y.; Volinsky, A.A. Microstructure Evolution in Cu-Ni-Co-Si-Cr Alloy During Hot Compression by Ce Addition. Materials 2020, 13, 3186. [Google Scholar] [CrossRef] [PubMed]
- ASTM E8/E8M-24; Standard Test Methods for Tension Testing of Metallic Materials. ASTM International: West Conshohocken, PA, USA, 2024.
- JIS Z 2242:2018; Method of Charpy Pendulum Impact Test for Metallic Materials. Japanese Standards Association: Tokyo, Japan, 2023.
- ASTM E92-23; Standard Test Methods for Vickers Hardness and Knoop Hardness of Metallic Materials. ASTM International: West Conshohocken, PA, USA, 2023.
- Campbell, J.; Harding, R.A. The Fluidity of Molten Metals; European Aluminium Association: Brussels, Belgium, 1994. [Google Scholar]
- Slamet, S.; Suyitno; Kusumaningtyas, I. Effect of Composition and Pouring Temperature of Cu-Sn on Fluidity, Density and Mechanical Properties by Investment Casting. In Proceedings of the 1st International Conference on Computer Science and Engineering Technology, Kudus, Indonesia, 25–26 October 2018. [Google Scholar]
- Yan, H.; Hu, H.; Li, L.; Huang, W.; Li, C. Research Progress of Cu-Ni-Si Series Alloys for Lead Frames. Coatings 2025, 15, 91. [Google Scholar] [CrossRef]
- Olesinski, R.W.; Abbaschian, G.J. The Cu−Si (Copper-Silicon) system. Bull. Alloy Phase Diagr. 1986, 7, 170–178. [Google Scholar] [CrossRef]
- Ranganathan, R.; Yunfeng, S.; Keblinski, P. Frequency-dependent mechanical damping in alloys. Phys. Rev. B 2017, 95, 214112. [Google Scholar] [CrossRef]
- Drnevich, V.P. A Relationship between Modulus and Damping Provides for Simple, Unified Modeling of Both. Geotech. Front. 2017, 2017, 48–60. [Google Scholar] [CrossRef]
- Kohler, F.; Germond, L.; Wagnière, J.-D.; Rappaz, M. Peritectic solidification of Cu–Sn alloys: Microstructural competition at low speed. Acta Mater. 2009, 57, 56–68. [Google Scholar] [CrossRef]
- Mitrasinovic, A. Characterization of the Copper-Silicon System and Utilization of Metallurgical Techniques in Silicon Refining for Solar Cell Applications; Library and Archives Canada: Ottawa, ON, Canada, 2010. [Google Scholar]
- Okuma, T.; Hoshino, K.; Otani, T. Mechanical and Acoustic Characteristics of Cu–Sn Alloy-based Temple Bells. J. Acoust. Soc. Jpn. 2001, 57, 319–325. [Google Scholar]
- Blanter, M.S.; Golovin, I.S.; Neuhauser, H.; Sinning, H.-R. Internal Friction in Metallic Materials; Springer: Berlin/Heidelberg, Germany, 2007. [Google Scholar]






















| Alloy Composition | Fluidity Test Results (Filling Length, mm) |
|---|---|
| Cu-2.0 wt% Si | 1200 |
| Cu-4.0 wt% Si | 1200 |
| Cu-6.0 wt% Si | 1200 |
| Cu-8.0 wt% Si | 1200 |
| Cu-15.5 wt% Sn | 1200 |
| Alloy Composition | Tensile Strength (MPa) | Average (MPa) | |||
|---|---|---|---|---|---|
| 1 | 2 | 3 | 4 | ||
| Cu-2.0 wt% Si | 111.96 | 87.75 | 108.10 | 74.14 | 95.49 |
| Cu-4.0 wt% Si | 152.64 | 134.79 | 146.16 | 105.13 | 134.79 |
| Cu-6.0 wt% Si | 288.46 | 282.54 | 285.50 | ||
| Cu-8.0 wt% Si | - | - | - | - | - |
| Cu-15.5 wt% Sn | 134.47 | 121.76 | 133.99 | 110.21 | 125.11 |
| Alloy Composition | Yield Strength (MPa) | Average (MPa) | |||
|---|---|---|---|---|---|
| 1 | 2 | 3 | 4 | ||
| Cu-2.0 wt% Si | 75.94 | 75.53 | 77.53 | - | 76.33 |
| Cu-4.0 wt% Si | 84.48 | 86.92 | 88.68 | - | 86.69 |
| Cu-6.0 wt% Si | 208.18 | 200.34 | - | - | 204.26 |
| Cu-8.0 wt% Si | - | - | - | - | - |
| Cu-15.5 wt% Sn | 123.08 | 108.57 | 119.81 | - | 117.15 |
| Alloy Composition | Modulus (GPa) | Average (GPa) | |||
|---|---|---|---|---|---|
| 1 | 2 | 3 | 4 | ||
| Cu-2.0 wt% Si | 103.26 | 106.053 | 104.77 | 109.46 | 105.89 |
| Cu-4.0 wt% Si | 81.24 | 95.53 | 103.70 | 108.94 | 97.35 |
| Cu-6.0 wt% Si | 115.63 | 97.93 | 119.54 | 103.08 | 109.05 |
| Cu-8.0 wt% Si | - | - | - | - | - |
| Cu-15.5 wt% Sn | 80.79 | 71.37 | 82.13 | 71.48 | 76.44 |
| Alloy Composition | Charpy V-Notch Impact Toughness (J) | Average (J) | |||
|---|---|---|---|---|---|
| 1 | 2 | 3 | 4 | ||
| Cu-2.0 wt% Si | - | 72.5 | 120.0 | 56.1 | 82.90 |
| Cu-4.0 wt% Si | 10.8 | 5.4 | 9.3 | 12.4 | 9.48 |
| Cu-6.0 wt% Si | 7.9 | 4.3 | 7.9 | 15.9 | 9.00 |
| Cu-8.0 wt% Si | 0.01 | 0.23 | 0.01 | 0.01 | 0.07 |
| Cu-15.5 wt% Sn | 2.4 | 3.4 | 4.2 | 2.1 | 3.03 |
| Alloy Composition | Vickers Hardness (HV) | Average (HV) | |||
|---|---|---|---|---|---|
| 1 | 2 | 3 | 4 | ||
| Cu-2.0 wt% Si | 124.3 | 128.0 | 146.1 | 130.2 | 132.2 |
| Cu-4.0 wt% Si | 181.9 | 185.8 | 185.4 | 182.8 | 184.0 |
| Cu-6.0 wt% Si | 225.8 | 231.9 | 208.2 | 203.1 | 217.3 |
| Cu-8.0 wt% Si | 256.4 | 281.5 | 280.0 | 261.8 | 270.0 |
| Cu-15.5 wt% Sn | 177.8 | 188.2 | 184.1 | 189.1 | 184.8 |
| Si Content (wt%) | Specimen No. | Frequency [Hz] | Average [Hz] |
|---|---|---|---|
| 2.0 | 1 | 345.0 | 345.8 |
| 2 | 339.5 | ||
| 3 | 342.0 | ||
| 4 | 356.5 | ||
| 4.0 | 1 | 387.0 | 401.0 |
| 2 | 402.0 | ||
| 3 | 419.5 | ||
| 4 | 395.5 | ||
| 6.0 | 1 | 409.5 | 417.5 |
| 2 | 427.5 | ||
| 3 | 424.5 | ||
| 4 | 408.5 |
| Alloy Composition | Specimen No. | Frequency [Hz] | Average [Hz] |
|---|---|---|---|
| Cu-6.0wt% Si | 1 | 111.588 | 113.8 |
| 2 | 118.21 | ||
| 3 | 111.59 | ||
| Cu-15.5wt% Sn | 1 | 112.53 | 111.8 |
| 2 | 106.25 | ||
| 3 | 116.69 |
| Si Contents (wt%) | Damping Ratio | Average | |||
|---|---|---|---|---|---|
| 1 | 2 | 3 | 4 | ||
| 2.0 | 0.001846 | 0.001729 | 0.001088 | 0.000911 | 0.001394 |
| 4.0 | 0.000926 | 0.000877 | 0.000595 | 0.001294 | 0.000919 |
| 6.0 | 0.000829 | 0.000638 | 0.000899 | 0.000963 | 0.000832 |
| Alloy Composition | Specimen No. | Damping Ratio | Average |
|---|---|---|---|
| Cu-6.0wt% Si | 1 | 0.000519 | 0.000450 |
| 2 | 0.000406 | ||
| 3 | 0.000426 | ||
| Cu-15.5wt% Sn | 1 | 0.000503 | 0.000510 |
| 2 | 0.000548 | ||
| 3 | 0.00048 |
Disclaimer/Publisher’s Note: The statements, opinions and data contained in all publications are solely those of the individual author(s) and contributor(s) and not of MDPI and/or the editor(s). MDPI and/or the editor(s) disclaim responsibility for any injury to people or property resulting from any ideas, methods, instructions or products referred to in the content. |
© 2026 by the authors. Licensee MDPI, Basel, Switzerland. This article is an open access article distributed under the terms and conditions of the Creative Commons Attribution (CC BY) license.
Share and Cite
Won, C.-S.; Jung, J.P.; Park, D.Y. Acoustic and Mechanical Performance of Cu-Si Alloys for Application in Temple Bells. Metals 2026, 16, 223. https://doi.org/10.3390/met16020223
Won C-S, Jung JP, Park DY. Acoustic and Mechanical Performance of Cu-Si Alloys for Application in Temple Bells. Metals. 2026; 16(2):223. https://doi.org/10.3390/met16020223
Chicago/Turabian StyleWon, Chun-Soo, Jae Pil Jung, and Daniel Youngmin Park. 2026. "Acoustic and Mechanical Performance of Cu-Si Alloys for Application in Temple Bells" Metals 16, no. 2: 223. https://doi.org/10.3390/met16020223
APA StyleWon, C.-S., Jung, J. P., & Park, D. Y. (2026). Acoustic and Mechanical Performance of Cu-Si Alloys for Application in Temple Bells. Metals, 16(2), 223. https://doi.org/10.3390/met16020223
