Sign in to use this feature.

Years

Between: -

Subjects

remove_circle_outline
remove_circle_outline
remove_circle_outline
remove_circle_outline
remove_circle_outline
remove_circle_outline
remove_circle_outline
remove_circle_outline
remove_circle_outline

Journals

Article Types

Countries / Regions

Search Results (121)

Search Parameters:
Keywords = absorption heat pump

Order results
Result details
Results per page
Select all
Export citation of selected articles as:
29 pages, 3689 KB  
Article
Thermodynamic Cycle Model for Ammonia–Ionic Liquid in High Temperature Absorption Heat Pumps—Ionic Liquids Parameters
by Christos Karakostas and Bogusław Białko
Energies 2025, 18(24), 6435; https://doi.org/10.3390/en18246435 - 9 Dec 2025
Viewed by 545
Abstract
This article evaluates and develops a thermodynamic steady-state model, analyzing the thermodynamic properties of ammonia–ionic liquid (NH3–IL) working pairs for use in high-temperature (>100 °C) absorption heat pumps. Given the increasing need for energy savings and reductions in greenhouse gas emissions, [...] Read more.
This article evaluates and develops a thermodynamic steady-state model, analyzing the thermodynamic properties of ammonia–ionic liquid (NH3–IL) working pairs for use in high-temperature (>100 °C) absorption heat pumps. Given the increasing need for energy savings and reductions in greenhouse gas emissions, this is becoming an important consideration in the context of industrial facilities. Prior work on ammonia–ionic liquid (IL) pairs has largely focused on lower supply temperatures and offers no quantitative criteria connecting IL properties to high-temperature (>100 °C) cycle design. This article presents calculations based on correlations in the literature to determine the vapor pressures of pure ionic liquids using a modified Redlich–Kwong equation of state; the vapor–liquid equilibrium (VLE) of NH3/[emim][SCN] and NH3/H2O mixtures in the NRTL model; the specific heats of pure ionic liquids (ILs); the specific heat capacities of NH3–IL and NH3–H2O mixtures; and the excess enthalpy (HE) for NH3/[emim][SCN] and NH3/[emim][EtSO4] as a function of temperature and composition, using a combination of NRTL + Gibbs–Helmholtz and Redlich–Kister polynomials. The calculations confirm the practically zero volatility of ionic liquids in the generator. This preserves the high purity of the ammonia vapor above the NH3/[emim][SCN] solution (y1 ≥ 0.997 over a wide range of temperatures and concentrations) and enables the rectification process in the generator to be omitted. The specific heat capacity of pure ionic liquids (ILs) has been shown to be 52–63% lower than that of water. Mixtures of ammonia (NH3) and ILs with a mass fraction of 0.5/0.5 have a specific heat at 120 °C that is 34–37.5% lower than that of the ammonia–water (NH3–H2O) solution. This directly translates into a reduction in the power required in the generator. Excess enthalpy results show moderate or strongly negative values within the useful temperature and concentration range, indicating the exothermic nature of the mixture. At the same time, the NH3/[emim][EtSO4] mixture is characterized by a decrease in enthalpy with increasing temperature, suggesting that benefits for the COP of the system can be obtained. Based on these calculations, criteria for selecting ionic liquids for use in high-temperature absorption pumps were formulated: negligible volatility, a low specific heat capacity for the mixture, and a strongly negative excess enthalpy, which decreases with temperature, at the operating temperatures of the absorber and generator. Full article
(This article belongs to the Special Issue Advances in Heat and Mass Transfer)
Show Figures

Figure 1

27 pages, 4352 KB  
Systematic Review
Zero-Carbon Development in Data Centers Using Waste Heat Recovery Technology: A Systematic Review
by Lingfei Zhang, Zhanwen Zhao, Bohang Chen, Mingyu Zhao and Yangyang Chen
Sustainability 2025, 17(22), 10101; https://doi.org/10.3390/su172210101 - 12 Nov 2025
Viewed by 4017
Abstract
The rapid advancement of technologies such as artificial intelligence, big data, and cloud computing has driven continuous expansion of global data centers, resulting in increasingly severe energy consumption and carbon emission challenges. According to projections by the International Energy Agency (IEA), the global [...] Read more.
The rapid advancement of technologies such as artificial intelligence, big data, and cloud computing has driven continuous expansion of global data centers, resulting in increasingly severe energy consumption and carbon emission challenges. According to projections by the International Energy Agency (IEA), the global electricity demand of data centers is expected to double by 2030. The construction of green data centers has emerged as a critical pathway for achieving carbon neutrality goals and facilitating energy structure transition. This paper presents a systematic review of the role of waste heat recovery technologies in data centers for achieving low-carbon development. Categorized by aspects of waste heat recovery technologies, power production and district heating, it focuses on assessing the applicability of heat collection technologies, such as heat pumps, thermal energy storage and absorption cooling, in different scenarios. This study examines multiple electricity generation pathways, specifically the Organic Rankine Cycle (ORC), Kalina Cycle (KC), and thermoelectric generators (TEG), with comprehensive analysis of their technical performance and economic viability. The study also assesses the feasibility and environmental advantages of using data center waste heat for district heating. This application, supported by heat pumps and thermal energy storage, could serve both residential and industrial areas. The study shows that waste heat recovery technologies can not only significantly reduce the Power Usage Effectiveness (PUE) of data centers, but also deliver substantial economic returns and emission reduction potential. In the future, the integration of green computing power with renewable energy will emerge as the cornerstone of sustainable data center development. Through intelligent energy management systems, cascaded energy utilization and regional energy synergy, data centers are poised to transition from traditional “energy-intensive facilities” to proactive “clean energy collaborators” within the smart grid ecosystem. Full article
(This article belongs to the Section Green Building)
Show Figures

Figure 1

24 pages, 3325 KB  
Article
Multi-Energy Flow Optimal Dispatch of a Building Integrated Energy System Based on Thermal Comfort and Network Flexibility
by Jian Sun, Bingrui Sun, Xiaolong Cai, Dingqun Liu and Yongping Yang
Energies 2025, 18(15), 4051; https://doi.org/10.3390/en18154051 - 30 Jul 2025
Viewed by 830
Abstract
An efficient integrated energy system (IES) can enhance the potential of building energy conservation and carbon mitigation. However, imbalances between user-side demand and supply side output present formidable challenges to the operational dispatch of building energy systems. To mitigate heat rejection and improve [...] Read more.
An efficient integrated energy system (IES) can enhance the potential of building energy conservation and carbon mitigation. However, imbalances between user-side demand and supply side output present formidable challenges to the operational dispatch of building energy systems. To mitigate heat rejection and improve dispatch optimization, an integrated building energy system incorporating waste heat recovery via an absorption heat pump based on the flow temperature model is adopted. A comprehensive analysis was conducted to investigate the correlation among heat pump operational strategies, thermal comfort, and the dynamic thermal storage capacity of piping network systems. The optimization calculations and comparative analyses were conducted across five cases on typical season days via the CPLEX solver with MATLAB R2018a. The simulation results indicate that the operational modes of absorption heat pump reduced the costs by 4.4–8.5%, while the absorption rate of waste heat increased from 37.02% to 51.46%. Additionally, the utilization ratio of battery and thermal storage units decreased by up to 69.82% at most after considering the pipeline thermal inertia and thermal comfort, thus increasing the system’s energy-saving ability and reducing the pressure of energy storage equipment, ultimately increasing the scheduling flexibility of the integrated building energy system. Full article
(This article belongs to the Special Issue Energy Efficiency and Thermal Performance in Buildings)
Show Figures

Figure 1

23 pages, 4452 KB  
Article
Absorption Heat Transformer and Vapor Compression Heat Pump as Alternative Options for Waste Heat Upgrade in the Industry
by Giorgio Villa, Josè Luis Corrales Ciganda, Gianluca Abrami and Tommaso Toppi
Energies 2025, 18(13), 3454; https://doi.org/10.3390/en18133454 - 30 Jun 2025
Viewed by 1646
Abstract
Increasing the temperature of waste heat is crucial to enable its recovery. Vapor compression heat pumps and absorption heat transformers are the two heat upgrade technologies most commonly used for this purpose. Heat pumps have the advantage of entirely recovering the waste heat [...] Read more.
Increasing the temperature of waste heat is crucial to enable its recovery. Vapor compression heat pumps and absorption heat transformers are the two heat upgrade technologies most commonly used for this purpose. Heat pumps have the advantage of entirely recovering the waste heat and the disadvantage of requiring electricity as input. Heat transformers need a negligible amount of electricity but reject at part of the waste heat input at low temperature. Due to these differences, the choice between the two options depends on the application. In this work, the environmental and economic performance of heat pumps and heat transformers are compared in some relevant applications. Indications about the most suitable technology are provided based on the availability of the waste heat, of the CO2 content of the electricity and of the electricity–gas price ratio. Heat pumps perform better when the waste heat availability is limited compared to the upgraded heat requirements and has a better environmental profile when the electricity has low carbon content. Heat transformer results are often economically convenient, especially when the availability of waste heat is large. Full article
(This article belongs to the Special Issue Advances in Refrigeration and Heat Pump Technologies)
Show Figures

Figure 1

18 pages, 8224 KB  
Article
Cascaded Absorption Heat Pump Integration in Biomass CHP Systems: Multi-Source Waste Heat Recovery for Low-Carbon District Heating
by Pengying Wang and Hangyu Zhou
Sustainability 2025, 17(13), 5870; https://doi.org/10.3390/su17135870 - 26 Jun 2025
Viewed by 1437
Abstract
District heating systems in northern China predominantly rely on coal-fired heat sources, necessitating sustainable alternatives to reduce carbon emissions. This study investigates a biomass combined heat and power (CHP) system integrated with cascaded absorption heat pump (AHP) technology to recover waste heat from [...] Read more.
District heating systems in northern China predominantly rely on coal-fired heat sources, necessitating sustainable alternatives to reduce carbon emissions. This study investigates a biomass combined heat and power (CHP) system integrated with cascaded absorption heat pump (AHP) technology to recover waste heat from semi-dry flue gas desulfurization exhaust and turbine condenser cooling water. A multi-source operational framework is developed, coordinating biomass CHP units with coal-fired boilers for peak-load regulation. The proposed system employs a two-stage heat recovery methodology: preliminary sensible heat extraction from non-saturated flue gas (elevating primary heating loop (PHL) return water from 50 °C to 55 °C), followed by serial AHPs utilizing turbine extraction steam to upgrade waste heat from circulating cooling water (further heating PHL water to 85 °C). Parametric analyses demonstrate that the cascaded AHP system reduces turbine steam extraction by 4.4 to 8.8 t/h compared to conventional steam-driven heating, enabling 3235 MWh of annual additional power generation. Environmental benefits include an annual CO2 reduction of 1821 tonnes, calculated using regional grid emission factors. The integration of waste heat recovery and multi-source coordination achieves synergistic improvements in energy efficiency and operational flexibility, advancing low-carbon transitions in district heating systems. Full article
(This article belongs to the Section Energy Sustainability)
Show Figures

Figure 1

23 pages, 4297 KB  
Article
A Polygeneration System Based on an Absorption Heat Pump for the Simultaneous Production of Power, Cooling, and Desalinated Water That Operates with Geothermal Energy
by A. Pacheco-Reyes, J. C. Jiménez-García, G. L. Gutiérrez-Urueta, J. Saucedo-Velázquez and W. Rivera
Processes 2025, 13(7), 2016; https://doi.org/10.3390/pr13072016 - 25 Jun 2025
Cited by 2 | Viewed by 894
Abstract
This study proposes a polygeneration system that integrates an absorption cooling system, a heat transformer, and an organic Rankine cycle for the simultaneous production of power, cooling, and freshwater—the former operating with a water/lithium bromide mixture while the organic Rankine cycle operates with [...] Read more.
This study proposes a polygeneration system that integrates an absorption cooling system, a heat transformer, and an organic Rankine cycle for the simultaneous production of power, cooling, and freshwater—the former operating with a water/lithium bromide mixture while the organic Rankine cycle operates with R123. The system was simulated at temperatures between 100 °C and 150 °C and with heat supply capacities that a geothermal field in Nayarit, Mexico, could provide. A parametric analysis was conducted by developing a mathematical model using the Engineering Equation Solver software. The geothermal source temperatures, ambient temperatures, and mass ratios were varied to determine the power, cooling load, freshwater production, and energy utilization factor under different operating conditions. The results showed that the system could produce up to 13 kW of power, 100 kW of cooling, and 50 L per hour at a heat source temperature of 150 °C. The energy utilization factor varied from 0.32 to 0.43, which means that up to 43% of the energy supplied to the system could be utilized to produce cooling, freshwater, or power. Full article
(This article belongs to the Special Issue Application of Absorption Cycles in Renewable Energy)
Show Figures

Figure 1

20 pages, 1715 KB  
Article
Theoretical Performance Study of a Novel Diffusion Absorption Heat Transformer Driven by a Jet Pump
by Shikuan Wang, Zhaojie Wu, Shaoqiu Jiang, Yuncheng Li and Hongtao Gao
Energies 2025, 18(11), 2971; https://doi.org/10.3390/en18112971 - 4 Jun 2025
Viewed by 691
Abstract
A diffusion absorption heat transformer is a completely thermally driven heat upgrading technology with significant application potential in low-grade thermal energy recovery. However, existing diffusion absorption heat transformers have problems such as complex circulation processes, limited solution flow rates, and insufficient stability due [...] Read more.
A diffusion absorption heat transformer is a completely thermally driven heat upgrading technology with significant application potential in low-grade thermal energy recovery. However, existing diffusion absorption heat transformers have problems such as complex circulation processes, limited solution flow rates, and insufficient stability due to their reliance on bubble pumps. A jet pump was proposed for application in a diffusion absorption heat transformer cycle to replace the bubble pumps in the original diffusion absorption heat transformer cycle. In the novel cycle, without electricity consumption, the diffusant gas was used as the primary flow of the jet pump to transport the solution, and the diffusion generation of the refrigerant was realized in the jet pump for more efficient and stable thermal energy upgrading. The performance of the novel cycle with H2O/LiBr/C5H10 or H2O/HCOOK/C5H10 as working fluids was analyzed based on a constructed theoretical model validated by numerical simulation. It was found that the performance of the jet pump was sensitive to the generator temperature and the pressure difference of the cycle. Increasing the temperature of the jet pump and reducing the temperature of the absorber were conducive to improving the COP. As a potential absorbent substitute for LiBr, HCOOK also led to slightly better performance in most cases. Full article
Show Figures

Figure 1

17 pages, 3087 KB  
Article
Coordinated Scheduling and Operational Characterization of Electricity and District Heating Systems: A Case Study
by Peng Yu, Dianyang Li, Dai Cui, Jing Xu, Chengcheng Li and Huiqing Cao
Energies 2025, 18(9), 2211; https://doi.org/10.3390/en18092211 - 26 Apr 2025
Viewed by 749
Abstract
With the increasing penetration of renewable energy generation in energy systems, power and district heating systems (PHSs) continue to encounter challenges with wind and solar curtailment during scheduling. Further integration of renewable energy generation can be achieved by exploring the flexibility of existing [...] Read more.
With the increasing penetration of renewable energy generation in energy systems, power and district heating systems (PHSs) continue to encounter challenges with wind and solar curtailment during scheduling. Further integration of renewable energy generation can be achieved by exploring the flexibility of existing systems. Therefore, this study systematically explores the deep transfer modifications of a specific thermal power plant based in Liaoning, China, and the operational characteristics of the heating supply system of a particular heating company. In addition, the overall PHS operational performance is analyzed. The results indicate that both absorption heat pumps and solid-state electric thermal storage technologies effectively improve system load regulation capabilities. The temperature decrease in the water medium in the primary network was proportional to the pipeline distance. When the pipeline lengths were 1175 and 14,665 m, the temperature decreased by 0.66 and 3.48 °C, respectively. The heat exchanger effectiveness and logarithmic mean temperature difference (LMTD) were positively correlated with the outdoor temperature. When the outdoor temperature dropped to −18 °C, the heat exchanger efficiency decreased to 60%, and the LMTD decreased to 17.5 °C. The study findings provide practical data analysis support to address the balance between power supply and heating demand. Full article
(This article belongs to the Section J1: Heat and Mass Transfer)
Show Figures

Figure 1

31 pages, 24053 KB  
Article
Optimizing a Double Stage Heat Transformer Performance by Levenberg–Marquardt Artificial Neural Network
by Suset Vázquez-Aveledo, Rosenberg J. Romero, Lorena Díaz-González, Moisés Montiel-González and Jesús Cerezo
Mach. Learn. Knowl. Extr. 2025, 7(2), 29; https://doi.org/10.3390/make7020029 - 27 Mar 2025
Viewed by 1987
Abstract
Waste heat recovery is a critical strategy for optimizing energy consumption and reducing greenhouse gas emissions. In this context, the circular economy highlights the importance of this practice as a key tool to enhance energy efficiency, minimize waste, and decrease environmental impact. Artificial [...] Read more.
Waste heat recovery is a critical strategy for optimizing energy consumption and reducing greenhouse gas emissions. In this context, the circular economy highlights the importance of this practice as a key tool to enhance energy efficiency, minimize waste, and decrease environmental impact. Artificial neural networks are particularly well-suited for managing nonlinearities and complex interactions among multiple variables, making them ideal for controlling a double-stage absorption heat transformer. This study aims to simultaneously optimize both user-defined parameters. Levenberg–Marquardt and scaled conjugated gradient algorithms were compared from five to twenty-five neurons to determine the optimal operating conditions while the coefficient of performance and the gross temperature lift were simultaneously maximized. The methodology includes R2024a MATLAB© programming, real-time data acquisition, visual engineering environment software, and flow control hardware. The results show that applying the Levenberg–Marquardt algorithm resulted in an increase in the correlation coefficient (R) at 20 neurons, improving the thermodynamic performance and enabling greater energy recovery from waste heat. Full article
(This article belongs to the Special Issue Sustainable Applications for Machine Learning)
Show Figures

Figure 1

23 pages, 12046 KB  
Article
Optimization and Performance Comparison of Heat Pump Supplemental Heating Systems in a Heat Supply Station
by Zhihao Wan, Qianying Wang, Yuesong He, Sujie Liu, Zhaoying Wang, Xianwang Fan, Huan Zhang and Wandong Zheng
Sustainability 2025, 17(6), 2513; https://doi.org/10.3390/su17062513 - 13 Mar 2025
Viewed by 1782
Abstract
Due to urban expansion and limited heat sources, the heating capacity of heat supply stations is inadequate to meet the growing heat demand. In current heat supply stations, heat from the primary heat network is generally conveyed to the secondary heat network solely [...] Read more.
Due to urban expansion and limited heat sources, the heating capacity of heat supply stations is inadequate to meet the growing heat demand. In current heat supply stations, heat from the primary heat network is generally conveyed to the secondary heat network solely via plate heat exchangers, resulting in the return water temperature of the primary heat network being as high as 50 °C, with a substantial amount of recoverable waste heat resources. In this paper, a case study of a heat supply station with insufficient heating capacity in Beijing is conducted to propose supplemental heating systems using vapor-compression heat pumps and absorption heat pumps to further extract waste heat from the primary heat network. Through the TRNSYS platform, simulation models for both systems were developed. Then, based on the bilevel optimization method, the design scheme and operational strategy were co-optimized with the objective of minimizing the lifecycle cost. The performance of the two systems was compared from the perspectives of energy consumption, economy, additional footprint, and regional applicability. The results indicate that the energy consumption of the vapor-compression heat pump supplemental heating system (VCSHS) is 0.85% higher than that of the absorption heat pump supplemental heating system (ASHS), with supplementary heat of 3500 kW. The initial cost of the VCSHS is approximately 1 million CNY lower than that of the ASHS, while the operational costs of both systems are nearly identical, making the VCSHS more cost-effective overall. Additionally, the footprint of new equipment in the VCSHS is nearly 30% smaller than that in the ASHS. Compared with cold regions, it is more economical to adopt ASHSs in severe cold regions due to their lower heat price. Full article
(This article belongs to the Special Issue Renewable Energy Technology and Sustainable Building Research)
Show Figures

Figure 1

22 pages, 5774 KB  
Article
Research and Demonstration of Operation Optimization Method of Zero-Carbon Building’s Compound Energy System Based on Day-Ahead Planning and Intraday Rolling Optimization Algorithm
by Biao Qiao, Jiankai Dong, Wei Xu, Ji Li and Fei Lu
Buildings 2025, 15(5), 836; https://doi.org/10.3390/buildings15050836 - 6 Mar 2025
Cited by 3 | Viewed by 1072
Abstract
The compound energy system is an important component of zero-carbon buildings. Due to the complex form of the system and the difficult-to-capture characteristics of thermo-electric coupling interactions, the operation control of the zero-carbon building’s energy system is difficult in practical engineering. Therefore, it [...] Read more.
The compound energy system is an important component of zero-carbon buildings. Due to the complex form of the system and the difficult-to-capture characteristics of thermo-electric coupling interactions, the operation control of the zero-carbon building’s energy system is difficult in practical engineering. Therefore, it is necessary to carry out relevant optimization methods. This paper investigated the current research status of the control and scheduling of compound energy systems in zero-carbon buildings at home and abroad, selected a typical zero-carbon building as the research object, analyzed its energy system’s operational data, and proposed an operation scheduling algorithm based on day-ahead flexible programming and intraday rolling optimization. The multi-energy flow control algorithm model was developed to optimize the operation strategy of heat pump, photovoltaic, and energy storage systems. Then, the paper applied the algorithm model to a typical zero-carbon building project, and verified the actual effect of the method through the actual operational data. After applying the method in this paper, the self-absorption rate of photovoltaic power generation in the building increased by 7.13%. The research results provide a theoretical model and data support for the operation control of the zero-carbon building’s compound energy system, and could promote the market application of the compound energy system. Full article
(This article belongs to the Special Issue Research on Solar Energy System and Storage for Sustainable Buildings)
Show Figures

Figure 1

21 pages, 8112 KB  
Article
Performance Evaluation of an Innovative Photovoltaic–Thermal Flash-Tank Vapor Injection Heat Pump for Simultaneous Heating and Power Generation
by Guangjian Li, Zhen Hou, Hongkai Wang and Jiaheng Chen
Sustainability 2025, 17(5), 2272; https://doi.org/10.3390/su17052272 - 5 Mar 2025
Viewed by 1389
Abstract
Amid escalating global energy demand and heightened environmental concern, this study presents an innovative photovoltaic–thermal flash-tank vapor injection heat pump (PFVHP). This system integrates a photovoltaic–thermal (PVT) module into a conventional flash-tank vapor injection heat pump (FVHP) to realize simultaneous heating and power [...] Read more.
Amid escalating global energy demand and heightened environmental concern, this study presents an innovative photovoltaic–thermal flash-tank vapor injection heat pump (PFVHP). This system integrates a photovoltaic–thermal (PVT) module into a conventional flash-tank vapor injection heat pump (FVHP) to realize simultaneous heating and power generation. Two distinct operation modes are designed for the PFVHP: TS-mode (two-source mode) for most solar radiation conditions and AS-mode (air-source mode) for low- or no-solar-radiation conditions. The energy, exergy, economic, and operational emission performance of the PFVHP are theoretically analyzed and compared with those of the FVHP. The findings reveal that the PFVHP can achieve a maximum cycle and system coefficient of performance (COP) at the respective optimal intermediate pressures. Exergy analysis indicates that enhancing solar radiation helps the PFVHP produce more heat exergy and electricity, but reduces the system exergy efficiency. As the evaporating temperature ranges from −20 °C to 5 °C, the cycle COP and system COP of the PFVHP are, respectively, 8.5% to 6.3% and 50.0% to 35.2% higher than the COP of the FVHP. The exergy flow comparison demonstrates that the PFVHP significantly enhances the system performance by reducing the overall exergy loss in devices excluding a PVT module, benefiting from the absorption of solar exergy by the PVT module. Economic and operational emission analyses indicate that the PFVHP offers a payback period of 9.38 years and substantially reduces the air pollution emissions compared to the FVHP. Full article
(This article belongs to the Special Issue Ground Source Heat Pump and Renewable Energy Hybridization)
Show Figures

Figure 1

26 pages, 8840 KB  
Article
Combined Solar Air Source Heat Pump and Ground Pipe Heating System for Chinese Assembled Solar Greenhouses in Gobi Desert Region
by Gaoshang Zhang, Letian Wu, Shenbo Guo, Qiuxing Yue, Xiaoli Sun and Huifeng Shi
Processes 2025, 13(2), 334; https://doi.org/10.3390/pr13020334 - 25 Jan 2025
Cited by 1 | Viewed by 1193
Abstract
Chinese Assembled Solar Greenhouses (CASGs) in the Gobi Desert region face significant diurnal temperature variations, with excessively high temperatures during the day and low temperatures at night, which adversely affect crop growth. Traditional temperature regulation technologies are hindered by high energy consumption, high [...] Read more.
Chinese Assembled Solar Greenhouses (CASGs) in the Gobi Desert region face significant diurnal temperature variations, with excessively high temperatures during the day and low temperatures at night, which adversely affect crop growth. Traditional temperature regulation technologies are hindered by high energy consumption, high costs, and severe pollutants. To address these issues, this study designed a heating system suitable for CASGs in the Gobi Desert region, integrating solar air source heat pump technology with underground pipe systems. The power consumption and performance of the system were assessed by comparing temperature and humidity in an experimental greenhouse (with the system), a control greenhouse (without the system), and outdoor environments under various typical climate conditions. The results indicated that the system exhibited excellent performance in both daytime heat absorption and nighttime heat release. Specifically, during operation, the maximum daytime temperature in the experimental greenhouse was reduced by up to 5 °C, while the minimum nighttime temperature increased by up to 8 °C, effectively preventing crop frost damage. The system achieved heat absorption rates of 14 to 16 KJ s−1 and heat release rates of 36.5 to 37.5 KJ s−1, with average coefficients of performance (COP) of 4.33 and 4.81. Compared to traditional heating methods using coal, gas, and electricity, the system reduced energy consumption by 84.7%, 81.3%, and 79.1%, respectively, and decreased greenhouse gas emissions by 8.24 t, 6.52 t, and 5.67 t, respectively. This system exhibits outstanding thermal efficiency, energy savings, and environmental benefits, while also showing promising economic benefits with a payback period of four years, providing a reliable heating solution for CASGs in the Gobi Desert region. Full article
(This article belongs to the Section Process Control and Monitoring)
Show Figures

Figure 1

17 pages, 1991 KB  
Article
The Design and Experimental Study of a Deep-Condensing Waste Heat Recovery System for Boiler Flue Gas Based on Baoneng Heating Plant
by Shaolin Zhang, Miao Shen, Yuzhen Kang and Zhiwei Tang
Processes 2025, 13(2), 306; https://doi.org/10.3390/pr13020306 - 23 Jan 2025
Cited by 2 | Viewed by 2575
Abstract
As China continues to adjust its energy structure in order to address energy security and environmental crises, changes in centralized heating technology and energy saving are gradually being promoted. Flue gas waste heat recovery from traditional gas boilers has the potential to play [...] Read more.
As China continues to adjust its energy structure in order to address energy security and environmental crises, changes in centralized heating technology and energy saving are gradually being promoted. Flue gas waste heat recovery from traditional gas boilers has the potential to play a significant role in the promotion of low-carbon heating, energy saving, and emission reduction. This study took the Beijing Baoneng Heating Plant as its research object. We designed a flue gas deep-condensation waste heat recovery system based on the combination of absorption heat pump technology and stepped waste heat recovery technology. We determined that 40 °C is the target temperature for flue gas: At this point, the condensate in the flue gas is precipitated by approximately 60%. This results in a 12.18% efficiency improvement in the boiler. Subsequently, experimentation demonstrated that the recovered flue gas heat was able to fulfill the heating requirements of the Baoneng plant and that it was able to enhance the heating capacity of the heat source plant by utilizing the flue gas waste heat without increasing energy consumption. This represents a mutually beneficial scenario for environmental and economic considerations. Full article
(This article belongs to the Section Energy Systems)
Show Figures

Figure 1

21 pages, 5619 KB  
Article
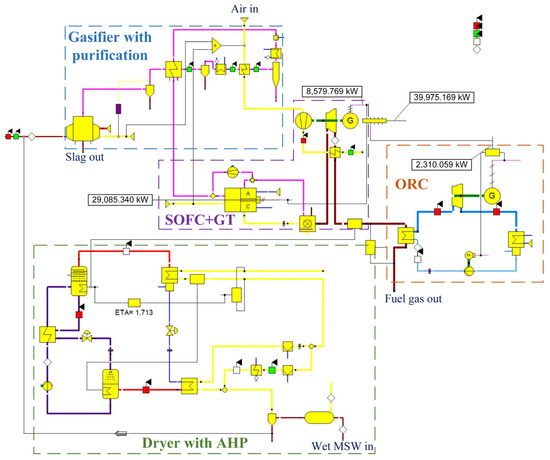
Performance Assessment of a Municipal Solid Waste Gasification and Power Generation System Integrated with Absorption Heat Pump Drying
by Handing Chen, Xudong Song and Yingfu Jian
Energies 2024, 17(23), 6034; https://doi.org/10.3390/en17236034 - 30 Nov 2024
Cited by 5 | Viewed by 1963
Abstract
Gasification combined with syngas power generation technologies, such as fuel cells, gas turbines, and the organic Rankine cycle, present significant potential for the efficient disposal of municipal solid waste. This paper proposes a hybrid system that integrates municipal solid waste gasification with syngas [...] Read more.
Gasification combined with syngas power generation technologies, such as fuel cells, gas turbines, and the organic Rankine cycle, present significant potential for the efficient disposal of municipal solid waste. This paper proposes a hybrid system that integrates municipal solid waste gasification with syngas power generation. An absorption heat pump was employed for drying wet municipal solid waste. The thermomechanical analysis and variable condition analysis of the proposed integrated system were conducted. The influences of municipal solid waste drying degree on the system performance were researched emphatically. The results indicated that the system effectively implemented cascade energy utilization, with the power generation from solid oxide fuel cells contributing the most to total power generation. The total power generation increased from 34,469.50 to 42,967.03 kW as the moisture content decreased from 40.0% to zero. Both total power generation efficiency and overall exergy efficiency of the proposed integrated system increased as the moisture content decreased. The municipal solid waste drying process utilizing an AHP is beneficial to the system. Full article
(This article belongs to the Section I: Energy Fundamentals and Conversion)
Show Figures

Figure 1

Back to TopTop