Zero-Carbon Development in Data Centers Using Waste Heat Recovery Technology: A Systematic Review
Abstract
1. Introduction
2. Waste Heat Recovery Methods for Data Centers
2.1. Application of Heat Pump in Waste Heat Recovery
2.2. Thermal Energy Storage
2.3. Waste Heat Recovery by Absorption/Adsorption Cooling Technology
3. Power Generation Technology in Waste Heat Recovery
3.1. Organic Rankine Cycle System
3.2. Kalina Cycle
3.3. Thermoelectric Generators
3.4. Electricity Production Realized by Other Technologies
4. Waste Heat Recovery for District Heating
5. Discussing the Future of Green Data Centers
6. Conclusions
- (1)
- Establishing a unified cross-scenario evaluation framework to refine coupled calculations of metrics, including PUE, COP and LCA;
- (2)
- Conduct empirical studies across diverse climates and operational models to develop replicable integrated power–heating engineering templates and investment models;
- (3)
- Advanced prediction, optimization, and control frameworks for multi-energy systems, integrated with comprehensive uncertainty analysis, enable synergistic coordination of power generation and thermal energy utilization while maintaining guaranteed computational reliability.
Supplementary Materials
Author Contributions
Funding
Institutional Review Board Statement
Informed Consent Statement
Data Availability Statement
Conflicts of Interest
Nomenclature
| AI | Artificial intelligence | KC | Kalina cycle |
| ATES | Aquifer thermal energy storage | LFPV/T | Linear Fresnel concentrator photovoltaic/thermoelectric |
| BTES | Borehole thermal energy storage | LTES | Latent thermal energy storage |
| CARC | Computer room air conditioner | ORC | Organic Rankine Cycle |
| CCHP | Combined cooling, heating and power | PEMFC | Proton exchange membrane fuel cell |
| COP | Coefficient of performance | PUE | Power usage efficiency |
| DC | Data center | PV/T | Photovoltaic thermal |
| DH | District heating | TEG | Thermoelectric generators |
| GHP | Gravity-driven heat pipe | TES | Thermal energy storage |
| HP | Heat pump | WHR | Waste heat recovery |
| IHE cycle | Add an internal heat exchanger in the simple cycle | Li-Br | Bromide–water |
| IHX | Internal heat exchanger | CO2 | Carbon dioxide |
| LCA | Life Cycle Assessment |
References
- Fuchs, N.; Yanez, G.; Nkongdem, B.; Thomsen, J. Evaluating low-temperature heat sources for large-scale heat pump integration: A method using open-source data and indicators. Appl. Energy 2025, 377, 124487. [Google Scholar] [CrossRef]
- Li, F.; Xing, L.; Su, W.; Lin, X.; Liang, Y.; Shi, W. An idea to construct integrated energy systems of data center by combining CO2 heat pump and compressed CO2 energy storage. J. Energy Storage 2024, 75, 109581. [Google Scholar] [CrossRef]
- Huang, P.; Copertaro, B.; Zhang, X.; Shen, J.; Löfgren, I.; Rönnelid, M.; Fahlen, J.; Andersson, D.; Svanfeldt, M. A review of data centers as prosumers in district energy systems: Renewable energy integration and waste heat reuse for district heating. Appl. Energy 2020, 258, 114109. [Google Scholar] [CrossRef]
- Liaqat, K.; Soleimani, S.; Schaefer, L. Low-grade heat utilization: Techno-economic assessment of a hybrid CO2 heat pump and organic rankine cycle system integrated with photovoltaics and thermal storage. Appl. Therm. Eng. 2025, 268, 125959. [Google Scholar] [CrossRef]
- Wahlroos, M.; Pärssinen, M.; Rinne, S.; Syri, S.; Manner, J. Future views on waste heat utilization—Case of data centers in northern Europe. Renew. Sustain. Energy Rev. 2018, 82, 1749–1764. [Google Scholar] [CrossRef]
- Law, M. Energy Efficiency Predictions for Data Centres in 2023. 2022. Available online: https://datacentremagazine.com/articles/efficiency-to-loom-large-for-data-centre-industry-in-2023 (accessed on 16 May 2025).
- Ebrahimi, K.; Jones, G.F.; Fleischer, A.S. A review of data center cooling technology, operating conditions and the corresponding low-grade waste heat recovery opportunities. Renew. Sustain. Energy Rev. 2014, 31, 622–638. [Google Scholar] [CrossRef]
- Energy and AI, International Energy Agency. 2025. Available online: https://www.iea.org/reports/energy-and-ai (accessed on 16 May 2025).
- Li, G.; Sun, Z.; Wang, Q.; Wang, S.; Huang, K.; Zhao, N.; Di, Y.; Zhao, X.; Zhu, Z. China’s green data center development:Policies and carbon reduction technology path. Environ. Res. 2023, 231, 116248. [Google Scholar] [CrossRef] [PubMed]
- Lin, W.; Lin, J.; Peng, Z.; Huang, H.; Lin, W.; Li, K. A systematic review of green-aware management techniques for sustainable data center. Sustain. Comput. Inform. Syst. 2024, 42, 100989. [Google Scholar] [CrossRef]
- Naili, N.; Nouicer, O.; Attar, I.; Mgadmi, G. Optimization and behavior result analysis of a solar assisted ground source heat pump system using TRNSYS simulation tool. Geothermics 2025, 131, 103353. [Google Scholar] [CrossRef]
- Ammari, A.C. Optimizing the use of renewable energy to minimize operational costs in distributer green data centers. Renew. Energy Prod. Distrib. 2023, 2, 461–489. [Google Scholar] [CrossRef]
- Chen, J.; Guo, C.; Feng, C.; Qu, X.; Tan, S.; Jiang, Y. Research of CO2 high temperature heat pump for industrial steam generation with data center heat source. Int. J. Refrig. 2025, 173, 185–200. [Google Scholar] [CrossRef]
- Chen, L.; Wang, J.; Lou, J.; Cheng, Z.; Wang, N.; Cheng, S.; Sun, L. Thermo-economic analysis of a pumped thermal energy storage combining cooling, heating and power system coupled with photovoltaic thermal collector: Exploration of low-grade thermal energy storage. J. Energy Storage 2024, 96, 112718. [Google Scholar] [CrossRef]
- Velte-Schäfer, A.; Teicht, C.; Stahlhut, M.; May, T.; Herrmann, R.; Urbaneck, T.; Füldner, G. Utilizing waste heat from data centers with adsorptive heat transformation—Heat exchanger design and choice of adsorbent. Energy Convers. Manag. 2024, 310, 118500. [Google Scholar] [CrossRef]
- González, R.C.; Díaz, A.J.; Rojas O, D.; Sarmiento-Laurel, C. Assessing solar absorption chillers for data center cooling across diverse climatic conditions. Energy Build. 2025, 331, 115376. [Google Scholar] [CrossRef]
- Liang, A.; Yang, S.; Ding, Y.; Ma, S. Triple effect absorption refrigeration systems for the deep recovery of low grade waste heat. Appl. Therm. Eng. 2024, 250, 123500. [Google Scholar] [CrossRef]
- Yuan, X.; Liang, Y.; Hu, X.; Xu, Y.; Chen, Y.; Kosonen, R. Waste heat recoveries in data centers: A review. Renew. Sustain. Energy Rev. 2023, 188, 113777. [Google Scholar] [CrossRef]
- Marshall, Z.M.; Duquette, J. A techno-economic evaluation of low global warming potential heat pump assisted organic rankine cycle systems for data center waste heat recovery. Energy 2022, 242, 122528. [Google Scholar] [CrossRef]
- Roeinfard, N.; Moosavi, A. Thermodynamic analysis and optimization of the organic rankine and high-temperature kalina cycles for recovering the waste heat of a bi-fuel engine. Fuel 2022, 322, 124174. [Google Scholar] [CrossRef]
- Chen, X.; Bai, J.; Fu, L.; Lei, Y.; Zhang, D.; Zhang, Z.; Luo, Q.; Gong, S.; Shen, B. Complementary waste heat utilization from data center to ecological farm: A technical, economic and environmental perspective. J. Clean. Prod. 2024, 435, 140495. [Google Scholar] [CrossRef]
- Said, L.B.; Ali, A.B.M.; Aminian, S.A.; Sharma, K.; Dhawan, A.; Sharma, P.; Becheikh, N.; Kolsi, L. Optimal utilization of geothermal energy through three organic cycles combined with a thermoelectric generator and an electrolysis unit. Case Stud. Therm. Eng. 2025, 71, 106149. [Google Scholar] [CrossRef]
- Wang, P.; Kowalski, S.; Gao, Z.; Sun, J.; Yang, C.-M.; Grant, D.; Boudreaux, P.; Huff, S.; Nawaz, K. District heating utilizing waste heat of a data center: High-temperature heat pumps. Energy Build. 2024, 315, 114327. [Google Scholar] [CrossRef]
- Gimelli, A.; Iossa, R.; Karimi, A.; Muccillo, M.; Braccio, S.; Phan, H.T. Energy-saving and economic feasibility of a battery-integrated combined cooling, heating and power (CCHP) plant through waste heat recovery for H2O-NH3 based absorption, power and cooling (APC) system. Energy 2025, 317, 134640. [Google Scholar] [CrossRef]
- Mehrenjani, J.R.; Shirzad, A.; Adouli, A.; Gharehghani, A. Data-driven optimization of two novel geothermal-powered systems integrating LNG regasification with thermoelectric generation for eco-friendly seawater desalination and data center cooling. Energy 2024, 313, 133846. [Google Scholar] [CrossRef]
- Zhang, X.; He, M.; Zhang, Y. A review of research on the kalina cycle. Renew. Sustain. Energy Rev. 2012, 16, 5309–5318. [Google Scholar] [CrossRef]
- Hao, Y.; Zhou, H.; Tian, T.; Zhang, W.; Zhou, X.; Shen, Q.; Wu, T.; Li, J. Data centers waste heat recovery technologies: Review and evaluation. Appl. Energy 2025, 384, 125489. [Google Scholar] [CrossRef]
- Song, Y.; Zhang, Z.; Cao, S.; Du, T.; Guo, H.; Deng, J. An investigation into the cooling effect of air desuperheater tower: A novel method to mitigate the heat island effect. J. Clean. Prod. 2022, 367, 133080. [Google Scholar] [CrossRef]
- Lin, X.; Zuo, L.; Yin, L.; Su, W.; Ou, S. An idea to efficiently recover the waste heat of data centers by constructing an integrated system with carbon dioxide heat pump, mechanical subcooling cycle and lithium bromide-water absorption refrigeration cycle. Energy Convers. Manag. 2022, 256, 115398. [Google Scholar] [CrossRef]
- Ibrahim, N.I.; Yahiaoui, A.; Garkuwa, J.A.; Mansour, R.B.; Rehman, S. Solar cooling with absorption chillers, thermal energy storage, and control strategies: A review. J. Energy Storage 2024, 97, 112762. [Google Scholar] [CrossRef]
- Shamim, J.A.; Nawaz, K.; Hu, M.-H.; Pasqualin, P.; Krishnan, E.N.; Kowalski, S.P.; Bhowmik, P.K.; Parameshwaran, R.; Hsu, W.-L.; Hwang, Y.; et al. Review of the potential and challenges of MOF-based adsorption heat pumps for sustainable cooling and heating in the buildings. Energy 2025, 323, 135846. [Google Scholar] [CrossRef]
- Cabeza, L.F.; Solé, A.; Barreneche, C. Review on sorption materials and technologies for heat pumps and thermal energy storage, Renew. Energy 2017, 110, 3–39. [Google Scholar] [CrossRef]
- Aridi, M.; Pannier, M.-L.; Aridi, R.; Lemenand, T. A comprehensive review of life cycle assessments for domestic heat pumps: Environmental footprint and future directions. Energy Build. 2025, 336, 115605. [Google Scholar] [CrossRef]
- Adebayo, P.; Jathunge, C.B.; Darbandi, A.; Fry, N.; Shor, R.; Mohamad, A.; Wemhöner, C.; Mwesigye, A. Development; modeling, and optimization of ground source heat pump systems for cold climates: A comprehensive review. Energy Build. 2024, 320, 114646. [Google Scholar] [CrossRef]
- Akbarzadeh, S.; Sefidgar, Z.; Valipour, M.S.; Elmegaard, B.; Arabkoohsar, A. A comprehensive review of research and applied studies on bifunctional heat pumps supplying heating and cooling. Appl. Therm. Eng. 2024, 257, 124280. [Google Scholar] [CrossRef]
- Li, H.; Hou, J.; Hong, T.; Ding, Y.; Nord, N. Energy, economic, and environmental analysis of integration of thermal energy storage into district heating systems using waste heat from data centres. Energy 2021, 219, 119582. [Google Scholar] [CrossRef]
- Oltmanns, J.; Sauerwein, D.; Dammel, F.; Stephan, P.; Kuhn, C. Potential for waste heat utilization of hot-water-cooled data centers: A case study. Energy Sci. Eng. 2020, 8, 1793–1810. [Google Scholar] [CrossRef]
- Du, S.; Cui, Z.; Wang, R.Z.; Wang, H.; Pan, Q. Development and experimental study of a compact silica gel-water adsorption chiller for waste heat driven cooling in data centers. Energy Convers. Manag. 2024, 300, 117985. [Google Scholar] [CrossRef]
- Manu, S.; Chandrashekar, T.K. On-chip waste heat-driven absorption cooling system for sustainable data center environment: Simulation. Int. J. Sustain. Eng. 2018, 11, 224–239. [Google Scholar] [CrossRef]
- Haywood, A.; Sherbeck, J.; Phelan, P.; Varsamopoulos, G.; Gupta, S.K.S. Thermodynamic feasibility of harvesting data center waste heat to drive an absorption chiller. Energy Convers. Manag. 2012, 58, 26–34. [Google Scholar] [CrossRef]
- Huang, C.; Shao, S.; Wang, N.; Guo, Y.; Wu, W. Performance analysis of compression-assisted absorption refrigeration-heating system for waste heat recovery of liquid-cooling data center. Energy 2024, 305, 132325. [Google Scholar] [CrossRef]
- Pan, Q.; Peng, J.; Wang, R. Application analysis of adsorption refrigeration system for solar and data center waste heat utilization. Energy Convers. Manag. 2021, 228, 113564. [Google Scholar] [CrossRef]
- Zhou, X.; Xin, Z.; Tang, W.; Sheng, K.; Wu, Z. Energy, economic and environmental analysis of a combined cooling, power generation, and energy storage system: A case study of data center in shenzhen. J. Energy Storage 2024, 97, 112968. [Google Scholar] [CrossRef]
- She, X.; Li, X.; Xu, M.; Zhou, J.; Chen, J.; Huai, X.; He, Z. Thermodynamic analysis for new solutions of data center cooling with adsorption refrigeration and heat pipe. Int. J. Refrig. 2024, 160, 341–356. [Google Scholar] [CrossRef]
- Al-Sayyab, A.K.S.; Navarro-Esbrí, J.; Mota-Babiloni, A. Energy, exergy, and environmental (3E) analysis of a compound ejector-heat pump with low GWP refrigerants for simultaneous data center cooling and district heating. Int. J. Refrig. 2022, 133, 61–72. [Google Scholar] [CrossRef]
- Ge, Z.; Zhou, Y.; Li, J.; Zhang, X.; Xu, J.; Yang, F. Multi-objective optimization and benefit evaluation of heat pump system for tobacco drying using waste heat from data center. J. Clean. Prod. 2024, 448, 141623. [Google Scholar] [CrossRef]
- Jang, Y.; Lee, D.; Kim, J.; Ham, S.H.; Kim, Y. Performance characteristics of a waste-heat recovery water-source heat pump system designed for data centers and residential area in the heating dominated region. J. Build. Eng. 2022, 62, 105416. [Google Scholar] [CrossRef]
- Li, J.; Yang, Z.; Li, H.; Hu, S.; Duan, Y.; Yan, J. Optimal schemes and benefits of recovering waste heat from data center for district heating by CO2 transcritical heat pumps. Energy Convers. Manag. 2021, 245, 114591. [Google Scholar] [CrossRef]
- Leindals, L.; Grønning, P.; Dominković, D.F.; Junker, R.G. Context-aware reinforcement learning for cooling operation of data centers with an aquifer thermal energy storage. Energy AI 2024, 17, 100395. [Google Scholar] [CrossRef]
- Dvorak, V.; Zavrel, V.; Galdiz, J.I.T.; Hensen, J.L.M. Simulation-based assessment of data center waste heat utilization using aquifer thermal energy storage of a university campus. Build. Simul. 2020, 13, 823–836. [Google Scholar] [CrossRef]
- Zhu, Y.; Englmair, G.; Huang, H.; Dragsted, J.; Yuan, Y.; Fan, J.; Furbo, S. Numerical investigations of a latent thermal energy storage for data center cooling. Appl. Therm. Eng. 2024, 236, 121598. [Google Scholar] [CrossRef]
- Liu, L.; Zhang, Q.; Zhai, Z.J.; Zhao, X. A simplified method to simulate tube-in-tank latent thermal energy storage with fin-enhanced phase change material in data center. J. Energy Storage 2022, 55, 105757. [Google Scholar] [CrossRef]
- Lu, T.; Lü, X.; Välisuo, P.; Zhang, Q.; Clements-Croome, D. Innovative approaches for deep decarbonization of data centers and building space heating networks: Modeling and comparison of novel waste heat recovery systems for liquid cooling systems. Appl. Energy 2024, 357, 122473. [Google Scholar] [CrossRef]
- Feng, X.; Shi, F.; Qiao, G.; Li, Y.; Liu, C. Integrating organic rankine cycle with thermoelectric generator in various applications utilizing low-grade energy: A review. Sustain. Energy Technol. Assess. 2024, 68, 103882. [Google Scholar] [CrossRef]
- Lan, Y.; Wang, S.; Lu, J.; Zhai, H.; Mu, L. Comparative analysis of organic rankine cycle, kalina cycle and thermoelectric generator to recover waste heat based on energy, exergy, economic and environmental analysis method. Energy Convers. Manag. 2022, 273, 116401. [Google Scholar] [CrossRef]
- Corigliano, O.; Algieri, A.; Fragiacomo, P. Turning data center waste heat into energy: A guide to organic rankine cycle system design and performance evaluation. Appl. Sci. 2024, 14, 6046. [Google Scholar] [CrossRef]
- Liu, L.; Wu, J.; Zhong, F.; Gao, N.; Cui, G. Development of a novel cogeneration system by combing organic rankine cycle and heat pump cycle for waste heat recovery. Energy 2021, 217, 119445. [Google Scholar] [CrossRef]
- Li, P.; Xu, J.; Wang, B.; Liu, J.; Zhao, W.; Han, Z. Performance analysis of a coupled system based on organic rankine cycle and double effect absorption refrigeration for waste heat recovery in data center. J. Therm. Sci. 2025, 34, 188–205. [Google Scholar] [CrossRef]
- Araya, S.; Jones, G.F.; Fleischer, A.S. The design and construction of a bench-top organic rankine cycle for data center applications. In Proceedings of the 2016 15th IEEE Intersociety Conference on Thermal and Thermomechanical Phenomena in Electronic Systems (ITherm), Las Vegas, NV, USA, 31 May–3 June 2016; IEEE: New York, NY, USA, 2016; pp. 404–408. [Google Scholar] [CrossRef]
- Araya, S.; Jones, G.F.; Fleischer, A.S. Organic rankine cycle as waste heat recovery system in data centers: Design and construction of a prototype. In Proceedings of the 2018 17th IEEE Intersociety Conference on Thermal and Thermomechanical Phenomena in Electronic Systems (ITherm), San Diego, CA, USA, 29 May–1 June 2018; IEEE: New York, NY, USA, 2018; pp. 850–858. [Google Scholar] [CrossRef]
- Ebrahimi, K.; Jones, G.F.; Fleischer, A.S. The viability of ultra low temperature waste heat recovery using organic Rankine cycle in dual loop data center applications. Appl. Therm. Eng. 2017, 126, 393–406. [Google Scholar] [CrossRef]
- Chen, X.; Pan, M.; Li, X.; Zhang, K. Multi-mode operation and thermo-economic analyses of combined cooling and power systems for recovering waste heat from data centers. Energy Convers. Manag. 2022, 266, 115820. [Google Scholar] [CrossRef]
- Bellos, E.; Tzivanidis, C. Parametric analysis and optimization of a solar driven trigeneration system based on ORC and absorption heat pump. J. Clean. Prod. 2017, 161, 493–509. [Google Scholar] [CrossRef]
- Li, Y.; Wang, X.; Li, X.; Wang, J. Performance analysis of a novel power/refrigerating combined-system driven by the low-grade waste heat using different refrigerants. Energy 2014, 73, 543–553. [Google Scholar] [CrossRef]
- Wang, J.; Dai, Y.; Gao, L. Parametric analysis and optimization for a combined power and refrigeration cycle. Appl. Energy 2008, 85, 1071–1085. [Google Scholar] [CrossRef]
- Sanaye, S.; Refahi, A. A novel configuration of ejector refrigeration cycle coupled with organic rankine cycle for transformer and space cooling applications. Int. J. Refrig. 2020, 115, 191–208. [Google Scholar] [CrossRef]
- Nami, H.; Anvari-Moghaddam, A. Small-scale CCHP systems for waste heat recovery from cement plants: Thermodynamic, sustainability and economic implications. Energy 2020, 192, 116634. [Google Scholar] [CrossRef]
- Rostarnzadeh, H.; Ebadollahi, M.; Ghaebi, H.; Shokri, A. Comparative study of two novel micro-CCHP systems based on organic rankine cycle and kalina cycle. Energy Convers. Manag. 2019, 183, 210–229. [Google Scholar] [CrossRef]
- Zheng, B.; Weng, Y.W. A combined power and ejector refrigeration cycle for low temperature heat sources. Sol. Energy 2010, 84, 784–791. [Google Scholar] [CrossRef]
- Wang, J.; Yan, Z.; Zhou, E.; Dai, Y. Parametric analysis and optimization of a kalina cycle driven by solar energy. Appl. Therm. Eng. 2013, 50, 408–415. [Google Scholar] [CrossRef]
- Sun, J.; Fu, L.; Zhang, S. A review of working fluids of absorption cycles. Renew. Sustain. Energy Rev. 2012, 16, 1899–1906. [Google Scholar] [CrossRef]
- Mahmoud, E.S.; Rady, M.; Abuhabaya, A.A.; Elsamahy, A.A. Separate and combined integration of kalina cycle for waste heat recovery from a cement plant. Therm. Sci. 2022, 26, 1907–1925. [Google Scholar] [CrossRef]
- Ghaebi, H.; Namin, A.S.; Rostamzadeh, H. Performance assessment and optimization of a novel multi-generation system from thermodynamic and thermoeconomic viewpoints. Energy Convers. Manag. 2018, 165, 419–439. [Google Scholar] [CrossRef]
- Sohrabi, A.; Asgari, N.; Imran, M.; Shahzad, M.W. Comparative energy, exergy, economic, and environmental (4E) analysis and optimization of two high-temperature kalina cycles integrated with thermoelectric generators for waste heat recovery from a diesel engine. Energy Convers. Manag. 2023, 291, 117320. [Google Scholar] [CrossRef]
- Wang, Y.; Tang, Q.; Wang, M.; Feng, X. Thermodynamic performance comparison between ORC and kalina cycles for multi-stream waste heat recovery. Energy Convers. Manag. 2017, 143, 482–492. [Google Scholar] [CrossRef]
- Bombarda, P.; Invernizzi, C.M.; Pietra, C. Heat recovery from diesel engines: A thermodynamic comparison between kalina and ORC cycles. Appl. Therm. Eng. 2010, 30, 212–219. [Google Scholar] [CrossRef]
- Liu, G.; Ji, D.; Markides, C.N. Progress and prospects of low-grade thermal energy utilization technologies. Appl. Therm. Eng. 2024, 254, 123859. [Google Scholar] [CrossRef]
- Zhou, H.; Tian, T.; Wang, X.; Li, J. Combining looped heat pipe and thermoelectric generator module to pursue data center servers with possible power usage effectiveness less than 1. Appl. Energy 2023, 332, 120539. [Google Scholar] [CrossRef]
- Cai, H.; Ye, Z.; Liu, G.; Romagnoli, A.; Ji, D. Sizing optimization of thermoelectric generator for low-grade thermal energy utilization: Module level and system level. Appl. Therm. Eng. 2023, 221, 119823. [Google Scholar] [CrossRef]
- Wen, X.; Ji, J.; Song, Z.; Li, Z.; Xie, H.; Wang, J. Comparison analysis of two different concentrated photovoltaic/thermal-TEG hybrid systems. Energy Convers. Manag. 2021, 234, 113940. [Google Scholar] [CrossRef]
- Lan, Y.; Lu, J.; Wang, S. Study of the geometry and structure of a thermoelectric leg with variable material properties and side heat dissipation based on thermodynamic, economic, and environmental analysis. Energy 2023, 282, 128895. [Google Scholar] [CrossRef]
- Lou, Y.; Ye, Z.; Liu, G.; Romagnoli, A.; Ji, D. TEG-ORC combined cycle for geothermal source with coaxial casing well. Appl. Therm. Eng. 2023, 226, 120223. [Google Scholar] [CrossRef]
- Yilbas, B.S.; Ali, H. Thermoelectric generator performance analysis: Influence of pin tapering on the first and second law efficiencies. Energy Convers. Manag. 2015, 100, 138–146. [Google Scholar] [CrossRef]
- Tohidi, F.; Holagh, S.G.; Chitsaz, A. Thermoelectric generators: A comprehensive review of characteristics and applications. Appl. Therm. Eng. 2022, 201, 117793. [Google Scholar] [CrossRef]
- Wang, Z.-X.; He, P.; Li, N.; He, Y.-L.; Tao, W.-Q. A fuel cell powered rack prototype for data center application with waste heat recovery: Design consideration and experimental verification. Energy Convers. Manag. 2024, 318, 118892. [Google Scholar] [CrossRef]
- Kanbur, B.B.; Wu, C.; Duan, F. Combined heat and power generation via hybrid data center cooling-polymer electrolyte membrane fuel cell system. Int. J. Energy Res. 2020, 44, 4759–4772. [Google Scholar] [CrossRef]
- Montagud-Montalvá, C.; Navarro-Peris, E.; Gómez-Navarro, T.; Masip-Sanchis, X.; Prades-Gil, C. Recovery of waste heat from data centres for decarbonisation of university campuses in a mediterranean climate. Energy Convers. Manag. 2023, 290, 117212. [Google Scholar] [CrossRef]
- Socci, L.; Rocchetti, A.; Verzino, A.; Zini, A.; Talluri, L. Enhancing third-generation district heating networks with data centre waste heat recovery: Analysis of a case study in italy. Energy 2024, 313, 134013. [Google Scholar] [CrossRef]
- Stock, J.; Schmidt, T.; Xhonneux, A.; Müller, D. Optimisation of district heating transformation for the efficient integration of a low-temperature heat source. Energy 2024, 308, 132461. [Google Scholar] [CrossRef]
- Tervo, S.; Syri, S.; Hiltunen, P. Reducing district heating carbon dioxide emissions with data center waste heat—Region perspective. Renew. Sustain. Energy Rev. 2025, 208, 114992. [Google Scholar] [CrossRef]
- He, Z.; Ding, T.; Liu, Y.; Li, Z. Analysis of a district heating system using waste heat in a distributed cooling data center. Appl. Therm. Eng. 2018, 141, 1131–1140. [Google Scholar] [CrossRef]
- Du, H.; Zhou, X.; Nord, N.; Carden, Y.; Cui, P.; Ma, Z. A new framework for evaluating and enhancing the performance of district heating systems integrated with data centres using short-term thermal energy storage. Energy 2025, 319, 134934. [Google Scholar] [CrossRef]
- Keskin, I.; Soykan, G. Optimal cost management of the CCHP based data center with district heating and district cooling integration in the presence of different energy tariffs. Energy Convers. Manag. 2022, 254, 115211. [Google Scholar] [CrossRef]
- Zhou, F.; Tian, X.; Song, Y.; Ma, G. Dynamic performance of an integrated heat pump system coupled free cooling and waste heat recovery in data centers. Energy 2025, 323, 135838. [Google Scholar] [CrossRef]
- Alarnaot-Alarnaout, G.; Navarro-Esbrí, J.; Barragán-Cervera, Á.; Mota-Babiloni, A. Energy, exergy, economic, and environmental (4E) assessment of an experimental moderately-high-temperature heat pump for district heating and cooling networks. Energy Convers. Manag. 2025, 325, 119346. [Google Scholar] [CrossRef]
- Knudsen, B.R.; Zotică, C.; Rohde, D.; Foslie, S.S.; Walnum, H.T. Assessing demand response in district heating with waste-heat utilization. Sustain. Cities Soc. 2025, 124, 106270. [Google Scholar] [CrossRef]
- Zhang, C.; Han, Z.; Dong, J.; Li, M.; Zhang, Y.; Li, X.; Wen, Z.; Wang, Q. A novel data center air conditioner and its application scheme balancing high-efficiency cooling and waste heat recovery: Environmental and economic analysis. Energy 2024, 291, 130294. [Google Scholar] [CrossRef]
- Alkrush, A.A.; Salem, M.S.; Abdelrehim, O.; Hegazi, A.A. Data centers cooling: A critical review of techniques, challenges, and energy saving solutions. Int. J. Refrig. 2024, 160, 246–262. [Google Scholar] [CrossRef]
- Wang, M.; Wang, Y.; Feng, X.; Deng, C.; Lan, X. Energy performance comparison between power and absorption refrigeration cycles for low grade waste heat recovery. ACS Sustain. Chem. Eng. 2018, 6, 4614–4624. [Google Scholar] [CrossRef]
- Larsen, U.; Tuong-Van, N.; Knudsen, T.; Haglind, F. System analysis and optimisation of a kalina split-cycle for waste heat recovery on large marine diesel engines. Energy 2014, 64, 484–494. [Google Scholar] [CrossRef]
- Nemati, A.; Nami, H.; Ranjbar, F.; Yari, M. A comparative thermodynamic analysis of ORC and kalina cycles for waste heat recovery: A case study for CGAM cogeneration system. Case Stud. Therm. Eng. 2017, 9, 1–13. [Google Scholar] [CrossRef]
- National Integrated Arithmetic Network Application Excellent Case Collection No. 23|Building a “Zero-Carbon Data Center” Helps Integrate Arithmetic and Green Power-National Data Administration, (n.d.). Available online: https://www.nda.gov.cn/sjj/zhuanti/ztdsjblh/ztxwfb/0926/20240926145924692667185_pc.html (accessed on 19 April 2025).
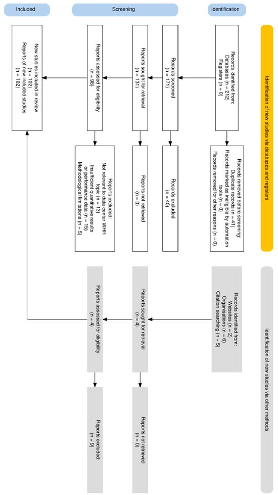
- Page, M.J.; McKenzie, J.E.; Bossuyt, P.M.; Boutron, I.; Hoffmann, T.C.; Mulrow, C.D.; Shamseer, L.; Tetzlaff, J.M.; Akl, E.A.; Brennan, S.E.; et al. The PRISMA 2020 statement: An updated guideline for reporting systematic reviews. BMJ 2021, 372, n71. [Google Scholar] [CrossRef]
- Available online: https://www.prisma-statement.org (accessed on 16 May 2025).















| Reference | Recycling Methods | Temperature (°C) | Technical Characteristics | Typical Applications |
|---|---|---|---|---|
| [27,33,34,35] | Heat pump | 20–55 |
| Improvement of heat source quality |
| [36] | Thermal energy storage | N/A |
| District heating |
| [37,38,39,40,41] | Absorption refrigeration | 30–85 |
| Refrigeration and coupled cogeneration |
| [42,43,44] | Adsorption refrigeration | 50–95 |
| Refrigeration and coupled cogeneration |
| Reference | Coolant | System Description | Methodology | Energy Efficiency (%) | Net Power Output (kW) | Cooling Capacity (kW) |
|---|---|---|---|---|---|---|
| Liu et al. [57] | R1233zd (E) | ORC + HP | Thermodynamic modeling and economic analysis | 38.90 | 28.30 | N/A |
| Li et al. [58] | R245fa | ORC + DABC | Energy, exergy, environment and economic analysis | N/A | 80–190 | 27978/Year |
| Chen et al. [62] | R1233zd (E) + R1234yf | ORC + VCR | Energy, exergy and economic analysis and multi-objective optimization | 46.13 | 17.20 | 105.22 |
| ORC + EER | 60.91 | 11.64 | 150.00 | |||
| R1233zd (E) + NH3 | ORC + ARC | 58.13 | 4.25 | 150.00 | ||
| Bellos et al. [63] | C7H8+ LiBr-H2O | ORC + HP | Energy and exergy analysis and thermodynamic study | 29.42 | N/A | 398.80 |
| Li et al. [64] | R134a | ORC + VCR | Energy and exergy analysis and thermodynamic study | 29.42 | N/A | 331.30 |
| Wang et al. [65] | NH3 | ORC + ARC | Energy and exergy analysis and thermodynamic study | 43.06 | 714.457 | 168.647 |
| Sanaye et al. [66] | C7H8 + R600a | ORC + ERC | Energy, exergy and economic analysis | 45.30 | 225.60 | 271.10 |
| Nami et al. [67] | MM+ LiBr-H2O | ORC + ARC | Energy, exergy and economic analysis | 63.60 | 593.60 | 610.70 |
| Rostamzadeh et al. [68] | R113 | ORC + ERC | Thermodynamic modeling and economic analysis | 48.37 | 138.00 | 107.50 |
| Zheng et al. [69] | R245fa | ORC + ERC | Thermodynamic and software modeling | 56.80 | 27.90 (kJ/kg) | 58.70 (kJ/kg) |
Disclaimer/Publisher’s Note: The statements, opinions and data contained in all publications are solely those of the individual author(s) and contributor(s) and not of MDPI and/or the editor(s). MDPI and/or the editor(s) disclaim responsibility for any injury to people or property resulting from any ideas, methods, instructions or products referred to in the content. |
© 2025 by the authors. Licensee MDPI, Basel, Switzerland. This article is an open access article distributed under the terms and conditions of the Creative Commons Attribution (CC BY) license (https://creativecommons.org/licenses/by/4.0/).
Share and Cite
Zhang, L.; Zhao, Z.; Chen, B.; Zhao, M.; Chen, Y. Zero-Carbon Development in Data Centers Using Waste Heat Recovery Technology: A Systematic Review. Sustainability 2025, 17, 10101. https://doi.org/10.3390/su172210101
Zhang L, Zhao Z, Chen B, Zhao M, Chen Y. Zero-Carbon Development in Data Centers Using Waste Heat Recovery Technology: A Systematic Review. Sustainability. 2025; 17(22):10101. https://doi.org/10.3390/su172210101
Chicago/Turabian StyleZhang, Lingfei, Zhanwen Zhao, Bohang Chen, Mingyu Zhao, and Yangyang Chen. 2025. "Zero-Carbon Development in Data Centers Using Waste Heat Recovery Technology: A Systematic Review" Sustainability 17, no. 22: 10101. https://doi.org/10.3390/su172210101
APA StyleZhang, L., Zhao, Z., Chen, B., Zhao, M., & Chen, Y. (2025). Zero-Carbon Development in Data Centers Using Waste Heat Recovery Technology: A Systematic Review. Sustainability, 17(22), 10101. https://doi.org/10.3390/su172210101

