Building Energy-Saving Technology—3rd Edition
A special issue of Buildings (ISSN 2075-5309). This special issue belongs to the section "Building Energy, Physics, Environment, and Systems".
Deadline for manuscript submissions: 31 May 2026 | Viewed by 7911
Special Issue Editors
Interests: AI and HVAC control optimization; energy-efficient and healthy building design; carbon neutrality; zero-energy buildings
Special Issues, Collections and Topics in MDPI journals
Interests: thermal comfort; building energy management; sustainable building energy efficiency
Special Issues, Collections and Topics in MDPI journals
Special Issue Information
Dear Colleagues,
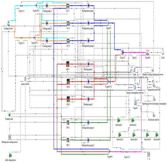
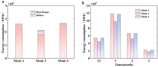
This Special Issue of the open-access journal Buildings is dedicated to “Building Energy-Saving Technology—3rd Edition”. Buildings consume about 40% of global energy, and the building sector thus plays a key role in achieving carbon peak and carbon neutrality. The development of various building energy-saving technologies for building envelopes, mechanical systems, and energy resources can assist in achieving zero or even net-zero energy buildings, while maintaining comfort and a healthy indoor environment.
This Special Issue aims to present the latest state of the art advancements and trends in advanced building energy-saving technologies. Original experimental studies, numerical simulations, and reviews on all aspects of building energy utilization, management, and optimization are especially encouraged.
Potential topics include but are not limited to the following:
- High-performance building envelope;
- Passive and zero-energy buildings;
- HVAC system control optimization;
- Building energy retrofit;
- Building energy, exergy, and economic analysis;
- Building embodied energy and life cycle analysis;
- Renewable energy allocation;
- Vertical and roof greening system;
- High-performance ventilation system;
- Adaptive climatic responsive building design;
- Building energy, exergy, and economic analysis;
- Carbon-natural building;
- Adaptive building;
- Application of AI in building control optimization;
- Building embodied energy and lifecycle analysis.
Dr. Yaolin Lin
Dr. Wei Yang
Guest Editors
Manuscript Submission Information
Manuscripts should be submitted online at www.mdpi.com by registering and logging in to this website. Once you are registered, click here to go to the submission form. Manuscripts can be submitted until the deadline. All submissions that pass pre-check are peer-reviewed. Accepted papers will be published continuously in the journal (as soon as accepted) and will be listed together on the special issue website. Research articles, review articles as well as short communications are invited. For planned papers, a title and short abstract (about 250 words) can be sent to the Editorial Office for assessment.
Submitted manuscripts should not have been published previously, nor be under consideration for publication elsewhere (except conference proceedings papers). All manuscripts are thoroughly refereed through a single-blind peer-review process. A guide for authors and other relevant information for submission of manuscripts is available on the Instructions for Authors page. Buildings is an international peer-reviewed open access semimonthly journal published by MDPI.
Please visit the Instructions for Authors page before submitting a manuscript. The Article Processing Charge (APC) for publication in this open access journal is 2600 CHF (Swiss Francs). Submitted papers should be well formatted and use good English. Authors may use MDPI's English editing service prior to publication or during author revisions.
Keywords
- building envelop
- mechanical system
- passive and zero energy buildings
- HVAC system control
- carbon neutrality retrofit
- energy performance
- lifecycle analysis
- embodied energy
Benefits of Publishing in a Special Issue
- Ease of navigation: Grouping papers by topic helps scholars navigate broad scope journals more efficiently.
- Greater discoverability: Special Issues support the reach and impact of scientific research. Articles in Special Issues are more discoverable and cited more frequently.
- Expansion of research network: Special Issues facilitate connections among authors, fostering scientific collaborations.
- External promotion: Articles in Special Issues are often promoted through the journal's social media, increasing their visibility.
- Reprint: MDPI Books provides the opportunity to republish successful Special Issues in book format, both online and in print.
Further information on MDPI's Special Issue policies can be found here.
Related Special Issue
- Building Energy-Saving Technology—2nd Edition in Buildings (11 articles)

