Next Article in Journal
Evaluation and Calibration of Analytical Models for Predicting Splitting in Precast Concrete Tunnel Segments During TBM Thrust
Next Article in Special Issue
Energy Consumption Analysis and Energy-Saving Renovation Research on the Building Envelope Structure of Existing Thermal Power Plants in China’s Hot Summer and Cold Winter Regions
Previous Article in Journal
Adopting Large Language Models in the Construction Industry: Drivers, Barriers, and Strategic Implications from China
Previous Article in Special Issue
Adapting Energy Conservation Building Code-2023 for the Diverse Climates of Pakistan: A Path to Affordable Energy Efficiency and Sustainable Living
 
 
Font Type:
Arial Georgia Verdana
Font Size:
Aa Aa Aa
Line Spacing:
Column Width:
Background:
Article

A Case Study of Operating Strategy Analysis of Heating and Cooling Source Units for a Large Sports Center

1
China Construction Third Engineering Bureau First Engineering Co., Ltd., Wuhan 430014, China
2
Sanya Science and Education Innovation Park, Wuhan University of Technology, Sanya 572024, China
3
School of Civil Engineering and Architecture, Wuhan University of Technology, Wuhan 430070, China
4
Faculty of Architecture, Building and Planning, The University of Melbourne, Melbourne, VIC 3010, Australia
*
Author to whom correspondence should be addressed.
Buildings 2025, 15(23), 4301; https://doi.org/10.3390/buildings15234301
Submission received: 23 October 2025 / Revised: 24 November 2025 / Accepted: 25 November 2025 / Published: 27 November 2025
(This article belongs to the Special Issue Building Energy-Saving Technology—3rd Edition)

Abstract

As large public buildings requiring expansive spatial environments, public gymnasiums exhibit significant overall energy consumption due to their complex physical structures and usage characteristics. HVAC systems account for a substantial portion of this energy use, making their efficient operation critical for reducing energy consumption in sports facilities. This study employs TRNSYS 18 simulation to construct a model based on the existing heating and cooling source units for an Olympic Sports Center. By altering control strategies, we analyze the energy consumption of units for different seasons to determine operating strategy. Results indicate that, during the cooling season, a sequential start-up strategy for chillers—prioritizing those with the highest COP in response to dynamic terminal load variations—offers 4.72% energy-saving potential during the cooling season. During the heating season, significant energy savings—up to 18.6%—can be achieved by using air-source heat pumps as the base load supply, operating them continuously, and deploying gas boilers only when supplemental heating is required. These findings offer quantitative support for the optimization of HVAC systems in large Public Gymnasiums, demonstrating a viable pathway to substantially improve energy efficiency, reduce operational costs, and advance carbon reduction initiatives, thereby promoting long-term operational sustainability.

1. Introduction

1.1. Load Characteristics and Energy Use of Large Public Gymnasiums

Building energy consumption accounts for over 30% of global final energy use and nearly 28% of CO2 emissions [1]. Within building energy use, HVAC systems contribute 40–60% of total consumption, and plant equipment such as chillers, heat pumps, and boilers account for 50–70% of HVAC energy use [1,2].
Large public gymnasiums are characterized by massive, enclosed volumes, extensive floor areas, and non-continuous occupancy. Thermal loads exhibit strong fluctuations driven by weather conditions, occupancy patterns, and event schedules. Load profiles vary by season, hour, and functional zone, including stadium [3], gymnasiums [4], shopping malls [5], and exhibition centers [6]. Simultaneous but distinct cooling and heating demands are common.
These unique characteristics lead to high energy intensity, often significantly higher than typical public buildings [7]. They also complicate HVAC system design and control. Under-sizing leads to thermal discomfort; over-sizing results in excessive first cost and poor part-load efficiency. Optimizing operation of plant equipment becomes essential to maintain comfort, minimize energy waste, and support carbon neutrality goals [8].

1.2. Research on Plant Equipment Control Strategies and TRNSYS Applications

Control strategies for HVAC systems are commonly structured in three levels: plant, distribution, and terminal. The plant level accounts for the majority of energy consumption. Improving its control strategy directly yields measurable savings [2].
Research methods for plant control optimization include simulation-based approaches, algorithm-based optimization, and experimental validation. Simulation is widely preferred due to its reproducibility, low cost, and ability to explore multiple scenarios without disturbing actual operation [9].
TRNSYS (Transient System Simulation Tool) is one of the most widely adopted dynamic simulation environments for building energy systems [10]. TRNSYS provides a modular architecture. Components such as chillers, cooling towers, heat pumps, boilers, pumps, and storage tanks can be connected to form a virtual plant [11]. Control strategies can be represented by built-in controllers or user-defined equations. This flexibility makes TRNSYS suitable for replicating complex multi-unit HVAC systems [12].
TRNSYS supports sub-hourly time steps, enabling accurate modeling of transient responses [13]. It integrates weather data files, occupancy schedules, and measured load profiles. It allows coupling with MATLAB, Python, and external optimization solvers, enabling advanced control research [14]. It can output time-series results of energy use, COP, temperatures, and equipment status for detailed post-processing [15].
Extensive research uses TRNSYS to evaluate energy-saving strategies. Rocca Vera et al. [12] validated TRNSYS simulations against monitored data for a single-family NZEB house, demonstrating strong agreement in hourly thermal performance. Franco et al. [16] used TRNSYS to optimize heat pump operation and reported over 10% energy intensity reduction. Other studies confirmed that using heat pumps as base-load units and boilers as peak-load backup can save up to 20% of heating energy in mixed climates [17].
Advanced control strategies, such as model predictive control (MPC), are often validated in TRNSYS prior to field deployment [18,19]. These studies report 4–10% reductions in energy cost and improved comfort compliance. Researchers also integrate TRNSYS with heuristic optimization algorithms such as genetic algorithms, particle swarm optimization, and reinforcement learning [20,21]. This combination allows automated search of optimal start–stop sequences, setpoint adjustments, and equipment staging schedules. Results include double-digit COP improvements, fewer compressor starts, and longer equipment life [22].
Recent studies employ TRNSYS to conduct sensitivity analyses. Parameters such as supply temperature reset, chiller staging thresholds, and tower fan control logic are varied to determine their impact on energy use [23]. Scenario analysis is also common. Peak load events, partial occupancy conditions, and demand-response signals can be simulated to test strategy robustness [24]. These capabilities confirm TRNSYS as a reliable decision-support tool for both researchers and practitioners [25].

1.3. Objectives of This Study

Although many studies have focused on whole-building HVAC optimization [26,27,28,29,30,31], relatively few works specifically investigate plant equipment sequencing under seasonal load variations. Strategies developed for one building are not necessarily transferable to others. Plant configuration, climate, and load diversity must be considered.
To address the aforementioned research gap, the core innovation of this study lies in conducting an in-depth case study of a specific large-scale sports center. The objective is to develop and validate an easily implementable, rule-based system-level operation strategy to optimize the overall energy efficiency of its complex heating and cooling source system.
Specifically, the objectives of this study are as follows:
Construct a detailed TRNSYS dynamic simulation model based on the actual sports center project, accurately reflecting its heating and cooling source system comprising multiple equipment types.
Systematically simulate and compare system performance under different equipment start-stop sequence strategies during cooling and heating seasons.
Quantitatively evaluate each strategy’s performance against macro-level comprehensive metrics—such as seasonal total energy consumption, average system energy efficiency ratio, and operating costs—rather than focusing solely on transient control details.
Finally, propose and recommend a “daily control strategy” that balances high energy efficiency with economic viability and directly guides the sports center’s daily operations, providing quantifiable practical reference for energy-efficient operation in similar large public buildings.
The value of this research lies in shifting the optimization focus from complex algorithm design to re-optimizing the collaborative operation logic of existing equipment. Its findings offer more direct and practical guidance for operations managers.

2. System Description and Control Logic

2.1. Project Overview

This study focuses on the Xiaogan Olympic Sports Center, a large-scale public facility located in Hubei Province, China. The site occupies approximately 666,700 m2. It serves as a key venue for regional sports competitions, cultural performances, and large-scale public events. The development follows a phased implementation plan. Phase I includes a stadium, a gymnasium, and a swimming hall. The functional layout of the sports center is shown in Figure 1.
The main stadium provides 30,000 fixed seats. It features a 400 m standard track with nine lanes and a 105 m × 68 m natural turf field. The venue supports full-scale track and field events, including jumping, throwing, and steeplechase.
The gymnasium covers 28,600 m2 and includes 8000 seats. It hosts sports such as basketball, volleyball, badminton, gymnastics, and weightlifting. The structure has a large-span roof and intermittent occupancy, leading to significant fluctuations in ventilation and cooling demand.
The swimming hall has a floor area of 15,370 m2 and includes a competition pool, a training pool, and a leisure pool. It supports swimming, synchronized swimming, and water polo. Continuous operation and strict control of air temperature and humidity are required. As a result, the space exhibits high latent loads and stable year-round energy demand.
The HVAC system includes both cooling and heating sources. Cooling is provided by centrifugal and screw chillers. Heating is delivered through air-source heat pumps and modular gas boilers. Each unit operates semi-independently to serve different buildings. Xiaogan’s hot-summer, cold-winter climate introduces high seasonal load variability. Summer loads are dominated by sensible cooling. Winter loads are more stable and heating-driven. The details of the cooling and heating loads of the sports center are shown in Table 1.
The hourly cooling and heating load data used in this study (with annual distribution shown in Figure 2 and peak values and indicators listed in Table 1) are sourced from the Energy Simulation and Load Calculation Report issued during the engineering design phase of the sports center project. This report was completed by a qualified HVAC design firm, with calculations strictly adhering to China’s “Code for Design of Heating, Ventilation and Air Conditioning for Civil Buildings” (GB 50736 [32]). Dynamic simulations were performed using Huayuan Power’s HDY-SMAD air conditioning load calculation software. Based on the Transfer Function Method, this software accurately simulates non-steady-state heat transfer through building envelopes, solar radiation, and sensible/latent heat loads generated by occupants, equipment, and lighting. It stands as one of the industry-standard tools for handling load calculations in large, complex spaces. Its results provided reliable boundary conditions for subsequent TRNSYS simulations.
As shown in Figure 2, the peak cooling and heating loads occur in July and January, respectively. The maximum cooling demand reaches 7055 kW, while the heating peak is 5496 kW, resulting in a maximum cooling-to-heating load ratio of 1.28 to 1. Over the full annual cycle of 8760 h, the cumulative cooling load is 1.36 × 107 kWh, and the total heating load is 9.42 × 106 kWh. These figures highlight the system’s high energy intensity and the need for seasonally adaptive, high-efficiency control strategies.
Swimming pools impose stringent requirements on indoor environments, particularly regarding humidity and air quality. Their HVAC systems incorporate dedicated dehumidification and ventilation subsystems to manage high moisture loads generated by pool water evaporation. These systems also ensure adequate air change rates (ACH) to control concentrations of chemical pollutants such as chloroform, thereby maintaining indoor air quality (IAQ).

2.2. HVAC System Configuration

The HVAC system of the Xiaogan Olympic Sports Center is designed as a centralized multi-source system, incorporating multiple chillers, heat pumps, and gas-fired boilers to provide both cooling and heating functions. The overall configuration is divided into cooling and heating subsystems, each tailored to the operational requirements of different functional zones within the facility. It delivers cooling and heating to the gymnasium and swimming hall throughout the year. The configuration includes centrifugal chillers, screw chillers, four-pipe air-cooled heat pump units, and gas-fired vacuum hot water boilers. Control is managed through automated sequencing and staged operation. The central chiller plant is located in the basement of the swimming hall. The boiler room is placed in an underground space east of the same building.
The primary cooling sources consist of two variable-speed centrifugal chillers, each with a rated cooling capacity of 2462 kW, and one variable-speed screw chiller rated at 1407 kW. All chillers support stepless modulation from 15% to 100%, enabling precise load matching and improved part-load performance. The specifications of the chillers are presented in Table 2.
Moreover, two four-pipe air-cooled heat pump units were chosen. Each unit provides 524 kW of cooling and 659 kW of heating. These heat pumps operate under chilled water temperatures of 6/12 °C and hot water temperatures of 45/40 °C. They support 12.5% to 100% stepless modulation and can operate under cooling-only, heating-only, or simultaneous cooling-heating modes. Heat pump unit parameters are listed in Table 3.
Chilled water is distributed using multiple pump groups. The primary chilled water pumps include three pumps rated at 362 m3/h, 34 m head, and 45 kW, supported by smaller auxiliary pumps. On the cooling water side, four open-type crossflow cooling towers are installed. Each tower handles 450 m3/h of cooling water and provides 270,000 m3/h of fan airflow with 22 kW motor power. Hot water is circulated using staged hot water pumps. The system includes three sets of pumps with different flow rates and heads, supporting zoning and sequential dispatch. Differential pressure control is applied to ensure stable water delivery under variable load conditions. The specifications of the pumps and cooling towers are shown in Table 4 and Table 5, respectively.
The heating system consists of three gas-fired vacuum hot water boilers. Two units are rated at 2800 kW each, and one at 1400 kW. These boilers supply hot water to air-conditioning terminal coils and swimming pool heating circuits. For space heating, the system operates at 60/50 °C, while pool heating circuits use higher return temperatures of 60–75 °C. Thermal efficiency reaches up to 94%. Detailed boiler specifications are provided in Table 6.
During cooling seasons under full load conditions, priority is given to the centrifugal chillers due to their high COP. Screw chillers and heat pumps are engaged under part-load or shoulder season conditions. In heating mode, heat pumps serve as the base load source, while boilers are activated to meet peak demand. The system enables real-time performance monitoring, load prediction, and automated equipment scheduling. Multi-source coordination and flexible unit sequencing can improve energy efficiency and operational stability under varying seasonal and zonal load profiles.

2.3. System Control Logic

Group control refers to the automatic sequential start–stop regulation of chiller units via intelligent control algorithms. The objective is to dynamically match cooling supply with real-time demand, thereby ensuring system reliability while optimizing energy efficiency. Chiller sequencing directly impacts system power consumption, making it a critical determinant of overall HVAC system performance. A well-designed group control strategy is therefore essential for achieving high energy efficiency in central air-conditioning systems while maintaining indoor thermal comfort.
At the Xiaogan Olympic Sports Center, the cooling system comprises five main units: two air-source heat pumps, one variable-speed screw chiller, and two variable-speed centrifugal chillers. Table 7 presents the equipment identification and rated capacities.
To investigate performance impacts, three representative sequencing strategies—denoted as Modes A, B, and C—were defined. Their start–stop sequences are illustrated as shown in Figure 3.
In systems with multiple units, energy performance depends not only on individual equipment characteristics but also on the number of active units and their load allocation. Therefore, formulating a logical and adaptable control strategy is key to ensuring energy-efficient operation.
This study adopts a hybrid strategy combining sequential start–stop and minimum-unit-load principles. Each unit is assigned a load threshold for activation and deactivation: Four-pipe air-source heat pumps: 12.5–90%; Variable-speed screw chiller: 15–90%; Variable-speed centrifugal chillers: 15–90%.
The logic is as follows:
(1)
When the terminal load exceeds the minimum load threshold of the first unit, the unit starts.
(2)
If the first-start unit can independently meet the load, all previously running units are stopped, and control restarts from this unit alone.
(3)
As demand increases, additional units are activated sequentially according to the predefined order.
(4)
Only when the current total output approaches the upper load limit are new units added.
(5)
When the load decreases, units are shut down in reverse order.
This strategy aims to minimize the number of operating units while maintaining sufficient capacity and efficiency. By optimizing unit dispatch and sequencing, the control system reduces cycling, improves part-load performance, and enhances operational reliability.
To evaluate system behavior under these strategies, TRNSYS was used to simulate Modes A, B, and C during the cooling season.
In heating system design, gas-fired boilers offer relatively low initial capital investment. However, their operational cost per unit of heat supplied is typically higher than that of air-source heat pumps. In this system, the selected four-pipe screw-type air-cooled heat pump units support multiple operating modes, including simultaneous cooling and heating, cooling-only, and heating-only configurations. This flexibility enables seasonal load sharing.
To maximize system efficiency, the heat pumps are scheduled to handle part of the heating demand during the heating season. This strategy takes advantage of the heat pump’s superior energy performance while retaining the economic benefits of the boiler’s lower upfront cost. Each heating unit is indexed for clarity, as shown in Table 8.
Three representative control strategies for heating source operation were identified and designated as Mode 1, Mode 2, and Mode 3. The unit sequencing logic for each mode is illustrated in Figure 4.
To ensure reliable operation and load matching, on-off thresholds were defined for each equipment type. The four-pipe screw-type air-cooled heat pump units are set with a control range of 12.5% to 90% of rated capacity. The gas boilers are operated within a control range of 10% to 90%. These thresholds prevent frequent cycling and promote stable operation.

3. Methodology

3.1. Mathematical Model

This study utilizes the TRNSYS Simulation Studio as the core simulation platform to model the HVAC system operation of the Xiaogan Olympic Sports Center. The system model integrates standard components from the TRNSYS library and enhanced modules from the TESS extension set.
Chillers are modeled using TRNSYS Type666, which supports parameterized input and performance correction. System parameters, including supply/return water temperature, flow rate, rated power, and nominal C O P , are set based on manufacturer data.
The total cooling load provided by the system is calculated as:
Q l o a d = C × m L × ( T G T H )
The nominal coefficient of performance of the chiller and the nominal cooling capacity of the chiller for the refrigeration unit under current conditions are calculated using the following formula:
P L R = Q l o a d C a p a t i c y
Power consumption of the unit according to Equation (3).
P = C a p a c i t y C O P n o w × F F L P
The C O P value for the actual operation of the chiller is calculated by Equation (4).
C O P = Q ˙ m e t P
Equation (5) calculates the amount of heat dissipated by the condenser in the chiller.
Q r e j e c t i o n = Q ˙ m e t + P
The calculation of chilled water and cooling water outlet temperatures in a chiller plant is given by the following calculation:
T c h w , o u t = T c h w , i n Q m e t m c h w C p c h w
T c w , o u t = T c w , i n Q r e j e c t e d m c w C p c w
The heat dissipation of the cooling tower is:
Q = ε a m a ( h a , w , i h a , i n )
The cooling water outlet temperature according to the law of conservation of energy is:
T _ ( w , o ) = ( m _ ( w , i ) ( T _ ( w , i ) T _ r ) Q _ r ) / m _ ( w , o ) + T _ r
The energy required to raise the temperature of the liquid from the inlet value to the set value when the model is turned on is:
Q _ n e e d = m _ f l u i d C p _ f l u i d ( T _ s e t T _ i n )

3.2. TRNSYS Model

This simulation model is strictly constructed based on the project’s design drawings, equipment selection manuals, and performance parameters provided by manufacturers. As this sports center is a newly constructed project, complete annual operational data for model calibration is currently unavailable. Consequently, the results of this study focus more on relative performance comparisons between different operational strategies, providing theoretical optimal strategy references for future operations. The absolute energy consumption values predicted by the model require subsequent calibration once actual operational data is obtained.
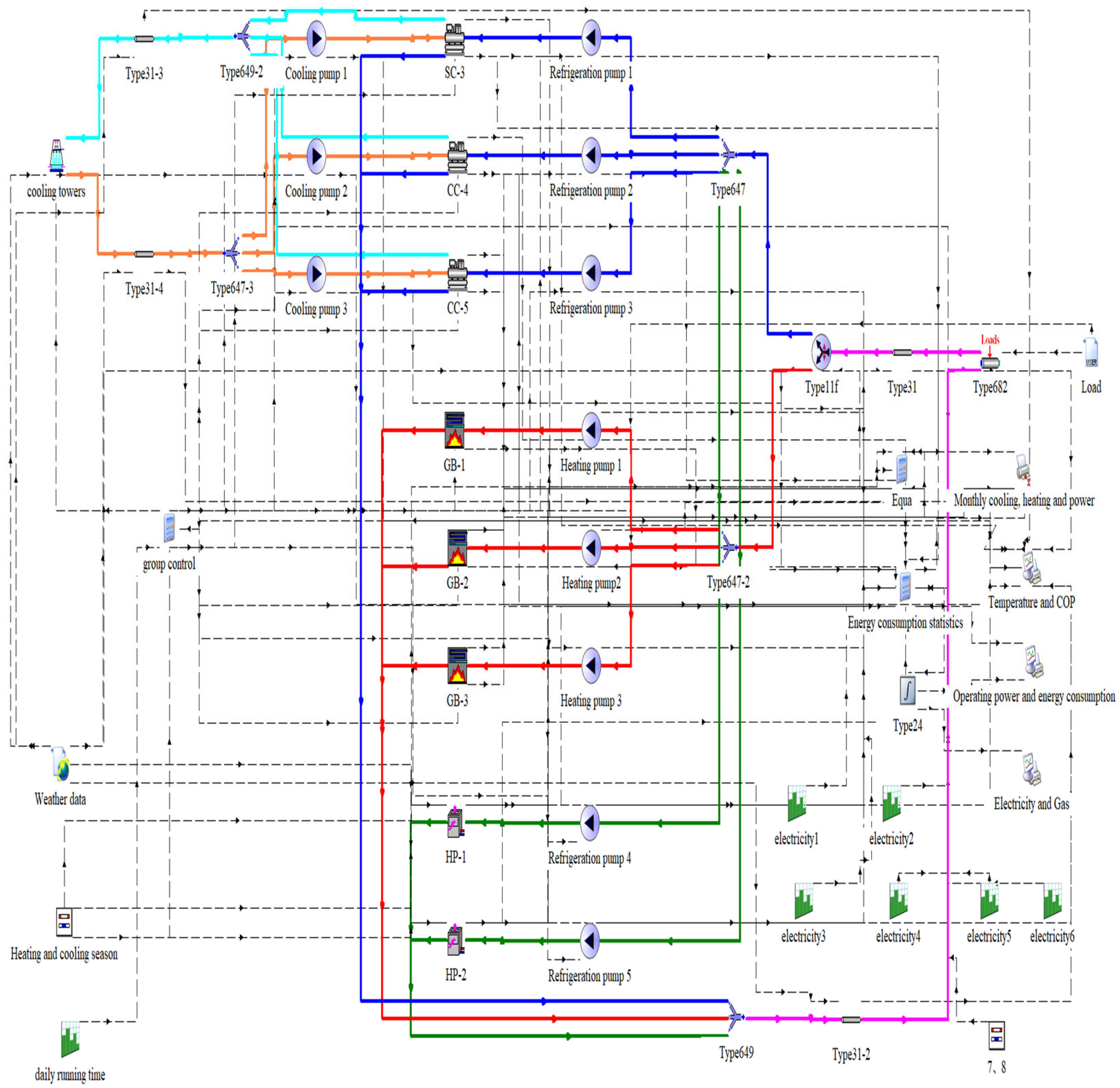
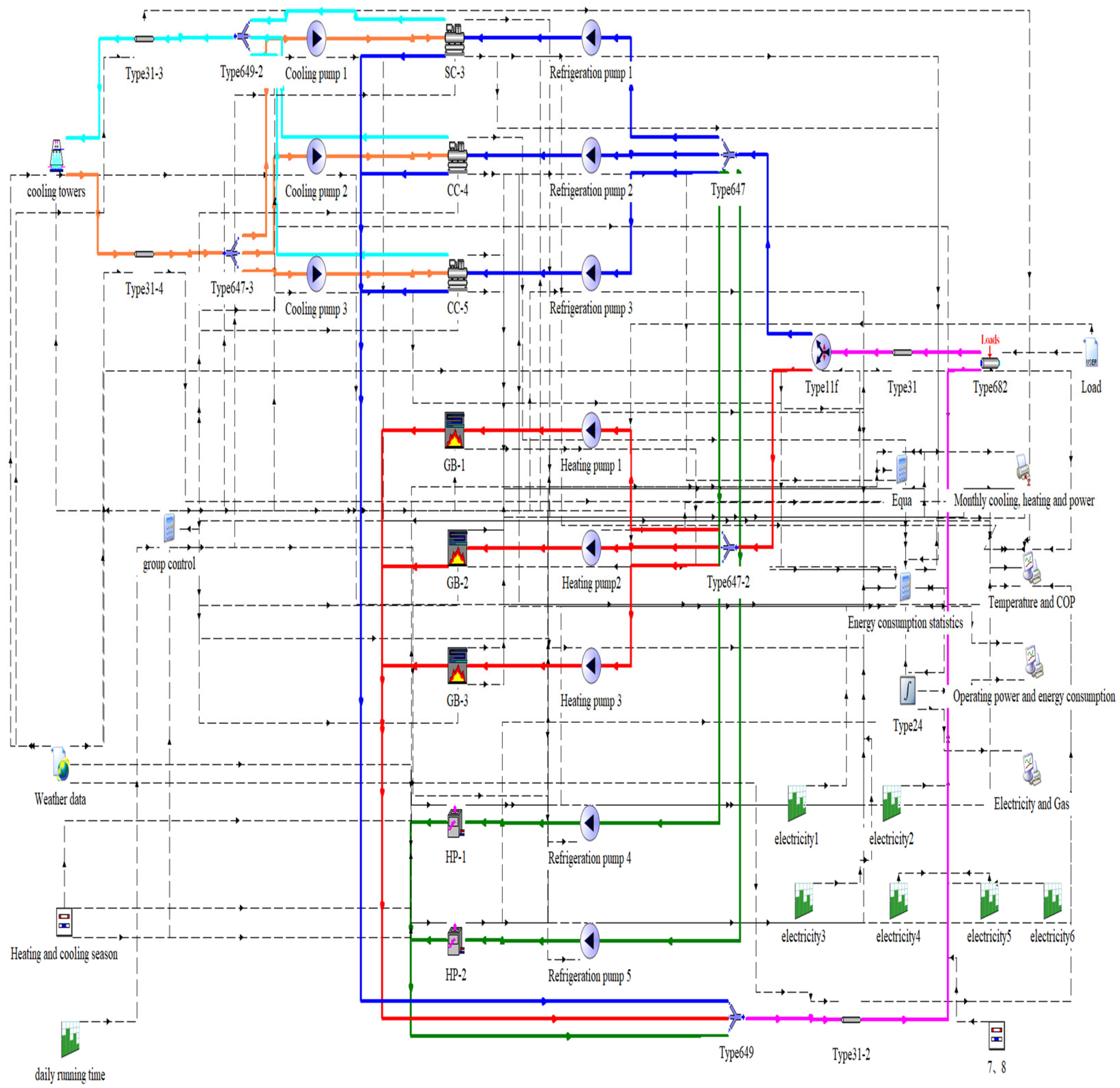
The simulation model of the cooling and heating source system at the Xiaogan Olympic Sports Center was developed using Simulation Studio for TRNSYS 18 platform. This environment enables modular construction of HVAC systems using standard components from the TRNSYS library and supplementary TESS modules. The final TRNSYS configuration of the HVAC system is illustrated as shown in Figure 5.
The model configuration closely mirrors the actual system schematic. Each subsystem is visually represented by color-coded piping to facilitate clarity and functional distinction in Figure 5: pink lines represent chilled water supply and return pipelines. Dark blue bold lines indicate chilled water loops within chiller modules. Red lines denote hot water circuits for gas-fired boilers. Green lines correspond to chilled water loops connected to air-source heat pumps. Light blue and orange lines depict cooling tower water circuits. Black dashed lines outline control logic paths for equipment on/off scheduling. The model integrates logical control components, such as calculators and conditional operators, to simulate real-time strategy execution.

3.3. Model Validation

To validate the simulation methodology, this paper conducts a summer simulation of an running river water source heat pump energy station. The station comprises two screw-type water source heat pumps, each with a rated capacity of 1112 kW, serving an elementary school with a summer load of 1204 kW. The water temperature at the condenser side of the units is based on actual measurements. The simulation results for the supply and returncooling water temperatures of the units are compared with the measured values (26 September 2023), as shown in Figure 6.
As shown in the figure, the simulated inlet and outlet water temperatures of the heat pump unit exhibit trends consistent with the measured data. The unit’s supply water temperature fluctuates between 5.0 and 7.0 °C, while the return water temperature fluctuates between 7.5 and 9.5 °C. The average relative error remains within ±10%. Therefore, the simulation method employed in this study is deemed reliable.

4. Results

4.1. Cooling Source System Unit

Figure 7 displays the calculated results and comparisons of monthly energy consumption and energy efficiency ratios under different strategies during the cooling season. Figure 8 presents the total energy consumption and the overall energy efficiency ratio of the system.
From Figure 7, it can be seen that a significant performance gap between Mode A and the other two strategies, Mode B and Mode C. As a result, Mode A is excluded from further consideration. Mode B offers both improved economic performance and greater energy-saving potential.
From Figure 8, it can be seen that monthly analysis reveals that the energy consumption differences between Mode B and Mode C remain minimal from May to August. During this period, both strategies exhibit stable system performance. However, in September and October, Mode B shows a clear advantage. Notably, the system COP under Mode B reaches a peak value of 9.15 in October.
In terms of total energy consumption, Mode B outperforms Mode C, although the difference is marginal at 527.82 kWh. From an energy-saving perspective, Mode B demonstrates superior performance. System efficiency, measured by COP, further confirms this trend. Mode B achieves a higher overall COP of 6.85, indicating better energy utilization and enhanced operational efficiency.
The control logic for Mode B is based on sequential activation of chiller units in response to varying cooling loads. The strategy segments load demand into five intervals, each corresponding to a distinct combination of operating units. The objective is to optimize energy efficiency while ensuring sufficient cooling capacity under varying load conditions.
For the cooling season (Mode B): the energy efficiency improvement (4.72%) primarily stems from two factors:
  • Reducing operating hours of inefficient equipment: this strategy prioritizes running high-efficiency centrifugal chillers (CC-4, CC-5) for extended periods whenever possible, thereby delaying or reducing operating hours for low-COP air-source heat pumps (HP-1, HP-2).
  • Optimizing equipment part-load operation: by setting reasonable start/stop thresholds, operating equipment is maintained within high-efficiency part-load ranges whenever possible, avoiding inefficient simultaneous low-load operation of multiple units. The cooling tower control strategy (maintaining proximity) indirectly optimizes condensing temperature, though its contribution is relatively minor in this scheme.
Table 9 summarizes the load-based segmentation and corresponding unit activation logic.
Under the Mode B control strategy, the chiller system of the Xiaogan Olympic Sports Center exhibited distinct operational patterns across different cooling load intervals during the cooling season. Figure 9 illustrates the monthly hourly distribution of operating zones.
From Table 9 and Figure 9, it can be seen that in May, the system primarily operated in Load Interval 2, with a total of 205 h. The peak operation hours were observed between 09:00 and 20:00. Load Interval 1 was active for 112 h, with the peak at 08:00. Therefore, in May, Unit CC-4 will start from 8:00 to 9:00, and Units CC-4 and CC-5 will start from 9:00 to 20:00.
In June, Load Interval 2 recorded 230 operating hours, with hourly peaks between 08:00 and 12:00 and 18:00–20:00. Load Interval 3 was active for 134 h, peaking between 12:00 and 18:00. Therefore, in June, Units CC-4 and CC-5 will be started from 8:00 to 12:00, Units SC-3, CC-4, and CC-5 will be started from 12:00 to 18:00, Units CC-4 and CC-5 will be started from 18:00 to 20:00.
In July, the system operated in Load Interval 2 for 91 h, with a peak between 19:00 and 20:00. Load Interval 3 showed 151 h of operation, peaking between 08:00 and 11:00 and 18:00–19:00. Notably, Load Interval 5 ran for 103 h, with significant peaks between 11:00 and 18:00. Therefore, in July, Units SC-3, CC-4, and CC-5 will be started from 8:00 to 11:00, Units HP-1, HP-2, SC-3, CC-4, and CC-5 will be started from 11:00 to 18:00, Units SC-3, CC-4, and CC-5 will be started from 18:00 to 19:00, Units CC-4 and CC-5 will be started from 19:00 to 20:00.
In August, Load Interval 2 was active for 112 h, with hourly peaks at 08:00 and again between 19:00 and 20:00. Load Interval 3 recorded 191 h, peaking from 09:00 to 19:00. Therefore, in August, Units CC-4 and CC-5 will be started from 8:00 to 9:00, Units SC-3, CC-4, and CC-5 will be started from 9:00 to 19:00, Units CC-4 and CC-5 will be started from 19:00 to 20:00.
In September, Load Interval 2 reached its highest monthly utilization at 243 h, with a consistent hourly peak from 09:00 to 20:00. Load Interval 1 was also significant with 191 h, peaking at 08:00. Therefore, in September, Unit CC-4 will start from 8:00 to 9:00, Units CC-4 and CC-5 will be started from 9:00 to 20:00.
In October, the system mainly operated in Load Interval 1, with a total of 268 h. The hourly distribution was uniformly high throughout the day, indicating full-day operation between 08:00 and 20:00. Therefore, in September, Unit CC-4 will be started from 8:00 to 20:00.
These trends are closely related to seasonal thermal loads and occupancy behavior. During peak summer months, extended use of higher load intervals reflects increased cooling demand due to both higher ambient temperatures and longer facility operating hours. In contrast, transitional months like May and October show greater reliance on low-load operation intervals, suggesting milder external conditions and reduced internal load intensities.
In large sports centers, traditional fixed operation schedules cannot accommodate demand fluctuations caused by time changes due to the uncertainty of event dates. Therefore, a day-by-day control strategy has been proposed to enable flexible management during cooling and heating seasons. This strategy dynamically adjusts the start-up and shutdown of the heating and cooling source units to ensure comfort while saving energy. It provides a reference for operations and maintenance personnel at Xiaogan large sports center, allowing them to make corresponding adjustments to the start-up and shutdown of heating and cooling source units based on event dates. Through dynamic adaptation, the day-by-day control strategy achieves optimal alignment between HVAC resources and demand, offering an efficient management approach for modern large-scale sports centers.

4.2. Heating Source System Unit

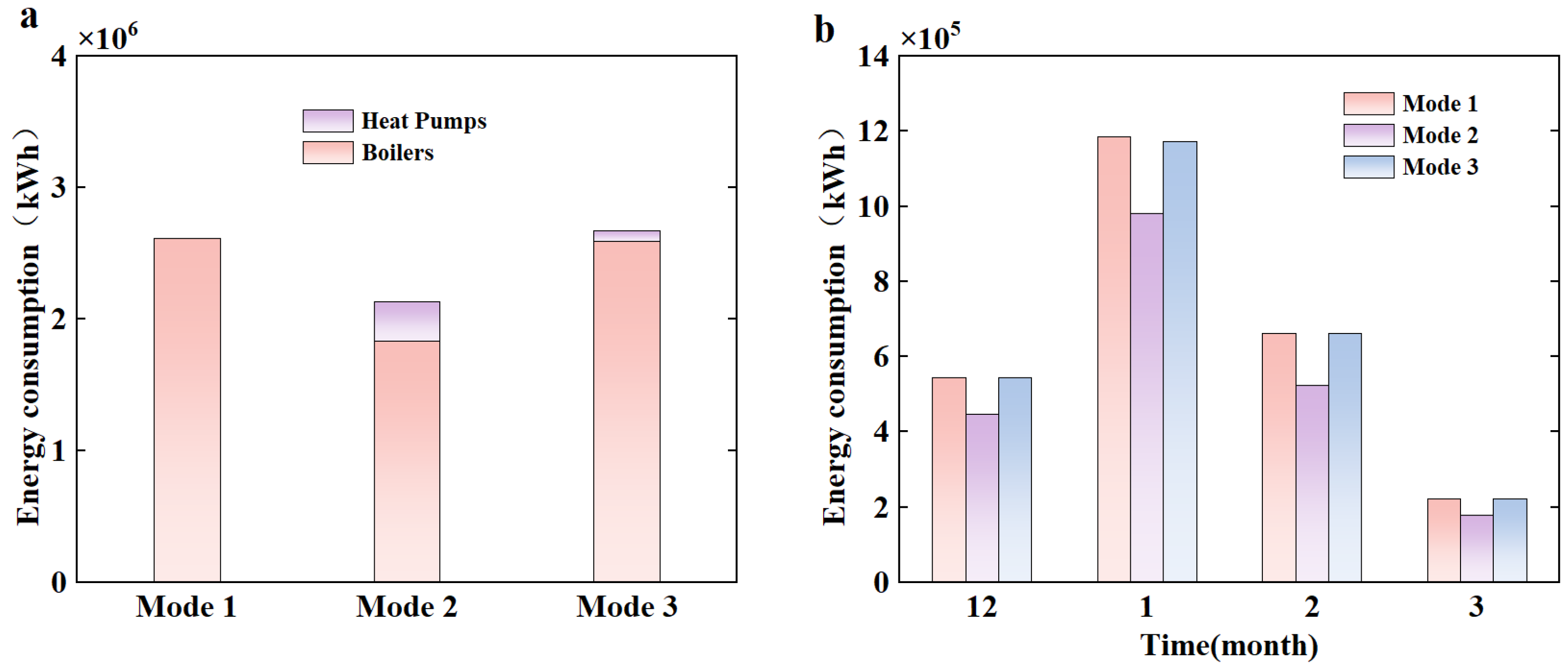
The results of system energy consumption of the heating system in different modes are shown in Figure 10. Mode 1, which relies solely on gas boilers, exhibits the highest total energy use at 2,612,813.21 kWh. Mode 2 integrates both gas boilers and air-source heat pumps. It achieves the lowest total energy consumption of 2,127,935.94 kWh, including 1,833,401.84 kWh from gas boilers and 294,434.10 kWh from heat pumps. Mode 3, where gas boilers are prioritized and heat pumps serve as supplementary units, results in 2,599,849.45 kWh total consumption, with 2,593,499.05 kWh from boilers and only 6350.40 kWh from heat pumps. Mode 2 demonstrates the most energy-efficient performance, achieving savings of approximately 484,877.27 kWh compared to Mode 1 and 47,191,351 kWh compared to Mode 3. This confirms the effectiveness of employing heat pumps as base-load units to reduce overall system energy use.
Further analysis of monthly trends indicates that Mode 2 consistently outperforms Modes 1 and 3 throughout the entire heating season. This reinforces its potential as an optimal energy-saving control strategy in large-scale public buildings.
Based on regional utility pricing provided by State Grid Hubei Electric Power Company for commercial users and the official natural gas tariff for non-residential pipeline users in Hubei Province, the operational cost results for the heating system under three control modes are summarized in Figure 11. Mode 1, which relies solely on gas boilers, yields a total operating cost of CNY ¥703,924.69. Mode 2, which utilizes air-source heat pumps as base-load units and gas boilers for peak-load support, achieves the lowest total cost of CNY ¥672,339.10, consisting of CNY ¥493,941.48 for gas and CNY ¥178,397.62 for electricity. Mode 3, prioritizing gas boilers with limited heat pump use, results in the highest cost at CNY ¥70,235.14, with CNY ¥702,354.14 for gas and only CNY ¥3632.93 for electricity. From an economic standpoint, Mode 2 demonstrates superior cost-efficiency, with a CNY ¥31,585.59 reduction compared to Mode 1 and a CNY ¥30,015.04 savings relative to Mode 3. This validates the benefit of allocating base-load heating to high-efficiency electric heat pumps, supported by lower-cost electricity during off-peak periods. Monthly analysis further confirms that Mode 2 maintains lower operating costs throughout the entire heating season, offering consistent economic advantages over the other two strategies.
In conclusion, Mode 2 presents both higher energy-saving potential and better economic performance, making it a compelling option for heating control optimization in large-scale public facilities. During the air conditioning season, it can save energy by 4.72%. The specific start–stop control logic for Mode 2 is summarized in Table 10.
For the heating season (Mode 2): the energy savings (18.6%) primarily stem from optimized energy grade utilization. Specifically, high-efficiency electrically driven heat pumps (COP~3.4) are prioritized for base load coverage, while primary energy (natural gas)-driven boilers (efficiency < 1.0) are reserved solely for peak shaving. This fundamentally shifts heating loads from inefficient energy conversion methods to more efficient ones, thereby reducing primary energy consumption at the system level.
Under the Mode 2 control strategy, simulation analysis was conducted to assess hourly operational intervals of the heating system at the Xiaogan Olympic Sports Center during the winter season. The results are summarized in Figure 12.
In December, the system operated two air-source heat pump units in combination with one 1050 kW and one 2100 kW gas boiler for a total of 233 h. Peak operation hours were observed throughout the entire day. Therefore, in December, Units HP-1, HP-2, GB-1 and GB-2 will be started from 8:00 to 20:00.
In January, full-load operation occurred under Interval 5—which includes two heat pumps, one 1050 kW boiler, and two 2100 kW boilers—for 170 h, with hourly peaks between 08:00 and 11:00. Additionally, the system operated under Interval 4 for 216 h, with peak hourly load between 11:00 and 20:00. Therefore, in January, Units HP-1, HP-2, GB-1, GB-2 and GB-3 will be started from 8:00 to 11:00, Units HP-1, HP-2, GB-1 and GB-2 will be started from 11:00 to 20:00.
In February, the same configuration as Interval 4 was active for 228 h, again with continuous operation throughout the day. Therefore, in February, Units HP-1, HP-2, GB-1 and GB-2 will be started from 8:00 to 20:00.
In March, the system operated under Interval 4 for 132 h, with peak hours concentrated in 08:00–10:00, 11:00–17:00, and 19:00–20:00. Additionally, Interval 3 operation—comprising two heat pumps and one 1050 kW gas boiler—occurred for 89 h, peaking from 10:00 to 11:00 and 17:00 to 19:00. Therefore, in March, Units HP-1, HP-2, GB-1 and GB-2 will be started from 8:00 to 10:00, Units HP-1,HP-2 and GB-1 will be started from 10:00 to 11:00, Units HP-1, HP-2, GB-1 and GB-2 will be started from 11:00 to 17:00, Units HP-1, HP-2 and GB-1 will be started from 17:00 to 19:00, Units HP-1, HP-2, GB-1 and GB-2 will be started from 19:00 to 20:00.
These results highlight the seasonal and hourly variability in heat load demand. The control strategy prioritizes heat pump operation for base loads and activates gas boilers in a cascading sequence to meet rising demand, thereby balancing energy efficiency with thermal reliability.

5. Discussion

It should be noted that this study primarily optimizes operational strategies from an energy system efficiency perspective, treating indoor thermal comfort requirements as fixed setpoint constraints. In practice, the dynamic distribution of occupants, activity intensity, and psychophysiological adaptation (such as the influence of psychophysiological regulation on thermal sensation, as characterized by the MSCF coefficient proposed by Turhan and Özbey [33]) in large venues pose greater challenges for load forecasting and fine-grained control. Integrating occupant behavior models with psychophysiological thermal comfort models into HVAC system optimization control—such as achieving multi-objective (energy efficiency-comfort) optimization through TRNSYS coupled with Python or MATLAB—represents a highly valuable future research direction.
Furthermore, the load curves employed in this study are based on typical operational schedules and do not fully account for the random variability in human behavior. Future research could generate more dynamic and precise behavioral load curves using data from smart sensors or agent-based simulations, thereby further enhancing the robustness of optimization strategies.
This research establishes a robust foundation for subsequent, more in-depth work. A direct extension involves utilizing the validated TRNSYS model as a ‘virtual laboratory’ for collaborative simulation with optimization algorithms (e.g., multi-objective genetic algorithms) in Python or MATLAB. This enables automated exploration of Pareto frontier solutions simultaneously optimizing energy consumption, costs, and thermal comfort, or developing Model Predictive Control (MPC) strategies integrating psychological adaptation coefficients (e.g., MSCF).
This simulation relies on typical load scenarios from the design phase and does not fully account for all extreme or random fluctuations in actual operation. Consequently, the model’s accuracy in predicting absolute energy consumption values is limited, with its core value lying in comparing strategies. Upon obtaining actual operational data in the future, the primary task will be to jointly calibrate and validate both the load model and the system model.

6. Conclusions

This study investigated the seasonal performance of an optimized group control strategy for a multi-source HVAC system in the Xiaogan Olympic Sports Center. Using TRNSYS-based simulation, three typical sequencing strategies for both cooling and heating seasons were evaluated in terms of system energy consumption, cost, and COP.
(1)
During the cooling season, two centrifugal chillers, one screw chiller, and two air-cooled heat pump units are activated sequentially based on unit COP from highest to lowest as terminal load increases (Mode B). This mode demonstrates superior economic efficiency compared to Modes A and C, achieving a system COP of 6.85 while exhibiting significant energy-saving potential.
(2)
During the heating season, air-source heat pumps are prioritized to handle the base load and operate continuously. When their heating capacity is insufficient, gas boilers are activated to supplement heating. The two subsystems operate in parallel (Mode 2). Compared to using only gas boilers for heating (Mode 1), this saves 484,977.27 kWh of energy and reduces costs by CNY ¥31,585.9. During the air conditioning season, it can save energy by 4.72%.
(3)
A day-by-day control strategy has been proposed to provide reference for the operation and maintenance personnel of the Xiaogan large-scale sports center.

Author Contributions

Conceptualization, J.Z., J.L. and X.X.; methodology, J.L.; software, W.Y.; investigation, C.X. and G.Y.; resources, C.X. and G.Y.; data curation, X.X., J.W. and J.H.; writing—original draft preparation, L.D.; writing—review and editing, W.Y.; supervision, W.Y., J.H. and J.W.; project administration, J.Z., X.X., C.X. and G.Y.; funding acquisition, J.L., J.W. and J.H. All authors have read and agreed to the published version of the manuscript.

Funding

This research received no external funding.

Data Availability Statement

The original contributions presented in this study are included in the article. Further inquiries can be directed to the corresponding author.

Acknowledgments

We would like to express our sincere gratitude to the engineers and technical staff at the Xiaogan Olympic Sports Center for providing system configuration data and operational insights.

Conflicts of Interest

Authors Jian Li, Jiangtao Wen, Jian Hong, Xiaolong Xie, Caizhi Xu and Gang Yang are employed by the China Construction Third Engineering Bureau First Engineering Co., Ltd. The remaining authors declare that the research was conducted in the absence of any commercial or financial relationships that could be construed as a potential conflict of interest.

Abbreviations

The following abbreviations are used in this manuscript:
C The specific heat, J/(kg·°C)
C a p a t i c y Chiller capacity, kg/h
C O P The ratio of rated heating capacity to effective input power
C O P n o m The nominal coefficient of performance of the chiller under current conditions
C O P r a t i o The COP of the chiller under current conditions divided by the rated COP
C p c h w The specific heat of chilled water, J/(kg·°C)
C p c w The specific heat of cooling water, J/(kg·°C)
F F L P The chiller part-load rate correction factor
h a , i n The enthalpy of air, kJ/kg.
h a , w , i The enthalpy of wet air at the location of the cooling circulating water inlet, kJ/kg
m a The mass flow rate of outdoor air, kg/s
m c h w The chilled water flow rate, L/s
m c w The cooling water flow rate, L/s
m _ f l u i d The liquid mass flow rate, kg/s
m L The instantaneous flow rate, L/s
m w , i The cooling water inlet flow rate, m3/h
m w , o The flow rate of water supply in the cooling circulating water of the air-conditioning system, m3/h
p _ f l u i d The pressure of the liquid, Pa
p The actual power consumption of the chiller unit, kW
P L R The specific part-loading rate of the chiller
Q The amount of heat dissipation that can be achieved by the cooling tower equipment, kW
Q l o a d The total cooling capacity, J
Q _ n e e d The energy required to raise the temperature of the liquid from the inlet value to the set value when the model is turned on, J
Q ˙ m e t The actual cooling capacity of the chiller unit, J
Q r e j e c t i o n The heat transferred from the chiller to the cooling water, J.
T c h w , i n The chilled water inlet temperature, °C
T c h w , o u t The chilled water outlet temperature, °C
T c w , i n The cooling water inlet temperature, °C
T c w , o u t The cooling water outlet temperature, °C
T H The return temperature, °C
T i n Inlet water temperature, °C
T G The supply temperature, °C
T r The cooling water reference temperature, °C
T s e t Set water temperature, °C
T w , i The cooling tower inlet water temperature, °C
T w , o The cooling tower water temperature, °C
ε a The efficiency of heat transfer of cooling water tower equipment.

References

  1. Simpeh, E.K.; Pillay, J.-P.G.; Ndihokubwayo, R.; Nalumu, D.J. Improving energy efficiency of HVAC systems in buildings: A review of best practices. Int. J. Build. Pathol. Adapt. 2022, 40, 165–182. [Google Scholar] [CrossRef]
  2. Bucarelli, N.; El-Gohary, N. Sensor deployment configurations for building energy consumption prediction. Energy Build. 2024, 308, 113888. [Google Scholar] [CrossRef]
  3. Rashid, L.B.; Musah, A.; Amoah, R.K. Technoeconomic Feasibility of Renewable Energy Systems for Sporting Stadiums. Int. J. Energy Res. 2025, 2025, 9701161. [Google Scholar] [CrossRef]
  4. Fan, Z.; Liu, M.; Tang, S.; Zong, X. Multi-objective optimization for gymnasium layout in early design stage: Based on genetic algorithm and neural network. Build. Environ. 2024, 258, 111577. [Google Scholar] [CrossRef]
  5. Junaid, M.; Rasheed, M.F.; Goudarzi, K.; Tariq, A. Advancing customer experience through service design in mega shopping malls. Int. J. Retail. Distrib. Manag. 2024, 52, 89–106. [Google Scholar] [CrossRef]
  6. Rong-yi, C.; Shi-lin, D. Design of exhibition hall steel roof at Guangzhou international convention & exhibition center. Spat. Struct. 2024, 8, 29–34. [Google Scholar]
  7. Zhang, W.; Li, L.; Li, Y. Natural Ventilation and Energy Consumption Research for Dry Sports Halls Within National Fitness Centers in Cold Regions—Case Study of Qingdao. Buildings 2025, 15, 734. [Google Scholar] [CrossRef]
  8. Toyo Diaz, A.; Sajjadian, S.M. Simulation-based evaluation of low carbon design strategies for extreme climates. Intell. Build. Int. 2023, 15, 191–204. [Google Scholar] [CrossRef]
  9. Moreau, D.; Wiebels, K.; Boettiger, C. Containers for computational reproducibility. Nat. Rev. Methods Primers 2023, 3, 50. [Google Scholar] [CrossRef]
  10. Calise, F.; Cappiello, F.; Cimmino, L.; Vicidomini, M. Semi-stationary and dynamic simulation models: A critical comparison of the energy and economic savings for the energy refurbishment of buildings. Energy 2024, 300, 131618. [Google Scholar] [CrossRef]
  11. Nacht, T.; Pratter, R.; Ganglbauer, J.; Schibline, A.; Aguayo, A.; Fragkos, P.; Zisarou, E. Modeling Approaches for Residential Energy Consumption: A Literature Review. Climate 2023, 11, 184. [Google Scholar] [CrossRef]
  12. Vera, A.P.R.; Cortella, G.; D’Agaro, P. Simplified and Fully Detailed Dynamic Building Energy Simulation Tools Compared to Monitored Data for a Single-Family NZEB House. Build. Simul. Appl. (BSA) 2025, 7, 032004. [Google Scholar]
  13. Shahcheraghian, A.; Madani, H.; Ilinca, A. From white to black-box models: A review of simulation tools for building energy management and their application in consulting practices. Energies 2024, 17, 376. [Google Scholar] [CrossRef]
  14. Cai, Y. Simulation-and Experiment-Based Setpoint Control for Heating, Ventilation, and Air-Conditioning Systems: A Single-and Multi-Objective Optimization Problem. Ph.D. Thesis, Massachusetts Institute of Technology, Cambridge, MA, USA, 2022. [Google Scholar]
  15. Gil Lerchundi, A. Data Analysis and Machine Learning Approaches for Time Series Pre-and Post-Processing Pipelines. Ph.D. Thesis, University of the Basque Country, Biscay, Spain, 2022. [Google Scholar]
  16. Franco, A.; Miserocchi, L.; Testi, D. Energy intensity reduction in large-scale non-residential buildings by dynamic control of hvac with heat pumps. Energies 2021, 14, 3878. [Google Scholar] [CrossRef]
  17. Mahon, C.; Mediboyina, M.K.; Gartland, D.; Murphy, F. Life cycle assessment of Irish district heating systems: A comparison of waste heat pump, biomass-based and conventional gas boiler. Clean Technol. Environ. Policy 2022, 24, 1437–1451. [Google Scholar] [CrossRef]
  18. Chi, M.; Guo, Y.; Yu, K.; Zhang, C.; Gao, Y.; Lu, J. The HVAC model predictive control of building thermal dynamic characteristics. Therm. Sci. 2023, 27, 1007–1014. [Google Scholar] [CrossRef]
  19. Wang, Z.; Zhao, Y.; Zhang, C.; Ma, P.; Liu, X. A general multi agent-based distributed framework for optimal control of building HVAC systems. J. Build. Eng. 2022, 52, 104498. [Google Scholar] [CrossRef]
  20. Miao, Y.; Yao, Y.; Hong, X.; Xiong, L.; Zhang, F.; Chen, W. Research on optimal control of HVAC system using swarm intelligence algorithms. Build. Environ. 2023, 241, 110467. [Google Scholar] [CrossRef]
  21. Fu, Q.; Chen, X.; Ma, S.; Fang, N.; Xing, B.; Chen, J. Optimal control method of HVAC based on multi-agent deep reinforcement learning. Energy Build. 2022, 270, 112284. [Google Scholar] [CrossRef]
  22. Olympios, A.V.; Justo Alonso, M.; Pantaleo, A.M. Heat pumps in Europe: Perspectives and innovation challenges. Prog. Energy 2025, 7, 032004. [Google Scholar] [CrossRef]
  23. Wang, G.; Ghoddousi, S.; Ding, L.; Song, L. Investigation of different cooling tower fan control strategies using COP of actual chillers and calibrated models of actual cooling towers and fans. Energy Build. 2022, 277, 112585. [Google Scholar] [CrossRef]
  24. Jurjevic, R.; Zakula, T. Demand response in buildings: A comprehensive overview of current trends, approaches, and strategies. Buildings 2023, 13, 2663. [Google Scholar] [CrossRef]
  25. Roka, R.; Figueiredo, A.; Vieira, A.; Cardoso, C. A systematic review of sensitivity analysis in building energy modeling: Key factors influencing building thermal energy performance. Energies 2025, 18, 2375. [Google Scholar] [CrossRef]
  26. Pani, N.K.K.; Bai, L.; Xue, Y.; Cheng, L. Coordinated Optimal Control of PV Inverters and HVAC Loads in Distribution Systems. In Proceedings of the 2020 52nd North American Power Symposium (NAPS), Tempe, AZ, USA, 11 April 2021; pp. 1–6. [Google Scholar]
  27. Lin, X.; Guo, Q.; Yuan, D.; Gao, M. Bayesian optimization framework for HVAC system control. Buildings 2023, 13, 314. [Google Scholar] [CrossRef]
  28. Li, J.; Wang, M.; Fang, P.; Zhao, Q.; Zheng, X.; Gao, H. Modeling and optimization of a passive building HVAC system based on improved PSO and HJ Algorithm. Energy Rep. 2024, 11, 2415–2438. [Google Scholar] [CrossRef]
  29. Sepehri, A.; Pavlak, G.S. Evaluating optimal control of active insulation and HVAC systems in residential buildings. Energy Build. 2023, 281, 112728. [Google Scholar] [CrossRef]
  30. Liu, L.; Xu, D.; Lam, C.-S. Two-layer management of HVAC-based Multi-energy buildings under proactive demand response of Fast/Slow-charging EVs. Energy Convers. Manag. 2023, 289, 117208. [Google Scholar] [CrossRef]
  31. Wang, H.; Wang, S. A hierarchical optimal control strategy for continuous demand response of building HVAC systems to provide frequency regulation service to smart power grids. Energy 2021, 230, 120741. [Google Scholar] [CrossRef]
  32. GB 50736-2012; Design Code for Heating Ventilation and Air Conditioning of Civil Buildings. Chinese Standard: Beijing, China, 2012.
  33. Turhan, C.; Özbey, M.F.; Çeter, A.E.; Akkurt, G.G. A novel data-driven model for the effect of mood state on thermal sensation. Buildings 2023, 13, 1662. [Google Scholar] [CrossRef]
Figure 1. Functional Layout and Zoning of Xiaogan Olympic Sports Center.
Figure 1. Functional Layout and Zoning of Xiaogan Olympic Sports Center.
Buildings 15 04301 g001
Figure 2. The hourly HVAC load for the sports center throughout the year.
Figure 2. The hourly HVAC load for the sports center throughout the year.
Buildings 15 04301 g002
Figure 3. Cooling source unit start-stop sequence diagram.
Figure 3. Cooling source unit start-stop sequence diagram.
Buildings 15 04301 g003
Figure 4. Heating Source Unit Sequencing Diagram.
Figure 4. Heating Source Unit Sequencing Diagram.
Buildings 15 04301 g004
Figure 5. TRNSYS Model of the Xiaogan Olympic Sports Center heating and cooling source system.
Figure 5. TRNSYS Model of the Xiaogan Olympic Sports Center heating and cooling source system.
Buildings 15 04301 g005
Figure 6. Verification of Inlet and Outlet Water Temperatures on the Load Side of Water-Source Heat Pump Units.
Figure 6. Verification of Inlet and Outlet Water Temperatures on the Load Side of Water-Source Heat Pump Units.
Buildings 15 04301 g006
Figure 7. Monthly refrigeration systems: (a) Energy consumption; (b) COP.
Figure 7. Monthly refrigeration systems: (a) Energy consumption; (b) COP.
Buildings 15 04301 g007
Figure 8. Refrigeration systems: (a) Total energy consumption; (b) COP.
Figure 8. Refrigeration systems: (a) Total energy consumption; (b) COP.
Buildings 15 04301 g008
Figure 9. Number of hours in the interval: (a) May; (b) June; (c) July; (d) August; (e) September; (f) October.
Figure 9. Number of hours in the interval: (a) May; (b) June; (c) July; (d) August; (e) September; (f) October.
Buildings 15 04301 g009
Figure 10. Heating system energy consumption: (a) Total energy consumption; (b) Monthly energy consumption.
Figure 10. Heating system energy consumption: (a) Total energy consumption; (b) Monthly energy consumption.
Buildings 15 04301 g010
Figure 11. Heating system: (a) Total cost; (b) Monthly cost.
Figure 11. Heating system: (a) Total cost; (b) Monthly cost.
Buildings 15 04301 g011
Figure 12. Line graphs of time-point data for monthly intervals: (a) December; (b) January; (c) February; (d) March.
Figure 12. Line graphs of time-point data for monthly intervals: (a) December; (b) January; (c) February; (d) March.
Buildings 15 04301 g012
Table 1. The cooling and heating load table for the sports center.
Table 1. The cooling and heating load table for the sports center.
ZoneAir-Conditioned Area (m2)Cooling Load Index (W/m2)Heating Load Index (W/m2)Cooling Load (kW)Heating Load (kW)
Gymnasium26,95018111448703065
Swimming Hall12,73819113924361768
Total39,68818412273064833
Table 2. Specifications of chiller units.
Table 2. Specifications of chiller units.
Equipment TypeRated Cooling Capacity (kW)COPChilled Water Supply/Return (°C)Cooling Water Supply/Return (°C)
Variable-Speed Centrifugal Chiller24625.856/1232/38
Variable-Speed Screw Chiller14705.656/1232/38
Table 3. Specifications of four-pipe air-cooled heat pump units.
Table 3. Specifications of four-pipe air-cooled heat pump units.
Rated Cooling Capacity (kW)Rated Heating Capacity (kW)COPChilled Water Supply/Return (°C)Hot Water Supply/Return (°C)
5246593.46/1245/40
Table 4. Specifications of circulating pumps.
Table 4. Specifications of circulating pumps.
Pump NameFlow Rate (m3/h)Head (mH2O)Efficiency (%)Power (kW)Quantity
Cooling Water Pump 14552885.5453
Cooling Water Pump 22612885.1301
Chilled Water Pump 13623482.6453
Chilled Water Pump 22153481.2301
Chilled Water Pump 3843475.0152
Hot Water Pump 11992482.2222
Hot Water Pump 2992477.0112
Hot Water Pump 31252779.0152
Table 5. Specifications of cooling towers.
Table 5. Specifications of cooling towers.
Cooling Water Flow (m3/h)Fan Airflow (m3/h)Fan Power (kW)Sump Volume (m3)Quantity
450270,000223.54
Table 6. Specifications of gas-fired vacuum hot water boilers.
Table 6. Specifications of gas-fired vacuum hot water boilers.
Total Capacity (kW)Output Capacity (kW)Efficiency (%)Supply/Return Water Temp (°C)Service Application
280021009450/60Space heating (HVAC)
14009360/75Pool water heating
140010509450/60Space heating (HVAC)
7009360/75Pool water heating
Table 7. The equipment numbering table of the air-conditioning cooling source system.
Table 7. The equipment numbering table of the air-conditioning cooling source system.
Unit No.Equipment TypeRated Cooling Capacity (kW)
HP-1Four-control screw-type air-cooled heat pump unit524
HP-2Four-control screw-type air-cooled heat pump unit524
SC-3Variable-speed screw chiller1470
CC-4Variable-speed centrifugal chiller2462
CC-5Variable-speed centrifugal chiller2462
Table 8. List of equipment numbers for air-conditioning heat source systems.
Table 8. List of equipment numbers for air-conditioning heat source systems.
Unit No.Equipment NameRated Heating Capacity (kW)
HP-1Four-control screw-type air-cooled heat pump unit659
HP-2Four-control screw-type air-cooled heat pump unit659
GB-1Double-circuit low Nitrogen gas vacuum boiler1050
GB-2Double-circuit low Nitrogen gas vacuum boiler2100
GB-3Double-circuit low Nitrogen gas vacuum boiler2100
Table 9. Start-Stop Control Strategy of Air Conditioning Chillers under Mode B.
Table 9. Start-Stop Control Strategy of Air Conditioning Chillers under Mode B.
Terminal Cooling Load (kW)HP-1HP-2SC-3CC-4CC-5
369.3 < LOAD ≤ 2215.8
2215.8 < LOAD ≤ 4431.6
4431.6 < LOAD ≤ 5754.6
5754.6 < LOAD ≤ 6226.2
LOAD > 6226.2
Table 10. Mode 2 air-conditioning heat source unit start-up and shutdown table.
Table 10. Mode 2 air-conditioning heat source unit start-up and shutdown table.
Terminal Heating LoadHP-1HP-2GB-1GB-2GB-3
82.4 kW < LOAD ≤ 593.1 kW
593.1 kW < LOAD ≤ 1186.2 kW
1186.2 kW < LOAD ≤ 2131.2 kW
2131.2 kW < LOAD ≤ 4021.2 kW
LOAD > 4021.2 kW
Disclaimer/Publisher’s Note: The statements, opinions and data contained in all publications are solely those of the individual author(s) and contributor(s) and not of MDPI and/or the editor(s). MDPI and/or the editor(s) disclaim responsibility for any injury to people or property resulting from any ideas, methods, instructions or products referred to in the content.

Share and Cite

MDPI and ACS Style

Li, J.; Dong, L.; Wen, J.; Hong, J.; Xie, X.; Xu, C.; Yang, G.; Zhou, J.; Yang, W. A Case Study of Operating Strategy Analysis of Heating and Cooling Source Units for a Large Sports Center. Buildings 2025, 15, 4301. https://doi.org/10.3390/buildings15234301

AMA Style

Li J, Dong L, Wen J, Hong J, Xie X, Xu C, Yang G, Zhou J, Yang W. A Case Study of Operating Strategy Analysis of Heating and Cooling Source Units for a Large Sports Center. Buildings. 2025; 15(23):4301. https://doi.org/10.3390/buildings15234301

Chicago/Turabian Style

Li, Jian, Licong Dong, Jiangtao Wen, Jian Hong, Xiaolong Xie, Caizhi Xu, Gang Yang, Junli Zhou, and Wei Yang. 2025. "A Case Study of Operating Strategy Analysis of Heating and Cooling Source Units for a Large Sports Center" Buildings 15, no. 23: 4301. https://doi.org/10.3390/buildings15234301

APA Style

Li, J., Dong, L., Wen, J., Hong, J., Xie, X., Xu, C., Yang, G., Zhou, J., & Yang, W. (2025). A Case Study of Operating Strategy Analysis of Heating and Cooling Source Units for a Large Sports Center. Buildings, 15(23), 4301. https://doi.org/10.3390/buildings15234301

Note that from the first issue of 2016, this journal uses article numbers instead of page numbers. See further details here.

Article Metrics

Back to TopTop