Golomb–Rice Coder-Based Hybrid Electrocardiogram Compression System †
Abstract
:1. Introduction
2. Literature Survey
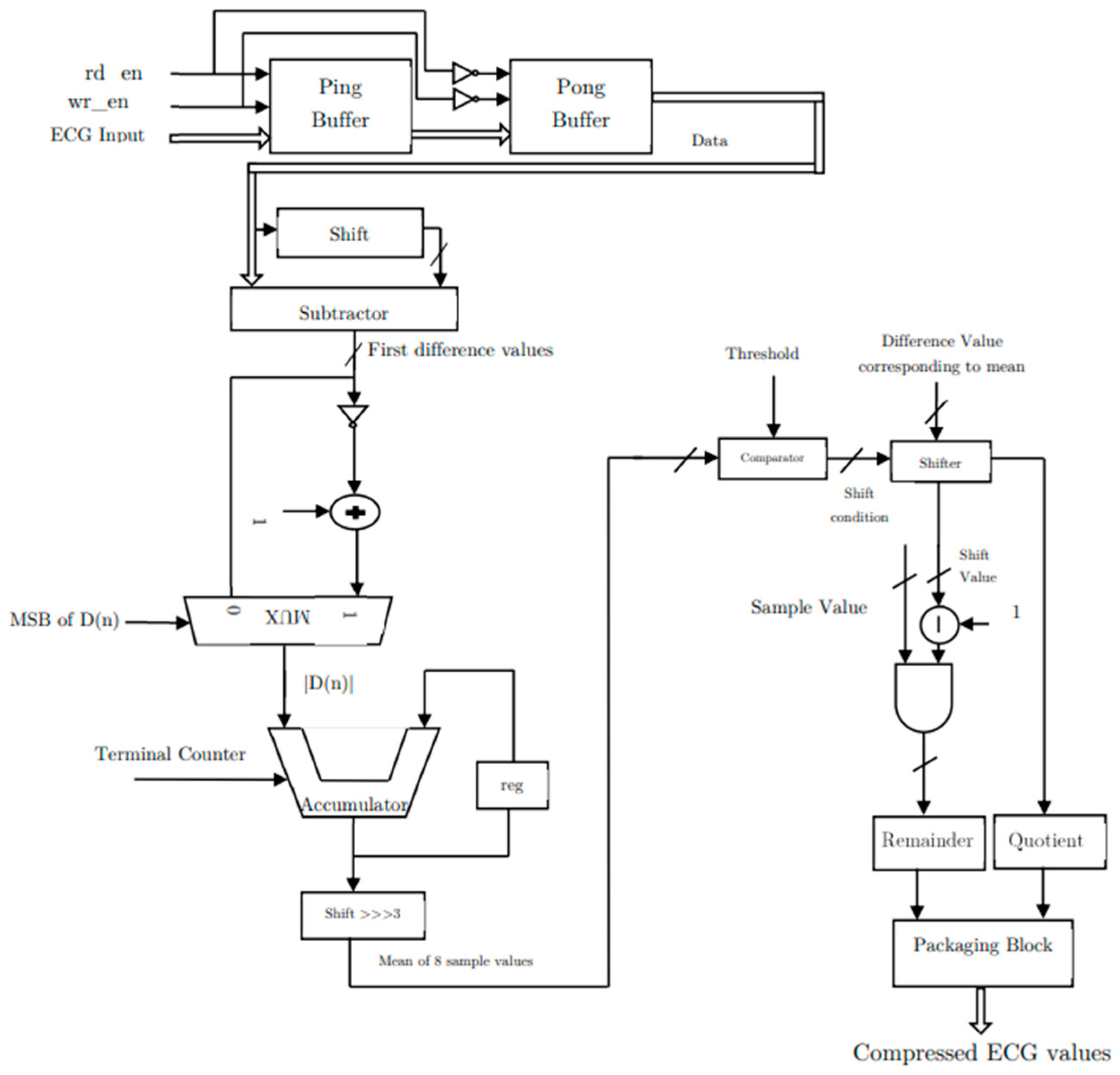
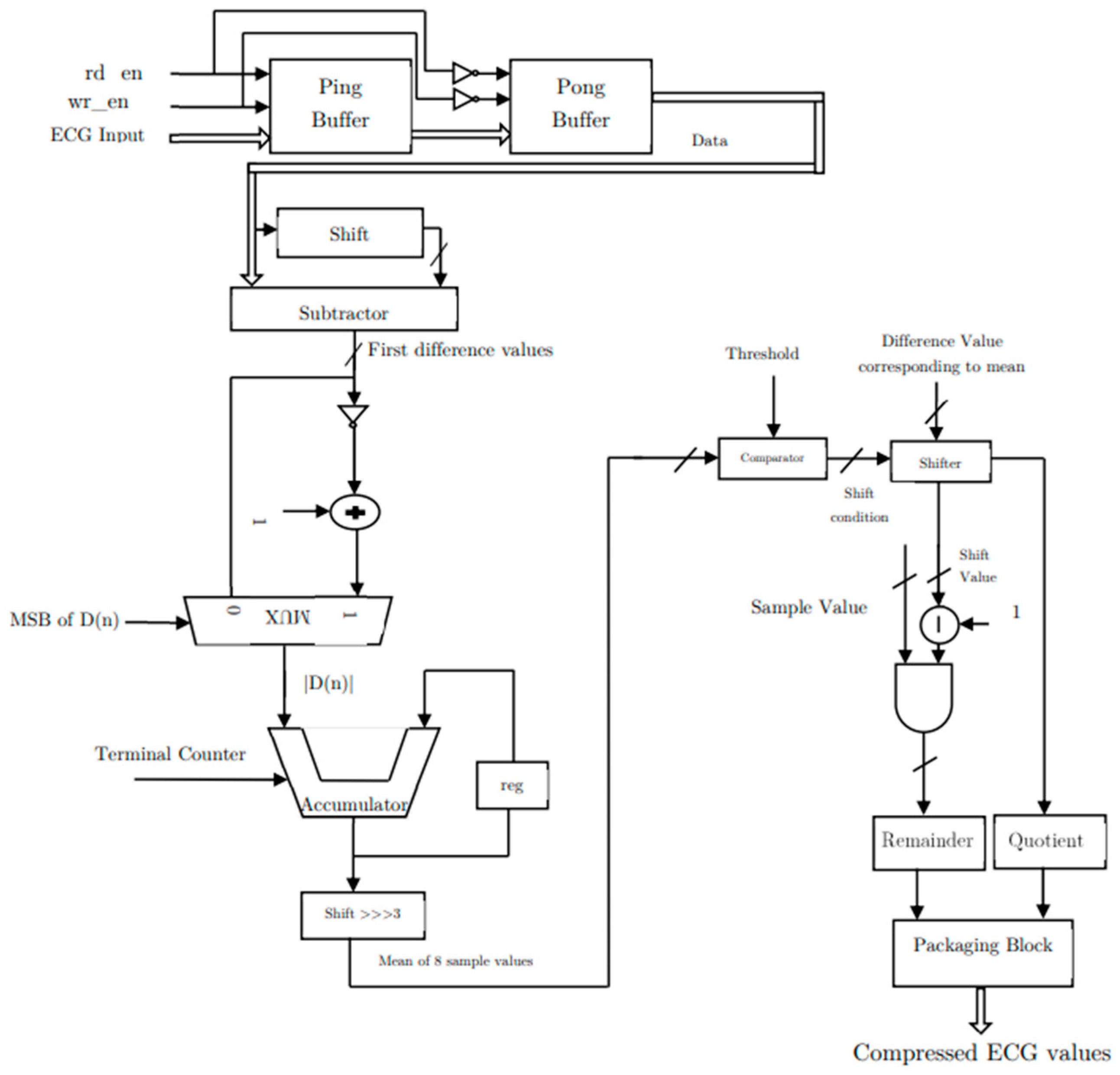
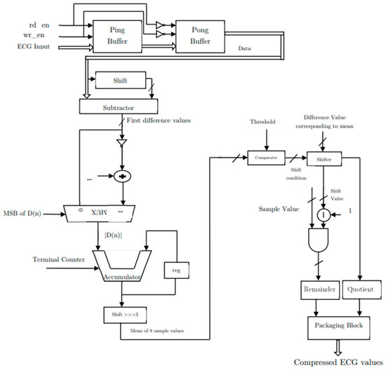
3. Methodology
4. Results
5. Conclusions and Future Scope
Author Contributions
Funding
Institutional Review Board Statement
Informed Consent Statement
Data Availability Statement
Conflicts of Interest
References
- WebCite Query Result. webcitation.org. Available online: https://webcitation.org/73HUXmOKl (accessed on 25 October 2023).
- Dargie, W.; Poellabauer, C. Fundamentals of Wireless Sensor Networks: Theory and Practice; Wiley: Berlin, Germany, 2010; p. 311. [Google Scholar]
- King, P.H. Wearable Sensors: Fundamentals, Implementation and Applications. IEEE Pulse 2021, 12, 30–31. [Google Scholar] [CrossRef]
- Li, R.; Wang, L.; Yin, L. Materials and Devices for Biodegradable and Soft Biomedical Electronics. Materials 2018, 11, 2108. [Google Scholar] [CrossRef] [PubMed]
- World Health Statistics. Monitoring Health for the SDGs, Sustainable Development Goals. 2022. Available online: https://www.who.int/publications/i/item/9789240051157 (accessed on 16 May 2023).
- Alam, M.S.; Rahim, N.M.S. Compression of ECG signal based on its deviation from a reference signal using discrete cosine transform. In Proceedings of the ICECE (2008)–5th International Conference on Electrical and Computer Engineering, Dhaka, Bangladesh, 20–22 December 2008; pp. 53–58. [Google Scholar] [CrossRef]
- Nasimi, F.; Khayyambashi, M.R.; Movahhedinia, N.; Law, Y.W. Exploiting similar prior knowledge for compressing ECG signals. Biomed. Signal Process. Control 2020, 60, 101960. [Google Scholar] [CrossRef]
- Zou, Y.; Han, J.; Xuan, S.; Huang, S.; Weng, X.; Fang, D.; Zeng, X. An energy-efficient design for ECG recording and R-peak detection based on wavelet transform. IEEE Trans. Circuits Syst. II Express Briefs 2015, 62, 119–123. [Google Scholar] [CrossRef]
- Deepu, C.J.; Zhang, X.; Liew, W.S.; Wong, D.L.T.; Lian, Y. An ECG-SoC with 535nW/channel lossless data compression for wearable sensors. In Proceedings of the 2013 IEEE Asian Solid-State Circuits Conference, A-SSCC 2013, Singapore, 11–13 November 2013; pp. 145–148. [Google Scholar] [CrossRef]
- Tsai, T.H.; Kuo, W.T. An Efficient ECG Lossless Compression System for Embedded Platforms with Telemedicine Applications. IEEE Access 2018, 6, 42207–42215. [Google Scholar] [CrossRef]
- Chen, S.-L.; Villaverde, J.F.; Lee, H.-Y.; Chung, D.W.-Y.; Lin, T.-L.; Tseng, C.-H.; Lo, K.-A. A Power-Efficient Mixed-Signal Smart ADC Design With Adaptive Resolution and Variable Sampling Rate for Low-Power Applications. IEEE Sens. J. 2017, 17, 3461–3469. [Google Scholar] [CrossRef]
- Deepu, C.J.; Heng, C.-H.; Lian, Y. A Hybrid Data Compression Scheme for Power Reduction in Wireless Sensors for IoT. IEEE Trans. Biomed. Circuits Syst. 2017, 11, 245–254. [Google Scholar] [CrossRef] [PubMed]
- Deepu, C.J.; Zhang, X.; Heng, C.H.; Lian, Y. A 3-Lead ECG-on-Chip with QRS Detection and Lossless Compression for Wireless Sensors. IEEE Trans. Circuits Syst. II Express Briefs 2016, 63, 1151–1155. [Google Scholar] [CrossRef]
- Ieong, C.-I.; Li, M.; Law, M.-K.; Mak, P.-I.; Vai, M.I.; Martins, R.P. A 0.45 V 147–375 nW ECG Compression Processor With Wavelet Shrinkage and Adaptive Temporal Decimation Architectures. IEEE Trans. Very Large Scale Integr. (VLSI) Syst. 2017, 25, 1307–1319. [Google Scholar] [CrossRef]
- Tsai, T.-H.; Hussain, M.A. VLSI Implementation of Lossless ECG Compression Algorithm for Low Power Devices. IEEE Trans. Circuits Syst. II Express Briefs 2020, 67, 3317–3321. [Google Scholar] [CrossRef]



| Metric | Value | 
|---|---|
| Board used | 
 | 
| Mean CR | 2.89 | 
| Highest CR | 3.6 | 
| Lookup tables used | 408 | 
| Flip flops used | 51 | 
| Power (logical, I/0) | 0.2 W, 2.7 W | 
| Delay | 7.2 microseconds | 
| Disclaimer/Publisher’s Note: The statements, opinions and data contained in all publications are solely those of the individual author(s) and contributor(s) and not of MDPI and/or the editor(s). MDPI and/or the editor(s) disclaim responsibility for any injury to people or property resulting from any ideas, methods, instructions or products referred to in the content. | 
© 2023 by the authors. Licensee MDPI, Basel, Switzerland. This article is an open access article distributed under the terms and conditions of the Creative Commons Attribution (CC BY) license (https://creativecommons.org/licenses/by/4.0/).
Share and Cite
Himalyan, S.; Gupta, V. Golomb–Rice Coder-Based Hybrid Electrocardiogram Compression System. Eng. Proc. 2023, 58, 10. https://doi.org/10.3390/ecsa-10-16209
Himalyan S, Gupta V. Golomb–Rice Coder-Based Hybrid Electrocardiogram Compression System. Engineering Proceedings. 2023; 58(1):10. https://doi.org/10.3390/ecsa-10-16209
Chicago/Turabian StyleHimalyan, Sachin, and Vrinda Gupta. 2023. "Golomb–Rice Coder-Based Hybrid Electrocardiogram Compression System" Engineering Proceedings 58, no. 1: 10. https://doi.org/10.3390/ecsa-10-16209
APA StyleHimalyan, S., & Gupta, V. (2023). Golomb–Rice Coder-Based Hybrid Electrocardiogram Compression System. Engineering Proceedings, 58(1), 10. https://doi.org/10.3390/ecsa-10-16209
 
        


 
       