Abstract
This study investigates the feasibility of using volcanic lapillus as a supplementary cementitious material (SCM) in mortar production to improve the sustainability of the cement industry. Cement production is one of the main sources of CO2 emissions, mainly due to clinker production. Replacing clinker with SCMs, such as volcanic lapillus, can reduce the environmental impact while maintaining adequate mechanical properties. Experiments were conducted to replace up to 20 wt% of limestone Portland cement with volcanic lapillus. Workability, compressive strength, microstructure, resistance to alkali-silica reaction (ASR), sulfate, and chloride penetration were analyzed. The results showed that up to 10% replacement had a minimal effect on mechanical properties, while higher percentages resulted in reduced strength but still improved some durability features. The control sample cured 28 days showed a compressive strength of 43.05 MPa compared with 36.89 MPa for the sample containing 10% lapillus. After 90 days the respective values for the above samples were 44.76 MPa and 44.57 MPa. Scanning electron microscopy (SEM) revealed good gel–aggregate adhesion, and thermogravimetric analysis (TGA) confirmed reduced calcium hydroxide content, indicating pozzolanic activity. Overall, volcanic lapillus shows promise as a sustainable SCM, offering CO2 reduction and durability benefits, although higher replacement rates require further optimization.
1. Introduction
Sustainability in the cement supply chain is critical as cement is one of the most widely used construction materials, with global production exceeding 4 billion tons per year [1,2]. Cement manufacturing is also a major contributor to CO2 emissions, accounting for 5–9% of global greenhouse gas emissions [3,4,5]. Clinker, the main component of cement, is produced through energy-intensive calcination of limestone at over 1400 °C. Key environmental concerns include CO2 emissions, high energy use, and depletion of natural resources due to raw material extraction (limestone, clay, and gypsum), which causes soil erosion and biodiversity loss. To reduce these impacts, researchers have focused on improving cement sustainability. Key strategies include using alternative binders and replacing clinker with supplementary cementitious materials (SCMs) [6,7,8], often industrial by-products or natural materials that lower CO2 emissions and enhance cement properties. Fly ash, a by-product of coal combustion, is a widely studied SCM. Due to its chemical composition, it improves durability and reduces permeability. In 2023, fly ash and other by-products like slag were used to develop low-carbon concrete with enhanced durability and strength [9]. Fly ash has also proven effective in 3D-printed concrete, especially when combined with waste glass, supporting recycling and innovative techniques [10]. Seawater mixed with fly ash mortars improved compressive strength, pH, and reduced chlorides [11]. Other studies found that less fly ash can increase compressive strength when combined with calcium sulfur aluminate [12]. However, the global decline in coal use poses challenges for future fly ash availability. Blast furnace slag, a steel industry by-product, is another viable SCM [13]. Siddique and Bennacer [14] found that granular and ground slag accelerates hydration, improves workability, and increases resistance to sulfates and chlorides, although it can lengthen setting time and reduce consistency. Majhi et al. [15] used recycled aggregates and slag to create sustainable concrete with better long-term performance. Sharmila and Dhinakaran [16] observed that ground ultrafine slag enhanced compressive strength and durability. Escalante-Garcia et al. [17] reported that supersulfated slag cements activated with sulfates and alkalis reduced CO2 emissions by 79% and costs by 71% versus Portland cement.
Natural and industrial pozzolans have also shown promise. Mohsen et al. [18] reported improved workability, mechanical strength, material densification after long curing periods, and water resistance with fly ash and natural pozzolan blends. Frias et al. [19] demonstrated that coal mine waste offers pozzolanic performance comparable to silica fume and bamboo leaf ash and that adding 20% of this waste induces more compact microstructures with a greater abundance of thin layers of calcium aluminates, portlandite, smaller amounts of porous CSH, and clusters of ettringite. Saccani et al. [20] used vitrified bottom ash to reduce porosity and permeability to chlorides and sulfates and improve mechanical strength, while Bignozzi et al. [21] highlighted the importance of monitoring specific oxides in glass waste to prevent harmful reactions. Zito et al. [22] found ceramic construction waste can stimulate hydration and match conventional concrete strength at 28 days. Volcanic ash, according to Presa et al. [23] and Sanjuán et al. [24], performed excellently as a pozzolanic raw material. Pumice rock incorporation also has good performances and reduced CO2 emissions [25,26].
Artificial pozzolans like metakaolin and calcined clays are also widely studied. Qin et al. [27] showed that calcined zeolite improves fluidity, while montmorillonite enhances strength. Wu et al. [28] improved sepiolite’s activity through calcination, although its addition reduced rheological performance and compressive strength. Kuo et al. [29] demonstrated that small amounts (<1%) of organically modified montmorillonite improved strength and reduced permeability.
Among low-clinker cements, calcined clay–limestone blends (LC3) show great promise. Their pozzolanic reactions form dense microstructures, improving strength and cutting CO2 emissions by up to 40% [30]. Avet and Scrivener [31] noted that in LC3-50 mixes with high calcined kaolinite, hydration slows after 3 days due to reduced pore availability, while metakaolin continues reacting. Barbhuiya et al. [32] and Sharma et al. [33] confirmed LC3’s environmental and durability advantages but underlined that further research is needed. Muzenda et al. [34] showed that calcined clay, thanks to its high specific surface area and layered structure, increases plastic viscosity, yield strength, initial thixotropy, and cohesion, as well as reducing harmonic distortion, while limestone tends to slightly reduce these parameters, helping to modulate the workability of LC3. Blasi et al. [35] confirmed that low-quality kaolinitic clays and Swiss limestone can produce compliant, durable CEM II/CM (Q-LL) cements.
Despite this progress, volcanic lapillus as an SCM remains underexplored. Lapillus, a porous rock formed in explosive eruptions, has natural pozzolanic properties that enhance mechanical strength, durability, and long-term performance. It reacts with calcium hydroxide to form additional binding phases, improving microstructure [36].
Al-Swaidani and Khwies [37] classify lapillus and pumice as natural pozzolans, noting their historical use. The continued interest in lapillus is closely tied to its mineralogical composition. As reported by Bilardi et al. [38], lapillus typically contains around 47% silica along with various metal oxides, which contribute to pozzolanic reactivity and influence the physical and chemical characteristics of cement-based systems. Barbieri et al. [39] found that lapillus’ crystalline nature affects hydration kinetics, strength development, and permeability reduction differently from amorphous pumice. Its environmental benefits include partial OPC replacement, reducing CO2 emissions. Kupwade-Patil et al. [40] showed volcanic ash enhances hydration and reduces impact. The environmental appeal of lapillus is further reinforced by its alignment with modern eco-conscious building strategies. Fernea et al. [41] emphasized its insulating and fire-resistant property attributes that are increasingly relevant in sustainable architectural design. Al-Swaidani [42] confirmed its positive effects on durability and water resistance when lapillus is utilized as an additive.
This work originates from a collaboration with a company specialized in the production of volcanic aggregates, including volcanic lapillus. The extraction and processing of these raw materials generate a significant amount of fine-grained waste (particles smaller than 3 mm), which holds limited commercial value. If not sold or reused for quarry rehabilitation purposes, these by-products result in additional operational costs due to transportation and storage in authorized quarry areas, which also involve the payment of regional fees. Currently, more than 350,000 m3 of unsold volcanic residues (not limited to lapillus) are accumulating, with management costs exceeding EUR 2.50 per cubic meter. In this context, research into the recycling of volcanic lapillus is of considerable interest to both aggregate producers and the global cement industry. The aim of this study is to evaluate the technical and environmental feasibility of partially replacing Portland limestone cement with 5–20 wt% of ground volcanic lapillus in mortar formulations. The investigation focuses on the effects of lapillus addition on workability, compressive strength, microstructure, and durability performance. The results show that up to 10% replacement leads to comparable mechanical strength at extended curing times (90 days), while also improving durability features such as sulfate resistance, mitigation of alkali–silica reaction (ASR), and reduction in calcium hydroxide content, indicating pozzolanic activity. Overall, the study demonstrates the potential of volcanic lapillus waste as a supplementary cementitious material (SCM) and supports its valorization within a circular economy approach, contributing to more sustainable resource management and CO2 emission reduction in the construction sector.
2. Results
2.1. Spreading Test
The spreading test was performed on all samples under study. The values in Figure 1 represent the averages of the results obtained for each sample, with each test run four times.
Figure 1.
Spreading test performed on samples.
The measure of spreading, linked to workability, decreases gradually as the percentage of lapillus increases.
2.2. Bulk and True Density
The geometric or bulk density was calculated a few minutes after casting the samples in the mold and 28 days of curing. This measurement was performed because lapillus, being less dense than cement, should contribute to the lightening of the material. The aim was to check whether this lightening effect was maintained after a curing period.
In Figure 2, it is possible to observe the trend of the geometric mean density of the just-cast samples and 28 days of curing, relative to four measurements per sample, as a function of the change in the percentage of lapillus replacement. In the case of fresh samples, it can be observed that the higher the percentage of lapillus inserted into the sample, the lower the density value, i.e., the material becomes lighter. The reference sample recorded an apparent density of 2.17 g/cm3, while the sample containing 20% lapillus was 2.07 g/cm3. For cured samples, it can be observed that as the amount of cement in the samples decreases, the density trend continues to decrease. The bulk density values tend to decrease as the curing time increases for all the analyzed samples. In general, there is a decrease in density of approximately 1.6–2.8%, with the sample containing 20% lapillus showing the smallest value of density.
Figure 2.
Bulk density of just-cast samples and 28-days-cured samples.
The real density was measured on the reference sample and on samples containing 5% and 20% volcanic lapillus after a curing time of 28 and 60 days. The obtained values were not very different from each other, varying between 2.6 and 2.7 g/cm3.
2.3. Compressive Strength
The compressive strengths of the produced mortars are shown in Figure 3; the values indicated are average values and are associated with the standard deviation.
Figure 3.
Compressive strength at different curing time as a function of the lapillus addition (5–20 wt%).
It can be seen that there is an increase in compressive strength as the curing time increases for all the compositions. At the same time, however, as the percentage of used lapillus increases, the mechanical strength slightly decreases up to 10% of lapillus addition. The values are for MLap_0 46.06 MPa, while for MLap_10 36.89 MPa at 28 days of curing. At higher percentages (15% and 20%), the decrease is more significant (at 28 days of curing, MLap_15 = 33.57 MPa and MLap_20 = 30.40 MPa).
2.4. Scanning Electron Microscopy
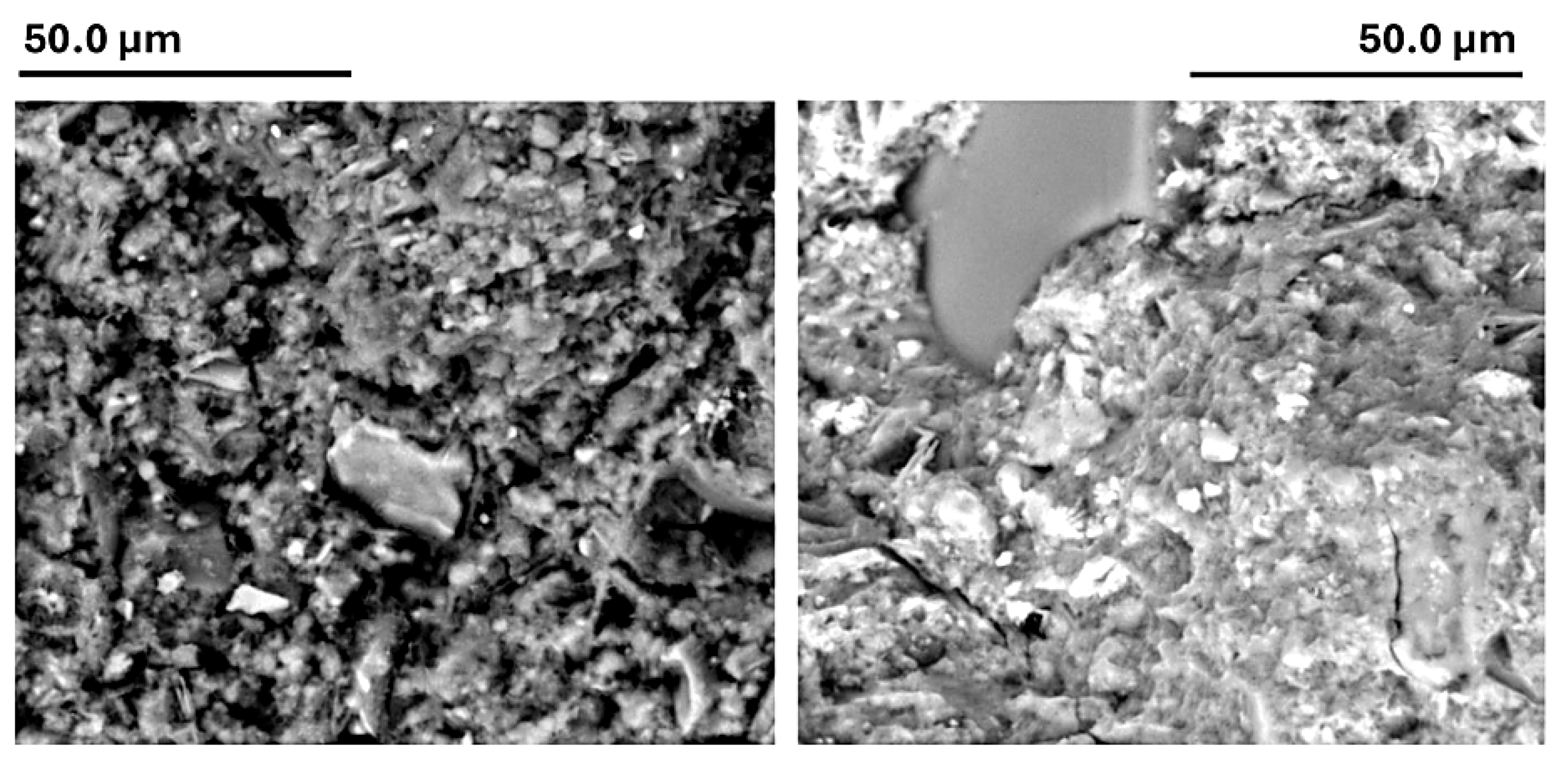
The observation of the samples using a scanning electron microscope (SEM) was carried out in order to provide information on the microstructure of the samples. This technique allows the microstructure of the samples to be investigated and the type and morphology of the phases to be assessed, in particular the formation of gel, which provides information on the degree of reaction of the hydrated compounds. SEM analysis was conducted on reference samples and the one containing 20% of lapillus cured for 2 and 28 days to highlight the progress of the hydration reactions.
In Figure 4 on the right is a magnification at 300×. Highlighted are an area where the gel adheres firmly to the granules (1) and another where adhesion is less pronounced (2).
Figure 4.
SEM images of the 2-day aged reference sample at 80× (left) and 300× (right). The red circles represent a good gel–aggregate adhesion (1) and a less pronounced bond (2).
Figure 5 at higher magnification (1200×) shows on the left the presence of needles, approximately 25–30 μm in size, and on the right the formation of cement gel, indicating that hydration processes are underway. In the same figure below, the eds spectrum performed on the area highlighted in red can be observed.
Figure 5.
SEM images of the 2-day aged reference sample of needles (left) and gel (right) at 1200× magnification and the eds spectrum of the area highlighted with the red circle area (needle).
Figure 6 shows the microstructure of sample MLap_20, which contains 20% lapillus instead of cement. Figure 6 shows granular regions that are clearly visible in the 300× magnification image on the right.
Figure 6.
SEM images of sample containing 20 wt% of lapillus aged 2 days at 80× (left) and 300× (right).
In a micrograph with magnification of 1200× (Figure 7), it is possible to identify areas that are more compact and areas with a more granular surface. On the right, the eds spectra of the two highlighted areas can be observed. It is also possible to distinguish a white granule (3) from the order of 6–7 μm consisting of 29% calcium and 12% silicon.
Figure 7.
SEM image at 1200× (left) and eds spectra (right) of sample containing 20 wt% of lapillus aged 2 days. The red circle highlights a grain consisting of calcium and silicon (3).
Figure 8 compares the microstructures of the two samples, MLap_0 and MLap_20, which were aged for 28 days.
Figure 8.
SEM images of the 28-day mature reference sample at 60× (left) and 300× (right).
The sample with a higher percentage of lapillus, aged 28 days (Figure 9, right), is very dense, homogeneous, and well bound to the sand grains, compared with the sample aged 2 days, as shown in Figure 9 (left).
Figure 9.
SEM images of the sample containing 20% lapillus at 1200×, 2 days cured (left) and 28 days cured (right).
2.5. ASR Reactivity, Chloride and Sulfate Penetration, Water Absorption by Capillarity, and Calcium Hydroxide Content by Thermogravimetric Analysis
Figure 10 shows the results of the accelerated ASR tests. As can be observed, according to the high aggregate’s reactivity, the limit of 0.1%, the one referred to by the ASTM Standard as the one ensuring innocuous behavior, is exceeded after few days.
Figure 10.
Expansion deriving from the alkali–silica reaction for samples containing 0, 10, and 15 wt% of lapillus.
Moreover, Figure 11 summarizes the results of the sulfate and chloride penetration tests.
Figure 11.
Chlorides penetration and expansion due to sulfates’ effects in mortars containing 0–10 and 15% of lapillus as SCM.
The experimental results of the water absorption permeation by capillarity are shown in Figure 12.
Figure 12.
Water absorption by capillarity as a function of time for mortars containing 0–10–15% of lapillus.
In Figure 13 the amount of calcium hydroxide detected by TGA in the different pastes at different curing times is summarized.
Figure 13.
Weight loss from calcium hydroxide decomposition at different curing times (28 and 90 days) detected by TGA.
3. Discussion
3.1. Spreading Test
The workability of mortars containing volcanic lapillus decreases as the replacement percentage increases; this is due to the physical property of volcanic lapillus, namely, residual porosity [43], which tends to absorb water, making the mixture more viscous. The obtained values are close to the reference (MLap_0) up to the inclusion of 10% lapillus. At 15% the value further decreased, but still it could be considered acceptable. With the substitution of 20% lapillus, there is a marked decrease in the value related to the measure of spreading resulting in low workability of the paste.
3.2. Bulk and True Density
The bulk density, measured for all samples, both just poured and cured, showed a reduction as the percentage of lapillus increased. The reduction in the density of the cured mortar can be due to several factors mainly related to the hydration process, pore structure, and types of curing methods used. Jaber indicates that the addition of lightweight materials, such as glass wool fibers, significantly affects the density of cement mortar. The incorporation of these fibers decreases the final density of the cured mortar composite [44]. Volcanic materials, such as glass fibers, have a lower density than traditional Portland cement, which results in a lighter final product, as confirmed by other authors [45,46].
The real density increases as the percentage of lapillus increases. This value takes the density into account regardless of the presence of porosity. Although the density of lapillus is lower than that of cement, due to hydration reactions and the long curing time, the real density increases, making it possible to have a material with a high mass in a small volume, while remaining a lighter material than a standard mortar.
3.3. Compressive Strength
The results obtained on compressive strength are consistent with the data reported in the literature on the substitution of raw materials of volcanic origin for the production of mortars or blended cements: compressive strengths tend to decrease as the percentage of substitution increases. This is linked to the fact that the development of the mechanical properties in mixed compositions tends to be delayed [47,48] due to the slowness of the pozzolanic reaction [49,50]. It is, however, important to underline that despite the low amount of amorphous phase in lapillus, an almost comparable strength is obtained just after 90 days of curing (MLap_0 = 47.00 MPa and MLap_10 = 44.57 MPa). Cement hydration tends to be delayed as the lapillus content increases, and the active material in silicon and aluminum is lower than in the reference sample. However, it should be noted that blended cements tend to increase their mechanical strength in the long term when the pozzolanic reaction reaches its completion as recorded in this case.
For long curing times, there is an increase in compressive strengths even in samples containing 20% lapillus. At 28 days, greater than 32.5 MPa is obtained up to a 15% substitution, allowing a readily available formulation of industrial cements. In order to obtain the same mechanical strengths as the reference composite at longer curing times (90 days), only a 10% substitution is acceptable. The standard deviation values appear to be similar in all the investigated compositions accounting for a quite homogeneous microstructure in all samples.
3.4. Scanning Electron Microscopy
At the two-day early curing stage, SEM analysis of the reference sample revealed a relatively dense and still porous matrix, as expected due to limited curing. Nonetheless, localized regions exhibited satisfactory gel–aggregate bonding. The sample incorporating 20 wt% lapillus had a less compact structure with granular features that were clearly visible at 300× magnification (Figure 6). However, the adhesion between the gel and aggregates was still adequate. At 1200× magnification (Figure 7), the microstructure of the lapillus-containing sample appeared heterogeneous, with compact areas likely devoid of lapillus and granular zones suggesting an incomplete pozzolanic reaction. After 28 days of curing, the morphological characteristics of both the reference sample and the lapillus-containing sample improved. The reference matrix became denser and more homogeneous, while the lapillus-based system exhibited better particle integration and overall compaction.
Needle-like formations (25–30 μm) were identified in the 2-day cured reference sample. While the morphology does not correspond to the most frequently observed hexagonal one on the aggregate/matrix interface, likely due to the reduced porosity, the chemical composition, consisting almost entirely of calcium and oxygen (50.74% and 44.71%, respectively), suggests the presence of portlandite (Ca(OH)2), which results from the hydration of cement and represents the beginning of hardening reactions. Additionally, the formation of cement gel confirms active hydration processes. In the lapillus-containing sample, two distinct gel types were identified based on EDS spectra and differing elemental proportions. In the case of the dense area, this could be an area free of lapillus as the percentage composition consists entirely of calcium and small percentages of other components (Figure 7, Spectrum 1). In the more granular region (Figure 7, Spectrum 2), it is possible to identify areas with a higher concentration of Iron. In fact, from the spectrum it can be seen that the Ca/Si ratio is approximately 6 and that there is an increase in the content of iron (1.46%) and potassium and magnesium (2.60% and 1.15%, respectively) compared with the eds analysis of the previous region, these being the elements that characterize the composition of lapillus after silicon and aluminum, which are also present in large quantities in the cement powder. The sample containing 20% lapillus is characterized by two different types of gel (one related to chemical analysis of spectrum 1 and one related to chemical analysis of spectrum 2) since they have the same elements but in different proportions. In any case, it is not possible to clearly discern the presence of lapillus in the form of grains, since it reacted within the mixture to form cement gel. In Figure 7 it is also possible to distinguish a white granule that for composition and size could be a grain of unreacted clinker (C2S–C3S).
As expected, the 2-day reference sample initially had high porosity, which decreased markedly over time. After 28 days, both systems exhibited reduced pore size and quantity. Notably, the reference matrix became denser and more consolidated. Similarly, although the 20 wt% lapillus sample was more porous initially, it exhibited substantial densification after 28 days, resulting in a compact, homogeneous microstructure. These results highlight the significance of curing time in reducing porosity and enhancing microstructural development, even in systems with partial cement replacement by natural pozzolans.
3.5. ASR Reactivity, Chloride and Sulfate Penetration, Water Absorption by Capillarity, and Calcium Hydroxide Content by Thermogravimetric Analysis
Accelerated ASR tests showed that the 0.1% limit was exceeded after a few days, but it is important to underline that the speed and extent of expansion were slowed and progressively decreased by the presence of lapillus. The final expansion is reduced by about 30% in MLap_15 compared with the reference. This effect is common to many other SCMs already tested. The origin of the effect is still not entirely clear, and many theories have been proposed. In this case, we can propose a mitigation effect resulting from the reduced amount of calcium from the pozzolanic reaction.
As for the sulfate penetration tests, it is possible to say that after 15 weeks of curing in the sulfate solution, the dimensional changes of the unmodified mortar related to the formation of expansion products are still low but higher than those found in mortars containing lapillus. Initial ettringite formation was detected in the unmodified mortars, as shown in Figure 14.
Figure 14.
Ettringite crystals in the reference unmodified mortar.
As to the chloride penetration, the unmodified and 10% lapillus mortars behave almost in the same way as the reference mortar, while a deeper penetration takes place in the 15% sample (Figure 11).
The experimental results of the water absorption permeation by capillarity (Figure 12) disclose a quite similar linear trend for all materials, but the 15% sample has a higher rate of permeation. All the tested specimens did not show the presence of microcracking, and the different behavior should be accordingly related to enhanced pore interconnectivity. This feature could explain the results found for chloride penetration. In the case of sulfates, the damage is related to the interaction between the diffused anions and the aluminates present in the mortars, which corresponds to the chemical reaction for the formation of ettringite, while in the case of chlorides ion the penetration depth is only related to the microstructure and therefore to the different diffusion rates possibly deriving from an increase in porosity in the 15% samples.
Regarding the amount of calcium hydroxide detected by TGA in the different pastes at different curing times, it is possible to say that as expected, the modified sample contains less calcium hydroxide than the plain Portland one, and the difference exceeds the one caused by lower amounts of C3S and C2S. Moreover, the difference increases as curing proceeds from 28 to 90 days. At 90 days, there is still a fraction of calcium hydroxide in both the 10 and 15% lapillus samples. This feature can suggest that further pozzolanic reactions can be envisaged at longer curing times.
Finally, in order to verify the possible presence of different phases induced by lapillus, an X-ray characterization of the pastes having the same mortar composition was performed at 90 days of curing. In Figure 15, the diffractograms of MLap_0 and MLap_10 samples are reported for reference’s sake. The same phases are detected in both materials, which are portlandite, calcium carbonate, ettringite, and monocarbonate. The results comply with those previously found by other researchers investigating the same calcium carbonate Portland cements [51] and confirm the reduction in the amount of portlandite in the modified composites.
Figure 15.
X-ray analysis of MLap_0 and MLap_10 at 90 days of curing (1, portlandite; 2, calcium carbonate; 3, ettringite; 4, monocarbonate).
According to the experimental results, lapillus behaves as many of the investigated SCMs in the literature. The addition decreases both the damage induced by sulfate diffusion [52,53,54] and the tendency to develop ASR reactions [55,56,57]. The precise mechanisms through which SCMs in general provide these benefits have not been completely understood and are still a matter of discussion. Concerning the present research, what can be underlined is the progressive reduction in the amount of calcium hydroxide available for possible degrading reactions, as confirmed by TGA and X-ray analysis. As to the overall amounts of aluminum oxides that play a negative role in sulfate degradation, in the 10 and 15% samples, on account of the low amount of the amorphous dissolvable phase in lapillus, an overall lower amount of Al2O3 is predictable. This feature and the lower calcium content already underlined can explain the higher stability of the modified mortars to the sulfate’s diffusion. However, the rate of diffusion of chlorides is slightly faster than the one in the unmodified mortars, a feature that supports a higher porosity of the matrix reflected by the lower mechanical properties at 15% substitution.
4. Materials and Methods
4.1. Raw Materials and Samples Preparation
The following materials were used in this study:
- Limestone Portland cement (CEM II/B-LL 42.5, ECOPlanetIIB4, Holcim Ltd., Zug, Switzerland).
- CEN certified, EN196-1 and ISO 679:2009 compliant normalized sand.
- Volcanic lapillus scrap, effusive magmatic material (Pleistocene Vulsine volcanite) from quarries located in the province of Viterbo (Latium, Italy) naturally calcined at a high temperature, resulting from explosive volcanic eruptions that occurred as a result of the expansion of dissolved gases into acidic lavas [43]. Chemical analysis of the lapillus showed SiO2 and Al2O3 contents of 49.1% and 18.3%, respectively, as well as CaO content of 9.27% and Fe2O3 content of 9.15%, while MgO, Na2O, and K2O contents were 4.25%, 2.35%, and 3.66%, respectively [39,58,59]. Lapillus scraps, which were initially less than 3 mm in diameter, were ground in ball-miller (MMS, Nonantola (MO), Italy) for 5 min in order to obtain an average particle diameter of less than 100 μm in order to increase their reactivity and compatibility with clinker and also to homogenize the waste. The dimensional distribution is D10 = 2.1 µm, D50 = 19.8 µm, and D90 = 60.1 µm. Figure 16 shows the morphology of the powders obtained by scanning electron microscopy (ESEM-Quanta 200, FEI).
Figure 16. Morphology of the lapillus powders.
A mineralogical analysis (Table 1) was performed on lapillus to assess the main crystalline phases of the raw material and to understand whether the desired reaction products could be formed from the mix during curing. The analysis, provided by the volcanic aggregate production company, was performed by the X’PERT 3 POWDER PANALYTICAL X-ray diffraction system. The phase fractions were extracted from the Rietveld refinements by GSAS software (version GSAS-II v1.0.1) and were recalculated based on the absolute mass of the corundum originally added to the mixtures as an internal standard.
Table 1.
Mineralogical composition (wt%) of lapillus and cement.
The raw materials were mixed by initially placing the solid parts in an automatic mixer for 30 s (E094, Matest, Treviolo, BG, Italy). Then water was added, and the mixture was stirred for about 3 min. After the aggregate addition and further mixing, the resulting fresh mortars were poured into molds measuring 40 mm × 40 mm × 160 mm and compacted using a shake table (Model 64-L0038/A, Controls, Milan, Italy). The samples were then placed in a curing chamber maintained at a temperature of 20 ± 1 °C and 90 ± 5% relative humidity. The samples were first allowed to cure in the climate chamber for periods of 2, 5, and 21 days, corresponding to the total curing periods of 2, 7, and 28, respectively. The temperature and humidity in environmental laboratory conditions (20 ± 2 °C and 60 ± 10% RH) were used for the remainder of the curing period.
There were 5 studied compositions (see Table 2). MLap_0 is a classic cement mortar consisting of water, cement, and sand in a ratio of 1:2:6, while mixtures MLap_5–MLap_20 have partial weight cement substitution between 5 and 20%.
Table 2.
Mixing ratios for the production of cement mortars.
4.2. Spreading Test
The consistency of fresh cement mortar is used to understand the workability of the paste and provides indications of its viscosity. This consistency is determined by measuring the spread. Fresh mortar was poured inside a standard-sized metal cone (lower inside diameter of 100 mm, upper inside diameter of 70 mm, and height of 60 mm) placed on a shake table (Model 64-L0038/A, Controls, Milan, Italy), and then 15 blows, called settling blows, were given, useful for measuring static flow. Then another 15 shocks were given, in about 15 s, in accordance with UNI EN 413-2:2016, to determine the dynamic flow, which is of greater interest because it more accurately simulates the setting conditions.
Spreading is expressed as the difference between the obtained diameter (slump) and the lower inner diameter of the cone:
Spreading [mm] = Slump diameter [mm] − Cone diameter [mm]
For the purpose of good workability, it is necessary to adopt a spread of cement mortar between 140 mm and 200 mm (with a tolerance of ±10 mm), as prescribed by UNI EN 1015-2:2007.
4.3. Bulk and True Density
The geometric or bulk density has been calculated as the ratio between the mass (weight of the sample after curing) and the volume of the sample, calculated also considering the porosity, as described in UNI EN 1015-6:2007.
The real density is the ratio between the mass of dry material and its volume, relative to the solid part (i.e., given by the difference between the apparent volume and the volume of voids), as defined in UNI EN 1936-2006. The real density was measured using a helium pycnometer, Micromeritics AccuPyc II 1340, at room temperature.
In both measurements, the volume considered was equal to that of a prism with dimensions 40 × 40 × 160 mm, i.e., 256 cm3.
4.4. Compressive Strength
The test was performed on mortar samples that had been cured for 2, 7, 28, and 90 days as previously described, according to the test methods reported in standard UNI EN 196-1:2016. The sample was placed on a designated surface with a 40 × 40 mm section and subjected to compression by means of a load perpendicular to the support surface, exerted by a hydraulic press, with a gradual progression so that the deformations of the material could be recorded. The tests were performed with a 15/250 kN automatic compression testing machine (Controls, L1052). For each formulation, nine samples were tested for curing periods of 2, 7, and 28 days, while for curing periods of 90 days, six samples were tested per formulation.
4.5. Scanning Electron Microscopy
The samples were subjected to microstructural analysis in order to evaluate the effect of lapillus replacement on the mortar samples. An environmental scanning electron microscope (ESEM-Quanta 200, FEI, Medford, MA, USA) combined with an X-ray EDS microanalysis system (X-EDS Oxford INCA-350, Oxford, UK) was used for the analysis. The analyzed samples, after being brought to an appropriate size (<1 cm per side), were placed on an aluminum stub by means of a silver-based glue and finally were metallized with a gold layer of a few nanometers to make the sample conductive.
4.6. Alkali–Silica Reactivity (ASR) Test
The influence of lapillus on the ASR reactivity was investigated by an accelerated test partially conforming to the ASTM 1260 Standard. Samples 25 × 25 × 280 mm, with stainless steel gage studs, were cast and immersed in a 0.1 N NaOH solution at 80 °C after a 24 h conditioning in water at the same temperature to calculate the reference length of the specimens before the contact with the alkaline solution. The dimensional changes were recorded up to 16 days of curing by using a mechanical length comparator (0.001 mm sensitivity) following the standard instructions. As a reactive aggregate, discarded lamp glass was used. This glass composition was selected on account of its extremely high reactivity toward alkali [60].
4.7. Chloride and Sulfate Penetration
Chloride penetration was investigated according to UNI 11,747 Standard. The effects of sulfate diffusion on the mortars were investigated by ASTM C1012 Standard, i.e., by immersing the specimens in an Na2SO4 solution and evaluating their expansion up to 15 weeks of curing in order to evaluate the effects of the supplementary cementing material (SCM) on the formation of expanding products.
4.8. Water Absorption by Capillarity
To measure the water absorption after 28 days of curing, a capillary test (EN 15801) was performed using three cylindrical samples with a 25 mm radius and 55 mm height. The amount of water absorbed was calculated according to the Formula (2)
where Qi is the amount of absorbed water at time ti (kg/m2), mi is the weight of the sample at time ti (kg), m0 is the weight of the dried sample (kg), and A is the absorption area in contact with water (m2).
Qi = (mi − m0)/A
4.9. Calcium Hydroxide Content by Thermogravimetric Analysis (TGA)
In order to determine the amount of calcium hydroxide in the different mixtures at different curing times, pastes were mixed according to Table 1, without adding the normalized sand, and kept at 20 ± 1 °C and 95% R.H. in a closed box in order to avoid carbonatation. At scheduled times (60 and 90 days), samples were manually milled in a mortar and the powders sieved below 150 μm. The sieved powders were heated from 30 to 800 °C (20 °C/min rate) by means of a TA Q50 Thermogravimetric Analysis, in nitrogen flow (60 mL/min). The amount of calcium hydroxide was evaluated by determining the weight loss from 450 to 550 °C.
5. Conclusions
This study evaluated the feasibility of using volcanic lapillus as a supplementary cementitious material (SCM) in mortar production from a sustainability perspective. The results indicate that partial replacement of Portland cement (CEM II/B-LL 42.5) with volcanic lapillus can reduce the environmental impact while maintaining adequate mechanical properties.
Key findings include the following:
- Workability and density: Workability slightly decreased with higher lapillus content due to its porous nature, but the bulk density reduction suggests potential applications in lightweight construction.
- Mechanical properties: At short curing times, up to 10% replacement mortars showed a limited reduction in compressive strength (MLap_0 = 46.06 MPa and MLap_10 = 36.89 MPa at 28 days of curing), while higher replacement levels (15–20%) led to a more noticeable decrease (at 28 day of curing MLap_15 = 33.57 MPa and MLap_20 = 30.40 MPa). At 90 days of curing, however, up to a 10% substitution, the compressive strength matches the one of the reference mortar (MLap_0 = 47.00 MPa and MLap_10 = 44.57 MPa).
- Pozzolanic activity: It was observed through thermogravimetric analysis (TGA) and X-ray, which showed reduced calcium hydroxide content over time.
- Microstructural analysis: SEM analysis confirmed the formation of a continuous and sound transition zone between the aggregates and the developing matrix in all the investigated mortars.
- Durability improvements: The presence of volcanic lapillus improved resistance to expanding reactions caused by sulfate penetration, as well as those deriving from alkali–silica reactions reducing the expansion by a 30% at 15% substitution, thus mitigating degradation risks.
- Chloride penetration and water absorption: While chloride diffusion increased slightly in the higher replaced samples, capillary water absorption remained similar to the control at 10%, slightly increasing at higher lapillus content.
Volcanic lapillus, despite its relatively low amorphous content (~16%) compared with other supplementary cementitious materials (SCMs), has demonstrated considerable potential as an environmentally sustainable SCM. Its incorporation contributes not only to the reduction in CO2 emissions but also to improved durability performance. Furthermore, its use facilitates the valorization of an abundant quarry by-product within one of the most widely used cement types, thus reducing clinker content and mitigating landfill disposal. These findings support the feasibility of integrating volcanic lapillus into cementitious systems from both environmental and technical perspectives. However, further research is required to optimize its performance in high-substitution scenarios and to address issues related to fresh-state workability. Future developments will include a comprehensive life cycle assessment (LCA) of the proposed system and a long-term evaluation of the mechanical and durability properties of the resulting concretes.
Author Contributions
Conceptualization, I.L., F.A. and A.S.; validation, F.A., I.L. and A.S.; formal analysis, F.A. and A.S.; investigation, F.A. and A.S.; resources, I.L. and L.B.; data curation, F.A.; writing—original draft preparation, F.A., I.L. and A.S.; writing—review and editing, F.A., I.L., L.B. and A.S.; supervision, I.L. All authors have read and agreed to the published version of the manuscript.
Funding
This research received no external funding.
Data Availability Statement
The original contributions presented in this study are included in the article. Further inquiries can be directed to the corresponding author.
Acknowledgments
The author thanks Europomice srl, Milano (Italy), for the volcanic raw materials supply and financial support for one year of a doctoral scholarship (CUP E85F21003350001), the UNIMORE Ph.D. course in “Industrial and environmental engineering” 2021/22 with first place for a scholarship with the topic “Volcanic minerals for the green transition (VolMin4GT): Valorization and eco-sustainable recovery of volcanic and melting minerals, and related scrap” (Action IV.5 “Doctorates on green thematics” within National Operational Programme on Research and Innovation 2014–2020), and Cismondi Ltd. for the support provided during the trial.
Conflicts of Interest
The authors declare no conflicts of interest.
References
- CEMBUREAU. World Statistical Review 2004–2014; European Cement Association: Bruxelles, Belgium, 2017. [Google Scholar]
- CEMBUREAU. Activity Report 2023, Bruxelles. Available online: https://cembureau.eu/media/dnbf4xzc/activity-report-2023-for-web.pdf (accessed on 15 April 2025).
- de Brito, J.; Kurda, R. The past and future of sustainable concrete: A critical review and new strategies on cement-based materials. J. Clean. Prod. 2021, 281, 123558. [Google Scholar] [CrossRef]
- Andrew, R.M. Global CO2 emissions from cement production. Earth Syst. Sci. Data 2017, 10, 2213–2239. [Google Scholar] [CrossRef]
- Jhatial, A.A.; Nováková, I.; Gjerløw, E. A Review on emerging cementitious materials, reactivity evaluation and treatment methods. Buildings 2023, 13, 526. [Google Scholar] [CrossRef]
- Gartner, E.; Sui, T. Alternative cement clinkers. Cem. Concr. Res. 2018, 114, 27–39. [Google Scholar] [CrossRef]
- Juenger, M.C.G.; Siddique, R. Recent advances in understanding the role of supplementary cementitious materials in concrete. Cem. Concr. Res. 2025, 78, 71–80. [Google Scholar] [CrossRef]
- Shi, C.; Jiménez, A.F.; Palomo, A. New cements for the 21st century: The pursuit of an alternative to Portland cement. Cem. Concr. Res. 2011, 41, 750–763. [Google Scholar] [CrossRef]
- Hu, Y.; Li, K.; Zheng, L.; Han, B. Fly ash and slag as partial replacement of cement for the synthesis of low carbon cementitious materials. J. Renew. Mater. 2023, 11, 2491–2511. [Google Scholar] [CrossRef]
- Abbas, A.; Sanjaya, E.; Fimbres Weihs, G.A.; Cao, Y.; Samrani, P. Effect of fly ash and ground waste glass as cement replacement in concrete 3D-Printing for sustainable construction. Front. Built Environ. 2024, 10, 1420174. [Google Scholar] [CrossRef]
- Shaikh, F.U.A.; Dobson, J. Effect of fly ash on compressive strength and chloride binding of seawater-mixed mortars. J. Sustain. Cem.-Based Mater. 2019, 8, 275–289. [Google Scholar] [CrossRef]
- Jun, Y.; Hilario, J.H.P.; Kim, J.H. Hydration characteristics and hydration products of calcium sulfoaluminate cement and fly ash blended pastes. J. Sustain. Cem.-Based Mater. 2024, 13, 1470–1482. [Google Scholar] [CrossRef]
- Ahmad, J.; Kontoleon, K.J.; Majdi, A.; Naqash, M.T.; Deifalla, A.F.; Ben Kahla, N.; Isleem, H.F.; Qaidi, S.M.A. A Comprehensive review on the Ground Granulated Blast Furnace Slag (GGBS) in concrete production. Sustainability 2022, 14, 8783. [Google Scholar] [CrossRef]
- Siddique, R.; Bennacer, R. Use of iron and steel industry by-product (GGBS) in cement paste and mortar. Resour. Conserv. Recycl. 2012, 69, 29–34. [Google Scholar] [CrossRef]
- Majhi, R.K.; Nayak, A.N.; Mukharjee, B.B. Development of sustainable concrete using recycled coarse aggregate and ground granulated blast furnace slag. Constr. Build. Mater. 2018, 159, 417–430. [Google Scholar] [CrossRef]
- Sharmila, P.; Dhinakaran, G. Compressive strength, porosity and sorptivity of ultrafine slag based high strength concrete. Constr. Build. Mater. 2016, 120, 48–53. [Google Scholar] [CrossRef]
- Escalante-Garcia, J.I.; Cabrera-Luna, K.; Castillo-Sanchez, Y.B. Blast furnace slag supersulfated cements: Composition optimization, microstructures, and environmental impact. J. Sustain. Cem.-Based Mater. 2024, 14, 145–166. [Google Scholar] [CrossRef]
- Mohsen, M.O.; Aburumman, M.O.; Al Diseet, M.M.; Taha, R.; Abdel-Jaber, M.; Senouci, A.; Abu Taqa, A. Fly Ash and natural pozzolana impacts on sustainable concrete permeability and mechanical properties. Buildings 2023, 13, 1927. [Google Scholar] [CrossRef]
- Frias, M.; Garcia, R.; de la Villa, R.V.; Martinez Ramirez, S. Coal mining waste as a future eco-efficient supplementary cementing material: Scientific aspect. Recycling 2016, 1, 232–241. [Google Scholar] [CrossRef]
- Saccani, A.; Sandrolini, F.; Andreola, F.; Barbieri, L.; Bignozzi, M. Influence of the pozzolanic fraction obtained from vitrified bottom-ashes from MSWI on the properties of cementitious composites. Mater. Struct. 2005, 38, 367–371. [Google Scholar] [CrossRef]
- Bignozzi, M.C.; Saccani, A.; Barbieri, L.; Lancellotti, I. Glass waste as supplementary cementing materials: The effects of glass chemical composition. Cem. Concr. Compos. 2015, 55, 45–52. [Google Scholar] [CrossRef]
- Zito, S.V.; Irassar, E.; Rahal, V.F. Recycled Construction and Demolition Waste as supplementary cementing materials in eco-friendly concrete. Recycling 2023, 8, 54. [Google Scholar] [CrossRef]
- Presa, L.; Rosado, S.; Peña, C.; Martín, D.A.; Costafreda, J.L.; Astudillo, B.; Parra, J.L. Volcanic ash from the island of La Palma, Spain: An experimental study to establish their properties as pozzolans. Processes 2023, 11, 657. [Google Scholar] [CrossRef]
- Sanjuán, M.A.; Frías, M.; Monasterio, M.; García-Giménez, R.; Vigil de la Villa, R.; Álamo, M. Volcanic ash from La Palma (Canary Islands, Spain) as Portland cement constituent. J. Build. Eng. 2023, 78, 107641. [Google Scholar] [CrossRef]
- Ulusu, H.; Aruntaş, H.-Y.; Gültekin, A.B.; Mustafa Day, M.; Çavuş, M.; Kaplan, G. Mechanical, durability and microstructural characteristics of Portland pozzolan cement (PPC): Cleaner and sustainable cement development. Constr. Build. Mater. 2023, 78, 131070. [Google Scholar] [CrossRef]
- Aydın, S.; Baradan, B. Effect of pumice and fly ash incorporation on high temperature resistance of cement based mortars. Cem. Concr. Res. 2007, 37, 988–995. [Google Scholar] [CrossRef]
- Qin, L.; Zhou, M.; Yan, J.; Duan, P.; Zhu, Y.; Chen, W.; Zhang, Z.; Wang, A. Hydration characteristics and mechanical properties of cement-based materials modified by calcined zeolite and montmorillonite. J. Renew. Mater. 2023, 11, 2191–2207. [Google Scholar] [CrossRef]
- Wu, C.R.; Hong, Z.Q.; Zhan, B.J.; Cui, S.C.; Kou, S.C. Pozzolanic activity of calcinated low-grade natural sepiolite and its influence on the hydration of cement. Constr. Build. Mater. 2021, 309, 125076. [Google Scholar] [CrossRef]
- Kuo, W.Y.; Huang, J.S.; Lin, C.H. Effects of organo-modified montmorillonite on strengths and permeability of cement mortars. Cem. Concr. Res. 2006, 36, 886–895. [Google Scholar] [CrossRef]
- Limestone Calcined Clay Cement. Available online: https://lc3.ch/ (accessed on 11 November 2024).
- Avet, F.; Scrivener, K. Investigation of the calcined kaolinite content on the hydration of Limestone Calcined Clay Cement (LC3). Cem. Concr. Res. 2018, 107, 124–135. [Google Scholar] [CrossRef]
- Barbhuiya, S.; Nepal, J.; Bhusan Das, B. Properties, compatibility, environmental benefits and future directions of limestone calcined clay cement (LC3) concrete: A review. J. Build. Eng. 2023, 79, 107794. [Google Scholar] [CrossRef]
- Sharma, M.; Bishnoi, S.; Martirena, F.; Scrivener, K. Limestone calcined clay cement and concrete: A state-of-the-art review. Cem. Concr. Res. 2021, 149, 106564. [Google Scholar] [CrossRef]
- Muzenda, T.R.; Hou, P.; Kawashima, S.; Sui, T.; Cheng, X. The role of limestone and calcined clay on the rheological properties of LC3. Cem. Concr. Compos. 2020, 107, 103516. [Google Scholar] [CrossRef]
- Blasi, E.; Di Bella, C.; Choorackal, E.; Maqbool, Q.; Tittarelli, F.; Garufi, D.; Schmidt, T. Use of low-grade kaolinite clays in the production of limestone calcined clay cement. J. Sustain. Cem.-Based Mater. 2024, 14, 209–221. [Google Scholar] [CrossRef]
- Rosales, J.; Rosales, M.; Díaz-López, J.L.; Agrela, F.; Cabrera, M. Effect of Processed Volcanic Ash as active mineral addition for cement manufacture. Materials 2022, 15, 6305. [Google Scholar] [CrossRef] [PubMed]
- al-Swaidani, A.; Khwies, W. Applicability of artificial neural networks to predict mechanical and permeability properties of volcanic scoria-based concrete. Adv. Civ. Eng. 2018, 2018, 5207962. [Google Scholar] [CrossRef]
- Bilardi, S.; Calabrò, P.; Moraci, N. Optimal design of zvi/lapillus mixtures for nickel removal in permeable reactive barriers. Jpn. Geotech. Soc. Spec. Publ. 2021, 9, 313–318. [Google Scholar] [CrossRef]
- Barbieri, L.; Altimari, F.; Andreola, F.; Maggi, B.; Lancellotti, I. Characterization of volcano-sedimentary rocks and related scraps for design of sustainable materials. Materials 2023, 16, 3408. [Google Scholar] [CrossRef]
- Kupwade-Patil, K.; Alaibani, A.; Abdulsalam, M.; Mao, C.; Bumajdad, A.; Palkovic, S. Microstructure of cement paste with natural pozzolanic volcanic ash and portland cement at different stages of curing. Constr. Build. Mater. 2016, 113, 423–441. [Google Scholar] [CrossRef]
- Fernea, R.; Tămaș-Gavrea, D.; Manea, D. Experimental investigations on the performances of composite building materials based on industrial crops and volcanic rocks. Crystals 2020, 10, 102. [Google Scholar] [CrossRef]
- al-Swaidani, A. Efficiency of nano-volcanic scoria in the concrete binder. SN Appl. Sci. 2019, 1, 980. [Google Scholar] [CrossRef]
- Available online: https://www.europomice.it/ (accessed on 15 April 2025).
- Jaber, H. Effect of glass wool addition on some properties of cement mortar. Eng. Technol. J. 2016, 34, 2685–2691. [Google Scholar] [CrossRef]
- Khurram, N.; Khan, K.; Saleem, M.; Amin, M.; Akmal, U. Effect of elevated temperatures on mortar with naturally occurring volcanic ash and its blend with electric arc furnace slag. Adv. Mater. Sci. Eng. 2018, 2018, 5324036. [Google Scholar] [CrossRef]
- Aziz, M.; Moundi, A.; Dawaï, D.; Ntiéche, B.; Koungang, B.; Michel, F. Effect of the use of volcanic pozzolan from Mbepit Massif (West-Cameroon) on the mechanical properties of mortar and composite cements production. Eng. Res. Express 2021, 3, 015034. [Google Scholar] [CrossRef]
- Ulusu, H.; Aruntas, H.Y.; Gencel, O. Investigation on characteristics of blended cements containing pumice. Constr. Build. Mater. 2016, 118, 11–19. [Google Scholar] [CrossRef]
- Lemma, R.; Zito, S.; Locati, F.; Castellano, C.C.; Bonavetti, V.L.; Irassar, E.F.; Marfil, S.; Rahhal, V.F. Natural pozzolan with different volcanic glass and zeolite content: Effect on the performance of blended cement. Constr. Build. Mater. 2024, 451, 138821. [Google Scholar] [CrossRef]
- Tang, H.; Xu, L.; Xue, K.; Tian, J.; Yang, J.; Wang, D.; Shu, K.; Zuo, A.; Wu, H. Effect of mechanical activation on hydration properties of natural volcanic rock towards partially replacing cement in composite cementitious materials. J. Build. Eng. 2024, 83, 108427. [Google Scholar] [CrossRef]
- Erdogmus, E.; Erdoğan, Y.; Gencel, O.; Targan, S.; Avciata, U. Influence of colemanite admixture on Portland cement durability. Adv. Cem. Res. 2012, 24, 155–164. [Google Scholar] [CrossRef]
- Gongalves, B.; Exposito, C.; Ishikawa, T.T.; Koga, G.Y. X-ray diffraction study of the early hydration of Portland cements containing calcium carbonate by in-situ and ex-situ approaches. Constr. Build. Mater. 2023, 365, 129947. [Google Scholar] [CrossRef]
- Yu, Z.; Liu, X.; Xue, Q.; Shen, X. New perspective to improve the sulfate attack resistance of mortar by coral sand. J. Build. Eng. 2023, 71, 106483. [Google Scholar] [CrossRef]
- Sotiriadis, K.; Mácová, P.; Mazur, A.S.; Viani, A.; Tolstoy, P.M.; Tsivilis, S. Long-term thaumasite sulfate attack on Portland-limestone cement concrete: A multi-technique analytical approach for assessing phase assemblage. Cem. Concr. Res. 2020, 130, 105995. [Google Scholar] [CrossRef]
- Hossack, A.M.; Thomas, M.D.A. The effect of temperature on the rate of sulfate attack of Portland cement blended mortars in Na2SO4 solution. Cem. Concr. Res. 2015, 73, 136–142. [Google Scholar] [CrossRef]
- Figueira, R.B.; Sousa, R.; Coelho, L.; Azhena, M.; de Almeida, J.M.; Jorge, P.A.S.; Silva, C.J.R. Alkali-silica reaction in concrete: Mechanisms, mitigation and test methods. Cem. Concr. Res 2019, 222, 903–931. [Google Scholar] [CrossRef]
- Saha, A.K.; Khan, M.N.N.; Sarker, P.K.; Shaikh, F.A.; Pramanik, A. The ASR mechanism of reactive aggregates in concrete and its mitigation by fly ash: A critical review. Cem. Concr. Res 2018, 171, 743–758. [Google Scholar] [CrossRef]
- Fanijo, E.O.; Kassem, E.; Ibrahim, A. ASR mitigation using binary and ternary blends with waste glass powder. Cem.Concr. Res. 2021, 280, 122425. [Google Scholar] [CrossRef]
- Altimari, F.; Lancellotti, I.; Leonelli, C.; Andreola, F.; Elsayed, H.; Bernardo, E.; Barbieri, L. Green materials for construction industry from Italian volcanic quarry scraps. Mater. Lett. 2023, 333, 133615. [Google Scholar] [CrossRef]
- Altimari, F. Volcano-Sedimentary Rocks for Green Transition: Valorization and Recovery for the Design of Sustainable Materials. Ph.D. Thesis, University of Modena and Reggio Emilia, Modena, Italy, 10 May 2025. Available online: https://iris.unimore.it/handle/11380/1377869 (accessed on 14 May 2025).
- Saccani, A.; Bignozzi, M.; Barbieri, L.; Lancellotti, I.; Bursi, E. Effect of the chemical composition of different types of recycled glass used as aggregates on the ASR performance of cement mortars. Constr. Build. Mater. 2017, 154, 804–809. [Google Scholar] [CrossRef]
Disclaimer/Publisher’s Note: The statements, opinions and data contained in all publications are solely those of the individual author(s) and contributor(s) and not of MDPI and/or the editor(s). MDPI and/or the editor(s) disclaim responsibility for any injury to people or property resulting from any ideas, methods, instructions or products referred to in the content. |
© 2025 by the authors. Licensee MDPI, Basel, Switzerland. This article is an open access article distributed under the terms and conditions of the Creative Commons Attribution (CC BY) license (https://creativecommons.org/licenses/by/4.0/).















