Research on Single-Phase Grounding Fault Line Selection in Resonant Grounding System Based on Median Complementary Ensemble Empirical Mode Decomposition and Multiscale Permutation Entropy Normalization and K-Means Algorithm
Abstract
1. Introduction
2. Algorithm Principle
2.1. MCEEMD Decomposition Principle
2.2. MPE Standardized Decomposition Principle
2.2.1. Specific Decomposition Steps for MPE
2.2.2. Parameter Selection for the MPE
2.2.3. MPE Normalization
2.3. K-Means Clustering Analysis Principle
2.4. Model Solving Algorithm and Process
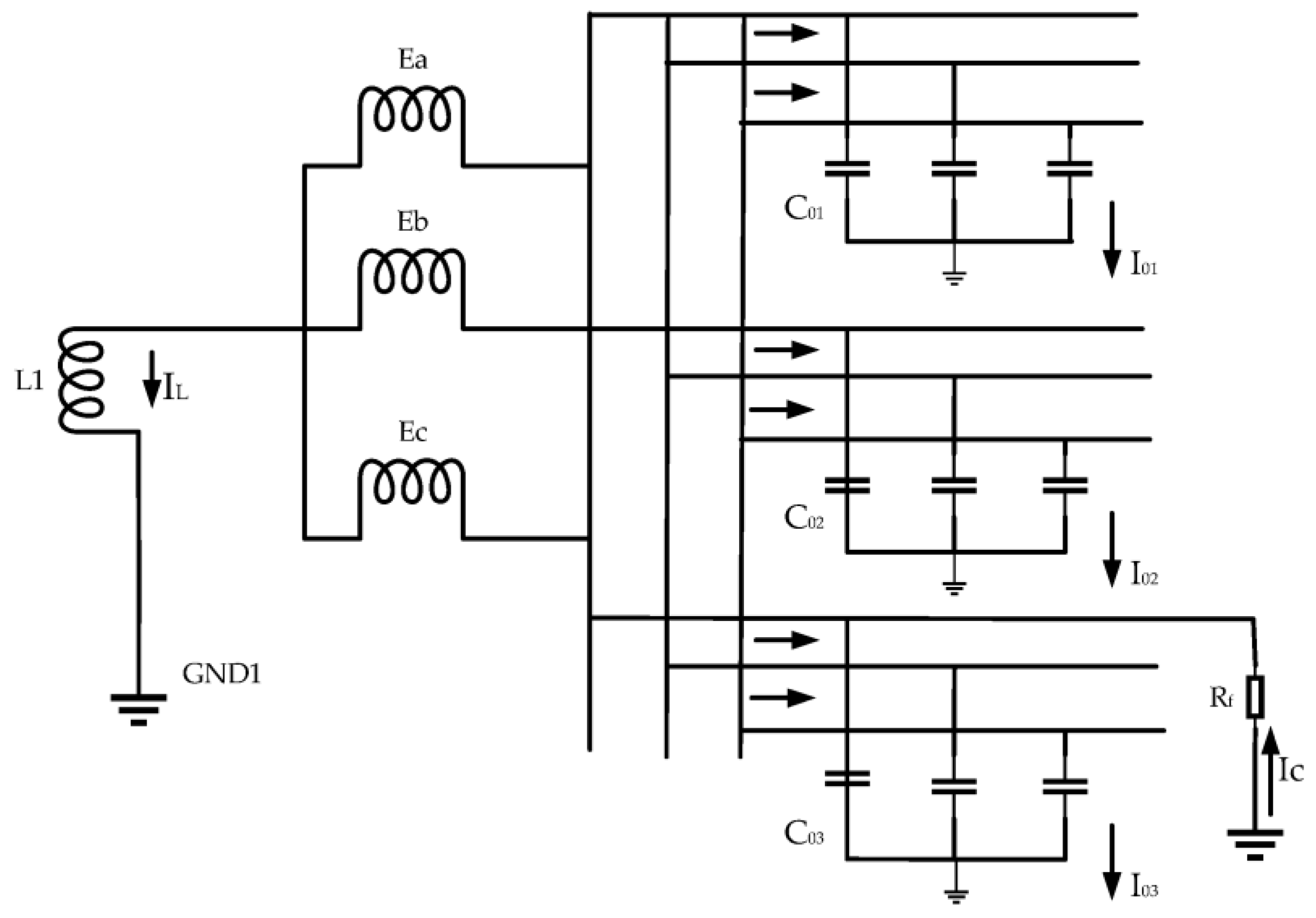
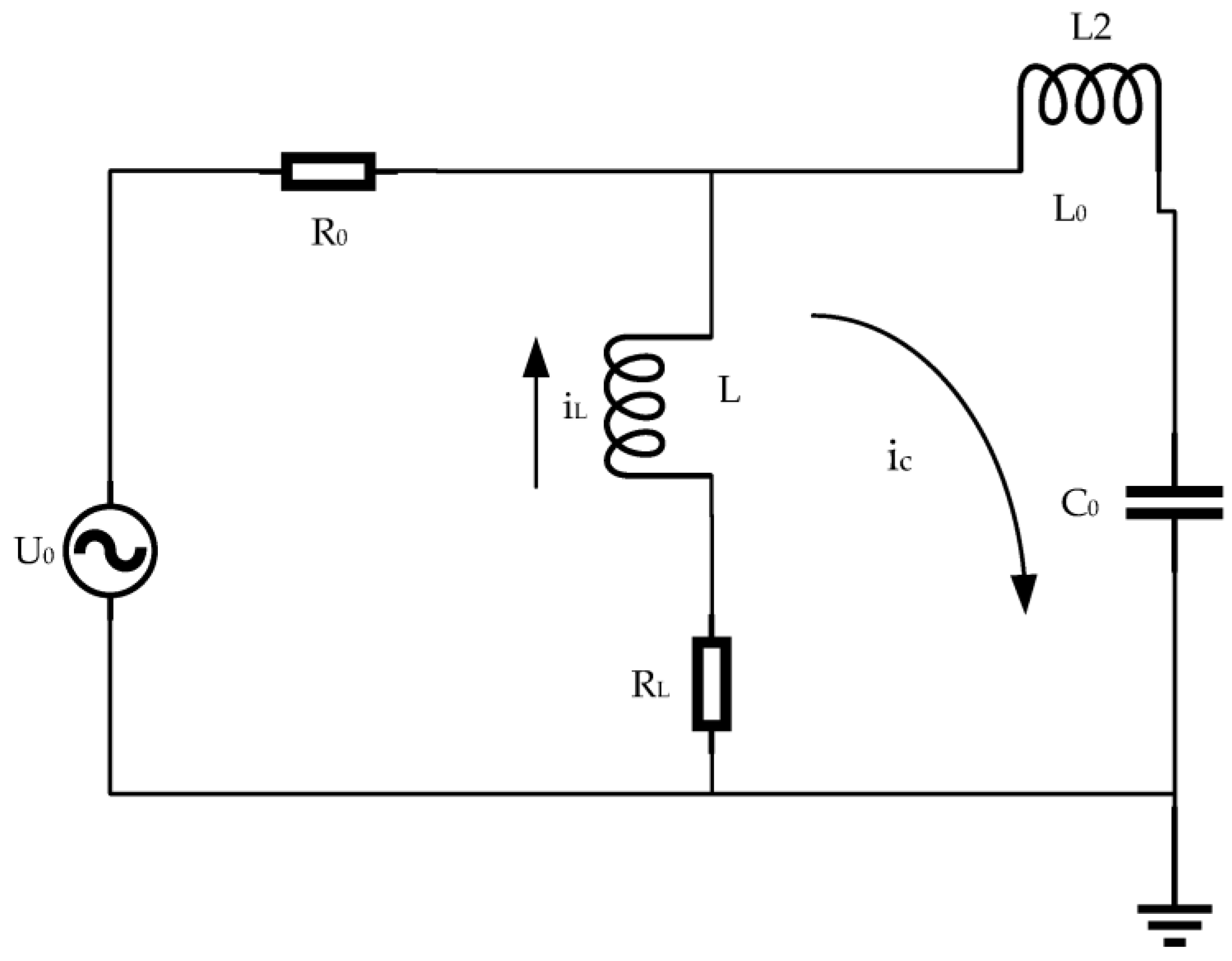
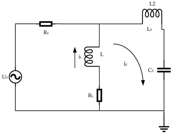
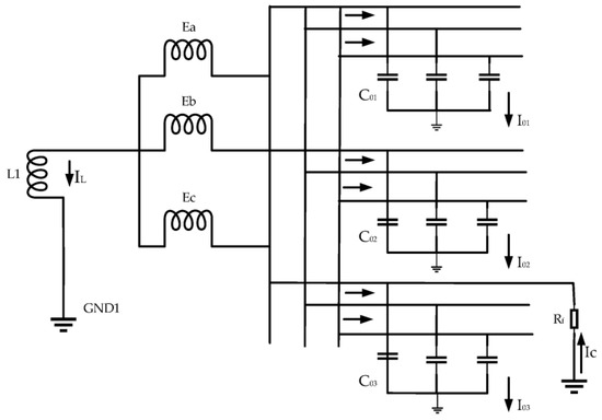
3. Transient Analysis of Single-Phase Grounding of Resonant Grounding System
3.1. Steady-State Fault Characteristics
3.2. Transient Period Fault Analysis
3.3. Fault Feature Analysis and Entropy Evaluation
4. Analysis of Single-Phase Grounding Fault in Resonant Grounding System Based on Actual Measurement Site
4.1. Fault Signal Line Selection Analysis of Real Test Site
4.2. Cluster Analysis of True Type Test Site
4.3. Method Comparison
5. Conclusions
Supplementary Materials
Author Contributions
Funding
Data Availability Statement
Conflicts of Interest
References
- Li, L.; Gao, H.; Yuan, T.; Peng, F. A method for single-phase ground fault detection and location in distribution network based on zeroquence transient variable. Autom. Electr. Power Syst. 2025, 1–13. Available online: http://kns.cnki.net/kcms/detail/32.1180.tp.20250113.1450.005.html (accessed on 5 February 2025).
- Wang, W.; Zhang, P.; Gao, Q.; Li, Q. Single-phase ground fault location based on transient information fusion. J. Tianjin Univ. Technol. 2025, 1–9. [Google Scholar]
- Wang, Y.; Liu, J.; Zhang, Z.; Zheng, T.; Ren, S.; Chen, J. A faulty line detection method for single phase-to-ground fault in resonant grounding system with CTs reversely connected. Int. J. Electr. Power Energy Syst. 2023, 147, 108873. [Google Scholar] [CrossRef]
- Zhang, F.; Xue, Y.; Xu, B. A method for calculating the residual current at the fault point of a resonant system based on signal injection. Power Syst. Prot. Control 2023, 51, 132–138. [Google Scholar] [CrossRef]
- Wang, W. Research on Identification Method of High Impedance Grounding Fault in Distribution Network. Master’s thesis, Nanjing University of Posts and Tele, Nanjing, China, 2023. [Google Scholar]
- Ou, Y.; Shu, Q. A method for fault line selection and section location of resonant grounding system based on SOM and Kans clustering. Electr. Technol. 2023, 24, 23–30. [Google Scholar]
- Wu, J.; Zheng, M.; Wang, X.; Li, H.; Luo, H. A method for single-phase ground fault line selection in resonant grounding based on transient zero-sequence admittance value. South. Power Grid Technol. 2024, 18, 58–66. [Google Scholar]
- Yang, C.; Cai, B.; Liu, Y.; Kong, X.; Shao, X.; Shao, H. Intelligent full-stage stable fault diagnosis method for subsea production system. Ocean Eng. 2024, 312, 119309. [Google Scholar] [CrossRef]
- Yang, C.; Cai, B.; Wu, Q.; Wang, C.; Ge, W.; Hu, Z.; Zhu, W.; Zhang, L.; Wang, L. Digital twin-driven fault diagnosis method for composite faults by combining virtual and real data. J. Ind. Inf. Integr. 2023, 33, 100469. [Google Scholar] [CrossRef]
- Yang, C.; Cai, B.; Zhang, R.; Zou, Z.; Kong, X.; Shao, X.; Liu, Y.; Shao, H.; Khan, J.A. Cross-validation enhanced digital twin driven fault diagnosis methodology for minor faults of subsea production control system. Mech. Syst. Signal Process. 2023, 204, 110813. [Google Scholar] [CrossRef]
- Chen, B.; Sun, Y.; Song, X.; Wang, B. Regionalized fault line in distribution networks based on an improved SSA-VMD and multi-scale fuzzy entropy. Electr. Eng. 2023, 105, 4399–4408. [Google Scholar] [CrossRef]
- Chen, Y.; Liu, F.; Zhou, T.; Li, P.; Gan, P.; Hou, M. Research on Single-phase Grounding Fault Line Selection Based on VMD Method. J. Phys. Conf. Ser. 2023, 2650, 012043. [Google Scholar] [CrossRef]
- Jia, M. Ground fault location of long-distance UHV transmission line based on EMD decomposition algorithm. Electr. Eng. Technol. 2024, 3, 177–179+201. [Google Scholar]
- Li, Y.; Fan, M.; Zhu, Y.; Liu, Z. Research on fault diagnosis of conveyor belt gearbox based on EEMD and SVM. Electr. Mech. Inf. 2024, 24, 74–78. [Google Scholar]
- Ding, Y.; Chen, Z.; Zhang, H.; Wang, X.; Guo, Y. A short-term wind power prediction model based on CEEMD and WOA-KELM. Renew. Energy 2022, 189, 188–198. [Google Scholar] [CrossRef]
- Zhang, Y.; Li, Z.; Wang, J.; Zhang, T.; Zhang, Y. Detection of flat-bottom holes in composite materials using multi-dimensional complementary ensemble empirical mode decomposition algorithm. J. Instrum. 2023, 18, T11002. [Google Scholar] [CrossRef]
- Liu, S.; He, B.; Chen, Q.; Lang, X.; Zhang, Y. Median Complementary Ensemble Empirical Mode Decomposition and its application to time-frequency analysis of industrial oscillations. In Proceedings of the 2021 40th Chinese Control Conference (CCC), Shanghai, China, 26–28 July 2021; IEEE: Piscataway, NJ, USA, 2021; pp. 2999–3004. [Google Scholar]
- Liu, S.; Lang, X.; Zhang, Y.; Li, P.; Xie, L.; Su, H. An Automated Diagnostic Framework for Multiple Oscillations With Median Complementary EEMD. IEEE Trans. Control Syst. Technol. 2023, 32, 919–933. [Google Scholar] [CrossRef]
- Hou, S.; Guo, W. Optimal denoising and feature extraction methods using modified CEEMD combined with duffing system and their applications in fault line selection of non-solid-earthed network. Symmetry 2020, 12, 536. [Google Scholar] [CrossRef]
- Hong, Y.; Xu, L.; Su, J.; Wang, H.; Li, M. Short-term power load forecasting based on BFVMD-PE and deep learning. Control Eng. 2025, 1–11. [Google Scholar] [CrossRef]
- Liu, F.; Zhang, L.; Pang, B.; Liang, C.; Yao, Y. A noise reduction method and its application for the vibration signal of the guide based on CEEMDAN and MPE. J. Zhengzhou Univ. (Eng. Ed.) 2022, 43, 91–97. [Google Scholar]
- Zhang, Y.; Li, Y. Fault diagnosis of rolling bearings based on multi-scale permutation entropy and IWOA-SVM. Electron. Technol. 2023, 46, 29–34. [Google Scholar]
- Sun, Y.; Cao, Y.; Li, P.; Li, X. A for fault diagnosis of turnout machine based on multi-scale permutation en-tropy and 2nd order feature selection by wavelet packet decomposition. China Railw. Sci. 2023, 44, 178–188. [Google Scholar]
- Ma, T.; Li, W.; Chen, J.; Lai, Y.; Yang, Z. Identification of short wavelength rail corrugation in subway based on CEEMD-MPE algorithm. Noise Vib. Control 2023, 43, 120–126+153. [Google Scholar]
- Granat, R.; Donnellan, A.; Heflin, M.; Lyzenga, G.; Glasscoe, M.; Parker, J.; Pierce, M.; Wang, J.; Rundle, J.; Ludwig, L.G. Clustering analysis methods for GNSS observations: A data-driven approach to identifying California's major faults. Earth Space Sci. 2021, 8, e2021EA001680. [Google Scholar] [CrossRef]
- Gao, W.; Xi, D.; Zheng, L. Correlation and K-means clustering based small current ground fault line selection algorithm. J. Phys. Conf. Ser. 2023, 2598, 012010. [Google Scholar] [CrossRef]
- You, Z.; Yuan, X.; Min, R.; Li, W. Clustering analysis of shield machine main bearings based on improved k-means. Mechatronics 2022, 28, 17–21. [Google Scholar]
- Gu, Z.; Lin, Y. Fault diagnosis of rolling bearings based on improved LMD and comprehensive feature indicators. J. Hefei Univ. Technol. (Nat. Sci. Ed.) 2021, 44, 145–150+181. [Google Scholar]
- Tao, R.; Lu, T.; Zhou, Z. A method for extracting GNSS coordinate time series signals based on the combination of WT and MPE. J. Surv. Mapp. Sci. Technol. 2024, 40, 446–452. [Google Scholar]
- Ding, X.; Zhang, Y. Gearbox feature extraction and fault diagnosis based on ICEEMDAN-MPE-RF and SVM. Locomot. Electr. Transm. 2023, 1, 42–50. [Google Scholar]
- Han, D.; Guo, X.; Shi, P. An intelligentfault diagnosis method of variable condition gearbox basedon improved DBN combined with WPEE and MPE. IEEE Access 2020, 8, 131299–131309. [Google Scholar] [CrossRef]
- Xu, H.; Pan, C. A rolling bearing fault diagnosis method based on ICEEMDAN-MPE and GWO-SVM. J. Natl. Def. Transp. Eng. Technol. 2024, 22, 33–37+96. [Google Scholar]
- Starovoitov, V.V.; Golub, Y.I. Data normalization in machine learning. Informatics 2021, 18, 83–96. [Google Scholar] [CrossRef]
- Barstuğan, M.; Arabacı, H. Rotor fault characterization study by considering normalization analysis, feature extraction, and a multi-class classifier. Eng. Res. Express 2024, 6, 025304. [Google Scholar] [CrossRef]
- Wu, Z.; Wu, J.; Wu, H. Clustering analysis of bank and real estate stock price fluctuations based on DT-K-means model. Financ. Financ. 2022, 5, 37–44. [Google Scholar]
- Xu, Y.; Tian, S.; Yang, Q. Fault line selection of resonant grounding system based on comprehensive high and low frequency components. Proc. Chin. Soc. Electr. Eng. 2021, 33, 1–9. [Google Scholar]











| Grounding Resistance (Ω) | Line 1 | Line 2 | Line 3 |
|---|---|---|---|
| 0 | 0.416 | 0.442 | 0.395 |
| 0.707 | 0.689 | 0.739 | |
| −1.483 | −1.485 | −1.477 | |
| 0.360 | 0.354 | 0.342 | |
| 100 | 0.279 | 0.280 | 0.281 |
| 0.702 | 0.677 | 0.739 | |
| −1.477 | −1.480 | −1.473 | |
| 0.497 | 0.523 | 0.453 | |
| 500 | 0.235 | 0.271 | 0.265 |
| 0.688 | 0.713 | 0.684 | |
| −1.473 | −1.475 | −1.477 | |
| 0.549 | 0.492 | 0.528 | |
| 1000 | 0.236 | 0.244 | 0.243 |
| 0.718 | 0.693 | 0.709 | |
| −1.471 | −1.474 | −1.472 | |
| 0.517 | 0.537 | 0.520 | |
| 2000 | 0.271 | 0.249 | 0.262 |
| 0.699 | 0.700 | 0.713 | |
| −1.477 | −1.474 | −1.474 | |
| 0.507 | 0.525 | 0.499 | |
| 0.684 | 0.714 | 0.707 | |
| −1.479 | −1.473 | −1.480 | |
| 0.520 | 0.507 | 0.464 |
| Grounding Resistance (Ω) | Line 1 | Line 2 | Line 3 |
|---|---|---|---|
| 0 | 0.579 | 0.610 | 0.630 |
| 0.543 | 0.500 | 0.504 | |
| −1.494 | −1.494 | −1.491 | |
| 0.371 | 0.384 | 0.356 | |
| 100 | 0.377 | 0.402 | 0.365 |
| 0.704 | 0.736 | 0.750 | |
| −1.483 | −1.477 | −1.475 | |
| 0.402 | 0.340 | 0.361 | |
| 500 | 0.407 | 0.352 | 0.356 |
| 0.702 | 0.729 | 0.676 | |
| −1.484 | −1.479 | −1.487 | |
| 0.375 | 0.399 | 0.455 | |
| 1000 | 0.432 | 0.352 | 0.409 |
| 0.690 | 0.710 | 0.697 | |
| −1.485 | −1.482 | −1.485 | |
| 0.363 | 0.419 | 0.378 | |
| 2000 | 0.450 | 0.437 | 0.364 |
| 0.713 | 0.722 | 0.702 | |
| −1.480 | −1.478 | −1.483 | |
| 0.317 | 0.319 | 0.417 |
| HHT-MPE -k Means Clustering Algorithm | EMD-MPE -k Means Clustering Algorithm | EEMD-MPE -k Means Clustering Algorithm | MCEEMD-MPE -k Means Clustering Algorithm | |
|---|---|---|---|---|
| Whether it is possible to distinguish between a faulty line and a non-faulty line | Yes | No | No | Yes |
| Recognition rate | 45% | 0% | 0% | 100% |
Disclaimer/Publisher’s Note: The statements, opinions and data contained in all publications are solely those of the individual author(s) and contributor(s) and not of MDPI and/or the editor(s). MDPI and/or the editor(s) disclaim responsibility for any injury to people or property resulting from any ideas, methods, instructions or products referred to in the content. |
© 2025 by the authors. Licensee MDPI, Basel, Switzerland. This article is an open access article distributed under the terms and conditions of the Creative Commons Attribution (CC BY) license (https://creativecommons.org/licenses/by/4.0/).
Share and Cite
Li, Y.; Li, C.; Cao, W. Research on Single-Phase Grounding Fault Line Selection in Resonant Grounding System Based on Median Complementary Ensemble Empirical Mode Decomposition and Multiscale Permutation Entropy Normalization and K-Means Algorithm. Processes 2025, 13, 475. https://doi.org/10.3390/pr13020475
Li Y, Li C, Cao W. Research on Single-Phase Grounding Fault Line Selection in Resonant Grounding System Based on Median Complementary Ensemble Empirical Mode Decomposition and Multiscale Permutation Entropy Normalization and K-Means Algorithm. Processes. 2025; 13(2):475. https://doi.org/10.3390/pr13020475
Chicago/Turabian StyleLi, Yueheng, Chen Li, and Wensi Cao. 2025. "Research on Single-Phase Grounding Fault Line Selection in Resonant Grounding System Based on Median Complementary Ensemble Empirical Mode Decomposition and Multiscale Permutation Entropy Normalization and K-Means Algorithm" Processes 13, no. 2: 475. https://doi.org/10.3390/pr13020475
APA StyleLi, Y., Li, C., & Cao, W. (2025). Research on Single-Phase Grounding Fault Line Selection in Resonant Grounding System Based on Median Complementary Ensemble Empirical Mode Decomposition and Multiscale Permutation Entropy Normalization and K-Means Algorithm. Processes, 13(2), 475. https://doi.org/10.3390/pr13020475

