Assessing the Viability of Hydrogen-Based Wind Energy Conversion and Transmission Systems Versus the Existing Electrical-Based System—A Comprehensive Review
Abstract
1. Introduction
2. Background of the Comprehensive Review
3. Materials and Methods
- Focus on wind-to-hydrogen and wind-to-electricity systems;
- Techno-economic studies on hydrogen as an energy carrier for offshore wind;
- Peer-reviewed or industry-recognised sources.
4. Comparative State-of-the-Art Literature Review
4.1. Wind Energy Conversion and Transmission System Review
4.2. Review of the Wind Energy-to-Electricity Conversion and Transmission Systems
4.3. Review of the Wind-to-Electricity Energy Conversion Systems
4.3.1. The Wind Turbine
- Horizontal-Axis Wind Turbines (HAWTs)
- 2.
- Vertical-Axis Wind Turbine (VAWT)
4.3.2. The Generator
- A.
- The Asynchronous (Induction) Generators
- The Wound Rotor Induction Generator (WRIG)The WRIG has its wound rotor windings connected externally using slip rings, brushes, or power electronics equipment. The rotor can be accessed using the slip power recovery configuration, which gives this configuration the advantage of a full generator control using only a fraction of the power required by the power conditioning unit [24]. However, this configuration is disadvantaged by its higher costs compared to squirrel cage induction generators (SCIGs) [15].The WRIG can be configured into the double-fed or the flex-slip induction generator, which is briefly explained as follows:
- The Optislip Induction GeneratorThe Optislip induction generator configuration was introduced in 1990 as a wound-rotor generator configuration with variable rotor resistance connected to the rotor windings. The variable rotor resistance allows a range of dynamic speed control [25].The name Optislip was coined because it has optical converter control on the rotor shaft. Slip rings are not required in this configuration due to optical control presence, which in turn, eliminates the need for brushes and maintenance, thus leading to cost reduction [25]. The disadvantage of this induction generator is that it still requires reactive compensation because of its poor control of reactive and active power.
- The Double-Fed Induction Generators (DFIGs)Double-fed induction generators (DFIGs) use partial power converters. The DFIG configuration, shown in Figure 3, requires slip rings, which are considered a disadvantage as they increase costs. The speed and torque control of this type of generator can be achieved by connecting the induction generator to a back-to-back power converter and a static wind channel.
- The Squirrel Cage Induction Generator (SCIG)The SCIG generator is mainly used in smaller and simpler projects, as it has low-speed control and reactive capacitance issues. It is favoured because of its cost-effectiveness, robustness, and simplicity. To reduce its power losses, a capacitor is usually connected to the system, as shown in Figure 4.The SCIG generator operates based on a reverse induction motor working principle, where the rotor is rotated to exceed the synchronous speed and induce slip in the opposite direction; this action makes the machine convert the mechanical energy into electrical energy.Squirrel-cage induction generators are equipped with full power converters. The use of a full power converter back-to-back can aid in reducing the drawbacks brought on by the presence of multiple gearboxes, and a soft starter can be used to reduce the current rush that occurs during early startup [27].
- B.
- The Synchronous Generators
- Wound Rotor Synchronous Generator (WRSG)This type of generator allows the direct connection of wind turbine generation to the power grid as it enables a fixed rotor speed based on the grid frequency [28].The WRSG is commonly used with large-scale wind turbines. However, because of the harsh offshore environment, maintenance access becomes difficult, giving rise to the use of a permanent magnetic synchronous generator (PMSG) for offshore wind energy conversion as it has a direct drive and no gearbox.
- Permanent Magnetic Synchronous Generator (PMSG)PMSGs are more cost-effective because they do not require an external source of power for creating the magnetic field nor do they need a slip ring. The removal of a slip ring allows for a more compact generator system as shown in Figure 5. The rotor of the PMSG contains permanent magnets that create a constant magnetic field, thus eliminating the electrical energy losses associated with the use of field windings. The PMSG has the advantage of having high-power density, gearless configuration, and no losses at the rotor copper [29]. However, the PMSG does not have a sensor; this fact brings about its disadvantages in terms of reliability and robustness [30].
4.3.3. The Electronic Power Converters
- Soft starters: A soft starter is an electrical device that gradually increases the voltage supplied to an electric motor or a generator during startup to reduce the inrush current. Soft starters are used in wind turbines, particularly in fixed-speed turbines, to allow smooth synchronisation of the generator with the grid and limit rush of current during startup, thus preventing large voltage disturbances and reducing mechanical stress on the turbine’s components. Figure 6 shows a soft starter configuration with the advantage of being cheap and simple in terms of construction and it does not require a synchronisation device. However, one of the challenges is that the turbine must operate at a fixed speed. In contrast, the wind speed is not fixed; it requires a rigid grid for it to operate stably, and because of the high mechanical stress associated with the wind gust, causing torque pulsations on the drive train, the soft starter might need a high-cost mechanical construction to withstand this stress [35].
- Capacitor bank: This component sends reactive power to the induction generators of wind turbines [36]. Wind turbines, especially those using induction generators, often require reactive power to maintain voltage levels and ensure stable operation. Capacitor banks help smooth out voltage fluctuations associated with wind variations by absorbing or releasing reactive power as needed. Switching the capacitor banks in and out as needed provides reactive power compensation, thus helping to maintain a stable voltage profile at the wind farm’s connection point to the grid. Capacitor banks also allow a better power factor, meaning the wind farm draws less current for the same amount of absolute power, thus reducing transmission losses and improving overall system efficiency.
4.3.4. The Transformers
4.4. Review of the Wind-to-Electricity Energy Transmission Systems
4.4.1. The Alternating Current (AC) Transmission System
- Reactive power compensation, also known as cable compensation, is a technique for controlling reactive capacitance. It involves strategically placing reactive power devices across the AC submarine cables to enable the absorption of reactive power and counter the capacitive effects on the cable [42]. The costs for reactive compensation are predominantly voltage dependent; compensation devices at higher voltages are more expensive than those at lower voltages.
- Smart cables, also known as electronic power cables, manage reactive capacitance issues in AC transmission cables. This technique utilises converters and inverters to regulate reactive power flow as needed, enabling the system to be adjusted in real-time [43].
4.4.2. The Direct Current (DC) Transmission System
4.4.3. The Collection and Transmission Setups
- A.
- The DC Collection for DC Transmission
- B.
- The AC Collection for DC Transmission
4.4.4. Comparative Analysis of the AC and the DC Collection and Transmission Systems
4.5. Review of the Economics of Wind-to-Electricity Energy Conversion and Transmission Systems
4.5.1. Economic Review of the AC and the DC Transmission Systems
- A.
- The Capital Costs
- B.
- The Operating and Maintenance (O&M) Costs
4.5.2. Economic Review of the Offshore Wind-to-Electricity Conversion System
4.6. Review on the Wind Energy-to-Hydrogen Conversion and Transmission Systems
4.6.1. Hydrogen Overview
4.6.2. Hydrogen Production
4.7. Review of the Wind-to-Hydrogen Energy Conversion Systems
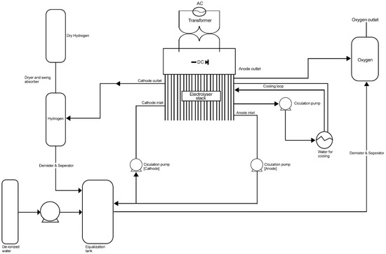
The Wind-to-Hydrogen Energy Conversion (Electrolysers)
- Simple start-and-stop strategy: This control strategy is as simple as its name suggests. It is achieved by arranging electrolysers in an array. The input power supplies energy to the first electrolyser until the electrolyser has optimal energy, at which point the excess power is sent to the second electrolyser. As the power from the renewable energy source continues to increase, it is allocated across the electrolyser array. This system remains in effect until a power overload occurs, at which point the electrolysers enter power overload mode. To prevent the electrolysers from continuously operating in power overload mode, the system periodically turns them off. During a low-wind period, when there is insufficient power to run all the electrolysers, they will shut down sequentially and come back online in the same order when power becomes available. The main disadvantage of the start-and-stop control system is the potential for preferential electrolyser wear, as some electrolysers would always be powered. In contrast, others would only receive power during periods of high renewable energy.
- Rotational Strategy: This strategy balances the issue of preferential electrolyser overload. Control is achieved by dynamic power allocation. The electrolysers are allocated power in time steps (Trs), so at every Tr, the electrolyser power allocation priority order changes. This time step method is also used when allocating overload power.
| Electrolyser Type | Current Density | Voltage at 1 A/cm3 | Overpotentials | Design Parameters That Affect Overpotentials | References |
|---|---|---|---|---|---|
| PEM | 0.01 A/cm2–5 A/cm2 | 1.8–2.0 v | The PEM electrolyser is mainly affected by ohmic, mass transport, and activation overpotentials. | Current density, charge transfer processes, electrical resistance, and reactant flow rates. | [69] |
| AEL | 1.8 A/cm2–5.0 A/cm2 | 1.88–1.92 V | The AEL electrolyser is mainly affected by the ohmic overpotential and activation potential | Operating temperature and pressure, electrolyte calculation, and membrane resistance. | [70,71] |
| SOEC | 0.3 A/cm2–1.5 A/cm2 | <1.3 V | The SOEC electrolyser is mainly affected by electrolyte, electrode, and ohmic overpotential. | Electrode material, electrolyte material, cell and stack design, impurity mitigation, buffer layers, and microstructure engineering. | [72,73] |
- A.
- The Electrolysis Platform
- B.
- The Desalination Unit for Sea Water
- C.
- The Transformers
- D.
- Pumps, Compressors, and Separators
4.8. Review of the Wind-to-Hydrogen Energy Transmission Systems
Compressor Station, Metering Station, and Valves for Repurposing Existing Pipelines (Review)
- A.
- The Compressor Stations
- B.
- The Valves and Metering Stations
4.9. Review on the Economics of Hydrogen as an Energy Carrier for Offshore Wind
4.10. Economic Analysis and Harmonisation of Data Sets
4.11. State-of-the-Art Cost Comparative Analysis for the Transmission System
5. A Reflective Analysis of Wind-to-Electricity Versus Wind-to-Hydrogen Energy Systems
6. Conclusions
Author Contributions
Funding
Data Availability Statement
Conflicts of Interest
Abbreviations
| HVDC | High Voltage Direct Current |
| HVAC | High Voltage Alternating Current |
| LFAC | Low Frequency Alternating Current |
| H2 | Hydrogen |
| NG | Natural Gas |
| SWOT | Strength Weaknesses Opportunities Threats |
| HAWT | Horizontal Axis Wind Turbine |
| CFD | Computational Fluid Dynamics |
| VAWT | Vertical Axis Wind Turbine |
| SCIG | Squirrel cage induction generators |
| WRIG | The Wound Rotor Induction Generator |
| DFIG | The Double-fed Induction Generators |
| WRSG | Wound Rotor Synchronous Generator |
| PMSG | Permanent Magnetic Synchronous Generator |
| CAPEX | Capital Expenditure |
| OPEX | Operating Expenditure |
| PEM | Polymer Electrolyte Membrane |
| DC | Direct Current |
| AC | Alternating Current |
| AEL | Alkaline Electrolyser |
| SOEC | Solid Oxide Electrolyser Cell |
| WACC | Weighted Average Cost of Capital |
References
- Estate, C. UK Offshore Wind Report 2023. Crown Estate, UK. 2023. Available online: https://www.datocms-assets.com/136653/1720789954-11964_offshorewindreport_2023_final300424.pdf (accessed on 23 October 2024).
- Guo, Y.; Wang, H.; Lian, J. Review of integrated installation technologies for offshore wind turbines: Current progress and future development trends. Energy Convers. Manag. 2022, 255, 115319. [Google Scholar] [CrossRef]
- Li, Z.; Song, Q.; An, F.; Zhao, B.; Yu, Z.; Zeng, R. Review on DC transmission systems for integrating large-scale offshore wind farms. Energy Convers. Econ. 2021, 2, 1–14. [Google Scholar] [CrossRef]
- Enevoldsen, P.; Valentine, S.V. Do onshore and offshore wind farm development patterns differ? Energy Sustain. Dev. 2016, 35, 41–51. [Google Scholar] [CrossRef]
- Weimann, L.; Gabrielli, P.; Boldrini, A.; Kramer, G.J.; Gazzani, M. Optimal hydrogen production in a wind-dominated zero-emission energy system. Adv. Appl. Energy 2021, 3, 100032. [Google Scholar] [CrossRef]
- Ferrario, A.M.; Bartolini, A.; Manzano, F.S.; Vivas, F.J.; Comodi, G.; McPhail, S.J.; Andujar, J.M. A model-based parametric and optimal sizing of a battery/hydrogen storage of a real hybrid microgrid supplying a residential load: Towards island operation. Adv. Appl. Energy 2021, 3, 100048. [Google Scholar] [CrossRef]
- Dolphyn Hydrogen. Our Hydrogen Production Trials. Available online: https://www.dolphynhydrogen.com/production-trials (accessed on 18 February 2025).
- LHYFE. Sealhyfe. Available online: https://www.lhyfe.com/production-unit/sealhyfe/ (accessed on 18 February 2025).
- Harrison, K. Wind-to-Hydrogen Project. Available online: https://www.nrel.gov/hydrogen/wind-to-hydrogen (accessed on 18 February 2025).
- H2MARE. How the H2Mare Project Intends to Produce Hydrogen Offshore. Available online: https://www.wasserstoff-leitprojekte.de/projects/h2mare (accessed on 18 February 2025).
- EDF Renewables. Tees Green Hydrogen. Available online: https://www.edf-powersolutions.uk/our-sites/tees-hydrogen/ (accessed on 18 February 2025).
- Nye, K. RWE and SGN Announce Green Hydrogen Partnership for Domestic Heat in Scotland. Available online: https://www.rwe.com/en/press/rwe-generation/2022-06-14-rwe-and-sgn-announce-green-hydrogen-partnership-for-domestic-heat-in-scotland/ (accessed on 18 February 2025).
- Abdullah, M.A.; Yatim, A.H.M.; Tan, C.W.; Saidur, R. A review of maximum power point tracking algorithms for wind energy systems. Renew. Sustain. Energy Rev. 2012, 16, 3220–3227. [Google Scholar] [CrossRef]
- Hannan, M.A.; Al-Shetwi, A.Q.; Mollik, M.S.; Ker, P.J.; Mannan, M.; Mansor, M.; Al-Masri, H.M.K.; Mahlia, T.M.I. Wind Energy Conversions, Controls, and Applications: A Review for Sustainable Technologies and Directions. Sustainability 2023, 15, 3986. [Google Scholar] [CrossRef]
- Mahela, O.P.; Shaik, A.G. Comprehensive overview of grid interfaced wind energy generation systems. Renew. Sustain. Energy Rev. 2016, 57, 260–281. [Google Scholar] [CrossRef]
- Dani, A.; Benlamlih, M.; Mekrini, Z.; El Mrabet, M.; Boulaala, M. Wind Energy Conversion Technologies and Control Strategies: A Review. Int. J. Renew. Energy Res. 2024, 14, 140–154. [Google Scholar] [CrossRef]
- Koutroulis, E. 5.17 energy management in wind energy systems. In Comprehensive Energy Systems; Dincer, I., Ed.; Elsevier: Amsterdam, The Netherlands, 2018. [Google Scholar] [CrossRef]
- Li, J.; Wang, G.; Li, Z.; Yang, S.; Chong, W.T.; Xiang, X. A review on development of offshore wind energy conversion system. Int. J. Energy Res. 2020, 44, 9283–9297. [Google Scholar] [CrossRef]
- Price, T.J. James Blyth—Britain’s first modern wind power pioneer. Wind Eng. 2005, 29, 191–200. [Google Scholar] [CrossRef]
- Meng, H.; Lien, F.; Li, L. Elastic actuator line modelling for wake-induced fatigue analysis of horizontal axis wind turbine blade. Renew. Energy 2018, 116, 423–437. [Google Scholar] [CrossRef]
- Kaviani, H.R.; Moshfeghi, M. Multi-Megawatt Horizontal Axis Wind Turbine Blade Optimization Based on PSO Method. Aerospace 2023, 10, 158. [Google Scholar] [CrossRef]
- Liu, J.; Lin, H.; Zhang, J. Review on the technical perspectives and commercial viability of vertical axis wind turbines. Ocean Eng. 2019, 182, 608–626. [Google Scholar] [CrossRef]
- Xue, P.; Wan, Y.; Takahashi, J.; Akimoto, H. Structural optimization using a genetic algorithm aiming for the minimum mass of vertical axis wind turbines using composite materials. Heliyon 2024, 10, e33185. [Google Scholar] [CrossRef]
- Nayar, C.V.; Islam, S.M.; Dehbonei, H.; Tan, K.; Sharma, H. 25—Power electronics for renewable energy sources. In Power Electronics Handbook, 4th ed.; Rashid, M.H., Ed.; Elsevier: Amsterdam, The Netherlands, 2018. [Google Scholar] [CrossRef]
- Ackermann, T. (Ed.) Wind Power in Power Systems; John Wiley & Sons: Hoboken, NJ, USA, 2005; pp. 53–78. [Google Scholar]
- Caliao, N.D. Dynamic modelling and control of fully rated converter wind turbines. Renew. Energy 2011, 36, 2287–2297. [Google Scholar] [CrossRef]
- Cheng, M.; Zhu, Y. The state of the art of wind energy conversion systems and technologies: A review. Energy Convers. Manag. 2014, 88, 332–347. [Google Scholar] [CrossRef]
- Hansen, A.D. Chapter 8—Wind turbine technologies. In Wind Energy Engineering, 2nd ed.; Letcher, T.M., Ed.; McGraw Hill Professional: Columbus, OH, USA, 2023. [Google Scholar] [CrossRef]
- Alnasir, Z.; Kazerani, M. An analytical literature review of stand-alone wind energy conversion systems from generator viewpoint. Renew. Sustain. Energy Rev. 2013, 28, 597–615. [Google Scholar] [CrossRef]
- Jiang, R.; Wang, J.; Guan, Y. Overview of multi-MW wind turbines and wind parks. IEEE Trans. Ind. Electron. 2011, 58, 1081–1095. [Google Scholar] [CrossRef]
- Hansen, L.H.; Helle, L.; Blaabjerg, F.; Ritchie, E.; Munk-Nielsen, S.; Bindner, H.; Soerensen, P.; Bak-Jensen, B. Conceptual Survey of Generators and Power Electronics for Wind Turbines; Forskningscenter Risoe: Roskilde, Denmark, 2001.
- Altın, M.; Göksu, Ö.; Teodorescu, R.; Rodriguez, P.; Jensen, B.B.; Helle, L. Overview of recent grid codes for wind power integration. In Proceedings of the 2010 12th International Conference on Optimization of Electrical and Electronic Equipment (OPTIM 2010), Brasov, Romania, 20–22 May 2010. [Google Scholar]
- Wang, Y.; Lucia, O.; Zhang, Z.; Guan, Y.; Xu, D. Review of Very High Frequency Power Converters and Related Technologies. IET Power Electron. 2020, 13, 1711–1721. [Google Scholar] [CrossRef]
- Muller, S.; Deicke, M.; De Doncker, R.W. Doubly fed induction generator systems for wind turbines. IEEE Ind. Appl. Mag. 2002, 8, 26–33. [Google Scholar] [CrossRef]
- Blaabjerg, F.; Liserre, M.; Ma, K. Power electronics converters for wind turbine systems. IEEE Trans. Ind. Appl. 2011, 48, 708–719. [Google Scholar] [CrossRef]
- Erickson, R.W.; Maksimovic, D. Fundamentals of Power Electronics; Springer: New York, NY, USA, 2007. [Google Scholar]
- Kumar, A.; Jhampati, S.; Suri, R. HVDC converter stations design for LCC based HVDC transmission system-key consideration. In Proceedings of the 14th IEEE India Council International Conference, Roorkee, India, 15–17 December 2017; pp. 1–6. [Google Scholar]
- Liu, G.; Fan, M.; Wang, P.; Zheng, M. Study on Reactive Power Compensation Strategies for Long Distance Submarine Cables Considering Electrothermal Coordination. J. Mar. Sci. Eng. 2021, 9, 90. [Google Scholar] [CrossRef]
- Neumann, A.P.; Mulroy, M.J.; Ebden, C. The use of 66kV technology for offshore wind demonstration sites. In Proceedings of the 3rd Renewable Power Generation Conference (RPG 2014), Naples, Italy, 24–25 September 2014. [Google Scholar] [CrossRef]
- González, J.S.; Payán, M.B.; Santos, J.R. Optimum design of transmissions systems for offshore wind farms including decision making under risk. Renew. Energy 2013, 59, 115–127. [Google Scholar] [CrossRef]
- Wiechowski, W.; Eriksen, P.B. Selected studies on offshore wind farm cable connections—Challenges and experience of the danish TSO. In Proceedings of the 2008 IEEE Power and Energy Society General Meeting—Conversion and Delivery of Electrical Energy in the 21st Century, Pittsburgh, PA, USA, 20–24 July 2008. [Google Scholar] [CrossRef]
- Bengtsson, C.; Khorami, M.; Gajic, Z. Dynamic Compensation of Reactive Power by Variable Shunt Reactors—Control Strategies and Algorithms. Water Energy Int. 2012, 70, 54. [Google Scholar]
- Bhatt, P. Smart Wires and Modular FACTS Controllers for Smart Grid Applications: A Review. J. Electr. Eng. Autom. 2022, 3, 286–304. [Google Scholar] [CrossRef]
- Alassi, A.; Bañales, S.; Ellabban, O.; Adam, G.; MacIver, C. HVDC Transmission: Technology Review, Market Trends and Future Outlook. Renew. Sustain. Energy Rev. 2019, 112, 530–554. [Google Scholar] [CrossRef]
- Hingorani, N. High-voltage DC transmission: A power electronics workhorse. IEEE Spectr. 1996, 33, 63–72. [Google Scholar] [CrossRef]
- Bala, J.P.S.; Sandeberg, M.C.P. DC connection of offshore wind power plants without platform. In Proceedings of the 13th Wind Integration Workshop, Berlin, Germany, 11–13 November 2014. [Google Scholar]
- Mau, C.N.; Rudion, K.; Orths, A.; Eriksen, P.B.; Abildgaard, H.; Styczynski, Z.A. Grid connection of offshore wind farm based DFIG with low frequency AC transmission system. In Proceedings of the 2012 IEEE Power and Energy Society General Meeting, San Diego, CA, USA, 22–26 July 2012. [Google Scholar]
- Rahman, S.; Khan, I.; Alkhammash, H.I.; Nadeem, M.F. A Comparison Review on Transmission Mode for Onshore Integration of Offshore Wind Farms: HVDC or HVAC. Electronics 2021, 10, 1489. [Google Scholar] [CrossRef]
- May, T.W.; Yeap, Y.M.; Ukil, A. Comparative Evaluation of Power Loss in HVAC and HVDC Transmission Systems. In Proceedings of the 2016 IEEE Region 10 Conference (TENCON), Singapore, 22–26 November 2016. [Google Scholar] [CrossRef]
- Yang, B.; Liu, B.; Zhou, H.; Wang, J.; Yao, W.; Wu, S.; Shu, H.; Ren, Y. A critical survey of technologies of large offshore wind farm integration: Summary, advances, and perspectives. Prot. Control Mod. Power Syst. 2022, 7, 17. [Google Scholar] [CrossRef]
- Liu, Y.H.; Perera, L.B.; Arrillaga, J.; Watson, N.R. A back to back HVDC link with multilevel current reinjection converters. IEEE Trans. Power Deliv. 2007, 22, 1904–1909. [Google Scholar] [CrossRef]
- Rinaldi, G.; Thies, P.R.; Johanning, L. Current Status and Future Trends in the Operation and Maintenance of Offshore Wind Turbines: A Review. Energies 2021, 14, 2484. [Google Scholar] [CrossRef]
- Kucuksari, S.; Erdogan, N.; Cali, U. Impact of electrical topology, capacity factor and line length on economic performance of offshore wind investments. Energies 2019, 12, 3191. [Google Scholar] [CrossRef]
- Morthorst, P.E.; Kitzing, L. 2—Economics of building and operating offshore wind farms. In Offshore Wind Farms; Ng, C., Ran, L., Eds.; Woodhead Publishing: Sawston, UK, 2016. [Google Scholar] [CrossRef]
- Ports, P. Offshore Wind Project Cost Outlook, 2014 ed.; Clean Energy Pipeline; VB/Research Ltd.: London, UK, 2014.
- Board, R.A. Value Breakdown for the Offshore Wind Sector. A Report Commissioned by the Renewables Advisory Board. Available online: https://assets.publishing.service.gov.uk/media/5a7582c940f0b6360e474ae4/2806-value-breakdown-offshore-wind-sector.pdf (accessed on 18 February 2025).
- Green, J.; Bowen, A.; Fingersh, L.J.; Wan, Y.H. Electrical collection and transmission systems for offshore wind power. In Offshore Technology Conference; OTC Publishing: Boca Raton, FL, USA, 2007. [Google Scholar]
- Sun, W.; Vasu, S.; Blais, M.S. Chapter 2—Fundamentals. In Machinery and Energy Systems for the Hydrogen Economy; Brun, K., Allison, T., Eds.; Elsevier: Amsterdam, The Netherlands, 2022. [Google Scholar] [CrossRef]
- Usman, M.R. Hydrogen storage methods: Review and current status. Renew. Sustain. Energy Rev. 2022, 167, 112743. [Google Scholar] [CrossRef]
- Zhou, C.; Yang, Z.; Chen, G.; Zhang, Q.; Yang, Y. Study on leakage and explosion consequence for hydrogen blended natural gas in urban distribution networks. Int. J. Hydrogen Energy 2022, 47, 27096–27115. [Google Scholar] [CrossRef]
- Ishaq, H.; Dincer, I.; Crawford, C. A review on hydrogen production and utilization: Challenges and opportunities. Int. J. Hydrogen Energy 2022, 47, 26238–26264. [Google Scholar] [CrossRef]
- Nikolaidis, P.; Poullikkas, A. A comparative overview of hydrogen production processes. Renew. Sustain. Energy Rev. 2017, 67, 597–611. [Google Scholar] [CrossRef]
- Zhu, Q.; Cheng, W.; Yang, J.; Sun, H.; Liu, W.; Li, H. Optimizing efficiency of proton exchange membrane electrolyzer system based on multiphysics model and differential evolution strategy. J. Power Sources 2024, 621, 235270. [Google Scholar] [CrossRef]
- Lee, J.K.; Lee, C.; Fahy, K.F.; Zhao, B.; LaManna, J.M.; Baltic, E.; Jacobson, D.L.; Hussey, D.S.; Bazylak, A. Critical Current Density as a Performance Indicator for Gas-Evolving Electrochemical Devices. Cell Rep. Phys. Sci. 2020, 1, 100147. [Google Scholar] [CrossRef]
- Aguirre, O.A.; Ocampo-Martinez, C.; Camacho, O. Control strategies for alkaline water electrolyzers: A survey. Int. J. Hydrogen Energy 2024, 86, 1195–1213. [Google Scholar] [CrossRef]
- Grüger, F.; Hoch, O.; Hartmann, J.; Robinius, M.; Stolten, D. Optimized electrolyzer operation: Employing forecasts of wind energy availability, hydrogen demand, and electricity prices. Int. J. Hydrogen Energy 2019, 44, 4387–4397. [Google Scholar] [CrossRef]
- Franco, A.; Giovannini, C. Recent and Future Advances in Water Electrolysis for Green Hydrogen Generation: Critical Analysis and Perspectives. Sustainability 2023, 15, 16917. [Google Scholar] [CrossRef]
- Arsad, A.; Hannan, M.; Al-Shetwi, A.Q.; Begum, R.; Hossain, M.; Ker, P.J.; Mahlia, T.I. Hydrogen electrolyser technologies and their modelling for sustainable energy production: A comprehensive review and suggestions. Int. J. Hydrogen Energy 2023, 48, 27841–27871. [Google Scholar] [CrossRef]
- Tijani, A.S.; Ghani, M.A.; Rahim, A.A.; Muritala, I.K.; Mazlan, F.A.B. Electrochemical characteristics of (PEM) electrolyzer under influence of charge transfer coefficient. Int. J. Hydrogen Energy 2019, 44, 27177–27189. [Google Scholar] [CrossRef]
- Firtina-Ertis, I. Thermodynamic and electrochemical assessment of an alkaline electrolyzer (AE) at different operating parameters. J. Environ. Chem. Eng. 2022, 10, 107225. [Google Scholar] [CrossRef]
- de Groot, M.T.; Kraakman, J.; Barros, R.L.G. Optimal operating parameters for advanced alkaline water electrolysis. Int. J. Hydrogen Energy 2022, 47, 34773–34783. [Google Scholar] [CrossRef]
- Hauch, A.; Blennow, P. Solid oxide electrolysis cells—Interplay between operating conditions, fuel electrode overpotential and degradation. Solid State Ionics 2023, 391, 116127. [Google Scholar] [CrossRef]
- Zhang, X.; Liu, B.; Yang, Y.; Li, J.; Li, J.; Zhao, Y.; Jia, L.; Sun, Y. Advances in component and operation optimization of solid oxide electrolysis cell. Chin. Chem. Lett. 2023, 34, 108035. [Google Scholar] [CrossRef]
- Niblett, D.; Delpisheh, M.; Ramakrishnan, S.; Mamlouk, M. Review of next generation hydrogen production from offshore wind using water electrolysis. J. Power Sources 2024, 592, 233904. [Google Scholar] [CrossRef]
- Gallandat, N.; Romanowicz, K.; Züttel, A. An Analytical Model for the Electrolyser Performance Derived from Materials Parameters. J. Power Energy Eng. 2017, 5, 34–49. [Google Scholar] [CrossRef]
- Mohammed-Ibrahim, J.; Moussab, H. Recent advances on hydrogen production through seawater electrolysis. Mater. Sci. Energy Technol. 2020, 3, 780–807. [Google Scholar] [CrossRef]
- Kiand, F.H. Supply of desalinated water by the private sector: 30 MGD singapore seawater desalination plant. In Proceedings of the MEDRC International Conference on Desalination Costing, Lemesos, Cyprus, 6–8 December 2004. [Google Scholar]
- Vrouwenvelder, J.S.; Von Der Schulenburg, D.G.; Kruithof, J.C.; Johns, M.L.; Van Loosdrecht, M.C. Biofouling of spiral-wound nanofiltration and reverse osmosis membranes: A feed spacer problem. Water Res. 2009, 43, 583–594. [Google Scholar] [CrossRef] [PubMed]
- Fariñas, M.; López, L.Á. New and innovative sea water intake system for the desalination plant at San Pedro del Pinatar. Desalination 2007, 203, 199–217. [Google Scholar] [CrossRef]
- Taibi, E.; Miranda, R.; Carmo, M.; Blanco, H. Green Hydrogen Cost Reduction; International Renewable Energy Agency (IRENA): Abu Dhabi, United Arab Emirates, 2020.
- Zawawi, N.W.; Liew, M.S.; Na, K.L. Decommissioning of offshore platform: A sustainable framework. In Proceedings of the 2012 IEEE Colloquium on Humanities, Science and Engineering (CHUSER), Kota Kinabalu, Malaysia, 3–4 December 2012. [Google Scholar] [CrossRef]
- Lipiäinen, S.; Lipiäinen, K.; Ahola, A.; Vakkilainen, E. Use of existing gas infrastructure in European hydrogen economy. Int. J. Hydrogen Energy 2023, 48, 31317–31329. [Google Scholar] [CrossRef]
- Scarsciafratte, D.; Torselletti, E.; Aloigi, E.; Santicchia, A.; Arcangeletti, G. Fracture mechanics at the core of hydrogen pipelines design: A fracture mechanics approach in design life prediction based on material performance measured in H2 environment. In Proceedings of the ASME 2025 Pressure Vessels & Piping Conference, Montreal, QC, Canada, 20–25 July 2025. [Google Scholar] [CrossRef]
- Zhao, F.; Wang, Z.; Dong, B.; Li, M.; Ji, Y.; Han, F. Comprehensive life cycle cost analysis of ammonia-based hydrogen transportation scenarios for offshore wind energy utilization. J. Clean. Prod. 2023, 429, 139616. [Google Scholar] [CrossRef]
- Parfomak, P.W. Pipeline Transportation of Hydrogen: Regulation, Research, and Policy. R46700. 2021. Available online: https://www.congress.gov/crs-product/R46700 (accessed on 18 February 2025).
- Brown, D.; Reddi, K.; Elgowainy, A. The development of natural gas and hydrogen pipeline capital cost estimating equations. Int. J. Hydrogen Energy 2022, 47, 33813–33826. [Google Scholar] [CrossRef]
- Sayani, J.K.S.; Wang, M.; Ma, Z.; Sharan, P.; Mehana, M.; Chen, B. Techno-economic analysis of hydrogen transport via repurposed natural gas pipelines: Flow dynamics and infrastructure tradeoffs. Int. J. Hydrogen Energy 2025, 147, 150033. [Google Scholar] [CrossRef]
- Cerniauskas, S.; Junco, A.J.C.; Grube, T.; Robinius, M.; Stolten, D. Options of natural gas pipeline reassignment for hydrogen: Cost assessment for a Germany case study. Int. J. Hydrogen Energy 2020, 45, 12095–12107. [Google Scholar] [CrossRef]
- Télessy, K.; Barner, L.; Holz, F. Repurposing natural gas pipelines for hydrogen: Limits and options from a case study in Germany. Int. J. Hydrogen Energy 2024, 80, 821–831. [Google Scholar] [CrossRef]
- Yu, Q.; Hao, Y.; Ali, K.; Hua, Q.; Sun, L. Techno-economic analysis of hydrogen pipeline network in China based on levelized cost of transportation. Energy Convers. Manag. 2024, 301, 118025. [Google Scholar] [CrossRef]
- Lumb, A.B. Chapter 3—Respiratory system resistance. In Nunn’s Applied Respiratory Physiology, 8th ed.; Lumb, A.B., Ed.; Elsevier: Amsterdam, The Netherlands, 2017. [Google Scholar] [CrossRef]
- Horbaniuc, B.D. Refrigeration and air-conditioning. In Encyclopedia of Energy; Cleveland, C.J., Ed.; Elsevier: Amsterdam, The Netherlands, 2004. [Google Scholar] [CrossRef]
- Dodds, P.E.; Demoullin, S. Conversion of the UK gas system to transport hydrogen. Int. J. Hydrogen Energy 2013, 38, 7189–7200. [Google Scholar] [CrossRef]
- Hollingsworth, J.; Phillippi, G.; Hinchliff, M.; Kulhanek, C.; Rimpel, A.M.; Maywald, F. Reciprocating compressors. In Compression Machinery for Oil and Gas; Elsevier: Amsterdam, The Netherlands, 2019. [Google Scholar]
- Nie, D.; Chen, X.; Fan, Z.; Wu, Q. Failure analysis of a slot-welded impeller of recycle hydrogen centrifugal compressor. Eng. Fail. Anal. 2014, 42, 1–9. [Google Scholar] [CrossRef]
- Witkowski, A.; Rusin, A.; Majkut, M.; Stolecka, K. Comprehensive analysis of hydrogen compression and pipeline transportation from thermodynamics and safety aspects. Energy 2017, 141, 2508–2518. [Google Scholar] [CrossRef]
- Witkowski, A.; Rusin, A.; Majkut, M.; Stolecka, K. Analysis of compression and transport of the methane/hydrogen mixture in existing natural gas pipelines. Int. J. Press. Vessel. Pip. 2018, 166, 24–34. [Google Scholar] [CrossRef]
- White, B.; Kreuz, T.; Simons, S. Chapter 9—Midstream. In Compression Machinery for Oil and Gas; Brun, K., Kurz, R., Eds.; Elsevier: Amsterdam, The Netherlands, 2019. [Google Scholar] [CrossRef]
- Folga, S.M.; Decision and Information Sciences Division; Argonne National Laboratory. Natural Gas Pipeline Technology Overview; osti_925391; Argonne National Laboratory: Oak Ridge, TN, USA, 2007; pp. 1–12. [CrossRef]
- Bard, J.; Gerhardt, N.; Selzam, P.; Beil, M.; Wiemer, M.; Buddensiek, M. The Limitations of Hydrogen Blending in the European Gas Grid; Fraunhofer-Institut für Energiewirtschaft und Energiesystemtechnik IEE: Kassel, Germany, 2022. [Google Scholar]
- Guandalini, G.; Colbertaldo, P.; Campanari, S. Dynamic modeling of natural gas quality within transport pipelines in presence of hydrogen injections. Appl. Energy 2017, 185, 1712–1723. [Google Scholar] [CrossRef]
- Giampieri, A.; Ling-Chin, J.; Roskilly, A.P. Techno-economic assessment of offshore wind-to-hydrogen scenarios: A UK case study. Int. J. Hydrogen Energy 2024, 52, 589–617. [Google Scholar] [CrossRef]
- Krishnan, S.; Koning, V.; de Groot, M.T.; de Groot, A.; Mendoza, P.G.; Junginger, M.; Kramer, G.J. Present and future cost of alkaline and PEM electrolyser stacks. Int. J. Hydrogen Energy 2023, 48, 32313–32330. [Google Scholar] [CrossRef]
- Kim, A.; Kim, H.; Choe, C.; Lim, H. Feasibility of offshore wind turbines for linkage with onshore green hydrogen demands: A comparative economic analysis. Energy Convers. Manag. 2023, 277, 116662. [Google Scholar] [CrossRef]
- Naranjo, J.E.; Caiza, G.; Velastegui, R.; Castro, M.; Alarcon-Ortiz, A.; Garcia, M.V. A Scoping Review of Pipeline Maintenance Methodologies Based on Industry 4.0. Sustainability 2022, 14, 16723. [Google Scholar] [CrossRef]
- Hill, S.J.P.; Bamisile, O.; Hatton, L.; Staffell, I.; Jansen, M. The cost of clean hydrogen from offshore wind and electrolysis. J. Clean. Prod. 2024, 445, 141162. [Google Scholar] [CrossRef]
- Kang, T.; Gbadago, D.Q.; Hwang, S. Techno-economic analysis and comparison of hydrogen supply using offshore wind power sources on the coast of the Korean peninsula. Int. J. Hydrogen Energy 2024, 71, 1201–1213. [Google Scholar] [CrossRef]
- Lanni, F.; Serri, L.; Manzini, G.; Travaglini, R.; Superchi, F.; Bianchini, A. Techno-Economic Analysis of Sustainable Hydrogen Production from Offshore Wind Farms: Two Italian Study Cases. Processes 2025, 13, 1219. [Google Scholar] [CrossRef]
- Rogeau, A.; Vieubled, J.; de Coatpont, M.; Nobrega, P.A.; Erbs, G.; Girard, R. Techno-economic evaluation and resource assessment of hydrogen production through offshore wind farms: A European perspective. Renew. Sustain. Energy Rev. 2023, 187, 113699. [Google Scholar] [CrossRef]
- Joyo, F.H.; Falasco, A.; Groppi, D.; Sferra, A.S.; Garcia, D.A. Hydrogen and Ammonia Production and Transportation from Offshore Wind Farms: A Techno-Economic Analysis. Energies 2025, 18, 2292. [Google Scholar] [CrossRef]
- de Azevedo, J.H.P.; Pradelle, F.; Botelho, V.; Serra, E.T.; Pradelle, R.N.C.; Braga, S.L. An integrated geospatial model for evaluating offshore wind-to-hydrogen technical and economic production potential in Brazil. Int. J. Hydrogen Energy 2025, 100, 800–815. [Google Scholar] [CrossRef]
- de Almeida, J.O.; Shadman, M.; Ramos, J.d.S.; Bastos, I.T.C.; Silva, C.; Chujutalli, J.A.H.; Amiri, M.M.; Bergman-Fonte, C.; Ferreira, G.R.L.; Carreira, E.d.S.; et al. Techno-economic analysis of hydrogen production from offshore wind: The case of Brazil. Energy Convers. Manag. 2024, 322, 119109. [Google Scholar] [CrossRef]
- Pegler, D.L.; Greaves, D.; Rawlinson-Smith, R.; Michele, S.; Conley, D.; Benhin, J. Techno-economic analysis for floating offshore wind and offshore green hydrogen. Int. J. Hydrogen Energy 2025, 103, 538–555. [Google Scholar] [CrossRef]
- Prasath, C.A. Green Hydrogen Production via Offshore Wind Electrolysis: Techno-Economic Perspectives. Natl. J. Renew. Energy Syst. Innov. 2025, 1, 8–17. [Google Scholar]
- Balcı, Y.; Erbay, C. Green hydrogen production from offshore wind: A techno-economic analysis for Türkiye. Int. J. Hydrogen Energy 2025, 97, 377–390. [Google Scholar] [CrossRef]
- Komorowska, A.; Benalcazar, P.; Kamiński, J. Evaluating the competitiveness and uncertainty of offshore wind-to-hydrogen production: A case study of Poland. Int. J. Hydrogen Energy 2023, 48, 14577–14590. [Google Scholar] [CrossRef]
- Egeland-Eriksen, T.; Jensen, J.F.; Ulleberg, Ø.; Sartori, S. Simulating offshore hydrogen production via PEM electrolysis using real power production data from a 2.3 MW floating offshore wind turbine. Int. J. Hydrogen Energy 2023, 48, 28712–28732. [Google Scholar] [CrossRef]
- Rezaei, M.; Akimov, A.; Gray, E.M.A. Techno-economics of offshore wind-based dynamic hydrogen production. Appl. Energy 2024, 374, 124030. [Google Scholar] [CrossRef]
- Lucas, T.R.; Ferreira, A.F.; Pereira, R.S.; Alves, M. Hydrogen production from the WindFloat Atlantic offshore wind farm: A techno-economic analysis. Appl. Energy 2022, 310, 118481. [Google Scholar] [CrossRef]
- Singlitico, A.; Østergaard, J.; Chatzivasileiadis, S. Onshore, offshore or in-turbine electrolysis? Techno-economic overview of alternative integration designs for green hydrogen production into Offshore Wind Power Hubs. Renew. Sustain. Energy Transit. 2021, 1, 100005. [Google Scholar] [CrossRef]
- Groenemans, H.; Saur, G.; Mittelsteadt, C.; Lattimer, J.; Xu, H. Techno-economic analysis of offshore wind PEM water electrolysis for H2 production. Curr. Opin. Chem. Eng. 2022, 37, 100828. [Google Scholar] [CrossRef]
- Ding, J.; Fu, Y.; Hsieh, I.L. The cost of green: Analyzing the economic feasibility of hydrogen production from offshore wind power. Energy Convers. Manag. X 2024, 24, 100770. [Google Scholar] [CrossRef]
- Jang, D.; Kim, K.; Kim, K.; Kang, S. Techno-economic analysis and Monte Carlo simulation for green hydrogen production using offshore wind power plant. Energy Convers. Manag. 2022, 263, 115695. [Google Scholar] [CrossRef]
- Lei, J.; Zhang, H.; Pan, J.; Zhuo, Y.; Chen, A.; Chen, W.; Yang, Z.; Feng, K.; Li, L.; Wang, B.; et al. Techno-Economic Assessment of a Full-Chain Hydrogen Production by Offshore Wind Power. Energies 2024, 17, 2447. [Google Scholar] [CrossRef]
- Semeraro, M.A. Renewable energy transport via hydrogen pipelines and HVDC transmission lines. Energy Strat. Rev. 2021, 35, 100658. [Google Scholar] [CrossRef]
- Taieb, A.; Shaaban, M. Cost analysis of electricity transmission from offshore wind farm by HVDC and hydrogen pipeline systems. In Proceedings of the 2019 IEEE PES GTD Grand International Conference and Exposition Asia (GTD Asia), Bangkok, Thailand, 19–23 March 2019; pp. 632–636. [Google Scholar]
- Miao, B.; Giordano, L.; Chan, S.H. Long-distance renewable hydrogen transmission via cables and pipelines. Int. J. Hydrogen Energy 2021, 46, 18699–18718. [Google Scholar] [CrossRef]
- Dinh, Q.V.; Pereira, P.H.; Dinh, V.N.; Nagle, A.J.; Leahy, P.G. Levelised cost of transmission comparison for green hydrogen and ammonia in new-build offshore energy infrastructure: Pipelines, tankers, and HVDC. Int. J. Hydrogen Energy 2024, 62, 684–698. [Google Scholar] [CrossRef]
- Zhang, C.; Song, P.; Hou, J.; Xiao, L.; Wang, X.; Yang, F.; Wang, X. Technical and economic analysis of hydrogen production, storage and transportation by offshore wind power in different scenarios: A Guangdong case study. Int. J. Hydrogen Energy 2024, 94, 829–837. [Google Scholar] [CrossRef]
- Di Lullo, G.; Giwa, T.; Okunlola, A.; Davis, M.; Mehedi, T.; Oni, A.; Kumar, A. Large-scale long-distance land-based hydrogen transportation systems: A comparative techno-economic and greenhouse gas emission assessment. Int. J. Hydrogen Energy 2022, 47, 35293–35319. [Google Scholar] [CrossRef]
- Li, X.; Zhao, L.; Yu, J.; Liu, X.; Zhang, X.; Liu, H.; Zhou, W. Water Splitting: From Electrode to Green Energy System. Nano-Micro Lett. 2020, 12, 131. [Google Scholar] [CrossRef] [PubMed]
- Tiwari, A. Hydrogen Leading the Green Energy Future. Adv. Mater. Lett. 2022, 13, 1690–2202. [Google Scholar] [CrossRef]
- Siagian, H.; Siagian, V. Green Innovation, Sustainability Growth Rate, and Firm Performance Evidence from Indonesia. J. Ilm. Manaj. Kesatuan 2025, 13, 3755–3764. [Google Scholar] [CrossRef]
- Aba, M.M.; Sauer, I.L.; Amado, N.B. Comparative review of hydrogen and electricity as energy carriers for the energy transition. Int. J. Hydrogen Energy 2024, 57, 660–678. [Google Scholar] [CrossRef]
- Ren, J.; Gao, S.; Liang, H.; Tan, S.; Dong, L. Chapter 1—The role of hydrogen energy: Strengths, weaknesses, opportunities, and threats☆. In Hydrogen Economy, 2nd ed.; Scipioni, A., Manzardo, A., Ren, J., Eds.; Academic Press: Cambridge, MA, USA, 2023. [Google Scholar] [CrossRef]
- Zare, K.; Mehri-Tekmeh, J.; Karimi, S. A SWOT framework for analyzing the electricity supply chain using an integrated AHP methodology combined with fuzzy-TOPSIS. Int. Strat. Manag. Rev. 2015, 3, 66–80. [Google Scholar] [CrossRef]












| Project Name | Estimated Start Year | Country | Brief Project Details | References |
|---|---|---|---|---|
| Dolphyn Hydrogen | Testing started in 2024 | United Kingdom | This North Sea project demonstrates a combination of electrolysis and desalination units powered by wind farm turbines. Starting with a single 2 MW turbine in 2024, this will be followed by a 10 MW prototype testing in 2027. | [7] |
| Sealhyfe | The first production of hydrogen for this project was in June 2023. | France | The system comprises a 1 MW electrolyser powered by a 2 MW wind turbine producing 400 kg of hydrogen per day. | [8] |
| NREL (National Renewable Energy Laboratory Wind-to-Hydrogen Project) | Started in March 2007 | United Kingdom | NREL, in partnership with Xcel Energy, conducted pilot projects like the Wind2H2 project, which employs two wind turbines (100 kW and 10 kW) for powering the electrolysers to generate hydrogen. | [9] |
| Hydrogen flagship project by Siemens Energy (H2Mare) | 2021 | Germany | This project aimed to demonstrate how specially designed wind turbines that embed electrolysers can make decentralised offshore wind-to-hydrogen projects more cost-effective than onshore projects. A 14 MW wind turbine with an electrolyser embedded at the base of its tower is being developed for the demonstration stage by 2026. | [10] |
| Tees Green Energy | 2024 | United Kingdom | This project utilises a wind farm located in Teesside, UK, as an energy source to produce green hydrogen for decarbonising local businesses, transport, and heating. This 62 MW wind farm comprises 27 turbines. | [11] |
| Campbeltown hydrogen | 2028 | United Kingdom | This project is at its concept stage. It is a partnership between RWE and SGN to demonstrate the use of hydrogen for domestic heating in Scotland. At this stage, studies are being made on the suitable electrolysers that can be connected to the RWE’s 213 MW offshore wind farm, comprising 10 wind turbines. | [12] |
| Component | Capital Cost (in Euro) | Quantity and Placement |
|---|---|---|
| Submarine cable (350 MVA 220 KV 3-CORE) | 470 K/km | For each cable |
| Installation cost for two cables and 1 m deep trenches for laying | 675 k/km/trench | For each cable trench |
| Switchgear (onshore) (275 KV and 400 KV) | 2.1 million and 2.6 million, respectively | To be placed at both ends of the transformers |
| Transformer (220/400 KV 275 MVA) | 2.34 million per transformer | For each transformer, it is required |
| Offshore substation (500 MW 220/33 KV) | 39.1 million | |
| Shunt reactor (100 MVAr at 220 KV) | 1.2 million per 100 MVAr | Placement is cable-length-dependent; however, it is required at the transformer and cable midpoint |
| Component | Capital Cost (in Euro) | Quantity and Placement |
|---|---|---|
| Single core cable (500 MW 300 KV) | 360 K/km | Per cable |
| Cable installation and 1 m deep trenches | 400 K/km | Per cable |
| Voltage source converter and switchgear (for shore end) | 68 million per converter | As needed |
| Transformer and switchgear (at wind farm) | 2.34 million and 2.6 million/400 KV substation (respectively) | For four transformers |
| Offshore platform for voltage source converter | 232 million/platform | Usually, one platform per project |
| Study | Key Drivers | Key Assumptions | Outcome | Cost |
|---|---|---|---|---|
| [87] | Pressure and compression demand, NG material compatibility, energy delivery relative to methane transport and CAPEX reduction. | Hydrogen flow modelling through an NG pipeline, where temperature is considered constant and flow is steady. Material upgrades are required to address potential hydrogen embrittlement issues. To account for this upgrade, a 10% CAPEX rate is included annually. | The study concluded that repurposing existing pipelines could reduce CAPEX by 75–90%. It provides a short-term CAPEX reduction, while new hydrogen pipelines deliver long-term benefits in terms of scalability, safety, and operational efficiency. | Repurposing costs $41.9 M and new hydrogen pipeline costs $253.9 M. |
| [88] | CAPEX reduction, NG material compatibility, role of NG infrastructure in hydrogen transport and hydrogen purification requirement. | Pipeline material assessment, OPEX are 5% of CAPEX for the pipeline and 4% OPEX for compressor and gas regulation costs. | Hydrogen transmission costs are reduced by 60% when repurposed pipelines are utilised. The use of hydrogen embrittlement inhibitors is more expensive than building new pipelines. Eighty percent of the pipeline network in Germany is suitable for repurposing. | No CAPEX was recorded; however, pipeline repurposing is slated to reduce transmission costs by 30%. |
| [89] | NG material compatibility, pipeline assessments to avoid safety issues, and establishing supply security. | Pipeline average temperature is 10 °C; CAPEX is not included for repurposing options. Electricity price is 100€/MWh, WACC is 6%, project lifetime is 40 years, and 30 years for the enhanced maintenance option. | The study concluded that pipeline repurposing options depend on more than cost alone. Factors such as social acceptance, consumer requirements, and operators’ risk appetite also play a key role in repurposing. | LCOT for repurposing options, enhanced maintenance costs 0.13€/kg, pipe-in-pipe costs 0.12€/kg and inhibitors costs 0.11€/kg. |
| [90] | LCOT increases with transmission distance; low design pressure is cost-effective for short-distance hydrogen connections, while increased design pressure is used for long-distance transmission. | Pipeline material used: X52 according to ASME B31.12, design factor: 0.4, compressor selection: reciprocating compressor of 25 MW and compression ratio of two, system lifetime: 25 years. | The study concluded that repurposing existing natural gas pipelines is less costly than building a new pipeline. The cost of repurposing would vary on a case-by-case basis. | Repurposing LCOT costs 0.5$/kg and hydrogen pipeline costs 1.12$/kg. |
| Element | Cost of Element |
|---|---|
| Electrolyser | 191,667$/MW |
| Water desalination | 1917$/(cubic metre per day) |
| Battery (for backup) | 158,958$/MW |
| Electrolyser plant element | 0.124$/MW |
| Study | Configuration | Reported LCOH | LCOH (2025 $/kg) | Key Drivers | Key Assumptions |
|---|---|---|---|---|---|
| [106] | Offshore electrolysis plus pipeline | 8.68–10.49 (euro/kg) | 9.46–11.43 | CAPEX, OPEX, WACC, electrolyser capex, offshore wind capacity factor and cost of electricity. | Characteristics of the offshore wind farm, storage, WACC, desalination, hydrogen consumption, and electrolyser operation parameters. |
| [107] | Offshore electrolysis plus pipeline | 11.40 | 11.40 | Distance to shore, electrolyser efficiency, number of turbines. | WACC, electrolyser operation parameters, characteristics of the offshore wind farm, degradation rate and system lifetime. |
| [108] | Decentralised offshore hydrogen production plus pipeline | 4.2 (euro/kg) | 4.578 | WACC, electrolyser efficiency, wind resource availability, storage, and distance from shore. | WACC is 5%, pipeline operating pressure is 50 bar (low to save compression cost and avoid hydrogen embrittlement), electrolyser efficiency is 90%. |
| [109] | Decentralised offshore hydrogen production plus pipeline | 6 (euro/kg) | 6.54 | Distance from shore, wind turbine costs, electrolyser capex, and failure rates. | System lifetime is 25 years, discount rate is 5%, wind turbine costs 1500 euro/kw, electrolyser costs 673 euro/kw. |
| [110] | Offshore electrolyser plus pipeline | 6.5 | 7.09 | Distance and electrolyser capacity. | Electrolyser capacity is 1000 MW distance from shore is 500–3000 km. |
| [111] | Offshore electrolysis | 5.35 | 5.35 | Technological readiness, CAPEX, wind speed, supply chain. | Wind resource, wind farm, and electrolyser CAPEX. |
| [112] | Offshore electrolysis plus pipeline | 4.76 | 4.76 | Wind resource, distance from shore, and water depth. Electrolyser efficiency and pipeline CAPEX. | Wind farm array, balance of plant is assumed to consume 0.0095 MW/stack, hydrogen compression and transportation is 70 bar, project lifetime and discount rate (30 years and 8%). |
| [112] | Onshore electrolysis plus HVDC | 5.09 | 5.09 | Wind resource, distance from shore and water depth, electrolyser efficiency, and electrical transmission losses. | Wind farm array, balance of plant is assumed to consume 0.0095 MW/stack, hydrogen compression and transportation is 70 bar, project lifetime and discount rate (30 years and 8%). |
| [113] | Floating offshore wind plus pipeline | 7.25 pound/kg | 9.35 | WACC, electrolyser efficiency, CAPEX, electricity costs. | Electrolyser efficiency is 55 kWh/kg.H2 to 45 kWh/kg.H2, WACC is 6%, project lifetime is 30 years. |
| [114] | Offshore electrolysis | 4.8$/kg | 4.8 | Wind farm size, location, and optimisation process. | Wind resource, wind farm and electrolyser CAPEX. |
| [114] | Onshore electrolysis | 3.9 | 3.9 | Wind farm size, location, and optimisation process. | Wind resource, wind farm, and electrolyser CAPEX. |
| [115] | Offshore electrolysis | 4.33$/kg | 4.33 | Capacity factor, CAPEX, and government incentive. | Wind farm characteristics, electrolyser specs, desalination plant, WACC, and electricity costs. |
| [116] | Offshore electrolysis | Projected LCOH (2030)-3.66 euro/kg | 3.98 | Electricity cost and electrolyser cost. | Electrolyser power is 6 MW, stack efficiency is 69%, system lifetime is 20 years, replacement cost is 40% of initial cost, OPEX is 2.2% of CAPEX. |
| [117] | Floating offshore plus pipeline | 4.53$/kg | 4.53 | Wind turbine capacity and electricity price. | CAPEX, OPEX, balance of plant, such as battery and desalination unit, control system, and electrolyser model. |
| [118] | Offshore electrolysis | 3.3$/kg, assuming fast uptake of hydrogen technology by 2040, pre-pandemic WACC of 6% | 3.3 | Learning rates, wind resource, and distance from shore, capex. | 1% degradation rate, WACC is 8%, project lifetime is 25 years, CAPEX and OPEX. |
| [119] | Offshore electrolysis plus pipeline | 4.25$/kg dependent on offshore electrolysis and wind farm size | 4.25 | Wind resource, hydrogen storage, distribution strategies, and electricity prices. | CAPEX and OPEX, oxygen sales for profit and electricity prices. |
| [102] | Offshore electrolysis plus pipeline | 4.92 pounds/kg | 6.34 | CAPEX, electrolyser, wind farm capital cost, cost of electricity, storage and transmission technology, distance to shore, future technology advancements. | Offshore wind farm characteristics, electrolyser performance, CAPEX and OPEX. |
| [120] | Offshore electrolysis plus pipeline | 2.4 euro/kg | 2.94 | Electricity cost, electrolyser size and efficiency, CAPEX and pipeline diameter. | Cost of wind turbine, electrolyser (effect can mainly be seen in small-scale projects), pipeline costs (larger pipeline diameter leads to lower costs). |
| [121] | Offshore electrolysis versus onshore electrolysis | 3.86 for onshore and 2.09 for offshore, both in $/kg | 3.86 and 2.09 | For the lower cost of LCOH, the key drivers are lower O&M costs, higher system efficiency and yield, and optimised wind farm layout. | Assumptions for O&M costs are similar for both onshore and offshore electrolysis scenarios. Modelling pipeline diameter conservatively as 7D. |
| [122] | Offshore electrolysis plus pipeline | 5.86 | 5.86 | Offshore distance, wind energy capacity factor is the most impactful factor as it relates actual wind energy output versus the turbine’s potential, CAPEX, OPEX and electrolyser configuration. | The LCOH is for 2035 future projection and system optimised based on the sensitivity factors. The article notes that the unit cost for electrical cabling is 1.3 to 1.4 times higher than that for hydrogen pipelines, and the installation per unit length is disproportionately higher. |
| [106] | Offshore electrolysis plus pipeline | 8.03 | 8.75 | WACC, CAPEX, OPEX, electrolyser costs, electricity costs, and wind farm capacity factor. | The combination of higher hydrogen production efficiency, lower CAPEX, greater flexibility, and reduced replacement costs makes the AEL scenario the cheapest option for renewable hydrogen production among the case studies. |
| [123] | Offshore electrolysis plus pipeline | 13.81 | 13.81 | As the capacity factor increases, the LCOH decreases, and the tax rate. | Improving the capacity factor through technological progress can significantly enhance the cost-competitiveness of green hydrogen production from offshore wind power. |
| [124] | Offshore electrolysis plus pipeline | 3.6 | 3.6 | Electricity price and distance. | Distance to shore and method of transmission. |
| Study | Study Distance Threshold | Transmission System | Key Assumption Causing Distance Variation |
|---|---|---|---|
| [125] | 322 km–1609 km | HVDC versus pipeline | At 1609 km, pipeline transport becomes cheaper than HVDC transmission lines. High level values were allocated to the cost and design parameter due to the lack of real-world values. |
| [125,126] | 60–1060 km for 10 years of operation | HVDC versus pipeline | At 510 km, the transmission losses from HVDC become equal to the losses from the hydrogen pipeline. HVDC losses increase with distance because the transmission line CAPEX and losses are dependent on distance. For the hydrogen pipeline, there is a rise in cost by a little because the energy losses are not dependent on distance. But when you consider overall cost, the pipeline becomes feasible at 710 km with lower losses. |
| [127] | 4000 km as base case | HVDC versus pipeline | The base case analysis arrived at the conclusion that at 4000 km, hydrogen pipeline is more economical than HVDC cables. The reason for this is transmission efficiency; at long distances, pipelines experience less losses compared to transmission cables. The pipeline CAPEX is also cheaper than the HVDC CAPEX when normalised to 1000 MW transmission capacity. |
| [128] | 500 km–2000 km | Tanker vs. pipeline vs. HVDC | The study concluded that the economic feasibility of a transmission system option is dependent on transmission distance and electrolyser capacity. For pipelines, the distance threshold was calculated at 200 km–500 km for large distances. Tankers become more feasible as the distance and electrolyser capacity increase at 2500 MW and 2000 km. |
| [129] | 25 km–185 km | HVAC vs. pipelines | Due to the shorter distance threshold, HVAC option is the most economically attractive. This is because wind power increases rapidly with distance. The threshold for HVAC viability is 150 km; beyond that distance, pipelines become more economically attractive because of transmission losses (0.289 MW/km). |
| [122] | N/A | Transmission cables vs. pipeline | The study notes that for offshore electrolysis, as the distance increases, so does the cable cost. They note that higher cost coupled with higher transmission losses reduces the economic viability of onshore electrolysis. |
| [124] | 50 km–500 km | Pipeline vs. trailer vs. cables | The study concluded that the hydrogen production pipeline is the most attractive option because of its relatively reduced delivery and distribution costs compared to trailers and cables. The most expensive route was noted to be liquid hydrogen transportation using trailers. This is because of the high cost of energy needed to liquify hydrogen. |
| [130] | 1000 km and 3000 km | Pipeline vs. truck land transmission. | The study concludes that pipeline transmission is more economically feasible relative to truck transmission. This is because pipeline transmission requires relatively lower energy consumption compared to truck transmission. |
| [112] | 20 km and 200 km | HVAC vs. pipeline | The study concludes that relative to HVAC, the pipeline option is more economically attractive because of high cable costs and transmission losses. However, the study identifies an uncertainty of its chosen pipeline cost due to the pipeline cost estimates being either for onshore pipelines or oil and gas pipelines. |
| Comparison Criteria | Wind-to-Hydrogen System | Wind-to-Electricity System | References |
|---|---|---|---|
| Technological Maturity | The system components, such as electrolysers, are still under research and development to scale up their size and reduce their costs. Hydrogen refuelling infrastructure is also under research, with the projected need of refuelling stations to reach 10,000 because of increased use of hydrogen-powered vehicles. The floating offshore platform structure is also under study to investigate the stability of hydrogen generation on water. | The technologies implemented in this system are relatively more mature and established than those implemented in the wind-to-hydrogen system. | [13,105,106] |
| Transmission Losses | Hydrogen as an energy carrier for wind energy potentially tackles the issue of the electrical transmission losses associated with transmitting wind energy as electricity. | Transmission losses are a very prevalent issue in the transmission of wind energy as electricity, and these losses increase with the distance from shore. Also, cost increases with the increase in distance because of the cost of reactive compensation needed. | [107] |
| Storage and Transmission Options | Using hydrogen as an energy carrier for offshore wind energy allows for storage and transmission. Hydrogen can be transported as gas, liquid, or ammonia using vessels or pipelines. Hydrogen can be stored in tanks, and depleted reservoirs and in salt caverns | Using electricity as an energy carrier for offshore wind energy allows only transmission via electrical submarine cables. For electricity storage, batteries can be used as a storage medium. | [108] |
| Environment Impact | The energy source used for hydrogen generation would determine its environmental impact. When produced by wind or any renewable sources, it is clean, but hydrogen produced using non-renewable sources would have high carbon dioxide emissions. High carbon dioxide emissions can be reduced using carbon capture and storage (CCUS) technologies. | Similarly to hydrogen, the environmental impact of electricity as an energy carrier depends on the energy source. It would also have high carbon dioxide emissions at the production stage with fossil fuels. This can be reduced using renewable energy sources and CCUS technology | |
| Economics | The hydrogen system is currently not economically viable over shorter distances due to high CAPEX and OPEX, high electricity prices, and high tax rates. But the economics could improve in the future with government support and technological improvements. | Economically, an electrical system is much cheaper to use over short distances than a hydrogen-based system, thanks to its technological readiness and commercial applications. | [15] |
| Influence of Global Energy Crisis | Hydrogen, as an energy carrier, is strategically positioned to be a key player in energy transition. It has water as its only byproduct after combustion, can be stored and has versatility. It addresses key issues that relate to environmental and economic growth. However, due to a lack of policy support, its development and adoption have been significantly stalled. | Electricity is vital in the foundation of economic development in corporations and industrial enterprises. Electricity promotion also requires policy development and public awareness. Dependable and affordable electricity is a significant step to innovation globally. | [131,132,133] |
| Electrical Grid Support | The conversion and transmission of wind energy into hydrogen could potentially help address electricity grid congestion issues. | The transmission of wind energy as electricity may cause transmission congestion. Such transmission congestion is responsible for curtailing wind power generation, which could potentially create an avenue for losses. | [109] |
Disclaimer/Publisher’s Note: The statements, opinions and data contained in all publications are solely those of the individual author(s) and contributor(s) and not of MDPI and/or the editor(s). MDPI and/or the editor(s) disclaim responsibility for any injury to people or property resulting from any ideas, methods, instructions or products referred to in the content. |
© 2025 by the authors. Licensee MDPI, Basel, Switzerland. This article is an open access article distributed under the terms and conditions of the Creative Commons Attribution (CC BY) license (https://creativecommons.org/licenses/by/4.0/).
Share and Cite
Amadhe, F.; Ali, D. Assessing the Viability of Hydrogen-Based Wind Energy Conversion and Transmission Systems Versus the Existing Electrical-Based System—A Comprehensive Review. Processes 2025, 13, 3612. https://doi.org/10.3390/pr13113612
Amadhe F, Ali D. Assessing the Viability of Hydrogen-Based Wind Energy Conversion and Transmission Systems Versus the Existing Electrical-Based System—A Comprehensive Review. Processes. 2025; 13(11):3612. https://doi.org/10.3390/pr13113612
Chicago/Turabian StyleAmadhe, Frances, and Dallia Ali. 2025. "Assessing the Viability of Hydrogen-Based Wind Energy Conversion and Transmission Systems Versus the Existing Electrical-Based System—A Comprehensive Review" Processes 13, no. 11: 3612. https://doi.org/10.3390/pr13113612
APA StyleAmadhe, F., & Ali, D. (2025). Assessing the Viability of Hydrogen-Based Wind Energy Conversion and Transmission Systems Versus the Existing Electrical-Based System—A Comprehensive Review. Processes, 13(11), 3612. https://doi.org/10.3390/pr13113612

