Method for Partition Reconfiguration and Mutual Aid of Power Grids Under Extreme Events Oriented to Critical Load Guarantee
Abstract
1. Introduction
2. Power Grid Partitioning and Post-Validation Evaluation Indicators
2.1. Active–Reactive Power-Coupling Weight Matrix
2.1.1. Active Power Flow
2.1.2. Reactive Power–Voltage Sensitivity
2.2. Verification and Evaluation Indicators
2.2.1. Partition Structure Indicator
2.2.2. Partition Functional Indicators
2.3. Partitioning Algorithm
2.3.1. Principle of Partitioning Algorithm
2.3.2. Algorithm Implementation Process
- (1)
- Step 1: Treat each node as an independent community. Initially, there are n communities. Calculate the initial modularity.
- (2)
- Step 2: For each pair of adjacent communities connected by at least one edge, calculate the modularity increment ΔQ after merging them.
- (3)
- Step 3: Find the two adjacent communities C1 and C2 that maximize ΔQ. If ΔQ > 0, merge these two communities and update the modularity Q; If ΔQ ≤ 0, it means that further merging will not improve the modularity, and the algorithm terminates.
- (4)
- Step 4: After merging C1 and C2, generate a new partition. Let Cnew = C1 ∪ C2, update the adjacency matrix A, merge the edges between C1 and C2 into Cnew, and update the community list to reduce the number of communities by one.
- (5)
- Step 5: Repeat the calculation of ΔQ, community merging, and network structure updating until all possible merges cannot increase Q. Finally, the optimal partition scheme is obtained.
3. Double-Layer Optimal Power Supply Guarantee Model for Transmission Grid Under Extreme Events
3.1. Overall Architecture of the Two-Layer Optimization Model
3.2. Model Construction of Upper-Level Network Reconfiguration Layer
3.2.1. Objective Function
3.2.2. Constraints
- (1)
- Radial structure constraint
- (2)
- Switch operation constraints
- (3)
- Partition power feasibility constraint
3.3. Model Construction of the Lower-Level Partition Coordination Layer
3.3.1. Objective Function
3.3.2. Constraints
- (1)
- Power balance constraint
- (2)
- Generator ramp rate limit
- (3)
- Energy storage SOC constraint
- (4)
- Constraint for Critical Load Guarantee
- (5)
- Tie-line capacity constraint
4. Design and Implementation of the Solution Algorithm for the Bi-Level Optimization Model
4.1. Solution Algorithm for the Upper-Level Model: Tabu Search
4.1.1. Algorithm Principle and Adaptability Analysis
4.1.2. Algorithm Flow Design
- (1)
- Step 1: Initialization: Based on the normal operation topology of the transmission grid or the topology right before an extreme event, randomly generate the initial switch state combination uinit = {} as the starting point for the algorithm’s search. Ensure that the initial solution meets basic constraints such as no isolated nodes and an initial switch operation count of 0 to minimize invalid searches. Simultaneously, initialize an empty tabu list and set its length to record recently searched switch state combinations and prevent repetitive exploration.
- (2)
- Step 2: Neighborhood Solution Generation Strategy: For the current switch state combination ucurrent, design the following rules:
- Single-switch flipping: Randomly select a switch k and flip its state (0 to 1 or 1 to 0) to generate a neighborhood solution uneighbor. This strategy is simple and efficient and can quickly explore topological fine-tuning schemes.
- Multi-switch combination flipping: Select 2–3 switches with a strong correlation and flip their states simultaneously to generate a more breakthrough neighborhood solution. This strategy is suitable for scenarios where the topology needs to be adjusted significantly under extreme events, but the combination scale needs to be controlled to prevent the explosion of the solution space.
- (3)
- Step 3: Solution Evaluation and Selection: First, for the generated neighborhood solution uneighbo, check whether it satisfies the constraints of the upper-level model. If not, directly discard it to reduce invalid calculations. Then, for the neighborhood solutions that pass the constraint screening, call the lower-level partition coordination layer model to calculate the system load curtailment amount under this topology as the evaluation index. Finally, check whether the neighborhood solution is in the tabu list. If it is not in the tabu list and the load curtailment amount is better than the current optimal solution, update it; if it is in the tabu list but the load curtailment amount is significantly better than the historical optimal solution, break the tabu and update.
- (4)
- Step 4: Tabu List Update and Convergence Judgment: Add the currently selected neighborhood solution to the tabu list. If the length of the tabu list exceeds TabuSize, remove the solution that was added earliest to maintain the size. Set the convergence conditions: no change in the optimal solution for 100 consecutive iterations, or the number of iterations reaching the upper limit of 500. Then, the algorithm terminates and outputs the current optimal switch state combination uopt.
4.2. Lower-Level Model Solution Algorithm: Convex Quadratic Programming via Primal-Dual Interior Point Method
4.2.1. Algorithm Principle and Adaptability Analysis
4.2.2. Algorithm Flow Design
- (1)
- Step 1, Model Standardization:
- Integrate all continuous decision variables, including unit output power Pg, energy storage power Pstorage, load curtailment Pcut, and tie-line mutual power zm, and construct the following decision variable vector:
- 2.
- Based on the objective function, extract and construct the sparse Hessian matrix H and vector f so that the objective function can be expressed as follows:
- 3.
- Classify and organize all linear constraints, and convert them into matrices and vectors required for standard QP constraints.
- (2)
- Step 2: Initialize the iteration points and parameters.
- (3)
- Step 3, Iterative Solution:
- Calculate the current duality gap η and the constraint violation degree. If η < ε and the constraints are satisfied, determine the convergence and jump to Step 4.
- Calculate the Hessian matrix and constraint Jacobian matrix at the current iteration point, and form the following linear system of equations to solve for the search direction (Δx, Δλ, Δλeq):
- 3
- Calculate the primal step size, αp, and the dual step size, αd, respectively, through backtracking line search to ensure that all iteration points always remain inside their feasible regions (s, λ > 0).
- 4
- Update the iteration points:
- (4)
- Step 4, Result Output:
4.3. Solution Process of Upper–Lower-Layer Interaction and Inter-Interval Coordination
4.3.1. Bi-Level Model Solution Framework
- (1)
- Upper-Layer Initialization and Decision-Making: The upper-layer model, based on the post-fault system state, adopts the Tabu Search algorithm to generate a new switch state combination uTS. This decision defines the network topology and transmits it to the lower-layer model.
- (2)
- Lower-Layer Partition Coordination via ADMM: For the fixed topology uTS provided by the upper layer, the lower-layer model solves the optimal power flow problem. Considering that partitions are only coupled through tie-line power zm, the Alternating Direction Method of Multipliers is adopted to decompose this problem and solve it in a parallel and coordinated manner. This process forms the inner loop:
- Step 1, Local Sub-Problem Solving: Each partition k solves its own local optimization problem in parallel, given the latest global consensus variables ym and multipliers λm.
- Step 2, Global Variable Update: A central coordinator collects the local tie-line power results from all connected partitions and updates the global consensus variables ym and Lagrange multipliers λm.
- Step 3, Inner Loop Convergence Check: Calculate the primal and dual residuals of the Alternating Direction Method of Multipliers. If both residuals are below the predefined tolerance ε, the inner loop converges; otherwise, return to Step 1.
- (3)
- Feedback and Upper-Layer Evaluation: After the inner ADMM loop converges, the lower layer feeds back the overall load shedding amount and the power deficit/surplus ΔPk of each partition to the upper layer.
- (4)
- Upper-Layer Adjustment: The upper-layer TS algorithm receives the feedback. The load shedding amount is used to evaluate the fitness of the current topology uTS. Based on this fitness and the tabu rules, the TS algorithm generates a new neighborhood solution, and the process repeats from (1). The outer loop terminates when the TS convergence criteria are met.
4.3.2. Implementation of the ADMM Coordination Algorithm
- (1)
- Step 1, Initialization: Set the iteration counter. Initialize the global consensus variables for all tie-lines, the Lagrange multipliers , and the penalty parameter ρ > 0. Broadcast these to all partitions.
- (2)
- Step 2: Solve for each partition k in parallel. Each partition k solves its local QP problem, whose objective function is as follows:
- (3)
- Step 3, Global Coordination:
- 1.
- Global Consensus Update: The coordinator gathers and from the two partitions connected by tie-line m. The new global consensus value is their average:This step ensures the power flow on the tie-line is consistent for both sides.
- 2.
- Lagrange Multiplier Update: The multiplier for each tie-line is updated based on the deviation between the local value and the global consensus:
- (4)
- Step 4, Convergence Check: Calculate the primal residual rl+1 and the dual residual sl+1:
- (5)
- Step 5, Termination and Feedback: Upon convergence, the final values of Pcut,i for all loads within each partition are summed to calculate the total load shedding for the current topology. This value, along with the partition power imbalances ΔPk, is fed back to the upper-layer TS algorithm for evaluation and subsequent iteration.
5. Practical System Examples and Result Analysis
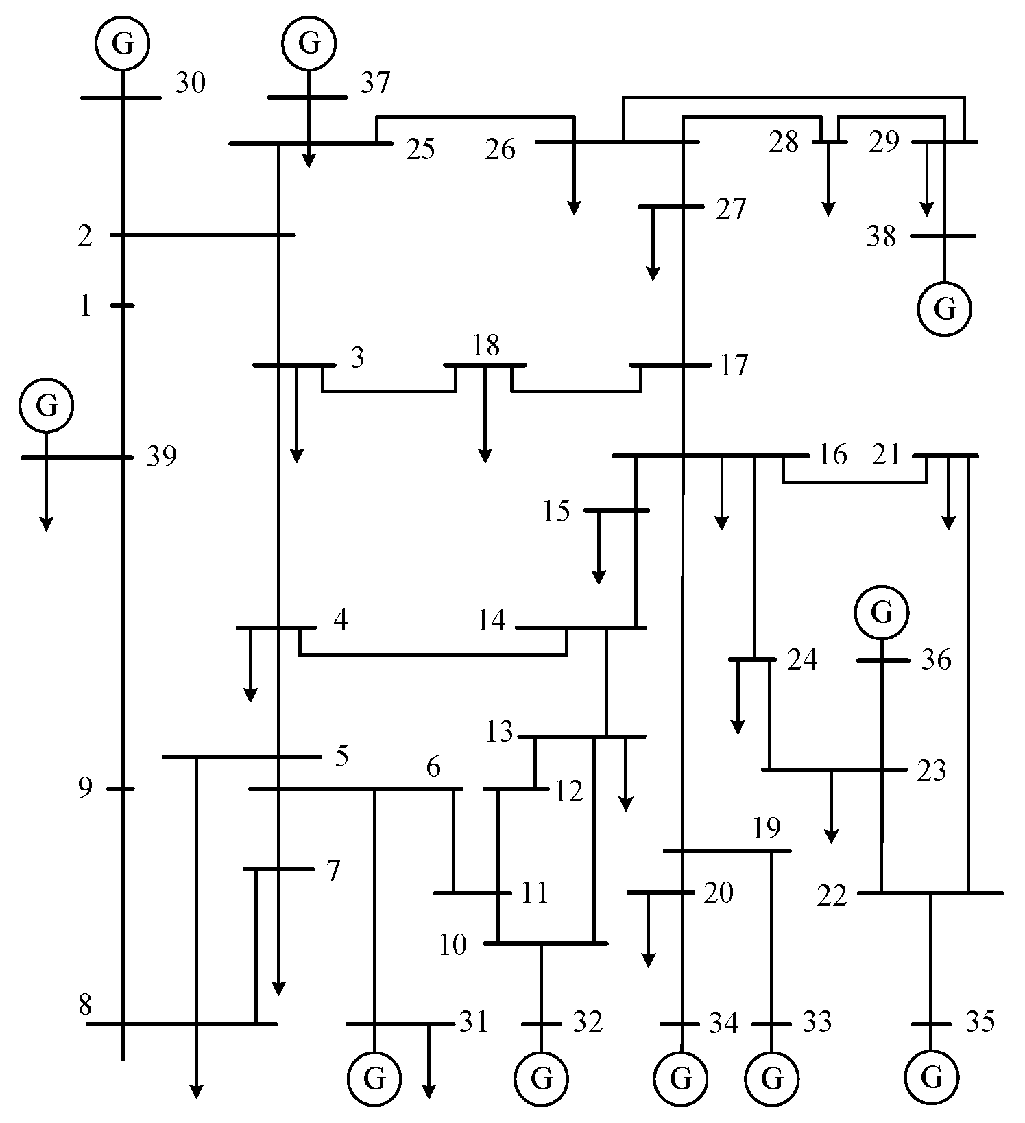
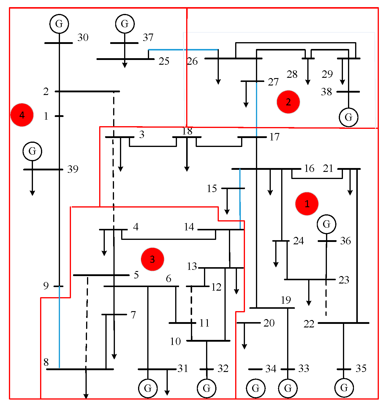
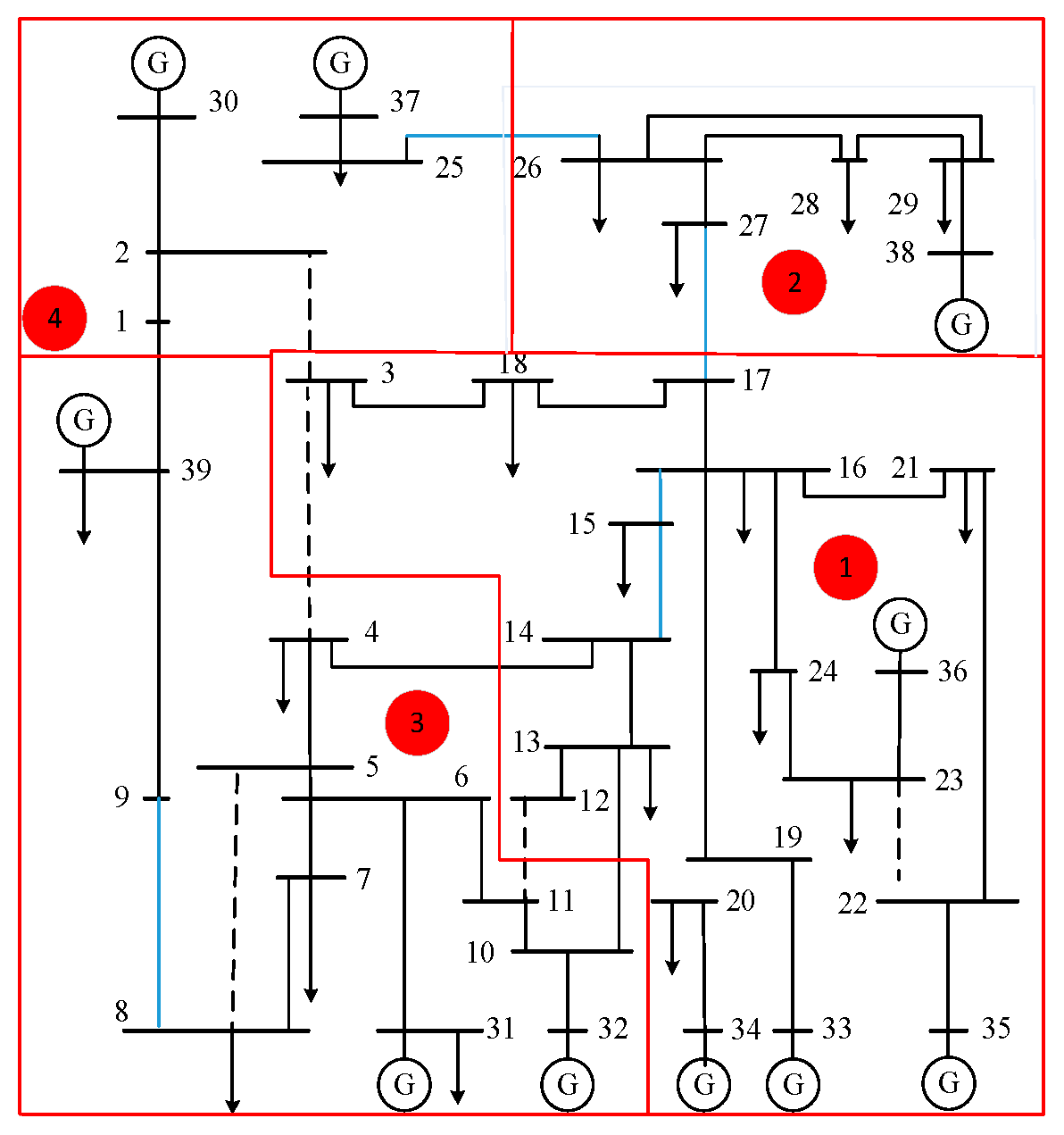
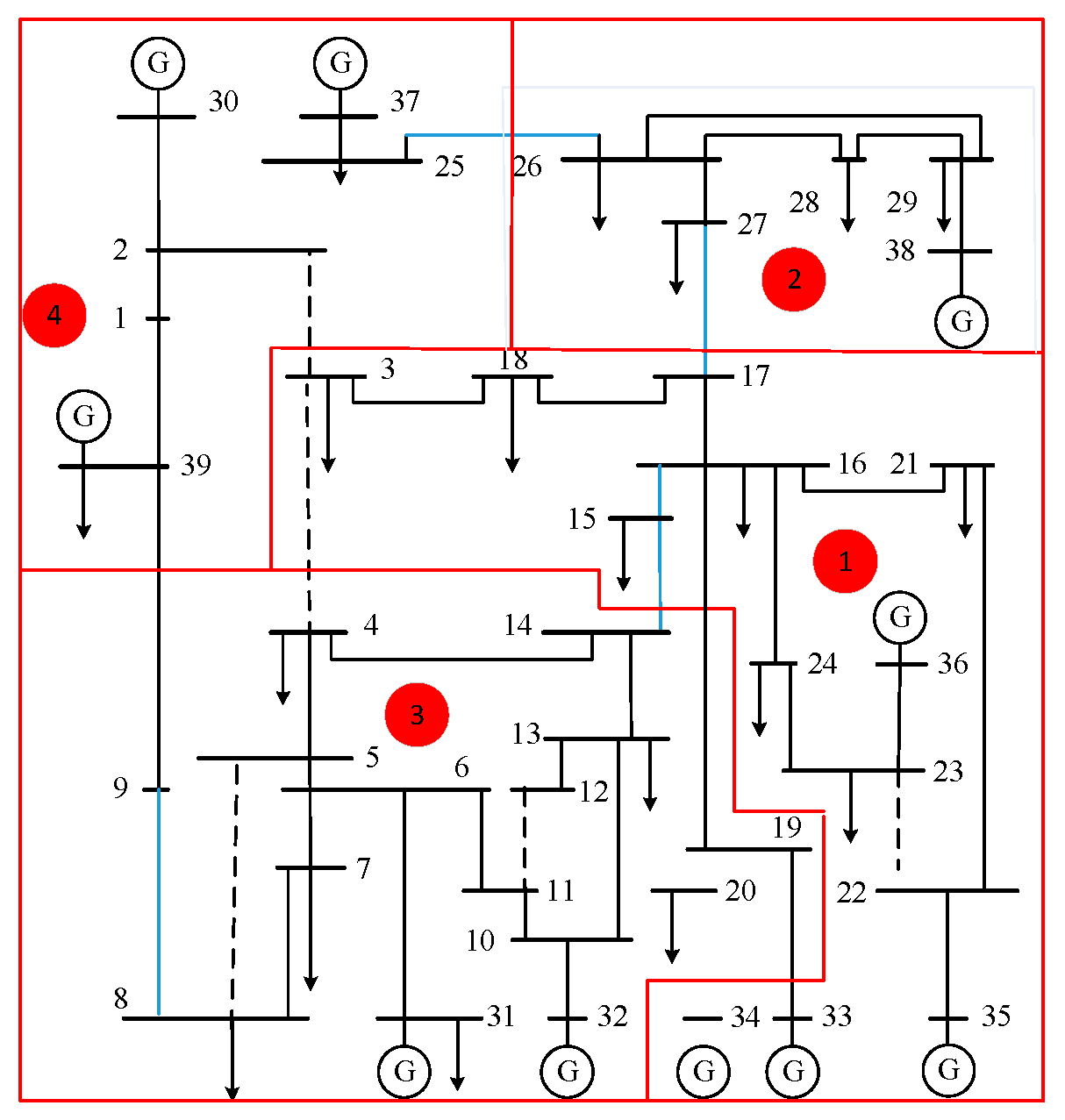
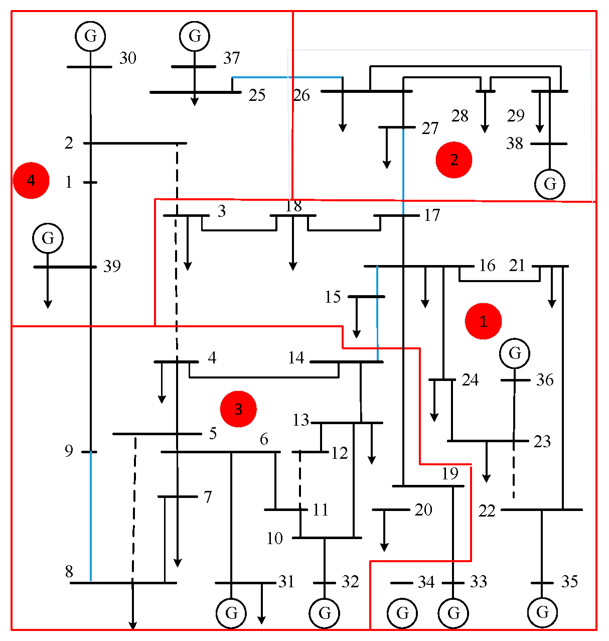
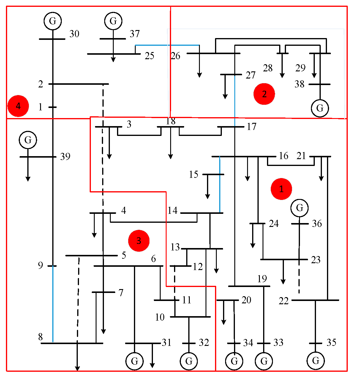
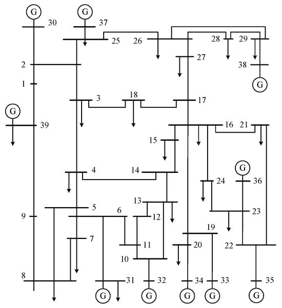
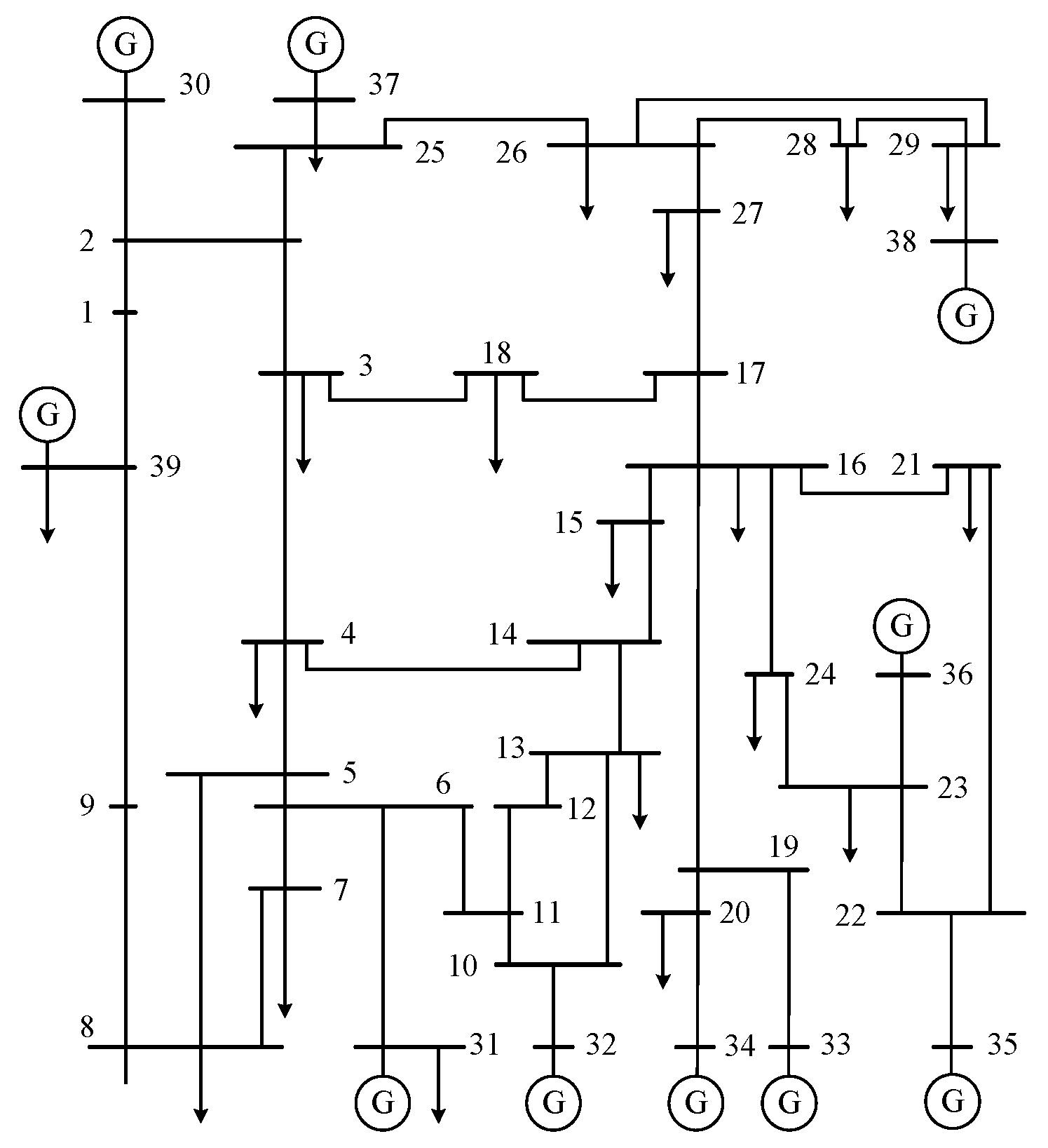
5.1. Overview of Actual System Instance
5.2. Comparison of Partitioning Results of Models with Different Weights
- (1)
- Model 1: Unweighted network, where the line weights are uniformly set to 1.
- (2)
- Model 2: Similarity-weighted network, where the reciprocal of the line reactance value is used as the line weight.
- (3)
- Model 3: The complex network-coupling weighted model constructed in this paper.
5.2.1. Evaluation of Structural Indicators
5.2.2. Functional Indicator Evaluation
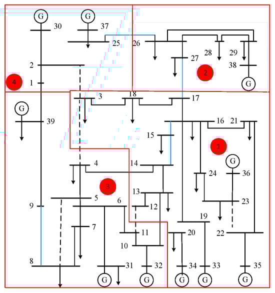
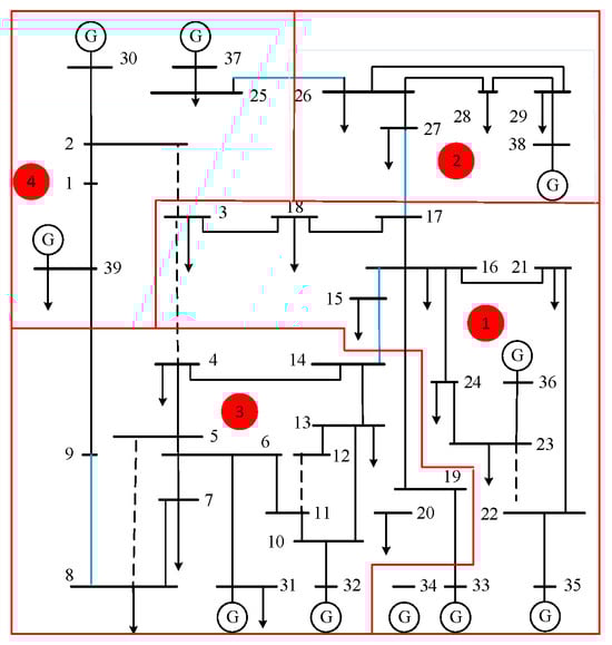
5.3. Case Analysis of the Bi-Level Optimization Model
5.3.1. In-Depth Analysis of Partition Power Balance
5.3.2. Cross-Region Power Mutual Assistance Mechanism
5.3.3. Comparative Analysis with the Benchmark Scheme
6. Conclusions
- (1)
- An innovative active–reactive power-coupling partitioning index system is constructed. When a single electrical parameter is used as the weight of the modularity function in power grid partitioning, it can only reflect the local electrical correlation characteristics of the power grid and cannot fully characterize the coupling relationship between active power transmission and reactive voltage support under extreme events, resulting in the poor adaptability of partitioning results to the state of the transmission grid after extreme events. To address this, this paper constructs a comprehensive edge weight matrix by integrating active power flow and reactive voltage sensitivity and realizes rapid power grid partitioning in combination with the Fast Newman algorithm. This coupling index not only covers the core characteristics of active power flow in the power grid but also incorporates the key impact of reactive power regulation on node voltage, enabling it to more comprehensively and accurately capture the overall electrical correlation laws of the power grid under extreme scenarios. A case study verification shows that the modularity of Model 3 reaches 0.6554, which is 23% and 33% higher than that of the unweighted network Model 1 and the weighted network Model 2 based only on reciprocal reactance, respectively; the boundary power flow factor is as low as 0.1321, which is 58% and 48% lower than that of Model 1 and Model 2, respectively. These results fully prove that this partitioning method can more accurately identify sub-regions with close electrical coupling, effectively make up for the one-sidedness of traditional single-index partitioning, and lay a structural foundation that is more in line with the dynamic characteristics of the power grid for subsequent power mutual assistance.
- (2)
- A tightly coupled bi-level optimization model and a collaborative solution mechanism are proposed. The upper layer optimizes the states of inter-partition tie-line switches and intra-partition circuit breaker switches using the Tabu Search algorithm, while the lower layer optimizes the local partition’s generator output and energy storage output via the primal-dual interior point method, ensuring the continuous power supply of critical loads under extreme events. Simulations on the IEEE 39-bus system show that, under the extreme scenario where three generators are damaged, the model makes decisions on tie-line switches and circuit breakers, closes key tie-lines to construct mutual assistance channels, and enables Partition 3 to supply 117.24 MW and 182.1 MW of power to Partition 1 and Partition 4, respectively. This reduces the curtailment of non-critical loads to 374.9 MW, a 54% decrease compared with the traditional centralized dispatch model.
- (3)
- A zero-interruption guarantee for critical loads has been achieved. By setting the guarantee of critical loads as a hard constraint and integrating the defense logic of “mutual assistance as the primary measure and load curtailment as the supplementary measure”, a 100% power supply for critical loads is realized under extreme fault scenarios. The comparative analysis shows that, through partition autonomy and cross-partition collaboration, the model can not only utilize the flexible adjustment capability of energy storage to achieve zero load curtailment in Partition 2 by adjusting generator output, but also limit the scope of impact through fault isolation—only part of non-critical loads are curtailed in Partition 4. This characteristic significantly enhances the resilience of the power grid under extreme events.
Author Contributions
Funding
Data Availability Statement
Conflicts of Interest
References
- Cao, C.; Wang, Z. Thoughts on the Impacts of Extreme Weather on New-Type Power Systems and Countermeasures. South Energy Constr. 2025, 12, 43–57. (In Chinese) [Google Scholar] [CrossRef]
- Lu, G.; Deng, J.; Wang, Y.; Cao, J.; Yue, Y. Analysis on the Impact of Extreme Weather on Power Systems and Its Adaptation Strategies. Power Gener. Technol. 2021, 42, 751–764. (In Chinese) [Google Scholar] [CrossRef]
- Rong, X. Strengthening Power Grid Planning and Construction to Address the Impact of Extreme Weather on Power Grids. Technol. Innov. Appl. 2016, 218. (In Chinese) [Google Scholar] [CrossRef]
- Ye, X.; Hu, H.; Wang, S.; Cheng, X. Real-Time Monitoring and Early Warning Technology for Risks of Typical Power Grid Equipment Under Severe Weather. Energy Environ. Prot. 2022, 44, 248–254. (In Chinese) [Google Scholar] [CrossRef]
- Liu, L. Issues of Large-Scale Power Grids in Responding to Space Hazardous Weather. Power Syst. Technol. 2010, 34, 1–5. (In Chinese) [Google Scholar] [CrossRef]
- Feng, S.; Chen, J.; Ye, Y.; Wu, X.; Cui, H.; Tang, Y.; Lei, J. A Two-Stage Deep Transfer Learning for Localisation of Forced Oscillations Disturbance Source. Int. J. Electr. Power Energy Syst. 2022, 135, 107577. [Google Scholar] [CrossRef]
- Wu, C.; Zhang, H.; Hu, J.; Wang, Z.; Xu, Y. Research on generation technology of fault outage recovery plan for distribution network considering new energy integration. Telecom Power Technol. 2020, 37, 264–265. (In Chinese) [Google Scholar] [CrossRef]
- Hou, Y. Ensuring Power Supply Safety for Important Power Users. Power Supply Consum. 2014, 16–17. (In Chinese) [Google Scholar] [CrossRef]
- Yang, X.; Xiang, B.; Jin, Z.; Wang, K.; Zhong, J.; Xu, F. Optimal Algorithm for Fault Power Supply Load Recovery of Distribution Network Based on Integer Programming. Sichuan Electr. Power Technol. 2025, 48, 55–60. (In Chinese) [Google Scholar] [CrossRef]
- Li, Y.; Chang, Y.; Liang, X. Research on Optimal Benefit Reconfiguration Method for Distribution Network with New Energy Integration. Control Eng. China 2021, 28, 931–937. (In Chinese) [Google Scholar] [CrossRef]
- Xie, X.; Liu, X.; Li, C.; Hu, Z.; Liu, X.; Chen, T. Reconfiguration of Distribution Network Considering Distributed Generation and Electric Vehicle Cluster Scheduling. Electr. Power 2023, 56, 119–125. (In Chinese) [Google Scholar] [CrossRef]
- Yang, X.; Lü, H.; Zhu, H. Distribution Network Reconfiguration Based on Improved Artificial Fish Swarm Algorithm. Electr. Meas. Instrum. 2020, 57, 72–78+98. (In Chinese) [Google Scholar] [CrossRef]
- Muhammad, M.A.; Mokhlis, H.; Naidu, K.; Amin, A.; Franco, J.F.; Othman, M. Distribution Network Planning Enhancement via Network Reconfiguration and DG Integration Using Dataset Approach and Water Cycle Algorithm. J. Mod. Power Syst. Clean Energy 2019, 8, 86–93. [Google Scholar] [CrossRef]
- Balasubramaniam, K.; Abdlrahem, A.; Hadidi, R.; Makram, E.B. Balanced, Non-Contiguous Partitioning of Power Systems Considering Operational Constraints. Electr. Power Syst. Res. 2016, 140, 456–463. [Google Scholar] [CrossRef]
- Chen, C.; Zhou, Y.; Chi, M.; Wang, B. A Review on Vulnerability Research of Large-Scale Power Grids Based on Complex Network Theory. Control Decis. 2022, 37, 782–798. (In Chinese) [Google Scholar] [CrossRef]
- Tang, Y.; Zheng, C.; Xiao, J.; Hou, J. A Search Method for Active Splitting Sections Considering Multiple Factors. J. Glob. Energy Interconnect. 2019, 2, 393–400. (In Chinese) [Google Scholar] [CrossRef]
- Song, M.; Tao, J.; Zhang, H.; Zhu, Q. Autonomous-Cooperative Voltage and Reactive Power Control for Distribution Networks with New Energy Integration. Proc. CSU-EPSA 2022, 34, 38–47. (In Chinese) [Google Scholar] [CrossRef]
- Yu, J.; Li, Z.; Gong, X.; Wang, Y.; Zhu, K.; Yang, D. Robust State Estimation for Power System Partitioning Based on Parallel Particle Swarm Optimization Algorithm. Power Syst. Technol. 2022, 46, 3139–3148. (In Chinese) [Google Scholar] [CrossRef]
- Hua, H.; Zhai, J.; Chen, X. Dynamic Partitioning of Virtual Microgrid Clusters and Local Energy Autonomy Based on Enhanced Elite-Preserved Genetic Algorithm. Proc. CSEE 2024, 44, 4652–4666. (In Chinese) [Google Scholar] [CrossRef]
- Wan, Y.; Tan, X.; Shu, H. Finding and Evaluating Community Structures in Spatial Networks. ISPRS Int. J. Geo-Inf. 2023, 12, 187. [Google Scholar] [CrossRef]
- Yang, C.; Liang, H.; Gu, X.; Tang, X.; Xie, Y.; Liu, Y. A Partitioning Method for Recovery of Asynchronous Receiving-End Power Grids with Multiple HVDC Infeed. Autom. Electr. Power Syst. 2019, 43, 162–170. (In Chinese) [Google Scholar] [CrossRef]
- Ye, Y.; Ouyang, L.; Zhong, L.; Fang, Y.; Zhang, S.; He, Y. A Power Grid Recovery Partitioning Method Based on Improved Spectral Clustering Algorithm Considering Unit Grouping. Zhejiang Electr. Power 2021, 40, 12–18. (In Chinese) [Google Scholar] [CrossRef]
- Ling, R.; Shao, B.; Li, M.; Chen, X.; Cao, C.; Xue, C. Research on Power Grid Partitioning Based on Community Similarity of Complex Networks. Zhejiang Electr. Power 2021, 40, 47–53. (In Chinese) [Google Scholar] [CrossRef]
- Zarei, B.; Meybodi, M.R. Detecting Community Structure in Complex Networks Using Genetic Algorithm Based on Object Migrating Automata. Comput. Intell. 2020, 36, 824–860. [Google Scholar] [CrossRef]
- Lin, J.; Liu, M.; Liu, X. A Method for Identifying Key Power Transmission Sections Based on Improved Normalized Cut and Safety Risk Indicators. South. Power Syst. Technol. 2025, 19, 20–30. (In Chinese) [Google Scholar] [CrossRef]
- Zhao, J.; Jia, R.; Chen, L.; Zhu, T. Research on Rapid Reactive Power and Voltage Partitioning of Power Grids Based on Deep Learning and Improved K-means Clustering Algorithm. Power Syst. Prot. Control 2021, 49, 89–95. (In Chinese) [Google Scholar] [CrossRef]
- Zhao, X.; Xiao, C.; Peng, K.; Chen, J.; Zhang, X. Cluster Partition-Based Zonal Voltage Control for Distribution Networks With High Penetrated PVs. Front. Energy Res. 2022, 10, 900824. [Google Scholar] [CrossRef]
- Ke, S.; Liu, W.; Lu, Z.; Rao, W.; An, C.; Xia, J. Subarea Partition Based on Correlation Analysis with Edge-Elimination Strategy Using Automatic License Plate Recognition Data. Transp. Res. Rec. 2022, 2676, 641–652. [Google Scholar] [CrossRef]
- Li, J.; Huo, Q.; Yin, J. Study on Coordinated Voltage Regulation Strategy of Flexible On-Load Tap Changer and Distributed Generator. Energy Rep. 2022, 8 (Suppl. 13), 601–609. [Google Scholar] [CrossRef]
- Xu, X.; Zhao, N.; Wang, L.; Yao, X.; Zhou, L. Research on time-varying dynamic response aggregation model of distributed generator participating in active distribution network. Energy Rep. 2023, 9 (Suppl. 7), 1546–1556. [Google Scholar] [CrossRef]
- Sun, J.; Xu, J.; Ke, D. Cluster partition for distributed energy resources in Regional Integrated Energy System. Energy Rep. 2023, 9 (Suppl. 8), 613–619. [Google Scholar] [CrossRef]
- Shi, K.; Yan, J.; Yang, J. A Semantic Partition Algorithm Based on Improved K-Means Clustering for Large-Scale Indoor Areas. ISPRS Int. J. Geo-Inf. 2024, 13, 41. [Google Scholar] [CrossRef]
- Alazzam, H.; Alhenawi, E.; Al-Sayyed, R. A Hybrid Job Scheduling Algorithm Based on Tabu and Harmony Search Algorithms. J. Supercomput. 2019, 75, 7994–8011. [Google Scholar] [CrossRef]
- Wu, X.; Wang, Y.; Fan, N. A New Filled Function Method Based on Adaptive Search Direction and Valley Widening for Global Optimization. Appl. Intell. 2021, 51, 6234–6254. [Google Scholar] [CrossRef]
- Li, W.; Liu, Y.; Liang, H. A New Distributed Energy Management Strategy for Smart Grid with Stochastic Wind Power Based on ADMM. IEEE Trans. Ind. Electron. 2021, 68, 1311–1321. [Google Scholar] [CrossRef]
- Al-Sharoa, E.M.; Ababneh, B.M.; Alkhassaweneh, M.A. Robust Community Detection in Graphs. IEEE Access 2021, 9, 118757–118770. [Google Scholar] [CrossRef]








| Model | Modularity Q |
|---|---|
| Model 1 | 0.5322 |
| Model 2 | 0.4937 |
| Model 3 | 0.6554 |
| Model | Boundary Power Flow Factor |
|---|---|
| Model 1 | 0.3122 |
| Model 2 | 0.2517 |
| Model 3 | 0.1321 |
| Tie-Line | Status Before Reconfiguration | Status After Reconfiguration | Transmitted Power (MW) |
|---|---|---|---|
| Tie-line 1 (8–9) | Closed | Closed | 182.1 |
| Tie-line 2 (14–15) | Closed | Closed | 117.24 |
| Tie-line 3 (17–27) | Closed | Opened | 0 |
| Tie-line 4 (25–26) | Closed | Opened | 0 |
| Partition | Power Generation (MW) | Actual Load (MW) | Load Curtailment (MW) | Power Support (MW) | Balance Degree (%) |
|---|---|---|---|---|---|
| 1 | 2147.0 | 2639.1 | 374.9 | +117.2 (Input) | 100% |
| 2 | 909.5 | 909.5 | 0 | 0 | 100% |
| 3 | 1571.0 | 1273.5 | 0 | −299.3 (Output) | 100% |
| 4 | 1250 | 1432.1 | 0 | +182.1 (Input) | 100% |
| Scene Type | Load Curtailment (MW) | Critical Load Interruption Rate (%) |
|---|---|---|
| Power Deficit Scene of Unconventional Events | 1056.36 | 15 |
| Centralized Optimization Dispatch Scene | 806.36 | 7 |
| Bi-level Optimization Model Dispatch Scene | 374.9 | 0 |
Disclaimer/Publisher’s Note: The statements, opinions and data contained in all publications are solely those of the individual author(s) and contributor(s) and not of MDPI and/or the editor(s). MDPI and/or the editor(s) disclaim responsibility for any injury to people or property resulting from any ideas, methods, instructions or products referred to in the content. |
© 2025 by the authors. Licensee MDPI, Basel, Switzerland. This article is an open access article distributed under the terms and conditions of the Creative Commons Attribution (CC BY) license (https://creativecommons.org/licenses/by/4.0/).
Share and Cite
Shan, G.; Xiao, C.; Miao, W.; Zhou, N.; Wei, X.; Xing, F. Method for Partition Reconfiguration and Mutual Aid of Power Grids Under Extreme Events Oriented to Critical Load Guarantee. Processes 2025, 13, 3557. https://doi.org/10.3390/pr13113557
Shan G, Xiao C, Miao W, Zhou N, Wei X, Xing F. Method for Partition Reconfiguration and Mutual Aid of Power Grids Under Extreme Events Oriented to Critical Load Guarantee. Processes. 2025; 13(11):3557. https://doi.org/10.3390/pr13113557
Chicago/Turabian StyleShan, Guoqing, Chuanliang Xiao, Weiwei Miao, Ning Zhou, Xinyu Wei, and Facai Xing. 2025. "Method for Partition Reconfiguration and Mutual Aid of Power Grids Under Extreme Events Oriented to Critical Load Guarantee" Processes 13, no. 11: 3557. https://doi.org/10.3390/pr13113557
APA StyleShan, G., Xiao, C., Miao, W., Zhou, N., Wei, X., & Xing, F. (2025). Method for Partition Reconfiguration and Mutual Aid of Power Grids Under Extreme Events Oriented to Critical Load Guarantee. Processes, 13(11), 3557. https://doi.org/10.3390/pr13113557
