Multi-Objective Optimization of ETBE Intensified Processes Considering Economic, Environmental, and Inherent Safety Aspects
Abstract
1. Introduction
2. Ethyl Tert-Butyl Ether (ETBE) Production
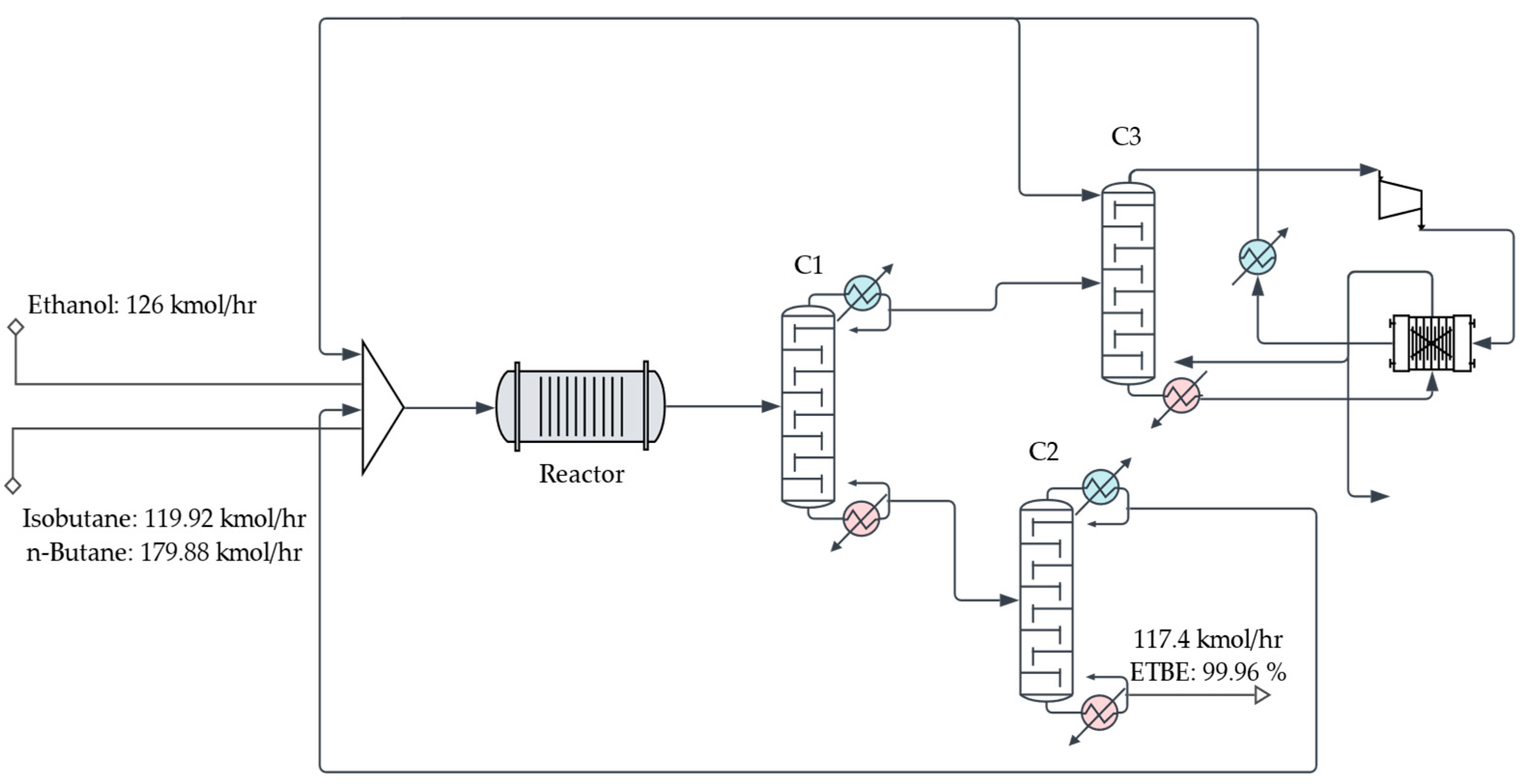
- (a)
- The original process with a reactor and three distillation columns. We note that column C3 of the flowsheet was considered not suitable for intensification because of its high number of trays.
- (b)
- The partially intensified process with a reactive distillation unit and a distillation column (RDC).
- (c)
- The partially intensified process with a reactor and a dividing wall column (DWC).
- (d)
- The fully intensified process with a dividing wall reactive distillation column (RDWC).
3. Multi-Objective Optimization
3.1. Economic, Environmental, and Safety Evaluation
3.2. Optimization Variables
- Vflow: Vapor flow rate entering the upper section—bounds min: 1–max: 100 mol/hr
- Lflow: Liquid flow rate entering the lower section—bounds min: 1–max: 300 kmol/hr
- NFS2: Outlet stage of stream S2—bounds min: 2–max: 50 trays
- NIDWC: Tray where DWC begins—bounds min: 2–max: 50 trays
- ReDWC: Reflux ratio of DWC—bounds min: 0.5–max: 5.0
- NTDWC: Total number of stages in the DWC—bounds min: 30–max: 50 trays
- NTPREF: Total number of stages of the prefactionator—bounds min: 10–max: 50 trays
- NFS1: Feed stage of stream S1—bounds min: 2–max: 50 trays
- NFS3: Feed stage of the stream S3—bounds min: 2–max: 50 trays
- NFS2: Feed stage of the stream S2—bounds min: 2–max: 50 trays
- NFS1: Feed stage of the stream S1—bounds min: 2–max: 50 trays
- ReC2: Reflux ratio of column C2—bounds min: 0.5–max: 5.0
- ReRDC: Reflux ratio of column RDC—bounds min: 0.5–max: 5.0
- NTC2: Total number of stages in column B2—bounds min: 10–max: 50
- NTRD: Total number of stages—bounds min: 10–max: 50
- NTReactive Stages: Total number of reactive stages—bounds min: 1–max: 50
- NIReaction: Tray where reactive zone begins—bounds min: 1–max: 50
4. Results and Discussion
Sensitivity Analysis
5. Conclusions
Supplementary Materials
Author Contributions
Funding
Data Availability Statement
Acknowledgments
Conflicts of Interest
Abbreviations
| RDCs | Reactive distillation columns |
| DWCs | Dividing wall columns |
| RDWCs | Reactive dividing wall columns |
| ETBE | Ethyl tert-butyl ether |
| NSGA-II | Non-dominated sorting genetic algorithm II |
| TAC | Total annual cost |
| FEDI | Fire and explosion damage index |
References
- Linnhoff, B.; Flower, J.R. Synthesis of heat exchanger networks: II. Evolutionary generation of networks with various criteria of optimality. AIChE J. 1978, 24, 642–654. [Google Scholar] [CrossRef]
- Yee, T.F.; Grossmann, I.E. Simultaneous optimization model for heat integration—II. Heat exchanger network synthesis. Comput. Chem. Eng. 1990, 14, 1165–1184. [Google Scholar] [CrossRef]
- El-Halwagi, M.M.; Manousiouthakis, V. Synthesis of mass exchange networks. AIChE J. 1989, 35, 1233–1244. [Google Scholar] [CrossRef]
- Karuppiah, R.; Grossmann, I.E. Global optimization for the synthesis of integrated water systems in chemical processes. Comput. Chem. Eng. 2006, 30, 650–673. [Google Scholar] [CrossRef]
- El-Halwagi, M.M. Process Integration; Academic Press: New York, NY, USA, 2006. [Google Scholar]
- Gomes, J.F.S.; Queiroz, E.M.; Pessoa, F.L.P. Design procedure for water/wastewater minimization: Single contaminant. J. Clean. Prod. 2007, 15, 474–485. [Google Scholar] [CrossRef]
- Luyben, W.L.; Yu, C.C. Reactive Distillation Design and Control; John Wiley & Sons: Hoboken, NJ, USA, 2009. [Google Scholar]
- Kiss, A.A.; Jobson, M.; Gao, X. Reactive distillation: Stepping up to the next level of process intensification. Ind. Eng. Chem. Res. 2019, 58, 5909–5918. [Google Scholar] [CrossRef]
- Taylor, R.; Krishna, R. Modelling reactive distillation. Chem. Eng. Sci. 2000, 55, 5183–5229. [Google Scholar] [CrossRef]
- González, D.R.; Bastidas, P.; Rodríguez, G.; Gil, I. Design alternatives and control performance in the pilot scale production of isoamil acetate via reactive distillation. Chem. Eng. Res. Des. 2017, 123, 347–359. [Google Scholar] [CrossRef]
- Dejanović, I.; Matijašević, L.; Olujić, Ž. Dividing wall column—A breakthrough towards sustainable distilling. Chem. Eng. Process. Process Intensif. 2010, 49, 559–580. [Google Scholar] [CrossRef]
- Chu, K.-T.; Cadoret, L.; Yu, C.-C.; Ward, J.D. A new shortcut design method and economic analysis of divided wall columns. Ind. Eng. Res. Des. 2011, 50, 9221–9235. [Google Scholar] [CrossRef]
- Buitimea-Cerón, G.A.; Hahn, J.; Medina-Herrera, N.; Jiménez-Gutiérrez, A.; Loredo-Medrano, J.A.; Tututi-Avila, S. Dividing-wall column design: Analysis of methodologies tailored to process simulators. Processes 2021, 9, 1189. [Google Scholar] [CrossRef]
- Mueller, I.; Kenig, E.Y. Reactive distillation in a dividing wall column: Rate-based modeling and simulation. Ind. Eng. Chem. Res. 2007, 46, 3709–3719. [Google Scholar] [CrossRef]
- Weinfeld, J.A.; Owens, S.A.; Eldridge, R. Reactive dividing wall columns: A comprehensive review. Chem. Eng. Process. Process Intensif. 2018, 123, 20–33. [Google Scholar] [CrossRef]
- Tian, Y.; Pappas, I.; Burnak, B.; Katz, J.; Pistikopoulos, E.N. A systematic framework for the synthesis of operable process intensification systems–reactive separation systems. Comput. Chem. Eng. 2020, 134, 106675. [Google Scholar] [CrossRef]
- Behroozsarand, A.; Shafiei, S. Multiobjective optimization of reactive distillation with thermal coupling using non-dominated sorting genetic algorithm-II. J. Nat. Gas Sci. Eng. 2011, 3, 365–374. [Google Scholar] [CrossRef]
- Garg, N.; Kontogeorgis, G.M.; Gani, R.; Woodley, J.M. A process synthesis intensification method for generation of novel and intensified solutions. Chem. Eng. Process. Process Intensif. 2020, 156, 108103. [Google Scholar] [CrossRef]
- Demirel, S.E.; Li, J.; El-Halwagi, M.; Hasan, M.F. Sustainable process intensification using building blocks. ACS Sustain. Chem. Eng. 2020, 8, 17664–17679. [Google Scholar] [CrossRef]
- Castillo-Landero, A.; Jiménez-Gutiérrez, A.; Gani, R. Intensification methodology to minimize the number of pieces of equipment and its application to a process to produce dioxolane products. Ind. Eng. Chem. Res. 2018, 57, 9810–9820. [Google Scholar] [CrossRef]
- Castillo-Landero, A.; Ortiz-Espinoza, A.P.; Jiménez-Gutiérrez, A. A process intensification methodology including economic, sustainability and safety considerations. Ind. Eng. Chem. Res. 2019, 58, 6080–6092. [Google Scholar] [CrossRef]
- Tusso-Pinzón, R.A.; Castillo-Landero, A.; Matallana-Pérez, L.G.; Jiménez-Gutiérrez, A. Intensified synthesis for ethyl lactate production including economic, sustainability and inherent safety criteria. Chem. Eng. Process. Process Intensif. 2020, 154, 108041. [Google Scholar] [CrossRef]
- Tian, Y.; Demirel, S.E.; Hasan, M.F.; Pistikopoulos, E.N. An overview of process systems engineering approaches for process intensification: State of the art. Chem. Eng. Process. Process Intensif. 2018, 133, 160–210. [Google Scholar] [CrossRef]
- Sitter, S.; Chen, Q.; Grossmann, I.E. An overview of process intensification methods. Curr. Opin. Chem. Eng. 2019, 25, 87–94. [Google Scholar] [CrossRef]
- Tula, A.K.; Eden, M.R.; Gani, R. Computer–aided process intensification: Challenges, trends and opportunities. AIChE J. 2020, 66, e16819. [Google Scholar] [CrossRef]
- Gómez-Ochoa, M.; Jiménez-Gutiérrez, A. Design of intensified chemical processes for the production of ethyl tert-butyl ether. Chem. Eng. Process. Process Intensif. 2024, 196, 109651. [Google Scholar] [CrossRef]
- Domingues, L.; Pinheiro, C.I.; Oliveira, N.M. Optimal design of reactive distillation systems: Application to the production of ethyl tert-butyl ether (ETBE). Comput. Chem. Eng. 2014, 64, 81–94. [Google Scholar] [CrossRef]
- Recker, S.; Skiborowski, M.; Redepenning, C.; Marquardt, W. A unifying framework for optimization-based design of integrated reaction–separation processes. Comput. Chem. Eng. 2015, 81, 260–271. [Google Scholar] [CrossRef]
- Kaur, J.; Sangal, V.K. Optimization of Reactive Dividing-Wall Distillation Column for Ethyl t-Butyl Ether Synthesis. Chem. Eng. Technol. 2018, 41, 1057–1065. [Google Scholar] [CrossRef]
- Bernal, D.E.; Carrillo-Diaz, C.; Gómez, J.M.; Ricardez-Sandoval, L.A. Simultaneous design and control of catalytic distillation columns using comprehensive rigorous dynamic models. Ind. Eng. Chem. Res. 2018, 57, 2587–2608. [Google Scholar] [CrossRef]
- Galán, G.; Martín, M.; Grossmann, I.E. Integrated Renewable Production of ETBE from Switchgrass. ACS Sustain. Chem. Eng. 2019, 7, 8943–8953. [Google Scholar] [CrossRef]
- Babaie, O.; Esfahany, M.N. The hybrid RDWC–pervaporation with series–parallel arrangement and heat integration for ETBE production. Sep. Purif. Technol. 2021, 268, 118695. [Google Scholar] [CrossRef]
- Linan, D.A.; Bernal, D.E.; Gomez, J.M.; Ricardez-Sandoval, L.A. Optimal synthesis and design of catalytic distillation columns: A rate-based modeling approach. Chem. Eng. Sci. 2021, 231, 116294. [Google Scholar] [CrossRef]
- Babaie, O.; Esfahany, M.N. Optimum process configuration for ETBE production based on TAC minimization. Sep. Purif. Technol. 2021, 256, 117744. [Google Scholar] [CrossRef]
- Zhang, T.; Jensen, K.; Kitchaiya, P.; Phillips, C.; Datta, R. Liquid-phase synthesis of ethanol-derived mixed tertiary alkyl ethyl ethers in an isothermal integral packed-bed reactor. Ind. Eng. Chem. Res. 1997, 36, 4586–4594. [Google Scholar] [CrossRef]
- Sneesby, M.G.; Tadé, M.O.; Datta, R.; Smith, T.N. ETBE Synthesis via Reactive Distillation. 1. Steady-State Simulation and Design Aspects. Ind. Eng. Chem. Res. 1997, 36, 1855–1869. [Google Scholar] [CrossRef]
- Khaledi, R.; Young, B.R. Modeling and Model Predictive Control of Composition and Conversion in an ETBE Reactive Distillation Column. Ind. Eng. Chem. Res. 2005, 44, 3134–3145. [Google Scholar] [CrossRef]
- Blank, J.; Deb, K. Pymoo: Multi-objective optimization in python. IEEE Access 2020, 8, 89497–89509. [Google Scholar] [CrossRef]
- Akiba, T.; Sano, S.; Yanase, T.; Ohta, T.; Koyama, M. Optuna: A next generation hyperparameter optimization framework. In Proceedings of the 25th ACM SIGKDD International Conference on Knowledge Discovery & Data Mining, Anchorage, AK, USA, 4–8 August 2019; pp. 2623–2631. [Google Scholar] [CrossRef]
- Jing, C.; Zhu, J.; Dang, L.; Wei, H. Extractive dividing-wall column distillation with a novel control structure integrating pressure swing and pressure compensation. Ind. Eng. Chem. Res. 2021, 60, 1274–1289. [Google Scholar] [CrossRef]
- Gadalla, M.; Olujić, Ž.; Jobson, M.; Smith, R. Estimation and reduction of CO2 emissions from crude oil distillation units. Energy 2006, 31, 2398–2408. [Google Scholar] [CrossRef]
- Medina-Herrera, N.; Grossmann, I.E.; Mannan, M.S.; Jiménez-Gutiérrez, A. An approach for solvent selection in extractive distillation systems including safety considerations. Ind. Eng. Chem. Res. 2014, 53, 12023–12031. [Google Scholar] [CrossRef]
- Ortiz-Espinoza, A.P.; Jiménez-Gutiérrez, A.; El-Halwagi, M.M. Including inherent safety in the design of chemical processes. Ind. Eng. Chem. Res. 2017, 56, 14507–14517. [Google Scholar] [CrossRef]
- Roy, N.; Eljack, F.; Jiménez-Gutiérrez, A.; Zhang, B.; Thiruvenkataswamy, P.; El-Halwagi, M.; Mannan, M.S. A review of safety indices for process design. Curr. Opin. Chem. Eng. 2016, 14, 42–48. [Google Scholar] [CrossRef]
- Khan, F.I.; Abbasi, S.A. Multivariate hazard identification and ranking system. Process Saf. Prog. 1998, 17, 157–170. [Google Scholar] [CrossRef]
- Ortiz-Espinoza, A.P.; Jiménez-Gutiérrez, A.; El-Halwagi, M.M.; Kazantzis, N.K.; Kazantzi, V. Comparison of safety indexes for chemical processes under uncertainty. Process Saf. Environ. Prot. 2021, 148, 225–236. [Google Scholar] [CrossRef]








| Reference | Analyzed Process | Optimization Technique | Objective Function |
|---|---|---|---|
| Domingues et al. [27] | Reactive distillation | Genetic algorithms and particle swarm optimization | Gross annual profit |
| Recker et al. [28] | Non-intensified flowsheet, reactive distillation | MINLP | Total annual cost |
| Kaur & Sangal [29] | Reactive DWC | Box–Behnken design with response surface methodology | Product purities, energy requirements, CO2 emissions |
| Bernal et al. [30] | Reactive distillation | NLP | Performance tracking, operating and investment costs |
| Galán et al. [31] | Nonintensified flowsheet | MINLP | Simplified profit |
| Babaie & Esfahany [32] | Hybrid reactive DWC-pervaporation | Hybrid GA-PSO algorithm | Total annual cost |
| This work | Nonintensified flowsheet, reactive distillation, DWC, reactive DWC | NSGA-II | Total annual cost, inherent safety, CO2 emissions |
| Flowsheet | TAC [MM USD/yr] | CO2 [kt/yr] | FEDI 1 |
|---|---|---|---|
| Base case | 2.720 | 13.79 | 709 |
| RDC | 2.215 | 9.99 | 640 |
| DWC | 2.211 | 8.67 | 845 |
| RDWC | 2.012 | 9.06 | 747 |
| Objective 1 1 | Objective 2 2 | Objective 3 3 | Objective 4 4 | |
|---|---|---|---|---|
| Best alternative | RDC | RDWC | DWC | RDC |
| Number of stages | 49 | 49 | 49 | 48 |
| Reflux ratio | 0.64 | 1.11 | 1.11 | 0.99 |
| Design pressure [bar] | 4.51 | 4.95 | 4.50 | 5.93 |
| ETBE flowrate [kmol/hr] | 116 | 117 | 114 | 117 |
| TAC [MMUSD/yr] | 1.52 | 1.45 | 1.54 | 1.68 |
| Carbon emissions [kt/yr] | 8.83 | 8.50 | 8.48 | 11.7 |
| FEDI | 620 | 661 | 707 | 606 |
Disclaimer/Publisher’s Note: The statements, opinions and data contained in all publications are solely those of the individual author(s) and contributor(s) and not of MDPI and/or the editor(s). MDPI and/or the editor(s) disclaim responsibility for any injury to people or property resulting from any ideas, methods, instructions or products referred to in the content. |
© 2025 by the authors. Licensee MDPI, Basel, Switzerland. This article is an open access article distributed under the terms and conditions of the Creative Commons Attribution (CC BY) license (https://creativecommons.org/licenses/by/4.0/).
Share and Cite
Hernández-Morales, G.; Montaño-Olvera, E.D.; Gómez-Ochoa, M.; Jiménez-Gutiérrez, A. Multi-Objective Optimization of ETBE Intensified Processes Considering Economic, Environmental, and Inherent Safety Aspects. Processes 2025, 13, 3539. https://doi.org/10.3390/pr13113539
Hernández-Morales G, Montaño-Olvera ED, Gómez-Ochoa M, Jiménez-Gutiérrez A. Multi-Objective Optimization of ETBE Intensified Processes Considering Economic, Environmental, and Inherent Safety Aspects. Processes. 2025; 13(11):3539. https://doi.org/10.3390/pr13113539
Chicago/Turabian StyleHernández-Morales, Gabriel, Edgar Daniel Montaño-Olvera, Manuel Gómez-Ochoa, and Arturo Jiménez-Gutiérrez. 2025. "Multi-Objective Optimization of ETBE Intensified Processes Considering Economic, Environmental, and Inherent Safety Aspects" Processes 13, no. 11: 3539. https://doi.org/10.3390/pr13113539
APA StyleHernández-Morales, G., Montaño-Olvera, E. D., Gómez-Ochoa, M., & Jiménez-Gutiérrez, A. (2025). Multi-Objective Optimization of ETBE Intensified Processes Considering Economic, Environmental, and Inherent Safety Aspects. Processes, 13(11), 3539. https://doi.org/10.3390/pr13113539

