Modeling and Energy Expenditure Comparison of RRR and PRR Planar Robotic Manipulators for Pick-and-Place Operations
Abstract
1. Introduction
2. Studied Planar Robotic Manipulators
3. Modeling Approach
3.1. Kinematic Model
3.2. Dynamic Model
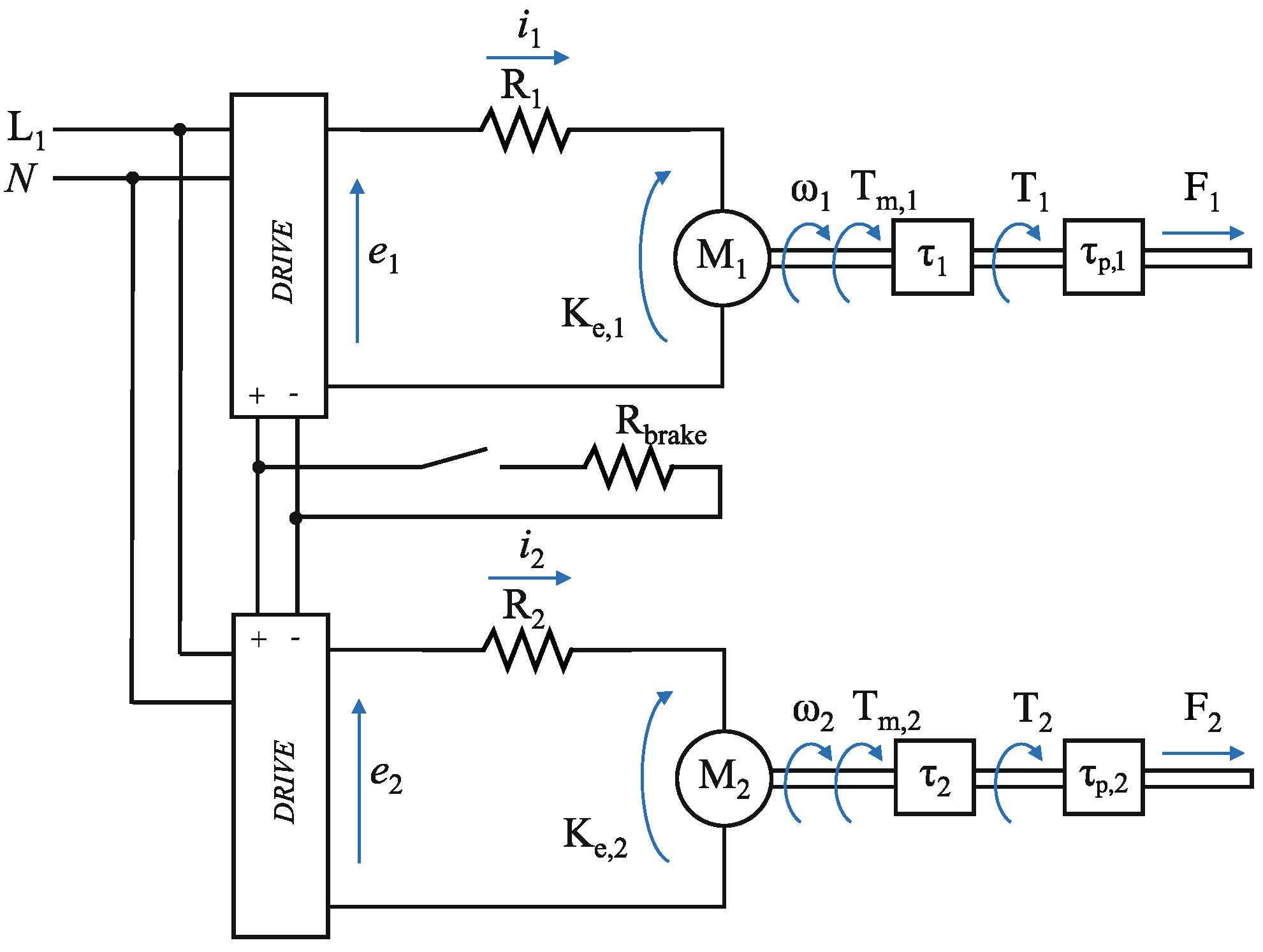
3.3. Electro-Mechanical Model
4. Comparative Energy Expenditure Analysis
4.1. Workspace Analysis
4.2. Sizing of Actuators and Transmission Systems
4.3. Dynamic Analysis and Energy Evaluation
- Point-to-point motion using a trapezoidal velocity profile;
- Two point-to-point motions with continuous velocity profiles, where the position is interpolated using (i) a cubic polynomial and (ii) a quintic polynomial primitive;
- B-spline trajectory with continuous velocity profile, defined through two control points A1 and A2. The curve passes only through the initial and final points (A and B) while remaining enclosed within the polygon formed by control points.
- Total duration of motion (T): The analyzed movement times vary between (representing a rapid motion) and (representing a slower motion).
- Vertical displacement of the robot base (): Several installation configurations were examined to determine whether adjusting the vertical position of the fixed joints relative to the working platform could reduce energy usage. Specifically, this parameter ranges from to for point-to-point trajectories, and from to for the B-spline trajectory.
5. Results and Discussion
6. Conclusions and Future Outlook
Author Contributions
Funding
Data Availability Statement
Conflicts of Interest
References
- Renna, P.; Materi, S. A Literature Review of Energy Efficiency and Sustainability in Manufacturing Systems. Appl. Sci. 2021, 11, 7366. [Google Scholar] [CrossRef]
- Singh, S.; Ru, J. Goals of sustainable infrastructure, industry, and innovation: A review and future agenda for research. Environ. Sci. Pollut. Res. 2023, 30, 28446–28458. [Google Scholar] [CrossRef] [PubMed]
- United Nations. 2030 Agenda for Sustainable Development-Sustainable Development Goals. 2025. Available online: https://sdgs.un.org/goals (accessed on 20 October 2025).
- Muru, J.; Rassõlkin, A. A scoping review of energy consumption in industrial robotics. Machines 2025, 13, 542. [Google Scholar] [CrossRef]
- Zhang, M.; Yan, J. A data-driven method for optimizing the energy consumption of industrial robots. J. Clean. Prod. 2021, 285, 124862. [Google Scholar] [CrossRef]
- Naumann, M.; Ostermann, M.; Buchenau, N.; Oetzel, J.; Schlosser, F.; Meschede, H.; Tröster, T. Energy efficiency improvement for decarbonization in manufacturing industry: A review. Energy Convers. Manag. 2025, 338, 119763. [Google Scholar] [CrossRef]
- Carabin, G.; Palomba, I.; Wehrle, E.; Vidoni, R. Energy expenditure minimization for a delta-2 robot through a mixed approach. In Multibody Dynamics 2019; Computational Methods in Applied Sciences; Springer: Cham, Switzerland, 2020; Volume 53, pp. 383–390. [Google Scholar] [CrossRef]
- Schüle, M.; Nehler, H.; Ottosson, M.; Thollander, P. Energy management in industry: A systematic review of previous findings and an integrative conceptual framework. J. Clean. Prod. 2016, 112, 3692–3708. [Google Scholar] [CrossRef]
- Soori, M.; Arezoo, B.; Dastres, R. Optimization of energy consumption in industrial robots, a review. Cogn. Robot. 2023, 3, 142–157. [Google Scholar] [CrossRef]
- Balderas Hill, R.; Briot, S.; Chriette, A.; Martinet, P. Minimizing the Energy Consumption of a Delta Robot by Exploiting the Natural Dynamics. In ROMANSY 23–Robot Design, Dynamics and Control (CISM IFToMM Symposium); Springer International Publishing: Cham, Switzerland, 2020; pp. 213–221. [Google Scholar] [CrossRef]
- Pellicciari, M.; Berselli, G.; Leali, F.; Vergnano, A. A method for reducing the energy consumption of pick-and-place industrial robots. Mechatronics 2013, 23, 326–334. [Google Scholar] [CrossRef]
- Zhao, Z.; Cheng, S.; Ding, Y.; Zhou, Z.; Zhang, S.; Xu, D.; Zhao, Y. A survey of optimization-based task and motion planning: From classical to learning approaches. IEEE/ASME Trans. Mechatronics 2024, 30, 2799–2825. [Google Scholar] [CrossRef]
- Paes, K.; Dewulf, W.; Vander Elst, K.; Kellens, K.; Slaets, P. Energy efficient trajectories for an industrial ABB robot. Procedia CIRP 2014, 15, 105–110. [Google Scholar] [CrossRef]
- Paryanto; Brossog, M.; Bornschlegl, M.; Franke, J. Reducing the energy consumption of industrial robots in manufacturing systems. Int. J. Adv. Manuf. Technol. 2015, 78, 1315–1328. [Google Scholar] [CrossRef]
- Pellegrinelli, S.; Borgia, S.; Pedrocchi, N.; Villagrossi, E.; Bianchi, G.; Tosatti, L.M. Minimization of the energy consumption in motion planning for single-robot tasks. Procedia CIRP 2015, 29, 354–359. [Google Scholar] [CrossRef]
- Björkenstam, S.; Gleeson, D.; Bohlin, R.; Carlson, J.S.; Lennartson, B. Energy Efficient and Collision Free Motion of Industrial Robots using Optimal Control. In Proceedings of the IEEE Conference on Automation Science and Engineering (CASE), Madison, WI, USA, 17–20 August 2013; pp. 510–515. [Google Scholar] [CrossRef]
- Cheng, C.; Xu, W.; Shang, J. Distributed-torque-based independent joint tracking control of a redundantly actuated parallel robot with two higher kinematic pairs. IEEE Trans. Ind. Electron. 2015, 63, 1062–1070. [Google Scholar] [CrossRef]
- Liu, S.; Wang, Y.; Wang, X.V.; Wang, L. Energy-efficient trajectory planning for an industrial robot using a multi-objective optimisation approach. Procedia Manuf. 2018, 25, 517–525. [Google Scholar] [CrossRef]
- Gadaleta, M.; Pellicciari, M.; Berselli, G. Optimization of the energy consumption of industrial robots for automatic code generation. Robot. Comput.-Integr. Manuf. 2019, 57, 452–464. [Google Scholar] [CrossRef]
- Gadaleta, M.; Berselli, G.; Pellicciari, M.; Grassia, F. Extensive experimental investigation for the optimization of the energy consumption of a high payload industrial robot with open research dataset. Robot. Comput.-Integr. Manuf. 2021, 68, 102046. [Google Scholar] [CrossRef]
- Guerra-Zubiaga, D.A.; Luong, K.Y. Energy consumption parameter analysis of industrial robots using design of experiment methodology. Int. J. Sustain. Eng. 2021, 14, 996–1005. [Google Scholar] [CrossRef]
- Baggetta, M.; Berselli, G.; Razzoli, R.; Zucchinetti, M. Energy efficient trajectory planning in robotic cells via virtual prototyping tools. In International Joint Conference on Mechanics, Design Engineering & Advanced Manufacturing; Springer International Publishing: Cham, Switzerland, 2022; pp. 614–625. [Google Scholar] [CrossRef]
- Liu, A.; Liu, H.; Yao, B.; Xu, W.; Yang, M. Energy consumption modeling of industrial robot based on simulated power data and parameter identification. Adv. Mech. Eng. 2018, 10, 1687814018773852. [Google Scholar] [CrossRef]
- Nezzi, C.; Gufler, V.; Berger, A.; Vidoni, R. Energy expenditure comparison of planar robotic manipulators for pick-and-place operations. In Proceedings of I4SDG Workshop 2025-IFToMM for Sustainable Development Goals; Mechanisms and Machine Science; Springer: Cham, Switzerland, 2025; Volume 180, pp. 634–643. [Google Scholar] [CrossRef]
- Carabin, G.; Wehrle, E.; Vidoni, R. A review on energy-saving optimization methods for robotic and automatic systems. Robotics 2017, 6, 39. [Google Scholar] [CrossRef]
- Boscariol, P.; Richiedei, D. Energy saving in redundant robotic cells: Optimal trajectory planning. In Mechanism Design for Robotics; Mechanisms and Machine Science; Springer International Publishing: Cham, Switzerland, 2018; Volume 66, pp. 268–275. [Google Scholar] [CrossRef]
- Fabris, G.; Scalera, L.; Gasparetto, A. Dynamic modelling and energy-efficiency optimization in a 3-DOF parallel robot. Int. J. Adv. Manuf. Technol. 2024, 132, 2677–2699. [Google Scholar] [CrossRef]
- Balderas Hill, R.; Briot, S.; Chriette, A.; Martinet, P. Performing energy-efficient pick-and-place motions for high-speed robots by using variable stiffness springs. J. Mech. Robot. 2022, 14, 051004. [Google Scholar] [CrossRef]
- Velasco Vivas, A.; Cherubini, A.; Garabini, M.; Salaris, P.; Bicchi, A. Minimizing Energy Consumption of Elastic Robots in Repetitive Tasks. IEEE Trans. Syst. Man Cybern. Syst. 2023, 53, 4235–4248. [Google Scholar] [CrossRef]
- Marchal, M.; Furnémont, R.; Vanderborght, B.; Mostafaoui, G.; Verstraten, T. Optimization of Mono- and Bi-Articular Parallel Elastic Elements for a Robotic Arm Performing a Pick-and-Place Task. IEEE Robot. Autom. Lett. 2023, 8, 1234–1241. [Google Scholar] [CrossRef]
- Siciliano, B.; Sciavicco, L.; Villani, L.; Oriolo, G. Robotics: Modelling, Planning and Control; Springer: London, UK, 2010. [Google Scholar] [CrossRef]
- Nezzi, C.; De Marchi, M.; Vidoni, R.; Rauch, E. A Multi-Purpose Simulation Layer for Digital Twin Applications in Mechatronic Systems. Machines 2025, 13, 671. [Google Scholar] [CrossRef]
- igus (Automation Division). 2-Axis Delta Robot. 2025. Available online: https://rbtx.com/en-US/components/robots/2-axis-delta-robot-pre-assembled-with-control-unit-working-space-diameter-700-mm?srsltid=AfmBOorVLWXIS3VIgvxpDuMry8rk7hx_BbrYUmBwH3rYLHCf5ewqiqdH (accessed on 18 October 2025).
- Carabin, G.; Scalera, L.; Wongratanaphisan, T.; Vidoni, R. An energy-efficient approach for 3D printing with a Linear Delta Robot equipped with optimal springs. Robot. Comput. Integr. Manuf. 2021, 67, 102045. [Google Scholar] [CrossRef]











| Robot | Link | 1 | 2 | 3 | 4 | 5 | 6 | 7 | 8 | 9 | 10 |
|---|---|---|---|---|---|---|---|---|---|---|---|
| RRR-D2 | L [m] | 0.25 | 0.25 | 0.645 | 0.645 | 0.076 | 0.05 | 0.645 | 0.05 | 0.117 | 0.25 |
| M [kg] | 0.212 | 0.212 | 0.547 | 0.547 | 0.2 | 0.185 | 0.547 | 0.185 | 0.4 | 0.212 | |
| I [kg m2] | 0.0011 | 0.0011 | 0.019 | 0.019 | 0.024 | 0.0012 | 0.019 | 0.0012 | 0.117 | 0.0011 | |
| PRR | L [m] | – | – | 0.645 | 0.645 | 0.076 | 0.05 | 0.645 | 0.05 | – | – |
| M [kg] | – | – | 0.547 | 0.547 | 0.2 | 0.185 | 0.547 | 0.185 | – | – | |
| I [kg m2] | – | – | 0.019 | 0.019 | 0.024 | 0.0012 | 0.019 | 0.0012 | – | – |
| Parameter | Unity of Measurement | RRR-D2 | PRR |
|---|---|---|---|
| Speed (n) | [rpm] | 1500 | 4087 |
| Nominal torque () | [Nm] | 1.33 | 0.0989 |
| Maximum torque () | [Nm] | 4.0 | 0.76 |
| Torque constant () | [Nm/A] | 0.42 | 0.0696 |
| Voltage constant () | [V s/rad] | 25.13 | 0.0696 |
| Winding resistance (R) | [] | 2.6 | 2.74 |
| Motor inertia (I) | [kg m2] | ||
| Transmission ratio () | — | ||
| Pulley diameter () | [m] | — | 0.01654 |
| T = 0.2 s | RRR-D2 | PRR90 | PRR45 | |||
|---|---|---|---|---|---|---|
| Consumed [kJ] | Recoverable [kJ] | Consumed [kJ] | Recoverable [kJ] | Consumed [kJ] | Recoverable [kJ] | |
| Trapezoidal | 76.92 | 23.88 | 59.50 | 50.44 | 13.69 | 11.05 |
| Cubic | 76.34 | 27.39 | 43.68 | 34.6 | 12.59 | 9.91 |
| Quintic | 106.23 | 49.14 | 59.94 | 50.46 | 18.04 | 15.13 |
| B-spline | 209.67 | 105.09 | 133.87 | 119.3 | 63.59 | 53.86 |
| T = 0.4 s | RRR-D2 | PRR90 | PRR45 | |||
|---|---|---|---|---|---|---|
| Consumed [kJ] | Recoverable [kJ] | Consumed [kJ] | Recoverable [kJ] | Consumed [kJ] | Recoverable [kJ] | |
| Trapezoidal | 31.48 | 4.57 | 34.09 | 28.29 | 8.94 | 7.59 |
| Cubic | 31.16 | 4.58 | 33.06 | 27.18 | 8.83 | 7.45 |
| Quintic | 35.62 | 7.5 | 33.59 | 27.35 | 8.93 | 7.36 |
| B-spline | 60.63 | 17.45 | 46.78 | 37.06 | 23.03 | 16.93 |
| T = 0.6 s | RRR-D2 | PRR90 | PRR45 | |||
|---|---|---|---|---|---|---|
| Consumed [kJ] | Recoverable [kJ] | Consumed [kJ] | Recoverable [kJ] | Consumed [kJ] | Recoverable [kJ] | |
| Trapezoidal | 23.53 | 2.69 | 28.83 | 24.74 | 7.75 | 6.93 |
| Cubic | 22.98 | 2.29 | 28.37 | 24.3 | 7.71 | 6.87 |
| Quintic | 24.56 | 3.03 | 28.42 | 23.99 | 7.72 | 6.74 |
| B-spline | 37.49 | 6.17 | 37.22 | 30.13 | 18.65 | 14.59 |
| T = | RRR-D2 | PRR90 | PRR45 | |||
|---|---|---|---|---|---|---|
| Consumed [kJ] | Recoverable [kJ] | Consumed [kJ] | Recoverable [kJ] | Consumed [kJ] | Recoverable [kJ] | |
| Trapezoidal | 19.58 | 2.53 | 25.22 | 22.29 | 6.82 | 6.27 |
| Cubic | 19.40 | 2.29 | 25.14 | 22.18 | 6.82 | 6.25 |
| Quintic | 20.07 | 2.19 | 25.12 | 21.86 | 6.84 | 6.17 |
| B-spline | 28.21 | 3.68 | 32.4 | 27.04 | 16.22 | 13.36 |
Disclaimer/Publisher’s Note: The statements, opinions and data contained in all publications are solely those of the individual author(s) and contributor(s) and not of MDPI and/or the editor(s). MDPI and/or the editor(s) disclaim responsibility for any injury to people or property resulting from any ideas, methods, instructions or products referred to in the content. |
© 2025 by the authors. Licensee MDPI, Basel, Switzerland. This article is an open access article distributed under the terms and conditions of the Creative Commons Attribution (CC BY) license (https://creativecommons.org/licenses/by/4.0/).
Share and Cite
Nezzi, C.; Gufler, V.; Vidoni, R. Modeling and Energy Expenditure Comparison of RRR and PRR Planar Robotic Manipulators for Pick-and-Place Operations. Robotics 2025, 14, 185. https://doi.org/10.3390/robotics14120185
Nezzi C, Gufler V, Vidoni R. Modeling and Energy Expenditure Comparison of RRR and PRR Planar Robotic Manipulators for Pick-and-Place Operations. Robotics. 2025; 14(12):185. https://doi.org/10.3390/robotics14120185
Chicago/Turabian StyleNezzi, Chiara, Veit Gufler, and Renato Vidoni. 2025. "Modeling and Energy Expenditure Comparison of RRR and PRR Planar Robotic Manipulators for Pick-and-Place Operations" Robotics 14, no. 12: 185. https://doi.org/10.3390/robotics14120185
APA StyleNezzi, C., Gufler, V., & Vidoni, R. (2025). Modeling and Energy Expenditure Comparison of RRR and PRR Planar Robotic Manipulators for Pick-and-Place Operations. Robotics, 14(12), 185. https://doi.org/10.3390/robotics14120185

